陶粒轻集料混凝土的主要原料、配合比计算和配合比
- 格式:pptx
- 大小:79.39 KB
- 文档页数:13
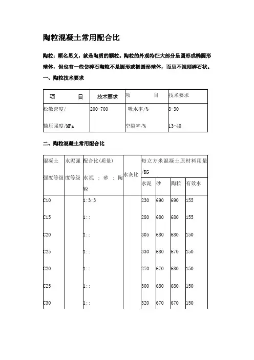
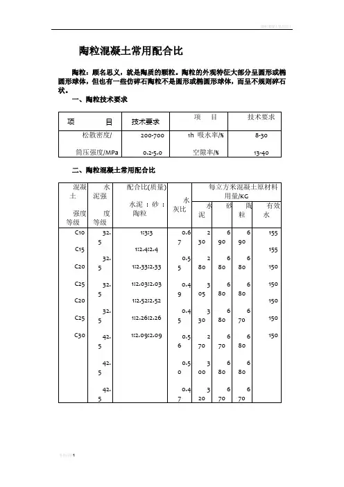
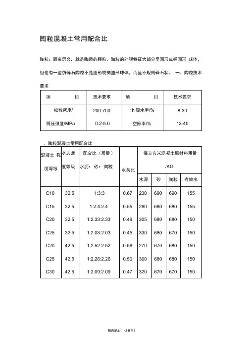
c15陶粒混凝土配合比
C15陶粒混凝土是一种轻质混凝土,由水泥、水、沙、陶粒等材料组成。
它具有轻质、保温隔热、耐久性高、易施工等优点,因此被广泛应用于建筑、路桥、地铁、隧道等领域。
下面我们将介绍C15陶粒混凝土的配合比。
1. 水泥
水泥是混凝土的主要胶结材料,对混凝土的强度和性能具有很大影响。
在C15陶粒混
凝土的配合比中,水泥的用量一般为240kg/m³左右。
3. 砂
4. 陶粒
5. 外加剂
外加剂是混凝土中的特殊添加剂,能改善混凝土的某些性能,比如流动性、坍落度、
抗渗性、减水率等。
在C15陶粒混凝土的配合比中,可以适当添加外加剂,以提高混凝土
的性能。
根据以上配合比,C15陶粒混凝土的配合比为:水泥240kg/m³,砂500kg/m³,陶粒
500kg/m³,水150kg/m³,外加剂适量。
混凝土的强度为C15,即强度等级为15MPa。
同时,可以根据具体的工程条件和要求进行微调,以保证混凝土的质量和性能。
LC5.0轻集料陶粒混凝土配合比LC50 轻集料陶粒混凝土配合比在建筑工程领域,混凝土作为一种广泛应用的材料,其性能和质量直接影响着建筑物的结构安全和耐久性。
而轻集料陶粒混凝土作为一种新型的轻质混凝土,由于其具有轻质、高强、保温、隔热、抗震等优点,近年来得到了越来越广泛的应用。
其中,LC50 轻集料陶粒混凝土是一种强度等级为 50MPa 的轻集料陶粒混凝土,其配合比的设计和优化对于保证混凝土的性能和质量至关重要。
一、LC50 轻集料陶粒混凝土的原材料1、水泥水泥是混凝土中的胶凝材料,其品种和强度等级直接影响着混凝土的强度和性能。
对于 LC50 轻集料陶粒混凝土,一般采用强度等级为425 的普通硅酸盐水泥或粉煤灰硅酸盐水泥。
2、轻集料陶粒轻集料陶粒是 LC50 轻集料陶粒混凝土中的主要骨料,其质量和性能直接影响着混凝土的轻质、保温、隔热等性能。
一般来说,轻集料陶粒的堆积密度应小于 1000kg/m³,筒压强度应大于 20MPa,吸水率应小于 10%。
3、砂砂是混凝土中的细骨料,其质量和级配直接影响着混凝土的和易性和强度。
对于 LC50 轻集料陶粒混凝土,一般采用中砂,其细度模数应在 23~30 之间,含泥量应小于 3%。
4、水水是混凝土中的重要组成部分,其质量直接影响着混凝土的性能。
一般来说,应采用符合国家标准的饮用水作为混凝土的拌合用水。
5、外加剂外加剂是混凝土中的一种重要添加剂,其品种和用量直接影响着混凝土的性能。
对于 LC50 轻集料陶粒混凝土,一般采用减水剂、缓凝剂、引气剂等外加剂,以改善混凝土的和易性、强度、耐久性等性能。
二、LC50 轻集料陶粒混凝土配合比的设计原则1、满足强度要求LC50 轻集料陶粒混凝土的强度等级为 50MPa,因此在配合比设计时,应首先满足强度要求,通过合理选择原材料和确定配合比参数,使混凝土的抗压强度达到设计要求。
2、满足工作性要求混凝土的工作性是指混凝土在施工过程中的流动性、可塑性、稳定性等性能。
陶粒混凝土的配比
陶粒混凝土是一种新型的轻质高强材料,广泛应用于建筑领域。
它的配比需要综合考虑材料的性质、施工工艺等方面的因素,下面我
们来详细介绍陶粒混凝土的配比方法。
首先,我们需要确定混凝土所需的原材料及其配合比例。
陶粒混
凝土的主要原材料包括水泥、砂、石子和陶粒,其中的配合比例可以
按照以下的比例进行:
水泥:砂:石子:陶粒=1:1.5:3:1
其次,我们需要考虑混凝土的强度需求。
陶粒混凝土主要有普通
强度、高强度和特种混凝土三种类型,因此其混合配比也略有不同。
如果需要生产普通强度的陶粒混凝土,则其水泥配比可以控制在
300~400kg/m³之间;如果需要生产高强度的陶粒混凝土,则其水泥配
比应该增加到450~500kg/m³以上;如果需要生产特种混凝土,其水泥
配比可以在500~700kg/m³之间。
另外,我们还需要考虑陶粒的粒径和用量。
根据实际需要,选择
适合的陶粒粒径进行配比。
同时,陶粒的用量也需要根据实际情况进
行调整。
一般而言,陶粒的用量可以占到石子的总量的10%~50%左右。
最后,我们需要注意混凝土的施工工艺。
为了保证混凝土的均匀
性和稳定性,需要严格按照搅拌时间、水灰比等参数进行控制。
同时,
在混凝土的浇筑、压实和养护等方面也需要注意一些细节问题,以确保混凝土的施工质量。
总之,陶粒混凝土的配比需要综合考虑各个方面的因素,才能确保混凝土的强度、稳定性和质量。
因此,在实际生产和应用过程中,需要注重配比的正确性和施工工艺的规范性。