混凝土坝安全监测项目测次要求
- 格式:xls
- 大小:28.50 KB
- 文档页数:1
大坝变形监测施工与观测方法及要求1.技术标准和规范:承建工程变形监测仪器设备的检验、率定、埋设安装与施工期观测,应严格执行现行国家行业技术标准和规范,以及设计文件、承包合同要求。
应执行的现行国家行业技术标准和规范主要有(但不限于):(1)《混凝土大坝安全监测技术规范》(SDJ336—89)(2)《土石坝安全监测技术规范》(SL60—94)(3)《国家一、二等水准测量规范》(GB12897—91)(4)《国家三角测量规范》(GB/T17942-2000)(5)《水利水电工程测量规范》(SL197—97)(6)《水利水电工程施工测量规范》(SL52—93)2.变形监测仪器设备购置、加工:变形监测仪器设备购置、加工应按照经监理工程师批准的设计图纸、仪器设备清单进行。
仪器设备购置、加工前应向监理工程师报送:(1)仪器设备购置、加工计划:(2)仪器设备检验、率定计划。
仪器设备运抵施工现场后,应会同监理工程师开箱检查验收,应向仪器设备供应方索取仪器设备出厂合格证,计量检测证。
仪器、设备检验合格后应妥善保管。
3.倒垂孔、钢管标、钢铝管双金属标造孔施工与埋设安装:倒垂孔、钢管标、钢铝管双金属标应在施工部位形成后进行。
按照设计坐标、高程进行钻孔孔位定位、放样。
钻机就位,应认真进行校正。
经校正安装固定的钻机,主轴必须严格垂直,钻孔孔位定位精度须满足设计要求。
钻孔施工过程中应每进尺1 m~2m,采用倒垂浮体组配合弹性导中器进行钻孔垂直度检测,以控制钻孔质量,进而指导调整钻孔施工。
倒垂孔钻孔垂直度应满足保护管安装埋设完成后,其保护管有效孔径必须在大于100mm。
钢管标、钢、铝管双金属标钻孔垂直度应满足保护管安装埋设的要求。
钻孔进尺满足设计要求后,应通知设计、地质、监理工程师,参加钻孔终孔验收,并进行单项工程阶段性验收签证。
终孔验收后,及时进行倒垂孔保护管、钢管标、钢、铝管双金属标安装埋设。
各类金属管材、材质型号、加工均应满足设计要求。
大坝安全监测项目监理实施细则1 总则1.1本细则依据“工程施工承建合同文件”、《土石坝安全监测技术规范(SL60-94)》、《混凝土大坝安全监测技术规范(SDJ336-89)》以及其他有关规程、规范和工程质量检验标准编制。
1.2本细则适用于水工建筑物永久工程以及水工洞室和高边坡开挖等工程中必须进行运行期与施工期安全监测的工程项目。
1.3工程监测仪器设备的埋设应依据合同文件规定和设计要求并随工程进展及时安排实施。
2 仪器及辅助装置的采购与保管2.1为确保现场仪器埋设安装按合同规定及设计要求进行,承建单位应根据设计文件、施工进度以及仪器供货所需的时间要求,编制仪器及辅助装置的采购计划,报送监理部批准。
采购计划主要内容应包括:⑴项目简况(包括与仪埋相关工程项目施工计划进度,预期的仪埋计划进度,安全监测项目内容与技术要求)。
⑵供货厂家情况(包括厂名、厂址及其资信情况)。
⑶采购仪器件申报表(包括埋设部位、器件名称、规格型号、本批采购数量、计划进场日期、供货价格、承运方式与到货地点)。
⑷按合同文件规定或监理部要求必须报送的其他内容。
2.2因工程需要订购的特殊型号和规格的仪器设备,承建单位应约请监理工程师参加与制造厂商进行的技术商谈。
2.3采购的仪器设备进场后,承建单位应认真检查各类仪器的型号、规格、数量和供货质量。
所有的仪器都应附有相应的测试证明。
2.4进场仪器设施应按使用、保管说明书要求存放在安全、防潮的库存房内妥善保管。
3 仪器埋设准备3.1仪埋施工作业前28天,承建单位应根据工程安全监测设计图纸、合同技术规范和有关安全监测技术规程规范,结合施工计划编制完成监测仪器埋设安装措施计划,一式四份报送监理部批准。
仪器埋设安装措施计划应包括以下主要内容:⑴监测项目及内容。
⑵工地现场配备的监测仪器设备,包括测量仪表和检验设备清单(附厂家、型号、规格、合格证、仪器检验资料、说明书等)。
⑶作业设备、材料与人员配备,岗位设置及其资历。
简要说明第一章总则第二章巡视检查第三章变形监测第四章渗流监测第五章应力、应变及温度监测第六章监测资料的整理、整编和分析附录一总则附录二巡视要求附录三变形监测附录四渗流监测附录五应力、应变及温度监测附录六监测资料的整理、整编和分析打印刷新混凝土大坝安全监测技术规范(试行)SDJ336—89主编单位:《混凝土大坝安全监测技术规范》编制组批准部门:试行日期:1989年10月1日关于颁发《混凝土大坝安全监测技术规范》SDJ336—89(试行)的通知能源技[1989]577号《混凝土大坝安全监测技术规范》(编号:SDJ336—89)由水利电力部在一九八五年底组织有关单位开始编制,于一九八八年底前完成,一九八九年一月在能源部主持下由能源、水利两部共同审定,现已交水利电力出版社出版,于一九八九年十月一日颁发试行。
这是我国首次编制的包括有设计、施工、运行各阶段监测工作较系统的技术规范。
试行中有何意见,请函告能源部科技司或水利部科教司。
1989年3月20日简要说明本规范是根据原水利电力部科学技术司(83)技水电字第273号文进行编制的。
在原水利电力部科学技术司、电力生产司及水利水电建设总局(水利水电规划设计院)的组织领导下,由水利水电科学研究院、华东勘测设计院、原西南电业管理局、中国水力发电工程学会、东北勘测设计院、南京自动化研究所、长江流域规划办公室勘测总队、天津勘测设计院、西北勘测设计院、上海勘测设计院、长江科学研究院、水电部第七工程局、葛洲坝工程局、葛洲坝水电厂、新安江水电厂、刘家峡水电厂等16个单位派员组成编制组。
水利水电科学研究院、华东勘测设计院、原西南电业管理局为编制组组长单位。
本规范在编制过程中,得到了有关勘测设计、施工、运行、管理、科研、高等院校等单位的大力支持;进行了广泛的调查研究;总结了我国30多年来混凝土大坝安全监测的实践经验;参考了《混凝土重力坝设计规范》(SDJ21—78)、《混凝土拱坝设计规范》(SD145—85)、《水电站大坝安全管理暂行办法》,以及其他有关规范的内容。
(一)大坝变形监测施工与观测方法及要求1.技术标准和规范:承建工程变形监测仪器设备的检验、率定、埋设安装与施工期观测,应严格执行现行国家行业技术标准和规范,以及设计文件、承包合同要求。
应执行的现行国家行业技术标准和规范主要有(但不限于):(1)《混凝土大坝安全监测技术规范》(SDJ336—89)(2)《土石坝安全监测技术规范》(SL60—94)(3)《国家一、二等水准测量规范》(GB12897—91)(4)《国家三角测量规范》(GB/T17942-2000)(5)《水利水电工程测量规范》(SL197—97)(6)《水利水电工程施工测量规范》(SL52—93)2.变形监测仪器设备购置、加工:变形监测仪器设备购置、加工应按照经监理工程师批准的设计图纸、仪器设备清单进行。
仪器设备购置、加工前应向监理工程师报送:(1)仪器设备购置、加工计划:(2)仪器设备检验、率定计划。
仪器设备运抵施工现场后,应会同监理工程师开箱检查验收,应向仪器设备供应方索取仪器设备出厂合格证,计量检测证。
仪器、设备检验合格后应妥善保管。
3.倒垂孔、钢管标、钢铝管双金属标造孔施工与埋设安装:倒垂孔、钢管标、钢铝管双金属标应在施工部位形成后进行。
按照设计坐标、高程进行钻孔孔位定位、放样。
钻机就位,应认真进行校正。
经校正安装固定的钻机,主轴必须严格垂直,钻孔孔位定位精度须满足设计要求。
钻孔施工过程中应每进尺1 m~2m,采用倒垂浮体组配合弹性导中器进行钻孔垂直度检测,以控制钻孔质量,进而指导调整钻孔施工。
倒垂孔钻孔垂直度应满足保护管安装埋设完成后,其保护管有效孔径必须在大于100mm。
钢管标、钢、铝管双金属标钻孔垂直度应满足保护管安装埋设的要求。
钻孔进尺满足设计要求后,应通知设计、地质、监理工程师,参加钻孔终孔验收,并进行单项工程阶段性验收签证。
终孔验收后,及时进行倒垂孔保护管、钢管标、钢、铝管双金属标安装埋设。
各类金属管材、材质型号、加工均应满足设计要求。
电站水库安全监测制度
1.为做好本水库大坝安全监测工作,保障工程安全,根据《小型水库安全管理办法》的要求,参照《土石坝安全监测技术规范》(《混凝土坝安全检查技术规范》),制定本制度。
2.工程安全监测工作由水库观测人员负责。
3.监测项目包括水位、降雨量、变形、渗流压力、渗漏量。
4.监测频次:
(1)每次巡查时水位观测不少于1次。
(2)降雨量逐日量测。
(3)变形观测每年不少于2次。
(4)渗流压力观测每月不少于3次。
(5)渗漏量观测每月不少于3次。
(6)遇特殊情况(如高水位、库水位骤变、特大暴雨、强地震等)和工程出现不安全征兆时,增加测次。
5.现场观测要求做到“四随”算、随校核)、“四无”(无缺测、无违时)、“四固定”(人员固定、间固定),以提高观测精度和效率。
及时对观测资料进行整理、校核、审查。
6.每年汛前,观测人员完成上一年度监测资料整编工作,并归档保存。
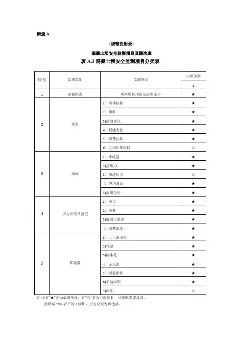
附录A
(规范性附录)
混凝土坝安全监测项目及测次表
表A.1混凝土坝安全监测项目分类表
注:①有“★”者为必设项目;有“☆”者为可选项目,可根据需要选设。
②坝高70m以下的1级坝,应力应变为可选项。
表A。
2混凝土坝安全监测项目测次表
注①表中测次,均系正常情况下人工测度的最低要求,特殊时期(如发生大洪水、地震等),应增加测次.监测自动化可根据要求,适当加密测次。
②在施工期,坝体浇筑进度快的,变形和应力监测的次数应取上限。
在首次蓄水期,库水位上升快的,测次应取上限.在初蓄期,开始测次应取上限.在运行期,当变形、渗流等状态变化速度大的,测次应取上限,状态趋于稳定时可取下限;当多年运行状态稳定时,可减少测次,减少监测项目或停测,但应报主管部门批准;但当水位超过前期运行水位时,仍需按首次蓄水执行。
③对于低坝的位移测次可减少为1次/季。
(规范性附录)变形监测精度表
(资料性附录)
其它常规安全监测项目及测次表
表C。
1 混凝土坝安全监测项目仪器埋设后初期标准测次
表C。
2 边坡安全监测项目仪器埋设初期标准测次
表C。
3 施工期边坡安全监测项目及测次
表C.4运行阶段边坡安全监测项目及测次表
表C。
5运行阶段地面厂房、开关站安全监测项目及测次表。
混凝土坝安全监测技术规程2020
【原创实用版】
目录
1.混凝土坝安全监测技术规程的背景和历史
2.混凝土坝安全监测技术规程的主要内容
3.混凝土坝安全监测技术规程的实施和影响
正文
混凝土坝安全监测技术规程是对混凝土坝安全监测的一种规范化管理,旨在保障混凝土坝的安全运行和避免安全事故的发生。
在我国,混凝土坝安全监测技术规程的发展经历了从试行到正式实施的过程。
1989 年,原能源部和水部颁发了《混凝土大坝安全监测技术规范》(试行),这是我国第一个针对混凝土坝安全监测的技术规范。
经过 10 多年的试行,根据原电力工业部的要求,1998 年成立了规范修订组,开始
对《混凝土大坝安全监测技术规范》进行修订。
2020 年,住房和城乡建设部批准《混凝土坝安全监测技术标准》为
国家标准,编号为 GB/T51416-2020,自 2020 年 10 月 1 日起实施。
这一标准的实施,意味着我国混凝土坝安全监测技术进入了一个新的阶段。
混凝土坝安全监测技术规程的主要内容包括现场检查、环境量监测、变形监测、渗流监测、应力、应变及裂缝监测等。
这些内容的监测,对于确保混凝土坝的安全运行具有重要作用。
混凝土坝安全监测技术规程的实施,对于我国的混凝土坝安全监测工作具有重要的指导意义。
它不仅规范了安全监测的工作程序,还明确了安全监测的具体内容和要求,为确保混凝土坝的安全运行提供了技术支持。
第1页共1页。
混凝土坝安全监测技术规程2020摘要:一、混凝土坝安全监测技术规程2020概述二、混凝土坝安全监测技术规程2020的主要内容1.监测项目2.监测方法3.监测频率4.监测数据处理与分析三、混凝土坝安全监测技术规程2020的意义和作用正文:混凝土坝安全监测技术规程2020是为了规范混凝土坝的安全监测工作,确保大坝安全运行而制定的。
本文将从规程的概述、主要内容及其意义和作用三个方面进行详细介绍。
一、混凝土坝安全监测技术规程2020概述混凝土坝安全监测技术规程2020是根据我国水利水电工程设计的实际情况和发展需求,结合近年来混凝土坝安全监测的新技术、新方法和新成果制定的。
规程对混凝土坝安全监测的项目、方法、频率、数据处理与分析等方面进行了详细的规定。
二、混凝土坝安全监测技术规程2020的主要内容1.监测项目混凝土坝安全监测技术规程2020对混凝土坝的监测项目进行了明确规定,包括:变形监测、渗流监测、应力应变监测、温度监测、裂缝监测、基础监测等。
2.监测方法规程对各种监测方法进行了详细的规定,包括:仪器观测法、人工巡检法、遥测法等。
同时,规程还要求监测方法应具有可操作性、准确性、及时性和经济性。
3.监测频率混凝土坝安全监测技术规程2020对各种监测项目的监测频率进行了明确的规定,要求监测单位根据实际情况合理制定监测计划,确保监测数据的准确性和及时性。
4.监测数据处理与分析规程对监测数据的处理与分析提出了明确的要求,要求监测单位对收集到的数据进行整理、分析,形成完整的监测报告,为工程管理提供科学依据。
三、混凝土坝安全监测技术规程2020的意义和作用混凝土坝安全监测技术规程2020的制定和实施,对于规范我国混凝土坝安全监测工作,提高监测技术水平,确保大坝安全运行具有重要的意义和作用。
大坝监测规范概要第一篇《大坝安全监测自动化技术规范》5、大坝安全监测自动化系统设计5.2.3、施工阶段大坝安全监测自动化系统设计应包括下列主要内容:1、监测仪器设备的布置及施工图设计。
2、配套土建工程及防雷工程施工设计。
3、提出施工技术要求。
4、确定系统运行方式的要求。
6.1、系统环境要求监测站接地电阻不宜大于10Ω。
监测管理站、监测管理中心站接地电阻不宜大于4Ω。
6.1.2工作电源要求1、交流电源a、额定电压:交流220V,允许偏差±10%;交流36V,允许偏差±10%;b、频率 50Hz,允许偏差±2%2、交错流电源掉电时不间断电源维护系统正常工作时间不小于30min。
6.5数据采集装置14 平均维修时间(MTTR):不大于2h。
15、防雷电感应:500W~1500W。
12.1系统考核12.1.2系统时时钟应满足在规定的运行周期内,监测系统设备月最大计时误差小于3min。
12.1.4、系统可靠性应满足下列要求:数据采集装置的平均无故障工作时间不小于6300h。
监测系统自动采集数据的缺失率应不大于3%。
13系统维护运行13.0.2、所有原始实测数据必须全部入库13.0.3、监测数据到少每3个月作1次备份。
13.0.4、宜每半年对自动化系统的部分或全部测点进行1次人工比测。
13.0.5、运行单位应针对本工程特点制订监测自动化系统运行管理规程。
13.0.6、每3个月对主要自动化监测设施进行1次巡视检查,汛期应进行1次全面检查。
13.0.7、每一个月校正1次系统时钟。
第二篇《混凝土坝安全监测资料整编规程》4.0.2、混凝土坝安全监测资料必须及时整理和整编,包括施工期、运行期的日常资料整理和定期资料整编。
整理和整编的成果应做到项目齐全,数据可靠,资料、图表完整,规格统一,说明完备。
4.0.3、日常资料整理应在每次监测后随即进行。
对于人工监测,不得晚于次日12点对自动化监测应在数据采集后立即自动整理和报警。
中华人民共和国能源部、水利部混凝土大坝安全监测技术规范SDJ 336-89(试行)主编部门:《混凝土大坝安全监测技术规范》编制组批准部门:中华人民共和国能源部、水利部试行日期:1989年10月1日水利电力出版社1989北京能源部、水利部文件关于颁发《混凝土大坝安全监测技术规范》SDJ336-89(试行)的通知能源技[1989]577号《混凝土大坝安全监测技术规范》(编号:SDJ336-89)由水利电力部在一九八五年底组织有关单位开始编制,于一九八八精品文档年底前完成,一九八九年一月在能源部主持下由能源、水利两部共同审定,现已交水利电力出版社出版,于一九八九年十月一日颁发试行。
这是我国首次编制的包括有设计、施工、运行各阶段监测工作较系统的技术规范。
试行中有何意见。
,请函告能源部科技司或水利部科教司。
一九八九年三月二十日简要说明本规范是根据原水利电力部科学技术司(83)技水电字第273号文进行编制的。
在原水利电力部科学技术司、电力生产司及水利水电建设总局(水利水电规划设计院)的组织领导下,由水利水电科学研究院、华东勘测设计院、原西南电业管理局、中国水力发电工程学会、东北勘测设计院、南京自动化研究所、长江流域规划办公室勘测总队、天津勘测设计院、西北勘测设计院、上海勘测设计院、长江科学研究院、水电部第七工程局、葛洲坝工程局、葛洲坝水电厂、新安江水电厂、刘家峡水电厂等16个单位派员组成编制组。
水利水电科学研究院、华东勘测设计院、原西南电业管理局为编精品文档制组组长单位。
本规范在编制过程中,得到了有关勘测设计、施工、运行、管理、科研、高等院校等单位的大力支持;进分了广泛的调查研究;总结了我国30多年来混凝土大坝安全监测时实践经验;参考了《混凝土重力坝设计规范》(SDJ 21-78)、《混凝土拱坝设计规范》(SD145-85)、《水电站大坝安全管理暂行办法》,以及其他有关规范的内容。
在编制过程中,曾先后召开了六次全国性的专题讨论会,相应地进行了七次修改。
混凝土大坝安全监测变形监测规定
一、土体上的观测点可埋设预制混凝土标石。
根据观测精度要求,顶部的标志可采用具有强制对中装置的活动标志或嵌入加工成半球状的钢筋标志。
标石埋深不宜小于lm,在冻土地区应埋至当地冻土线以下0.5m。
标石顶部应露出地面20~30cm;
二、岩体上的观测点可采用砂浆现场浇固的钢筋标志。
凿孔深度不宜小于10cm。
标志埋好后,其顶部应露出岩体面5cm;
三、必要的临时性或过渡性观测点以及观测周期短、次数少的小型滑坡观测点,可埋设硬质大木桩,但顶部应安置照准标志,底部应埋至当地冻土线以下;
四、滑坡体深部位移观测钻孔应穿过潜在滑动面进入稳定的基岩面以下不小于lm。
观测钻孔应铅直,孔径应不小于110mm。
测斜管与孔壁之间的孔隙应按规范回填。
1。
混凝土坝的安全监测与维护技术规程引言混凝土坝是重要的水利工程设施,广泛用于防洪、发电、灌溉和供水等方面。
但随着使用时间的增长,混凝土坝也面临着老化、损伤等问题,这就需要对混凝土坝进行安全监测和维护,以确保其安全可靠地运行。
本文将介绍混凝土坝的安全监测与维护技术规程。
一、监测技术1.常规监测常规监测是混凝土坝安全监测中最基本的一种方法,它包括以下几个方面:(1)坝体水平位移监测:通过安装水平位移测点,监测坝体的水平位移情况,及时发现坝体的变形情况。
(2)坝顶高程监测:通过安装坝顶高程测点,监测坝顶高程的变化情况,及时发现坝顶的沉降情况。
(3)坝体温度监测:通过安装温度测点,监测坝体的温度变化情况,及时发现坝体的变形情况。
(4)坝体裂缝监测:通过安装裂缝测点,监测坝体的裂缝情况,及时发现坝体的裂缝情况。
2.非常规监测非常规监测是混凝土坝安全监测中比较高级的一种方法,它包括以下几个方面:(1)振动监测:通过安装振动传感器,监测坝体的振动情况,及时发现坝体的变形情况。
(2)应力监测:通过安装应力传感器,监测坝体的应力变化情况,及时发现坝体的变形情况。
(3)水压监测:通过安装水压传感器,监测坝体的水压变化情况,及时发现坝体的变形情况。
(4)声波监测:通过安装声波传感器,监测坝体的声波变化情况,及时发现坝体的变形情况。
二、维护技术1.日常维护日常维护是混凝土坝保持安全运行的最基本要求,它包括以下几个方面:(1)坝面清洗:定期对坝面进行清洗,清除坝面上的杂物和泥沙,保持坝面的干净。
(2)检查坝体:定期对坝体进行检查,发现坝体的问题及时处理,并记录检查结果。
(3)维护坝面草皮:定期对坝面草皮进行修剪和养护,保持坝面草皮的绿化。
(4)维护坝顶设施:定期对坝顶设施进行检查,保证其正常运行。
2.定期维护定期维护是混凝土坝保持安全运行的重要措施,它包括以下几个方面:(1)坝体检测:定期对坝体进行检测,发现坝体的问题及时处理,并记录检测结果。
大坝施工观测要求
(1)温度观测:混凝土内温度计埋设后即进行首次观测,直至混凝土达到最高水化热温升期间,观测频次不少于6次;以后每天观测2次,持续一旬;以后每天观测1次,持续2月;再以后按《混凝土坝安全监测技术规范》(DL/T5178—2003)中规定的测次观测,或根据现场情况确定。
(2)锚杆应力计:锚杆应力计埋设后,24小时以内,每隔4小时测1次;直至混凝土达到最高水化热温升为止;以后每天观测1次,持续一旬;以后每周观测1次,持续2月;再以后按《混凝土坝安全监测技术规范》(DL/T5178—2003)中规定的测次观测。
(3)锚索测力计:锚索测力计应反复测读初始值,当连续3次读数差不超过测力器满量程的1%时,取其平均值作为零点读数。
张拉过程中按设计规定的分级张拉程序逐级测读。
达到设计吨位后3小时内,要求每半小时观测1次;之后4小时观测1次;24小时后至一个月内,每天观测1次;此后每旬观测2次,持续1月;再以后按《混凝土坝安全监测技术规范》(DL/T5178—2003)中规定的测次观测。
(4)水平位移变形监测:所有观测精度、误差应满足二等测量精度的规定。
水平位移监测利用自动跟踪全站仪进行变形监测,观测时将全站仪置于观测墩上,经过调平,调用内存的各观测点坐标数据库、限差设置等,仪器将会在机载软件(该软件已由计算机传至全站仪)的驱动下自动地多测回,全园观测各目标点并将边长、角度等数据实
时存入PC卡中,在某观测墩上完成观测后,将全站仪移至另一观测墩上作业,直到完成全部测量工作。
将PC卡上所存的各种数据传入电脑,再利用后处理软件(安装在计算机上)进行平差处理分析,最终得出各点的实测数据。
目次1 总则 (1)2 术语 (2)3 基本规定 (4)4 基本资料 (5)5 监测记录 (8)6 监测资料整理 (24)7 监测资料整编 (25)附录A 基本资料表格式 (29)附录B 观测记录和计算表格式 (46)附录C 观测数据粗差检查方法 (63)附录D 监测物理量过程线及相关示例 (64)附录E 监测资料整编表格式 (67)本标准用词说明 (75)引用标准名录 (76)附:条文说明 (77)Contents1 General provisions (1)2 Terms (2)3 Basic requirement (4)4 Basic information (5)5 Monitoring records (8)6 Monitoring information reduction and processing (24)7 Monitoring information compilation and presentation (25)Appendix A Basic information forms (29)Appendix B Monitoring record and calculation tabulation (46)Appendix C Inspection method for gross error of monitoring data (63)Appendix D Sample plots of monitoring physical quantities (64)Appendix E Forms for monitoring data compilation and presentation (66)Explanation of wording in this standard (74)List of normative standards (75)Addition: Explanation of provisions (76)1 总则1.0.1 为了规范混凝土坝安全监测资料的整编工作,使之标准化、规范化,特制定本标准。
混凝土坝安全监测技术标准
混凝土坝安全监测技术标准是针对混凝土坝在使用过程中进行安全监测的规范性文件。
具体内容包括以下方面:
1.监测内容:包括坝体变形、水位变化、应力应变及渗漏量等监测内容;
2.监测方法:包括测量仪器的选择、布设位置和间隔、监测频次、数据记录和传输等;
3.监测预警:根据监测数据分析和评价,制定相应的预警措施和应急预案;
4.监测管理:包括监测设备的维护和保养、数据处理和分析、监测报告及台账的管理等。
混凝土坝安全监测技术标准的实施可以有效提高混凝土坝的安全性和可靠性,防止潜在的安全事故发生,对于保障人民群众的生命财产安全具有重要意义。