火力发电厂水汽高质量实用标准
- 格式:doc
- 大小:153.00 KB
- 文档页数:15
中华人民共和国国家标准GB 12145-1999火力发电机组及蒸汽动力设备水汽质量标准Quality criterion of water and steam for steam power equipment发布1999-03-23 实施1999-10-01国家技术监督局发布前言本标准于1989年12月首次制定颁发,制定至今已有八年之久。
近年来,大容量、亚临界、超临界机组和直流炉以及新型水处理设备相继投入运行。
以300 MW 机组为主力机组的迅速发展,使水处理及热力设备防腐防垢技术和水汽品质监控技术水平都有了较大的提高。
提出了新的科研成果和总结了新的经验,给修订该标准提供了重要的技术依据。
依据国标GB/T1.1-1993《标准化工作导则第1单元:标准的起草与表述规则第1部分:标准编写的基本规定》对GB 12145-1989 的体例等内容进行了修订。
本版本主要修订如下内容:──增加了前言。
──为了与国际标准ISO编写法接轨,将第一章主题内容与适用范围改为范围。
──增加了超临界机组(直流炉)有关控制的指标。
──增加了直流炉给水的中性处理和联合水处理有关控制的指标。
──把水内冷发电机的冷却水质量标准与发电机运行规程、透平型同步电机的技术要求(GB/T7064-1996)统一,以便现场运行控制。
──增加了水汽质量劣化时的处理内容。
与电力部制定的DL/T561-95“火力发电厂水汽化学监督导则”的有关内容统一,强调化学监督的全过程管理,贯彻化学监督“预防为主”的方针,防患于未然。
──为保证炉水水质,炉水控制增加了电导率的参考控制标准。
──为保证除盐水质量,增加了澄清池出水浊度的水质标准。
──参考了几个主要工业国家的水汽质量标准或导则,日本JIS8223:1989《自然循环式锅炉给水和炉水水质,直流锅炉给水水质标准》,德国大电厂技术协会VGB-R450L:198 8《68 bar 以上锅炉的给水、炉水及蒸汽质量标准》,前苏联火电厂直流炉的给水规范,美国电力研究所EPRI-CS-4629:1986《火力发电厂化学运行管理导则》,以及国内几个引进机组和超临界机组的水汽质量标准。
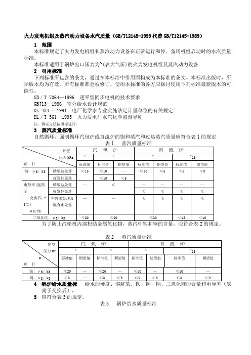
火力发电机组及蒸汽动力设备水汽质量1、范围2、规范性引用文件3、定义及缩略语4、蒸汽质量标准汽包炉的饱和蒸汽和过热蒸汽质量及直流炉的主蒸汽质量应符合表1的规定表1蒸汽质量5、锅炉给水质量标准5.1给水的硬度、溶解氧、铁、铜、钠、二氧化硅的含量和氢电导率,应符合表2的规定5.2全挥发处理给水的pH值、联氨和总有机碳(TOC)应符合表3的规定5.3直流炉加氧处理给水的pH值、氢电导率、溶解氧含量和TOC应符合表4的规定表4加氧处理给水的pH值、氢电导率、溶解氧含量和TOC标准a6、凝结水质量标准6.1凝结水的硬度、钠和溶解氧的含量和氢电导率应符合表5的规定。
表5凝结水泵出口水质6.2凝结水经精处理除盐后水中二氧化硅、钠、铁、铜、的含量和氢电导率应符合表6的规定表6凝结水除盐后的水质7、锅炉炉水质量标准汽包炉炉水的电导率、氢电导率、二氧化硅和氯离子含量,根据制造厂的规范并通过水汽品质专门试验确定,可参照表7的规定控制,炉水磷酸根含量与pH指标可参照表8的规定控制。
a表8汽包炉炉水磷酸根含量和pH标准锅炉补给水的质量,以不影响给水质量为标准,可参照表9的规定控制。
9、减温水质量标准锅炉蒸汽采用混合减温时,其减温水质量,应保证减温后蒸汽中的纳、二氧化硅和金属氧化物的含量符合蒸汽质量标准表1的规定。
10、疏水和生产回水质量标准疏水和生产回水质量以不影响给水质量为前提,按表10控制。
生产回水还应根据回水的性质,增加必要的化验项目。
11、闭式循环冷却水质量标准闭式循环冷却水的质量可参照表11控制。
12、热网补充水质量标准热网补充水质量按表12控制。
表12热网补充水质量13、水内冷发电机的冷却水质量标准参照GB/T 7064,水内冷发电机的冷却水质量按表13控制。
14、停(备)用机组启动时的水、汽质量标准14.1 锅炉启动后,并汽或汽轮机冲转前的蒸汽质量,可参照表14的规定控制,并在机组并网后8h内应达到表1的标准值14.2锅炉启动时,给水质量应符合表15的规定,在热启动时2h内、冷启动时8h内应达到表2的标准值。
火力发电厂水汽质量标准SD 163-85中华人民共和国水利电力部关于颁发《火力发电厂水汽质量标准》的通知(85)水电技字第74号随着火力发电厂高参数、大容量机组和新型水处理设备的不断投入运行,《电力工业技术管理法规》(一九八○年版)第三篇第十章中的化学水处理和化学监督中有关水汽质量标准部分(简称“原标准”)已不能完全满足要求,国家标准局于一九八三年以049号文要求我部制订火力发电厂水汽质量国家标准。
为此,我部于一九八三年责成水利电力部西安热工研究所为技术归口单位,先组织修订成火力发电厂水汽质量的部颁标准,通过进一步生产实践后,再提出国家标准的报批稿。
水利电力部西安热工研究所在各单位的协作、配合下,经过近两年的广泛调查研、总结经验以及组织讨论和审定,提出了修订后的SD 163—85《火力发电厂水汽质量标准》,现颁发执行。
“原标准”同时作废。
火力发电厂水汽质量标准是化学监督的重要依据,也是保证发电设备安全、经济运行的重要手段。
希各单位在贯彻执行中进一步积累经验,使之不断完善和提高,并及时将修改意见函告我部科技司和西安热工研究所。
一九八五年十一月本标准适用于3.82MPa以上的火力发电组。
1 蒸汽标准自然循环、强迫循环汽包炉或直流炉的饱和蒸汽和过热蒸汽应符合表1的规定。
表1注:1)争取标准为≤5μg/kg。
对于压力≥5.88MPa的锅炉,当用除盐水补给,并用电导率连续监督运行中的蒸汽质量时,其电导率(氢离子交换后)一般应≤0.3μS/cm(25℃)。
为了防止汽轮机积结金属氧化物,还应检查蒸汽中铜和铁的含量,一般应符合表2的规定。
表2注:1)争取标准为≤3 μg/kg。
①对于压力≤15.68 MPa的锅炉,表2内规定的指标可作为参考。
2 锅炉给水质量标准2.1 给水中的硬度、溶氧、铁、铜、钠和二氧化硅的含量,应符合表3的规定。
液态排渣炉和原设计为燃油的锅炉,其给水的硬度和铁、铜的含量,应符合高一级锅炉的规定。
GB12145-1999火力发电机组及蒸汽动力设备水汽质量标准(doc 12页)部门: xxx时间: xxx整理范文,仅供参考,可下载自行编辑中华人民共和国国家标准 GB 12145-1999火力发电机组及蒸汽动力设备水汽质量标准Quality criterion of water and steam for steam power equipment发布 1999-03-23 实施 1999-10-01国家技术监督局发布前言本标准于1989年12月首次制定颁发,制定至今已有八年之久。
近年来,大容量、亚临界、超临界机组和直流炉以及新型水处理设备相继投入运行。
以 300 MW 机组为主力机组的迅速发展,使水处理及热力设备防腐防垢技术和水汽品质监控技术水平都有了较大的提高。
提出了新的科研成果和总结了新的经验,给修订该标准提供了重要的技术依据。
依据国标GB/T1.1-1993《标准化工作导则第1单元:标准的起草与表述规则第1部分:标准编写的基本规定》对GB 12145-1989 的体例等内容进行了修订。
本版本主要修订如下内容:──增加了前言。
──为了与国际标准 ISO编写法接轨,将第一章主题内容与适用范围改为范围。
──增加了超临界机组(直流炉)有关控制的指标。
──增加了直流炉给水的中性处理和联合水处理有关控制的指标。
──把水内冷发电机的冷却水质量标准与发电机运行规程、透平型同步电机的技术要求(GB/T7064-1996)统一,以便现场运行控制。
──增加了水汽质量劣化时的处理内容。
与电力部制定的DL/T561-95“火力发电厂水汽化学监督导则”的有关内容统一,强调化学监督的全过程管理,贯彻化学监督“预防为主”的方针,防患于未然。
──为保证炉水水质,炉水控制增加了电导率的参考控制标准。
──为保证除盐水质量,增加了澄清池出水浊度的水质标准。
──参考了几个主要工业国家的水汽质量标准或导则,日本JIS8223:1989《自然循环式锅炉给水和炉水水质,直流锅炉给水水质标准》,德国大电厂技术协会 VGB-R450L:1 988《68 bar 以上锅炉的给水、炉水及蒸汽质量标准》,前苏联火电厂直流炉的给水规范,美国电力研究所 EPRI-CS-4629:1986《火力发电厂化学运行管理导则》,以及国内几个引进机组和超临界机组的水汽质量标准。
火力发电机组及蒸汽动力设备水汽质量(GB/T12145-1999代替GB/T12145-1989)1 范围本标准规定了火力发电机组和蒸汽动力设备在正常运行和停、备用机组启动时的水汽质量标准。
本标准适用于锅炉出口压力为~(表大气压)的火力发电机组及蒸汽动力设备2 引用标准下列标准所包含的条文,通过在本标准中引用而构成为本标准的条文。
本标准出版时,所示版本均为有效。
所有标准都会被修订,使用本标准的各方应探讨使用下列标准最新版本的可能性。
GB/T 7064—1996 透平型同步电机的技术要求GBJl3—1986 室外给水设计规范DL 434一1991 电厂化学水专业实施法定计量单位的有关规定DL/T 56l—1995 火力发电厂水汽化学监督导则注:测试方法按国标进行。
3 蒸汽质量标准自然循环、强制循环汽包炉或直流炉的饱和蒸汽和过热蒸汽质量应符合表l的规定离子交换后),5应符合表3的规定。
表3 锅炉给水质量标准规定。
给水的联氨、油的含量和pH值应符合表4的规定。
5 汽轮机凝结水质量标准凝结水的硬度、钠和溶解氧的含量和电导率应符合表6的规定。
1)7的规定。
汽包炉炉水的含盐量、氯离子和二氧化硅含量,根据制造厂的规范并通过水汽品质专门试验确定,可参考表8的规定控制4~。
若炉水的Na+与PO43-的摩尔比低于或高于时,可加中和剂进行调节。
7 补给水质量标准补给水的质量,以不影响给水质量为标准。
澄清器出水质量标准澄清器(池)出水水质应满足下一级处理对水质的要求;澄清器(池)出水浊度正常情况下小于5FTU,短时间小于10FTU。
进入离子交换器的水,应注意水中浊度、有机物和残余氯的含量。
按下列数值控制:浊度<5FTU(固定床顺流再生);浊度<2FTU(固定床对流再生);残余氯<L;30min水浴煮沸法)。
化学耗氧量<2mg/L(KmnO4离子交换器出水标准,一般可按表9控制。
1)二次蒸汽钠含量≤500μg/kg;二氧比硅含量≤100μg/kg;游离二氧比碳含量:以不影响锅炉给水质量为标准。
火力发电机组及蒸汽动力设备水汽质量标准引言火力发电机组和蒸汽动力设备是电力工业中常见的装置,水汽作为其工作介质之一,在设备的正常运行中起着重要的作用。
为了保证设备的安全、稳定运行,制定合适的水汽质量标准是必要的。
本文将介绍火力发电机组和蒸汽动力设备的水汽质量标准及其重要性。
1. 水汽质量标准的定义水汽质量标准是对火力发电机组和蒸汽动力设备中使用水作为工作介质的质量要求的规定。
它涉及到水蒸气的化学性质、物理性质以及其他与设备正常运行相关的要求。
水汽质量标准的制定旨在保证设备的高效运行、延长设备的寿命,并减少设备故障和维修成本。
2. 火力发电机组和蒸汽动力设备中的水汽质量标准2.1 化学性质要求在火力发电机组和蒸汽动力设备中,水蒸气的化学性质对设备的正常运行起着重要的作用。
以下是化学性质方面的一些要求: - 总溶解固体量:水蒸气中所含的总溶解固体量应满足规定的标准,过高的总溶解固体量可能会引起设备的腐蚀和堵塞问题。
- PH值:水蒸气的PH值应在指定的范围内,过高或过低的PH值都可能导致腐蚀或堵塞的风险。
- 含氧量:水蒸气中的氧气含量应控制在合适的范围内,过高的氧气含量会引起设备腐蚀的风险。
2.2 物理性质要求除了化学性质外,火力发电机组和蒸汽动力设备中的水汽质量还需要满足一些物理性质方面的要求,以确保设备的正常运行: - 蒸汽温度:水蒸气的温度应在一定的范围内,过低或过高的蒸汽温度都可能影响设备的性能和安全。
- 蒸汽压力:水蒸气的压力应满足设备的要求,过高或过低的蒸汽压力会导致设备的故障或不稳定运行。
- 蒸汽流量:蒸汽流量也是设备运行过程中需要控制和监测的一个重要参数,合理的蒸汽流量有助于提高设备的效率和稳定性。
2.3 其他要求除了化学性质和物理性质方面的要求外,火力发电机组和蒸汽动力设备的水汽质量标准还可能包括其他相关要求,例如: - 性能指标:火力发电机组和蒸汽动力设备的水汽质量可能根据设备的性能指标来制定,例如设备的高效率要求或低排放要求。
中华人民共和国国家标准 GB 12145-1999火力发电机组及蒸汽动力设备水汽质量标准Quality criterion of water and steam for steam power equipment发布 1999-03-23 实施 1999-10-01国家技术监督局发布前言本标准于1989年12月首次制定颁发,制定至今已有八年之久。
近年来,大容量、亚临界、超临界机组和直流炉以及新型水处理设备相继投入运行。
以 300 MW 机组为主力机组的迅速发展,使水处理及热力设备防腐防垢技术和水汽品质监控技术水平都有了较大的提高。
提出了新的科研成果和总结了新的经验,给修订该标准提供了重要的技术依据。
依据国标GB/T1.1-1993《标准化工作导则第1单元:标准的起草与表述规则第1部分:标准编写的基本规定》对GB 12145-1989 的体例等内容进行了修订。
本版本主要修订如下内容:──增加了前言。
──为了与国际标准 ISO编写法接轨,将第一章主题内容与适用范围改为范围。
──增加了超临界机组(直流炉)有关控制的指标。
──增加了直流炉给水的中性处理和联合水处理有关控制的指标。
──把水内冷发电机的冷却水质量标准与发电机运行规程、透平型同步电机的技术要求(GB/T7064-1996)统一,以便现场运行控制。
──增加了水汽质量劣化时的处理内容。
与电力部制定的DL/T561-95“火力发电厂水汽化学监督导则”的有关内容统一,强调化学监督的全过程管理,贯彻化学监督“预防为主”的方针,防患于未然。
──为保证炉水水质,炉水控制增加了电导率的参考控制标准。
──为保证除盐水质量,增加了澄清池出水浊度的水质标准。
──参考了几个主要工业国家的水汽质量标准或导则,日本JIS8223:1989《自然循环式锅炉给水和炉水水质,直流锅炉给水水质标准》,德国大电厂技术协会 VGB-R450L:1988《68 bar 以上锅炉的给水、炉水及蒸汽质量标准》,前苏联火电厂直流炉的给水规范,美国电力研究所 EPRI-CS-4629:1986《火力发电厂化学运行管理导则》,以及国内几个引进机组和超临界机组的水汽质量标准。
目次前言1 范围2 术语和定义3 给水质量标准4 凝结水质量标准5 蒸汽质量标准6 补给水质量标准7 减温水质质量标准8 停(备)用机组启动时水汽质量标准8.1锅炉启动时的给水质量标准8.2汽轮机冲转前的蒸汽质量标准9 水汽质量劣化时的应急处理9.1水汽质量劣化时的处理原则9.2锅炉补给水水质异常时的处理9.3凝结水处理装置前水质异常时的处理前言本标准是根据原国家经济贸易委员会《关于下达2000年度电力行业标准制、修订计划项目的通知》(电力【2000】70号文)的安排编制的。
超临界机组热负荷和蒸汽参数高,因此,对水汽品质的要求也高。
但是,引进机组均采用不同国家的制造厂提供的标准,起标准之间存在较大差异;随着运行水平和管理水平的提高,GB/T12145-1999《火力发电机组及蒸汽动力设备水汽质量》的内容已不适用于超临界机组水汽质量的控制。
为保证超临界机组安全、经济运行,特制定本标准。
本标准由中国电力企业联合会提出。
本标准由电力行业电厂化学标准化技术委员会归口并解释。
本标准起草单位:西安热工研究院有限公司。
本标准主要起草人:曹杰玉、龙国军、刘涛、陈洁。
超临界火力发电机组水汽质量标准1 范围本标准规定了超临界火力发电机组在正常运行和停(备)用机组启动时的水汽质量控制标准。
本标准适用于超临界压力火力发电机组。
2 术语和定义下列术语和定义适用于本标准。
2.1氢电导率cation conductivity水样经过氢型强酸阳离子交换树脂交换后测得的电导率称为氢电导率。
2.2无铜系统the system without copper alloys与水汽接触的部件和设备不含铜合金材料的系统称为无铜系统,否则称为有铜系统。
2.3挥发处理all volatile treatment(AVT)锅炉给水除氧、加氨和联胺的处理。
2.4加氧处理oxygenated treatment(OT)锅炉给水加氧的处理。
2.5标准值standard value标准中所列标准值均为极限值,超出标准值,机组会出现腐蚀结垢问题。
1 范围本标准规定了火力发电机组和蒸汽动力设备在正常运行和停、备用机组启动时的水汽质量标准。
本标准适用于锅炉出口压力为~(表大气压)的火力发电机组及蒸汽动力设备2 引用标准下列标准所包含的条文,通过在本标准中引用而构成为本标准的条文。
本标准出版时,所示版本均为有效。
所有标准都会被修订,使用本标准的各方应探讨使用下列标准最新版本的可能性。
GB/T 7064—1996 透平型同步电机的技术要求GBJl3—1986 室外给水设计规范DL 434一1991 电厂化学水专业实施法定计量单位的有关规定DL/T 56l—1995 火力发电厂水汽化学监督导则注:测试方法按国标进行。
3 蒸汽质量标准自然循环、强制循环汽包炉或直流炉的饱和蒸汽和过热蒸汽质量应符合表l的规定为了防止汽轮机内部积结金属氧化物,蒸汽中铁和铜的含量,应符合表2的规定。
4锅炉给水质量标给水的硬度、溶解氧、铁、铜、钠、二氧化硅的含量和电导率(氢离子交换后),5应符合表3的规定。
液态排渣炉和原设计为燃油的锅炉,其给水的硬度、铁、铜的含量,应符合比其高一级锅炉的规定。
给水的联氨、油的含量和pH值应符合表4的规定。
直流炉加氧处理给水溶解氧的含量、PH值和电导率应符合表5的规定5 汽轮机凝结水质量标准凝结水的硬度、钠和溶解氧的含量和电导率应符合表6的规定。
1)凝结水经氢型混床精处理后硬度、二氧化硅、钠、铁、铜的含量和电导率应符合表7的规定。
6 锅炉水质标准汽包炉炉水的含盐量、氯离子和二氧化硅含量,根据制造厂的规范并通过水汽品质专门试验确定,可参考表8的规定控制3-的摩尔比值,应维持在~。
若 6.2 汽包炉进行磷酸盐-pH协调控制时,其炉水的Na+与PO43-的摩尔比低于或高于时,可加中和剂进行调节。
炉水的Na+与PO47 补给水质量标准补给水的质量,以不影响给水质量为标准。
澄清器出水质量标准澄清器(池)出水水质应满足下一级处理对水质的要求;澄清器(池)出水浊度正常情况下小于5FTU,短时间小于10FTU。
中华人民共和国国家标准 GB 12145-1999火力发电机组及蒸汽动力设备水汽质量标准Quality criterion of water and steam for steam power equipment发布 1999-03-23 实施 1 999-10-01国家技术监督局发布前言本标准于1989年12月首次制定颁发,制定至今已有八年之久。
近年来,大容量、亚临界、超临界机组和直流炉以及新型水处理设备相继投入运行。
以 300 MW 机组为主力机组的迅速发展,使水处理及热力设备防腐防垢技术和水汽品质监控技术水平都有了较大的提高。
提出了新的科研成果和总结了新的经验,给修订该标准提供了重要的技术依据。
依据国标GB/T1.1-1993《标准化工作导则第1单元:标准的起草与表述规则第1部分:标准编写的基本规定》对GB 12145-1989 的体例等内容进行了修订。
本版本主要修订如下内容:──增加了前言。
──为了与国际标准 ISO编写法接轨,将第一章主题内容与适用范围改为范围。
──增加了超临界机组(直流炉)有关控制的指标。
──增加了直流炉给水的中性处理和联合水处理有关控制的指标。
──把水内冷发电机的冷却水质量标准与发电机运行规程、透平型同步电机的技术要求(GB/T7064-1996)统一,以便现场运行控制。
──增加了水汽质量劣化时的处理内容。
与电力部制定的DL/T561-95“火力发电厂水汽化学监督导则”的有关内容统一,强调化学监督的全过程管理,贯彻化学监督“预防为主”的方针,防患于未然。
──为保证炉水水质,炉水控制增加了电导率的参考控制标准。
──为保证除盐水质量,增加了澄清池出水浊度的水质标准。
──参考了几个主要工业国家的水汽质量标准或导则,日本JIS8223:1989《自然循环式锅炉给水和炉水水质,直流锅炉给水水质标准》,德国大电厂技术协会 VGB-R450L:1988《68 bar 以上锅炉的给水、炉水及蒸汽质量标准》,前苏联火电厂直流炉的给水规范,美国电力研究所 EPRI-CS-4629:1986《火力发电厂化学运行管理导则》,以及国内几个引进机组和超临界机组的水汽质量标准。
火力发电厂水汽质量标准SD 163-85中华人民共和国水利电力部关于颁发《火力发电厂水汽质量标准》的通知(85)水电技字第74号随着火力发电厂高参数、大容量机组和新型水处理设备的不断投入运行,《电力工业技术管理法规》(一九八○年版)第三篇第十章中的化学水处理和化学监督中有关水汽质量标准部分(简称“原标准”)已不能完全满足要求,国家标准局于一九八三年以049号文要求我部制订火力发电厂水汽质量国家标准。
为此,我部于一九八三年责成水利电力部西安热工研究所为技术归口单位,先组织修订成火力发电厂水汽质量的部颁标准,通过进一步生产实践后,再提出国家标准的报批稿。
水利电力部西安热工研究所在各单位的协作、配合下,经过近两年的广泛调查研、总结经验以及组织讨论和审定,提出了修订后的SD 163—85《火力发电厂水汽质量标准》,现颁发执行。
“原标准”同时作废。
火力发电厂水汽质量标准是化学监督的重要依据,也是保证发电设备安全、经济运行的重要手段。
希各单位在贯彻执行中进一步积累经验,使之不断完善和提高,并及时将修改意见函告我部科技司和西安热工研究所。
一九八五年十一月本标准适用于3.82MPa以上的火力发电组。
1 蒸汽标准自然循环、强迫循环汽包炉或直流炉的饱和蒸汽和过热蒸汽应符合表1的规定。
表1注:1)争取标准为≤5μg/kg。
对于压力≥5.88MPa的锅炉,当用除盐水补给,并用电导率连续监督运行中的蒸汽质量时,其电导率(氢离子交换后)一般应≤0.3μS/cm(25℃)。
为了防止汽轮机积结金属氧化物,还应检查蒸汽中铜和铁的含量,一般应符合表2的规定。
表2注:1)争取标准为≤3 μg/kg。
①对于压力≤15.68 MPa的锅炉,表2内规定的指标可作为参考。
2 锅炉给水质量标准2.1 给水中的硬度、溶氧、铁、铜、钠和二氧化硅的含量,应符合表3的规定。
液态排渣炉和原设计为燃油的锅炉,其给水的硬度和铁、铜的含量,应符合高一级锅炉的规定。
火力发电厂水汽质量标准
中华人民共和国水利电力部
火力发电厂水汽质量标准
SD163-85
主编部门:水利电力部西安热工研究所批准部门:中华人民共和国水利电力部实行日期:一九八五年十一月
中华人民共和国水利电力部
关于颁发《火力发电厂水汽质量标准》的通知
(85)水电技字第74号
随着火力发电厂高参数、大容量机组和新型水处理设备的不断投入运行,《电力工业技术管理法规》(一九八○年版)第三篇第十章中的化学水处理和化学监督中有关水汽质量标准部分(简称“原标准)已不能完全满足要求,国家标准局于一九八三年以049号文要求我部制订火力发电厂水汽质量国家标准。
为此,我部于一九八三年责成水利电力部西安热工研究所为技术归口单位,先组织修订成火力电厂水汽质量的部颁标准,通过进一步生产实践后,再提出国家标准的报批稿。
水利电力部西安热工研究所在各单位的协作、配合下,经过近两年的广泛调查、总结经验以及组织讨论和审定,提出了修订后的《火力发电厂水汽质量标准SD163--85》,现颁发执行。
“原标准”同时作废。
火力发电厂水汽质量标准是化学监督的重要依据,也是保证发电设备安全、经济运行的重要手段。
希各单位在贯彻执行中进一步积累经验,使之不断完善和提高,并及时将修改意见函告我部科技司和西安热工研究所。
一九八五年十一月本标准适用于3.82MPa(39表大气压)以上的火力发电机组。
1 蒸汽质量标准
自然循环、强迫循环汽包炉或直流炉的饱和蒸汽和过热蒸汽质量应符合表1的规定。
表1
*争取标准为≤5μg/kg。
对于压力≥5.88MPa(60表大气压)的锅炉,当用除盐水补给,并用电导率连续监督运行中的蒸汽质量时,其电导率(氢离子交换后)一般应≤0.3μS/cm(25℃)。
为了防止汽轮机积结金属氧化物,还应检查蒸汽中铜和铁的含量,一般应符合表2的规定。
表2
*争取标准为≤3μg/kg。
注对于压力≤15.68MPa(≤159表大气压)的锅炉,表2内规定的指标可作为参考。
表3
*有凝结水处理电厂的给水硬度应为0μmol/L。
**争取≤3μg/L。
***争取≤5μg/L。
2 锅炉给水质量标准
2.1 给水中的硬度、溶氧、铁、铜、钠和二氧化硅的含量,应符合表3的规定。
液态排渣炉和原设计为燃油的锅炉,其给水的硬度和铁、铜的含量,应符合高一级锅炉的规定。
2.2 给水中的pH、联氨和油的含量,一般应符合表4的规定。
表4
注 1.用石灰一钠离子交换水为补给水的电厂,应改为控制凝结水的pH值,最大不超过
9.0。
2.对大于12.7MPa(大于130表大气压)的锅炉,其给水中的总碳酸盐(以二氧化碳mg/L计算)一般应≤1。
3 汽轮机凝结水质量标准
3.1 凝结水中的硬度、电导率和溶气的含量应符合表5的规定。
表5
凝结水中二氧化硅的含量,应保证炉水中二氧化硅的含量符合标准。
对于海水、淡海水、苦咸水及含盐量大,硬度小的冷却水,还应监督凝结水的电导率或钠含量等。
3.2 凝结水经氢型混床处理后的硬度、电导率、二氧化硅、钠、铁和铜的含量应符合表6的规定。
表6
4 锅炉炉水质量标准
4.1 亚临界汽包炉用挥发性处理时,其炉水应按表7规定的标准控制。
表7
4.2 汽包炉用磷酸盐处理,其炉水应按表8规定的标准控制。
表8
当炉水pH值低于标准时,应查明原因,采取措施。
若添加中和剂,炉水pH值不得超过常运行控制标准的上限。
4.2.1 用除盐水作为补给水的锅炉,其炉水中氯离子的含量一般可参考表9规定的指标控制。
表9
4.2.2 炉水的含盐量和二氧化硅含量,一般可参考表10规定的指标控制,必要时应通过水汽品质试验确定。
表10
4.3 当锅炉进行协调磷酸盐处理时,其炉水的Na+与PO3-4的摩尔比值,一般应维持在2.5~2.8。
若炉水的Na+与PO3-4的摩尔比值低于2.5时,可暂用添加中和剂或提高炉水磷酸根含量调节。
5 补给水质量标准
补给水的质量,以不影响给水质量为标准,一般按表11的规定控制。
表11
5.1 进入离子交换器的水,应注意水中悬浮物、有机物和残余氯的含量,一般按下列标准控制:
悬浮物<5mg/L(固定床顺流再生);
悬浮物<2mg/L(固定床对流再生);
残余氯<0.1mg/L;
耗氧量<2mg/L;(暂定高锰酸钾法)。
5.2 蒸发器和蒸汽发生器中的水、汽质量,一般应符合下列标准:5.2.1 二次蒸汽
钠含量≤10μmol/L;
二氧化硅含量≤1000μg/L;
游离二氧化碳含量:以不影响给水质量为标准。
5.2.2 蒸发器和蒸汽发生器的给水
硬度≤10μmol/L;
溶氧(经除氧后)≤50μg/L。
5.2.3 蒸发器内的水
蒸发器和蒸汽发生器内的质量,应根据水汽品质试验确定。
磷酸根含量一般为5~20mg/L。
对于采用锅炉排污水作补充水的蒸发器,磷酸根含量不受此限制。
6 减温水质量标准
锅炉蒸汽采用混合减温时,其减温水质量,应保证减温后蒸汽中的钠、二氧化硅和金属氧化物的含量符合蒸汽质量标准。
7 疏水和生产回水质量标准
疏水和生产回水质量以不影响给水质量为前提,一般按表12的规定控制。
表12
生产回水还应根据回水的性质,增加必要的化验项目。
8 热网补充水质量标准
热网补充水质量一般按表13的规定控制。
表13
9 水内冷发电机的冷却水质量标准
9.1 不添加缓蚀剂时,冷却水质量应符合表14的规定。
表14
9.2 添加缓蚀剂时,冷却水质量应符合表15的规定。
表15
10 停、备用机组启动时的水、汽质量标准
10.1 锅炉启动后,并汽或汽轮机冲转前的蒸汽质量,一般可能照表16的规定控制,且在数小时内应达到正常标准。
表16
10.2 锅炉启动时,给水质量一般应符合表17的规定,并在数小时达到正常标准。
表17
10.3 机组启动时,凝结水质量可按表18规定的指标开始回收。
表18
注:有凝结水处理时,铁≤μg/L。
本标准主要起草人:水利电力部西安热工研究所何辉纯、李贵成、陈洁。