未成年工健康体检及登记表
- 格式:doc
- 大小:181.00 KB
- 文档页数:6
禁止使用童工及童工拯救控制程序为了切实保护少年、儿童的身心健康、促进其能继续接受义务教育。
保证生产管理有序进行,生产经营行为符合相关法律法规,明确本公司在生产过程中发现童工的控制管理制度,特做出如下规定:一、童工的定义:中国法律规定之童工是指未满16周岁,与单位或个人发生劳动关系从事有经济收入的劳务或者从事个体劳动的少年、儿童。
(注:未满16周岁的少年、儿童,参加家庭劳动、学校组织的勤工俭学和省、自治区、直辖市人民政府允许从事的无损身心健康的、力能所及的辅助性质劳动,不属于童工范畴。
)二、运作程序如下:本厂在招工时,禁止招用未满十六周岁的童工;1、工厂在招聘工人时仔细查看前来面试工人的身份证;2、对前来应聘的工人年龄进行严格的把关。
年龄在十六周岁以下的坚决不用;3、人事部审核应聘资料时,根据应聘者填写的个人资料查看其年龄、身份证、相貌是否相符;4、仔细核对其身份证的真假,如对提供证件有怀疑,可要求应聘者提供其它足以证明其身份、年龄的其它证件;5、如果被公司最终发现有童工时,将遵循以下拯救控制程序。
1)一旦发现有未达到16周岁(童工)隐满真实年龄,本厂将停止其工作,安排送往医院进行健康检查,并通知当地劳动局。
如果该童工身体健康,则经劳动局同意后直接安排专人将其送到家中,工厂负责全部费用;如果需要治疗,工厂要承担全部费用直到痊愈。
如果童工的家庭不能负担其教育经费,工厂负责承担该员工的教育经费,直至其超过16周岁为止。
当该童工达到法定年龄,自愿返回工厂时,工厂将无条件接受。
2)童工及其教育经费的文件,保存于人事及行政部,保留不少于三年后毁弃。
未成年工保护程序为维护未成年工的合法权益,保护其在生产劳动中的健康,根据《中华人民共和国劳动法》的有关规定,公司特制定本规定:一、未成年工的定义未成年工是指年满16周岁,未满十八周岁的劳动者。
未成年工的特殊保护是针对未成年工正处于生长发育期的特点,以及接受义务教育的需要,采取的特殊劳动保护措施。
童工的标准依照中国《劳动法》定义,童工是指未满16周岁,与单位或者个人发生劳动关系从事有经济收入的劳动或者从事个体劳动的少年、儿童。
而青少年工人是指任何超过上述定义的儿童年龄但不满十八岁的工人。
童工规定:公司不应使用或支持使用符合上述定义的童工。
如果发现有儿童从事符合上述童工定义的工作,公司应建立、纪录、保留旨在救济这些儿童的政策和措施,并将其向员工及利益相关方有效传达。
公司还应给这些儿童提供足够支持以使之接受学校教育直到超过上述定义下儿童年龄为止。
公司应该建立、记录、维持国际劳工组织第146号建议条款所涉及的旨在推广针对儿童及符合当地义务教育法规年龄规定或正在就学中的青少年教育的政策和措施,并将其向员工及利益相关方有效传达。
公司所采取的政策和措施还应包括一些具体的方法来确保在上课时间杜绝使用儿童或青少年工人的现象。
另外这些儿童和青少年工人每日交通(工作地点与学校之间)、上课和工作所有时间加起来不超过十小时。
无论工作地点内外,公司不得将儿童或青少年工人置于危险、不安全、不健康的环境中。
由柳洪平创建未成年工特殊保护规定第一条为维护未成年工的合法权益,保护其在生产劳动中的健康,根据《中华人民共和国劳动法》的有关规定,制定本规定。
第二条未成年工是指年满十六周岁,未满十八周岁的劳动者。
未成年工的特殊保护是针对未成年工处于生长发育期的特点,以及接受义务教育的需要,采取的特殊劳动保护措施。
第三条用人单位不得安排未成年工从事以下范围的劳动:(一)《生产性粉尘作业危害程度分级》国家标准中第一级以上的接尘作业;(二)《有毒作业分级》国家标准中第一级以上的有毒作业;(三)《高处作业分级》国家标准中第二级以上的高处作业;(四)《冷水作业分级》国家标准中第二级以上的冷水作业;(五)《高温作业分级》国家标准中第三级以上的高温作业;(六)《低温作业分级》国家标准中第三级以上的低温作业;(七)《体力劳动强度分级》国家标准中第四级体力劳动强度的作业;(八)矿山井下及矿山地面采石作业;(九)森林业中的伐木、流放及守林作业;(十)工作场所接触放射性物质的作业;(十一)有易燃易爆、化学性烧伤和热烧伤等危险性大的作业;(十二)地质勘探和资源勘探的野外作业;(十三)潜水、涵洞、涵道作业和海拔三千米以上的高原作业(不包括世居高原者);(十四)连续负重每小时在六次以上并每次超过二十公斤,间断负重每次超过二十五公斤的作业;(十五)使用凿岩机、捣固机、气镐、气铲、铆钉机、电锤的作业;(十六)工作中需要长时间保持低头、弯腰、上举、下蹲等强迫体位和动作频率每分钟大于五十次的流水线作业;(十七)锅炉司炉。
员工健康检查登记表区域:职业健康检查制度第一条、为了规范公司职业健康检查工作,加强职业健康监护管理,保护劳动者健康,根据有关法律法规,制定本制度.第二条、本制度主要包括职业健康检查、职业健康监护档案管理等内容。
第三条、公司应当建立健全职业健康监护制度,保证职业健康监护工作的落实.第四条、公司应当组织从事接触职业病危害作业的员工进行职业健康检查。
员工接受职业健康检查应当视同正常出勤.第五条、公司不得安排有职业禁忌的员工从事其所禁忌的作业。
第六条、公司不得安排未成年工从事接触职业病危害的作业;不得安排孕期、哺乳期的女职工从事对本人和胎儿、婴儿有危害的作业。
第七条、公司应当组织接触职业病危害因素的员工进行定期职业健康检查。
发现职业禁忌或者有与所从事职业相关的健康损害的员工,应及时调离原工作岗位,并妥善安置。
第八条、劳动者职业健康检查的费用,由公司承担。
第九条、公司组织员工进行上岗前、在岗期间和离岗职业健康检查。
为了掌握劳动者的健康状况、发现职业禁忌、分清责任,根据检查结果,评价劳动者是否适合从事我公司各工种作业,为劳动者的岗位安排提供依据,组织员工进行上岗前的健康检查;为了及时发现健康损害和健康影响,对劳动者进行动态健康观察,判断劳动者是否适合继续从事该工种作业,组织员工进行在岗期间的健康检查;为了了解劳动者离岗时的健康情况,分清健康损害责任,根据检查结果评价劳动者的健康状况、健康变化是否与职业病危害因素有关,公司组织员工进行离岗前的健康体检。
第九条、公司定期组织员工进行在岗期间的职业健康检查。
每年的五月份进行员工职业病体检,每年的十月份进行员工健康体检。
第十条、公司应当及时将职业健康检查结果如实告知员工。
第十一条、公司应当建立职业健康监护档案。
第十二条、公司应当按规定妥善保存职业健康监护档案。
第十三条、员工有权查阅、复印其本人职业健康监护档案.第十四条、本制度最终解释权归青岛迈安石化工程EHS科。
EHS科2021—11—9米易县人民医院攀枝花市中心医院米易分院职业健康检查人员培训制度为进一步加强体检中心的基础管理,提高体检中心人员的职业健康检查的理论和技术水平,促进体检中心服务质量的提高,根据本院实际情况制定体检中心培训制度:职业健康安全教育的基本内容主要有思想教育、职业健康安全技术知识教育和典型事故教育。
、办理未成年工登记应提供如下材料:
1、提交未成年工健康检查表(未成年工体检应到县级以上
医院,健康检查表可在本网站直接下载);
2、未成年工登记表(登记表可在本网站直接下载);
3、有毒作业应提供《检测检验报告书》;
4、未成年工本人有效身份证明;
5、未成年工人员花名册(加盖单位公章);
6、未成年工人员1寸相片1张;
、办理流程:
1、企业填报《未成年工登记表》;
2、送秀屿区劳动和社会保障局直接办理
二、未成年工登记表
未成年工登记表
注:本表一式二份,其中企业、劳动保障部门各一份。
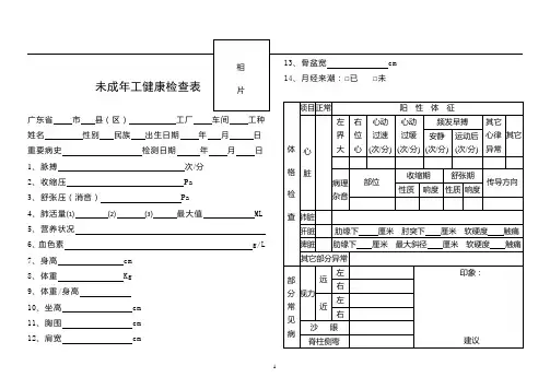
未成年工健康检查表
省市县(区)工厂车间工种姓名性别民族出生日期年月日重要病史检测日期年月日
1、脉搏次/分
2、收缩压_________ Pa
3、舒张压(消音)___________ Pa
4、肺活量⑴____ ⑵ ______ ⑶ _____ 最大值 _____ ml
5、营养状况_________________________________
6、血色素_________ g/L
7、身高_________ cm
8、体重_________ kg
9、体重/身高_______________
10、坐高_________ cm
11、胸围_________ cm
12、肩宽__________ c m
13、骨盆宽__________ c m
14、月经来潮:已未
医师签名
可、否参加素质测试医疗单位(盖章)
期。
劳动保护、职业健康、女工及未成年人保护制度劳动保护相关管理制度贯彻执行各项劳动保护法律、法规、条例和规定。
及时解决生产中出现的有关安全生产卫生等方面的问题,不断改善劳动条件。
及时向职工群众宣传党和国家劳动保护政策及企业安全卫生规章制度,对职工群众进行遵章守纪和劳动保护科学技术知识的教育。
工作例会制度1、公司和分公司工会都要建立劳动保护工作例会制度,并常年坚持,常抓不懈。
2、工作例会上,对劳动保护工作要汇报情况,提出问题、制订改进措施,避免走过场、流形式。
3、公司工会例会时间定在每季最后一天的上午(特殊情况例外),各单位必须按时参加。
4、参加例会的人员,要携带有关劳动保护基础资料,以备考查、评定。
检查考核制度1、劳动保护是工会主要工作之一,必须坚持检查考核制度,订立必要措施方案。
2、分公司至少每月对施工现场检查一次,发现问题,立即整改。
3、每次检查后,按百分制进行考核,评定划分,公之于众。
对先进予以表彰,对后进提出批评与整改意见。
4、在基层检查考核的基础上,公司工会每季度对各分公司及公司重点工程工地检查考核一次,并将考核结果向全体职工公布。
5、年终依据全年检查考核资料,评定出劳动保护先进单位及个人,予以表彰奖励。
教育制度1、对广大职工进行经常性的劳动保护教育,是一项重要制度,各单位要作到有组织、有措施、有落实、有检查评比,切实开展下去。
2、对施工队、班组劳动保护监督检查员,要进行定期和不定期培训。
要有年度具体培训计划,并及时总结改进。
3、教育制度要形式多样,因地制宜。
教育重点为一线生产班组。
4、公司工会拟半年举办一期劳动保护教育培训班,具体时间及参加人员另行通知。
信息反馈制度1、信息反馈是一项下情下达,便于工会、行政及时掌握劳动保护动态状况的重要制度,各基层:仁会必须抓紧抓好,落到实处。
2、信息反馈要作到准确、及时、具体、重大问题要随时反馈到分公司和公司工会。
3、各单位工会对反馈的信息,要及时综合、整理并㈠艮。
女职工劳动保护规定(2012年4月18日国务院第200次常务会议通过,国务院令第619号)第一条为了减少和解决女职工在劳动中因生理特点造成的特殊困难,保护女职工健康,制定本规定。
第二条中华人民共和国境内的国家机关、企业、事业单位、社会团体、个体经济组织以及其他社会组织等用人单位及其女职工,适用本规定。
第三条用人单位应当加强女职工劳动保护,采取措施改善女职工劳动安全卫生条件,对女职工进行劳动安全卫生知识培训。
第四条用人单位应当遵守女职工禁忌从事的劳动范围的规定。
用人单位应当将本单位属于女职工禁忌从事的劳动范围的岗位书面告知女职工。
女职工禁忌从事的劳动范围由本规定附录列示。
国务院安全生产监督管理部门会同国务院人力资源社会保障行政部门、国务院卫生行政部门根据经济社会发展情况,对女职工禁忌从事的劳动范围进行调整。
第五条用人单位不得因女职工怀孕、生育、哺乳降低其工资、予以辞退、与其解除劳动或者聘用合同。
第六条女职工在孕期不能适应原劳动的,用人单位应当根据医疗机构的证明,予以减轻劳动量或者安排其他能够适应的劳动。
对怀孕7个月以上的女职工,用人单位不得延长劳动时间或者安排夜班劳动,并应当在劳动时间内安排一定的休息时间。
怀孕女职工在劳动时间内进行产前检查,所需时间计入劳动时间。
第七条女职工生育享受98天产假,其中产前可以休假15天;难产的,增加产假15天;生育多胞胎的,每多生育1个婴儿,增加产假15天。
女职工怀孕未满4个月流产的,享受15天产假;怀孕满4个月流产的,享受42天产假。
第八条女职工产假期间的生育津贴,对已经参加生育保险的,按照用人单位上年度职工月平均工资的标准由生育保险基金支付;对未参加生育保险的,按照女职工产假前工资的标准由用人单位支付。
女职工生育或者流产的医疗费用,按照生育保险规定的项目和标准,对已经参加生育保险的,由生育保险基金支付;对未参加生育保险的,由用人单位支付。
第九条对哺乳未满1周岁婴儿的女职工,用人单位不得延长劳动时间或者安排夜班劳动。
(3)禁止使用童工及未成年工管理控制程序1广州市健民塑料制品有限公司禁止使用童工及未成年工管理控制程序1、目的为了保护少年、儿童的身心健康,促进义务教育,为了规范公司员工招聘程序,制定政策、补救措施以有效地控制不招用及不支持招用童工,合法用工。
根据《中华人民共和国宪法》,特制定本规定。
2、适用范围公司内部各部门和生产工作场所,以及可能的对外承包商/供应商的要求。
3、定义3.1 童工:指任何年龄低于16周岁的少年所从事的有经济收入的劳动。
3.2未成年工:指任何年龄在16~18周岁的所从事的有经济收入的劳动。
4、规定内容4.1 公司严格执行国家《禁止使用童工规定》,严禁在任何岗位范围内使用童工,遵守用人程序。
人力资源部招工人员在招工时必须对应聘人员进行严格验证,即核对身份证及相片,必要时核对户口,确认无伪才能登记入厂。
暂时未领取身份证的,应持有其户口所在地派出所核准的16周岁以上的证明或临时身份证。
4.2应聘者应聘公司职位时,一般应当年满18周岁(必须年满16周岁),身体健康,无不良嗜好;如确有必要招用未成年工(16~18周岁),必须持有效身份证和健康证及复印件到当地政府劳动部门备案。
4.3 应聘者应聘公司职位时,应出具相关证明文件证明与其他用人单位已合法终止了劳动关系,主管及特殊岗位应聘者必须出具前任公司的离职证明,且应按公司规定真实、正确填写《员工入职登记表》,不得填写任何虚假内容。
公司将以《员工入职登记表》所收集的员工信息加载公司《员工名册》备案。
4.4 员工入职时必须提供真实资料和复印件:1)居民身份证;2)户口本;3)最高学历证明;4)从业资格证书、技术职称证书或上岗证书等;5)镇级以上医院出具的《体检表》或《健康证》;6)近期免冠1寸照片2张;7)户口所在地派出所开具的本人无犯罪记录证明;8)担保人办理担保手续。
注明:第5项和第7项公司视情况而定。
4.5公司人力资源部有权利对员工提交验证相关证件进行复印存档备案。
1、目的:为保护我司在职未成年工的权益及人身安全、健康、教育。
2、范围:适应本公司所有未成年工3、责权:人事部4、定义:未成年工:中华人民共和国劳动法规定年龄在16周岁到18周岁之间的劳工。
5、工作内容5。
1、人事部在招聘员工时需识别应聘者的身份证(参见《身份证识别程序》),检查应聘人员的身份证真假情况。
5。
2、人事部不定期检查是否聘用未成年工。
一旦发现应采取以下几项行动,以确保未成年工的安全。
5。
4 、公司发现之未成年工若未完成九年制义务教育的,将其送到附近的学校完成学业,并控制其每日交通(公司与学校之间)、上课和工作所有时间加起来不超过10小时.公司按当地标准支付学费至九年制义务教育完成止。
5.5、未成年工管理应按照有关法律法规实行注册管理制度,招收未成年工需向当地劳动部门办理相关手续并遵照其有关规定,安排适当的工作岗位和工作时间。
5。
6、不得安排未成年工于危险、不安全或不健康的工作环境,不得从事电工、警卫,不得操作各种危险机器.不得使用化学品与过敏性工作,以保证未成年工不在危险性较大的环境中作业。
5.7、不得安排未成年工从事夜间、有毒、有害、高温、低温、国家规定的第四级体力劳动强度的劳动和其他禁忌从事的劳动。
5。
8、不得安排未成年工从事接触放射性物质的作业及易燃易爆的危险性作业。
5。
9、按规定要求定期(半年)对未成年工进行详细的健康体检。
未成年工健康检查按有关未成年工健康检查表列出的项目进行。
未成年工的体检和登记由公司统一办理并承担相关费用。
5。
10、各部门按照未成年工体检情况安排其从事适合的劳动,对不能胜任原工作岗位的应减轻劳动或安排其它工作,不得安排未成年工加班。
6、支持性文件6。
1、《劳动法》6。
2、《中华人民共和国义务教育法》6.3、《身份证识别程序》6。
4、《未成年工特殊保护规定》7、相关记录7。
1、员工身份证复印件7.2、员工入职登记表以下(空白)。
1、目的:为保护我司在职未成年工的权益及人身安全、健康、教育。
2、范围:适应本公司所有未成年工3、责权:人事部4、定义:未成年工:中华人民共和国劳动法规定年龄在16周岁到18周岁之间的劳工。
5、工作内容5.1、人事部在招聘员工时需识别应聘者的身份证(参见《身份证识别程序》),检查应聘人员的身份证真假情况。
5.2、人事部不定期检查是否聘用未成年工。
一旦发现应采取以下几项行动,以确保未成年工的安全。
5.4 、公司发现之未成年工若未完成九年制义务教育的,将其送到附近的学校完成学业,并控制其每日交通(公司与学校之间)、上课和工作所有时间加起来不超过10小时。
公司按当地标准支付学费至九年制义务教育完成止。
5.5、未成年工管理应按照有关法律法规实行注册管理制度,招收未成年工需向当地劳动部门办理相关手续并遵照其有关规定,安排适当的工作岗位和工作时间。
5.6、不得安排未成年工于危险、不安全或不健康的工作环境,不得从事电工、警卫,不得操作各种危险机器。
不得使用化学品与过敏性工作,以保证未成年工不在危险性较大的环境中作业。
5.7、不得安排未成年工从事夜间、有毒、有害、高温、低温、国家规定的第四级体力劳动强度的劳动和其他禁忌从事的劳动。
5.8、不得安排未成年工从事接触放射性物质的作业及易燃易爆的危险性作业。
5.9、按规定要求定期(半年)对未成年工进行详细的健康体检。
未成年工健康检查按有关未成年工健康检查表列出的项目进行。
未成年工的体检和登记由公司统一办理并承担相关费用。
5.10、各部门按照未成年工体检情况安排其从事适合的劳动,对不能胜任原工作岗位的应减轻劳动或安排其它工作,不得安排未成年工加班。
6、支持性文件6.1、《劳动法》6.2、《中华人民共和国义务教育法》6.3、《身份证识别程序》6.4、《未成年工特殊保护规定》7、相关记录7.1、员工身份证复印件7.2、员工入职登记表以下(空白)信你自己罢!只有你自己是真实的,也只有你能够创造你自己。
give more than you planned to.精品模板助您成功(页眉可删)在我国未成年工是指什么?根据法律规定,未成年工是指年满十六周岁,未满十八周岁的劳动者。
未成年工的特殊保护是针对未成年工处于生长发育期的特点,以及接受义务教育的需要,采取的特殊劳动保护措施。
在我国我们都了解未成年人的大致概念,是指不满十八周岁的中国公民,也就是在我们眼里就是还没长大的孩子,然而在我国还有一个名词,那就是未成年工,那么在我国未成年工是指什么,在下文给家带来了详细的解答。
未成年工,是指年满十六周岁未满十八周岁的劳动者,也称青少年工人。
是劳动法的主体,享有劳动权利能力和劳动行为能力。
而童工是不满16周岁,不能成为劳动法的主体。
《劳动法》第15条:“禁止用人单位招用未满16周岁的未成年人。
”“文艺、体育和特种工艺单位招用未满十六周岁的未成年人,必须依照国家有关规定,履行审批手续,并保障其接受义务教育的权利。
”详细内容:第一条为维护未成年工的合法权益,保护其在生产劳动中的健康,根据《中华人民共和国劳动法》的有关规定,制定本规定。
第二条未成年工是指年满十六周岁,未满十八周岁的劳动者。
未成年工的特殊保护是针对未成年工处于生长发育期的特点,以及接受义务教育的需要,采取的特殊劳动保护措施。
第三条用人单位不得安排未成年工从事以下范围的劳动:(一)《生产性粉尘作业危害程度分级》国家标准中第一级以上的接尘作业;(二)《有毒作业分级》国家标准中第一级以上的有毒作业;(三)《高处作业分级》国家标准中第二级以上的高处作业;(四)《冷水作业分级》国家标准中第二级以上的冷水作业;(五)《高温作业分级》国家标准中第三级以上的高温作业;(六)《低温作业分级》国家标准中第三级以上的低温作业;(七)《体力劳动强度分级》国家标准中第四级体力劳动强度的作业;(八)矿山井下及矿山地面采石作业;(九)森林业中的伐木、流放及守林作业;(十)工作场所接触放射性物质的作业;(十一)有易燃易爆、化学性烧伤和热烧伤等危险性大的作业;(十二)地质勘探和资源勘探的野外作业;(十三)潜水、涵洞、涵道作业和海拔三千米以上的高原作业(不包括世居高原者);(十四)连续负重每小时在六次以上并每次超过二十公斤,间断负重每次超过二十五公斤的作业;(十五)使用凿岩机、捣固机、气镐、气铲、铆钉机、电锤的作业;(十六)工作中需要长时间保持低头、弯腰、上举、下蹲等强迫体位和动作频率每分钟大于五十次的流水线作业;(十七)锅炉司炉。
童工、未成年工和女职工特殊保护规定1、目的为了确保及时发现因任何原因进入公司的童工,根据法律法规要求妥善处理童工事件,保障曾经担任童工并遭遣散的儿童及未成年工的安全、健康、教育和发展,而采取所有必要的支持行动。
2、适用范围适用于所有曾在公司的童工及正在公司工作的未成年工与女职工。
3、工作职责3.1 行政部负责童工及未成年工的识别,及采取必要的支持活动。
3.2 ICTI管理者代表、行政专员确保公司行为符合本程序规定,及监督推广儿童教育计划的有效性。
3.3 员工代表代表劳动者就本程序执行情况与管理层沟通。
4、定义4.1 童工:未满16周岁的劳动者。
4.2 未成年工:年满16周岁未满18周岁的劳动者。
4.3 拯救儿童:为保障曾从事童工现被遣散儿童的安全、健康、教育和发展,而采取的所有必要的支持和行动。
5、工作程序5.1 行政部在招聘员工时需识别应聘者的身份证明,检查应聘人员的身份证真假情况。
身份证的检查见《身体证鉴别方法》5.2 行政部不定期检查是否聘用童工。
一旦发现童工,必须立即停止其工作,但不得立即辞退童工,及时通知当地劳动局,由劳动局通知处理方案。
5.3 公司发现之童工若已完成九年制义务教育的,指定专人负责送童工到医院检查身体的健康状况,并通知当地劳动局。
如给予遣散,被遣散之童工报酬全额发放。
在保证健康安全的同时由公司派员护送回原居住地,所有路费及生活费用是公司承担。
5.4 公司发现之童工若未完成九年制义务教育的,将童工送到附近的学校完成学业,并控制其每日交通(公司与学校之间、上课和工作所有时间加起来不超过10小时。
公司按当地标准支付学费至16周岁止。
以确保其能继续接受义务教育。
已完成9年义务教育且年满16周岁,若其愿意留在本公司内工作,则由行政部重新办理入职手续。
并按未成年工管理。
5.5 行政部在招聘时识别未成年工并通知用人部门,各部门必须对其合法权益给予保护。
5.6 未成年工管理应按照有关法律法规实行注册管理制度,招收未成年工需向当地劳动部门办理相关手续并遵照其有关规定,安排适当的工作岗位和工作时间。
童⼯与未成年⼯管理规定童⼯与未成年⼯管理规定1.⽬的确保曾经担任童⼯并遭遣散的⼉童及未成年⼯的安全、健康、教育和发展,⽽采取所有必要的⽀持⾏动。
2所有曾在本⼚的童⼯及正在本⼚的未成年⼯。
4.定义4.1童⼯:根据《中华⼈民共和国劳动法》的规定,在年龄未满16周岁的⼯⼈定义为“童⼯”未成年⼯:根据《中华⼈民共和国劳动法》的规定,年龄已满16周岁⽽未满18周岁的⼯⼈。
拯救⼉童:为了保障曾经担任童⼯并遭遣散的⼉童的安全、健康、教育和发展,⽽采取所有必要的⽀持和⾏动。
6.⼯作程序6.1本公司承诺严格贯彻执⾏国务院《禁⽌使⽤童⼯的规定》及其他法律法规,制定相应的政策和程序,并传达给所有员⼯和其他利益相关者。
6.2⼈⼒资源部在招⼯时须对⾝份证等证件严格查验,对年龄及其他资料确认⽆伪后⽅可聘⽤。
6.2.1证件必须是原件。
6.2.2如对年龄等证明⽂件的有效性有质疑时,应聘员⼯需提供户⼝所在地的公安派出所证明或公司与公安派出所联系以求确认。
6.2.3⽆⾝份证或持伪证者⼀概不予录⽤。
6.3按公正、⾃愿原则和法规要求签署劳务合同,建⽴⼈事档案。
⼈⼒资源部须对劳动合同和档案进⾏复查。
6.4为防⽌疏漏和避免有⼈假冒代替已办好⼊⼚⼿续的员⼯上班,⼈⼒资源部依据下列情况进⾏抽查:6.4.1对员⼯年龄产⽣质疑。
6.4.2其他⼈员提供某员⼯不具合适年龄的信息。
6.5当发现有未满16周岁的⼉童被错误招⽤,应⽴即结算其所有薪资并采取补救措施:6.5.1⽴即令其停⽌⼯作;6.5.2.安排进⾏健康体检,发现有病的予以治疗;6.5.3.公司派⼈护送回家或由监护⼈接回,并且监护⼈在接收函上签字。
6.5.4护送童⼯回原居住地所需费⽤全部由公司负担,并视情节给予⽀援,促使童⼯接受学校教育,直到他们超过⼉童年龄为⽌。
6.5.5对被送回原居住地前患病或伤残的童⼯负责治疗,并承担治疗期间的全部医疗⽣活费⽤。
6.5.6严禁不负责任遣散童⼯。
对童⼯伤、残、死亡负有责任的部门或个⼈,由区级以上劳动保障部门给予⾏政处罚;构成犯罪的,由司法机关依法追究刑事责任。
未成年工健康体检及登记表-标准化文件发布号:(9456-EUATWK-MWUB-WUNN-INNUL-DDQTY-KII
一、办理未成年工登记应提供如下材料:
1、提交未成年工健康检查表(未成年工体检应到县级以
上医院,健康检查表可在本网站直接下载);
2、未成年工登记表(登记表可在本网站直接下载);
3、有毒作业应提供《检测检验报告书》;
4、未成年工本人有效身份证明;
5、未成年工人员花名册(加盖单位公章);
6、未成年工人员1寸相片1张;
二、办理流程:
1、企业填报《未成年工登记表》;
2、送秀屿区劳动和社会保障局直接办理
三、未成年工登记表
未成年工登记表
注:本表一式二份,其中企业、劳动保障部门各一份。
未成年工健康检查表
省市县(区)工厂车间工种
姓名性别民族出生日期年月日
重要病史检测日期年月日
1、脉搏__________次/分
2、收缩压__________Pa
3、舒张压(消音)__________ Pa
4、肺活量(1) _____(2) _____(3) _____最大值_____ml
5、营养状况______________________________
6、血色素__________g/L
7、身高__________cm
8、体重__________kg
9、体重/身高_____________
10、坐高__________ cm
11、胸围__________cm
12、肩宽__________ cm
13、骨盆宽__________ cm
14、月经来潮:已未。