软件工程学生选课系统软件测试
- 格式:doc
- 大小:5.28 MB
- 文档页数:24
软件工程系统测试在当今数字化的时代,软件已经成为我们生活和工作中不可或缺的一部分。
从智能手机上的应用程序到企业的关键业务系统,软件的质量和可靠性直接影响着用户的体验和业务的运行。
而软件工程系统测试,作为确保软件质量的关键环节,起着至关重要的作用。
那么,什么是软件工程系统测试呢?简单来说,它是对整个软件系统进行的全面测试,目的是发现软件在功能、性能、安全性、兼容性等方面可能存在的问题,以确保软件能够满足用户的需求和期望,并在各种环境下稳定可靠地运行。
系统测试并不仅仅是在软件完成开发后进行的一次性操作,而是一个贯穿整个软件开发周期的持续过程。
在需求分析阶段,测试人员就需要开始介入,理解软件的功能和性能要求,为后续的测试工作制定计划和策略。
在设计和编码阶段,测试人员可以通过审查设计文档和代码,提前发现潜在的问题。
而在软件集成和系统构建阶段,进行集成测试和系统测试,验证各个模块之间的接口是否正确,系统的整体功能是否满足预期。
功能测试是系统测试中的一个重要方面。
它主要检查软件是否按照需求规格说明书的要求实现了各项功能。
测试人员会模拟各种用户操作场景,输入不同的数据和操作指令,检查软件的输出结果是否正确。
比如,对于一个在线购物网站,测试人员会测试用户注册、登录、浏览商品、添加购物车、结算付款等一系列功能是否能够正常运行,是否存在功能缺失或错误的情况。
性能测试则关注软件在不同负载条件下的响应时间、吞吐量、资源利用率等性能指标。
例如,对于一个高并发的网站,需要测试在大量用户同时访问时,网站是否能够快速响应,服务器的资源是否能够满足需求,是否会出现卡顿、崩溃等情况。
通过性能测试,可以发现软件在性能方面的瓶颈,并进行优化和改进,以提高软件的运行效率和用户体验。
安全性测试是确保软件能够保护用户数据和系统安全的重要手段。
测试人员会检查软件是否存在漏洞,如 SQL 注入、跨站脚本攻击、权限管理不当等,以防止黑客攻击和数据泄露。
实验报告课程名称:软件测试方法和技术学生姓名:刘成立、龙甜学号:***********、***********院系:计算机班级:1202 组别:1 任课教师:张建东指导老师:张建东目录一、黑盒测试方法相关概念:1.1黑盒测试定义:1.2黑盒测试分类:1.3黑盒测试优缺点:二、学生选课系统,选课、退选功能结构:2.1选课、退选层次图:2.2选课、退选流程图:三、等价类划分法:3.1:等价类划分法过程分析:3.2:等价类划分法测试用例:四、边界值分析法:4.1:边界值分析法过程分析:4.2:边界值分析法测试用例:五、实验总结:六、测试截图:七、源代码:实验二黑盒测试用例设计一、黑盒测试方法相关概念:1.1黑盒测试定义:黑盒测试也称功能测试,它是通过测试来检测每个功能是否都能正常使用。
在测试中,把程序看作一个不能打开的黑盒子,在完全不考虑程序内部结构和内部特性的情况下,在程序接口进行测试,它只检查程序功能是否按照需求规格说明书的规定正常使用,程序是否能适当地接收输入数据而产生正确的输出信息。
黑盒测试着眼于程序外部结构,不考虑内部逻辑结构,主要针对软件界面和软件功能进行测试。
1.2黑盒测试分类:黑盒测试用例设计方法包括等价类划分法、边界值分析法、错误推测法、因果图法、判定表驱动法、正交试验设计法、功能图法等。
1.3黑盒测试优缺点:优点:黑盒测试是以用户的角度,从输入数据与输出数据的对应关系出发进行测试的。
能够直观的检验软件功能是否符合用户的需求;功能是否正确、有无遗漏;发现界面错误,是否美观、输入和输出错误、数据库访问错误、功能操作逻辑不合理、初始化和终止错误等。
[缺点:软件外部特性本身设计有问题或规格说明的规定有误,黑盒测试方法发现不了。
二、学生选课系统,选课、退选功能层次图:2.1、选课、退选层次图:2.2选课、退选流程图:注释:条件A为,判定课程号是否存在?条件B为,判定是否在课程号范围内?条件C为,判定是否确认选课?条件D为,判断该课程是否已经选过了?条件E为,判定是否继续选课?条件H为,判定选课人数是否已满?2.2.2学生选课系统退选流程图:注释:条件A 为,判定课程号是否输入有误? 条件B 为,判定课程号是否存在? 条件C 为,判断是否重新退选? 条件D 为,判定退选是否成功?三、等价类划分法:3.1:等价类划分法过程分析: 3.1.1等价类划分法基本思想:用一组有限的数据去代表近似无限的数据。
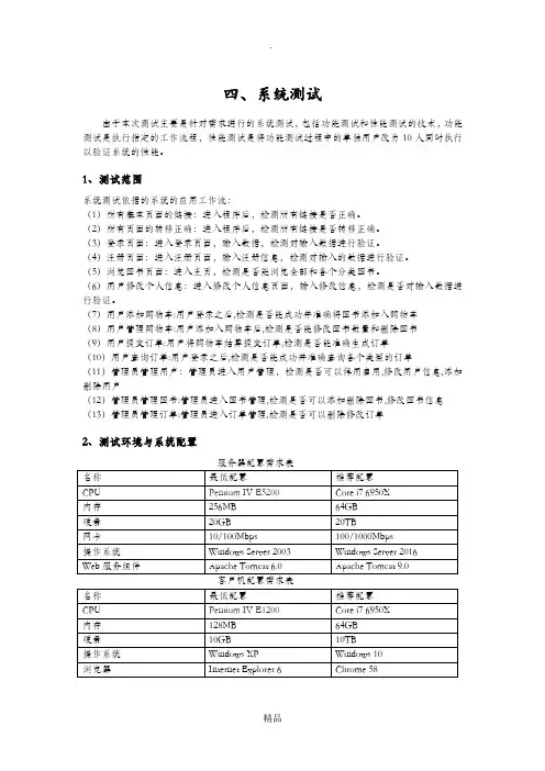
四、系统测试由于本次测试主要是针对需求进行的系统测试,包括功能测试和性能测试的技术,功能测试是执行指定的工作流程,性能测试是将功能测试过程中的单独用户改为10人同时执行以验证系统的性能。
1、测试范围系统测试依据的系统的应用工作流:(1)所有基本页面的链接:进入程序后,检测所有链接是否正确。
(2)所有页面的转移正确:进入程序后,检测所有链接是否转移正确。
(3)登录页面:进入登录页面,输入数据,检测对输入数据进行验证。
(4)注册页面:进入注册页面,输入注册信息,检测对输入的数据进行验证。
(5)浏览图书页面:进入主页,检测是否能浏览全部和各个分类图书。
(6)用户修改个人信息:进入修改个人信息页面,输入修改信息,检测是否对输入数据进行验证。
(7)用户添加购物车:用户登录之后,检测是否能成功并准确将图书添加入购物车(8)用户管理购物车:用户添加入购物车后,检测是否能修改图书数量和删除图书(9)用户提交订单:用户将购物车结算提交订单,检测是否能准确生成订单(10)用户查询订单:用户登录之后,检测是否能成功并准确查询各个类型的订单(11)管理员管理用户:管理员进入用户管理,检测是否可以停用启用,修改用户信息,添加删除用户(12)管理员管理图书:管理员进入图书管理,检测是否可以添加删除图书,修改图书信息(13)管理员管理订单:管理员进入订单管理,检测是否可以删除修改订单2、测试环境与系统配置3、测试覆盖设计由于本次测试是系统测试,测试的依据是系统需求,测试的设计应该满足对需求的覆盖,所以,采用的测试方法主要是黑盒测试,包括等价类划分(有效测试和无效测试)、边界值和错误猜测法等。
表F-1就是测试用例覆盖矩阵。
表F-1:测试用例功能/性能覆盖矩阵4.测试用例矩阵如有侵权请联系告知删除,感谢你们的配合!。
学生退选课系统测试计划班级:13汉班组号:第四组日期:2016/6/21学生退选课系统测试计划1、引言1.1、编写目的为了更加全面地评估该“学生退选课系统”的功能完成指标,查找出用户在使用时可能会出现的错误,并进一步提出改进方法;同时也为了加深我们对测试方法的理解,我们小组对该系统编写测试计划说明,测试计划的编写也能进一步促进小组间的交流。
目前的测试主要完成以下任务。
1. 功能测试:对照需求说明,测试每一项功能是否完成。
2. 性能测试:对于Web测试,测试是否能够满足客户需要的负载压力、响应的时间、吞吐量等等各种的要求。
1.2、项目背景在学校规定的非选退课阶段,有重修课程的学生和所修学分已达到学校规定的标准的学生想要选课和退课,而这是学校的选退课系统已向学生关闭,这时学生则需要向院办教师申请选课或退课,学生需填写纸质的申请表交给院办,工作较为繁琐。
本系统主要满足学生、教师和管理员三方面用户的需求,减少学生、教师和管理员的工作量,并提高了工作效率。
1.3、定义说明软件测试:通过使用有限的测试用例来动态地验证程序是否能达到预期的行为测试的目的是为了评估和改进产品质量。
黑盒测试:如果已经知道了产品应该具有的功能,可以通过测试来检验是否每个功能都能正常使用,黑盒测试又称功能测试。
单元测试:着重测试每个单独的模块,以确保它作为一个单元来说明功能是正确的,这种测试成为单元测试集成测试:必须把模块装配在一起形成完整的软件包。
在装配的同时进行测试,因此称为集成测试确认测试:必须测试在需求分析阶段定下来的确认标准,确认测试是对软件满足所有功能的、行为的和性能需求的最终保证。
1.4 参考资料《软件工程》第三版,孙家广、刘强。
《学生退选课系统需求分析》《学生退选课系统概要设计》《学生退选课系统详细设计》2、任务概述2.1 测试目标通过对本学生退选课系统进行测试,查找出用户(学生、教师、管理员)在使用时可能会出现的错误,并进一步提出改进方法;同时也为了加深我们对各种测试方法的学习和理解,最终满足用户的的需求和期望,使该系统更好的为用户服务,同时能够达到最终的业务需求以及系统需求。
软件工程中软件测试方法软件测试是软件工程中非常重要的环节,它用于验证和评估软件系统是否满足预期的需求,并发现其中的错误和缺陷。
在软件测试过程中,可以采用多种不同的测试方法来确保软件的质量和稳定性。
以下是一些常见的软件测试方法:1. 黑盒测试:这种测试方法着重于测试软件系统的功能性,而不考虑内部的实现细节。
测试人员只关注输入和输出之间的关系,通过输入不同的数据,检查系统的响应和输出是否符合预期。
黑盒测试通常包括等价类划分、边界值分析、决策表等技术来设计测试用例。
2. 白盒测试:与黑盒测试相反,白盒测试关注软件系统的内部结构和实现。
测试人员需要了解代码的逻辑和结构,在此基础上设计相关的测试用例。
白盒测试通常包括语句覆盖、分支覆盖、路径覆盖等技术,以确保代码的全面覆盖率。
3. 灰盒测试:灰盒测试是黑盒测试和白盒测试的结合,既考虑系统的功能性,也考虑内部的实现。
测试人员在设计测试用例时,会兼顾输入输出关系和代码结构等因素。
4. 冒烟测试:冒烟测试也称为可靠性测试或基本功能测试,用于验证软件系统的基本功能是否正常工作。
在软件开发过程中的早期阶段,进行冒烟测试可以尽早发现严重的错误和缺陷。
5. 性能测试:性能测试用于评估软件系统在不同负载下的性能表现,包括响应时间、吞吐量、并发性能等指标。
通过性能测试,可以确定系统在实际使用场景下的性能瓶颈,并进行性能优化。
6. 安全测试:安全测试用于评估软件系统的安全性,包括数据安全、身份认证、访问控制等方面。
通过安全测试,可以发现系统中的安全漏洞和弱点,并提供相应的安全防护措施。
7. 兼容性测试:兼容性测试用于验证软件系统在不同的操作系统、浏览器、设备等环境下的兼容性。
通过兼容性测试,可以确保软件在各种环境下都能正常运行。
以上是软件工程中常见的软件测试方法,每种方法都有其特定的应用场景和测试目标。
在实际项目中,通常会根据需求和资源的情况,选择合适的测试方法来保证软件的质量和稳定性。
编号:《软件工程》课程设计学生选课系统目录1 可行性分析报告…………………………………………………………………………2 需求规格说明书3 总体设计说明书4 详细设计说明书5 源程序清单6 软件测试报告7 用户手册8 软件开发总结报告(插入分节符)1可行性分析报告1.引言1.1 编写目的明确说明系统需求,界定系统实现功能的范围,指导系统设计以及编码。
经过对此项目进行详细调查研究,初拟系统实现报告,对网站开发中将要面临的问题及其解决方案进行初步设计及合理安排。
明确开发风险及其所带来的经济效益。
1.2 背景在现代计算机技术、通信技术日益发展,Internet普及,现代网络生活已经遍布每个家庭,远程教育成了一种必然的趋势,但对于许多用户来说毕竟还是一件比较陌生的事,因此要使用户了解系统是一个重要的关键。
我们将实现通过网络对学生进行选课以及确定课程老师及方案。
1.3课题研究的意义学生选课系统是一个学校不可缺少的部分,它的内容对于学校的决策者和管理者来说都至关重要,所以学生选课系统应该能够为用户提供充足的信息和快捷的查询手段。
但一直以来人们使用传统人工的方式管理文件档案,这种管理方式存在着许多缺点,如:效率低、保密性差,另外时间一长,将产生大量的文件和数据,这对于查找、更新和维护都带来了不少的困难。
随着科学技术的不断提高,计算机科学日渐成熟,其强大的功能已为人们深刻认识,它已进入人类社会的各个领域并发挥着越来越重要的作用。
作为计算机应用的一部分,使用计算机对选课信息进行管理,有着手工管理所无法比拟的优点.例如:检索迅速、查找方便、可靠性高、存储量大、保密性好、寿命长、成本低等。
这些优点能够极大地提高人事劳资管理的效率,也是企业的科学化、正规化管理,与世界接轨的重要条件。
2.课题的可行性2.1 要求(1)与实践活动和相关的文件和资料由教师提供。
(2)本课题要求学生有熟练的ASP开发能力,有较强的自学能力以及一定的关系数据库理论开发功底。
学生选课系统软件测试报告姓名:学号:班级:1.引言1.1编写目的为了更加全面地评估该“学生选课管理系统”的功能完成指标,查找出教师和学生以及管理员在使用时可能会出现的错误,并进一步提出改进方法;同时也为了加深我们对黑盒测试方法的理解。
1.2定义软件测试通过使用有限的测试用例来动态地验证程序是否能达到预期的行为测试的目的是为了评估和改进产品质量。
黑盒测试:如果已经知道了产品应该具有的功能,可以通过测试来检验是否每个功能都能正常使用,黑盒测试又称功能测试。
单元测试:着重测试每个单独的模块,以确保它作为一个单元来说明功能是正确的,这种测试成为单元测试集成测试:必须把模块装配在一起形成完整的软件包。
在装配的同时进行测试,因此称为集成测试确认测试:必须测试在需求分析阶段定下来的确认标准,确认测试是对软件满足所有功能的、行为的和性能需求的最终保证等价类:2.任务概述2.1目标通过对本学生选课系统进行测试,查找出教师和学生以及管理员在使用时可能会出现的错误,并进一步提出改进方法;同时也为了加深对各种测试方法的理解,最终满足用户的的需求和期望,使该系统更好的为用户服务,同时能够达到最终的业务需求以及系统需求。
2.2运行环境操作系统:Microsoft Windows 7数据库:Microsoft SQL Server 20083.计划3.1测试方案3.2测试项目测试方法:黑盒测试选取测试用例的原则:1、所设计出的测试用例能够减少为达到合理测试所需要设计的附加测试用例数目2、所设计出的测试用例能够告诉我们,是否存在某些类型的错误,而不是仅仅指出与特定测试相关的错误是否存在3、正确的划分等价类,已根据等价类设计测试方案,以满足所有的测试都能追溯到用户需求尽量避免含糊的测试用例。
尽量将具有相类似功能的测试用例抽象并归类。
尽量避免冗长和复杂的测试用例。
3.2测试项目(一)学生管理模块功能测试测试内容:(1)密码验证功能(2)选课功能(3)成绩查询目的:尽可能多的找出系统运行中会出现的错误,站在学生的立场,考虑学生在实际执行信息、成绩查询、选课功能时会出现的各种错误、异常,从而对此系统进行完善和改正,保证用户在使用中真正满足他们的需求,达到用户想要的功能。
大学课程:软件工程测试1. 引言软件工程测试是指通过各种测试方法和技术来评估和验证软件系统是否满足用户需求和预期的质量标准。
在软件开发过程中,测试是非常关键的一环,它可以帮助发现和修复潜在的错误和缺陷,确保软件系统的可靠性、稳定性和安全性。
本文将介绍软件工程测试的基本概念、测试方法和技术,以及在大学课程中学习和掌握软件工程测试的重要性和方法。
2. 软件工程测试的基本概念2.1 测试对象软件工程测试的对象是软件系统。
测试的目标是通过对软件系统的各个部分和功能进行评估和验证,确保软件系统的质量达到预期的标准。
测试对象包括软件的代码、功能、性能、安全性等方面。
测试的主要目标是发现和修复软件系统中的错误和缺陷,提高软件系统的质量和稳定性。
另外,测试还可以评估软件系统的性能、可靠性和安全性,确保软件系统满足用户需求和预期的功能。
2.3 测试策略测试策略是指在进行软件工程测试时制定的测试计划和方法。
测试策略包括测试的范围、目标、依据、方法、资源、进度等方面。
通过制定合理的测试策略,可以提高测试的有效性和效率。
3. 软件工程测试的方法和技术3.1 黑盒测试黑盒测试是一种基于软件需求规格说明和功能描述进行的测试方法。
黑盒测试不需要关注软件的内部实现细节,而是从用户的角度出发,通过输入和输出的组合来验证软件功能的正确性和完整性。
白盒测试是一种基于软件内部逻辑结构和代码进行的测试方法。
白盒测试需要了解软件的内部实现细节,通过对代码的覆盖、路径追踪和数据流分析等技术来评估软件的可用性和正确性。
3.3 单元测试单元测试是对软件系统中最小的可测试单位进行验证的测试方法。
单元测试一般由开发人员编写,用于测试软件的各个独立模块和函数的功能和正确性。
3.4 集成测试集成测试是对软件系统中多个模块和组件进行整合测试的方法。
集成测试旨在测试模块之间的接口和交互是否正确,并发现和修复集成过程中可能出现的错误和问题。
系统测试是对整个软件系统进行全面测试的方法。
软件工程软件测试分析报告一、引言软件测试作为软件开发过程中的一个重要环节,对于确保软件质量有着至关重要的影响。
本报告旨在对软件测试进行分析,包括测试目标、测试策略和测试方法,并结合具体案例进行分析,以期达到更好地了解软件测试的作用和方法。
二、测试目标软件测试的目标是发现软件中潜在的错误和缺陷,确保软件系统能够按照规定的功能和性能要求正常运行。
具体来说,软件测试的目标包括以下几个方面:1.功能测试:验证软件系统的功能是否符合需求规格书中的要求。
2.性能测试:验证软件系统在指定负载下的性能指标是否满足要求。
3.兼容性测试:验证软件系统在不同操作系统、不同硬件环境下的兼容性。
4.安全性测试:验证软件系统的安全性,包括防止非法入侵、保护用户隐私等。
5.可靠性测试:验证软件系统在长时间运行下的稳定性和可靠性。
三、测试策略测试策略是指在软件测试过程中,制定的用于指导测试活动的计划和方法。
测试策略应该根据每个软件项目的特点和需求进行制定,下面是几个常见的测试策略和方法:1.黑盒测试:只关注软件的输入和输出,不需要了解软件的内部实现细节。
常用的黑盒测试方法包括等价类划分法、边界值分析法等。
2.白盒测试:需要了解软件的内部实现细节,根据代码逻辑进行测试。
常用的白盒测试方法包括语句覆盖、分支覆盖等。
3.灰盒测试:介于黑盒测试和白盒测试之间,结合了输入和代码逻辑的测试方法。
常用的灰盒测试方法包括决策表测试、路径覆盖等。
4.自动化测试:利用自动化测试工具进行测试,提高测试效率和准确性。
5.压力测试:通过模拟并发用户,验证软件在高负载情况下的性能和稳定性。
6.回归测试:在软件修改或更新后,重新进行测试,确保修改不会对原有功能产生负面影响。
四、测试方法为了达到测试的目标,不同的测试方法可以结合使用,下面是几个常用的测试方法:1.静态测试:通过审查软件的设计文档、源代码等,发现潜在错误和缺陷。
2.单元测试:对软件的最小可测试单元进行测试,如函数、方法等。
软件工程课程设计报告学生选课系统软件工程课程设计报告:学生选课系统摘要:作为一种十分实用的信息管理方式,学生选课系统在现代高校得到了广泛的应用。
本文旨在通过对学生选课系统的分析与设计,实现一个高效、稳定的选课系统。
本系统主要由用户登录模块、选课模块、查看成绩模块等组成。
采用Spring + Mybatis MVC框架进行开发,通过登录、添加课程、查看成绩等操作实现系统功能,具备了良好的可扩展性和用户友好性。
关键词:学生选课系统,Spring, MVC,Mybatis一、引言随着互联网技术的不断发展,学生选课系统在高校中得到了广泛的应用。
学生选课系统是一种实用的信息管理方式,其目的在于方便学生进行选课,同时为学校管理部门提供选课管理。
本文旨在设计一个高效、稳定的学生选课系统,并利用Spring + Mybatis MVC框架进行开发,通过登录、添加课程、查看成绩等操作实现系统的功能。
二、系统需求分析学生选课系统中,主要需求有以下几点:1.用户登录模块学生选课系统的用户分为学生、教师和管理员,他们在系统中的权限不同。
因此,在系统中需要为不同用户提供不同的登录界面。
2.选课模块学生在登录后可以进行选课操作,选课模块需要具备添加课程、删除课程、查询课程等基本操作。
3.查看成绩模块学生在完成选课后,需要及时查看自己的成绩,以便于判断自己的学习状况。
三、系统设计1.技术选型本系统采用Spring + Mybatis MVC框架进行开发。
其中Spring作为IoC容器,优化了程序结构,Mybatis负责数据库操作, MVC框架可实现MVC分层开发。
2.数据库设计1.用户信息表格学生编号学生姓名登录用户名登录密码性别年级专业联系方式2.选课信息表格选课编号课程名称课程成绩上课教师学分3.设计算法1.学生登录学生输入登录信息,系统进行验证,验证成功后登录。
2.添加课程管理员添加课程信息,包含课程名称、上课教师、学分等信息。
详细版!目录一、问题定义 (5)1.1问题的定义 (5)1.2 系统要解决的问题 (5)二、可行性研究 (6)2.1 引言 (6)2.1.1目的 (6)2.1.2背景及功能 (6)2.1.3 参考资料 (6)2.2 可行性研究的前提 (7)2.2.1 要求 (7)2.2.2 目标 (7)2.2.3 条件、假定和限制 (7)2.2.4 进行可行性研究的方法 (7)2.3 所建议的系统 (8)2.3.1 对所建议系统的说明 (8)2.3.2 处理流程和数据流程 (8)2.3.3 工作负荷 (9)2.3.4技术条件方面的可行性 (10)2.4 社会因素方面的可行性 (10)2.4.1 法律方面的可行性 (10)2.4.2 使用方面的可行性 (10)2.5 经济可行性 (10)2.6 结论 (10)三、项目开发计划 (11)3.1 引言 (11)3.1.1 编写目的 (11)3.1.2 背景 (11)3.1.3 参考资料 (11)3.2 项目概述 (11)3.2.1 工作内容 (11)3.2.2 产品 (12)3.2.4 完成项目的最迟期限 (13)3.2.5 关键问题及支持的系统条件 (13)3.3 支持条件 (13)四、需求分析 (14)4.1 系统需求 (14)4.2. 功能需求 (14)4.3业务流程图 (14)五、概要设计 (16)5.1 基本设计概念和处理流程 (16)5.2. 系统层次模块图 (16)5.3. 系统层次模块图 (16)5.4. 模块设计 (17)六、数据库设计 (18)6.1 引言 (18)6.1.1 编写目的 (18)6.1.2 背景 (18)6.1.3 定义 (18)6.1.4 参考资料 (19)6.2 外部设计 (20)6.2.1 标识符和状态 (20)6.2.2 使用它的程序 (20)6.2.3 约定 (20)6.2.4 专门指导 (20)6.2.5 支持软件 (20)6.3 结构设计 (21)6.4 运用设计 (25)6.4.1 数据字典设计 (25)6.4.2 安全保密设计 (25)七、详细设计 (26)7.1 引言 (26)7.1.1 编写目的 (26)7.1.2 背景 (26)7.1.3定义 (26)7.1.4 参考资料 (26)八、测试报告 (27)8.1 引言 (27)8.1.1 编写目的 (27)8.1.2 定义 (27)8.1.3 参考资料 (27)8.2 测试概要 (28)8.3 测试结果及发现 (31)8.3.1 测试具体实施 (31)8.4 对软件功能的结论 (32)8.4.1 用户登录模块 (32)8.5 分析摘要 (32)8.5.1 能力 (32)8.5.2 评价 (32)8.6 测试资源消耗 (32)九、用户手册 (33)9.1 引言 (33)9.1.1 编写目的 (33)9.1.2 定义 (33)9.1.3 参考资料 (33)9.2 用途 (33)9.2.1 功能 (33)9.2.2 性能 (34)9.2.3 安全保密 (34)十、附录 (36)10.1 数据库的封装代码DB.java (36)10.2 选课系统登陆界面代码Login.java (37)10.3 选课系统学生选课界面代码Student.java (41)10.4 学生选课情况查询代码Query.java (45)10.5 学生用户登录密码的修改代码Modify.java (48)10.6 教师查询学生选课的情况代码Teacher.java (51)10.7 超级管理员查询学生选课的情况代码Administrator.java (53)一、问题定义1.1问题的定义学生选课系统:也称学生课程选修制,即允许学生对学校所开设的课程有一定的选择自由,包括选择课程、任课教师和上课时间,选择适合自己的学习量和学习进程。
<学生选课系统>功能测试报告制作人:学号:目录1.简介 (1)1.1目的 (1)1.2预期读者 (1)1.3参考资料 (1)1.4术语定义 (1)1.5测试地点、人员、任务 (2)1.6 测试时间进度 (2)2.测试概要 (2)2.1 测试对象 (2)2.2项目背景 (2)2.3测试目的 (3)2.4用例试图 (3)3.测试过程 (4)3.1 测试方法 (4)3.2测试界面模块介绍 (4)3.3测试用例 (6)3.31功能性 (6)3.32易用性 (6)4.测试环境 (6)4.1测试环境 (6)4.11硬件环境 (7)4.12软件环境 (7)4.2 测试工具 (7)5.问题级别划分 (7)6.测试结果 (8)6.1测试问题汇总 (8)6.11 测试总结 (9)6.1.1.1 测试情况总结 (9)6.1.1.2 问题级别分布 (9)6.2其他系统缺陷 (9)6.3 测试结果分析 (9)7.测试结论和建议 (10)7.1测试结论 (10)7.2建议 (11)1. 简介1.1 目的本测试报告为学生选课系统项目的测试报告,目的在于总结测试阶段的测试情况以及分析测试结果,描述系统是否符合要求,主要从以下几个目的分析介绍:●由测试总结功能实现中的缺陷和bug●分析测试结果,对系统整体性总结评价●评估测试中测试执行和测试计划是否符合1.2 预期读者该项目所有测试人员课程设计的批阅老师1.3 参考资料●王水,张晓民,《软件工程素质导论》,第一版,2011年2月●《人事工资管理系统测试报告实例》./view/3a85d909844769eae009ed59.html●《系统测试报告实例》/view/e3eca7daa58da0116c1749c6.html.●《测试结论》/view/19a0fe0aba1aa8114431d979.html1.4 术语定义1.5测试地点、人员、任务分配◆地点:南阳理工学院◆人员:张涛毛思晨杨耀光李和孺项目任务执行人员需求分析张涛、毛思晨、杨耀光、李和孺测试计划杨耀光测试用例毛思晨测试张涛测试报告李和孺任务分配表(表1.2)1.6测试时间进度项目进度甘特图(图1.1)(表示初期完成时间)(表示修改时间)2.测试概要2.1 测试对象该项目为《学生选课系统》,主要功能是提供老师添加课程,学生登录查看自己可选课程信息进行选课。
软件工程学生选课系统设计说明书设计说明书:选课系统一、引言选课系统是为了方便学生选择合适的课程,规范选课流程,提高选课效率而开发的一款软件。
该系统将实现学生的选课申请、课程查询、选课结果查询等功能。
二、系统需求1.学生选课申请:学生登录系统后,可以浏览并选择自己感兴趣的课程,并提交选课申请。
2.课程查询:学生可以通过系统查询所有的课程信息,包括课程名称、授课教师、课程时间等。
3.选课结果查询:学生可以查询选课申请的处理结果,包括选课成功和选课失败的详细信息。
4.教师管理:系统管理员可以管理教师信息,包括添加教师、修改教师信息等。
5.课程管理:系统管理员可以管理课程信息,包括添加课程、修改课程信息等。
三、系统设计1.用户角色-学生:可以进行选课申请、查询课程和选课结果。
-管理员:可以进行教师和课程的管理。
2.数据库设计-学生表:存储学生的基本信息,包括学号、姓名、密码等。
-教师表:存储教师的基本信息,包括工号、姓名、密码等。
-课程表:存储课程的基本信息,包括课程编号、课程名称、授课教师、课程时间等。
-选课表:存储学生的选课记录,包括学生学号、选课课程编号、选课状态等。
3.系统流程-学生选课申请流程:1)学生登录系统。
2)学生浏览课程信息并选择感兴趣的课程。
3)学生提交选课申请。
4)系统根据学生的选课申请进行处理,并生成选课结果。
5)学生可以查询选课结果。
-课程查询流程:1)学生登录系统。
2)学生查询课程信息。
-选课结果查询流程:1)学生登录系统。
2)学生查询选课结果。
-教师管理流程:1)管理员登录系统。
2)管理员可以进行添加教师、修改教师信息等操作。
-课程管理流程:1)管理员登录系统。
2)管理员可以进行添加课程、修改课程信息等操作。
四、系统实现该选课系统将采用Java语言进行开发,前端界面使用HTML、CSS和JavaScript技术实现。
后端使用Spring框架搭建整个系统,数据库使用MySQL进行存储。
目录一.需求分析 (4)1.编写目的 (4)2.项目范围 (4)3.参考资料 (4)4.任务概述 (4)4.1产品概述 (4)4.2用户特点 (5)4.3条件与限制 (5)5.需求规定 (5)5.1对性能的规定 (5)5.2对输入输出的规定 (5)5.3数据管理的规定 (6)6.运行环境规定 (6)6.1用户界面 (6)6.2设备 (6)6.3软件接口 (6)6.4故障处理 (6)二.项目计划安排 (7)三.概要设计 (8)1.引言 (8)1.1编写目的 (8)1.2背景 (8)1.3定义 (9)1.4参考资料 (9)2.总体设计 (9)2.1需求规定 (9)2.2运行环境 (11)2.3基本设计概念和处理流程 (12)2.4结构 (13)2.5功能需求与系统模块的关系 (13)2.6人工处理过程 (13)2.7尚未解决的问题 (14)3.接口设计 (14)3.1用户接口 (14)3.2外部接口 (14)3.3内部接口 (15)4.运行设计 (15)4.1运行模块组合 (15)4.2运行控制 (15)5.系统数据结构设计 (16)5.1逻辑结构设计要点 (16)5.2物理结构设计要点 (16)5.3数据结构与程序的关系 (17)6.系统出错处理设计 (18)6.1出错信息 (18)6.2补救措施 (18)6.3系统维护设计 (18)四.详细设计 (19)1.引言 (19)1.1编写目的 (19)1.2背景 (19)2.模块设计说明 (19)2.1模块描述 (19)2.2功能 (19)2.3输入项 (19)2.4输出项 (19)2.5流程逻辑 (20)2.6存储分配 (27)2.7限制条件 (27)3.用例图 (28)五.数据库设计 (28)1.数据信息 (28)2.根据数据信息构建表结构 (28)表5-1 dbo.Adminer (29)表5-2dbo.Course (29)表5-3 dbo.stu_course (29)表5-4 dbo.Student (30)3.数据库构建工具SQLsever2005 (30)3.1使用构建工具SQLsever2005 (31)3.2 SQLsever2005的使用 (31)4.用SQLsever2005构建设计好的数据表 (31)5.生成数据库 (31)六.系统功能设计 (33)1.系统功能框架 (33)2.数据库连接 (34)2.1 数据库连接技术 (34)2.2 数据库连接类详细代码 (34)3学生选课系统登录子系统 (36)3.1 学生选课系统登录子系统功能描述 (36)3.2 学生选课系统登录子系统详细代码 (37)4.学生选课系统子系统 (38)4.1 学生选课系统子系统功能描述 (38)4.2 学生选课系统子系统详细代码 (39)5管理员管理系统子系统 (40)5.1管理员管理系统子系统功能描述 (40)5. 2管理员管理系统子系统详细代码 (41)七.项目测试 (42)1.软件的测试 (42)1.1 测试的目的 (42)1.2 测试的方法 (42)1.3 传统测试的问题及解决方案 (43)2.自动化测试工具 (44)八.实战演练 (45)1.项目总体要求 (45)2.选题要求 (45)3.系统功能要求 (45)一.需求分析1.编写目的编写本文档,主要是确定本项目的需求,明确学生选课系统的主要实现功能。
学生选课系统软件测试报告
:
学号:
班级:
1.引言
1.1编写目的
为了更加全面地评估该“学生选课管理系统”的功能完成指标,查找出教师和学生以及管理员在使用时可能会出现的错误,并进一步提出改进方法;同时也为了加深我们对黑盒测试方法的理解。
1.2定义
软件测试通过使用有限的测试用例来动态地验证程序是否能达到预期的行为测试的目的是为了评估和改进产品质量。
黑盒测试:如果已经知道了产品应该具有的功能,可以通过测试来检验是否每个功能都能正常使用,黑盒测试又称功能测试。
单元测试:着重测试每个单独的模块,以确保它作为一个单元来说明功能是正确的,这种测试成为单元测试
集成测试:必须把模块装配在一起形成完整的软件包。
在装配的同时进行测试,因此称为集成测试
确认测试:必须测试在需求分析阶段定下来的确认标准,确认测试是对软件满足所有功能的、行为的和性能需求的最终保证
等价类:
2.任务概述
2.1目标
通过对本学生选课系统进行测试,查找出教师和学生以及管理员在使用时可能会出现的错误,并进一步提出改进方法;同时也为了加深对各种测试方法的理解,最终满足用户的的需求和期望,使该系统更好的为用户服务,同时能够达到最终的业务需求以及系统需求。
2.2运行环境
操作系统:Microsoft Windows 7
数据库:Microsoft SQL Server 2008
3.计划
3.1测试方案
3.2测试项目测试方法:
黑盒测试
选取测试用例的原则:
1、所设计出的测试用例能够减少为达到合理测试所需要设计的附加测试用例数目
2、所设计出的测试用例能够告诉我们,是否存在某些类型的错误,而不是仅仅指出与特定测试相关的错误是否存在
3、正确的划分等价类,已根据等价类设计测试方案,以满足所有的测试都能追溯到用户需求
尽量避免含糊的测试用例。
尽量将具有相类似功能的测试用例抽象并归类。
尽量避免冗长和复杂的测试用例。
3.2测试项目
(一)学生管理模块功能测试
测试容:(1)密码验证功能
(2)选课功能
(3)成绩查询
目的:尽可能多的找出系统运行中会出现的错误,站在学生的立场,考虑学生在实际执行信息、成绩查询、选课功能时会出现的各种错误、异常,从而对此系统进行完善和改正,保证用户在使用中真正满足他们的需求,达到用户想要的功能。
(二)教师管理模块功能测试
测试容:(1)密码验证功能
(2)选课功能
(3)成绩录入功能
目的:尽可能多的找出系统运行中会出现的错误,站在教师的立场,考虑教师在实际执行成绩录入功能,课程表查询功能,以及学生班级成绩信息时会出现的错误、异常,从而对此系统进行完善和改正,保证用户在使用中真正满足他们的需求,达到用户想要的功能。
(三)管理员管理模块功能测试
测试容:(1)密码验证功能
(2)学生信息添加、修改、删除功能
(2)教师信息添加、修改、删除功能
(3)课程信息增加添加删除功能
目的:尽可能多的找出系统运行中会出现的错误,站在管理员的立场,考虑管理员在实际执行过程中,进行权限管理,信息设置添加、修改、查询时肯能出现的错误、异常,从而对此系统进行完善和改正,保证用户在使用中真正满足他们的需求,达到用户想要的功能。
3.3测试准备
首先,认真分析软件需求规格说明书以充分了解用户对系统的功能和性能需求。
站在老师、学生和管理员的立场上进行思考
其次,在测试开始前期就应该制定出测试计划,以便能够有充分的时间和空间去了解用户需求。
然后根据测试计划,编写测试用例。
最后,执行测试用例,对测试结果进行分析,对错误加以改正,从而使该管理系统更加的完善,更加的便于用户使用
3.4测试机构及人员
测试人员:
主要职责就是进行项目测试
4.测试项目说明
4.1测试项目名称及测试容
测试分为三个模块进行:
学生管理模块功能测试
测试容:(1)密码验证功能
(2)选课功能
(3)成绩查询功能
教师管理模块功能测试
测试容:(1)密码验证功能
(2)选课功能
(3)成绩录入功能
管理员管理模块功能测试
测试容:(1)密码验证功能
(2)学生信息添加、修改、删除功能
(2)教师信息添加、修改、删除功能
(3)课程信息添加、修改、删除功能
4.2测试用例
4.2.1学生登录模块测试用例(教师、管理员登录类似)
4.2.2 学生管理模块测试用例
4.2.3 教师管理模块测试用例
5
4.2.3 管理员管理模块测试用例(1)学生增删改查测试用例
(2)教师增删改查测试用例
(3)课程增删改查测试用例。