SG-A041 (排水管道灌水试验记录)
- 格式:doc
- 大小:47.50 KB
- 文档页数:1
排水管注水、通水、通球试验记录[工程类精选文档]本文内容极具参照价值,如若实用,请打赏支持,感谢!Ⅰ基本要乞降内容1)排水管道注水试验记录应包含隐蔽或埋地(地下、构造内、沟井、管道井、吊顶内、夹皮墙内等)的排水管道和室内及地下的雨水管道,在隐蔽前一定按系统或分区(段)做注水试验。
2)埋地管道的注水高度应不低于基层卫生用具的上面沿或基层地面高度,满水15min水面降落后,再灌满察看5min,液面不降,管道及接口无渗漏为合格。
(3)室内雨水管道的注水高度一定到每根立管上部的雨水斗。
注水试验连续 1h,不渗不漏为合格。
4)暗装或埋地管道未经注水试验或注水试验不切合要求,不得进行隐蔽。
试验完成应将试验过程和结论填写记录,记录应完好、正确,不得缺项、漏项。
(5)室内排水系统完工后,一定进行通水能力试验,按给水系统的 1/3配水滴同时开放,检查各排水滴能否通畅,接口处有无渗漏。
高层建筑,可依据管道部署采取分层,分区段做通水试验。
6)全部排水管和落水口都应进行通水试验,不得缺漏,试验结果一定切合设计要乞降规范规定,试验过程中如有流通不畅,拥塞等现象发生,应照实记录下来,并实时返修疏导,经相关人员复验签证。
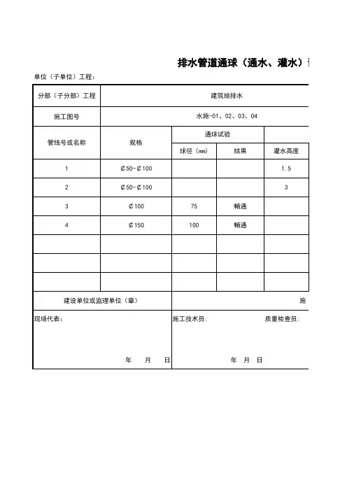
(7)排水主立管及水平干管管道均应做通球试验,通球球径不小于排水管道管径的2/3,通球率一定达到100%。
8)排水管道通球试验结果一定切合规范规定,试验过程中如有拥塞等现象发生,应照实填写,并实时返修疏导,从头试验,经相关人员复验签证。
Ⅱ核查方法1)比较施工图、施工日记、隐蔽工程查收记录,核查注水试验能否在隐蔽行进行,试验数目和范围能否齐备,有无漏试,试验方法(如注水高度、注水次数和时间等)及结果能否切合设计要乞降施工规范规定,试验结果不切合要求,能否有返修复试,复试结果能否切合要求,相关人员签证能否齐备。
2)比较施工图、施工日记,核查通水、通球试验记录能否真切,试验结果能否切合设计要乞降规范规定,出现问题能否实时办理,有无复验记录。
管道注水试验记录编号:工程名称碧水蓝天 19#楼试验日期年月日试验部位雨水落水管道规格、材质UPVC 管材试验要求:雨水管安装后,应做注水试验,注水高度一定到每根主管最上部的雨水漏斗,连续 1 小时,检查管道及接口处无渗漏为合格。
试验状况记录:我施工单位同监理单位、建设单位一同对“雨水落水管道系统”进行了管道注水试验查验。
雨水管道已安装完成,用与管道内径相当的充气橡皮球拥塞住落水管室外管口,再向管道内注水,管道内灌满水后连续 1 小时后检查,均未发现管道及接口处有渗漏水现象,液面未降落,切合设计和规范要求,查收合格。
试验结论:雨水落水管管道系统经管道注水试验查验,均未发现有渗漏水现象,切合设计和规范要求,查收合格。
参加施工单位鑫焱建筑工程有限企业建设(监理)单位人员技术负责人质检员工长署名本表由施工单位填写,城建档案馆、建设单位、施工单位各保留一份。
管道注水试验记录编号:工程名称碧水蓝天19#楼试验日期年月日试验部位基层埋地污水排水管道规格、材质UPVC管材试验要求:基层埋地污水管道在回填土行进行,用于管道内径相当的充气橡皮球拥塞在室外阴井管口、检查口处,注水至存水弯出水为止,满水15分钟后,再灌满连续 5 分钟,液面不降落为合格。
试验状况记录:基层埋地污水排水管道在回填土前,我施工单位同监理单位、建设单位代表一同进行了基层埋地污水排水管道注水试验。
用于管道内径相当的充气橡皮球拥塞在室外阴井管口、检查口,开始注水,其注水高度为不低于卫生用具的上面沿,灌满水停留15 分钟后,再灌满水, 5 分钟后检查:液面均未降落,管道及接口处均无渗漏现象。
切合设计和规范要求,查收合格。
试验结论:基层埋地污水排水管道系统经管道注水试验查验,切合设计和规范要求,查收合格。
参加施工单位鑫焱建筑工程有限企业建设(监理)单位人员技术负责人质检员工长署名本表由施工单位填写,城建档案馆、建设单位、施工单位各保留一份管道注水试验记录编号:工程名称碧水蓝天 19#楼试验日期年月日试验部位1~6 层排水管道规格、材质UPVC 管材试验要求:用与管道内径相当的充气橡皮球分层拥塞,分层注水,满水15 分钟后,再灌满察看5分钟,液面不降落,管道及接口处无渗漏为合格。
给排水管道灌水(通水)试验记录表C2-17-2工程名称虞城县响河商业街售楼处试验时间年月日试验部位一至顶层依据标准GB50242-200《建筑给水排水及采暖工程施工质量验收规范》5.2.1编号规范或设计要求试验备注规格材质允许渗水量计量时间实际渗水量试验时间通水情况F—1 de20 PP-R 不允许渗水满水15min水面下降后,再灌满观察5min管道及接口无渗漏20min管道畅通且液面无下降灌水高度高于底层卫生器具上边F—2 de25 PP-R 不允许渗水满水15min水面下降后,再灌满观察5min管道及接口无渗漏20min管道畅通且液面无下降灌水高度高于底层卫生器具上边F—3 de50 PP-R 不允许渗水满水15min水面下降后,再灌满观察5min管道及接口无渗漏20min管道畅通且液面无下降灌水高度高于底层卫生器具上边F—4 de50 PP-R 不允许渗水满水15min水面下降后,再灌满观察5min管道及接口无渗漏20min管道畅通且液面无下降灌水高度高于底层卫生器具上边F—5 de75 PP-R 不允许渗水满水15min水面下降后,再灌满观察5min管道及接口无渗漏20min管道畅通且液面无下降灌水高度高于底层卫生器具上边评定意见:所试排水管道灌水试验合格2014年月日参监理(建设)单位施工单位加人员专业技术负责人质检员试验员给排水管道灌水(通水)试验记录表C2-17-2工程名称中国人民解放军71315部队公寓试验时间年月日试验部位一至四层依据标准GB50242-200《建筑给水排水及采暖工程施工质量验收规范》5.2.1编号规范或设计要求试验备注规格材质允许渗水量计量时间实际渗水量试验时间通水情况F—6 de110 UPVC 不允许渗水满水15min水面下降后,再灌满观察5min管道及接口无渗漏20min管道畅通且液面无下降灌水高度高于底层卫生器具上边F—7 de160 UPVC 不允许渗水满水15min水面下降后,再灌满观察5min管道及接口无渗漏20min管道畅通且液面无下降灌水高度高于底层卫生器具上边评定意见:所试排水管道灌水试验合格2011年月日参加监理(建设)单位施工单位专业技术负责人质检员试验员人员给水管道灌水(通水)试验记录表C2-17-2工程名称商丘市金地邮政大厦(北楼)试验时间年月日试验部位一至十二层依据标准GB50242-200《建筑给水排水及采暖工程施工质量验收规范》5.2.1编号规范或设计要求试验备注规格材质允许渗水量计量时间实际渗水量试验时间通水情况污—1 DN25 PPR 不允许渗水满水15min水面下降后,再灌满观察5min管道及接口无渗漏20min管道畅通且液面无下降灌水高度高于底层卫生器具上边污—2 DN20 PPR 不允许渗水满水15min水面下降后,再灌满观察5min管道及接口无渗漏20min管道畅通且液面无下降灌水高度高于底层卫生器具上边评定意见:所试给水管道灌水试验合格2006年月日参加人员监理(建设)单位施工单位专业技术负责人质检员试验员排水管道灌水(通水)试验记录表C2-17-2工程名称商丘市金地邮政大厦(北楼)试验时间年月日试验部位一至十二层依据标准GB50242-200《建筑给水排水及采暖工程施工质量验收规范》5.2.1编号规范或设计要求试验备注规格材质允许渗水量计量时间实际渗水量试验时间通水情况污—1 DN160 UPVC 不允许渗水满水15min水面下降后,再灌满观察5min管道及接口无渗漏20min管道畅通且液面无下降灌水高度高于底层卫生器具上边污—2 DN110UPVC 不允许渗水满水15min水面下降后,再灌满观察5min管道及接口无渗漏20min管道畅通且液面无下降灌水高度高于底层卫生器具上边污—3 DN75UPVC 不允许渗水满水15min水面下降后,再灌满观察5min管道及接口无渗漏20min管道畅通且液面无下降灌水高度高于底层卫生器具上边污—4 DN50UPVC 不允许渗水满水15min水面下降后,再灌满观察5min管道及接口无渗漏20min管道畅通且液面无下降灌水高度高于底层卫生器具上边评定意见:所试排水管道灌水试验合格2006年月日参加监理(建设)单位施工单位专业技术负责人质检员试验员人员雨水管道灌水(通水)试验记录表C2-17-2工程名称商丘市金地邮政大厦(北楼)试验时间年月日试验部位一至十二层依据标准GB50242-200《建筑给水排水及采暖工程施工质量验收规范》5.2.1编号规范或设计要求试验备注规格材质允许渗水量计量时间实际渗水量试验时间通水情况污—1 DN110 PVCV 不允许渗水满水15min水面下降后,再灌满观察5min管道及接口无渗漏20min管道畅通且液面无下降评定意见:所试雨水管道灌水试验合格2006年月日参加人员监理(建设)单位施工单位专业技术负责人质检员试验员。
编号:05–06 G 001单位工程名称杭政储出(2006)35号地块商品住宅27#楼分部工程名称室内排水系统分项工程名称排水管道及配件安装项目经理朱红林施工执行标准名称及编号建筑给水排水及采暖工程施工质量验收规范GB50242–2002部位1层(共8户)管材材质U–PVC排水管编号管径(mm)持续时间(min) 试验情况主卫排–1 50 20 灌水无渗漏主卫排–2 75 20 灌水无渗漏主卫排–3 110 20 灌水无渗漏次卫排–1 50 20 灌水无渗漏次卫排–2 75 20 灌水无渗漏次卫排–3 110 20 灌水无渗漏厨房排–1 50 20 灌水无渗漏试验结果:将本层(8户)内的各排水主管道的螺纹三通伸缩节下口处进行封堵,分别进行灌水试验,灌水以地面高度为准,满水20分钟液面无下降。
检查管道及各接口处均无渗漏现象,整个灌水试验过程符合设计及规范要求。
验收结论合格分包单位:项目专业质量检查员(签名):项目专业技术负责人(签名):年月日合格施工单位:项目专业质量检查员(签名):项目专业技术负责人(签名):年月日专业监理工程师(签名):(建设单位项目专业技术负责人)年月日编号:05–06 G 002单位工程名称杭政储出(2006)35号地块商品住宅27#楼分部工程名称室内排水系统分项工程名称排水管道及配件安装项目经理朱红林施工执行标准名称及编号建筑给水排水及采暖工程施工质量验收规范GB50242–2002部位1层(共8户)管材材质U–PVC排水管编号管径(mm)持续时间(min) 试验情况主卫排–1 50 20 灌水无渗漏主卫排–2 75 20 灌水无渗漏主卫排–3 110 20 灌水无渗漏次卫排–1 50 20 灌水无渗漏次卫排–2 75 20 灌水无渗漏次卫排–3 110 20 灌水无渗漏厨房排–1 50 20 灌水无渗漏试验结果:将本层(8户)内的各排水主管道的螺纹三通伸缩节下口处进行封堵,分别进行灌水试验,灌水以地面高度为准,满水20分钟液面无下降。
S G-A041排水管道灌
水试验记录
-CAL-FENGHAI-(2020YEAR-YICAI)_JINGBIAN
SG-A041
排水管道灌水试验记录
工程名称分项工程名称排水管道
验收部位室内底层施工单位
项目负责人专业工长施工班组长
试验管段灌水高度
(m)
灌水持续时间(分)
浸泡时间观察时间检查情况
WL—1 18 15 5 液面不降,接口不漏WL—2 18 15 5 液面不降,接口不漏FL—1 0.85 15 5 液面不降,接口不漏FL—2 0.85 15 5 液面不降,接口不漏
施工单位检查
评定结果
灌水试验合格
项目专业质量检查员:项目专业质量(技术)负责人:年月日
监理(建设)
单位验收结论
同意验收
监理工程师(建设单位项目技术负责人):年月日
注:本表由承包单位填写,一式四份,建设单位、监理单位、承包单位、城建档案馆各留一份。
四川省建设厅制
2
SG—A041填写说明
一、本表为排水管道灌水试验记录表,本表需经监理(建设单位)工程师审查认可。
施工单位应当在灌水之后不漏,通知监理(建设单位)工程师审查。
监理(建设单位)工程师必须旁站监理,在核对本表填写的数据无误后,签署结论性意见。
二、填写要求:
1.本表所列各项应完整填写,不得缺漏。
2.隐蔽或埋地的排水管道在隐蔽前必须做灌水试验,其灌水高度应不低于底层卫生器具的上边缘或底层地面高度。
满水15min水面下降后,再灌满观察5min,液面下降,管道及接口无渗漏为合格。
3.全部系统或区段。
3。
排水管道灌水试验记录
注:本表由承包单位填写,一式四份,建设单位、监理单位、承包单位、城建档案馆各留一份。
四川省建设厅制
SG—A041填写说明
一、本表为排水管道灌水试验记录表,本表需经监理(建设单位)工程师审查认可。
施工单位应当在灌水之后不漏,通知监理(建设单位)工程师审查。
监理(建设单位)工程师必须旁站监理,在核对本表填写的数据无误后,签署结论性意见。
二、填写要求:
1.本表所列各项应完整填写,不得缺漏。
2.隐蔽或埋地的排水管道在隐蔽前必须做灌水试验,其灌水高度应不低于底层卫生器具的上边缘或底层地面高度。
满水15min水面下降后,再灌满观察5min,液面下降,管道及接口无渗漏为合格。
3.全部系统或区段。