钢结构理论重量表
- 格式:docx
- 大小:6.60 MB
- 文档页数:20
槽钢理论重量表大全热轧普通槽钢规格理论重量表大全/每米h-高度;b-腿宽;d-腰厚;t-平均腿厚;r-内圆弧半径;r1-腿端圆弧半径型号尺寸截面面积理论重量h b d t r r1(mm)(cm2) (kg/m) 50 3763 408 80 43 10 100 48126 53 14a 140 58 14b 140 60 16a 160 63 16 160 65 18a 180 68长度:5-8号长5-12m;10-18号长5-19m;20-40号长6-19m 制造钢号:A3,A3F,B3F等焊管理论重量表与焊管理论重量计算公式角钢理论重量表热轧等边角钢尺寸及重量计算公式:W(kg/m)=*边厚*(2边宽-边厚)不等边角钢理论重量计算钢材理论重量计算的计量单位为公斤( kg )。
其基本公式为:W (重量, kg ) = F (断面积 mm2 )× L (长度, m )×ρ(密度,g/cm3 )× 1/1000钢的密度为: cm3 ,各种钢材理论重量计算公式如下:名称(单位)计算公式符号意义计算举例不等边角钢(kg/m)W= ×[d (B+b C d )+ (R2 C 2 r 2 )]B= 长边宽b= 短边宽d= 边厚R= 内弧半径r= 端弧半径求30 mm × 20mm × 4mm 不等边角钢的每m 重量。
从冶金产品目录中查出30 ×20 ×4 不等边角钢的R 为,r 为,则每m 重量= ×[4 ×(30+20 C 4 )+ ×( C 2 × 2 )]=工字钢理论重量表大全热轧普通工字钢每米重量表热轧轻型工字钢每米重量表槽钢理论重量表大全6分管是dn20的,6分管的外径是。
6分管的国标壁厚是。
6分焊管一米重量是公斤。
数值修约方法按GB8170《数值修约规则》的规定螺旋管每米理论重量公式=(外径-壁厚)x壁厚螺旋管理论重量公式表常用钢材理论重量换算表扁铁理论重量-扁钢规格表扁钢规格、重量表[冶标(GB)704-65]宽度(mm) 厚度456 7 891011121416182022252830重量 (kg/m)12 14 16 18 20 22 25 28 30(35)36404550(55)56606365707580859095, 100105110120125130140150160180190200注扁钢按其表列重量不同分为三组:第一组每m小于19kg,通常长(非定尺)3~9m。
角钢理论重量表规格表角钢理论重量表一、20×20 正方形角钢1.1 内角重量:每米长度内角重量=3.85 Kg/m1.2 外角重量:每米长度外角重量=4.88 Kg/m二、25×25 正方形角钢2.1 内角重量:每米长度内角重量=6.08 Kg/m2.2 外角重量:每米长度外角重量=7.43 Kg/m三、30×30 正方形角钢3.1 内角重量:每米长度内角重量=8.45 Kg/m3.2 外角重量:每米长度外角重量=10.11 Kg/m四、40×40 正方形角钢4.1 内角重量:每米长度内角重量=13.07 Kg/m4.2 外角重量:每米长度外角重量=15.7 Kg/m五、50×50 正方形角钢5.1 内角重量:每米长度内角重量=19.07 Kg/m5.2 外角重量:每米长度外角重量=22.7 Kg/m六、63×63 正方形角钢6.1 内角重量:每米长度内角重量=29.19 Kg/m6.2 外角重量:每米长度外角重量=33.96 Kg/m七、75×75 正方形角钢7.1 内角重量:每米长度内角重量=39.39 Kg/m7.2 外角重量:每米长度外角重量=45.37 Kg/m八、90×90 正方形角钢8.1 内角重量:每米长度内角重量=54.2 Kg/m8.2 外角重量:每米长度外角重量=60.9 Kg/m九、100×100 正方形角钢9.1 内角重量:每米长度内角重量=65.41 Kg/m9.2 外角重量:每米长度外角重量=73.14 Kg/m角钢是一种常用的钢结构,由于具有强度高、抗震性能好、重量轻等优点,在建筑以及机械制造行业中应用广泛。
角钢的理论重量受材质、尺寸及角度影响,下面将介绍不同规格的角钢理论重量。
20×20正方形角钢是最普通的角钢规格。
内角重量为每米长度3.85Kg/m,外角重量为每米长度4.88Kg/m。
(完整版)钢筋理论重量表-CAL-FENGHAI-(2020YEAR-YICAI)_JINGBIAN钢筋重量表(钢筋扁钢方钢方管工字钢槽钢型钢 H型钢)(一)圆钢?具体算法直径乘以直径乘0.006165(国家标准)商家默认标准:直径乘以直径乘0.00617圆钢规格重量表(二)螺纹钢理论重量具体算法可以采用直径除以10然后平方? 再乘以0.617kg/m 钢筋理论重量Φ9-0.499kg/mΦ10-0.617kg/mΦ12-0.888kg/mΦ14-1.21kg/mΦ16-1.58kg/mΦ18-2.00kg/mΦ20-2.47kg/mΦ22-2.98kg/mΦ25-3.85kg/mΦ28-4.83kg/mΦ32-6.31kg/mΦ40-9.87kg/m工字钢规格重量表槽钢规格重量表(三)其他钢材理论重量计算的计量单位为公斤(?kg?)。
其基本公式为:?W(重量,kg?)=F(断面积?mm2)×L(长度,m)×ρ(密度,g/cm3)×1/1000?钢筋理论重量计算每米的重量(Kg)=钢筋的直径(mm)×钢筋的直径(mm)×0.00617?其实记住建设工程常用的钢筋重量也很简单φ6=0.222?Kg?φ6.5=0.26kg?φ8=0.395kg?φ10=0.617kg?φ12=0.888kg?Φ14=1.21kg?Φ16=1.58kg?Φ18=2.0kg?Φ24=2.47kgΦ22=2.98kgΦ25=3.85kgΦ28=4.837kg............?Φ12(含12)以下和Φ28(含28)的钢筋一般小数点后取三位数,Φ14至Φ25钢筋一般小数点后取二位数?Φ6=0.222Kg?Φ8=0.395Kg?Φ10=0.617Kg?Φ12=0.888Kg?Φ14=1.21Kg?Φ16=1.58Kg?Φ18=2Kg?Φ20=2.47Kg?Φ22=3Kg?Φ25=3.86Kg?钢材理论重量计算简式?【材料名称?理论重量W(kg/m)】扁钢、钢板、钢带?W=0.00785×宽×厚?方钢?W=0.00785×边长2?圆钢、线材、钢丝?W=0.00617×直径2?渡锌类:W=原理论重量×1.06钢管?W=0.02466×壁厚(外径--壁厚)?等边角钢?W=0.00785×边厚(2边宽--边厚)?不等边角钢?W=0.00785×边厚(长边宽+短边宽--边厚)?工字钢?W=0.00785×腰厚[高+f(腿宽-腰厚)]?槽钢?W=0.00785×腰厚[高+e(腿宽-腰厚)]?备注?1、角钢、工字钢和槽钢的准确计算公式很繁,表列简式用于计算近似值。
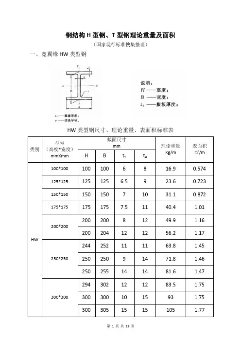
钢结构H型钢、T型钢理论重量及面积(国家现行标准搜集整理)一、宽翼缘HW类型钢HW类型钢尺寸、理论重量、表面积标准表类别型号(高度*宽度)mmXmm截面尺寸mm 理论重量Kg/m表面积㎡/mH B t₁t₂HW 100*100 100 100 6 8 16.9 0.574 125*125 125 125 6.5 9 23.6 0.723 150*150 150 150 7 10 31.1 0.872 175*175 175 175 7.5 11 40.4 1.01 200*200200 200 8 12 49.9 1.16200 204 12 12 56.2 1.17 250*250244 252 11 11 63.8 1.45250 250 9 14 71.8 1.46250 255 14 14 81.6 1.47 300*300294 302 12 12 83.5 1.75300 300 10 15 93 1.75300 305 15 15 105 1.77HW类型钢尺寸、理论重量、表面积标准表(国家现行标准搜集整理)二、中翼缘HM类型钢(国家现行标准搜集整理)三、窄翼缘HN类型钢钢结构H型钢、T型钢理论重量及面积(国家现行标准搜集整理)四、薄壁HT类型钢HT类型钢尺寸、理论重量、表面积标准表HT类型钢尺寸、理论重量、表面积标准表(国家现行标准搜集整理)五、TW类型钢TW类型钢尺寸、理论重量、表面积标准表类别型号(高度*宽度)mmXmm截面尺寸mm 理论重量Kg/m表面积㎡/mH B t₁t₂TW50*100 50 100 6 8 8.47 0.293 62.5*125 62.5 125 6.5 9 11.8 0.368 75*150 75 150 7 10 15.6 0.443 87.5*175 87.5 175 7.5 11 22.2 0.514 100*200100 200 8 12 24.9 0.589100 204 12 12 28.1 0.597 125*250125 250 9 14 35.9 0.739125 255 14 14 40.8 0.749 150*300147 302 12 12 41.7 0.887150 300 10 15 46.5 0.889150 305 15 15 52.4 0.899172 348 10 16 56.5 1.03(国家现行标准搜集整理)六、TM类型钢TM类型钢尺寸、理论重量、表面积标准表类别型号(高度*宽度)mmXmm截面尺寸mm 理论重量Kg/m表面积㎡/mH B t₁t₂TM 75*100 74 100 6 9 10.3 0.341 100*150 97 150 6 9 15 0.487 125*175 122 176 7 11 21.8 0.583150*200147 200 8 12 27.9 0.683149 201 9 14 32.2 0.689 175*250 170 250 9 14 39.1 0.829 200*300 195 300 10 16 52.3 0.979 225*300 220 300 11 18 60.4 1.03 250*300241 300 11 15 55.4 1.07244 300 11 18 52.5 1.08275*300272 300 11 15 58.1 1.13275 300 11 18 65.2 1.14 300*300291 300 12 17 66.4 1.17294 300 12 20 73.5 1.18钢结构H型钢、T型钢理论重量及面积(国家现行标准搜集整理)七、TN类型钢TN类型钢尺寸、理论重量、表面积标准表类别型号(高度*宽度)mmXmm截面尺寸mm 理论重量Kg/m表面积㎡/mH B t₁t₂TN50*50 50 50 5 7 4.65 0.193 62.5*60 62.5 60 6 8 6.55 0.238 75*75 75 75 5 7 7 0.29387.5*9085.5 89 4 6 6.9 0.34287.5 90 5 8 8.98 0.343100*10099 99 4.5 7 8.9 0.389100 100 5.5 8 10.5 0.393125*125124 124 5 8 12.6 0.489125 125 6 9 14.5 0.493150*150149 149 8.5 8 16 0.585150 150 6.5 9 18.4 0.589175*175173 174 6 9 20.6 0.683175 175 7 11 24.7 0.689200*200198 199 7 11 28 0.783300 200 8 13 32.7 0.789。
槽钢理论重量表大全热轧普通槽钢规格理论重量表大全/每米h-高度;b-腿宽;d-腰厚;t-平均腿厚;r-内圆弧半径;r1-腿端圆弧半径型号尺寸截面面积理论重量h b d t r r1(mm)(cm2) (kg/m) 50 3763 408 80 43 10 100 48126 53 14a 140 58长度:5-8号长5-12m;10-18号长5-19m;20-40号长6-19m制造钢号:A3,A3F,B3F等焊管理论重量表与焊管理论重量计算公式角钢理论重量表热轧等边角钢尺寸及重量计算公式:W(kg/m)=*边厚*(2边宽-边厚)不等边角钢理论重量计算钢材理论重量计算的计量单位为公斤( kg )。
其基本公式为:W (重量, kg ) = F (断面积 mm2 )× L (长度, m )×ρ(密度, g/cm3 )× 1/1000钢的密度为: cm3 ,各种钢材理论重量计算公式如下:名称(单位)计算公式符号意义计算举例不等边角钢(kg/m)W= ×[d (B+b C d )+ (R2 C 2 r 2 )]B= 长边宽b= 短边宽d= 边厚R= 内弧半径r= 端弧半径求30 mm × 20mm × 4mm 不等边角钢的每m 重量。
从冶金产品目录中查出30 ×20 ×4 不等边角钢的R 为,r 为,则每m 重量= ×[4 ×(30+20 C 4 )+ ×( C 2 × 2 )]=工字钢理论重量表大全热轧普通工字钢每米重量表热轧轻型工字钢每米重量表槽钢理论重量表大全6分管的国标壁厚是。
6分焊管一米重量是公斤。
数值修约方法按GB8170《数值修约规则》的规定螺旋管每米理论重量公式=(外径-壁厚)x壁厚螺旋管理论重量公式表常用钢材理论重量换算表扁铁理论重量-扁钢规格表扁钢规格、重量表[冶标(GB)704-65]宽度(mm) 厚 度45678910 11 12 14 16 18 20 22 25 28 30重 量 (kg/m)12 1416 1820 2225 2830 32(35)36404550(55)56606365707580859095, 100105110120125130140150160170180190200注扁钢按其表列重量不同分为三组:第一组每m小于19kg,通常长(非定尺)3~9m。
钢筋重量表(钢筋扁钢方钢方管工字钢槽钢型钢 H型钢)(一)圆钢具体算法直径乘以直径乘0.006165(国家标准)商家默认标准:直径乘以直径乘0.00617(二)螺纹钢理论重量具体算法可以采用直径除以10然后平方再乘以0.617kg/m 钢筋理论重量Φ9-0.499kg/mΦ10-0.617kg/mΦ12-0.888kg/mΦ14-1.21kg/mΦ16-1.58kg/mΦ18-2.00kg/mΦ20-2.47kg/mΦ22-2.98kg/mΦ25-3.85kg/mΦ28-4.83kg/mΦ32-6.31kg/mΦ40-9.87kg/m工字钢规格重量表槽钢规格重量表(三)其他钢材理论重量计算的计量单位为公斤(kg)。
其基本公式为:W(重量,kg)=F(断面积mm2)×L(长度,m)×ρ(密度,g/cm3)×1/1000钢筋理论重量计算每米的重量(Kg)=钢筋的直径(mm)×钢筋的直径(mm)×0.00617其实记住建设工程常用的钢筋重量也很简单φ6=0.222 Kg φ6.5=0.26kg φ8=0.395kg φ10=0.617kg φ12=0.888kg Φ14=1.21kg Φ16=1.58kg Φ18=2.0kg Φ24=2.47kgΦ22=2.98kgΦ25=3.85kgΦ28=4.837kg............Φ12(含12)以下和Φ28(含28)的钢筋一般小数点后取三位数,Φ14至Φ25钢筋一般小数点后取二位数Φ6=0.222KgΦ8=0.395KgΦ10=0.617KgΦ12=0.888KgΦ14=1.21KgΦ16=1.58KgΦ18=2KgΦ20=2.47KgΦ22=3KgΦ25=3.86Kg钢材理论重量计算简式【材料名称理论重量W(kg/m)】扁钢、钢板、钢带W=0.00785×宽×厚方钢W=0.00785×边长2圆钢、线材、钢丝W=0.00617×直径2渡锌类:W=原理论重量×1.06钢管W=0.02466×壁厚(外径--壁厚)等边角钢W=0.00785×边厚(2边宽--边厚)不等边角钢W=0.00785×边厚(长边宽+短边宽--边厚)工字钢W=0.00785×腰厚[高+f(腿宽-腰厚)]槽钢W=0.00785×腰厚[高+e(腿宽-腰厚)]备注1、角钢、工字钢和槽钢的准确计算公式很繁,表列简式用于计算近似值。
槽钢理论重量表大全热轧普通槽钢规格理论重量表大全/每米h-高度;b-腿宽;d-腰厚;t-平均腿厚;r-内圆弧半径;r1-腿端圆弧半径型号尺寸截面面积理论重量h b d t r r1(mm) (cm2) (kg/m)长度:5-8号长5-12m;10-18号长5-19m;20-40号长6-19m制造钢号:A3,A3F,B3F等焊管尺寸规格表双击自动滚屏焊管尺寸规格表外径/mm壁? 厚/mmO.5 0.6 0.8 1.0 1.2 1.4 1.5 1.6 1.8 2.O 2.2 2.5 2.8 3.0 3.2 3.5钢管的理论质量/(kg/m)5 O.055 0.065 O.083 O.0998 0.092 O.109 O.142 O.173 O.20110 0.117 O.139 0.181 0.222 0.26012 0.142 O.169 O.221 O.271 O.320 O.366 O.388 0.41013 O.183 0.241 0.296 O.343 0.400 O.425 0.45014 0.198 O.260 O.321 O.379 O.435 O.462 O.48915 O.123 0.280 O.345 0.408 O.470 O.499 O.52916 O.228 O.300 O.370 0.438 0.504 O.536 O.56817 0.243 O.320 O.395 O.468 0.359 O.573 O.60818 0.257 0.339 O.419 O.497 O.573 0.610 0.64719 O.272 O.359 0,444 0.527 0.608 O.647 O.68720 0.287 0.379 O.469 O.556 O.642 O.684 O.726 0.808 0.88821 0.399 0.493 0.586 0.677 O.721 O.765 0.852 0.93722 O.418 O.518 O.616 O.7U O.758 O.805 O.897 0.986 1.07425 O.477 O.592 O.704 0.815 O.869 O.923 1.030 1.134 1.237 1.38728 O.537 O.666 O.793 0.918 O.980 1.0412 1.163 1.282 1.400 1.572 1.74030 0.576 O.715 0.852 0.987 1.054 1.121 1.252 1.381 1.508 1.695 1.878 1.997 32 O.764 0.911 1.065 1.128 1.199 1.341 1.480 1.617 1.1819 2.016 2.145 34 O.814 O.971 1.125 1.202 1.278 1.429 1.578 1.725 1.942 2.154 2.293 37 O.888 1.059 1.229 1.313 1.397 1.562 1.726 1.888 2.127 2.361 2.515外径/mm 壁? 厚/mmO.5 0.6 O.8 1.O 1.2 1.4 1.5 1.6 1.8 2.O 2.2 2,5 2.8 3.0 3.2 3.5钢管的理论质量/(kg/m)38 0.912 1.089 1.264 1.350 1.436 1.607 1.776 1.942 2.189 2.430 2.589 2.746 2.978 40 O.962 1.148 1.333 1.424 1.515 1.696 1.874 2.051 2.312 2.569 2.737 2.904 3.15045 1.09 1.30 1.5l 1.61 1.71 1.92 2.12 2.32 2.62 2.91 3.11 3.30 3.5846 1.33 1.54 1.65 1.75 1.96 2.17 2.38 2.68 2.98 3.18 3.38 3.668 48 1.38 1.6l 1.72 1.83 2.05 2.27 2.48 2.81 3.12 3.33 3.54 3.84 50 1.44 1.68 1.79 1.91 2.14 2.37 2,59 2.93 3.26 3.48 3.69 4.Ol 5l 1.47 1.71 1.83 1.95 2.18 2.42 2.65 2.99 3.33 3.55 3.77 4.1053 1.53 1.78 1.90 2.03 2.27 2.52 2.76 3.11 3.47 3.70 3.93 4.2754 1.56 1.82 1.94 2.07 2.32 2.56 2.81 3.17 3.54 3.77 4.01 4.36 60 1.74 2.02 2.16 2.30 2.58 2.86 3.14 3.54 3.95 4.22 4.48 4.88 63.5 1.84 2.14 2.29 2.44 2.74 3.03 3.33 3.76 4.19 4.48 4.76 5.18 65 2.35 2.50 2.81 3.11 3.41 3.85 4.29 4.59 4.88 5.3170 2.37 2.70 3.03 3.35 3.68 4.16 4.64 4.96 5.27 5.7476 2.76 2.94 3.29 3.65 4.00 4.53 5.05 5.40 5.74 6.2680 2.90 3.09 3.47 3.85 4.22 4.78 5.33 5.70 6.06 6.6083 3.OI 3.2l 3.60 3.99 4.38 4.96 5.54 5.92 6.30 6.8689 3.24 3.45 3.87 4.29 4.71 5.33 5.95 6.36 6.77 7.3895 3.46 3.69 4.14 4.59 5.03 5.70 6.37 6.8l 17.24 7.90 焊管理论重量表与焊管理论重量计算公式规格外径(mm)壁厚(mm)最小壁厚(mm)焊管(6米定尺)镀锌管(6米定尺)kg/m kg/m kg/m kg/m公称内径英寸DN151/221.3 2.8 2.45 1.287.68 1.3578.14 DN203/426.9 2.8 2.45 1.669.96 1.7610.56 DN25133.7 3.2 2.8 2.4114.46 2.55415.32 DN32 1.2542.4 3.5 3.06 3.3620.16 3.5621.36 DN40 1.548.3 3.5 3.06 3.8723.22 4.124.6 DN50260.3 3.8 3.325 5.2931.74 5.60733.64 DN65 2.576.14 3.57.1142.667.53645.21DN80388.948.3850.288.8853.28 DN1004114.3410.8865.2811.5369.18 DN1255140 4.515.0490.2415.94298.65 DN1506168.3 4.518.18109.0819.27115.62 DN2008219.1(焊管)6.031.53189.18DN2008219.1(热镀锌)6.536.12216.7角钢理论重量表型号尺寸 (mm) 长度(m)理论重量(kg/m)边宽边厚2 2034 3-90.8891.1452.5 2534 3-91.1241.45933030 343-91.3731.7863.6 36 3453-91.6562.1632.6544 40 343-91.8522.4225 2.9764.5 45 34564-122.0882.7363.3693.9855 50 34564-122.3323.0593.7704.4655.6 56 34584-122.6243.4464.2516.5686.3 63 4568104-123.9074.8225.7217.4699.1517 70 456784-124.3725.3976.4067.3988.3737.5 75 5674-125.8186.9057.97610 11.0898 80 5678104-126.2117.3768.5259.65811.8749 90 67810124-198.3509.65610.94613.47615.94010 100 678101214169.36610.83012.27615.12017.89820.61123.25711 110 781012144-1911.92813.53216.69019.78222.80912.5 125 10124-1919.13322.69614 140 101214164-1921.48825.52229.49033.39316 160 101214166-1924.72929.39133.98738.51818 180 121416186-1933.15938.38343.54248.63420 200 14161820246-1942.89448.68054.40160.05671.168??????????? ? 热轧等边角钢尺寸及重量??????计算公式:W(kg/m)=0.00785*边厚*(2边宽-边厚)不等边角钢理论重量计算钢材理论重量计算的计量单位为公斤( kg )。
槽钢理论重量表大全热轧普通槽钢规格理论重量表大全/每米h-高度;b-腿宽;d-腰厚;t-平均腿厚;r-内圆弧半径;r1-腿端圆弧半径型号尺寸截面面积理论重量h b d t r r1(mm) (cm2) (kg/m)5 50 37 4.5 7.0 7.0 3.50 6.93 5.446.3 63 40 4.87.5 7.5 3.758.444 6.63 8 80 43 5.0 8.0 8.0 4.0 10.24 8.04 10 100 48 5.3 8.5 8.5 4.25 12.74 10.00 12.6 126 53 5.59.0 9.0 4.5 15.69 12.37 14a 140 58 6.0 9.5 9.5 4.75 18.51 14.53 14b 140 60 8.0 9.5 9.5 4.75 21.31 16.73 16a 160 63 6.5 10.0 10.0 5.0 21.95 17.23 16 160 65 8.5 10.0 10.0 5.0 25.15 19.74 18a 180 68 7.0 10.5 10.5 5.25 25.69 20.17 18 180 70 9.0 10.5 10.5 5.25 29.29 22.99 20a 200 73 7.0 11.0 11.0 5.5 28.83 22.63 20 200 75 9.0 11.0 11.0 5.5 32.83 25.77 22a 220 77 7.0 11.5 11.5 5.75 31.84 24.99 22 220 79 9.0 11.5 11.5 5.75 36.24 28.45 25a 250 78 7.0 12.0 12.0 6.0 34.91 27.47 25b 250 80 9.0 12.0 12.0 6.0 39.91 31.39长度:5-8号长5-12m;10-18号长5-19m;20-40号长6-19m 制造钢号:A3,A3F,B3F等焊管理论重量表与焊管理论重量计算公式角钢理论重量表热轧等边角钢尺寸及重量计算公式:W(kg/m)=0.00785*边厚*(2边宽-边厚)不等边角钢理论重量计算钢材理论重量计算的计量单位为公斤( kg )。
钢筋重量表钢筋扁钢方钢方管工字钢槽钢型钢 H型钢一圆钢具体算法直径乘以直径乘0.006165国家标准商家默认标准:直径乘以直径乘0.00617二螺纹钢理论重量具体算法可以采用直径除以10然后平方再乘以0.617kg/m 钢筋理论重量Φ9-0.499kg/mΦ10-0.617kg/mΦ12-0.888kg/mΦ14-1.21kg/mΦ16-1.58kg/mΦ18-2.00kg/mΦ20-2.47kg/mΦ22-2.98kg/mΦ25-3.85kg/mΦ28-4.83kg/mΦ32-6.31kg/mΦ40-9.87kg/m工字钢规格重量表槽钢规格重量表钢材理论重量计算的计量单位为公斤kg..其基本公式为:W重量;kg=F断面积mm2×L长度;m×ρ密度;g/cm3×1/1000钢筋理论重量计算每米的重量Kg=钢筋的直径mm×钢筋的直径mm×0.00617其实记住建设工程常用的钢筋重量也很简单φ6=0.222 Kg φ6.5=0.26kg φ8=0.395kg φ10=0.617kg φ12=0.888kg Φ14=1.21kg Φ16=1.58kg Φ18=2.0kg Φ24=2.47kgΦ22=2.98kgΦ25=3.85kgΦ28=4.837kg............ Φ12含12以下和Φ28含28的钢筋一般小数点后取三位数;Φ14至Φ25钢筋一般小数点后取二位数Φ6=0.222KgΦ8=0.395KgΦ10=0.617KgΦ12=0.888KgΦ14=1.21KgΦ16=1.58KgΦ18=2KgΦ20=2.47KgΦ22=3KgΦ25=3.86Kg钢材理论重量计算简式材料名称理论重量Wkg/m扁钢、钢板、钢带 W=0.00785×宽×厚方钢 W=0.00785×边长2圆钢、线材、钢丝 W=0.00617×直径2渡锌类:W=原理论重量×1.06钢管 W=0.02466×壁厚外径--壁厚等边角钢 W=0.00785×边厚2边宽--边厚不等边角钢 W=0.00785×边厚长边宽+短边宽--边厚工字钢 W=0.00785×腰厚高+f腿宽-腰厚槽钢 W=0.00785×腰厚高+e腿宽-腰厚备注1、角钢、工字钢和槽钢的准确计算公式很繁;表列简式用于计算近似值..2、f值:一般型号及带a的为3.34;带b的为2.65;带c的为2.26..3、e值:一般型号及带a的为3.26;带b的为2.44;带c的为2.24..4、各长度单位均为毫米;钢的密度为: 7.85g/cm3各种钢材理论重量计算公式如下:名称单位计算公式符号意义计算举例圆钢盘条kg/mW= 0.006165 ×d×dd = 直径mm直径100 mm 的圆钢;求每m 重量..每m 重量= 0.006165 ×1002=61.65kg螺纹钢kg/mW= 0.00617 ×d×dd= 断面直径mm断面直径为12 mm 的螺纹钢;求每m 重量..每m 重量=0.00617 ×12 2=0.89kg 方钢kg/mW= 0.00785 ×a ×aa= 边宽mm边宽20 mm 的方钢;求每m 重量..每m 重量= 0.00785 ×202=3.14kg扁钢kg/mW= 0.00785 ×b ×db= 边宽mmd= 厚mm边宽40 mm ;厚5mm 的扁钢;求每m 重量..每m 重量= 0.00785 ×40 ×5= 1.57kg 六角钢W= 0.006798 ×s×ss= 对边距离mm对边距离50 mm 的六角钢;求每m 重量..每m 重量= 0.006798 ×502=17kg八角钢kg/mW= 0.0065 ×s ×ss= 对边距离mm对边距离80 mm 的八角钢;求每m 重量..每m 重量= 0.0065 ×802=41.62kg等边角钢kg/m= 0.00785 ×d 2b – d +0.215 R2 – 2r 2b= 边宽d= 边厚R= 内弧半径r= 端弧半径求20 mm ×4mm 等边角钢的每m 重量..从冶金产品目录中查出4mm ×20 mm 等边角钢的R 为3.5 ;r 为1.2 ;则每m 重量= 0.00785 ×4 ×2 ×20 –4 +0.215 ×3.52 – 2 ×1.2 2 =1.15kg不等边角钢kg/mW= 0.00785 ×d B+b – d +0.215 R2 – 2 r 2B= 长边宽b= 短边宽d= 边厚R= 内弧半径r= 端弧半径求30 mm ×20mm ×4mm 不等边角钢的每m 重量..从冶金产品目录中查出30 ×20 ×4 不等边角钢的R 为3.5 ;r 为1.2 ;则每m 重量= 0.00785 ×4 ×30+20 –4 +0.215 ×3.52 – 2 ×1.2 2 =1.46kg槽钢kg/mW=0.00785 ×hd+2t b– d +0.349 R2 – r 2h= 高b= 腿长d= 腰厚t= 平均腿厚R= 内弧半径r= 端弧半径求80 mm ×43mm ×5mm 的槽钢的每m 重量..从冶金产品目录中查出该槽钢t 为8 ;R 为8 ;r 为4 ;则每m 重量=0.00785 ×80 ×5+2 ×8 ×43 – 5 +0.349 ×82–4 2 =8.04kg工字钢kg/mW= 0.00785 ×hd+2t b – d +0.615 R2 – r 2b= 腿长d= 腰厚t= 平均腿厚R= 内弧半径r= 端弧半径求250 mm ×118mm ×10mm 的工字钢每m 重量..从金属材料手册中查出该工字钢t 为13 ;R 为10 ;r 为5 ;则每m 重量= 0.00785 ×250 ×10+2 ×13 ×118 –10 +0.615 ×102 –5 2 =42.03kg钢板kg/m2W= 7.85 ×dd= 厚厚度 4mm 的钢板;求每m2 重量..每m2 重量=7.85 ×4=31.4kg钢管包括无缝钢管及焊接钢管kg/mW= 0.02466 ×S D – SD= 外径S= 壁厚外径为60 mm 壁厚4mm 的无缝钢管;求每m 重量..每m 重量= 0.02466 ×4 ×60 –4 =5.52kg您所在的位置:中国钢结构在线>> 技术>> 技术资料>> 正文型材工字钢、槽钢和等边角钢理论重量浏览次数:2526发布日期:2005-7-22热轧8#轻型工字钢尺寸及重量据YBT65-87Wkg/m=0.00785*腰厚*高+f*腿宽-腰厚热轧普通工字钢尺寸及理论重量计算公式:Wkg/m=0.00785*腰厚*高+f*腿宽-腰厚热轧轻型槽钢尺寸及理论重量计算公式wkg/m=0.00785*腰厚*高+e*腿宽-腰厚热轧普通槽钢尺寸及理论重量热轧等边角钢尺寸及理论重量计算公式:Wkg/m=0.00785*边厚*2边宽-边厚。
槽钢理论重量表大全热轧普通槽钢规格理论重量表大全/每米h-高度;b-腿宽;d-腰厚;t-平均腿厚;r-内圆弧半径;r1-腿端圆弧半径型号尺寸截面面积理论重量h b d t r r1(mm) (cm2) (kg/m)5 50 37 4.5 7.0 7.0 3.50 6.93 5.446.3 63 40 4.87.5 7.5 3.758.444 6.63 8 80 43 5.0 8.0 8.0 4.0 10.24 8.04 10 100 48 5.3 8.5 8.5 4.25 12.74 10.00 12.6 126 53 5.59.0 9.0 4.5 15.69 12.37 14a 140 58 6.0 9.5 9.5 4.75 18.51 14.53 14b 140 60 8.0 9.5 9.5 4.75 21.31 16.73 16a 160 63 6.5 10.0 10.0 5.0 21.95 17.23 16 160 65 8.5 10.0 10.0 5.0 25.15 19.74 18a 180 68 7.0 10.5 10.5 5.25 25.69 20.17 18 180 70 9.0 10.5 10.5 5.25 29.29 22.99 20a 200 73 7.0 11.0 11.0 5.5 28.83 22.63 20 200 75 9.0 11.0 11.0 5.5 32.83 25.77 22a 220 77 7.0 11.5 11.5 5.75 31.84 24.99 22 220 79 9.0 11.5 11.5 5.75 36.24 28.45 25a 250 78 7.0 12.0 12.0 6.0 34.91 27.47 25b 250 80 9.0 12.0 12.0 6.0 39.91 31.39长度:5-8号长5-12m;10-18号长5-19m;20-40号长6-19m 制造钢号:A3,A3F,B3F等焊管理论重量表与焊管理论重量计算公式角钢理论重量表热轧等边角钢尺寸及重量计算公式:W(kg/m)=0.00785*边厚*(2边宽-边厚)不等边角钢理论重量计算钢材理论重量计算的计量单位为公斤(kg )。
槽钢理论重量表大全热轧普通槽钢规格理论重量表大全/每米h-高度;b-腿宽;d-腰厚;t-平均腿厚;r-内圆弧半径;r1-腿端圆弧半径尺寸截面面积理论重量型号hbdtrr1(mm)(cm2)(kg/m)550374.57.07.03.506.935.446.363404.87.57.53.758.4446.63880435.08.08.04.010.248.0410100485.38.58.54.2512.7410.0012.6126535.59.09.04.515.6912.3714a140586.09.59.54.7518.5114.5314b140608.09.59.54.7521.3116.7316a160636.510.010.05.021.9517.2316160658.510.010.05.025.1519.7418a180687.010.510.55.2525.6920.1718180709.010.510.55.2529.2922.9920a200737.011.011.05.528.8322.6320200759.011.011.05.532.8325.7722a220777.011.511.55.7531.8424.9922220799.011.511.55.7536.2428.4525a250787.012.012.06.034.9127.4725b250809.012.012.06.039.9131.3925c2508211.012.012.06.044.9135.3228a280827.512.512.56.240.0231.4228b280849.512.512.56.245.6235.8128c2808611.512.512.56.251.2240.2132a320888.014.014.07.048.738.2232b3209010.014.014.07.055.143.2532c3209212.014.014.07.061.548.2836a360969.016.016.08.06.8947.8036b3609811.016.016.08.068.0953.4536c36010013.016.016.08.075.2959.1040a40010010.518.018.09.075.0558.9140b40010212.518.018.09.083.0565.1940c40010414.518.018.09.091.0571.47长度:5-8号长5-12m;10-18号长5-19m;20-40号长6-19m制造钢号:A3,A3F,B3F等焊管尺寸规格表双击自动滚屏焊管尺寸规格表外壁厚/mm径O.50.60.81.01.21.41.51.61.82.O2.22.52.83.03.23.5 /钢管的理论质量/(kg/m) mm5O.0550.065O.083O.09980.092O.109O.142O.173O.201100.117O.1390.1810.2220.260120.142O.169O.221O.271O.320O.366O.3880.41013O.1830.2410.296O.3430.400O.4250.450140.198O.260O.321O.379O.435O.462O.48915O.1230.280O.3450.408O.470O.499O.52916O.228O.300O.3700.4380.504O.536O.568170.243O.320O.395O.4680.359O.573O.608180.2570.339O.419O.497O.5730.6100.64719O.272O.3590,4440.5270.608O.647O.687200.2870.379O.469O.556O.642O.684O.7260.8080.888210.3990.4930.5860.677O.721O.7650.8520.93722O.418O.518O.616O.7UO.758O.805O.8970.9861.07425O.477O.592O.7040.815O.869O.9231.0301.1341.2371.38728O.537O.666O.7930.918O.9801.04121.1631.2821.4001.5721.740300.576O.7150.8520.9871.0541.1211.2521.3811.5081.6951.8781.99732O.7640.9111.0651.1281.1991.3411.4801.6171.18192.0162.14534O.814O.9711.1251.2021.2781.4291.5781.7251.9422.1542.29337O.8881.0591.2291.3131.3971.5621.7261.8882.1272.3612.515壁厚/mm外径O.50.6O.81.O1.21.41.51.61.82.O2.22,52.83.03.23.5/mm钢管的理论质量/(kg/m)380.9121.0891.2641.3501.4361.6071.7761.9422.1892.4302.5892.7462.97840O.9621.1481.3331.4241.5151.6961.8742.0512.3122.5692.7372.9043.150451.091.301.5l1.611.711.922.122.322.622.913.113.303.58461.331.541.651.751.962.172.382.682.983.183.383.668481.381.6l1.721.832.052.272.482.813.123.333.543.84501.441.681.791.912.142.372,592.933.263.483.694.Ol5l1.471.711.831.952.182.422.652.993.333.553.774.10531.531.781.902.032.272.522.763.113.473.703.934.27541.561.821.942.072.322.562.813.173.543.774.014.36601.742.022.162.302.582.863.143.543.954.224.484.8863.51.842.142.292.442.743.033.333.764.194.484.765.18652.352.502.813.113.413.854.294.594.885.31702.372.703.033.353.684.164.644.965.275.74762.762.943.293.654.004.535.055.405.746.26802.903.093.473.854.224.785.335.706.066.60833.OI3.2l3.603.994.384.965.545.926.306.86893.243.453.874.294.715.335.956.366.777.38953.463.694.144.595.035.706.376.8l17.247.90焊管理论重量表与焊管理论重量计算公式焊管(6米定尺)镀锌管(6米定尺)规格最小壁厚外径(mm)壁厚(mm)(mm)kg/mkg/mkg/mkg/m公称内径英寸DN151/221.32.82.451.287.681.3578.14DN203/426.92.82.451.669.961.7610.56DN25133.73.22.82.4114.462.55415.32DN321.2542.43.53.063.3620.163.5621.36 DN401.548.33.53.063.8723.224.124.6 DN50260.33.83.3255.2931.745.60733.64 DN652.576.143.57.1142.667.53645.21 DN80388.948.3850.288.8853.28DN1004114.3410.8865.2811.5369.18DN12551404.515.0490.2415.94298.65DN1506168.34.518.18109.0819.27115.62 DN2008219.1(焊管)6.031.53189.18DN2008219.1(热镀锌)6.536.12216.7 角钢理论重量表型号尺寸(mm)长度(m)边宽边厚理论重量(kg/m)30.8892203-941.14531.1242.5253-941.4593031.37333-93041.7863.63643-92.16352.65431.85244043-92.42252.97632.08842.7364.5454-1253.36963.98532.33243.0595504-1253.77064.46532.62443.4465.6564-1254.25186.56843.90754.8226.36364-125.72187.469109.15144.37255.3977704-1266.40688.37355.81866.905 7.57574-127.97689.0301011.08956.21167.376 88074-128.52589.6581011.87468.35079.656 99084-1910.9461013.4761215.94069.366710.830812.276 101001015.1201217.8981420.6111623.257711.928 111104-191016.6901219.7821422.8091019.13312.5125124-1922.6961426.1931021.4881225.522141404-191429.4901633.3931024.7291229.391161606-191433.9871638.5181233.1591438.383181806-191643.5421848.6341442.8941648.68020200186-1954.4012060.0562471.168热轧等边角钢尺寸及重量计算公式:W(kg/m)=0.00785*边厚*(2边宽-边厚)不等边角钢理论重量计算钢材理论重量计算的计量单位为公斤(kg)。
其基本公式为:W(重量,kg)=F(断面积mm2)×L(长度,m)×ρ(密度,g/cm3)×1/1000钢的密度为:7.85g/cm3,各种钢材理论重量计算公式如下:名称(单位)计算公式符号意义计算举例不等边角钢(kg/m)W=0.00785×[d(B+b?Cd)+0.215(R2?C2r2)]B=长边宽b=短边宽d=边厚R=内弧半径r=端弧半径求30mm×20mm×4mm不等边角钢的每m重量。