奶牛标准化养殖标准- 表三:奶牛标准化示范场验收评分标准
- 格式:doc
- 大小:151.50 KB
- 文档页数:4
2007年度新建奶牛养殖场区建设验收标准[ 2007-03-26 09:49:58 ]--------------------------------------------------------------------------------一、饲养规模奶牛存栏200头以上。
二、申报程序项目乡镇向市畜牧局呈报项目建设申报表、建设计划、规划图纸,经审核同意后方可开工建设。
三、规划布局(一)奶牛场区要科学规划,符合城市规划和村镇规划要求,合理布局。
(二)奶牛场区地址建在地势高燥、通风良好、排水便利、隔离条件好、易于组织防疫的地方。
周围1000米内无采矿场、皮革厂、屠宰加工厂等污染源,距干线公路、居民区、公共场所和养殖场等500米以上。
(三)奶牛场区实现“三通”,即:水通、电通、路通(入场区道路及场区内道路须硬化)。
(四)奶牛场区建设分管理区、生产区、挤奶厅、引种隔离区、无害化处理区五大部分。
管理区、挤奶厅和生产区应处在上风向,引种隔离区、无害化处理区应处于下风向。
1、管理区包括:值班室、消毒池、消毒间、场区办公室。
场区大门口要设置消毒池,消毒池长度不小于大型机动车车轮周长的一周半,宽度与大门宽度相等,同时建设消毒间,间内安装喷雾消毒设施。
其中养殖小区的办公室大小应能容纳场区人员进行技术培训,悬挂协会章程和各项管理制度等。
2、挤奶厅:挤奶厅应建在生产区与管理区之间,便于卫生清理和奶牛进出。
建设规模要与奶牛存栏规模相适应,并配备符合挤奶卫生要求的自动挤奶设备及相应的冷藏罐等设备。
3、生产区包括:消毒设施、畜禽舍、饲料间、饲养员住室和奶牛综合技术服务站。
每单元入口处设消毒池、紫外线消毒间、更衣室等。
奶牛场区应建设综合技术服务站,具体要求:一是基础设施方面,面积不少于20m2,地面硬化,墙壁水泥抹平,外涂白色涂料,有基本的水电设施,有操作台,面积不少于1.5 m2,台面有垫层利于清洗消毒,有自来水冲洗设施。
兽医考核标准一、基本考核工资月薪xxx元,按百分考核计发,达到90分的核发100%,90分以下每减一分扣100元。
二、目标及考核1.检疫密度100%,考核分10分。
每降一个百分点扣0.5分。
2.免疫抗体合格在80以上,考核分10分。
每降一个百分点扣0.5分。
3.发病率总的控制在5%以内,考核分10分。
每高一个百分点扣1分。
4.死亡率控制在2%以内,考核分10分。
每高一个百分点扣0.5分。
5.淘汰率控制在15%以内,考核分10分。
每高一个百分点扣0.2分。
6.乳房监测每月2次,做好不孕症、乳房炎等产科疾病的防控,发病率控制在3%以内,考核分10分。
每高一个百分点扣1分。
7.蹄部修理2次,考核分5分。
每少一次扣1分。
8.犊牛去角及时,考核分5分。
每少一次扣1分。
9.消毒工作及时,考核分10分。
每少一次扣1分。
10.日常各项工作档案记录齐全,上报及时,考核分5分。
每少报错报一次扣1分。
11.由个人人为造成医疗事故给牛场造成损失,考核分10分。
报价赔偿50%并扣5分。
12.和技术部的其他技术人员保持顺畅工作衔接,考核分5分。
造成工作脱节扣1分。
育种员绩效考核一、育种员工资实行基薪加绩效的办法。
基薪为每月6000元。
育种员百分考核与绩效工资直接挂钩,考核达到90分含90分的为合格,每降低一分扣工资100元。
绩效工作考核育种员情期受胎率、发情率、漏情率、上班考勤、场长安排的其他工作情况。
二、育种员工作目标及考核1.总受胎率为92%以上、产犊率为90%以上,平均情期受胎率为55%以上,获考核分30分,每项10分。
每降一个百分点扣1分。
2.平均奶牛配种头耗粒2.5支,获考核分10分。
每超一粒扣1分。
3.空怀天数不超过130天,获考核分10分。
4.负责发情鉴定人工授精,获考核分10分,每漏掉一头应参配牛一个情期扣1.5分。
5.做好不孕症等产科疾病的防控,产科病(难孕)控制在10%以内,获考核分20分,每增加一个百分点扣1分。
附件2:农业部畜禽养殖标准化示范创建活动工作方案为贯彻落实2010年中央1号文件关于推进菜篮子产品标准化生产的精神,促进畜牧业生产方式转变,深入推进畜禽标准化规模养殖,我部决定启动畜禽养殖标准化示范创建活动。
为确保创建工作规范有序开展,制定本方案。
一、指导思想深入贯彻科学发展观,以转变发展方式、提高综合生产能力、发展现代畜牧业为核心,按照高产、优质、高效、生态、安全的发展要求,通过政策扶持、宣传培训、技术引导、示范带动,推进畜禽标准化规模养殖场建设,实现畜禽标准化规模生产和产业化经营,提升畜产品质量安全水平,增强产业竞争力,保障畜产品有效供给,促进畜牧业协调可持续发展。
二、目标任务在全国生猪、奶牛、蛋鸡、肉鸡、肉牛和肉羊优势区域(含农场)开展畜禽养殖标准化示范创建,通过创建活动的示范带动,力争到2015年,全国主要畜禽规模养殖比重在现有基础上提高10-15个百分点,其中达到标准化的规模养殖场占规模养殖场总量的50%,畜禽标准化规模养殖场生产水平进一步提高,排泄物基本实现达标排放或资源化利用,畜产品质量安全水平明显提升。
2010年创建500个生猪标准化示范场、400个奶牛标准化示范场(小区)、300个蛋鸡标准化示范场、200个肉鸡标准化示范场、50个肉牛标准化示范场(小区)和50个肉羊标准化示范场(小区)。
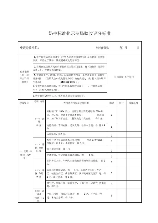
三、创建内容(一)基本要求参与创建的规模养殖场生产经营活动必须遵守畜牧法、动物防疫法等相关法律法规,具备养殖场备案登记手续和动物防疫条件合格证,养殖档案完整,两年内无重大动物疫病发生,且无非法添加物使用记录;种畜禽场须具备《种畜禽生产经营许可证》。
1、生猪:能繁母猪存栏300头以上,育肥猪年出栏5000头以上(含5000头,下同)。
2、奶牛:存栏奶牛200头以上。
配套挤奶站有《生鲜乳收购许可证》,运送生鲜乳车辆有《生鲜乳准运证明》。
3、蛋鸡:产蛋鸡养殖规模(笼位)在1万只以上。
4、肉鸡:年出栏量不低于10万只,单栋饲养量不低于5000只。
畜禽养殖标准化示范场现场考核评分标准畜禽养殖标准化示范场现场考核评分标准一、场地和环境(20分)1. 场地布局合理、空间利用充分,清洁、整洁有序(5分)2. 建筑物结构稳固,材料符合国家相关标准,无渗漏、裂缝等安全隐患(5分)3. 饮水设施、通风设备、照明设备完善,符合要求(5分)4. 消防设备齐全,消防通道畅通(5分)二、生产管理(40分)1. 动物群舍合理布局,栏舍划分明确,设施完善(5分)2. 养殖场因地制宜,合理使用土地资源,充分利用农业有机废弃物(5分)3. 饲料采购规范,饲料质量检验指标合格,供应充足(5分)4. 注意动物安全,减少疾病和死亡率,定期进行防疫、检疫工作(10分)5. 规范养殖操作,遵守养殖技术规范,定期进行动物体检和清洗消毒(10分)6. 应用先进的信息技术管理养殖过程,提升生产效益(5分)三、环境保护(20分)1. 合理管理废弃物处理,严守环保法规,避免污染环境(10分)2. 积极开展节能减排措施,提高资源利用效率(5分)3. 定期进行环境监测,保障周围生态环境的安全(5分)四、质量安全(20分)1. 动物产品符合国家质量安全标准,无残留药物和禁止物质超标(10分)2. 养殖过程中无违禁药物使用记录,准确做好药物使用登记(5分)3. 建立健全产品追溯制度,提供完整且准确的产品信息(5分)五、技术储备和创新(30分)1. 注意新养殖技术的引进和推广,如饲料配方改进、疫病防控技术等(10分)2. 积极开展养殖技术研究,提高养殖效益和科技创新能力(10分)3. 建立志愿者、农民培训机制,提升示范场技术储备和培养人才(10分)六、安全生产(20分)1. 建立完善的安全生产管理制度,保障员工生命安全和财产安全(10分)2. 人员配备合理,岗位职责明确,员工培训到位(10分)总分:150分以上是畜禽养殖标准化示范场现场考核评分标准的一个例子,根据具体情况和实际需求可能会有所改变。
奶牛标准化规模养殖场建设标准一、选址符合当地土地利用总体规划,交通便利,坚持规模经营、节约和集约用地的原则,办理合法用地手续。
具体参照《黑龙江省动物防疫条件审查场所选址距离确认评估办法(试行)》执行。
二、布局奶牛养殖场总用地面积科学合理,能够满足生产需求。
主要包括生活管理区、辅助生产区、生产区、粪污处理区和病死畜隔离区等功能区,各区之间界限隔离分明,符合防疫和防火要求。
(一)生活管理区。
包括与经营管理有关的建筑物,应在牛场(小区)上风处和地势较高地段,并与生产区严格分开,并设有隔离设施。
(二)辅助生产区。
主要包括供水、供电、供热、维修、青贮窖、草料库等设施紧靠生产区布置。
干草库、饲料库、饲料加工调制车间、青贮窖设在生产区边沿下风地势较高处,并临近生产区。
(三)生产区。
主要包括牛舍、挤奶厅、人工授精及化验室等生产性建筑。
设在场区下风位置,入口处设人员消毒室、更衣室和车辆消毒池,各牛舍出入口设置消毒池或者消毒垫等设施设备。
生产区内清洁道、污染道分设,不得交叉混用或者回流。
(四)粪污处理、病死畜隔离区。
主要包括兽医室、隔离舍、病死牛处理及粪污贮存与处理设施。
设在生产区外围下风地势低处,与生产区保持一定间距。
粪污处理、病畜隔离区设有单独通道,便于病牛隔离、消毒和污物处理。
(五)场区四周应建有围墙。
三'牛舍(一)牛舍。
泌乳牛舍应为散栏式封闭牛舍,原则上应安装高清视频监控系统、风机、风扇、雨帘配套温度、湿度、气体和光照等智能环境调节控制系统,实现温度湿度通风光照智能控制。
后备牛舍应为封闭牛舍,四壁、屋顶、门窗齐全。
泌乳牛舍和后备牛舍饲喂通道宽度能够保证大型自走式TMR车通行,饮水槽数量满足奶牛饮水需求。
(二)基础。
有足够强度和稳定性,坚固,配置良好的清粪排污系统。
(三)墙壁。
要求坚固结实、抗震、防水、防火,具有良好的保温和隔热性能,便于清洗和消毒。
(四)屋顶。
能防雨水、风沙侵入,隔绝太阳辐射。
要求质轻、坚固耐用、防水、防火、隔热保温;能抵抗雨雪、强风等外力因素的影响。
畜禽标准化示范场验收评分标准生猪标准化示范场验收评分标准
说明:各项考核内容进行量化打分时视质量差异酌情扣分,得分保留小数点后一位,单项内容最低分为0分;除有特殊说明外,各项考核指标以养殖场上年统计数据为准。
验收专家签字:
奶牛标准化示范场验收评分标准
验收专家签字:
蛋鸡标准化示范场验收评分标准
验收专家签字:
肉鸡标准化示范场验收评分标准
注:1、分阶为0.5分。
2、饲养密度:所述指标为常规值,供参考。
如设备性能优越,管理水平高,饲养密度可以适当提高,反则应适度降低。
饲养周期较长的鸡,亦应适度降低饲养密度。
白鸡:25-30kg/m2;快大黄鸡:20-25kg/m2;是指每平方米有效饲养面积所承载的最终出栏体重。
3、饲料转化率(料肉比)指标中的出栏天数是指所饲养品种规定的正常出栏天数。
4、生产性能水平的考核应以最近(1年内)连续3批出栏鸡的平均数为准,如果生产记录不全或饲养批数不足,此项不得分。
验收专家签字:
肉羊标准化示范场验收评分标准
验收专家签字:。
体况评分的方法及应用
评分标准:
体况 1.0分
这些奶牛太瘦,没有可利用的体脂储存来满足其需要.
※脊椎骨明显,根根可见。
※短肋骨根根可见。
※髋骨部下凹特别深。
※荐骨及坐骨和联接二者韧带显而易见。
※尾根下凹。
体况 2.0分
有可能从这些奶牛身上获得充分的产奶量,但是她缺少体脂贮存。
※脊椎骨突出,但并非根根可见.
※短肋骨清晰易数.
※髋骨下凹很深.
※荐骨、坐骨及联接二者的韧带明显突出。
※尾根两侧皆空。
体况 2.5分
这是理想的体况,这些奶牛在大多数产奶阶段都是健康的.
※脊椎丰满,看不到单根骨头.
※椎骨可见.
※短肋骨上覆盖有1.5-2.5公分体组织.
※肋骨边缘丰满.
※荐骨及坐骨可见但结实.
※联接荐骨及坐骨的韧带结实并清晰可见.
※髋部看上去较深.
※尾根两侧下凹,但尾根上已开始覆盖脂肪.
体况 3.5分
这是奶牛理想体况评分的上限,体况评分再高一点就该列入肥牛行列。
3.5分是后备牛产犊时及干奶时理想体况。
※在荐骨及短肋骨上可感觉到脂肪的存在。
※联接荐骨及坐骨的韧带上脂肪明显。
※荐骨及坐骨丰满。
※尾根两侧丰满。
※联接荐骨及坐骨的韧带结实。
体况 4.5分
这些奶牛身上脂肪太多。
※背部“结实多肉”咴。
※看不到单根短肋骨,只有通过用力下压时才能感觉到短肋骨。
※荐骨及坐骨非常丰满,脂肪堆积明显。
※尾根两侧显著丰满,皮肤无皱褶。
奶牛饲养标准
奶牛饲养标准表
一、饲料种类及比例
1.粗饲料:包括干草、秸秆等,占总饲料量的50-60%;
2.精饲料:包括玉米、大麦、豆粕等,占总饲料量的40-50%。
二、饲养时间与频率
1.每天饲喂2-3次,确保奶牛吃饱喝足;
2.根据季节和产奶量调整饲养时间和频率。
三、饮水质量与数量
1.确保水源清洁,定期检测水质;
2.每头奶牛每天饮水量不少于30-40升。
四、饲养环境与设施
1.保持牛舍通风良好,温度适宜;
2.提供足够的采光和运动场地;
3.定期清理牛舍,保持卫生。
五、防疫与保健
1.定期进行疫苗接种,预防传染病;
2.定期驱虫,确保奶牛健康;
3.定期检查奶牛的健康状况,及时治疗。
六、奶牛品种与健康状况
1.选择品质优良的奶牛品种;
2.关注奶牛的健康状况,如出现异常及时处理。
七、挤奶技术与牛奶质量
1.遵循正确的挤奶程序,确保牛奶质量;
2.定期检测牛奶质量,确保符合标准。
八、记录与监测
1.做好饲养记录,如饲料、饮水、产奶量等;
2.定期监测各项指标,如奶牛体重、产奶量等;
3.对饲养过程进行评估,不断改进饲养方法。
奶牛体况评分标准
1、外形:体长、胴体结构、肢体和腿的长度、面部特征、肤色、皮
脂油腺数量等;
2、健康状况:表面洁净、无毛发掉落、无眼皮或角膜损伤、皮肤结
构紧实、毛发色泽均匀、体重正常;
3、产乳能力:乳腺健康、乳汁量充足、乳腺发育均衡、乳清理率高;
4、生长发育:体型体格健康、面部表情和状况正常、体表表皮结构
健康;
5、行为特征:性格活跃、兴奋度高、反应敏捷、运动能力强、屈服
度高;
6、繁殖表现:产犊期短、产后恢复快、公犊多胎率高、犊牛突育率低、受胎率高、胎活力强;
7、抗病能力:有能力抵抗常见疾病、抗病毒感染能力强,有良好的
抗热性,出现热毒病少;
8、免疫能力:有良好的自身免疫力,可以有效抵抗外源性病原体;
9、群体表现:适应环境能力强、能有效响应周围环境、能够和不同
类型的牛互相混群、对外环境能有效应对;
10、育种表现:有良好的遗传素质和遗传稳定性,能有效改良且传代
性强,具有良好的繁育性状。