丹佛斯变频器远程操作面板
- 格式:pdf
- 大小:233.66 KB
- 文档页数:6
丹佛斯中控远程控制和现场端子控制方案解决济南创恒科技发展有限公司满建江工业现场使用变频器时,往往要求变频器实现远程和现场控制。
远程控制时,由中控DCS 给定启停信号和速度信号,同时变频器反馈运行状态和速度值。
现场控制时,可通过现场按钮和电位器进行启停,速度给定操作。
这样就要求变频器在不同的操作状态时,接受不同的信号。
通常DCS给定4-20mA电流信号作为中控给定,现场电位器可变换0-10V电压信号作为现场给定。
丹佛斯各系列变频器,可通过多重菜单快捷的实现远程/现场控制功能,下面简单介绍丹佛斯FC300系列是如何通过菜单转换实现远程/现场转换的。
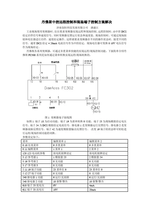
图1 变频器端子接线图如图1 端子18为启动功能,端子19为菜单转换0功能,端子53为现场模拟给定电压信号,端子54为DCS模拟给定电流信号,继电器1是变频器运行反馈信号,继电器2是变频器故障反馈信号,端子42为速度模拟量输出反馈信号。
改变19端子的状态即可轻松进行远程/现场控制功能的切换。
参数设定如下:菜单编辑菜单1 编辑菜单20-10有效菜单9多重菜单9多重菜单0-11编辑菜单1菜单1 2菜单2120-125电动机参数按电机铭牌设定按电机铭牌设定3-15参考源1 1模拟量53 2模拟量543-16参考源2 0无功能0无功能3-17参考源3 0无功能0无功能5-11 19端子功能23菜单位0 23菜单位05-12 27端子功能0无功能0 无功能540继电器1功能6运行/无故障6运行/无故障540继电器2功能10报警/警告10报警/警告610端子53低电压0V 4mA611端子53高电压10V 20mA6-14 53参考/反馈值低0 06-15 53参考/反馈值高1500 1500650端子42功能137速度4-20mA 137速度4-20mA最后设定完毕后将0-11改为有效菜单。
参数设定完毕后,在现场12,19端子未闭合是由模拟量53给定,闭合时为模拟量54给定,启动都是18端子控制。
丹佛斯VLT2800变频器操作说明丹佛斯VLT2800变频器操作说明1、引言本文档提供了丹佛斯VLT2800变频器的详细操作说明。
变频器是一种能够控制电机转速的设备,广泛应用于工业控制系统中。
本文档将介绍变频器的特性、安装步骤、参数设置、故障排除等内容。
2、变频器概述2.1 变频器的作用变频器是一种能够通过调整输入电源频率来控制电机转速的设备。
它可以帮助用户实现电机的精准调速,提高生产效率。
2.2 VLT2800变频器的特性丹佛斯VLT2800变频器是一款高性能的变频控制器,具有以下特点:- 宽电压输入范围,适应于不同的电源标准;- 多种通讯接口,方便与工控系统集成;- 支持多种电机控制方式,包括向量控制和矢量控制;- 内置多种保护功能,能够保证电机和设备的安全运行。
3、安装步骤3.1 变频器安装前的准备工作在安装变频器之前,需要进行以下准备工作:- 确保电源系统能够满足变频器的额定电压和电功率要求;- 根据操作手册的要求,选择适当的安装位置;- 确保安装环境符合变频器的工作要求,包括温度、湿度、通风等。
3.2 变频器的安装步骤根据操作手册的指引,按照以下步骤安装变频器:1、安装变频器的壳体,确保安装牢固;2、连接变频器的电源线和电机线,注意接线的正确性;3、进行接地连接,确保设备的安全运行;4、安装外部配件,如风扇、滤波器等。
4、参数设置4.1 基本参数设置根据实际需求,可以通过变频器的参数设置功能来调整一些基本参数,包括输入电压范围、输出频率范围、过载保护等。
4.2 高级参数设置除了基本参数外,还可以通过高级参数设置来优化变频器的性能。
例如,调整矢量控制的参数,使得电机的转速控制更加精准。
5、故障排除在使用过程中,可能会遇到一些故障情况,如电流过高、过载、短路等。
本章将介绍一些常见故障的排查方法,并提供解决方案。
附件:- VLT2800变频器操作手册(附件1)- VLT2800变频器安装图纸(附件2)法律名词及注释:- 变频器:Variable Frequency Drive,是一种能够通过调整输入电源频率来控制电机转速的设备。
Pure competence in air.927665-0FREQUENCY CONVERTERS DANFOSS FC 101 AND FC 102NOVENCO CONTROL USER GUIDE927665-0GBFrequency converters Danfoss FC 101 and FC 102Novenco control user guideContents1.General2.Wire configuration3.First time run after installation4.Configuration of FC101 converter5.Configuration of FC102 converter6.Modbus configuration7.Reference documentation8.Patents and trademarks9.Declaration of conformity1.GeneralThe procedures in this guide serve as examples of how to control the Danfoss FC 101 and FC 102 frequency con-verters in combination with Novenco fans.Please read all relevant parts of this complete guide.Procedures and methods in this guide should be fol-lowed for the warranty to remain valid.2.Wire configurationCheck wires are correctly connected•Check that a wire connects the terminals no. 12 and 27 in the frequency converter.•Connect a control wire to terminal no. 18 in the fre-quency converter. The terminal must pull high (24V) to activate the converter.•Check the signal wire is connected to terminal no. 53. For voltage control the signal levels are 0 - 10V and for current control the levels are 4 - 20mA.•Check that ground is connected to terminals no. 20 and 55.Table 1.Icons in guideFigure 2Terminal block set up for current control3.First time run after installationHow to check the installation is correct1.Check the installation is powered off on the mainswitch.2.Check the fan and frequency converter are in-stalled correctly. Refer to the installation and maintenance guides for the fan and frequency converter.3.Power on the installation at the main switch. Thefrequency converter starts in idle mode.4.Push Hand On on the local control panel (LCP)on the frequency converter. This activates the fan rotor.5.Check the direction of rotation is consistent withthe arrows on the fan casing.6.Turn off the installation at the main switch.7.Connect the start signal wire to terminal no. 18.8.Voltage or current mode:Connect the reference wire to terminal no. 53.Modbus mode:Connect the reference wires to terminals no. 68 and 69.4.Configuration of FC101 converterThe converter is set up for voltage mode as standard. The minimum speed is indicated with 0V and the max-imum speed with 10V.Figure 3Wire diagram for the FC101+10 V DC4.1Change from voltage to current con-trolHow to change the FC101 to current control1.Push the Menu button on the LCP on the fre-quency converter.2.Push the ↓ and ↑ buttons to navigate to the Wiz-ard. Push OK to select.3.Push ↓ to navigate to the following menu item.6-19 Terminal 53 mode[1] Voltage mode4.Push OK to access and use the ↓ and ↑ to selectcurrent mode.5.Push OK to accept.The frequency converter now operates in current mode for control signals. The minimum speed is indicated with 4mA and the maximum speed with 20mA.5.Configuration of FC102 converter The converter is set up for voltage mode as standard.The minimum speed is indicated with 0V and the max-imum speed with 10V.Figure 4Wire diagram for the FC1025.1Change from voltage to current con-trolHow to change the FC102 to current control1.Remove the screw that holds the lid on the fre-quency converter.2.Pull out the LCP with a straight pull.3.Locate the text A53 U - I.4.Push the button from position U to I with ascrewdriver.5.Put the LCP back.6.Attach the lid and insert the screw.The frequency converter now operates in current mode for control signals. The minimum speed is indicated with 4mA and the maximum speed with 20mA. 6.Modbus configurationAll parameters are accessible through Modbus RTU (Re-mote Terminal Unit) either directly or via PCD (Process Data).To setup the Modbus RTU1.Push the Menu button two times.2.Push ↓ to navigate to8-** Comm. and Options.3.Push OK.4.Push ↓ to navigate to 8-3 FC port settings.5.Push OK.6.Push OK again.7.Push ↓ to navigate to [2] Modbus RTU.8.Push OK to confirm.9.Push ↓ to navigate down and check the followingsettings.•Address•Baud Rate•Parity / Stop bit•Minimum Response Delay•Maximum Inter-char..10.Push OK to select, the ↓ and ↑ buttons to changeand push OK to confirm settings.Write and start-stop notes•PCD: It is possible to configure up to 64 parame-ters in PCDs.Write PCDs in par. 8-42.xx, and read PCDs in par.8-43.xx. These PCDs are accessible via holdingregisters 28xx and 29xx.•Write control word: Par. 8-42.0 and par. 8-42.1 areset to the control word and as reference, respec-tively. Set par. 8-42[2-63] to the par. no. to write to.•Start-stop: Write the control word to register 2810to start or stop the converter.Read notes•The reference register is 2811 with 0 - 4000hex(0-100%).•Read status word: Par. 8-43.0 and par. 8-43.1 areset to status word and main actual value, respec-tively. Set par. 8-43[2-63] to the par. no. to readfrom.Figure 5Location of terminal 53Bit Bit value = 0Bit value = 100Reference value External selection LSB01Reference value External selection MSB02DC brake Ramp03Coasting No coasting04Quick stop Ramp05Hold output frequency Use ramp06Ramp stop Start07No function Rest08No function Jog09Ramp 1Ramp 210Data invalid Data valid11Relay 01 open Relay 01 active12Relay 02 open Relay 02 active13Parameter set-up Selection LSB14< Not used >< Not used >15No function ReverseTable 2.Control word bit positions•Read status word: Read the status word from reg-ister 2910.Other notes•Set the speed, i.e. the main actual value, with reg-ister 2911.•Read the configuration of par. 8-43.3.. with regis-ter 2912.•To configure a PCD to read a 32bit parameter re-quires configuration of two consecutive PCDs to the same parameter. For example, the parameter 16-10 Power [kW] is a 32bit integer, which may be configured in par. 8-43.2 and 8-43-3, or par. 8-43.4 and 8-43.5 and so on.The sizes of the different parameters are available in the programming guide.•To address parameters directly use the register no. = parameter no. x 10. For example, the par. 16-90 is accessible via register no 16900.•Some PLCs have 0 offsets, which means the value 1 must be subtracted from the register no. For ex-ample, reg. 2810 is 2809 etc.00Control not ready Control ready 01Drive not ready Drive ready 02Coasting Enable 03No error Trip04No error Error (no trip)05Reserved -06No error Triplock 07No warningWarning08Speed reference Speed = reference 09Local operationBus control10Out of frequency limit Frequency limit ok 11No operation On operation12Drive ok Stopped, auto start 13Voltage ok Voltage exceeded 14Torque ok Torque exceeded 15Timer okTimer exceededTable 3.Status word bit positionsNovenco Building & Industry A/S Industrivej 22Tel. +45 70 77 88 994700 Naestved Denmark7.Reference documentation•Danfoss Operating guideVLT ® HVAC basic drive FC 101Publication no. MG18AA02, 04/2018•Danfoss Programming guide VLT ® HVAC basic drive FC 101Publication no. MG18B502, 04/2018•Danfoss Design guideVLT ® HVAC basic drive FC 101Publication no. MG18C802, 04/2018•Danfoss Operating guide VLT ® HVAC drive FC 102Publication no. MG16O202, 04/2018•Danfoss Programming guide VLT ® HVAC drive FC 102Publication no. MG11CE02, 03/2015•Danfoss Design guide VLT ® HVAC drive FC 102Publication no. MG11BC02, 06/20148.Patents and trademarksNovenco ®ZerAx ® is a registered trademark of Novenco Building & Industry A/S.AirBox™ and NovAx™ are trademarks of Novenco Building & Industry A/S.VLT ® is a registered trademark of Danfoss A/S.The ZerAx ® processes of manufacture, technologies and designs are patented by Novenco A/S or Novenco Building & Industry A/S.Pending patents include Brazil no. BR-11-2012-008607-3, BR-11-2012-008543-3, BR-11-2012-008545-0, BR-11-2014-002282-8 and BR-11-2014-002426-0; India no. 4140/CHENP/2012, 4077/CHENP/2012, 821/CHENP/2014 and 825/CHENP/2014; PCT no. EP2012/064908 and EP2012/064928; South Korea no. 10-2012-7012154.Granted patents include Canada no. 2.777.140,2.777.141, 2.777.144, 2.832.131 and 2.843.132; China no. ZL2010800458842, ZL2010800460965, ZL2010800464275 and ZL2012800387210; EU no. 2488759, 2488760,2488761, 2739860 and 2739861; India no. 312464; South Korea no. 10-1907239, 10-1933724, 10-1980600 and 10-2011515; US no. 8.967.983, 9.200.641, 9.273.696 B2,9.683.577 and 9.926.943 B2. Granted designs include Bra-zil no. BR-30-2012-003932-0; Canada no. 146333; China no. 1514732, 1517779, 1515003, 1555664 and 2312963; EU no. 001622945-0001 to 001622945-0009 and 001985391 - 0001; India no. 246293; South Korea no. 30-0735804; US no. D665895S, D683840S, D692119S, D704323S,D712023S, D743018S, D755363S, D756500S, D821560S and D823452S.The NovAx Basic jet fans manufacturing processes, technologies and designs are patented by Novenco A/S or Novenco Building & Industry A/S.Granted patents include EU no. 2387670 and United Arab Emirates no. 1372. Granted designs include EU no. 001069884-0003, 001069884-0008, 001069884-0010, 001069884-0013, 001069884-0017, 001069884-0019, 001069884-0022, 001069884-0026 and 001069884-0028; United Arab Emirates no. D223/2009.The CGF jet fans designs are patented by Novenco A/S or Novenco Building & Industry A/S.Granted designs include EU no. 001610643-0001 to 001610643-0005.Copyright © 2016 - 2020,Novenco Building & Industry A/S.All rights are reserved.9.Declaration of conformityRefer to the declaration information in the documenta-tion for the fans and frequency converters.Figure 6QR code to this guide onPure competence in air. ttt͘EKs E Kͳ h/> /E'͘ KD。
韻㈣解观8 W *世幽鸽敷醐敝翻的聘擱⅛ (9NlNaVM)号哥(NO)财醃骗临的馳g≡ £中¾≡桦黜躺冀•豳釧幅劉懾e≡辭屋SO蜩鮒罪“巾昭Iil翹钿。
i⅛i⅛≡≡ι £[⅛ι^≡^≡ P 坐般鼬* Iim i≡i2,½≡δ⅛⅛ P 购鶴S≡ 釧≡'s 馳轿T≡ E 翩她≡S Z豐M I≈msι^≡⅛f∣•MK UJε 卿∏Λ播弼释牖題離鵬虞■刪圈擱進说辭Oi搁韓ΠΛKfeft删胁(S 8®跚搁)Q ■鶴搁H-認虫鱷麵口A≡3≡dσι ■■讀示屏聶LCD 删俪■ T IfflWSg!W* Ii示髓≡ra瀬/融中謬。
■瀏獗删勰分衲別细分按漑於濃騎模琳鯛參決τaι≡8smw≡ *第-厅用任持飜示操作临下SEIB鉤賊說明磯二行揀示8≡)證“第二厅前了齣或谿2那任畝況下牒爾⅛sss≡≡t≡*第三行-曲空白■它用於騎馨軾下腿细號嶋輔鮒细組頼挪*瓢厅用於弔那軾下騎般文字或側翱據軾下騎鱷细的勲或麴≡ •箭頭騎髓躋方向、並且同髒示在麴004癮鹏殡疽肄釦齡:俵勒炖肄临訓和擢劇騎於石方並閃動。
IDlSPLAY/STATUS]可選離禱蹶做凝單或義輾趣骐腮,[QUICK MENU]可症入険表軍麴-也可在驱表艱表範髒珑≡f簸iIMENuI丸丽勺礪參執也巧描及快港肄2髓»•第-行口⅛Ξfj 輒行[CHANGE DATA]可更改戎單或快逸表單⅞M式下所選擇的設定* [CANCEL]取消史改選迁:的蔘數設定- [OKJ砖認選丄參數的車改SS定4[÷A]用於選擇或改翌所選蔘数• [<>]用於選擇蔘數組和在改變數字値參戟時移動光嘿-[STOpyRESETJ可用於停止馬達連作或便愛頻器跳脫後重新幺訓祗注皂幸小014 ^⅛'2..√1⅛√Λ:7/ [STOP; RESET]淤握匸勻效狀態下按下此鍵後第二行顯示將會閃爍* [JCX3]可用於將晦出頻率改矍為頊設旳頻率(寸動頻率)。
LC系列操作面板使用说明书上海津信变频器有限公司2005年9月一、LC操作面板各部分说明:主显示区:5位LED数码管,可显示频率、电流、电压、电机旋转转向、使用者定义单位、异常等信号灯显示区:分别可显示操作面板的电源,驱动器的运转状态,和报警警告状态POWER灯 -- 指示操作器有供电电源RUN灯 -- 点亮表示变频器有输出WARN灯 -- 变频器处于警告极限状态ALARM灯 -- 变频器处于报警跳闸状态F灯 -- 表示当前显示的是给定值,H灯 -- 表示当前显示的是实际输出频率值,U灯 -- 表示当前显示的是实际的工程单位值按键操作区MODE键 -- 按此键显示项目逐次变更以供选择DATA键 -- 用以读取修改驱动器的各项参数设定STOP/RESET键 --可令驱动器停止运转及故障复位START键 -- 可令驱动器运转△键 -- 数值增大,设定值及参数变更使用▽键 -- 数值减小,设定值及参数变更使用LC操作面板分LC-A01和LC-B01两种型号:LC-A01为+5V电源供电,适用于VLT2800/VLT2900系列变频器,连接到变频器的67,68,69,70端子;LC-B01为+24V电源供电,适用于VLT5000/6000/7000/8000及FC300系列变频器,连接到变频器的13,39,68,69端子。
DANFOSS MCD 系列软启动器连接到软启动器68,69端子,13号接头外接24V电源“+”端,39号接“-”端二、功能显示项目说明显示项目说明显示监控画面显示面板给定值,即显示P215预置给定值1(百分比)。
显示监控画面显示驱动器实际输出到马达的频率。
显示监控画面显示与实际输出频率相关之工程量显示监控画面显示负载电流显示监控画面显示内部直流电压显示监控画面正转命令显示监控画面反转命令参数修改画面显示参数组参数修改画面显示参数组和参数号参数修改画面显示参数内容值警告弹出画面显示过电流,同时ALARM灯亮设定参数号或参数值错误,按“MODE”键恢复面板与变频器通讯连接故障,通讯连续失败5次时置通讯故障。
丹佛斯变频器本地控制
设置
标准化管理处编码[BBX968T-XBB8968-NNJ668-MM9N]
丹佛斯变频器VLT2900本地控制参数设定步骤:
1.变频器上电,同时按动【QUICK MENU】+【+】进入菜单模式利用【+/-】键滚动显
示各参数找到
2.进入002本机/远程操作中本机操作(LOCAL)设置【1】
3.013本机控制按参数100的本机控制(闭环)
(LOC CTRL/AS P100) 设置【3】
4.参数203(参考值/反馈范围)设置为【0】或【1】
5.电机加速时间进入207取值加速时间30秒
6.电机减速时间进入208取值减速时间30秒
7.按动【QUICK MENU】利用【+/-】键滚动可快速进入003电机频率要改变数据值先
按【CHANGE DATA】利用【+/-】键改变参数值。
8.每次更改完数据后按【CHANGE DATA】来确认储存已改的参数值。
丹福斯变频器面板说明书一、引言丹福斯变频器面板是一种用于控制和调节变频器工作的设备,它是变频器的重要组成部分,承担着与用户进行交互和操作的功能。
本说明书旨在介绍丹福斯变频器面板的各项功能和使用方法,帮助用户正确使用和操作变频器。
二、外观和按键1. 外观:丹福斯变频器面板采用高质量塑料外壳,外观简洁大方,具有良好的手感和耐用性。
面板上设有液晶显示屏、按键、指示灯等元件。
2. 按键:面板上设有多个按键,用于进行各种设置和操作。
常见的按键包括启动/停止按钮、频率调节按钮、参数设置按钮等。
三、功能说明1. 启动/停止功能:通过按下启动/停止按钮,可以启动或停止变频器的工作。
在启动状态下,变频器会根据设置的频率和参数运行;在停止状态下,变频器停止输出电力。
2. 频率调节功能:通过频率调节按钮,可以对变频器输出的频率进行调节。
用户可以根据实际需求调整频率,以满足不同负载的要求。
3. 参数设置功能:通过参数设置按钮,可以进入参数设置界面,对变频器的各项参数进行调整。
用户可以根据实际情况设置频率范围、过载保护等参数,以提高变频器的工作效率和安全性。
4. 显示功能:液晶显示屏可以显示变频器的工作状态、输出频率、电流、电压等信息,帮助用户实时监测变频器的运行情况。
5. 故障报警功能:当变频器发生故障或异常情况时,面板上的指示灯会亮起,并发出声音报警,提醒用户及时处理问题。
6. 通信功能:丹福斯变频器面板支持与其他设备进行通信,如PLC、触摸屏等,实现更高级的控制和监测功能。
用户可以通过通信接口连接变频器和其他设备,实现数据传输和远程控制。
四、使用方法1. 启动变频器:按下启动按钮,变频器开始工作,液晶显示屏显示变频器的工作状态和输出频率。
2. 调节频率:通过频率调节按钮,逐步调节输出频率,直至满足实际需求。
3. 设置参数:按下参数设置按钮,进入参数设置界面,根据实际情况调整各项参数,如频率范围、过载保护等。
4. 监测和维护:定期观察液晶显示屏上的工作状态和参数,及时处理故障报警,保持变频器的正常运行。
丹佛斯变频器按键功能: (DISPLAY/STATU)S 键用于选择显示模式或者从快速菜单模式、菜单模式变回显示模式。
(QUICK MENU键用于在快速菜单模式下进行参数编程。
可以从快速菜单和菜单模式之间直接转换。
(MENU键用于对所有参数进行编程。
可以从菜单模式和快速菜单模式之间直接转换。
(CHANGE DATA键用于在菜单模式或快速菜单模式下改变所选参数。
(CANCEL 键用于取消所选参数。
(OK键用于确定和储存所选参数。
( +/- )键用于选择或改变所选参数。
这些键也可在显示模式下使用。
(〈〉)键用于选择参数组和在改变数字参数时移动光标。
(STOP/RESET键用于停止电机运作或用于VLT变频器跳闸后重新复位。
( JOG) 键被按下时,它会将输出频率改变为预设的频率。
(FWD/REV键改变在操作器显示屏上用箭头指示的电机旋转方向,(START键用于启动通过(STOP/RESET)键停动的VLT变频器。
该键始终处于有效状态,但不能超越由端子发出的停止命令。
操作步骤:1、按( MENU 键进入功能菜单。
2、按( +/- )或(〈〉) 键选择参数。
3、按(CHANGE DATA®进入数据改变模式。
4、按( +/- )键改变数据值。
按(0K键存储改变的数据。
5、6 按(DISPLAY/STATUS键返回到正常模式变频器故障内容(10VOLTLOW警告1:低于10V(LIVE ZERO ERROR警告/报警2:电流信号零点故障(NO MOTOR警告/报警3:无电机(MAINS PHASE LOSS 警告/报警4:缺相(DC LINK VOLTAGE HIG )警告5:高电压警告(DC LINK VOLTAGELOV 警告6:低电压警告(DC LINK OVERVOLT 警告 7:过电压(DC LINK UNDERVOLT 警告/报警8:欠电压(INVERTER TIME 警告/报警9:逆变器过载(MOTOR TIME 警告/报警10:电机温度过高(TORQUE LIMIT 警告/报警12:过转矩极限(OVERCURREN 警告 / 报警 13:过电流(EARTH FAULT 报警14 :接地电流(SWITCH MODE FAU )服警15:载波模式故障(CURR.SHORT CIRCUIT 报警 16:短路(STD BUSTIMEOUT)告/报警17:标准总线无信号 (HPFB BUS TIMEOUT 警告/ 报警 18:HPFB 总线无信号 (EE ERROR POWER CAI 警告 19:电源卡 EEPROM 故障 (EE ERROR CTRL CARD)告 20:控制卡 EEPROM 故障 (AUTO MOTOR ADAPT OK 警 21:自动适配正常(BRAKE TEST FAILED 警告和报警22:制动核查中的故障 (BRAKE RESISTOR FAUL 警告23:制动电阻故障(BRAKE PWR WARN 100警%告) 24:制动电阻率 100% (BRAKE IGBT FAULT 警告25:制动晶体管故障 (HEAT SINK OVER TEMP )告26:散热器温度过高 (MISSING MOT.PHASE 报警27:电机U 相缺失(MISSING MOT.PHASE V 报警 28:电机 V 相缺失 MOTOR THERMIST ) 告 / 报警 11:电机过热(热敏电阻)(MISSING MOT.PHASE W报警29:电机W 相缺失(QUICK DISCHARGE NOT O报警30:快速放电不正常。
丹佛斯VLT2800调试说明控制方式有以下几种:1. 变频器面板操作(参数20手动有效或无效)(1)002(本机/远程操作)修改为1。
(2)修改013值,将其改为本机开环控制[1]。
(3)同时按住[QUICK MENU ]和[+]键进入参数选择,按[+]选择参数20,按[CHANGE DATA]键进入参数,按[+]将参数20手动操作由0无效改为1有效后按[CHANGE DATA]键确认。
(4)按[QUICK MENU ]键退出参数选择.按[CHANGE DATA]键显示屏会显示Auto,按[+]将它改为Hand, 按[CHANGE DATA]键确认,按[+]选择所需频率,按START键就可以运行变频器。
2. 变频器电位器操作将变频器接线端子12,27短接后接入运行接触器常开触点的一端,将18接入接触器常开触点另一端,这样当接触器运行时,12,18,27三个点将被短接,变频器处于运行状态,将1K Ω电位器中间的抽头接入接线端子53,将顶端接入接线端子50,将底端接线端子55,在变频器处于运行状态旋转电位器即可调整频率.如需外接频率表,将频率表两端接入端子42,55上,并在两个端子上并接一个300Ω电阻, 同时按住[QUICK MENU ]和[+]键进入参数选择,按[+]选择参数319,按[CHANGE DATA]键进入参数,按[-]将参数319由7改为5,频率表选择5V,120HZ.3. 流程全电脑控制时外部4-20MA控制将4-20MA信号正端接入端子60,负端接入端子55, 将变频器接线端子12,27短接后接入运行接触器常开触点的一端,将18接入接触器常开触点另一端,这样当接触器运行时,12,18,27三个点将被短接,变频器处于运行状态, 同时按住[QUICK MENU ]和[+]键进入参数选择,按[+]选择参数314,按[CHANGE DATA]键进入参数,按[+]将参数314由0改为1,参数315由0.0改为4.0, 参数323由1改为10,在变频器处于运行状态时输入4-20MA信号即可调整变频器频率.4. 配料秤时快慢加料变频器控制将变频器接线端子12,27短接后接入快加料中间继电器KA1常开触点的一端和并接入慢加料中间继电器常开触点KA2的一端,将18接入快加料中间继电器KA1常开触点另一端,29接入慢加料中间继电器KA2常开触点另一端, 同时按住[QUICK MENU ]和[+]键进入参数选择,按[+]选择参数305,按[CHANGE DATA]键进入参数,按[+]将参数305由13改为22,参数215为快加料是频率设定值(该设定值为百分值,频率为该设定值*参数205所设的值,如205参数值为50HZ(变频器默认值),您想将快加料时频率设为50HZ,则需将参数215设为100),参数216为慢加料是频率设定值(该设定值也为百分值,频率为该设定值*参数205所设的值,如205参数值为50HZ(变频器默认值),您想将慢加料时频率设为10HZ,则需将参数216设为20),快加料时快加料中间继电器KA1吸合,慢加料时慢加料中间继电器KA2吸合。
一、DANFOSSFC302变频器操作概要在对变频器进行设置时,最简单的方法是使用图形化本地控制面板(LCP),如图所示:图17图形化本地控制面板LCP该控制面板分为四个功能组:1.带有状态行的图形显示器。
2.菜单键和指示灯:用于更改参数和切换显示功能。
3.导航键和指示灯(LED)。
4.操作键和指示灯(LED)。
所有数据都显示在图形LCP显示屏中,显示[Status](状态)时,最多可以显示5项操作数据。
显示行:a.状态行:显示图形和图形的状态信息b.第1-2行:操作员数据行,显示用户定义或选择的数据。
通过按[Status](状态)键,最多可以再增加一行。
c.状态行:用于显示文本的状态信息。
二、DANFOSSFC302变频器电气接线图电气接线图如下图所示:图18电气接线图三、DANFOSSFC302变频器参数设置A、1-**负载/电动机在本地控制面板(LCP)上,按键,进入参数设定界面,通过或键选择“1-**负载/电动机”,按键,通过或键选择“1-2*电动机数据”,按键,通过或键选择“1-20电动机功率[kW]”,通过或键将参数设为实际功率,按键确定,即设定完成。
按键返回上一级菜单。
以下参数的设定方法与此相同。
将“1-2*电动机数据”中的“1-22电动机电压”设为“380”;将“1-2*电动机数据”中的“1-24电动机电流”设为电动机额定电流;将“1-2*电动机数据”中的“1-25电动机额定转速”设为“额定转速”。
需要修改参数:0-01[10]中文语言选择0-02[1]hz0-23[1613]hz0-24[1601]hz1-20[kw]电动机gonglvWORD格式DANFOSS变频器设置说明3-00单向min—max双向–max--+max3-02minhz3-03maxhz3-41加速时间3-42减速时间4-10[0]顺时针[2]双向4-1950hz4-12电动机速度下限4-14电动机速度上限8-01控制点[2]仅控制字8-03[3]8-04[2]停止B、3-**参考值/加减速将“3-0*参考值极限”中的“3-00参考值范围”设为“min-max”;将“3-4*加减速1”中的“3-41加减速1加速时间”设为“15”;将“3-4*加减速1”中的“3-42斜坡1减速时间”设为“15”。
丹佛斯FC360系列变频器基本参数调试以及讲解前言:丹佛斯FC-360系列变频器功率范围在0.37-75KW,更高功率对应的型号为FC-361系列,功率范围在90-315KW,这两种型号的参数组功能定义是一样的,有个别的参数值对应的功能会不一样,例如模拟量输出选择,总体来说丹佛斯变频器主要用于重负载的场合比较多,对于控制方面略有欠缺,参数说明字面的意思与国内大多数变频器不同,以下内容仅供学习参考使用。
1、数字式本地控制面板LCP21分为4个功能区。
A.数字显示。
B.菜单键。
C.导航键和指示灯(LED)。
D.操作键和指示灯(LED)。
A.数字显示。
1setup 1菜单编号显示出有效菜单和编辑菜单。
如果有效菜单和编辑菜单是同一个菜单,则仅显示该菜单编号(出厂设置)。
如果有效菜单和编辑菜单不同,则显示屏中将同时显示出两个编号(菜单12)。
编号在闪烁的菜单为编辑菜单。
2参数编号。
3参数值。
4屏幕左下侧显示出电机方向。
小箭头表示方向5▼三角形表示LCP 是位于状态、快捷菜单还是主菜单下。
Status 状态Quick Menu 快捷菜单Main Menu 主菜单B 、菜单键指示指示灯6On 开绿色当变频器获得主电源电压、直流总线端子或24V 外接电源的供电后,通电指示灯会亮起。
7Warn.警告黄色当符合警告条件时,黄色的警告指示灯亮起,同时会在显示区中出现标识相关问题的文字。
8Alarm 报警红色故障状态会使红色报警指示灯闪烁,同时将显示报警文字。
C 、指示灯(LED)和导航键9[Back](后退)返回导航结构的上一步或上一层。
10[▲][▼]用于切换参数组、参数和参数值,还可增/减参数值。
箭头也用于设置本地参考值。
11[OK](确定)按下可访问参数组或启用某个选项。
12[►]按下可在参数值内从左到右横向移动,更改单个数字。
D 、操作键和指示灯(LED)13Hand On 手动启动用本地控制模式启动变频器。
丹佛斯中控远程控制和现场端子控制方案解决济南创恒科技发展有限公司满建江工业现场使用变频器时,往往要求变频器实现远程和现场控制。
远程控制时,由中控DCS 给定启停信号和速度信号,同时变频器反馈运行状态和速度值。
现场控制时,可通过现场按钮和电位器进行启停,速度给定操作。
这样就要求变频器在不同的操作状态时,接受不同的信号。
通常DCS给定4-20mA电流信号作为中控给定,现场电位器可变换0-10V电压信号作为现场给定。
丹佛斯各系列变频器,可通过多重菜单快捷的实现远程/现场控制功能,下面简单介绍丹佛斯FC300系列是如何通过菜单转换实现远程/现场转换的。
图1 变频器端子接线图如图1 端子18为启动功能,端子19为菜单转换0功能,端子53为现场模拟给定电压信号,端子54为DCS模拟给定电流信号,继电器1是变频器运行反馈信号,继电器2是变频器故障反馈信号,端子42为速度模拟量输出反馈信号。
改变19端子的状态即可轻松进行远程/现场控制功能的切换。
参数设定如下:菜单编辑菜单1 编辑菜单20-10有效菜单9多重菜单9多重菜单0-11编辑菜单1菜单1 2菜单2120-125电动机参数按电机铭牌设定按电机铭牌设定3-15参考源1 1模拟量53 2模拟量543-16参考源2 0无功能0无功能3-17参考源3 0无功能0无功能5-11 19端子功能23菜单位0 23菜单位05-12 27端子功能0无功能0 无功能540继电器1功能6运行/无故障6运行/无故障540继电器2功能10报警/警告10报警/警告610端子53低电压0V 4mA611端子53高电压10V 20mA6-14 53参考/反馈值低0 06-15 53参考/反馈值高1500 1500650端子42功能137速度4-20mA 137速度4-20mA最后设定完毕后将0-11改为有效菜单。
参数设定完毕后,在现场12,19端子未闭合是由模拟量53给定,闭合时为模拟量54给定,启动都是18端子控制。
一、DANFOSS FC302变频器操作概要在对变频器进行设置时,最简单的方法是使用图形化本地控制面板(LCP),如图所示:图17 图形化本地控制面板LCP该控制面板分为四个功能组:1.带有状态行的图形显示器。
2.菜单键和指示灯:用于更改参数和切换显示功能。
3.导航键和指示灯(LED)。
4.操作键和指示灯(LED)。
所有数据都显示在图形LCP显示屏中,显示[Status](状态)时,最多可以显示5项操作数据。
显示行:a.状态行:显示图形和图形的状态信息b.第1-2行:操作员数据行,显示用户定义或选择的数据。
通过按[Status](状态)键,最多可以再增加一行。
c.状态行:用于显示文本的状态信息。
二、DANFOSS FC302变频器电气接线图电气接线图如下图所示:图18 电气接线图三、DANFOSS FC302变频器参数设置A、1-**负载/电动机在本地控制面板(LCP)上,按键,进入参数设定界面,通过或键选择“1-**负载/电动机”,按键,通过或键选择“1-2*电动机数据”,按键,通过或键选择“1-20电动机功率[kW]”,通过或键将参数设为实际功率,按键确定,即设定完成。
按键返回上一级菜单。
以下参数的设定方法与此相同。
将“1-2*电动机数据”中的“1-22电动机电压”设为“380”;将“1-2*电动机数据”中的“1-24电动机电流”设为电动机额定电流;将“1-2*电动机数据”中的“1-25电动机额定转速”设为“额定转速”。
需要修改参数:0-01[10] 中文语言选择0-02[1] hz0-23 [1613] hz0-24 [1601] hz1-20 [kw] 电动机gonglv3-00 单向min—max双向–max--+max3-02 min hz3-03 max hz3-41 加速时间3-42 减速时间4-10 [0] 顺时针[2] 双向4-19 50hz4-12 电动机速度下限4-14 电动机速度上限8-01 控制点[2] 仅控制字8-03 [3]8-04[2] 停止B、3-**参考值/加减速将“3-0*参考值极限”中的“3-00参考值范围”设为“min-max”;将“3-4*加减速1”中的“3-41加减速1加速时间”设为“15”;将“3-4*加减速1”中的“3-42斜坡1减速时间”设为“15”。
DANFOSS 变频器设置说明一、DANFOSS FC302 变频器操作概要在对变频器进行设置时,最简单的方法是使用图形化本地控制面板(LCP),如图所示:图 17 图形化本地控制面板LCP该控制面板分为四个功能组:1.带有状态行的图形显示器。
2.菜单键和指示灯:用于更改参数和切换显示功能。
3.导航键和指示灯(LED)。
4.操作键和指示灯(LED)。
所有数据都显示在图形LCP 显示屏中,显示 [Status](状态)时,最1/5多可以显示 5 项操作数据。
显示行:a.状态行:显示图形和图形的状态信息b.第1-2行:操作员数据行,显示用户定义或选择的数据。
通过按[Status](状态)键,最多可以再增加一行。
c.状态行:用于显示文本的状态信息。
二、DANFOSS FC302 变频器电气接线图电气接线图如下图所示:图 18 电气接线图2/5三、DANFOSS FC302 变频器参数设置A、1-** 负载 /电动机在本地控制面板( LCP)上,按键,进入参数设定界面,通过或键选择“1-** 负载 /电动机”,按键,通过或键选择“1-2* 电动机数据”,按键,通过或键选择“ 1-20 电动机功率 [kW] ”,通过或键将参数设为实际功率,按键确定,即设定完成。
按键返回上一级菜单。
以下参数的设定方法与此相同。
将“1-2* 电动机数据”中的“1-22 电动机电压”设为“380”;将“1-2* 电动机数据”中的“ 1-24 电动机电流”设为电动机额定电流;将“1-2* 电动机数据”中的“ 1-25 电动机额定转速”设为“额定转速”。
需要修改参数 :0-01 [10] 中文语言选择0-02[1] hz0-23 [1613] hz0-24 [1601] hz1-20 [kw] 电动机 gonglv3/53-00单向min—max双向–max--+max3-02 min hz3-03 max hz3-41 加速时间3-42 减速时间4-10 [0] 顺时针[2] 双向4-19 50hz4-12 电动机速度下限4-14 电动机速度上限8-01 控制点[2] 仅控制字8-03 [3]8-04[2] 停止B、3-** 参考值 /加减速将“3-0* 参考值极限”中的“3-00 参考值范围”设为“min-max”;将“3-4* 加减速 1”中的“3-41 加减速 1 加速时间” 设为“15”;将“ 3-4* 加减速 1”中的“ 3-42 斜坡 1 减速时间”设为“ 15”。
LC系列操作面板使用说明书
上海津信变频器有限公司
2005年9月
一、LC操作面板各部分说明:
主显示区:5位LED数码管,可显示频率、电流、电压、电机旋转转向、使用者定义单位、异常等
信号灯显示区:分别可显示操作面板的电源,驱动器的运转状态,和报警警告状态
POWER灯 -- 指示操作器有供电电源
RUN灯 -- 点亮表示变频器有输出
WARN灯 -- 变频器处于警告极限状态
ALARM灯 -- 变频器处于报警跳闸状态
F灯 -- 表示当前显示的是给定值,
H灯 -- 表示当前显示的是实际输出频率值,
U灯 -- 表示当前显示的是实际的工程单位值
按键操作区
MODE键 -- 按此键显示项目逐次变更以供选择DATA键 -- 用以读取修改驱动器的各项参数设定STOP/RESET键 --可令驱动器停止运转及故障复位START键 -- 可令驱动器运转
△键 -- 数值增大,设定值及参数变更使用
▽键 -- 数值减小,设定值及参数变更使用
LC操作面板分LC-A01和LC-B01两种型号:
LC-A01为+5V电源供电,适用于VLT2800/VLT2900
系列变频器,连接到变频器的67,68,69,70
端子;
LC-B01为+24V电源供电,适用于
VLT5000/6000/7000/8000及FC300系列变频器,
连接到变频器的13,39,68,69端子。
DANFOSS MCD 系列软启动器连接到软启动器68,69端子,
13号接头外接24V电源“+”端,39号接“-”端
二、功能显示项目说明
显示项目说明
显示监控画面
显示面板给定值,即显示P215预置给定值1(百分比)。
显示监控画面
显示驱动器实际输出到马达的频率。
显示监控画面
显示与实际输出频率相关之工程量
显示监控画面
显示负载电流
显示监控画面
显示内部直流电压
显示监控画面
正转命令
显示监控画面
反转命令
参数修改画面
显示参数组
参数修改画面
显示参数组和参数号
参数修改画面
显示参数内容值
警告弹出画面
显示过电流,同时ALARM灯亮
设定参数号或参数值错误,按“MODE”键恢复
面板与变频器通讯连接故障,通讯连续失败5次时置通讯故障。
三,LC 面板操作流程
把面板连到驱动器,上电开机,初始为监控模式。
按[MODE]循环键切换显示模式界面
内部参数模式
监控模式
按[MODE]返回到监控模式
操作说明: 1. 上电初始为监控模式; 2. 监控模式共5个画面,其中第5个画面为用户自定义画面,其监控项由内部参数nb-03决定; 3. 上电初始的监控画面由内部参数nb-05决定; 4. 操作面板运行操作:
当内部参数nb-06为1时,按START 或STOP 键能启动或停止变频器。
STOP 键在变频器跳闸时具有故障复位功能。
监控给定值时按下△或▽键可以改变给定值,给定值的上下限为+ -100%。
5. “监控模式”下,按DATA 键进入“参数模式”,参数模式的第一步为“切换参数组模式”。
6. “切换参数组模式”下
按△和▽键切换参数组号,按DATA 键进入“切换参数号模式”, 按MODE 键返回“监控模式”
7. “切换参数号模式”下,
按△和▽键切换参数号,按DATA 键进入“修改参数值模式”, 按MODE 键返回“切换参数组模式”。
8. “修改参数值模式”下,
按△和▽键修改参数值,按DATA 键确认参数值修改并返回“切换参数号模式”,如果设定值错误,则显示“-Err-”,这时按MODE 键可以返回“切换参数号模式”。
按MODE 键返回“切换参数号模式”。
9. “监控模式”下连续按DATA 键2秒钟以上进入“内部参数模式”。
内部参数修改及退出操作办法同参数模式。
四,LC 操作面板内部参数说明 参数号
说明
参数值及说明
出厂值
nb-00 联机驱动器型号
1.DANFOSS VLT 变频器 2.DANFOSS FC 变频器
3.DANFOSS MCD 软启动器 1
nb-01 联机驱动器站号 1-126 1 nb-02 通讯波特率
1.300 2.600 3.1200 4.2400 5.4800 6.9600 7.19200 8.38400 9.57600
6
nb-03 用户自定义监控内容 1.内部DC-Link 直流电压
2.输出电压 3.散热器温度 4.输出转矩
5.输出功率(hp) 6.输出功率(Kw) 7.总输出电量 8.总运行时间 9.总上电时间 1
nb-04 保留
nb-05 上电初始监控画面
1.给定百分比(精确到2位小数点) 2.实际输出频率
3.实际输出频率相关之工程量 4.输出电流
5.用户定义画面 2
nb-06 面板运行使能 0.不能 1.能 1
nb-07 保留。