循环水 单体试车确认表
- 格式:doc
- 大小:36.00 KB
- 文档页数:1
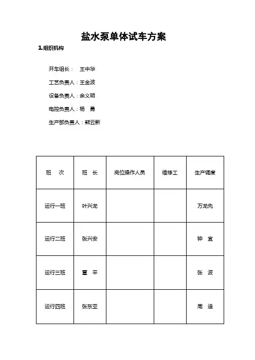
盐水泵单体试车方案1.组织机构开车组长:王中华工艺负责人:王金波设备负责人:余义明电控负责人:杨勇生产部负责人:熊云新班次班长岗位操作人员维修工生产调度运行一班叶兴龙万龙先运行二班张兴安钟宜运行三班覃平张波运行四班张东亚周迪2、试泵前的准备工作:2.1检查泵的安装是否到位,二次浇灌是否平整电线是否接对,静电是否接地.2.2联系电气和维修人员,一同对泵试车,发现异常情况即使处理.2.3检查机封润滑油位是否在1/2~2/3内2.4检查泵地脚螺栓是否紧固2.5检查连轴器连接是否完好2.6检查泵电机固定是否牢固2.7检查泵进出口管道是否完好2.8检查泵机封水是否畅通2.9检查连轴器护罩是否固定牢固2.10 检查试车介质准备是否充分3、试泵注意事项3.1 向主轴承箱内注润滑油。
3.2启泵前仔细检查泵密封是否良好,防止盐水溅出伤人。
3.3做好个人防护。
3.4一旦泵跳要立即关泵出口阀门。
4、泵启动上述泵启动的准备工作完成后,就可以安全启动了,程序如下:4.1打开泵机封密封水,按照设备技术员要求调节流量(检查人:)4.2手动盘连轴器,与设备技术员一起观察转动是否灵活(检查人:)4.3关闭泵进口阀门,在1秒钟内先点泵启动按钮,再迅速点泵停止按钮,与设备技术员一起确定泵正反转是否正确,并确认电气开关按钮位号是否与设备位号相对应,若反向请电气技术员按设备位号在电气控制室友调线(如上图) (检查人:)4.4重复第三步,保证泵运转方向正确(检查人:)4.5如上图首先确认盐水槽内已清洗干净,并向槽内打了水,泵的进口管道已清洗合格,关小泵的进口阀,启动泵,让泵轻负荷运行,通过打开控制回流的阀门让泵打小循环,时间为8小时,在此过程中观察电机温度和电流情况,电机和泵振动情况,并按要求做好记录. (检查人:)4.6 8小时正常的话,逐渐开大泵进口,观察泵出口压力表,达到压力指标,开泵出口阀,观察出口压力表是否正常(检查人: ) 4.7检查泵电机温度和电流情况并按要求做好记录(检查人:)4.8检查泵循环管线有无泄漏及相关附件(喷头)运行状况是否良好(检查人:)4.9检查电机和泵振动情况(检查人:)5、试泵结果确认表项目内容责任人落实时间地脚螺栓是否紧固电机是否紧固连轴器是否完好护罩是否固定工艺水是否畅通过滤网是否完好送电送电作业更正盘车灵活无异常点动按钮正反转电气开关按钮位号是否与设备对应启动观察电流记录温度电流压力温升异常检查振动异常泄漏设备技术员意见制造商意见工艺技术员意见风机单体试车方案1.组织机构开车组长:王中华工艺负责人:王金波设备负责人:余义明电控负责人:杨勇生产部负责人:熊云新班次班长岗位操作人员维修工生产调度运行一班叶兴龙万龙先运行二班张兴安钟宜运行三班覃平张波运行四班张东亚周迪2、试车前的准备工作:2.1检查泵的安装是否到位,二次浇灌是否平整电线是否接对,静电是否接地. (检查人:)2.2联系电气和维修人员,一同对泵试车,发现异常情况即使处理.2.3检查泵地脚螺栓是否紧固(检查人:)2.4检查油箱油位是否在1/2~2/3内(检查人:)2.5检查风机电机是否紧固(检查人:)2.6检查连轴器连接是否完好(检查人:)2.7检查连轴器护罩是否固定牢固(检查人:)2.8检查风机外围护罩装得是否牢固(检查人:)2.9检查风机风扇叶子是否按技术要求装好(检查人:)3、试车注意事项3.1启动前仔细检查泵密封是否良好。
期装置试车检查确认OK表期装置试车检查确认OK表施工进出口管线施工完毕并试压合格,设备基础固定牢固,有关仪表安装完毕,进出口盲板已抽,各临时垫片已更换为正式垫片,对各个专业提出的问题已整改,确保按时试车。
2机械相关设备、管道、阀门、临时滤网已安装完毕,进出口管路支撑牢固,泵组的找平、找正等工作结束,油系统确认清洗合格,已按规定牌号加油,加脂到位。
3电气控制柜、就地开关按钮等安装接线完毕,电机接线正确,电机转向有明显标识,确认电机加注润滑油(脂),防雷接地设施良好。
接工艺送电票送电。
4仪表设备本体及进出口相关设备的压力、温度、液位等相关仪表能投用,进出口调节阀调校结束,开关灵活,有关联锁已解除。
5工艺进出口管线及相关设备已冲洗干净具备上水条件,操作人员经培训合格,熟悉相关流程。
轴承箱加油到位,冷却水投用,其它辅助设备具备运行条件。
有关记录报表准备好。
填写送电票交电气,检查电机已送电。
6安全试车用的相关劳动防护用品齐备,试车区域设隔离带,其它安全措施落实。
7监理对以上各专业检查结果进行监督、确认操作员:值长:工艺技术员:工程组:筹备组:项目部领导:机泵单试记录表设备名称设备位号生产厂家单试日期启动时间停机时间技术指导运行监护人电机泵型号型号额定功率(KW)额定流量(m3h)额定电压(V)扬程(H)单体试车运行记录表时间出口压力(Mpa)电流(A)电机温度(℃)一级轴承温度(℃)一级机封温度(℃)二级轴承温度(℃)二级机封温度(℃)前端振动后端振动备注备注:设备单试结果:设备单试结果确认建设施工单位期装置试车检查确认OK表附送:期货交易所实习汇报期货交易所实习汇报第一篇:期货交易所实习汇报时间过得真快,实习三个星期就这样过去了。
时间虽然短,但是却学到了很多有用的东西,不再是理论性的学习,而是理论运用于工作的实践。
几个星期的实习让我更好地认识自己,了解公司和社会现状和需求以更好的要求自己,调整好自己的心态。
目录一.工程概况 (2)二.编制依据 (2)三.汽轮机单机试车 (2)四.离心泵试车 (12)五.电动机试车 (12)六.施工进度计划 (14)七.质量保证措施及控制设置 (14)八.劳动力需求计划及技能要求 (17)九.施工机具计量器具及手段用料 (17)十.试车组织机构 (18)十一.职业安全卫生与环境管理 (18)十二.文明施工 (20)一、工程概况晋煤华昱高硫煤洁净利用化电热一体化示范项目一期工程气化净化及其他循环水装置,主要动设备有:设备名称规格型号单位数量汽轮机N2.5-2.5/225/0.012台3离心泵Q=14944立方/小时台3离心泵Q=13585立方/小时台3离心泵Q=8000立方/小时台4电动机YXKK800-10,2500KW,10KV台3电动机YKK800-10,2500KW,10KV台1电动机YXKK630-8,1400KW,10KV台4泵房排污泵50CYI20-20,Q=20立方/时,H=20M,N=5.5KW台2吸水池排污泵台3潜水泵台2闸板阀台4以上设备可分为汽轮机、离心泵、电动机三类,为保证循环水装置顺利试车,特编制本单机试车方案。
二、编制依据2.1厂家提供的汽轮机图纸及使用说明书等施工技术文件2.2《化工机器安装工程施工及验收规范》HGJ205-922.3《压缩机、风机、泵安装工程施工及验收规范》GB50275-20102.4《机械设备安装工程施工及验收通用规范》GB50231-20092.5《石油化工施工安全技术规程》SH3505-1999三、汽轮机单体试车1.试车前准备工作试车前与汽轮机有关的准备工作,按厂家说明书“汽轮机起动前准备工作”要求进行,在此之前完成下述工作:1.1油系统管道酸洗钝化1.1.1预清洗A.配方:常温去离子水。
B.操作程序:拆开管道与设备接口出法兰,接临时管路形成循环,用循环水泵保持在2/3bar压力下用水泵加以循环,15min后打开排水阀,边循环边排放。
--
--
表1: XX单体试车前检查确认表(模板)
装置(设备)名称:
所在车间:
检查日期:
注: 1、各车间试车前应根据试车内容(单体试车、联动试车、投料试车、蒸汽吹扫、空气吹扫、水冲洗、油清洗、化学清洗、烘炉、煮炉、填料装填、气密试验等)编制检查项目及要求,项目工艺负责人和设备负责人认真完成试车前的检查工作,并做好试车记录资料的管理和归档。
2、电气和仪表车间在试车前应进行与试车相关的电气、仪表的调校和记录工作,电气、仪表负责人应在试车前进行全面检查,并在该试车前检查表上签字。
表2:
试车申请表
申请单位:
说明:
1、申请单位为项目所在车间,试车前一天检查,自签字之日起两日内有效,有效时间内,相关现场按照试车期间的标准戒严;
2、试车类别指单体试车、联动试车、投料试车、蒸汽吹扫、空气吹扫、水冲洗、油清洗、化学清洗、烘炉、煮炉、填料装填、气密试验等。
3、试车申请签批后,申请车间存档,复印件报生产部门备案。
表3:
试车完成证书
年月日
注:1、试车结束后,车间应及时总结,按证书格式填报试车情况,并提供附件相关试车资料;
2、附件主要包括审批后的方案、试车前检查表、试车申请表、试车过程确认表、运行记录表
等试车资料。
3、试车完成证书签批后,相关资料由车间存档,完成证书复印件报生产部门备案。
表4:
--
表4:
“三查四定”问题汇总表ﻫ
工程(装置)名称:涉及专业: 第页共页
项目部经理:签发日期:
--
--
表5:
“三查四定”问题关闭表
工程(装置)名称: 涉及专业:关闭表序号:。
压滤车间设备单体试运转记录表单机试车记录表大沟河赤泥库压滤车间钢结构工程名称洛阳香江万基三期氧化铝建设工程单位工程名称及安装工程设备名称 1#皮带输送机试车类别空负荷试车试车日期起始时间 8时00分结束时间 12时00分持续运行时间 4 设备主要参数: B=800 输送距离L=10.5米,电机功率7.5KW,V=1.6m/s,Q=200t/h。
序号检测项目检测结果 1 紧固件有无漏装、松动合格 2 有无卡碰、剐蹭现象合格合格 3 减速机润滑油检查4 电流值记录(起始、中间、结束) 11A 15A 10A5 电机温度 35?C6 轴承温度 32?C 7 现场操作合格 8 中控操作合格 9 皮带有无跑偏现象合格其它需要说明的情况:无试车结果合格技术负责人林日坚建设单位生产车间监理单位施工承包单位设备厂家 (公章) (公章) (公章) (公章) (公章)现场工程师: 现场工程师: 现场工程师: 现场工程师: 现场工程师:年月日年月日年月日年月日年月日单机试车记录表大沟河赤泥库压滤车间钢结构工程名称洛阳香江万基三期氧化铝建设工程单位工程名称及安装工程设备名称 2#皮带输送机试车类别空负荷试车试车日期起始时间 8时00分结束时间 12时00分持续运行时间 4 设备主要参数: B=800 输送距离L=10.5米,电机功率7.5KW,V=1.6m/s,Q=200t/h。
序号检测项目检测结果 1 紧固件有无漏装、松动合格 2 有无卡碰、剐蹭现象合格合格 3 减速机润滑油检查4 12A 14A 11A 电流值记录(起始、中间、结束)5 电机温度 33?C6 轴承温度 34?C7 现场操作合格8 中控操作合格9 皮带有无跑偏现象合格其它需要说明的情况:无试车结果合格技术负责人林日坚建设单位生产车间监理单位施工承包单位设备厂家 (公章) (公章) (公章) (公章) (公章)现场工程师: 现场工程师: 现场工程师: 现场工程师: 现场工程师:年月日年月日年月日年月日年月日单机试车记录表大沟河赤泥库压滤车间钢结构工程名称洛阳香江万基三期氧化铝建设工程单位工程名称及安装工程设备名称 3#皮带输送机试车类别空负荷试车试车日期 2013-11-13 起始时间 8时00分结束时间 12时00分持续运行时间 4 设备主要参数: B=800 输送距离L=10.5米,电机功率7.5KW,V=1.6m/s,Q=200t/h。
冀东海德堡(扶风)水泥有限企业5000t/d 水泥生产线系统单机试车检查及联动试车、带料运行确认表制表:二期工程建设项目审查:同意:保存:日期:2008-9-24设施名称:胶带输送机设施编号:规格型号:安装地点:试车前检查序号检查内容检查方法合格标准检查状况能否合格检查人备注1 异物检查人工巡回检查输送系统无异物2 皮带机各部位滚筒轴承润润滑脂应填补轴承座的1/2-3/4 左右;打开滚筒轴承座端板检查滑脂润滑脂洁净3 减速机(电动滚筒)油位经过油标检查油位在油标刻度范围内4 液偶油位经过注油塞检查液力游应充满整个容积的40-80%5 逆止器能否加油拆初步盖板检查逆止器座的 1/2 腔体6 逆止器方向检查标示或盘转减速机逆止器方向应与标示方向一致7 减速机手动盘车检查人工盘动电机叶轮运行轻松、无异样声响;在电机与减速机离开的情8 电机方向方向正确况下点动电机9 联轴器联接目测各零件正确联接10 皮带机配重察看配重运行轨道能自由上下,无卡滞11 打扫器检查刮片空隙、与胶带贴合情刮片空隙平均、各刮片与胶带贴合良况好12 各部位连结螺栓检查扳手紧固所有螺栓已经紧固二次灌浆层达到保养要求;地脚螺栓13 基础紧固;检查保养记录已经紧固速度、跑偏、拉绳等保护装安装完美,拉绳松紧适合,信号正确14 人工目测,中控打点,置传至中控,15 电气接线端子检查、紧固所有接线端子已经紧固控制正常、指示正确、热保护定值设16 MCC控制模盒试验位测试定合理按纽盒接线正常,程序运行正常、与17 现场及中控控制模拟测试程序运行其余设施连锁正常18 巡检通道目测现场已经清理洁净,巡检通道通畅192021222324252627282930试车后确认序号确认内容结论试车负责人备注1单机试车能否正常2能否具备联动试车3能否可带料运行设施名称:循环风机设施编号:规格型号:安装地点:试车前检查序号检查内容检查方法合格标准检查状况能否合格检查人备注在电机与风机离开的状况1 电机旋向电机旋转方向正确下点动电机2 风机内部异物人工检查清理风机叶轮以及壳体无异物察看油标或翻开检查润滑3 风机转子轴承润滑润滑剂充分;润滑剂洁净、无杂物或水脂稀油站检查4 风机轴承润滑站独自试机切合稀油站试机标准方案另附挡板对应另5 风机进、出口阀门履行器对应三对应正确附6 联轴器联接察看所有零件正确联接7 各部位螺栓检查人工扳手紧固各部位螺栓所有紧固8 检查门人工检查各部位检查门已经封闭9 手动盘车人工盘动转子风机运行自如,无异样声响10 冷却水检查进、回水阀门及压力表进回水阀翻开,水压正常,水道通畅11 地脚螺栓扳手紧固地脚螺栓已经紧固振动、温度、开度、压力等校验正确无误,现场与中控指示一致,12 有资质的单位进行校验仪表信号各报警、跳闸信号正常,定值设定正确13 电气接线端子检查、紧固所有接线端子已经紧固各保护定值设定合理,投退正常、控14 高压控制系统试验位测试制回路正常,指示正确控制回路正常、指示正确、热保护定15 各 MCC控制模盒试验位测试值设定合理按纽盒接线正常,程序运行正常、与16 现场及中控控制模拟测试程序运行其余设施连锁正常,各中控信号正确17 基础(灌浆层)人工检查各灌浆层达到保养要求18 巡检通道目测现场已经清理洁净,巡检通道通畅192021222324252627282930试车后确认序号确认内容结论试车负责人备注1单机试车能否正常2能否具备联动试车3能否可带料运行设施名称:小风机设施编号:规格型号:安装地点:试车前检查序号检查内容检查方法合格标准检查状况能否合格检查人备注在电机与风机离开的状况1 电机旋向电机旋转方向正确下点动电机2 风机内部异物人工检查清理风机叶轮以及壳体无异物察看油标或翻开检查润滑润滑剂充分;3风机转子轴承润滑脂润滑剂洁净、无杂物或水4皮带拉钢丝皮带张紧度在规定范围挡板对应另5风机进、出口阀门履行器对应三对应正确附6 联轴器联接察看所有零件正确联接7 各部位螺栓检查人工扳手紧固各部位螺栓所有紧固8 检查门人工检查各部位检查门已经封闭9 手动盘车人工盘动转子风机运行自如,无异样声响10 冷却水检查进、回水阀门及压力表进回水阀翻开,水压正常11 地脚螺栓扳手紧固地脚螺栓已经紧固12基础(灌浆层)人工检查各灌浆层达到保养要求13 巡检通道目测现场已经清理洁净,巡检通道通畅14 电气接线端子检查、紧固所有接线端子已经紧固控制回路正常、指示正确、热保护定15 各 MCC控制模盒试验位测试值设定合理按纽盒接线正常,程序运行正常、与16 现场及中控控制模拟测试程序运行其余设施连锁正常,各中控信号正确1718192021222324252627282930试车后确认序号确认内容结论试车负责人备注1单机试车能否正常2能否具备联动试车3能否可带料运行设施名称:气箱脉冲袋式收尘器设施编号:规格型号:安装地点:试车前检查序号检查内容检查方法合格标准检查状况能否合格检查人备注收尘器内部、滤袋内部、展转卸料器、1 异物检查人工检查清理风机壳体及转子无异物2 展转卸料器转子轴承润滑翻开油嘴,用探针检查油脂充分,洁净3展转卸料器减速机油位察看油标油位充分;润滑油洁净4 各螺栓检查扳手紧固各部位螺栓所有紧固5 检查门人工各部位检查门已经封闭6 各部位螺栓检查人工扳手紧固各部位螺栓所有紧固7 检查门人工检查各部位检查门已经封闭8 压缩空气管路阀门启闭灵巧,气压正常9 基础检查目测灌浆层切合设计要求10 巡检通道目测现场已经清理洁净,巡检通道通畅11 电气接线端子检查、紧固所有接线端子已经紧固控制回路正常、指示正确、热保护定12 各 MCC控制模盒试验位测试值设定合理现场控制箱接线正常,程序运行正常、13 现场及中控控制模拟测试程序运行各中控信号正确1415161718192021222324252627282930试车后确认序号确认内容结论试车负责人备注1单机试车能否正常2能否具备联动试车3能否可带料运行设施名称:原料磨设施编号:规格型号:安装地点:试车前检查序号检查内容检查方法合格标准检查状况能否合格检查人备注磨机上游输送系统无异物,磨机内部无1 异物检查人工检查清理异物、选粉机无异物,磨机出入风管道无异物、循环提高机及中间仓无异物2 喂料阀门阀板轴承翻开油嘴,利用探针检查润滑油脂充分3 喂料三重阀门液压站依据稀油站检查方案切合稀油站检查方案4 磨辊润滑油站依据稀油站检查方案切合稀油站检查方案5 磨辊提高及摇动装置液压站依据稀油站检查方案切合稀油站检查方案磨辊提高及摇动装置液压杆6 翻开油嘴,利用探针检查润滑油脂充分下部铰座轴承7原料磨辅传减速机油标油位在油标刻度范围内原料磨协助传动气动离合器8 油标油位在油标刻度范围内压缩空气油雾器9 原料磨主电机润滑油站依据稀油站检查方案切合稀油站检查方案10 原料磨主减速机油标油位在油标刻度范围内11 出磨两重阀门减速机油标油位在油标刻度范围内12 原料磨选粉机减速机油标油位在油标刻度范围内13 选粉机转子轴承向注油口增补注油润滑油脂充分在电机与主电机离开的情14 协助电机方向电机旋转方向正确况下点动电机在电机与主减速机离开的15 主电机方向电机旋转方向正确状况下点动主电机16 联轴器人工检查各零件正确联接17 协助传动离合器手动送气动作灵巧靠谱18 各部位螺栓检查扳手紧固各部位螺栓所有紧固套管空隙切合图纸要求;19 密封风机管道及风机附件人工检查风管内部洁净洁净。
年月日项目检查确认内容检查情况实施人确认人
循环水系统循环水水池液位在80%
循环水去用户的进、出口阀开启循环水系统供电正常
循环水泵油位正常
二氧化碳压缩机开车原料气压力正常、质量符合要求
供电柜供电正常、仪表显示正确
三段放空阀处于开位
油泵运行正常、油压达到运行要求
二段回气进、出口阀门处于开位
各段缸套、水冷器、填料函冷却水进出口阀门打开,压力符合要求,回水正常
控制室仪表显示准确,调节阀开关灵活
地脚螺丝、各紧固件牢固不松动
油位在视镜的2/3处
氨压缩机开车能量在0位
氨冷器、油冷器的冷却水进出口阀门开启,且水压达到要求
氨储罐液位在50-80%之间
氨储罐到氨蒸发器的阀门处于开位
供电装置正常,仪表显示正确
氨压缩机出口排气阀到氨冷凝器、氨储罐的阀门处于开位
氨蒸发器出口到预冷器、分离器、冰机入口的截止阀处于开位
冰机的吸气阀处于关位
油泵运行正常、能量增减正常、油压达到要求
润滑油油位在上视镜2/3处
二氧化碳系统压力在1.6Mp以上
工作场所设备卫生干净、无杂物、无油污
装置区内地面干净、无杂物、无油污各种安全防护、灭火器齐全
年月日序号检查内容检查情况实施人确认人
1 原料气入口蝶阀
2 原料气入口流量调节阀
3 三级出口截止阀
4 三级处放空阀
5 一级、二级、三级压力
6 将减载阀调至减载位
7 能量指示
8 吸气截止阀
9 压缩机
10 油泵
11 油冷器
12 冷凝器
13 机组电源。
单机试车检查、联动试车确认表___(扶风)水泥有限公司的5000t/d水泥生产线系统单机试车检查及联动试车、带料运行确认表于2008年9月24日制表。
以下是胶带输送机和循环风机的检查内容:胶带输送机在试车前,需要进行人工巡回检查,确保输送系统没有异物。
以下是具体的检查项目:1.异物检查:检查输送系统是否有异物。
2.皮带机各部位滚筒轴承润润滑脂应填充轴承座的1/2-3/4左右;拆开滚筒轴承座端板检查:检查滚筒轴承座的润滑脂是否清洁,油位是否在油标刻度范围内。
3.液力游应充满整个容积的40-80%逆止器座的1/2腔体。
4.减速机(电动滚筒)油位通过油标检查。
5.液偶油位。
6.检查逆止器是否加油,方向是否正确。
7.手动盘车检查减速机。
8.检查电机方向。
9.检查联轴器联接。
10.检查皮带机配重。
11.检查清扫器。
12.检查各部位连接螺栓。
13.检查基础。
14.通过注油塞检查,拆开端盖板检查。
15.检查标示或盘转减速机逆止器方向应与标示方向一致。
16.在电机与减速机脱离的情况下点动电机,目测观察配重运行轨道。
17.检查所有部件是否正确联接,能自由上下,无卡滞,刮片间隙均匀,各刮片与胶带贴合良好。
18.紧固所有螺栓,并检查养护记录。
19.检查地脚螺栓是否已经紧固,二次灌浆层是否达到养护要求。
20.检查保护装置的速度、跑偏、拉绳等是否安装完善,拉绳松紧适当,信号准确。
21.人工目测,中控打点,将传至中控,检查、紧固所有接线端子已经紧固。
22.检查电气接线端子。
23.检查MCC控制模盒。
24.检查现场及中控控制。
25.检查巡检通道是否畅通。
26.进行试验位测试。
27.进行模拟测试程序运行。
28.目测控制正常、指示正确、热保护定值设定合理。
29.检查按纽盒接线正常,程序运行正常、与其他设备连锁正常。
30.确认单机试车是否正常,是否具备联动试车,是否可带料运行。
循环风机在试车前,需要进行人工检查清理,观察油标或打开检查润滑脂,并单独试机。
泵类单机试车原始记录
泵类单机试车原始记录
泵类单机试车原始记录
泵类单机试车原始记录
泵类单机试车原始记录
泵类单机试车原始记录
泵类单机试车原始记录
泵类单机试车原始记录
泵类单机试车原始记录
泵类单机试车原始记录
泵类单机试车原始记录
泵类单机试车原始记录
泵类单机试车原始记录
泵类单机试车原始记录
泵类单机试车原始记录
泵类单机试车原始记录
泵类单机试车原始记录
泵类单机试车原始记录
泵类单机试车原始记录
泵类单机试车原始记录
泵类单机试车原始记录
泵类单机试车原始记录
泵类单机试车原始记录
泵类单机试车原始记录
泵类单机试车原始记录
泵类单机试车原始记录
泵类单机试车原始记录
泵类单机试车原始记录
泵类单机试车原始记录
泵类单机试车原始记录
泵类单机试车原始记录
泵类单机试车原始记录
泵类单机试车原始记录
泵类单机试车原始记录
泵类单机试车原始记录
泵类单机试车原始记录
泵类单机试车原始记录
泵类单机试车原始记录
泵类单机试车原始记录
泵类单机试车原始记录
泵类单机试车原始记录
泵类单机试车原始记录
泵类单机试车原始记录
泵类单机试车原始记录
泵类单机试车原始记录
泵类单机试车原始记录
泵类单机试车原始记录
泵类单机试车原始记录
泵类单机试车原始记录
泵类单机试车原始记录。
泵类设备单机试车原始记录
分厂及车间:设备供货厂家:
氧化铝三分公司浓密机单机试车原始记录
氧化铝三分公司立盘过滤机单机试车原始记录
氧化铝三分公司平盘过滤机单机试车原始记录分厂及车间:设备供货厂家:
球磨机单机试车表记录分厂及车间:设备供货厂家:
氧化铝三分公司真空泵单机试车原始记录分厂及车间:供货设备厂家:
氧化铝三分公司皮带机单机试车原始记录分厂及车间:设备供货厂家:
氧化铝三分公司空压机单机试车原始记录分厂及车间: 设备供货厂家:
氧化铝三分公司搅拌类设备单机试车原始记录分厂及车间:设备供货厂家:
氧化铝三分公司板式换热器单机试车原始记录分厂及车间: 设备供货厂家:
氧化铝三分公司化灰机单机试车原始记录分厂及车间:设备供货厂家:
氧化铝三分公司起重设备单机试车原始记录分厂及车间:设备供货厂家:
氧化铝三分公司重型板式给料机单机试车原始记录分厂及车间:设备供货厂家:
氧化铝三分公司除尘器单机试车原始记录分厂及车间:设备供货厂家:
氧化铝三分公司旋流器组单机试车原始记录分厂及车间:设备供货厂家:
氧化铝三分公司回转筛单机试车原始记录分厂及车间:设备供货厂家:
氧化铝三分公司回转筛单机试车原始记录分厂及车间:设备供货厂家:
氧化铝三分公司煤气发生炉单机试车原始记录分厂及车间: 设备供货厂家:
氧化铝三分公司矿石定量给料机单机试车原始记录分厂及车间:设备供货厂家:
氧化铝三分公司石灰定量给料机单机试车原始记录分厂及车间:设备供货厂家:。