实验一压力表校验
- 格式:doc
- 大小:509.50 KB
- 文档页数:14
《传感器技术》综合实验指导书茂名学院自动化教研室实验一热电偶的校验一、实验目的1.学习使用并掌握精密型电子电位差计。
2.掌握热电偶的校验方法。
3.掌握确定仪表精度的方法。
二、实验项目1.识别热电偶的种类及电极方向。
2.热电偶进行校验三、实验设备与仪器1.温度控制系统1套2.精密电位差计1套3.铂铑-铂热电偶及补偿导线1套4.镍铬-镍硅热电偶及补偿导线1套四、实验原理实验装置连接如图1-1所示。
图1-1 热电偶校验装置连接图利用温度控制系统产生响应温度,通过精密电位差计检测标准热电偶和被校热电偶所产生的电势信号,将对应数据进行记录,对记录数据计算分析,完成热电偶的校验。
五、注意事项1.温度控制系统产生各点温度需一定时间,温度恒定后才可进行实验。
2.标准电池有一定安装位置,不可随意倒置,否则电池会毁坏。
3.完成实验后要断开电源。
避免电池耗尽。
六、实验说明及操作步骤1.由实验指导人员讲解本实验的基本要求、操作和注意事项。
2.实验步骤(1)熟悉装置,了解装置及压力表结构及各部分作用。
(2)用经验方法识别热电偶:根据热电偶材料的颜色、粗细、硬度等物理特征,识别热电偶的种类及热电偶的正负电极。
(3)按连线图正确接线。
(4)根据需要,通过温度控制系统的控制器设定温度。
(5)精密电位差计调整。
(6) 温度控制系统温度稳定后检测热电偶电势。
根据被校热电偶的检测范围分3~4点。
(7)数据记录及处理记录各校验点对应数据,按要求进行计算。
七、实验报告1.不能打印。
2.用A4统一规格纸张进行。
3.要求有实验题目、实验目的、实验项目、实验设备、实验原理、实验步骤,实验数据记录。
4.计算各误差,完成思考题。
八、思考题1.为何使用补偿导线?2.精密直流电位差计中粗、细和短三个按键的作用是什么?3.检流计有什么作用?实验二压力表的校验一、实验目的1.熟悉弹簧管压力表的结构及工作原理。
2.了解并掌握活塞式压力计的正确使用。
3.掌握确定仪表精度的方法。
现场压力表检定管理制度模版第一章总则第一条为规范现场压力表检定工作,确保检定结果准确可靠,提高现场压力表的测量精度,制定本制度。
第二章组织机构和职责第二条公司设立现场压力表检定组织,负责统一组织和管理现场压力表的检定工作。
第三条现场压力表检定组织由技术人员组成,负责现场压力表的检定、维护和管理。
第四条现场压力表检定组织根据工作需要,可以委托外部检定机构进行检定,但必须确保外部检定机构具有合法合规的资质和能力。
第三章现场压力表检定流程第五条现场压力表的检定工作应当按照以下步骤进行:1. 准备工作:检定前应当准备好相应的设备、仪器和标准器具。
2. 检定方案制定:根据压力表的型号、规格和要求,制定相关的检定方案。
3. 现场检定:将被检定的压力表按照检定方案进行现场检定,确保检定结果准确可靠。
4. 检定记录填写:对每次检定的结果进行详细记录,包括被检定压力表的基本信息、检定过程和结果等内容。
5. 检定结果评价:对检定结果进行评价,判断压力表的测量精度是否符合要求。
6. 检定结果处理:根据检定结果,进行相应的处理,如调整、修理或报废等。
7. 检定报告编制:根据检定结果,编制检定报告,并及时通知相关部门。
第四章现场压力表检定记录管理第六条检定记录应当真实准确,包括被检定压力表的基本信息、检定过程和结果等内容。
第七条检定记录应当按照规定的归档要求进行管理,确保检定记录的完整性和可查性。
第八条检定记录必须经过审核和签字确认,确保检定结果的准确性和可靠性。
第九条检定记录应当及时上报,如发现问题应及时提出修正措施并进行改进。
第五章现场压力表检定设备和标准器具管理第十条现场压力表检定组织应当建立设备和标准器具台帐,按照要求进行管理和维护。
第十一条现场压力表检定设备和标准器具应当定期进行校准和检查,确保其准确可靠。
第十二条现场压力表检定设备和标准器具的使用和保养必须按照操作规程进行,保证其正常运行和使用寿命。
第十三条现场压力表检定设备和标准器具的损坏或者故障应及时报修或更换,确保其正常使用。
耐压试验通用工艺规程1 试验用仪表1.1 实验用压力表量程应为试验压力的1.5~3倍,以2倍为宜。
1.2 压力表盘直径应不小于100mm。
1.3 试验用压力表应经校验合格且在有效期内。
1.4 试验时应使用两个压力表,两个压力表的量程、表盘直径应相同,且应在校验有效期内。
1.5 容器耐压实验用压力表精度不低于1.6级。
1.6 试验前两个压力表指针都应回零,不符合要求的应立即送计量室重新校准,合格后才能使用。
1.7 在升压过程中,两个压力表的读数相差不能超过两个最小刻度。
两压力表读数超过两个最小刻度时应中止试验,将压力表重新校准。
1.8 压力升至试验压力的标准是两压力表读数较小者升至压力试验要求的试验压力。
2 操作步骤2.1 压力容器泄漏试验必须在耐压试验后进行,对常压容器的耐压试验参照压力容器进行,另有规定的除外。
2.2 检查试验工装、连接橡胶管是否专用高压气管、仪器是否完好。
2.3 根据试验压力选用相应量程和精度的压力表,压力表应安装在容器顶部易于观察的部位,压力表朝向应一致。
2.4 根据耐压试验压力选用相应压力等级的试验闷盖和垫片。
适应于螺栓、螺母、垫片、门塞在试验前应检查是否有损伤,不符合要求的应更换。
2.5 安装耐压试验工表,装配密封垫片,并查看图纸和工艺文件,密封垫是否需涂密封胶,如需涂密封胶,则按相应工艺进行,各连接部位螺栓装配齐全,紧固妥当,当图纸或工艺规定螺栓扭矩时,应按图纸或工艺要求.2.6 螺栓紧固顺序按图1;紧固螺栓应至少分三遍逐步对称拧紧,每遍起始位置应错开120度.2.7 耐压试验时安全附件(指压力表、安全阀、爆破片等)一般应按图纸要求装配齐全2.8 试验介质a) 试验介质图纸有规定时,按图纸要求执行,图纸未作规定时流转卡应作出规定:可选用以下任意一种介质,原则上选用最简单的方法执行,禁止使用氟里昂与压缩空气混合气体进行气密试验干燥压缩空气b) 氟里昂(R22)+氮气c) 氢气(5%)(需由专业厂家提供)+氮气d) 氮气e) 其它惰性气体2.9 碳素钢和低合金钢制压力容器,其试验用气体的温度应不低于5度。
化工自动化及仪表实验报告书敖波化学工程2019级2浙江工业大学化学工程学院实验一压力表及压力变送器校验一、实验目的1.了解压力表及压力变送器的结构及功能2.掌握压力变送器的使用3.掌握压力校验仪的使用4.掌握压力表及压力变送器精度校验方法二、实验仪器及设备1.弹簧管压力表8台2.压力变送器8台3.2000型智能数字压力校验仪8台三、实验内容及步骤1、熟悉仪表了解压力表、压力变送器测压原理、结构及功能,熟悉并掌握压力校验仪的正确使用。
2、压力校验仪准备1)上电:按下压力校验仪后面板的电源开关,显示器倒计时3、2、1、0后自动校零,进入测量状态;2)选择压力单位:按右向键,选择压力单位为;3)预压:为减少迟滞,先进行预压测试(将压力加到0.6左右,泄压至常压,如此循环几次);4)调零:循环上述操作后,若压力读数偏离零点,按键即可压力调零;5)管线接线:将导压管两头分别及内螺纹转换接头及压力校验仪压力输出接口连接。
3、压力表基本误差校验1)将压力表压力输入口及内螺纹转换接头相连接并检查密封性;2)正行程测量:将校验仪的手操泵产生的压力加到压力表上,改变压力表输入压力大小,依次使压力表指针指示各满刻度,同时将压力表的各输入压力记录于表1;3)反行程测量:将校验仪的输出压力加大至超过压力表满量程,并逐渐改变压力表输入压力的大小,依次使压力表指针指示各满刻度,同时将压力表的各输入压力记录于表1;4)误差计算:4、压力变送器基本误差校验1)将压力变送器(差压变送器)正压室接口(负压室通大气)及内螺纹转换接头相连接并检查密封性;2)按▲键,将显示器测量选择到I:00.000,若清零按键。
将压力变送器电流信号端子正确接入压力校验仪的电流信号测量端子(红线一端接变送器信号输出的正端,另一端接校验仪24V电源正极输出端;黑线一端接变送器信号输出的负端,另一端接校验仪直流电流测量正极输入端);3)正行程测量:将校验仪的手操泵产生的压力加到压力变送器上,从小到大改变压力变送器输入压力(0.0、0.1、0.2、0.3、0.4、0.5、0.6),依次测量压力变送器在各标准压力点时输出电流的大小,并将其记录于表2;4)反行程测量:将校验仪的输出压力加大至超过压力变送器满量程,从大到小改变压力变送器输入压力(0.6、0.5、0.4、0.3、0.2、0.1、0.0),依次测量压力变送器在各标准压力点时输出电流的大小,并将其记录于表2;5)误差计算:5、实验完毕,切断电源,仪器设备复原四、实验原始记录表及数据处理(误差、精度、变差计算)结果。
化工仪表及自动化实验指导书合肥工业大学化学工程学院目录目录 (2)前言 (3)实验一热电偶的焊接与校验 (4)实验二压力表、流量计的校验 (6)实验三电子自动平衡电桥及动圈表的使用和校验 (9)实验四电子电位差计及数字显示表的使用和校验 (12)实验五 DBW温度变送器的校验 (16)实验六电动调节器性能试验 (18)实验七A3000过程控制系统综合实验 (24)附表一镍铬—镍铝,镍铬—镍硅K(EU—2) 温度—毫伏表 (31)附表二镍铬—考铜EA—2温度毫伏对照表 (32)附表三铂铑-铂LB—3温度—毫伏对照表 (33)附表四铂电阻温度与电阻值换算表 (34)附表五铂电阻温度与电阻值换算表 (35)附表六铜热电阻温度与电阻值换算表 (36)附录七铂热电阻温度与电阻值换算表 (37)附录八铜热电阻温度与电阻值换算表 (38)附录九铜热电阻温度与电阻值换算表 (39)前言本《实验指导书》与厉玉鸣主编的《化工仪表及自动化(第三版)》配套使用,全书共分为两大部分,实验一~六属于验证型实验部分,即现场仪表的使用和校验方法,其中实验一、二涉及到了温度、压力、流量等化工基本参量的测量与校验方法,实验三、四、五涉及到了显示和变送仪表的使用方法和精度校验,实验六则是控制仪表性能参数的测定;实验七则属于综合型实验部分,即自动控制系统的使用和整定方法,要求学生在熟悉A3000过程控制系统的基本使用方法的基础上,按照不同的专业要求有选择地进行温度、压力、液位和流量等化工参数的测量和控制。
各个实验均分作“实验目的和要求”、“工作原理”、“实验仪器及设备”、“实验内容”和“实验报告内容”等五个单元,本书末尾附有常用的分度号对照表。
本书是在现行实验讲义的基础上改编形成的,由合肥工业大学杨则恒副教授主编,并编写其中的实验五、六、七,参加编写的有路绪旺(实验二、三)、吕建平(实验一)、王莉(实验四),全书由路绪旺统稿。
本书在改编过程中得到化工技术中心各位教师的大力支持,在此谨致谢意!成书匆忙,疏漏之处在所难免,恳请大家包涵指正。
实验一压力表校验一、实验目的:1、掌握弹簧管压力表的结构及其工作原理。
2、了解弹簧管压力表中杠杆、齿轮传动的基本原理。
3、学会正确使用标准活塞式压力计校验标准压力表的方法。
4、掌握用对比的方法校验普通压力表。
二、实验所需仪器设备:0--1.6Mpa 0.25级标准压力表一块、0--1.6Mpa 1.6级普通压力表一块、压力发生器一台(0--6.0Mpa)、活塞式压力校验一台。
三、弹簧管压力表的结构原理图:(如下)被测压力由接头9通入,迫使弹簧管1的自由端扩张。
自由端B的弹性形变位移由拉杆2使齿轮3做逆时针偏转,于是指针5通过同轴的中心齿轮4的带动而作顺时针偏转,从而在6的刻度标尺上显示出被测压力的值。
游丝7用来克服因扇形齿轮和中心齿轮的间隙所产生的仪表变差。
改变8的位置,可以调节仪表的量程。
四、实验内容:(一)用标准活塞式压力计校验标准压力表。
(演示)(二)用对比的方法校验普通压力表。
实验的方法与步骤:1、打开压力表校验台中油杯的进油阀(注意不要取下),关闭两压力表的截止阀,逆时针方向转动压力泵的手轮,缓慢地把油从油杯中抽到压力泵的油缸中。
2、打开压力表的两个截止阀,观察压力表的零点,如果零点的指示值在误差允许的范围内,关闭油杯的进油阀,继续下一步的实验。
否则(用取针器)调整好被校压力表的零点后,再关闭油杯的进油阀,继续下一步的实验。
活塞式压力校验台(校验原理图)3、确定被校压力表整个量程范围内的压力校验点(不少于5个点)。
4、顺时针方向转动压力计的手轮,给压力表加压,并逐渐递增压力,让被校压力表依次指示到前面所选得校验点上。
由标准压力表上读取所需数据,并做记录。
这样被校压力表的压力每次均由低逐渐递增到被校压力值(称其为上行读数)。
5、逆时针方向转动压力计的手轮,并逐渐递减压力,让被校压力表依次指示到前面所选得校验点上。
由标准压力表上读取所需数据,并做记录。
这样被校压力表的压力每次均由高逐渐递减到被校压力值(称其为下行值)。
评分:检测技术实验报告实验名称:实验班级:姓名:学号:指导教师:实验日期:实验一压力表的校验一、实验目的1.熟悉弹簧管压力表的结构及工作原理。
2.了解活塞式压力计的结构,掌握利用活塞式压力计校验弹簧压力表的方法。
3.掌握确定仪表精度的方法。
二、实验项目1.通过实物掌握弹簧管压力表的具体结构及其组成。
2.实际操作,掌握活塞式压力计的使用方法。
3.利用活塞式压力计对弹簧管压力表进行,起点、终点的校验三、实验设备与仪器1.活塞式压力计1台2.弹簧管压力表1台3.起针器1个4.小螺丝刀1把四、实验原理实验装置连接如图1-1所示。
被校压力表图1-1 压力表校验装置连接图活塞式压力计作为压力发生器,同时利用其砝码标示作为标准压力(也可安装标准压力表进行显示)。
通过活塞式压力计逐点给被校压力表提供压力,将对应点进行记录,对记录数据计算分析,完成压力表的校验。
五、注意事项1. 下行校验时应先降压,后减砝码,以避免油喷出来。
2. 加砝码时必须先用手托住砝码底盘,后将砝码轻轻放好,不可撞击砝码和底盘。
以免损坏活塞。
3. 活塞式压力计上的各阀均为针形阀,关闭时不宜用力过度,以免损坏阀门。
4. 活塞式压力计应处于水平位置,不可随意移动。
六、实验说明及操作步骤1.由实验指导人员讲解本实验的基本要求、操作和注意事项。
2.实验步骤(1)熟悉装置,了解装置及压力表结构及各部分作用。
(2)零点调整:当被校压力表未输入压力(压力为零)时,其指针应处于零点刻度线。
否则用取针器将指针轻轻取下,重新固定零点位置。
(3)拧开进油阀,关闭安装压力表切断阀,逆时针转动摇把,将传递油抽到压力泵内,关闭进油阀,并打开装有压力表的切断阀。
(4)根据被校压力表量程,确定校验点(全量程内均匀取4~6点)。
(5)正行程校验:根据确定校验点压力值,确定砝码重量并放入砝码。
顺时针转动摇把,至使砝码底盘升离活塞大约一厘米,然后轻轻旋转砝码。
便可进行数据记录。
压力表的强制检定范围概述压力表是一种广泛应用于工业生产过程中用于测量液体或气体压力的仪器。
为确保压力表的准确性和可靠性,需要对其进行定期的检定。
压力表的强制检定范围是指在压力表检定过程中需要满足的一系列要求和标准,以保证其测试结果的准确性和可比性。
强制检定的意义强制检定是指压力表在特定的时间间隔内必须进行的一项检验过程。
通过强制检定,可以及时发现和排除压力表可能存在的问题和缺陷,保证其测量结果的准确性和可靠性。
同时,强制检定还有助于提高压力表的使用寿命,降低维护和更换成本。
强制检定的对象强制检定适用于各种类型的压力表,包括机械式压力表、电子式压力表、差压表等。
不同类型的压力表在强制检定过程中,需要根据其工作原理和设计特点制定相应的检定方法和标准。
强制检定的内容强制检定的内容包括以下几个方面:1. 精度精度是指压力表测量结果与真实值之间的偏差程度。
强制检定过程中,需要对压力表的精度进行评估和检验。
具体包括对压力表的零点偏差、满度偏差、重复性和回程差等进行检定。
2. 线性线性是指压力表输出信号与被控压力之间的线性关系。
强制检定过程中,需要对压力表的线性特性进行评估和检验。
具体包括对压力表在不同被控压力下的输出信号进行测量和比较。
3. 耐受度耐受度是指压力表在一定工作条件下能够保持准确性的能力。
强制检定过程中,需要对压力表的耐受度进行评估和检验。
具体包括对压力表在环境温度变化、湿度变化和震动等条件下的测量准确性进行检定。
4. 稳定性稳定性是指压力表输出信号在一段时间内的变化程度。
强制检定过程中,需要对压力表的稳定性进行评估和检验。
具体包括对压力表在长时间使用和不同工作条件下的输出信号的变化进行监测和比较。
强制检定的方法强制检定方法根据压力表的类型和特点的不同,可以分为以下几种:1. 直接比较法直接比较法是指使用一个已知精度的标准压力表,与待检压力表同时对同一被控压力进行测量,通过对比两者的测量结果,评估待检压力表的精度和可靠性。
一般压力表送检流程总结一、仪表接收在客户送检压力表时,需要客户清楚填写客户委托单。
如,客户名称、联系电话、送检人员姓名、送检时间、样品名称及数量。
在填写好客户委托单后需把委托单第三联给送检人员。
备注:如有特殊要求须在备注注明,例如容器车间阿斯米表,证书需要中英文对照。
以及有保密要求的样品,则需在保密的状态下进行鉴定。
此外,根据实验室能力,如果被检样品量程超过了100MPa,实验室可以不接受。
以及送检样品要保证外观完好,再送检人员送检样品时,需要检查样品外观,如果样品外观严重破损将不予检定。
二、仪表检定1、在检定压力表前,要确定压力表是否禁油。
如果禁油需要选用禁油的设备进行检测。
2、确定是否禁油后根据被检表的量程及准确度选择标准器,根据JJG52-1999规程规定,标准器的允许误差的绝对值不超过被检表的1/4。
3、检定仪表的过程要严格按照规程及相关规定,依次对压力表上标有示值的分度线进行检定。
一般压力表的允许误差计算方法是,被检的一般压力表的准确度等级*测量上限/100,得出的数值是该表的允许误差且为绝对值。
此处一般压力表的允许误差计算与活塞式压力计不同,活塞式压力计是每一测量点*准确度等级/100。
在检表过程中需要对表进行误差估读,因此在计算出允许误差后要对估读值进行计算。
估读值是除了零点外的第一检定点的数值/第一检定点到零点的格数,再用所得数值除以5,最终得到的数值为估读最小值。
例如,例如,0~25MPa、准确度等级为2.5级的一般压力表。
该表的允许误差绝对值为25*2.5/100=0.625(MPa)。
假设5这一点到零点有5小格,那么5/5=1,1/5=0.2(MPa)此为估读值的最小值,根据允许误差该表估读值时每小格不得超过3/5。
在打压后标准表数值达到每一检定点数值且相对稳定时,需轻敲被检表,此时指针无明显跳动显现且指针变动不超过允许误差绝对值1/2时,对该检定点进行数值估读(轻巧表盘亦是为了检查是否有卡针和跳动严重的想象)。
化工仪表及自动化实验指导书(过控装备与控制工程教研室)南昌大学环境与化学工程学院二0 一0 年五月本实验指导书系根据《过程装备控制技术与应用》课程及实验室已有设备而设置的实验内容编写的。
通过实验操作,使学生增强感性认识,加深对书本理论知识的理解,提高动手能力,熟悉和掌握仪表实验工作的一般方法,为将来的实验工作和科学研究打下基础。
实验要求在实验过程中,务必做到以下几点:1、实验前必须预习有关实验内容;2、进入实验室后,应首先认真听取实验介绍,以提高操作效率;3、熟悉并检查实验装置的组成部分及连线;4、按实验要求连接实验装置后,需经老师检查方可进行操作;5、实验过程中,应遵守实验室的规章制度,爱护设备。
在实验过程中未按操作步骤进行而造成仪器、设备、工具等损坏以及发生事故,待查明原因后,按学校有关规定予以赔偿;6、实验后,各小组须整理清点实验工具,并交老师核查;7、按实验具体要求,认真完成实验报告。
在做实验报告时应注意以下几点:1、明确实验目的;2、了解实验内容;3、熟悉实验装置;4、掌握实验方法;5、制定实验步骤;6、处理实验数据(数据准确、表格合理、图形清晰);7、得出实验结果;8、提出分析建议(注意现象,分析误差等原因)。
目录一、实验一弹簧管压力表的校验 (5)二、实验二热电偶与动圈仪表的配套使用 (7)三、实验三自动电子电位差计的校验 (10)四、实验四自动电子平衡电桥的校验 (12)五、实验五XMZ-102数显仪表的校验 (13)六、实验六XMZ-101数显仪表的校验 (14)七、实验七电容式差压变送器认识与校验 (15)实验一弹簧管压力表的校验一、实验目的:1、熟悉工业用弹簧管压力表的构造、工作原理及校验方法;2、掌握压力校验器的基本结构原理和操作方法。
实验设备1、手轮2、手摇泵3、活塞4、被校压力表5、6、7、针形阀8标准压力表9、贮油杯工作原理如图1所示:往油杯内注入传压工作介质(变压器油),打开针形阀 6,关闭针形阀5和7,逆时针方向旋转手轮 1,将工作介质吸入手摇泵内,然后关闭针形阀 6,打开针形阀5和7,顺时针方向旋转手 轮,使手摇泵内的活塞3移动所产生的压力经工作介质传递至压力表4和8上。
实验一双容水箱对象特性的测定实验一、实验目的及要求1. 了解双容水箱的自衡特性。
2. 掌握双容水箱的数学模型及其阶跃响应曲线。
3. 实测双容水箱液位的阶跃响应曲线,用相关的方法分别确定它们的参数。
二、实验原理当对象的动态特性可以用二阶微分方程式来描述时,一般称为二阶对象。
本实验的双容水箱即为二阶对象,其表征对象特性的微分方程式的建立和单容水箱类似。
本实验的进行同单容水箱实验,采用阶跃反应曲线测试法。
阶跃反应曲线法是被控对象在开环运行状况下,待工况稳定后,通过调节器手动操作改变对象的输入信号(阶跃信号)。
同时,记录对象的输出数据和阶跃响应曲线,然后根据给定对象模型的结构形式,对实验数据进行合理地处理,确定模型中的相关参数。
该方法比较简单可行,如本实验输入量是流量,只要将阀门的开度作突然的改变,便可认为施加了阶跃干扰。
双容水箱液位控制结构图如图1所示:图1 双容水箱液位控制结构图设上水箱的进水量为Q 1,水箱的液面高度为H 1,下水箱的进水量为Q 2,出水量为Q 4,水箱的液面高度为H 2。
水槽的动态过程如下:流入水槽的流量Q 1为输入量,水槽液位的高度H 1为输出量,输入流量Q 1一定时,在稳定状况下,液位H 1和H 2维持不变。
在t 0时间突然增大进水阀V1开度,并保持不变,加入阶跃干扰,液位H 1和H 2开始上升,经过一定时间后,液位稳定在某一新的高度H 1′和H 2′。
根据物料动态平衡关系,并考虑到液体传输过程中的时延,其传递函数为:2212()()()(1)(1)s H S KG S e Q S T S T S τ-==+++(1)式中 K=R 4,T 1=R 2C 1,T 2=R 4C 2,R 2、R 4分别为阀V2和V4的液阻,C 1 和C 2分别为上水箱和下水箱的容量系数,式中的K 、T 1和T 2可由实验求得的阶跃响应曲线求出,具体的做法是在图2所示的阶跃响应曲线上取得: (1)h 2(t)稳态值的渐近线h 2(∞);(2)h 2(t)|t=t 1=0.4 h 2(∞)时曲线上的点A 和对应的时间t 1; (3)h 2(t)|t=t 2=0.8 h 2(∞)时曲线上的点B 和对应的时间t 2。
压力表仪器校验规范哈喽,大家好。
今天中科的小编继续来带大家了解力学实验室里的仪器,昨天中科小编给大家讲了力学实验室里面的天平砝码校准方法,今天中科小编来给大家讲讲力学实验室的另外一个仪器(压力表)。
首先让小篇来带大家了解一些压力表吧,压力表是指以弹性元件为敏感元件,测量并指示高于环境压力的仪表,应用极为普遍,它几乎遍及所有的工业流程和科研领域。
在热力管网、油气传输、供水供气系统、车辆维修保养厂店等领域随处可见。
尤其在工业过程控制与技术测量过程中,由于机械式压力表的弹性敏感元件具有很高的机械强度以及生产方便等特性,使得机械式压力表得到越来越广泛的应用。
计量特性:压力表的准确度等级和允许误差,见下图:在测量范围内,示值误差不大于表里所规定的允许误差校准条件:1.环境:温度:(20+5)℃,相对湿度≤85%RH2.压力表应在以上环境条件下至少静置2h方可校准校准项目及方法:1.外观检查2.压力表的零部件装配应牢固、无松动现象。
3.压力表涂层应均匀光洁、无明显剥脱现象。
4.压力表上应有如下标志:产品名称、计量单位和数字、制造单位、准确度等级、出厂编号。
5.表玻璃应无色透明,不应有妨碍读数的缺陷和损伤。
6.分度盘各标志应清晰可辨。
7.压力表指针应紧靠止销并压住零分度线。
校准程序:1.在满量程范围内均选5个校准点,应包括上、下限在内。
2.基本误差校准:在校准环境条件下,一般压力表与标准压力表相比较,读取标准压力表和被校压力表示值,用手轻敲被校压力表外壳,被检压力表摆动停下后,再读取被校压力表的示值,依次加压各校准点直到测量上限,此时切断压力源在测量上限停留3min,然后减压按原校准点回程校准直到零位。
3.回程误差校准:在同一个校准点上增压和减压时,轻敲被校压力表外壳读取两个压力之差为回程误差,压力表的回程误差不大于允许基本误差的绝对值。
4.轻敲位移校准:在同一个校准点上增压和减压时,轻敲被校压力表外壳读取前后两个压力值之差作为每个点的轻敲位移,仪表的轻敲位移应不大于允许基本误差的1/2.5.指针偏移平稳性校准:用眼观察指针偏移应平稳,无跳动和停滞现象。
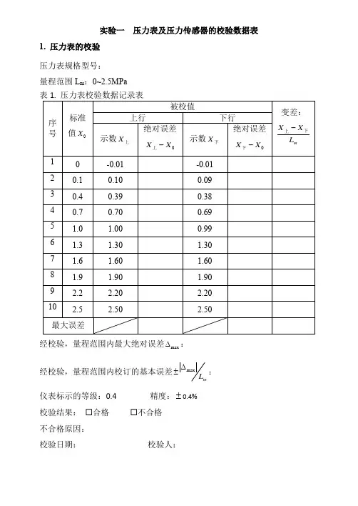
实验一压力表校验
一、实验目的
1.熟悉活塞式压力计的基本结构、工作原理及使用方法。
2.熟悉弹簧管压力表的基本结构、工作原理、以及用压力表校验泵对压力表进行校验、调整的方法。
二、实验容
用标准弹簧管压力表校验并调整工业用弹簧管压力表。
三、实验设备
1.活塞式压力计一台。
2.标准压力表一块。
3.工业用压力表一块。
四、实验步骤和方法
1.实验设备图
⑴把标准压力表及被校压力表在活塞压力计上安装好、检查调整活塞压力计
在水平位置。
⑵排净管道中的气体
a.关闭阀门6、7、8,打开储油杯阀。
b.转动手柄1后退油缸中小活塞吸油、再推进活塞将气体赶走,如此反复几次,直至储油杯口无气泡为止。
c.最后将活塞退回、将油吸入油缸,然后关闭储油杯阀。
3.工业用压力表的调整与校验
⑴初检压力表
a.打开阀门6、7
b.摇动手柄给以零点压力与最大量程压力,对应标准压力表的读数,看被
校表的零点是否正确、量程是否合适。
⑵观察压力表的部结构(弹簧管)
⑶校验压力表
按量程分五等份进行校验,接上行、下行读出标准表与被校表的示值,根据效验结果判断仪表精确等级。
五、校验记录、计算
1.列表
2.结论:按被校表的给定精度等级:
合格或不合格。
校验人:同组人:校验日期:
实验三静态容积法流量标定实验
一、实验目的
1、熟悉孔板流量计测量原理、测量系统及使用方法。
2、掌握静态容积法标定孔板流量计的原理、标定装置及标定方法。
3、根据实验数据计算并绘制下列曲线
a、在双对数坐标纸上分别绘出实际流量q s及计算流量q j与对应差
压h的关系曲线。
b、根据实验装置的已知β值及相关实验数据算出雷诺数R eD与流量
系数α的关系曲线。
二、实验装置(见附录)
三、实验步骤
1、启动标定装置,使其基本稳定运行,确定最大流量时的差压值h max,做
好标定准备。
2、将h大约分成10%、30%、50%、70%、90%、100%的q v所对应的h值,
即0.01, 0.09, 0.25,0.49,0.81, 1.0 h max时,测出相应的标准孔板两端差压
h s和工作量器的液位标准值,每点测二个数据取平均值。
3、标定操作方法
a、开启电源开关,泵启动,按“复零”位置,使计时器示“零”,把“换向”选择开关切“旁路”位置,做计量实验准备。
b、需计量时将“换向”选择开关由“旁路”切向“标定”位置,当液面到工作量器液位计的1/2~2/3高度时,即刻切向“旁路”,同时记录下液位高度和计时器的读数。
c、记录下有关数据后打开工作量器阀门放水,按“复零”位置,使计时器示“零”,准备下一次计量。
d、重复a—c,记录另一组数据。
e、实验完,先关“泵停止”,最后切断电源。
四、实验数据表
五、思考与讨论
1、本实验装置的工作原理如何?如何保证标定流量稳定?
2、本实验中计算质量流量的实用公式是什么?各参数用何单位?
3、计算R eD与α的公式是什么?各参数用何单位?
4、计算流量和实际流量有何差别?实际的R eD-α关系与理论的R eD-α关系有何不同?
附1:相关参数及计算公式
1、计量筒容积计算公式:
V=H * 0.119 + 14 升
H——计量筒标尺读数,mm
注:量筒尺寸:直径390mm , 即0.194 L/mm
盲区容积:14升
2、孔板参数:d20=13.1mm, D20=50mm, β=0.262, C=0.462
3、体积流量计算公式:
12421003999.0ρεβp d C q v ∆-=
其中,4
1β
α-=
C
代入相关参数得:
p q v ∆=0142.0 或 h q v ∆=164.0
其中,v q - h m /3; p ∆- Pa ; h ∆- mmHg ;1ρ- kg/m 3
附2:实验装置
附图静态容积法液体流量装置
1--水泵;2--闸阀;3—水塔;4—溢流管;5—被检流量计;6—背压管路;7—电
磁阀;
8—标定管路;9—旁路管路;10—喷嘴;11—工作量器;12--截止阀;13--水池
实验二电容式物位计实验
一、实验目的
1.掌握电容式物位计的“调零”、“调满”。
2.熟悉电容式物位计的结构及测试液位的原理与方法。
二、实验线路及设备
1.设备UYZ-50型电容物位计显示仪表1台
UYZ-521B电容物位计传感器1台
液面计量量筒试验架1套
导线、插头、直尺。
2.接线
1.仔细观察传感器及显示仪表部结构。
2.“零位”调整
a.显示仪表部分“零位”调整:断开传感器来的输入信号抽出机芯,调节“调零”电位器,使显示仪表为零。
b.传感器“零位”调整:显示仪表“零位”调好后,断开电源,接入传感器输入信号,并将容器中液位放至“零位”(一般指距传感器下端向上20~30mm
处的液位),打开传感器后盖调整平衡电容,使显示仪表输出为零。
3.“满度”调整
调满度时,须将容器液位加满至100%,调节调满电位器、使显示仪表指示为100%。
4.关于零位“迁移”,将容器液位加到指定值,然后调节显示仪表的调零电位器,使显示仪表的指示重新回到“零”,(适移量大,则需要增大测量前置线路中的)。
5.报警
调节上限指针至满度的80%,下限指针至满度的20%,(先放出一部分溶液)然后加入溶液到80%,看上限报警灯是否反应,再放出液体、低于20%,看下限指示灯是否反应。
6.液面测量
将容器液位调到一任意位置,从量筒读出此位置液位的高度、然后看显示仪表的指示值是否正确(一般选三个液位h1为10cm、h2为25cm、h3为35cm、h1为40cm、h2为45cm)。
四、实验报告要求
1.说明本实验的基本方法,步骤及所要达到之目的。
2.标明的用仪表及型号。
3.如实做好每次液位测量时的记录。
注:液位高度需要换算
五、思考题
1.为什么液位的“零位”要保证在传感器下端向上20~30mm处?
3.为什么显示仪表不外接负载时,要将输出短路?
实验六电子电位差计性能实验
一、实验的目的
1.进一步了解、熟悉自动平衡仪表的结构及电路原理。
2.观察了解、熟悉自动平衡仪表中平衡机构、走纸机构的传动关系。
3.通过对自动平衡式仪表的静态性能实验掌握平衡式仪表的效验方法。
二、实验设备
1.UJ-36电位差计
2.XWC-100型自动电位差计
三、实验容
1.将仪表从表壳中抽出,观察各部分的结构,装配及动作原理并分析其在仪表
全量程的0%(起点);5%;25%;45%;50%;
(2)查出在环境温度下所对应的热电势;
(3)求出上行程时各校验点的实际值
a.加入信号值,使被校指针指在各校验点以下2-3分格。
b.逐渐缓慢增加信号值,使指针指在各校验点。
c. 记下各点所对应的UJ-36所指示的实际指示值﹙即上行程实际值﹚。
(4)求下行程时各校验点的实际值
a. 减小信号值,使被校指针指在各校验点以上2-3分格。
b. 逐渐、缓慢减小信号值,使指针指在各校验点上。
c. 记下各点所对应的UJ-36上的读数﹙即下行程实际值﹚。
4. 计算静态特性指标,视其是否符合要求
a. 基本误差﹙相对误差﹚
%100⨯--=始终实示上E E E E δ
%100⨯--=
始
终实示下E E E E δ
δ上δ下—上或下行程的指示误差 E 示—被校表示值所对应的电量(mv )。
E 实—在UJ-36上所对应的电量(mv )。
E 终- E 始—电量程。
b 变差△δ %100"'⨯--=
∆始
终实实E E E E δ
E ′实——输入信号增大时,被校仪表上行时实际值(mv )。
E 〞实——输入信号减小时,被校仪表下行时实际值(mv )。
四、实验数据:
五、思考题:
1.通过分析、试说明产生上、下行程产生误差的原因。
2.为什么可以直接利用UJ-36校验自动电子差计?。