粗苯中间槽改造方案及施工安全措施
- 格式:doc
- 大小:40.11 KB
- 文档页数:8
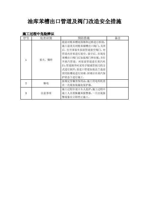
油库苯槽出口管道及阀门改造安全措施施工时间:年月日—年月日施工地点:化产车间油库苯产品罐影响区域:化产车间油库苯产品罐施工内容:在苯产品罐出口管路中加装快切阀和软连接。
安全负责人:施工负责人:措施贯彻人:施工示意图:二、施工方案:1)施工前进行托架预制、检查;阀门试漏;软连接试漏,合格后方可投入使用环节。
2)根据示意图关闭1#、2#阀门,打开7#阀门,对苯槽出口阀门后至泵进口阀门前管道进行放空。
3)将苯槽出口端太高,使用蒸汽对该管路进行吹扫,吹扫液通过7#阀门进行排空。
4)见有清水流出后,关闭7#排空阀门,撤离蒸汽吹扫阀门。
5)在放空阀门前法兰处加装盲板。
6)使用手锯或管子割刀,将管道按照预定尺寸进行割除,割除过程中需边浇水边割除。
7)将管道移至预定位置,使用防爆泥将切开口内部进行封堵(封堵要求:防爆泥远离口端不小于200mm,防爆泥厚度不小于30mm,封堵要求全部密封,同工艺系统进行隔离,施工完成后,防爆泥可以全部取出)。
8)在苯槽出口1#和2#阀门后加装3#、4#手动阀门,并在3#、4#阀门后加装盲板。
9)通知质检中心取样分析,分析合格后方可进行施工作业(合格值:管道气中苯含量小于0.2%方为合格)。
10)使用电焊在割开位置进行动火,焊接法兰盘作业。
11)焊接完毕,拆除3#和4#阀门后加装的盲板,并安装5#、6#快切阀和软连接,并将预置好的支撑安装在5#、6#快切阀下部和软连接后管道下部。
12)进行5#、6#快切阀配气源管和信号线。
13)施工完毕,拆除7#阀门加装的盲板,打开3#、4#、5#、6#阀门,在7#阀门前法兰处接入蒸汽(氮气),对改造管道进行试漏。
14)试漏合格后,恢复7#阀门和苯槽出口至泵前管线。
15)通知施工负责人进行现场验收,验收合格后方可清理物资撤离。
三、安全措施:1.对现场可燃物、易燃物进行彻底清理,并对施工人员进行安全培训。
2.现场配置足量石粉或黄土,用于排放过程中,排放液的覆盖和清理。
2020安全稳定在粗苯储槽清槽时你需要注意哪些安全行为?_0116文档EDUCATION WORD安全稳定在粗苯储槽清槽时你需要注意哪些安全行为?_0116文档前言语料:温馨提醒,教育,就是实现上述社会功能的最重要的一个独立出来的过程。
其目的,就是把之前无数个人有价值的观察、体验、思考中的精华,以浓缩、系统化、易于理解记忆掌握的方式,传递给当下的无数个人,让个人从中获益,丰富自己的人生体验,也支撑整个社会的运作和发展。
本文内容如下:【下载该文档后使用Word打开】20xx年6月4日8点0分至20xx年6月17日17点30分检修项目:粗苯1、2#储槽进行清槽。
检修环境:粗苯储槽内部大量苯气,易燃易爆易中毒。
1、总指挥:任曹珠职责:①负责方案的审核(指全部、全方位、全过程);②负责检修工作的安全措施的落实及全过程的安全工作;③负责检修人员的协调及物资调配;④负责检修过程中工艺的调整;⑤负责项目的检修全过程(包括准备、检修、验收、试车、移交等);2、副总指挥:麻鹏飞、职责:①负责方案的审核;②负责检修工作的安全措施的落实、过程安全工作检查工作;③负责检修过程中工艺指标的调整及安全技术的采取;④负责项目的检修前工艺处理及检修后的验收移交工作;3、安全负责:冯玉平职责:①负责方案的审核;②负责检修工作的安全措施的落实(包括检修前人员现场交底培训工作)及过程安全工作检查;③负责检修前或检修过程中涉及归属安全科的各项票证办理工作;4、工段监护员:武亨杰职责:①负责方案的审核;②负责现场组织检修前工艺处理和工艺调整、检修过程的检修质量以及检修后的验收移交工作;③负责检修工作的安全措施的落实及过程安全工作监护;5、工艺技术员:王建国职责:①负责方案的审核;②负责项目的检修前工艺处理和工艺调整及验收移交工作;③负责检修过程需工艺处理配合的安全措施的落实及检查;6、质量监督员:杨志成、武亨杰职责:①负责方案的审核;②负责项目的检修质量控制及验收移交工作;③负责检修工作的安全措施的落实及过程安全工作检查;7、现场监督:冯玉平郭启胜职责:①负责方案的审核;②负责现场检修工作的安全措施的落实及过程安全工作检查;③负责检修过程中机修工的协调及物资调配;④确保焊接质量。
解决脱苯塔底部压力高问题改造的安全措施主管副总经理:
总工程师:
生产调度室:
安全管理部:
武保部:
技术管理部:
车间主任:
技术主管:
粗苯专家负责人:
编制:化产一车间
检修原因:化产一车间粗苯工段在正常生产过程中脱苯塔底部存在压力高问题(目前值约为65kpa,高时达到70kpa),制约着脱苯效果。
为消除该项隐患及进一步提高脱苯效果,经粗苯提产专家建议现需对粗苯工段脱苯塔进行改造。
具体方案及措施如下:
施工时间:
施工地点:化产车间粗苯工段
施工内容:对粗苯工段脱苯塔进行改造、加装附加设备及管路
施工负责人:
现场监护人:
安全监护人:
措施贯彻人:
施工过程中危险辨识:
施工示意图:
施工安全步骤:
1、开工前所有参加施工人员及岗位操作工必须学习本措施。
2、本次施工在粗苯工段合并检修时进行。
3、在粗苯工段停产后使用蒸汽对脱苯塔及冷凝冷却器进行置换及蒸煮。
4、按照图中所示位置进行加装盲板。
5、依照图中设计方案使用吊车完成新加油水分离器及附属管路的安装。
6、经施工负责人确认无误后,清理施工现场方可离开。
安全施工措施:
1、所有施工人员劳保用品必须穿戴齐全,严禁穿硬底鞋。
2、所有施工人员须经贯彻措施及考试、培训合格后(80分为合格),方可
进入现场进行施工。
粗苯储槽清槽方案粗苯是常见的石化原料,在储运和加工过程中需要使用储槽进行贮存。
储槽的清槽是维护储槽性能和安全的必要操作,下面就粗苯储槽的清槽方案进行详细介绍。
一、储槽清槽的原因储槽作为贮存粗苯的容器,由于长期受到外界环境和粗苯化学性质的影响,储槽内壁会沉积一些杂质和过氧化物,导致储槽容积下降、充放料困难以及可能引起粗苯质量变差等问题,若长期不进行清槽操作,会增加储槽的维修费用,并且给后续工艺操作增加难度,甚至带来安全隐患,因此定期清槽操作是必要的。
二、清槽方案1. 清槽前准备工作(1) 储槽通风设备和测量设备,包括顶部通风口、底部放气口、液位计和温度计等等必须正常运行;(2)清槽操作必须由相关人员进行,操作人员必须带着防毒面具、防护眼镜、手套等个人防护装备并严格执行安全操作规程;(3)清槽准备必须进行充足的安全宣传,确保整个工作计划各方面都做到严谨。
2. 清槽过程清槽操作分为物理清洗和化学清洗两种方法。
(1) 物理清洗物理清洗一般使用高压水枪和蒸汽等方式,将储槽内壁的杂质和污垢冲洗干净。
需注意的是,使用高压水枪时,要控制喷水角度和水压,避免对储槽内壁造成不必要的破损。
(2) 化学清洗化学清洗方法是通过投加化学清洗剂的方式,让化学剂进入储槽内与污垢发生反应,而后经高压水枪冲洗后将污垢清除。
投加化学清洗剂要根据粗苯的化学性质选择合适的清洗剂,投加浓度应该根据储槽壁面情况和污垢严重程度在3%~5%之间,不要超过5%,否则会影响储槽内的产物质量和储存性能。
三、清槽后的处理清槽工作完毕后,要先清除储槽内所有投入的工具和设备,然后对于清洗过的储槽进行物理检查。
检查工作通过外观和设备状态,包括管道、阀门、流量计、液位计等的正常运行是否达到清洗的目的,如果有存在问题,需要及时修复,避免再次使用时造成不良后果。
四、清槽的注意点1. 清槽操作一定要选用合格的人员,必须由经验丰富的技术人员掌控整个过程;2. 清洗后要严格按照验收标准进行检查,如管道漏水、排放物表面颜色和气味等。
粗苯中间槽加装氮气密封方案主管副总经理:
总工程师:
安全管理部:
技术管理部:
车间主任:
主管副主任:
编制人员:
(一)、改造方案
根据公司安全管理部要求,化产一车间粗苯工段中间槽应加装氮气密封保护。
经研究进行如下改造:
(二)、改造示意图
说明:
1、在顶部人孔上开孔,安装现有氮气密封阀;
2、区域内氮气主管路选择DN40无缝钢管,氮气支管路选择DN25无缝钢管;
3、将粗苯中间槽顶部原有放散阀,改为呼吸阀;
4、氮封阀型号为ZZVP DN25 PN1.0 设定充氮压力:14kPa;呼吸阀型号为:
JA V PN2.5 DN80 设定开启压力:15kpa;
5、在粗苯槽进口苯管线上加装2米U型弯一个,防止密封氮气顺着进口管路
流至回流槽,无法起到氮封效果;
6、在顶部呼吸阀根部加装旁路泄压管路一个,用于检修泄压。
- 1 -。
粗苯储槽清槽方案粗苯是一种易燃有害物质,其储存需要严格的安全措施。
粗苯储槽清槽方案是为保障职工和设施安全,在清理粗苯储槽时采取的一系列措施。
下面阐述粗苯储槽清槽方案的具体内容。
一、安全准备1.检查工具:要检查清洗机器和工具,确保可靠、清洁、适合清洗和安全使用。
2.危险品警告:注意保持警示标志和其他人员警告设备,并确保职工正确使用防护设备。
3.防爆装置:检查防爆装置的工作状态,并配备有效的防爆装置,以确保出现危险时能够自行解决。
4.组织力量:负责人要组织专业的清洗公司进行清洗,确保施工人员有充足的专业知识和经验,以确保安全清洗。
二、清洗工具及设备1.清洗机器:清洗机器必须满足安全且具备必需清洗功能的要求,同时,要检查清洗机器是否具有防爆性能。
2.清洗液:清洗液的选择至关重要。
清洗液需要兼顾清洁效果和安全性能,同时与清洗材料和设备配合,以充分发挥清洗效果。
3.清洗材料:清洗材料包括毛巾、截锤、不锈钢套筒等具有清洁能力和光滑性的材料。
三、清洗方法1.排空:在清洗之前,需要将存储在槽内的粗苯全部排空。
2.通风:启动通风系统,确保槽内风道畅通,环境中不残留任何易燃有毒物质。
3.密封:将槽体的入口和出口密封,并安装好各种阀门和承压设备,确保槽体内外部密封,防止污染。
4.清洗:将清洗液通过管道喷射到槽内,然后将清洗液回收和处理。
清洗液应配合清洗设备和材料使用,确保充分发挥其清洗效果。
5.检查:清洗完毕后,进行槽体内部检查,确认是否脱色、无异味、无杂质,并检查阀门、管道是否损坏或泄漏。
6.通风:清洗完毕后,需要通风时间至少12个小时,以确保槽体内没有任何残留物质,同时确保通风系统畅通。
四、安全注意事项1.施工前应对清洗内容有详尽的了解和准备,为操作用具和清洗材料做好消防和安全措施,确保操作过程中不发生任何危险。
2.在清洗过程中,工作区域周围保持安全距离,不要触碰危险区域和设备,复核合理清洗程序并杜绝任何不当盲动作。
粗苯工段粗苯质量控制措施与回收工艺技术方法1、总则:⑴、焦炉煤气是粗苯的重要来源,若是无法对粗苯进行有效回收,就造成了粗苯的浪费,影响了企业的经济收入。
⑵、通过对粗苯工序现状的分析得出,粗苯产率还有着非常大的提升空间。
⑶、深入分析和研究粗苯质量控制方法以及回收工艺,来强化对粗苯回收工作的管理,以促进其生产效率的提升,使企业经济效益能够实现最大化发展。
⑷、作为一种非常复杂化合物,粗苯作为焦煤气的产物,其主要成分有:苯和甲苯、二甲苯等芳香烃,而这些正是重要的化工原料。
2、粗苯质量控制措施:⑴、当脱苯塔塔顶温度过高时:①、一般来说,当塔顶温度高于105℃时,应采取有效的控制措施,来保证苯的质量。
②、首先,应对油换热器的贫油流量进行调节,使富油温度始终保持在110℃到150℃之间。
③、其次,将管式炉出口的富油温度控制在170℃到185℃之间。
④、再次,管式炉出口的过热蒸汽温度被控制在350℃到400℃之间。
⑤、最后,对粗苯的回流量进行调节,将塔顶温度控制在105℃以下。
⑵、在脱苯塔开工时:①、应在开工之前检查设备、阀门以及管道是否处于良好状态。
②、在油水分离器中注满水之后,需要将放散管、蒸馏设备、富油泵、再生器的各个阀门打开,使蒸汽得以贯通进行清扫,来检验设备的运行状态。
③、在清扫完成之后,将所有蒸汽阀门关闭,并将贫富油泵启动进行送油,经过一段、二段贫油冷却器进入洗苯塔。
④、当塔底液位升到一半时,应及时启动贫富油泵的冷循环系统,当冷循环正常运转之后,管式加热炉进行点火加热,在再生器中加入适量的油,再使蒸汽阀门处于开放状态。
⑤、工作人员还应查看脱苯塔的底部压力是否符合相关技术的要求,在冷凝液冷却器出口苯为30摄氏度时,将冷却水打开,当回流槽出现溢流的情况时,在启动回流泵进行流量控制工作,保持塔顶温度能够低于105℃。
⑶、在脱苯塔停工时:①、对于各个设备的放液管的畅通情况进行检查,不再对再生器进行加油,当达到排渣规定温度时,应将再生期内的残渣排放出去,将各个管道进行清理。
安全施工方案------粗苯储槽拆除编制人:申学军化产分厂审核:总工办审核:职能部门审核:总工程师审批:生产副总审批:编制单位:长治晋堂拆除公司金晖工程部2016年5月23日方案根据甲方焦化升级改造工程总体安排,我公司将对化产分厂粗苯工段粗苯储槽进行拆除、清理。
为保证拆除工程安全、有序、高效进行,特制定本方案:一、工程内容:化产分厂粗苯工段粗苯储槽及附属管道、阀门等的拆除、清理。
二、计划工期: 2016年5月日----2016年5月日,约4天。
三、工程涉及的环境:1、拆除范围:粗苯工段粗苯储槽及附属管道、阀门等的拆除、清理。
2、拆除环境:2.1、施工空间与粗苯生产区域相邻,可能存在易燃易爆气体,不得进行动火作业;2.2、拆除区域内气味刺鼻,必须做好安全防护措施,对施工环境进行有效辨识、确认后,方可开始施工2.3、现场管道多、杂,施工前确认好介质,有效隔离、隔断,方可开始施工;2.4、粗苯储槽及其附属设施,笨、大、重,小心砸伤、碰伤;四、工程组织机构及职责:1、工程负责人:申学军负责组织协调本工程内外业务关系;负责本工程质量、工期、安全各项指标的完成;负责组织落实施工组织设计;负责落实安全责任制、负责文明施工及实现文明工地要求和目标;负责组织工程竣工交验。
2、现场技术负责人:王义广负责编制施工组织设计及质量计划;负责施工工艺管理,确定工程关键工序并组织编制技术措施,进行技术问题的洽商与核定。
3、现场负责人:李洪洋负责现场具体施工的协调、组织、指挥;负责施工过程中的安全、质量;4、安全员:芋任强申海红负责做好施工全过程的安全教育;随时检查施工过程安全设施,安全防护、安全用具的齐全、合格、可靠,并认真填写安全验收记录和整改通知单;有权纠正施工过程违章操作,并进行违章处罚。
5、吊装负责人:曹双艮负责现场吊装设备的检查确认;负责吊装过程中的指挥。
五、施工前的准备工作:1、施工人员:2、施工机具:3、工艺处理:甲方负责工艺处理,经双方现场确认、移交(详见后附粗苯工段1#、2#粗苯储槽工艺及施工处置方案);4、安全措施准备:1)、严格执行方案中的各项安全措施;施工过程中配备专职的脱产安全员;每天开安全会并做好记录;保证遵守金晖公司的各项规章制度;2)、制定完善、具体、可行性好的安全施工预案,保证施工过程中发生突发情况,有预案可执行,可以实行自救,可以处理应急事故;3)、施工过程中要有专职吊装指挥人员,现场吊装过程中,专人指挥。
粗苯工段问题检修方案审核人:审批人:粗苯工段存在的问题的施工安全,特制定如下检修方案:一、组织机构:总指挥:李春明负责方案的审批。
副总指挥:高胜国、任曹珠负责方案的审核与检修过程中的协调工作。
工艺负责人:闫小计廉凯麻鹏飞郝瑞青王建国负责工艺控制协调。
设备总负责:和艳慧、杨志成负责设备的协调、指挥、审核验收等工作。
安全负责人:张菊民原江涛负责检修过程中的安全协调工作。
现场负责人:高胜国、任曹珠负责现场检修过程中的人员调配和检修质量验收等具体工作。
现场安全负责人:张炎海负责现场检修过程中的安全措施的监督落实及现场施工期间巡查、隐患排查等工作。
工段负责人:武亨杰负责组织当班操作人员落实各项安全措施、工艺配合调整、应急处理及现场监护。
二、检修前工作准备:1.对检修过程涉及部位螺栓全部进行注油保养。
锈蚀严重的2.制作准备检查脚手架、手把砂轮机。
3.现场准备灭火水管、灭火蒸汽管道、灭火器。
4.现场准备肥皂、毛巾、冲洗清水等急救物品。
四、检修步骤:1、开工后发现回流槽和苯水分离顶部盖板密封不严,有渗漏现象,需加法兰垫,冒苯气和苯,存在安全隐患。
(材料到货后,化产具备施工条件后3天)2、开工后发现回流槽和苯水分离顶部放散加三通及阀门与尾气管分开,防止尾气管道堵塞后不能及时发现,导致工艺不正常。
负责人:武亨杰安全措施:①停工后降低液位,拆下管道进行预制然后进行安装。
②将粗苯油水分离器和回流槽盖板拆下后在短接处加放散及阀门③必须用铜制工具拆卸螺丝,严禁铁器碰撞。
④预制时必须对盖板进行吹扫,焊接时必须移至安全区域方可动火。
3、开工后回流泵后流量计坏没有旁通,无法进行检修,如要检修必须停工,回流量不对无法对塔顶温度进行合理调整,影响产量。
(材料到货后,化产具备施工条件后9天)化产分厂负责人:王建国安全措施:①停工后放空出口管道内的苯。
②进塔法兰堵盲板,流量计拆卸下来,然后用蒸汽进行吹扫。
③锯开出口管道一截管道,塞湿棉纱防火泥进行焊接。
焦化厂粗苯加工安全要求1精苯1.1精苯生产区域宜设高度不低于2.2m的围墙,其出入口不得少于两个,且正门应设门岗。
1.2禁止穿带钉鞋或携带火种者以及无有效防火措施的机动车辆进入围墙内。
1.3精苯生产区域,不得布置化验室、维修间、办公室和生活室等辅助建筑。
1.4金属平台和设备管道应用螺栓连接。
1.5洗涤泵与其他泵宜分开布置,周围应有围堰。
1.6洗涤操作室宜单独布置,洗涤酸、碱和水的玻璃转子流量计,应布置在洗涤操作室的密闭玻璃窗外。
1.7封闭式厂房内应通风良好,设备和贮槽上的放散管应引出室外,并设阻火器。
1.8苯类贮槽和设备上的放散管应集中设洗涤吸收处理装置、惰性气体封槽装置或其他排气控制设施。
1.9苯类管道宜采用铜质盲板。
1.10禁止同时启动两台泵往一个贮槽内输送苯类液体。
1.11苯类贮槽宜设淋水冷却装置。
1.12各塔空冷器强制通风机的传动皮带,宜采用导电橡胶皮带。
1.13初馏分贮槽应布置在库区的边缘,其四周应设防火堤,堤内地面与堤脚应做防水层。
1.14初馏分贮槽上应设加水管,槽内液面上应保持0.2~0.3m水层。
露天存放时,应有防止日晒措施。
1.15禁止往大气中排放初馏分。
1.16送往管式炉的初馏分管道,应设气化器和阻火器。
1.17处理苯类的跑冒事故时,必须戴隔离式防毒面具,并应穿防静电鞋或布底鞋,且宜穿防静电服。
2古马隆生产2.1古马隆蒸馏釜宜采用蒸汽加热,若采用明火加热,其距精苯厂房和室外设备应不小于30m。
2.2用氯化铝聚合重苯的室内,禁止无关人员逗留。
2.3热包装仓库应设机械通风装置,热包装出口处应设局部排风设施。
3苯加氢3.1反应器的主要高温法兰,应设蒸汽喷射环。
3.2主要设备及高温高压重要部位,应设有固定式可燃性气体检测仪。
3.3莱托尔反应器器壁应涂变色漆,以便发现局部过热。
3.4制氢还原态催化剂,严禁接触空气及氧气,停工时应处于氮封状态。
3.5取样时应装好静电消除器。
3.6加热炉和改质炉烟道废气取样,应用防爆的真空泵。
粗苯中间槽加装氮气密封安全措施审批表主管副总经理:总工程师:安全管理部:消防部门:技术研发中心:生产调度室:车间主任:主管副主任:编制人员:化产一车间(盖章)20xx年1月9日施工时间:施工地点:粗苯工段影响区域:粗苯工段施工内容:在粗苯中间槽上引入氮气密封。
安全负责人:施工负责人:措施贯彻人:施工过程中危险辨识:(一)、施工示意图:(二)、施工步骤:1、进行氮气管路铺设,铺设起点为东煤气桁架氮气管路处,至粗苯中间槽。
2、将粗苯中间槽内的粗苯输送至综合罐区。
3、拆除顶部人孔和顶部呼吸阀。
4、将预制好的铁板盖在顶部人孔处。
5、安装新到呼吸阀,并用螺栓进行紧固。
6、将拆下人孔搬运至修理工房内进行开孔和焊接短接作业。
7、上步施工完成后,进行粗苯中间槽顶部人孔恢复。
8、进行氮封阀、测压压力表安装作业。
9、顶部阀门安装时应根据氮气流向依次安装控制用阀门、过滤器、逆止阀、氮封阀。
10、进行预制氮气打岔用短接;11、将氮气打岔用短接焊接至氮气管路上。
12、在氮气管路停气后,使用电焊机进行开孔作业。
13、开孔作业完成后,加装控制阀门(DN40)。
14、恢复氮气供应,进行控制阀门后管路连接作业。
15、焊接完成后,拆除施工过程中加装的盲板,打开氮气控制阀门,进行调试氮气密封系统。
16、施工完毕,清扫现场恢复生产。
施工安全措施:1、施工人员需按规定穿戴劳保用品及防护用品。
2、施工过程中应设立专职监护人,负责施工过程中的监护。
3、拆除顶部人孔和呼吸阀的过程中,严禁使用气割。
4、在粗苯区域动火检修前需进行气体分析,动火点周围环境气中可燃气含量不得高于40ppm。
5、施工过程中施工人员需佩戴报警器,一旦出现报警现象应立即停止动火作业。
6、遇拆除不掉的螺栓,采用手锯加水喷淋的方式拆除紧固螺栓。
7、氮气管路开孔过程中,施工人员严禁正对开孔位置。
8、开孔过程中,现场需配置正压式空气呼吸器两台。
9、在粗苯中间槽顶部安装人孔和抽堵盲板过程中严禁敲打贮槽、法兰。
粗苯中间槽改造方案及施工安全措施
主管副总经理:
总工程师:
安全管理部:
消防部门:
技术研发中心:
生产调度室:
车间主任:
主管副主任:
编制人员:
化产一车间(盖章)
20xx年9月11日
施工时间:年月日至年月日
施工地点:化产粗苯中间槽
影响区域:化产粗苯工段
施工内容:将现有泡沫灭火管,改造成粗苯转移管。
用水将粗苯中间槽中剩余粗苯顶至粗苯低位槽,通过液下泵转至贫油槽。
安全负责人:
施工负责人:
措施贯彻人:
施工过程中危险辨识:
施工示意图如下:
施工方案:
1. 将施工用工具及材料转移至施工现场,并对现场接地情况进行检查(保持完好状态)。
2. 利用闲置法兰孔,安装粗苯蒸汽灭火管线。
3. 将现有泡沫管道和泡沫产生器进行拆除。
4. 拆除完成后在泡沫管道法兰接口部位安装施工短接。
5. 根据示意图,在法兰间进行加装盲板作业,盲板远离苯槽侧加装石棉垫(或四氟垫)进行密封。
6. 将根据施工示意图进行改造转移管线。
7. 通知施工负责人进行验收,验收合格后方可进行下步操作。
8. 将粗苯中间槽出口管道阀门打开,使粗苯中间槽呈联通状态。
9. 通过粗苯油水分离器(或粗苯回流槽)向粗苯中间槽注水。
接泡沫消防车
至粗苯低位槽
备注:图中粗实线位置为施工时加装盲板位置;细虚线位置为改造后拆除管道;粗虚线位置为粗苯转移管线。
泡沫产生器
10.当液面高于泡沫口时,中间槽内粗苯会自流进粗苯低位槽中。
11.通过粗苯低位槽接口位置,查看出液情况。
12.当流出清水后,关闭注水阀门。
13.使用低位槽液下泵将低位槽中液体转移至贫油槽进行再利用。
14.经允许后,拆除临时管线。
安全措施:
1、所有施工人员劳保用品必须穿戴齐全。
2、施工现场放置两台灭火器备用。
3、凡是有高血压、心脏病、恐高症及其他不适应高空作业的人,
一律不得从事高空作业。
4、施工用电焊机、气瓶应放置在粗苯中间槽围堰外。
5、放液时间严禁选择在中午太阳直晒时间段。
6、抽堵盲板过程中,施工人员严禁正对抽堵盲板位置。
7、抽堵盲板过程中,使用工具应涂抹黄油。
8、动火作业前应对粗苯中间槽接地进行检查,并清理干净现场可
燃物、易燃物。
9、焊接时地线应搭接到焊件上,严禁在粗苯中间槽上搭接地线。
10、动火前需对动火管路进行取样分析,可燃气体总含量不得大于
0.2%方为合格。
11、注水过程中应设立专人查看粗苯中间槽液位,达到满流状态时
应设立专人查看溢流至粗苯低位槽液体情况。
12、当溢流出清水后,应立即关闭注水阀门。
13、拆除和安装管道过程中,流出液体应随时清理干净。