性能测试流程规范汇编
- 格式:docx
- 大小:129.62 KB
- 文档页数:11
汇编文件控制程序一、引言在计算机科学中,汇编语言是一种低级编程语言,它直接与特定的计算机硬件进行交互。
使用汇编语言编写的程序通常被编译成机器代码,这使得它们在运行时具有极高的效率。
然而,由于这种语言的复杂性,开发人员往往需要花费大量的时间和精力来编写和维护这些程序。
因此,开发一种能够自动化处理汇编文件的管理和控制程序,对于提高开发效率和代码质量具有重要意义。
二、汇编文件控制程序的功能汇编文件控制程序的主要功能包括:1、文件管理:程序可以自动创建、复制、移动和删除汇编文件,从而简化了开发人员对文件系统的操作。
2、编译控制:程序可以自动调用汇编编译器,将汇编源文件编译成机器代码,减少了因手动操作导致的错误。
3、版本控制:程序可以跟踪和管理汇编文件的版本信息,使得开发团队可以轻松地跟踪代码的变更历史。
4、调试支持:程序可以自动生成调试信息,使得开发人员可以更方便地调试和优化他们的程序。
5、性能分析:程序可以自动分析汇编代码的性能,帮助开发人员优化代码,提高程序的运行效率。
三、实现汇编文件控制程序的步骤实现一个汇编文件控制程序需要以下步骤:1、确定需求:首先需要明确程序需要实现的功能和目标。
2、设计程序架构:根据需求设计程序的模块和结构。
3、编写代码:根据设计文档编写程序的各个模块。
4、测试程序:对编写的代码进行测试,确保程序的正确性和稳定性。
5、优化和改进:根据测试结果对程序进行优化和改进。
6、发布和维护:发布程序,并定期进行维护和更新。
四、结论汇编文件控制程序是一个重要的工具,它可以帮助开发人员自动化处理汇编文件的管理和控制。
通过使用这种程序,开发人员可以节省大量的时间和精力,提高开发效率和代码质量。
在实现一个汇编文件控制程序时,需要明确需求、设计程序架构、编写代码、测试程序、优化和改进以及发布和维护等步骤。
通过不断地改进和完善,可以使得这种程序成为一个强大的工具,帮助开发人员更有效地进行软件开发。
*实用文库汇编之1、目的*规范WCDMA射频测试标准,使工程师在作业时有所遵循,特制订本规范。
2 、适用范围本规范适用于公司研发的WCDMA 产品项目。
3 、参考文件3GPP TS 34.121《3rd Generation Partnership Project;Technical Specification Group Radio Access Network User Equipm ent(UE)radio transmission and reception(FDD)(Release 9)》3GPP TS 25.133《3rd Generation Partnership Project;Technical Specification Group Radio Access Network;Requirement s for support of radio resource management (FDD) (Release 9)》4 、缩略语和术语ACLR Adjacent Channel Leakage power Ratio 邻道泄漏抑制比ACS Adjacent Channel Selectivity 邻道选择性AWGN Additive White Gaussion Noise 加性高斯白噪声BER Bit Error Ratio 误比特率BLER Block Error Ratio 误块率CPICH Common Pilot Channel 公共导频信道CQI Channel Quality Indicator 信道质量指示CW Continuous Wave (un-modulated signal) 连续波(未调制信号)DCH Dedicated Channel 专用信道(映射到专用物理信道)DPCCH Dedicated Physical Control Channel 专用物理控制信道DPCH Dedicated Physical Channel 专用物理信道DPDCH Dedicated Physical Data Channel 专用物理数据信道DTX Discontinuous Transmission 非连续发射Ec Average energy per PN chip 每个伪随机码的平均能量EVM Error Vector Magnitude 误差矢量幅度FDD Frequency Division Duplex 频分复用Fuw Frequency of unwanted signal 非有用信号频率HARQ Hybrid Automatic Repeat Request 自动混合重传请求HS-DPCCH High Speed Dedicated Physical Control Channel 高速专用物理控制信道HS-PDSCH High Speed Physical Downlink Shared Channel 高速物理下行共享信道HS-SCCH High Speed Shared Control Channel 高速共享控制信道Iblocking Blocking signal power level 阻塞信号功率电平Io The total received power spectral density 总接收功率频谱密度Ioac The power spectral density of the adjacent frequency channel 邻信道功率谱密度Ioc The power spectral density of a band limited white noise source 带限白噪声功率谱密度Ior The total transmit power spectral density of the downlink signal at the Node B an tenna connector 基站发送的总功率谱密度Îor The received power spectral density of the downlink signal as measured at the UE antenna connector 下行链路所接收的功率谱密度Iouw Unwantedsignal power level 非有用信号功率电平OCNS Orthogonal Channel Noise Simulator 正交信道噪声模拟器PCCPCH Primary Common Control Physical Channel 主公共控制物理信道 PICH Paging Indicator Channel 寻呼指示信道PRACH Physical Random Access Channel 物理随机接入信道Qqualmin Minimum Required Quality Level 小区质量最小需求Qrxlevmin Minimum Required Rx Level 小区信号电平最小需求<REFÎor> Reference orIˆ<REFSENS> Reference sensitivity 参考灵敏度RRC Root-Raised Cosine 根升余弦 RSCPReceived Signal Code Power 接收信号码功率SCH Synchronisation Channel 同步信道SF Spreading Factor 扩频因子TFC Transport Format Combination 传输格式集合UE User Equipment 用户设备UTRA UMTS Terrestrial Radio Access 陆地无线接入UTRAN UMTS Terrestrial Radio Access Network 陆地无线接入网络5、测试环境正常环境:15℃~35℃;湿度控制在20~75% ;常压。
通用计算CPU性能测试评价技术要求1范围本文件规定了通用计算CPU性能测试评价的通用要求,以及运行规则、软件框架、基准负载、运行环境及工具应用。
本文件适用于确定和评价通用计算CPU性能测试基准及CPU产品的设计、开发和使用。
2规范性引用文件本文件没有规范性引用文件。
3术语和定义下列术语和定义适用于本文件。
3.1基准测试benchmark test基准测试是指通过设计科学的测试方法、测试工具和测试系统,实现对一类测试对象的某项性能指标进行定量的和可对比的测试。
3.2性能基准performance benchmark基准测试时用于建立某个时刻的性能标准参考值,标定被测试软硬件系统的性能指标。
3.3测试负载test workload修改自实际应用软件,用于测试CPU性能的测试用例代码。
3.4负载套件workload suites基准软件中用于特定测试模式的一组测试负载集合。
3.5单任务模式single task model以运行时间作为评估指标,用来衡量单核运算性能的CPU执行模式。
3.6多任务模式multiple task model以吞吐量作为评估指标,用来衡量多核运算性能的CPU执行模式。
3.7典型性能模式typical performance model采用非定制优化措施的性能测试模式,同一种编程语言不同负载的性能相关的编译参数或优化措施必须一致。
3.8极限性能模式extreme performance model采用定制优化措施的性能测试模式,同一种编程语言不同负载的性能相关的编译参数或优化措施可以不同。
4缩略语下列缩略语适用于本文件。
AOCC:AMD C/C++优化编译器(AMD Optimized C/C++Compiler)CPU:中央处理器(Central Processing Unit)GCC:GNU编译器套装(GNU Compiler Collection)ICC:Intel C++编译器(Intel C++Compiler)JDK:Java开发套件(Java Development Kit)LLVM:底层虚拟机(Low Level Virtual Machine)5通用要求5.1可重复性在相同的测试条件下(测试环境信息、编译器工具链信息以及调优措施等),任一测试套件多次测试应有近似的测试结果,误差应不大于5%。
第七章验收检查7.1 概述由于紧固件的生产批量大,检验项目多,不可能进行百分之百的全数检验,否则要花费很高的检验费用,尤其是破坏性试验,要实施全数检验是根本不可能的。
由于通过小的样本n来判定批量N的产品合格与否,就不可避免地存在两个风险(误判),即生产者风险α和用户风险β,n越小,风险越大,加大样本大小,可以降低风险,然而,从经济性角度来衡量,n越小检验成本也就越小。
紧固件验收检查是一项极为重要的基础标准,是供需双方对交付验收的紧固件产品批是接收或拒收的依据。
国际标准化组织于上世纪80年代初着手制定《紧固件验收检验》标准,现行标准ISO 3269:2000(GB/T 90.1—2002,idt等同采用)。
随着贸易的发展和用户对紧固件质量要求的不断提高,各国的紧固件验收检查标准也在不断的提高和完善。
目前,中国、日本、意大利、澳大利亚和英国等已等效或等同采用ISO 3269制定了国家标准。
美国有自已的紧固件质量检验标准。
7.2 国际紧固件验收检查标准7.2.1 适用范围在订货时,未与紧固件供方协议采用其他验收检查程序时,需方必须遵循本标准规定的验收程序,以确定一批紧固件的验收或拒收。
本标准适用于螺栓、螺钉、螺柱、螺母、销、垫圈、盲铆钉和其他相关的紧固件。
本标准不适用于高速机械装配,以及特殊工程监理的紧固件产品的验收检查。
供方可向其他供货者购买附件、半成品和进行工艺外协作、加工,成品的最终提供者应对紧固件的最终产品质量完全负责。
本标准适用于交货时的紧固件,而不适用接收后的紧固件再加工、处理(镀层)的检验。
7.2.2 验收检查的基本规则7.2.2.1 本抽样方案的生产者风险应不大于5%。
7.2.2.2 在验收过程中应强调,着重考虑产品是否符合预期的功能。
7.2.2.3 对已拒收的紧固件,必须经修整或分类后,才能复检。
7.2.2.4 验收检查中,如有争议应采用直接测量进行判定,但对螺纹检查仍应以螺纹量规的检查结果作为验收依据。
测试计划测试计划汇编五篇测试计划篇1测试计划中所有测试方法和模块已经执行通过所有的测试案例已经执行过所有的重要等级为1/2的Bug已经解决并由测试验证第2章项目背景2、1测试范围说明本计划涵盖的测试范围,比如功能测试、集成测试、系统测试、验收测试等、通常说明什么是要测试的,什么是不要测试的是非常重要的、明确规定这些问题后,测试人员对该做什么有一个清晰的认识(1)简要地列出测试对象中将接受测试或将不接受测试的那些性能和功能(2)如果在编写此文档的过程中作出的某些假设可能会影响测试设计、开发或实施,则列出所有这些假设(3)列出可能会影响测试设计、开发或实施的所有风险或意外事件(4)列出可能会影响测试设计、开发或实施的所有约束提示和技巧:需要测试和特别注意测试那些部分?测试是否专么针对与某些问题的解决哪些部分不需要测试,为什么?哪些部分需要推迟测试,为什么是否要验证每个模块的稳定性?测试的优先级和先后顺序2、2测试目标系统目标对测试人员了解自己需要做什么是非常重要的、测试项目负责人应积极与系统设计人员或开发人员沟通,以取得相关资料、测试人员必须知道系统是做什么并且帮助项目实现这种目标、在计划中包括系统视图和目标后,要确保所有的测试人员都知道项目和系统的目标、通常情况下项目计划都是模糊的、模糊的目标必须通过成员的努力转换成可衡量和实现的东西、没有固定的视图和目标,你将无法完成部分任务、而且,你会发现很难将对产品的认识向别人转述2、3联系方式列出项目参与人员的职务、姓名、E―mail和电话测试计划篇2中心小学一年级汉语拼音测试方案提要:备课笔记重点检查二次备课情况,教后反思的撰写情况;学生作业重点检查学生书写情况以及教师的批给情况;班务工作重点检查班级环境布置、图书角的建设、班务手册的填写等。
为加强常规教学管理,强化质量意识,规范教育教学行为,树立踏实敬业、乐于奉献的先进典型,总结和推广成功的教育教学经验,同时发现问题,整改不足。
塑料检验方法标准汇编1972版本(最新版4篇)目录(篇1)1.概述2.塑料检验方法标准的历史3.1972 版本的主要内容4.1972 版本的影响和意义5.结语正文(篇1)1.概述塑料检验方法标准汇编是对塑料产品进行检验和测试的一系列方法的集合,它为塑料行业的生产和质量控制提供了重要的技术支持。
在塑料行业的发展过程中,塑料检验方法标准的建立和不断完善,对于保证塑料产品的质量和提高行业的整体水平具有重要的意义。
2.塑料检验方法标准的历史塑料检验方法标准的历史可以追溯到上世纪中期,随着塑料工业的兴起,人们对于塑料产品的质量和性能要求不断提高,塑料检验方法标准也应运而生。
从最初的简单测试方法,到现代的复杂分析技术,塑料检验方法标准经历了从无到有,从简单到复杂的发展过程。
3.1972 版本的主要内容1972 版本的塑料检验方法标准汇编,是当时全球塑料行业的重要技术文献。
它主要包括了塑料的物理性能、化学性能、力学性能、热性能等方面的检验方法,以及相应的测试设备和操作规程。
这些内容对于塑料产品的设计和生产,以及质量检验和控制具有重要的指导作用。
4.1972 版本的影响和意义1972 版本的塑料检验方法标准汇编,对当时的塑料行业产生了深远的影响。
它不仅推动了塑料产品质量的提高,也推动了塑料行业的技术进步。
同时,它也为塑料产品的国际贸易提供了重要的技术依据,对于提升我国塑料产品在国际市场上的竞争力具有重要的意义。
目录(篇2)1.塑料检验方法标准汇编 1972 版本的概述2.标准的主要内容3.标准的制定背景和意义4.标准的应用范围和影响正文(篇2)塑料检验方法标准汇编 1972 版本是一部关于塑料检验方法的标准汇编,该标准汇编主要包括了各种塑料检验方法的规定和要求,对于塑料行业的发展起到了重要的推动作用。
标准的主要内容涵盖了塑料的物理、化学、力学等方面的检验方法,包括了各种塑料的检验标准,如聚乙烯、聚氯乙烯、聚丙烯等。
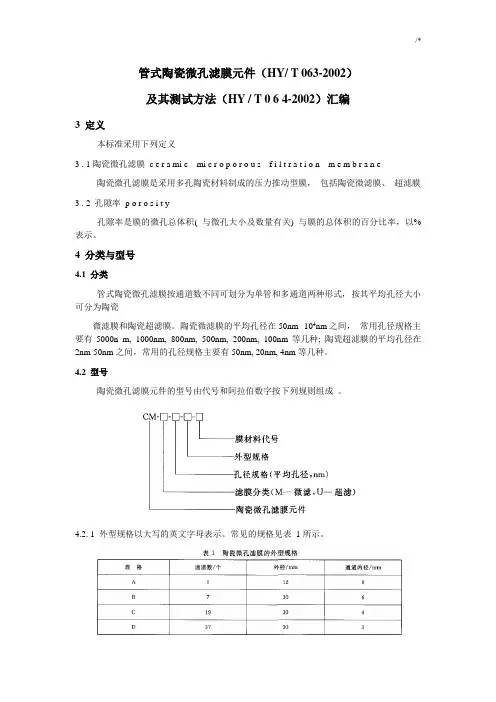
管式陶瓷微孔滤膜元件(HY/ T 063-2002)及其测试方法(HY / T 0 6 4-2002)汇编3 定义本标准采用下列定义3 . 1陶瓷微孔滤膜c e r a mi c mi c r o p o r o u s f i l t r a t i o n m e m b r a n e陶瓷微孔滤膜是采用多孔陶瓷材料制成的压力推动型膜,包括陶瓷微滤膜、超滤膜3 . 2 孔隙率p o r o s i t y孔隙率是膜的微孔总体积( 与微孔大小及数量有关) 与膜的总体积的百分比率,以%表示。
4 分类与型号4.1 分类管式陶瓷微孔滤膜按通道数不同可划分为单管和多通道两种形式,按其平均孔径大小可分为陶瓷微滤膜和陶瓷超滤膜。
陶瓷微滤膜的平均孔径在50nm -104nm之间,常用孔径规格主要有5000n m, 1000nm, 800nm, 500nm, 200nm, 100nm等几种; 陶瓷超滤膜的平均孔径在2nm-50nm之间,常用的孔径规格主要有50nm, 20nm, 4nm等几种。
4.2 型号陶瓷微孔滤膜元件的型号由代号和阿拉伯数字按下列规则组成。
4.2. 1 外型规格以大写的英文字母表示。
常见的规格见表1所示。
4.2.2 膜材料代号以金属元素符号表示,几种常用的膜材料见表2.示例:CM-M-800-C-Al表示陶瓷微孔滤膜元件为:cm为陶瓷微孔滤膜元件,M为微滤,孔径为800 nm,通道数为19个通道,外径为30 mm,膜材料为氧化铝。
5 要求及测试方法(T)T 3 定义本标准采用下列定义。
T 3.1 干膜d r y m e mb r a n e干膜是指孔内无浸润剂,并充满渗透剂的陶瓷微孔滤膜。
T 3.2 湿膜we t me mb r a n e用浸润剂充分浸润后的陶瓷微孔滤膜称为湿膜。
T 4 主要试剂和材料本方法中所用下列试剂均为分析纯。
—纯净水: 符合G B 1 7 3 2 3 各项技术指标。
测试计划修订历史记录(A-添加,M-修改,D-删除)目录1.简介 (4)1.1目的 (4)1.2背景 (4)1.3 测试目标 (4)1.4范围 (4)2.测试参考文档和测试提交文档 (5)2.1测试参考文档 (5)2.2测试提交文档 (6)3.测试进度 (6)4.测试资源 (7)4.1人力资源 (7)4.2测试环境 (8)4.3测试工具 (9)5.系统风险、优先级 (9)6.测试策略 (10)6.1功能测试 (10)6.2用户界面测试 (11)6.3性能评测 (12)7.测试标准 (14)7.1 测试接收标准 (14)7.2 测试停止标准 (14)7.3 非正常停止标准 (14)8.风险管理 (15)8.1 项目进度风险 (15)8.2 需求变更风险 (15)8.3 沟通不良风险 (15)8.4 功能和需求不一致风险 (15)9.附录:项目任务 (16)1.简介1.1目的<学生信息管理平台>这一测试计划文档有助于实现以下目标:➢对每个测试模块制定测试策略和方法➢制定测试测试进度和任务安排➢确定软件测试目标➢准备测试所需的环境➢预测测试风险1.2背景本系统软件名为SMS学生信息管理平台的B/S结构,由洛阳惠普基地老师进行设计开发。
本软件旨在为惠普基地的老师与学生提供一个信息的收集与交流的平台。
学生信息管理平台的好处是:一是为老师发布作业与学生下载、提交作业提供好的交流平台;二是使老师对学生的作业信息和学生的基本信息有更加系统的查询与保存功能。
1.3 测试目标本次测试使用手动测试和自动化测试来完成测试,根据用户需求,找出本系统学生管理、就业管理、档案管理、就业统计、作业管理等五个主要功能模块的缺陷和不足,发现系统隐藏的问题。
功能测试可至少要进行三个轮次的测试,测试用例执行率要达到90%,缺陷修改率要达到95%。
性能测试目标满足用户的要求或者与用户的要求接近度达到99%。
1.4范围需要测试的目标:在学生信息管理平台系统功能测试中,需要测试学生管理、就业管理、档案管理、就业统计、作业管理等五个主要功能模块系统性能指标要求如下:1、系统支持的在线用户数不低于5002、登录、学生管理、就业管理、档案管理、就业统计、作业管理等模块,相关操作的平均响应时间不超过3s软硬件环境需求:1、CRM系统可运行于Windows平台,支持Apache服务程序2、系统采用B/S架构,支持IE11、谷歌浏览器对系统的访问3、系统数据库使用MySQL 5.5(或更高版本)界面需求:1、系统界面规范,颜色、风格搭配2、页面布局合理,人性化3、界面文字信息准确4、系统界面中的窗体与各种控件可正常显示和使用,易用性好5、Tab键、enter键、快捷键等可以正常使用2.测试参考文档和测试提交文档2.1测试参考文档2.2测试提交文档3.测试进度4.测试资源4.1人力资源4.2测试环境4.3测试工具选择UFT工具做功能测试的优势:支持功能测试和回归测试自动化,可用于软件应用环境的测试UFT自动化的基本功能是创建测试、检验数据、增强测试、运行测试脚本、分析测试结果、维护测试。
评标详细程序文件一、引言评标是招标过程中至关重要的一环,它决定了哪一个投标者能够获得合同。
为了确保评标过程的公正、公平和透明,本文详细阐述了一个评标程序文件应包含的内容和步骤。
二、评标程序文件1、初步审查初步审查是评标的初始阶段,主要对投标文件的基本内容进行审查,包括投标文件的完整性、符合性和响应性。
这一阶段的目标是筛选出那些不符合招标要求或存在重大缺陷的投标文件。
2、技术评审在初步审查通过后,技术评审将对投标文件中的技术部分进行深入评估。
这一阶段将重点投标者对技术要求的满足程度、技术方案的可行性和创新性,以及实施计划的有效性。
3、商务评审商务评审是对投标文件中的商务部分进行评估,主要包括价格、付款方式、合同条款和条件等。
在这一阶段,评标委员会将对比各个投标者的报价和商务条件,判断其合理性和竞争力。
4、综合评估综合评估是评标的最后阶段,评标委员会将结合技术评审和商务评审的结果,对投标者进行全面的评估。
这一阶段将权衡投标者的技术方案、商务条件和实施能力,以确定最符合招标需求的投标者。
三、结论评标详细程序文件为招标过程提供了明确的指南,确保了评标的公正、公平和透明。
通过遵循这一程序文件,评标委员会可以有效地筛选出优秀的投标者,为项目的成功实施打下坚实的基础。
电器厂3c程序文件ccc程序文件CQC程序文件vde程序文件汇编标题:电器厂3C程序文件、CQC程序文件、VDE程序文件汇编在电器厂中,3C程序文件、CQC程序文件和VDE程序文件是保证产品质量和安全的关键因素。
这些程序文件规定了产品的设计、制造、检测和使用等各个环节的规范和标准,是电器厂运作的基础。
一、3C程序文件3C程序文件是电器厂必须遵循的基本规范,它主要针对产品的安全性、可靠性和环保性等方面进行了详细的规定。
在产品设计阶段,3C 程序文件要求必须进行严格的安全性评估,确保产品在使用过程中不会对用户造成伤害。
在产品制造阶段,3C程序文件规定了必须的生产工艺、材料和质量控制措施,以确保产品的质量和安全性。
单元测试流程有哪些内容单元测试是软件开发中至关重要的一环,通过对每个模块或函数进行独立的测试,可以有效确保代码的质量和稳定性。
在进行单元测试时,需要遵循一定的流程和步骤,以确保测试的全面性和有效性。
下面将介绍单元测试的流程以及其中包含的内容。
1. 测试计划编写在进行单元测试之前,需要制定测试计划,明确测试的目的、范围、时间安排以及测试的方法。
测试计划是单元测试工作的基础,可以帮助团队明确测试的目标和方向。
2. 环境准备在进行单元测试前,需要搭建好测试环境,包括所需的开发工具、测试框架和测试数据。
确保测试环境的稳定性和完整性,以保证测试的准确性。
3. 单元测试用例设计设计好单元测试用例是确保测试完整性和覆盖率的关键步骤。
在设计测试用例时,需要考虑各种输入情况和边界条件,以确保对代码的全面覆盖。
4. 编写测试代码根据设计好的单元测试用例,编写测试代码并进行测试。
测试代码需要测试各种情况下代码的正确性和稳定性,确保代码的功能符合设计要求。
5. 运行测试用例运行编写好的测试用例,检查测试结果并记录测试日志。
在运行测试用例时,需要确保每个测试用例都能正确运行并通过测试。
6. 分析测试结果根据测试结果分析测试覆盖率和代码覆盖率,找出测试中存在的问题和不足之处。
分析测试结果可以帮助开发团队改进代码质量和开发效率。
7. 缺陷修复在分析测试结果的基础上,对测试中发现的缺陷和问题进行修复。
及时修复缺陷可以提高代码的质量和稳定性。
8. 重复测试修复完缺陷后,需要重新运行测试用例,确保修复的问题得以解决。
重复测试可以验证修复的效果和确认代码的稳定性。
以上就是单元测试的流程和内容,通过以上步骤,可以确保代码的质量和稳定性,提高软件开发的效率和质量。
在实际开发中,单元测试是必不可少的一环,帮助开发团队快速发现和解决问题,降低软件开发的风险。
信息化项目检验用表汇编
为了确保信息化项目的质量和符合预期目标,制定一套详尽的检验用表是非常关键的。
以下是一个检验用表的汇编,涵盖了项目启动、需求分析、设计评审、编码与单元测试、集成测试、系统测试和验收测试等各个阶段的检查项。
1. 项目启动检验用表
2. 需求分析检验用表
3. 设计评审检验用表
4. 编码与单元测试检验用表
5. 集成测试检验用表
6. 系统测试检验用表
7. 验收测试检验用表
通过以上检验用表的汇编,可以帮助项目团队在各个阶段进行全面的质量把控,确保信息化项目的顺利进行和成功交付。
2013年最新工程质量检测标准、规范目录汇编标准号:标准名称:实施日期GB 18445-2012 水泥基渗透结晶型防水材料自2013年11月1日实施GB 8624-2012 建筑材料及制品燃烧性能分级自2013年10月1日实施GB/T 2542-2012 砌墙砖试验方法自2013年9月1日实施GB/T 11944-2012 中空玻璃自2013年9月1日实施GBT 29059-2012 超薄石材复合板自2013年09月01实施GB/T 29060-2012 复合保温砖和复合保温砌块自2013年9月1日实施GBT 29061-2012 建筑玻璃用功能膜自2013年9月1日实施GB/T 29062-2012 蒸压泡沫砼砖和砌块自2013年9月1日实施GB/T 14902-2012 预拌砼自2013年9月1日实施GB/T 50784-2013 混凝土结构现场检测技术标准自2013年9月1日起实施GB/T 8077-2012混凝土外加剂匀质性试验方法自2013年8月1日实施GB/T 29417-2012 水泥砂浆和混凝土干燥收缩开裂性能试验方法2013年8月1日实施GB 18173.1-2012 高分子防水材料第1部分:片材自2013年6月1日实施GB/T 28887-2012 建筑用塑料窗自2013年6月1日实施GB 28635-2012 混凝土路面砖自2013年6月1日实施JGJ 79-2012 建筑地基处理技术规范自2013年6月1日实施GB/T 28900-2012 钢筋混凝土用钢材试验方法 2013年5月1日实施JG/T314-2012 聚氨酯硬泡复合保温板自2013年4月1日实施GB 5237.6-2012 铝合金建筑型材第6部分:隔热型材自2013年4月1日实施DGJ32-TJ 145-2012 回弹法检测混凝土抗压强度技术规程自2013年3月1日实施GB/T 28289-2012 铝合金隔热型材复合性能试验方法自2013年2月1日实施JGT 334-2012 建筑外墙用铝蜂窝复合板自2013年01.01 已实施GB 12952-2011 聚氯乙烯(PVC)防水卷材自2012年12月1日起实施GB 27789-2011 热塑性聚烯烃(TPO)防水卷材自2012年11月1日起实施GB 50618-2011 房屋建筑和市政基础设施工程质量检测技术管理规范自2012年10月1日起实施GB 50208-2011 地下防水工程质量验收规范自2012年10月1日起实施GB 50207-2012 屋面工程质量验收规范自2012年10月1日起实施JGJ 120-2012 建筑基坑支护技术规程自2012年10月1日起实施GB/T 15229-2011 轻集料混凝土小型空心砌块自2012年8月1日起实施GB/T 50152-2012 混凝土结构试验方法标准自2012年8月1日起实施GB 50003-2011 砌体结构设计规范自2012年8月1日起实施GB 50007-2011 建筑地基基础设计规范自2012年8月1日起实施GB/T 27690-2011 砂浆和混凝土用硅灰自2012年8月1日起实施JG/T 116-2012 聚碳酸酯(PC)中空板自2012年8月1日起实施JG/T 342-2012 建筑用玻璃与金属护栏自2012年8月1日起实施JG/T 347-2012 聚碳酸酯(PC)实心板自2012年8月1日起实施JG/T 358-2012 建筑能耗数据分类及表示办法自2012年8月1日起实施JG/T 359-2012 建筑用泡沫铝板自2012年8月1日起实施JG/T 360-2012 金属装饰保温板自2012年8月1日起实施JG/T 362-2012 温度法热计量分摊装置自2012年8月1日起实施JG/T 364-2012 纤维增强复合材料格栅自2012年8月1日起实施JG/T 366-2012 外墙保温用锚栓自2012年8月1日起实施JG/T 368-2012 钢筋桁架楼承板自2012年8月1日起实施JG/T 370-2012 缓粘结预应力钢绞线专用粘合剂自2012年8月1日起实施JG/T 377-2012 混凝土防冻泵送剂自2012年8月1日起实施CJ/T 273-2012 聚丙烯静音排水管材及管件自2012年8月1日起实施JTGT F50-2011 公路桥涵施工技术规范自2012年8月1日起实施JGJ/T 259-2012 混凝土结构耐久性修复与防护技术规程自2012年8月1日起实施JGJ/T 271-2012 混凝土结构工程无机材料后锚固技术规程自2012年8月1日起实施GB 50661-2011 钢结构焊接规范自2012年8月1日起实施JGJ 18-2012 钢筋焊接及验收规程自2012年8月1日起实施JC/T 2089-2011 干混砂浆生产工艺与应用技术规范自2012年7月1日起实施JC/T 207-2011 建筑防水沥青嵌缝油膏自2012年7月1日起实施JGJ 253-2011 无机轻集料砂浆保温系统技术规程自2012年6月1日起实施JGJ 276-2012 建筑施工起重吊装工程安全技术规范自2012年6月1日起实施CECS 300:2011 钢结构钢材选用与检验技术规程自2012 年6月1日起实施GB 50203-2011 砌体结构工程施工质量验收规范自2012年5月1日起实施GB 50739-2011 复合土钉墙基坑支护技术规范自2012年5月1日起实施JGJ/T 87-2012 建筑工程地质勘探与取样技术规程自2012年5月1日起实施JGJ/T 261-2011 外墙内保温工程技术规程自2012年5月1日起实施JGJ/T 277-2012 红外热像法检测建筑外墙饰面粘结质量技术规程自2012年5月1日起实施JGJ/T 279-2012 建筑结构体外预应力加固技术规程自2012年5月1日起实施GB 50728-2011 工程结构加固材料安全性鉴定技术规范自2012年5月1日起实施JG/T 335-2011 混凝土结构防护用成膜型涂料自2012年5月1日起实施JG/T 336-2011 混凝土结构修复用聚合物水泥砂浆自2012年5月1日起实施JG/T 337-2011 混凝土结构防护用渗透型涂料自2012年5月1日起实施JG/T 338-2011 建筑玻璃用隔热涂料自2012年5月1日起实施JG/T 340-2011 混凝土结构工程用锚固胶自2012年5月1日起实施JG/T 341-2011 建筑用纱门窗自2012年5月1日起实施JG/T 343-2011 外墙涂料吸水性的分级与测定自2012年5月1日起实施JG/T 344-2011 建筑工程室内环境测试舱自2012年5月1日起实施JG/T 345-2011 建筑工程室内环境现场检测仪器自2012年5月1日起实施JG/T 346-2011 合成树脂装饰瓦自2012年5月1日起实施JG/T 348-2011 纤维增强混凝土装饰墙板自2012年5月1日起实施JG/T 349-2011 硅改性丙烯酸渗透性防水涂料自2012年5月1日起实施JG/T 350-2011 混凝土轻质条板自2012年5月1日起实施JG/T 354-2012 建筑门窗及幕墙用玻璃术语自2012年5月1日起实施JG/T 355-2012 天然石材用水泥基胶粘剂自2012年5月1日起实施JG/T 356-2012 建筑遮阳热舒适、视觉舒适性能检测方法自2012年5月1日起实施GB/T 50668-2011 节能建筑评价标准自2012年5月1日起实施GB 50164-2011 混凝土质量控制标准自2012年5月1日起实施CJJ 11-2011 城市桥梁设计规范自2012年4月1日起实施JGJ/T 14-2011 混凝土小型空心砌块建筑技术规程自2012年4月1日起实施JGJ/T 260-2011采暖通风与空气调节工程检测技术规程自2012年4月1日起实施GB 13544-2011 烧结多孔砖和多孔砌块自2012年4月1日起实施GB 26541-2011 蒸压粉煤灰多孔砖自2012年4月1日起实施GB 26537-2011 钢纤维混凝土检查井盖自2012年4月1日起实施GB 26538-2011 烧结保温砖和保温砌块自2012年4月1日起实施GB 26540-2011 外墙外保温系统用钢丝网架模塑聚苯乙烯板自2012年4月1日起实施JGJ 95-2011 冷轧带肋钢筋混凝土结构技术规程自2012年4月1日起实施JGJ 256-2011 钢筋锚固板应用技术规程自2012年4月1日起实施JT/T 819-2011 公路工程水泥混凝土用机制砂自2012年4月1日起实施GB/T 10299-2011 保温材料憎水性试验方法自2012年3月1日实施GB/T 1346-2011 水泥标准稠度用水量、凝结时间、安定性检验方法自2012年3月1日起实施GB/T 50315-2011 砌体工程现场检测技术标准自2012年3月1日实施GB/T 50129-2011 砌体基本力学性能试验方法标准自2012年3月1日实施苏JG/T 041-2011 复合发泡水泥板外墙外保温系统应用技术规程自2012年3月1日实施GB/T 14685-2011 建设用碎石、卵石自2012年2月1日实施GB/T 14684-2011 建设用砂自2012年2月1日实施GB/T 26542-2011 陶瓷砖防滑性试验方法自2012年2月1日实施JTS 202-2-2011 水运工程混凝土质量控制标准自2012年1月1日实施GB/T 228.1-2010 金属材料拉伸试验第1部分:室温试验方法自2011年12月1日起实施GB/T 50538-2010 埋地钢质管道防腐保温层技术标准自2011年12月1日起实施GB/T 26526-2011 热塑性弹性体低烟无卤阻燃材料规范自2011年12月1日起实施GB/T 26518-2011 高分子增强复合防水片材2011年12月1日起实施JGJ/T 23-2011 回弹法检测混凝土抗压强度技术规程自2011年12月1日起实施JGJ/T 240-2011 再生骨料应用技术规程自2011年12月1日起实施JGJ/T 241-2011 人工砂混凝土应用技术规程自2011年12月1日起实施JGJ 83-2011 软土地区岩土工程勘察规程自2011年12月1日起实施JGJ/T 104-2011 建筑工程冬期施工规程自2011年12月1日起实施JGJ/T 239-2011 建(构)筑物移位工程技术规程自2011年12月1日起实施JGJ 55-2011 普通混凝土配合比设计规程自2011年12月1日起实施JGJ 130-2011 建筑施工扣件式钢管脚手架安全技术规范自2011年12月1日起实施JGJ 227-2011 低层冷弯薄壁型钢房屋建筑技术规程自2011年12月1日起实施JGJ 6-2011 高层建筑筏形与箱形基础技术规范自2011年12月1日起实施JGJ 237-2011 建筑遮阳工程技术规范自2011年12月1日起实施JGJ/T 235-2011 建筑外墙防水工程技术规程自2011年12月1日起实施JGJ/T 238-2011 混凝土基层喷浆处理技术规程自2011年12月1日起实施JGJ/T 234-2011 择压法检测砌筑砂浆抗压强度技术规程自2011年12月1日起实施JGJ/T 53-2011 房屋渗漏修缮技术规程自2011年12月1日起实施CJJ/T 154-2011 建筑给水金属管道工程技术规程自2011年12月1日起实施CJJ/T 155-2011 建筑给水复合管道工程技术规程自2011年12月1日起实施JTG E20-2011 公路工程沥青及沥青混合料试验规程自2011年12月1日起实施JTG E20-2011 公路工程沥青及沥青混合料试验规程释义手册自2011年12月1日起实施GB 25779-2010 承重混凝土多孔砖自2011年11月1日起实施GB 50057-2010 建筑物防雷设计规范自2011年10月1日起实施GB/T50640-2010 建筑工程绿色施工评价标准自2011年10月1日起实施GB/T 26081-2010 污水用球墨铸铁管、管件和附件自2011年10月1日实施GB 50628-2010 钢管混凝土工程施工质量验收规范自2011年10月1日起实施GB/T 14525-2010 波纹金属软管通用技术条件自2011年10月1日起实施GB/T 25975-2010 建筑外墙外保温用岩棉制品自2011年10月1日起实施GB/T 25993-2010 透水路面砖和透水路面板自2011年10月1日起实施GB/T 25996-2010 绝热材料对奥氏体不锈钢外部应力腐蚀开裂的试验方法自2011年10月1日起实施GB/T 26480-2011 阀门的检验和试验自2011年10月1日起实施GB/T 26478-2011 氨用截止阀和升降式止回阀自2011年10月1日起实施GB/T 25997-2010 绝热用聚异氰脲酸酯制品自2011年10月1日起实施GB/T 25998-2010 矿物棉装饰吸声板自2011年10月1日起实施GB/T 26000-2010 膨胀玻化微珠保温隔热砂浆自2011年10月1日起实施GB/T 26001-2010 烧结路面砖自2011年10月1日起实施CJJ/T 29-2010 建筑排水塑料管道工程技术规程自2011年10月1日起实施JGJ/T 228-2010 植物纤维工业灰渣混凝土砌块建筑技术规程自2011年10月1日起实施JGJ 230-2010 倒置式屋面工程技术规程自2011年10月1日起实施JGJ/T 229-2010 民用建筑绿色设计规范自2011年10月1日起实施JGJ 231-2010 建筑施工承插型盘扣式钢管支架安全技术规程自2011年10月1日起实施JGJ 224-2010 预制预应力混凝土装配整体式框架结构技术规程自2011年10月1日起实施JGJ 3-2010 高层建筑混凝土结构技术规程自2011年10月1日起实施JGJ 85-2010 预应力筋用锚具.夹具和连接器应用技术规程自2011年10月1日起实施CJJ/T 158-2011 城建档案业务管理规范自2011年10月1日起实施CJ/T 225-2011 埋地排水用钢带增强聚乙烯(PE)螺旋波纹管自2011年10月1日起实施JGJ/T 233-2011 水泥土配合比设计规程自2011年10月1日起实施JGJ 82-2011 钢结构高强度螺栓连接技术规程自2011年10月1日起实施JGJ 96-2011钢框胶合板模板技术规程自2011年10月1日起实施JGJ/T 207-2010 装配箱混凝土空心楼盖结构技术规程自2011年10月1日起实施JG/T 317-2011 混凝土用粒化电炉磷渣粉自2011年10月1日起实施JG/T 266-2011 泡沫混凝土自2011年10月1日起实施JG/T 316-2011 建筑防水维修用快速堵漏材料技术条件自2011年10月1日起实施CECS 69:2011 拔出法检测混凝土强度技术规程自2011年10月1日起实施GB/T 26528-2011 防水用弹性体(SBS)改性沥青自2011年9月1日起实施GB/T 26510-2011 防水用塑性体改性沥青自2011年9月1日起实施GB/T 25824-2010 道路用钢渣自2011年9月1日起实施GB/T 25826-2010 钢筋混凝土用环氧涂层钢筋自2011年9月1日起实施GB/T 25833-2010 公路护栏用镀锌钢丝绳自2011年9月1日起实施GB/T 11263-2010 热轧H型钢和剖分T型钢自2011年9月1日起实施GB/T 1499.3-2010 钢筋混凝土用钢第3部分:钢筋焊接网自2011年9月1日起实施CECS 293-2011 房屋裂缝检测与处理技术规程自2011年9月1日实施GB 50204-2002(2011版) 混凝土结构工程施工质量验收规范自2011年8月1日起实施GB/T 25176-2010 混凝土和砂浆用再生细骨料自2011年8月1日起实施GB/T 25177-2010 混凝土用再生粗骨料自2011年8月1日起实施GB/T 25181-2010 预拌砂浆自2011年8月1日起实施GB/T 25182-2010 预应力孔道灌浆剂自2011年8月1日起实施GB/T 25183-2010 砌墙砖抗压强度试验用净浆材料自2011年8月1日起实施GB/T 17431.2-2010 轻集料及其试验方法第2部分:轻集料试验方法自 2011年8月1日起实施JGJ/T 97-2011 工程抗震术语标准自2011年8月1日起实施JG/T 291-2011 建筑用砌筑和抹灰干混砂浆自2011年8月1日起实施JGJ/T 236-2011 建筑产品信息系统基础数据规范自2011年8月1日起实施JGJ 165-2010 地下建筑工程逆作法技术规程自2011年8月1日起实施CJ/T 358-2010 非开挖铺设用高密度聚乙烯排水管自2011年8月1日起实施JG/T 298-2010 建筑室内用腻子自2011年8月1日起实施JGJ/T 225-2010 大直径扩底灌注桩技术规程自2011年8月1日起实施JGJ/T 98-2010 砌筑砂浆配合比设计规程自2011年8月1日起实施JG/T 309-2011 外墙涂料水蒸气透过率的测定及分级自2011年8月1日起实施JG/T 311-2011 柔性饰面砖自2011年8月1日起实施JG/T 312-2011 遇水膨胀止水胶自2011年8月1日起实施JG/T 304-2011 建筑用防涂鸦抗粘贴涂料自2011年8月1日起实施JG 175-2011 建筑用隔热铝合金型材自2011年8月1日起实施JGJ/T 219-2010 混凝土结构用钢筋间隔件应用技术规程自2011年8月1日起实施JGJ 217-2010 纤维石膏空心大板复合墙体结构技术规程自2011年8月1日起实施GB/T 27407-2010 实验室质量控制利用统计质量保证和控制图技术评价分析测量系统的性能自2011年7月1日起实施GB/T 27408-2010 实验室质量控制非标准测试方法的有效性评价线性关系自2011年7月1日起实施GB 6566-2010 建筑材料放射性核素限量自2011年7月1日起实施GB 25029-2010 钢渣道路水泥自2011年7月1日起实施GB 50010-2010 混凝土结构设计规范自2011年7月1日起实施GB/T 14800-2010 土工合成材料静态顶破试验(CBR法) 自2011年6月1日起实施GB/T 7659-2010 焊接结构用铸钢件自2011年6月1日起实施GB/T 25774.1-2010 焊接材料的检验第1部分:钢、镍及镍合金熔敷金属力学性能试样的制备及检验自2011年6月1日起实施GB/T 25774.3-2010 焊接材料的检验第3部分:T型接头角焊缝试样的制备及检验自2011年6月1日起实施GB/T 25775-2010 焊接材料供货技术条件产品类型、尺寸、公差和标志自2011年6月1日起实施GB/T 25776-2010 焊接材料焊接工艺性能评定方法自2011年6月1日起实施GB/T 25777-2010 焊接材料熔敷金属化学分析试样制备方法自2011年6月1日起实施GB/T 25778-2010 焊接材料采购指南自2011年6月1日起实施GB/T 232-2010 金属材料弯曲试验方法自2011年6月1日起实施GB 50325-2010 民用建筑工程室内环境污染控制规范自2011年6月1日起实施GB 50617-2010 建筑电气照明装置施工与验收规范自2011年6月1日起实施GB/T 50621-2010 钢结构现场检测技术标准自2011年6月1日起实施GB/T 13763-2010 土工合成材料梯形法撕破强力的测定自2011年6月1日起实施GB 50608-2010 纤维增强复合材料建设工程应用技术规范自2011年6月1日起实施GB 50574-2010 墙体材料应用统一技术规范自2011年6月1日起实施GB 50669-2011 钢筋混凝土筒仓施工与质量验收规范自2011年5月1日起实施GB/T 15180-2010 重交通道路石油沥青自2011年5月1日起实施GB/T 494-2010 建筑石油沥青自2011年5月1日起实施GB/T 4508-2010 沥青延度测定法自2011年5月1日起实施GB/T 4509-2010 沥青针入度测定法自2011年5月1日起实施GB/T 11147-2010 沥青取样法自2011年5月1日起实施GB/T 25033-2010 再生沥青混凝土自2011年5月1日起实施GB/T 25044-2010 砌墙砖抗压强度试样制备设备通用要求2011年5月1日起实施GB/T 17431.1-2010 轻集料及其试验方法第1部分:轻集料自2011年5月1日实施JG/T 263-2010 建筑门窗用未增塑聚氯乙稀彩色型材自2011年5月1日起实施JG/T 289-2010 混凝土结构加固用聚合物砂浆自2011年5月1日起实施JC/T 2041-2010 聚氨酯灌浆材料自2011年3月1日起实施JC/T 2040-2010 负离子功能建筑室内装饰材料自2011年3月1日起实施JC/T 829-2010 石膏空心条板自2011年3月1日起实施JC/T 698-2010 石膏砌块自2011年3月1日起实施JC/T 778-2010 玻璃纤维增强塑料板材和蜂窝夹层结构弯曲蠕变试验方法自2011年3月1日起实施JC/T 782-2010 玻璃纤维增强塑料透光率试验方法自2011年3月1日起实施JC/T 491-2010 增强塑料拉挤型材按组分分类方法自2011年3月1日起实施JC/T 773-2010 纤维增强塑料短梁法测定层间剪切强度自2011年3月1日起实施JC/T 289-2010 玻璃纤维增强塑料蜂窝芯子吸水性试验方法自2011年3月1日起实施JC/T 580-2010 水泥振动筛自2011年3月1日起实施JC/T 2037-2010 丙烯酸盐灌浆材料自2011年3月1日起实施JC/T 287-2010 纤维增强塑料空隙含量试验方法自2011年3月1日起实施JC/T 2033-2010 混凝土外加剂用聚醚及其衍生物自2011年3月1日起实施JC/T 2032-2010 轨道交通风道用纤维钢丝网水泥板自2011年3月1日起实施JC/T 749-2010 预应力与自应力混凝土管用橡胶密封圈试验方法自2011年3月1日起实施JC/T 748-2010 预应力与自应力混凝土管用橡胶密封圈自2011年3月1日起实施JC/T 640-2010 顶进施工法用钢筋混凝土排水管自2011年3月1日起实施JC/T 2031-2010 水泥砂浆防冻剂自2011年3月1日起实施JC/T 2030-2010 预制混凝土衬砌管片生产工艺技术规程自2011年3月1日起实施JC/T 2029-2010 预应力离心混凝土空心方桩自2011年3月1日起实施JC/T 600-2010 石灰石硅酸盐水泥自2011年3月1日起实施JC/T 437-2010 自应力铁铝酸盐水泥自2011年3月1日起实施JGJ/T 221-2010 纤维混凝土应用技术规程自2011年3月1日起实施JGJ/T 220-2010 抹灰砂浆技术规程自2011年3月1日起实施JGJ/T 213-2010 现浇混凝土大直径管桩复合地基技术规程自2011年3月1日起实施JT/T 329-2010 公路桥梁预应力钢线用锚具、夹具和连接器自2011年3月1日起实施JGJ/T 216-2010 铝合金结构工程施工规程自2011年3月1日起实施JGJ 214-2010 铝合金门窗工程技术规范自2011年3月1日起实施GB/T 5464-2010 建筑材料不燃性试验方法自2011年2月1日起实施GB 50591-2010 洁净室施工及验收规范自2011年2月1日起实施GB 50606-2010 智能建筑工程施工规范自2011年2月1日起实施GB/T 50600-2010 渠道防渗工程技术规范自2011年2月1日起实施GB 50601-2010 建筑物防雷工程施工与质量验收规范自2011年2月1日起实施GB 50224-2010 建筑防腐蚀工程施工质量验收规范自2011年2月1日起实施JGJ 88-2010 龙门架及井架物料提升机安全技术规范自2011年2月1日起实施JGJ/T 223-2010 预拌砂浆应用技术规程自2011年1月1日起实施JGJ/T 212-2010 地下工程渗漏治理技术规程自2011年1月1日起实施JGJ/T 197-2010 混凝土预制拼装塔机基础技术规程自2011年1月1日起实施JG/T 284-2010 结构加固修复用玻璃纤维布自2011年1月1日起实施JG/T 283-2010 膨胀玻化微珠轻质砂浆自2011年1月1日起实施JG/T 281-2010 建筑遮阳产品隔热性能试验方法自2011年1月1日起实施JG/T 280-2010 建筑遮阳产品遮光性能试验方法自2011年1月1日起实施JG/T 274-2010 建筑遮阳通用要求自2011年1月1日起实施JG/T 277-2010 建筑遮阳热舒适、视觉舒适性能与分级自2011年1月1日起实施。
文件编号:Q/YC–P038–2013/A 0 归口管理:行政部产品监视测量(试验)控制程序一、目的和适用范围1.目的为确保产品的性能满足文件要求、法定要求和顾客要求,制定本程序。
2.适用范围本程序规定了从原材料入厂到最终产品完成的检验、试验过程的监视和测量,适用于已生产定型、设计定型和科研试制的产品。
二、职责1.采购部门(1)对人厂原材料验证后,向检验部门提交进行人厂复验;(2)负责办理不合格原材料的审理手续。
2.检验部门(1)负责原材料、半成品、最终产品的检验、试验;(2)负责从原材料到最终产品整个生产过程中产品的监视和测量及质量监督检查;(3)负责办理产品验收记录簿和合格证(质量证明书)。
3.性能测试部门接受检验部门委托试验的样品,进行试验并出具试验报告。
4.生产部门(1)提出原材料紧急放行申请,并组织采取紧急放行后所需的有关措施;(2)负责办理例外转序申请和批准手续,并负责相应标识和可能的追回。
三、控制要求1.原材料的管理(1)原材料人厂后由采购部门库房保管员分类分批暂存待验区(库)内,按《原材料管理制度》规定,进行复验前的验证工作。
验证无误后将供方提供的原材料质量证明文件交检验部门。
(2)检验部门在核实供方提供的质量证明文件的基础上,依据公司编制的相应工艺文件的要求确定复验项目,并按《原材料检验规程》规定取样,填写分析测试单后送测试部门委托分析测试。
根据分析结果按相应工艺文件规定的标准进行质量判断。
(3)复验合格的原材料,签发“原材料检验合格证”,一式两份。
一份自存,另一份交采购部门库房保管员凭证办理入库手续;复验不合格的原材料,签发“原材料检验不合格通知单”,交采购部门库房保管员按《不合格品控制程序》处理。
(4)规定有贮存期的原材料到期时,原材料存放部门或单位填写“过期原材料复验申请表”,经审批后按要求进行复验,合格后方可用于生产。
文件编号:Q/YC–P038–2013/A 0 归口管理:行政部(5)对生产急需来不及验证或分析结果未出来的原材料,由生产部门填写“原材料紧急放行申请”,经主管科研(技术)领导批准,并征得顾客或代表同意后交检验部门。
ca65测试标准1. 介绍ca65测试标准是一组用于测试ca65软件的标准。
ca65是一款常用的65C02汇编器,广泛应用于嵌入式系统和低级别编程开发中。
为了确保ca65软件的质量和稳定性,需要采用一套标准的测试方法和流程。
本文将从如何设计测试计划、执行测试用例到评估测试结果等方面进行全面的探讨。
2. 设计测试计划2.1 确定测试目标测试目标是确定测试计划的首要任务。
在设计ca65测试计划时,我们需要明确以下几个目标:1.验证ca65能够正确地将汇编源代码转换为机器码。
2.确保ca65生成的机器码在硬件上可以正确执行并产生期望的结果。
3.检查ca65是否符合相关的编码规范和最佳实践。
4.发现并记录所有的bug和潜在问题。
2.2 确定测试策略测试策略是指如何设计测试用例以达到测试目标。
在ca65测试中,我们可以采用以下几种测试策略:1.单元测试:针对ca65的各个功能进行单独的测试,确保每个功能都能够正常工作。
2.集成测试:将多个功能组合起来测试,确保各个功能之间的协作正常。
3.性能测试:测试ca65在大型项目中的性能表现,包括编译速度和生成的机器码质量。
4.兼容性测试:测试ca65在不同操作系统和硬件平台上的兼容性,确保它能够在各种环境下正常工作。
2.3 制定测试计划测试计划指明了测试的范围、资源需求、测试时间表和测试阶段等内容。
在制定ca65测试计划时,需要考虑以下几个方面:1.测试的范围:确定需要测试的功能和场景。
2.资源需求:确定进行测试所需要的硬件和软件资源,并进行准备。
3.测试时间表:制定测试的时间表,确保测试能够按计划进行。
4.测试阶段:划分测试为不同的阶段,每个阶段具有不同的目标和侧重点。
3. 执行测试用例3.1 编写测试用例测试用例是进行测试的基本单位,它描述了一系列输入和预期输出,以及执行的步骤和环境。
在编写ca65测试用例时,需要考虑以下几个要点:1.输入:测试用例需要明确输入的内容,包括汇编源代码、命令行参数和环境配置等。
目录1前言 (2)1.1 文档目的 (2)1.2 适用对象 (2)2性能测试目的 (2)3性能测试所处的位置及相关人员 (3)3.1 性能测试所处的位置及其基本流程 (3)3.2 性能测试工作内容 (4)3.3 性能测试涉及的人员角色 (5)4性能测试实施规范 (5)4.1 确定性能测试需求 (5)4.1.1 分析应用系统,剥离出需测试的性能点 (5)4.1.2 分析需求点制定单元测试用例 (6)4.1.3 性能测试需求评审 (6)4.1.4 性能测试需求归档 (6)4.2 性能测试具体实施规范 (6)4.2.1 性能测试起始时间 (6)4.2.2 制定和编写性能测试计划、方案以及测试用例 (7)4.2.3 测试环境搭建 (7)4.2.4 验证测试环境 (8)4.2.5 编写测试用例脚本 (8)4.2.6 调试测试用例脚本 (8)4.2.7 预测试 (9)4.2.8 正式测试 (9)4.2.9 测试数据分析 (9)4.2.10 调整系统环境和修改程序 (10)4.2.11 回归测试 (10)4.2.12 测试评估报告 (10)4.2.13 测试分析报告 (10)5测试脚本和测试用例管理 (11)6性能测试归档管理 (11)7性能测试工作总结 (11)8附录:................................................................................................ 错误!未定义书签。
1前言1.1 文档目的本文档的目的在于明确性能测试流程规范,以便于相关人员的使用,保证性能测试脚本的可用性和可维护性,提高测试工作的自动化程度,增加测试的可靠性、重用性和客观性。
1.2 适用对象本文档适用于部门内测试组成员、项目相关人员、QA及高级经理阅读。
2性能测试目的性能测试到底能做些什么,能解决哪些问题呢?系统开发人员,维护人员及测试人员在工作中都可能遇到如下的问题1.硬件选型,我们的系统快上线了,我们应该购置什么样硬件配置的电脑作为服务器呢?2.我们的系统刚上线,正处在试运行阶段,用户要求提供符合当初提出性能要求的报告才能验收通过,我们该如何做?3.我们的系统已经运行了一段时间,为了保证系统在运行过程中一直能够提供给用户良好的体验(良好的性能),我们该怎么办?4.明年这个系统的用户数将会大幅度增加,到时我们的系统是否还能支持这么多的用户访问,是否通过调整软件可以实现,是增加硬件还是软件,哪种方式最有效?5.我们的系统存在问题,达不到预期的性能要求,这是什么原因引起的,我们应该进行怎样的调整?6.在测试或者系统试点试运行阶段我们的系统一直表现得很好,但产品正式上线后,在用户实际环境下,总是会出现这样那样莫名其妙的问题,例如系统运行一段时间后变慢,某些应用自动退出,出现应用挂死现象,导致用户对我们的产品不满意,这些问题是否能避免,提早发现?7.系统即将上线,应该如何部署效果会更好呢?并发性能测试的目的注要体现在三个方面:以真实的业务为依据,选择有代表性的、关键的业务操作设计测试案例,以评价系统的当前性能;当扩展应用程序的功能或者新的应用程序将要被部署时,负载测试会帮助确定系统是否还能够处理期望的用户负载,以预测系统的未来性能;通过模拟成百上千个用户,重复执行和运行测试,可以确认性能瓶颈并优化和调整应用,目的在于寻找到瓶颈问题。
3性能测试所处的位置及相关人员3.1 性能测试所处的位置及其基本流程下面就性能测试的基本流程给予图示说明:性能测试的具体流程:3.2 性能测试工作内容✧软件需求分析阶段:分析软件需求,提取出待实现的功能点,此时根据需求功能点选取必要的性能测试点,并组织起有效的测试用例。
✧软件单元测试阶段:单元测试在软件开发周期贯穿,针对已经开发的功能做单元测试,保证组件功能可正常使用,此阶段功能测试占主要的测试比例,性能测试部分主要是了解、分析业务结构及进行数据准备。
✧软件系统集成测试阶段:软件的功能已经基本实现,此时可以针对稳定的功能点在公司内部部署并实施小规模的性能测试。
✧软件升级及维护阶段:维护期占整个软件的使用时间,由于日益变更的需求让我们的程序不断升级,为了降低升级过程中出现对已有软件功能的影响。
性能测试通常采用2个必要步骤:a)补丁升级测试,在数据结构变更处加上时间点,检验每个操作的时间效率是否可接受,并为用户升级程序提供一个参考时间。
b)补丁升级成功后,对系统改动功能点做性能测试,并验证一些常规功能的效率是否受到升级影响,最后提供升级后系统的性能测试评估报告。
✧历次性能测试数据归档对历次的性能测试进行归档处理,为预测软件未来的发展状况提供必要的数据基础。
3.3 性能测试涉及的人员角色4性能测试实施规范4.1 确定性能测试需求4.1.1分析应用系统,剥离出需测试的性能点工作内容:性能测试人员,系统开发人员,客户从不同的角度提出性能测试点。
性能测试人员主要关注功能测试期反映的测试点;系统开发人员着重从程序角度出发考虑,分析哪些点可能存在性能问题;客户主要从业务角度出发发,抽取使用频率较高,较重要的业务功能作为测试点。
参与人员:测试负责人,系统开发人员,客户确认要素:1、并发用户数2、预期系统响应时间3、生产环境基础数据量4、测试环境硬件配置信息5、性能测试功能点确认,及各个业务功能的所占比例6、分析被测试系统的框架及软件环境工作时间:视需求规模而定。
4.1.2分析需求点制定单元测试用例工作内容:根据需测试点拟写测试用例,形成文档参与人员:项目经理文档名称:《FI-项目组编码-TEST-性能测试需求YYYYMMDD.doc》初稿工作时间:视需求规模而定。
4.1.3性能测试需求评审工作内容:对《FI-项目组编码-TEST-性能测试需求YYYYMMDD.doc》进行三方评审,确定最终的性能测试需求。
参与人员:测试组负责人,项目负责人,客户工作时间:1-2天工作人日4.1.4性能测试需求归档工作内容:根据测试方案、需求文档、设计文档,进行实际测试性能点调研。
参与人员:测试负责人文档名称:《FI-项目组编码-TEST-性能测试需求YYYYMMDD.doc》文档要素:1、测试环境软件及硬件信息2、测试需求功能点对应具体测试用例,包括测试功能点的具体步骤,为下一阶段脚本录制提供参考3、测试环境基础数据量工作时间:1-2天工作人日4.2 性能测试具体实施规范为了便于性能测试管理,有必要建立起一套关于性能测试的规范,具体实施步骤如下:4.2.1性能测试起始时间性能测试至少是在功能测试进入冻结期时开始进行,但是性能测试的用例确定可以在功能测试期进行;另外,在性能测试起始阶段应对性能测试试点单位进行联机用户和用户操作模块比例的数据调研,并且在项目性能测试开始前一个星期性能测试负责人发出《性能测试准备状况反馈表.xls》,由项目组填写反馈。
前提条件:项目组在提交功能测试申请的同时提交性能测试申请以及《FI-项目组编码-TEST-性能测试需求YYYYMMDD.doc》,明确写清楚系统测试要点、业务功能操作步骤,以及测试环境。
同时项目组反馈的《性能测试准备状况反馈表.xls》,确定符合测试标准。
工作内容:A、熟悉功能流程,编写简单脚本典型业务操作测试用例:车险DAA投保单签单(复核->转保单)、车险DAA投保单查询、车险DAA保单补录、车险DAA保单查询、车险DAA批改查询、车险DAA理赔报案查询、车险双核、综合险QZA投保单签单(复核->转保单)、综合险QZA投保单查询、综合险QZA保单补录、综合险QZA保单查询、综合险QZA批改查询、综合险QZA理赔报案查询、综合险双核等B、新增的功能点和有较大改动的功能点的性能测试用例分析及评估C、调研试点单位联机用户和系统操作模块的比例数参与人员:软件性能测试工程师、软件功能测试工程师和业务系统开发工程师工作时间:5―7个工作人日4.2.2制定和编写性能测试计划、方案以及测试用例工作内容:根据项目组提供的测试申请内容以及《FI-项目组编码-TEST-性能测试需求YYYYMMDD.doc》,制定和编写性能测试计划、方案以及测试用例。
在测试计划中需明确测试的内容、软硬件当前性能及具体人员及时间的安排,测试方案中详细描写具体功能测试步骤及性能测试点的功能概况及涉及的数据结构,测试用例中为具体的测试数据。
参与人员:软件性能测试工程师、项目负责人工作时间:3-4个工作人日(不考虑在功能测试阶段进行用例确定的时间)4.2.3测试环境搭建环境搭建工作主要由项目组来完成。
工作内容:原则:测试环境应尽量与用户正式环境保持一致。
由于每次测试均需要搭建,项目组可以考虑在本地和客户方保留固定的压力测试环境。
业务数据以客户正式生产的备份数据为基础,搭建完成后需要对测试环境进行验证a)硬件条件基本保持一致保证测试软件的前后台主机配置、储存系统配置和网络保持一致。
b)软件配置基本保持一致保证数据库服务器的配置参数和中间件配置参数保持一致。
c)业务数据规模保持一致d)软件版本和测试版本保持一致升级程序测试目标:在搭建测试环境的同时,进行业务升级程序测试,完成所有升级手册中的步骤,特别注意数据结构变更、数据转数的效率问题,制定升级测试报告(包括升级问题和建议解决办法)。
参与人员:软件开发工程师、系统工程师、数据库工程师和中间件系统工程师工作时间:4个工作人日4.2.4验证测试环境工作内容:性能测试负责人根据项目组提交《性能测试准备状况反馈表.xls》反馈情况及项目组搭建的测试环境情况,验证其是否符合性能测试的条件,以确定是否按期进行性能测试。
该阶段需要考虑以下几点:a)软件是否处于一个比较稳定的状态b)被测功能点是否正常、稳定,且不再进行大的调整。
c)软件部署方式和实际生产环境是否一致(包括应用服务器,数据库服务器以及操作系统的调优工作)。
d)性能测试环境是否有其他不相关应用程序干扰?若无法避免则应保证测试时停止测试无关应用运行。
e)性能测试环境硬件是否与实际生产环境一致?(若不一致请在备注中分别列出测试环境及生产环境硬件配置信息)f)性能测试环境的数据规模是否与生产环境一致?对于测试环境的数据有两种方式解决,1)项目组从地市公司导库到测试环境;2)给测试组预留数据准备时间进行数据准备。
建议采取第一种方式,数据更加真实而且节约时间。
参与人员:软件性能测试工程师、软件开发工程师4.2.5编写测试用例脚本测试用例脚本根据测试用例的具体内容,利用测试工具或通过测试人员进行编写。
工作内容:按照性能测试脚本开发规范根据测试用例编写测试脚本参与人员:软件性能测试工程师工作时间:视提交性能测试点而定4.2.6调试测试用例脚本工作内容:在测试环境上,使用编写完成的脚本进行脚本调试,主要工作内容是对脚本进行参数化,及关联脚本。