水运工程质量控制资料检查表格
- 格式:doc
- 大小:1.11 MB
- 文档页数:58
附录A水运工程施工现场质量管理检查记录A.0。
0。
1 施工单位和监理单位应按表A.0。
0。
1 的规定,对施工现场的质量管理体系进行检查并填写记录.检查结论:总监理工程师:年月日附录B水运工程质量检验记录B。
0。
0。
1 检验批质量检验记录应由分项工程技术负责人填写,监理工程师组织施工单位质量检查员等进行检验与确认,并按表B.0。
0。
1 的规定记录。
注:①对于不划分检验批的分项工程,可直接采用本表;②对于实测数据较多的项目,可附施工综合记录。
B。
0。
0.2 分项工程质量检验记录应由施工单位分项工程技术负责人填写,监理工程师组织施工单位分项工程技术负责人和质量检查员等进行检验与确认,并按表B。
0.0。
2 的规定记录。
说明:B。
0.0。
3 分部工程质量检验记录应由施工单位项目技术负责人填写,总监理工程师组织施工单位项目负责人、技术负责人和质量检查员等进行检验与确认。
并按表B.0。
0.3 的规定记录.单位工程质量检验记录表表B.0。
0。
4B.0.0.5 建设项目和单项工程质量检验汇总记录应由建设单位项目负责人填写,并按表B.0.0.5 记录.B.0。
0.6 单位工程的观感质量评价的项目及质量要求应符合本标准的相关规定,并采用单位工程观感质量评价表表B.0。
0。
6核查结论:施工单位项目负责人:年月日总监理工程师:年月日建设单位项目负责人: 年月日质量监督负责人: 年月日注:①单位工程观感质量评价应在单位工程完工后及时进行,并应由质量监督机构组织建设、监理和施工单位的有关人员在施工和监理单位检查的基础上共同进行;②观感质量检查项目的评价应采用观察检查、必要量测和共同讨论确定的方法进行;③观感质量评价分为一级的项目应满足下列要求:A、外观质量总体好;B、观察范围未发现明显表面缺陷; C、抽查部位测点的偏差未超过规定的允许偏差值。
④观感质量评价为二级的项目应满足下列要求: A、外观质量总体较好; B、观察范围有少量一般表面缺陷,但不需进行修补;C、抽查部位虽有少量测点的偏差超过规定的允许偏差值,但未超过允许偏差值的1。
工程测量控制点验收记录表K.2.0.2-1施工单位:验收日期:年月日工程施工基线、水准点验收记录表K.2.0.2-2施工单位:验收日期:年月日页脚内容页脚内容材料汇总表(通用)表K.3.0.3汇总单位:审核:制表:年月日原材料(构配件)进场验收记录(通用)表K.3.0.3-1设备开箱检查记录表K.3.0.3-2水泥出厂质量证明和检验报告汇总表表K.4.0.1-1汇总单位:审核:制表:年月日水泥检验报告表K.4.0.1-2报告编号:试验单位(盖章):批准:审核:试验:混凝土用砂检验报告表K.4.0.2-1报告编号:试验单位(盖章):批准:审核:试验:碎石(卵石)检验报告表K.4.0.2-2报告编号:试验单位(盖章):批准:审核:试验:减水剂检验报告表K.4.0.3-1试验单位(盖章):批准:审核:试验:泵送剂检验报告表K.4.0.3-2报告编号:试验单位(盖章):批准:审核:试验:粉煤灰检验报告表K.4.0.4报告编号:试验单位(盖章):批准:审核:试验:水质检验报告表K.4.0.5报告编号:试验单位(盖章):批准:审核:试验:钢筋(钢材)出厂合格证和检验报告汇总表表K.4.0.6-1汇总单位:审核:制表:年月日钢筋力学工艺性能及化学成分检验报告表K.4.0.6-2报告编号:试验单位(盖章):批准:审核:试验:预应力混凝土用钢绞线检验报告表K.4.0.6-3报告编号:试验单位(盖章):批准:审核:试验:预应力筋用锚具、夹具和连接器检验报告表K.4.0.6-4报告编号:试验单位(盖章):批准:审核:试验:钢材检验报告表K.4.0.7报告编号:试验单位(盖章):批准:审核:试验:高强度螺栓连接副检验报告表K.4.0.8-1报告编号:试验单位(盖章):批准:审核:试验:高强度螺栓检验报告表K.4.0.8-2报告编号:试验单位(盖章):批准:审核:试验:沥青检验报告表K.4.0.9报告编号:试验单位(盖章):批准:审核:试验:土工织物检验报告表K.4.0.10报告编号:试验单位(盖章):批准:审核:试验:塑料排水板检验报告表K.4.0.11试验单位(盖章):批准:审核:试验:石灰检验报告表K.4.0.12试验单位(盖章):批准:审核:试验:混凝土配合比设计报告表K.5.0.1-1试验单位(盖章):批准:审核:试验:砂浆配合比设计报告表K.5.0.1-2试验单位(盖章):批准:审核:试验:混凝土抗压(抗折)强度现场检验报告汇总表表K.5.0.2-1工程名称:施工单位:页脚内容试验单位(盖章):技术负责人:审核:制表:页脚内容混凝土抗压(抗折)强度检验报告表K.5.0.2-2报告编号:试验单位(盖章):批准:审核:试验:水泥砂浆抗压强度检验报告表K.5.0.3报告编号:试验单位(盖章):批准:审核:试验:混凝土冻融检验报告表K.5.0.4报告编号:试验单位(盖章):批准:审核:试验:混凝土冻融检验报告续表K.5.0.4报告编号:混凝土抗渗检验报告表K.5.0.5报告编号:试验单位(盖章):批准:审核:试验:混凝土联锁块检验报告表K.5.0.6报告编号:试验单位(盖章):批准:审核:试验:混凝土强度评定表表K.5.0.7-1施工单位(盖章):审核:统计:年月日混凝土强度统计表表K.5.0.7-2施工单位(盖章):审核:统计:年月日混凝土氯离子总含量评估报告表K.5.0.8试验单位(盖章):批准:审核:评估:高性能混凝土抗氯离子渗透性能检验报告表K.5.0.9报告编号:试验单位(盖章):批准:审核:试验:钢筋焊接力学及工艺性能检验报告表K.5.0.10-1报告编号:。
表B.0.0.1注:①对于不划分检验批的分项工程,可直接采用本表。
②对于实测数据较多的项目,可附施工综合记录(基槽开挖)检验批质量检验记录表表B.0.0.1注:①对于不划分检验批的分项工程,可直接采用本表。
②对于实测数据较多的项目,可附施工综合记录(土石方回填)检验批质量检验记录表表B.0.0.1注:①对于不划分检验批的分项工程,可直接采用本表。
②对于实测数据较多的项目,可附施工综合记录注:①对于不划分检验批的分项工程,可直接采用本表。
②对于实测数据较多的项目,可附施工综合记录注:①对于不划分检验批的分项工程,可直接采用本表。
②对于实测数据较多的项目,可附施工综合记录(填砂挤淤)检验批质量检验记录表表B.0.0.1注:①对于不划分检验批的分项工程,可直接采用本表。
②对于实测数据较多的项目,可附施工综合记录(抛石基础)检验批质量检验记录表表B.0.0.1注:①对于不划分检验批的分项工程,可直接采用本表。
②对于实测数据较多的项目,可附施工综合记录(现浇混凝土基础)检验批质量检验记录表表B.0.0.1注:①对于不划分检验批的分项工程,可直接采用本表。
②对于实测数据较多的项目,可附施工综合记录(散抛石压载软体排缝制)检验批质量检验记录表表B.0.0.1注:① L为软体排幅长,单位mm;② B为软体排幅宽,单位mm。
(散抛石压载软体排铺设)检验批质量检验记录表表B.0.0.1注:①B为设计搭接宽度,单位mm;②搭接宽度不得小于1000mm。
(系结压载软体排(护底)缝制)检验批质量检验记录表表B.0.0.1注:① L1为软体排幅长,B为软体排幅宽,L2为充填袋或砂肋长度。
单位mm;(系结压载软体排(护底)铺设)检验批质量检验记录表表B.0.0.1注: B为设计搭接宽度,单位mm。
(铺石压载软体排(护滩)缝制)检验批质量检验记录表表B.0.0.1注:① L为软体排幅长,单位mm;② B为软体排幅宽,单位mm。
(钢筋工程)检验记录表(模板工程)检验批质量检验记录表表B.0.0.1(x)表B.0.0.3(x)注:①单位工程观感质量评价应在单位工程完工后及时进行,并应由质量监督机构组织建设、监理和施工B、观察范围未发现明显表面缺陷;C、抽查部位测点的偏差未超过规定的允许偏差值。
④观感质量评价为二级的项目应满足下列要求:A、外观质量总体较好;B、观察范围有少量一般表面缺陷,但不需进行修补;C、抽查部位虽有少量测点的偏差超过规定的允许偏差值,但未超过允许偏差值的1.5倍或者超过允许偏差值的测点个数未超过总测点数量的20%。
⑤观感质量评价为三级的项目应满足下列要求:A、外观质量总体一般;B、观察范围有较多一般表面缺陷或有较多修补痕迹,但不需要进行重新修补;C、抽查部位的偏差超过允许偏差值的1.5倍,或者超过允许偏差值的测点个数超过总测点数量的20%,但不影响工程的正常使用。
⑥对于存在严重表面缺陷或有影响工程正常使用偏差的项目不得通过观感质量评价。
经按技术处理方案处理符合要求后的项目,可重新评为三级。
工程测量控制点验收记录表K.2.0.2-1(x)施工单位:验收日期:年月日施工测量基线和水准点验收记录表K.2.0.2-2(x)施工单位:验收日期:年月日材料汇总表(通用)表K.3.0.3-1汇总单位:审核:制表:年月日原材料(构配件)进场验收记录(通用)表K.3.0.3-2(x)水泥出厂质量证明和检验报告汇总表表K.4.0.1-1汇总单位:审核:制表:年月日水泥检验报告表K.4.0.1-2 报告编号:试验单位(盖章):批准:审核:试验:混凝土用砂检验报告表K.4.0.2-1 报告编号:试验单位(盖章):批准:审核:试验:碎石(卵石)检验报告表K.4.0.2-2报告编号:试验单位(盖章):批准:审核:试验:减水剂检验报告表K.4.0.3-1报告编号:试验单位(盖章):批准:审核:试验:泵送剂检验报告表K.4.0.3-2 报告编号:试验单位(盖章):批准:审核:试验:粉煤灰检验报告表K.4.0.4报告编号:试验单位(盖章):批准:审核:试验:水质检验报告表K.4.0.5报告编号:试验单位(盖章):批准:审核:试验:钢筋(钢材)出厂合格证和检验报告汇总表表K.4.0.6-1汇总单位:审核:制表:年月日钢筋力学工艺性能及化学成分检验报告表K.4.0.6-2报告编号:试验单位(盖章):批准:审核:试验:钢材检验报告表K.4.0.7报告编号:试验单位(盖章):批准:审核:试验:混凝土配合比设计报告表K.5.0.1-1报告编号:试验单位(盖章):批准:审核:试验:砂浆配合比设计报告表K.5.0.1-2报告编号:试验单位(盖章):批准:审核:试验:混凝土抗压(抗折)强度现场检验报告汇总表表K.5.0.2-1工程名称:施工单位:试验单位(盖章):技术负责人:审核:制表:混凝土抗压(抗折)强度检验报告表K.5.0.2-2 报告编号:试验单位(盖章):批准:审核:试验:水泥砂浆抗压强度检验报告表K.5.0.3报告编号:试验单位(盖章):批准:审核:试验:混凝土抗渗检验报告表K.5.0.5报告编号:试验单位(盖章):批准:审核:试验:施工单位(盖章):审核:统计:年月日施工单位(盖章):审核:统计:年月日混凝土氯离子总含量评估报告表K.5.0.8试验单位(盖章):批准:审核:评估:钢筋焊接力学及工艺性能检验报告表K.5.0.10-1报告编号:试验单位(盖章):批准:审核:试验:钢筋机械连接接头单向拉伸性能检验报告表K.5.0.10-2报告编号:试验单位(盖章):批准:审核:试验:记录汇总表表K.7.0.1工程名称:审核人:汇总人:隐蔽工程验收记录(通用)表K.7.0.2(x) 施工单位:水下基槽开挖断面测量验收记录表K.8.0.1工程名称:施工单位:监理工程师:质量检查员:技术负责人:测量记录人:水下基床夯实验收记录(方格网法)表K.8.0.2-1监理工程师:质量检查员:技术负责人:测量负责人:水下基床夯实验收记录(随机选点法)表K.8.0.2-2施工单位:监理工程师:质量检查员:技术负责人:测量负责人:水下基床整平记录表K.8.0.2-3 工程名称:整平等级:( 单位:标高m , 偏差mm)监理工程师:质量检查员:技术负责人:测量负责人:施工质量返工处理记录表K.14.0.1监理工程师:质量检查员:技术负责人:水工建筑物沉降和位移观测汇总表表J.15.0.3-1项目技术负责人:审核人:汇总人:水工建筑物沉降观测记录表K.15.0.3-2项目技术负责人:技术负责人:制表人:水工建筑物位移观测记录表K.15.0.3-3 工程名称:项目技术负责人:技术负责人:制表人:结构裂缝检查验收记录表K.15.0.4(x)结构渗漏情况检查验收记录表K.15.0.5(x)。
工程测量控制点验收记录表K.2.0.2-1施工单位:验收日期:年月日甘临一级公路工程4标段工程施工基线、水准点验收记录表K.2.0.2-2施工单位:验收日期:年月日.材料汇总表(通用)表K.3.0.3工程名称:施工单位:汇总单位:审核:制表:年月日原材料(构配件)进场验收记录(通用)表K.3.0.3-1设备开箱检查记录表K.3.0.3-2水泥出厂质量证明和检验报告汇总表表K.4.0.1-1工程名称:汇总单位:审核:制表:年月日水泥检验报告表K.4.0.1-2报告编号:试验单位(盖章):批准:审核:试验:混凝土用砂检验报告表K.4.0.2-1报告编号:试验单位(盖章):批准:审核:试验:碎石(卵石)检验报告表K.4.0.2-2报告编号:试验单位(盖章):批准:审核:试验:减水剂检验报告表K.4.0.3-1报告编号:试验单位(盖章):批准:审核:试验:泵送剂检验报告表K.4.0.3-2报告编号:试验单位(盖章):批准:审核:试验:粉煤灰检验报告表K.4.0.4报告编号:试验单位(盖章):批准:审核:试验:水质检验报告表K.4.0.5报告编号:试验单位(盖章):批准:审核:试验:钢筋(钢材)出厂合格证和检验报告汇总表表K.4.0.6-1工程名称:汇总单位:审核:制表:年月日钢筋力学工艺性能及化学成分检验报告表K.4.0.6-2报告编号:试验单位(盖章):批准:审核:试验:预应力混凝土用钢绞线检验报告表K.4.0.6-3报告编号:试验单位(盖章):批准:审核:试验:预应力筋用锚具、夹具和连接器检验报告表K.4.0.6-4报告编号:试验单位(盖章):批准:审核:试验:钢材检验报告表K.4.0.7报告编号:试验单位(盖章):批准:审核:试验:高强度螺栓连接副检验报告表K.4.0.8-1报告编号:试验单位(盖章):批准:审核:试验:高强度螺栓检验报告表K.4.0.8-2报告编号:试验单位(盖章):批准:审核:试验:沥青检验报告表K.4.0.9报告编号:试验单位(盖章):批准:审核:试验:土工织物检验报告表K.4.0.10报告编号:试验单位(盖章):批准:审核:试验:塑料排水板检验报告表K.4.0.11报告编号:试验单位(盖章):批准:审核:试验:石灰检验报告表K.4.0.12报告编号:试验单位(盖章):批准:审核:试验:混凝土配合比设计报告表K.5.0.1-1报告编号:试验单位(盖章):批准:审核:试验:砂浆配合比设计报告表K.5.0.1-2报告编号:试验单位(盖章):批准:审核:试验:甘临一级公路工程4标段 混凝土抗压(抗折)强度现场检验报告汇总表表K.5.0.2-1工程名称:施工单位:试验单位(盖章):技术负责人:审核:制表:.539混凝土抗压(抗折)强度检验报告表K.5.0.2-2试验单位(盖章):批准:审核:试验:水泥砂浆抗压强度检验报告表K.5.0.3报告编号:试验单位(盖章):批准:审核:试验:混凝土冻融检验报告表K.5.0.4报告编号:试验单位(盖章):批准:审核:试验:混凝土冻融检验报告续表K.5.0.4报告编号:混凝土抗渗检验报告表K.5.0.5报告编号:试验单位(盖章):批准:审核:试验:混凝土联锁块检验报告表K.5.0.6报告编号:试验单位(盖章):批准:审核:试验:混凝土强度评定表表K.5.0.7-1验收批时段:年月日~年月日混凝土强度统计表表K.5.0.7-2施工单位(盖章):审核:统计:年月日混凝土氯离子总含量评估报告表K.5.0.8报告编号:高性能混凝土抗氯离子渗透性能检验报告表K.5.0.9报告编号:试验单位(盖章):批准:审核:试验:钢筋焊接力学及工艺性能检验报告表K.5.0.10-1报告编号:试验单位(盖章):批准:审核:试验:钢筋机械连接接头单向拉伸性能检验报告表K.5.0.10-2报告编号:试验单位(盖章):批准:审核:试验:冷拉钢筋力学及工艺性能检验报告表K.5.0.11报告编号:试验单位(盖章):批准:审核:试验:超声波探伤检验报告表K.5.0.12-1试验单位(盖章):批准:审核:试验:X射线检验报告表K.5.0.12-2报告编号:试验单位(盖章):批准:审核:试验:土压实度检验报告汇总表表K.5.0.13-1工程名称:土种类:层次:汇总单位:审核:制表:年月日土击实试验报告表K.5.0.13-2报告编号:试验单位(盖章):批准:审核:试验:土压实度检验报告表K.5.0.13-3试验单位(盖章):批准:审核:试验:稳定土配合比设计报告表K.5.0.14报告编号:。
说明:单位工程观感质量评价表表B.0.0.6核查结论:施工单位项目负责人:年月日总监理工程师:年月日建设单位项目负责人:年月日质量监督负责人:年月日核查结论:项目负责人:年月日总监理工程师:年月日核查结论:项目负责人:年月日总监理工程师:年月日手机震动,来一条微信消息,他说:“我开好房间了,等你!他们都说你技术好,我想试试真假。
真的,我平时对你也不错吧,你可不能让我干等着呀。
”她回:“那好吧,你先等我,我在家里,先洗个澡,换身衣服吧。
”半个小时后,她问:“你在哪里开房?”“欢乐斗地主,电信一区,12号房间,不见不散哦。
”“给老娘滚!”当然,以上是个笑话。
不过,近日成都一家燃气公司也发生了一件类似的事情,董事长在微信里发了一个六十块钱的红包,三名员工一时手痒,按耐不住诱惑,结果伸手一抢纷纷中招:工作时间玩手机,罚款五百!在面对记者采访时,董事长表示:“我为了了解大家的思想动态,所以加入了员工的微信群里。
”贵董事长显然忘记了,微信是一款私人社交APP,主要用于朋友间的情感交流,如果谈工作,我们有OA或IMO等专门的办公协作软件。
如果公司实在不成气候,一时没有使用这样的专业应用程序,也应当提前与员工约定,公司把QQ或者微信当做办公交流的专用软件。
没有事先的约定,董事长从微信里冒出来,就是以“朋友”的身份,而非“老板”的身份。
朋友发红包,抢还是不抢呢?朋友上班抢红包,罚还是不罚呢?显然,天真的员工把董事长当做了朋友,所以抢了红包,而老谋深算的董事长没有把员工当做朋友,所以罚了员工。
试探是一把双刃剑,你在试探别人的时候,往往先暴露了自己。
然而,朋友圈里的试探之风经久不衰。
最常见的试探:“清清吧,不用回。
试试吧,复制我发的消息,找到微信里的设置,通用,群发助手,全选,粘贴复制的信息发送就行,谁的发送失败了,就是把你拉黑了,你再扔掉那些尸体就OK啦!”发出这种试探信息的人,骨子里肯定极端自卑,而且平时很可能不大受待见,要不怎么老怀疑自己被朋友删了呢?像马云,我猜他一定不会纠结于自己是不是被微信好友给删了。
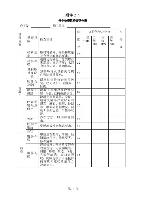
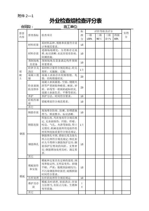
附件2-1外业检查组检查评分表水运工程实体检测项目汇总表注:1.表中所列实测指标均为一般检查项目,检查中也可根据工程实际情况增补。
2.各受检合同段每项实测指标的实测点(组)数应不少于3点(组)且满足评价需要。
3. 各实测项目以其实测合格率乘以100为该项评分。
检测组检测得分以实测项目评分的平均值计。
附件2-3:施工质保资料检查及评分表工地试验室检查表检查时间:年月日附件2-5:试验检测人员现场考核表检查时间:年月日考核人:附件2-6监理工作检查及评分表(一)第 9 页监理工作检查及评分表(二)第 10 页监理工作检查及评分表(三)第 11 页第 12 页日第 13 页附件2-7造价与合同工作检查及评分表(一)月日造价与合同工作检查及评分表(二)项目名称:施工单位:合同段:检查人:年月日附件2-8 建设项目质量安全造价大检查评分表(通用表)检查人:检查时间:年月日附件2-9 合同段工程质量评分表合同号:注:检查组检查结果与自查资料附合情况扣分标准分较好、一般、差三个等级,较好扣0-1分,一般扣2-4分,差扣5-8分。
附件2-10 浙江省水运工程质量与造价执法大检查组检查情况情况工程项目名称:组长:组员:年月日希望以上资料对你有所帮助,附励志名言3条:1、上帝说:你要什么便取什么,但是要付出相当的代价。
2、目标的坚定是性格中最必要的力量源泉之一,也是成功的利器之一。
没有它,天才会在矛盾无定的迷径中徒劳无功。
3、当你无法从一楼蹦到三楼时,不要忘记走楼梯。
要记住伟大的成功往往不是一蹴而就的,必须学会分解你的目标,逐步实施。
第 21 页。
水运工程质量控制资料用表K.1 一般规定K.1.0.1 工程质量控制资料应按本标准和相关标准的规定随工程施工进度同步形成,并应按本附录的规定进行收集和整理,作为工程质量的客观见证和质量检验与验收的依据。
K.1.0.2 工程建设各方应按下列规定做好工程质量控制资料的形成、收集和整理。
K.1.0.2.1 建设单位应向工程建设的设计、施工和监理等单位提供与工程建设有关的资料,并应对有关工程质量控制资料签署意见。
K.1.0.2.2 勘察单位和设计单位应按合同要求提供勘察报告和设计文件,并对相关工程质量控制资料签署意见。
K.1.0.2.3 监理单位应按合同和国家有关规定对工程质量控制资料的形成、收集和整理进行检查和审核,并应及时签署意见。
K.1.0.2.4 试验检测机构应按试验检测程序和相关规定及时出具试验检测报告。
K.1.0.2.5 施工单位应建立健全工程质量控制资料管理岗位责任制,指定专门人员负责工程质量控制资料的形成、收集和整理,并应对其真实性、完整性和有效性负责。
工程竣工前,应按竣工资料和归档的要求进行整理。
K.1.0.2.6 质量监督机构应按国家有关规定对工程质量控制资料的管理进行监督检查,对需签署意见的应及时签署意见。
K.1.0.3 主要工程质量控制资料用表应采用本附录所规定的表格格式,对于本附录未包含和根据工程需要增加的,可参考本附录的规定制定和分类。
K.1.0.4 工程质量控制资料用表的纸张和填写应符合下列要求。
K.1.0.4.1 表格纸张规格应使用A4 或A3 纸。
K.1.0.4.2 应用碳素墨水填写或打印。
K.1.0.4.3 表格填写内容和有关人员的签字应齐全,需要公章的应加盖公章。
K.2 工程测量控制点验收记录K.2.0.1 工程测量控制点、施工测量基线和水准点应有平面布设图和计算书。
使用前应进行检查验收。
K.2.0.2 工程测量控制点验收应采用表K.2.0.2-1,施工测量基线和水准点验收应采用表K.2.0.2-2。
附件2—1
外业检查组检查评分表
附件2-2
水运工程实体检测项目汇总表
2.各受检合同段每项实测指标的实测点(组)数应不少于3点(组)且满足评价需要。
3。
各实测项目以其实测合格率乘以100为该项评分。
检测组检测得分以实测项目评分的平均值计。
ﻬ附件2-3:
施工质保资料检查及评分表
附件2-4:
工地试验室检查表
检查时间: 年月日
ﻬ附件2-5:
试验检测人员现场考核表
检查时间: 年月日
考核人:
附件2-6
监理工作检查及评分表(一)
监理工作检查及评分表(二)
监理工作检查及评分表(三)
监理工作检查及评分表(四)
检查人:总监理工程师:年月日
附件2-7
造价与合同工作检查及评分表(一)
项目名称: 施工单位:合
检查人:年月日
造价与合同工作检查及评分表(二)
项目名称: 施工单位:合同段:
检查人:年月日
附件2-8建设项目质量安全造价大检查评分表(通用表)
检查人:检查时间: 年月日
附件2-9合同段工程质量评分表
注:检查组检查结果与自查资料附合情况扣分标准分较好、一般、差三个等级,较好扣0—1分,一般扣2-4分,差扣5—8分。
ﻬ附件2—10浙江省水运工程质量与造价执法大检查
组检查情况情况
组长:组员:年月日
21。
工程测量控制点验收记录表K.2.0.2-1施工单位:验收日期:年月日精心打造施工测量基线和水准点验收记录表K.2.0.2-2施工单位:验收日期:年月日未来458材料汇总表(通用)表K.3.0.3-1原材料(构配件)进场验收记录(通用)表K.3.0.3-2设备开箱检查记录表K.3.0.3-3水泥出厂质量证明和检验报告汇总表表K.4.0.1-1汇总单位:审核:制表:年月日报告编号:报告编号:碎石(卵石)检验报告表K.4.0.2-2报告编号:减水剂检验报告表K.4.0.3-1 报告编号:试验单位(盖章):批准:审核:试验:泵送剂检验报告表K.4.0.3-2报告编号:试验单位(盖章):批准:审核:试验:粉煤灰检验报告表K.4.0.4报告编号:试验单位(盖章):批准:审核:试验:水质检验报告表K.4.0.5报告编号:试验单位(盖章):批准:审核:试验:钢筋(钢材)出厂合格证和检验报告汇总表表K.4.0.6-1汇总单位:审核:制表:年月日钢筋力学工艺性能及化学成分检验报告表K.4.0.6-2报告编号:试验单位(盖章):批准:审核:试验:预应力混凝土用钢绞线检验报告表K.4.0.6-3 报告编号:试验单位(盖章):批准:审核:试验:预应力筋用锚具、夹具和连接器检验报告表K.4.0.6-4 报告编号:试验单位(盖章):批准:审核:试验:钢材检验报告表K.4.0.7报告编号:试验单位(盖章):批准:审核:试验:高强度螺栓连接副检验报告表K.4.0.8-1 报告编号:试验单位(盖章):批准:审核:试验:高强度螺栓检验报告表K.4.0.8-2 报告编号:试验单位(盖章):批准:审核:试验:报告编号:试验单位(盖章):批准:审核:试验:报告编号:试验单位(盖章):批准:审核:试验:报告编号:试验单位(盖章):批准:审核:试验:石灰检验报告表K.4.0.12报告编号:试验单位(盖章):批准:审核:试验:混凝土配合比设计报告表K.5.0.1-1报告编号:试验单位(盖章):批准:审核:试验:砂浆配合比设计报告表K.5.0.1-2 报告编号:试验单位(盖章):批准:审核:试验:精心打造混凝土抗压(抗折)强度现场检验报告汇总表表K.5.0.2-1 工程名称:施工单位:试验单位(盖章):技术负责人:审核:制表:未来483混凝土抗压(抗折)强度检验报告表K.5.0.2-2报告编号:试验单位(盖章):批准:审核:试验:水泥砂浆抗压强度检验报告表K.5.0.3报告编号:试验单位(盖章):批准:审核:试验:报告编号:试验单位(盖章):批准:审核:试验:报告编号:报告编号:试验单位(盖章):批准:审核:试验:混凝土联锁块检验报告表K.5.0.6报告编号:试验单位(盖章):批准:审核:试验:混凝土强度评定表表K.5.0.7-1施工单位(盖章):审核:统计:年月日混凝土强度统计表表K.5.0.7-2施工单位(盖章):审核:统计:年月日混凝土氯离子总含量评估报告表K.5.0.8试验单位(盖章):批准:审核:评估:高性能混凝土抗氯离子渗透性能检验报告表K.5.0.9报告编号:试验单位(盖章):批准:审核:试验:钢筋焊接力学及工艺性能检验报告表K.5.0.10-1报告编号:试验单位(盖章):批准:审核:试验:钢筋机械连接接头单向拉伸性能检验报告表K.5.0.10-2 报告编号:试验单位(盖章):批准:审核:试验:冷拉钢筋力学及工艺性能检验报告表K.5.0.11试验单位(盖章):批准:审核:试验:超声波探伤检验报告表K.5.0.12-1试验单位(盖章):批准:审核:试验:X射线检验报告表K.5.0.12-2 报告编号:试验单位(盖章):批准:审核:试验:土压实度检验报告汇总表表K.5.0.13-1汇总单位:审核:制表:年月日土击实试验报告表K.5.0.13-2试验单位(盖章):批准:审核:试验:土压实度检验报告表K.5.0.13-3试验单位(盖章):批准:审核:试验:稳定土配合比设计报告表K.5.0.14试验单位(盖章):批准:审核:试验:稳定土无侧限抗压强度检验报告表K.5.0.15试验单位(盖章):批准:审核:试验:混凝土构件出厂合格证表K.6.0.1-1合格证编号:出厂日期:年月日生产单位(盖章):技术负责人:质量检查员:。
表 K.2.0.2-1验收日期: 年 月 日工程测量控制点验收记录 施工单位:施工测量基线和水准点验收记录表K.2.0.2-2 施工单位:验收日期:年月日材料汇总表(通用)表K.3.0.3-1工程名称:施工单位:汇总单位:审核:制表:年月日原材料(构配件)进场验收记录(通用)表K.3.0.3-2设备开箱检查记录表K.3.0.3-3水泥出厂质量证明和检验报告汇总表表K.4.0.1-1 工程名称:水泥检验报告表K.4.0.1-2报告编号:试验单位(盖章)批准:审核:试验:混凝土用砂检验报告表K.4.0.2-1报告编号:试验单位(盖章)批准:审核:试验:碎石(卵石)检验报告表K.4.0.2-2报告编号:试验单位(盖章):批准:审核:试验:减水剂检验报告表K.4.0.3-1报告编号:试验单位(盖章)批准:审核:试验:泵送剂检验报告表K.4.0.3-2报告编号:试验单位(盖章)批准:审核:试验:粉煤灰检验报告表K.4.0.4报告编号:试验单位(盖章)批准:审核:试验:水质检验报告表K.4.0.5报告编号:试验单位(盖章)批准:审核:试验:钢筋(钢材)出厂合格证和检验报告汇总表表K.4.0.6-1工程名称:汇总单位:审核:制表:年月日钢筋力学工艺性能及化学成分检验报告表K.4.0.6-2报告编号:试验单位(盖章)批准:审核:试验:预应力混凝土用钢绞线检验报告表K.4.0.6-3报告编号:试验单位(盖章)批准:审核:试验:预应力筋用锚具、夹具和连接器检验报告表K.4.0.6-4报告编号:试验单位(盖章)批准:审核:试验:钢材检验报告表K.4.0.7报告编号:试验单位(盖章)批准:审核:试验:高强度螺栓连接副检验报告表K.4.0.8-1 报告编号:高强度螺栓检验报告表K.4.0.8-2报告编号:试验单位(盖章)批准:审核:试验:沥青检验报告表K.4.0.9报告编号:试验单位(盖章)批准:审核:试验:表K.4.0.10 报告编号:备注试验单位(盖章) :批准:审核:试验:塑料排水板检验报告表K.4.0.11 报告编号:备注试验单位(盖章)批准:审核:试验:石灰检验报告表K.4.0.12报告编号:试验单位(盖章)批准:审核:试验:报告编号:试验单位(盖章):批准:审核:试验:报告编号:试验单位(盖章)批准:审核:试验:工程名称:混凝土抗压 ( 抗折 ) 强度现场检表K.5.0.2-1施工单位:试验单位(盖章)技术负责人:审核:制表:混凝土抗压( 抗折) 强度检验报告表K.5.0.2-2 报告编号:水泥砂浆抗压强度检验报告表K.5.0.3 报告编号:试验单位(盖章)批准:审核:试验:混凝土抗冻检验报告表K.5.0.4 报告编号:。
水运工程质量控制资料用表K.1 一般规定K.1.0.1 工程质量控制资料应按本标准和相关标准的规定随工程施工进度同步形成,并应按本附录的规定进行收集和整理,作为工程质量的客观见证和质量检验与验收的依据。
K.1.0.2 工程建设各方应按下列规定做好工程质量控制资料的形成、收集和整理。
K.1.0.2.1 建设单位应向工程建设的设计、施工和监理等单位提供与工程建设有关的资料,并应对有关工程质量控制资料签署意见。
K.1.0.2.2 勘察单位和设计单位应按合同要求提供勘察报告和设计文件,并对相关工程质量控制资料签署意见。
K.1.0.2.3 监理单位应按合同和国家有关规定对工程质量控制资料的形成、收集和整理进行检查和审核,并应及时签署意见。
K.1.0.2.4 试验检测机构应按试验检测程序和相关规定及时出具试验检测报告。
K.1.0.2.5 施工单位应建立健全工程质量控制资料管理岗位责任制,指定专门人员负责工程质量控制资料的形成、收集和整理,并应对其真实性、完整性和有效性负责。
工程竣工前,应按竣工资料和归档的要求进行整理。
K.1.0.2.6 质量监督机构应按国家有关规定对工程质量控制资料的管理进行监督检查,对需签署意见的应及时签署意见。
K.1.0.3 主要工程质量控制资料用表应采用本附录所规定的表格格式,对于本附录未包含和根据工程需要增加的,可参考本附录的规定制定和分类。
K.1.0.4 工程质量控制资料用表的纸张和填写应符合下列要求。
K.1.0.4.1 表格纸张规格应使用A4 或A3 纸。
K.1.0.4.2 应用碳素墨水填写或打印。
K.1.0.4.3 表格填写内容和有关人员的签字应齐全,需要公章的应加盖公章。
K.2 工程测量控制点验收记录K.2.0.1 工程测量控制点、施工测量基线和水准点应有平面布设图和计算书。
使用前应进行检查验收。
K.2.0.2 工程测量控制点验收应采用表K.2.0.2-1,施工测量基线和水准点验收应采用表K.2.0.2-2。
水运工程质量控制资料用表K.1 一般规定K.1.0.1 工程质量控制资料应按本标准和相关标准的规定随工程施工进度同步形成,并应按本附录的规定进行收集和整理,作为工程质量的客观见证和质量检验与验收的依据。
K.1.0.2 工程建设各方应按下列规定做好工程质量控制资料的形成、收集和整理。
K.1.0.2.1 建设单位应向工程建设的设计、施工和监理等单位提供与工程建设有关的资料,并应对有关工程质量控制资料签署意见。
K.1.0.2.2 勘察单位和设计单位应按合同要求提供勘察报告和设计文件,并对相关工程质量控制资料签署意见。
K.1.0.2.3 监理单位应按合同和国家有关规定对工程质量控制资料的形成、收集和整理进行检查和审核,并应及时签署意见。
K.1.0.2.4 试验检测机构应按试验检测程序和相关规定及时出具试验检测报告。
K.1.0.2.5 施工单位应建立健全工程质量控制资料管理岗位责任制,指定专门人员负责工程质量控制资料的形成、收集和整理,并应对其真实性、完整性和有效性负责。
工程竣工前,应按竣工资料和归档的要求进行整理。
K.1.0.2.6 质量监督机构应按国家有关规定对工程质量控制资料的管理进行监督检查,对需签署意见的应及时签署意见。
K.1.0.3 主要工程质量控制资料用表应采用本附录所规定的表格格式,对于本附录未包含和根据工程需要增加的,可参考本附录的规定制定和分类。
K.1.0.4 工程质量控制资料用表的纸张和填写应符合下列要求。
K.1.0.4.1 表格纸张规格应使用A4 或A3 纸。
K.1.0.4.2 应用碳素墨水填写或打印。
K.1.0.4.3 表格填写内容和有关人员的签字应齐全,需要公章的应加盖公章。
K.2 工程测量控制点验收记录K.2.0.1 工程测量控制点、施工测量基线和水准点应有平面布设图和计算书。
使用前应进行检查验收。
K.2.0.2 工程测量控制点验收应采用表K.2.0.2-1,施工测量基线和水准点验收应采用表K.2.0.2-2。
水运工程质量控制资料用表K.1 一般规定K.1.0.1 工程质量控制资料应按本标准和相关标准的规定随工程施工进度同步形成,并应按本附录的规定进行收集和整理,作为工程质量的客观见证和质量检验与验收的依据。
K.1.0.2 工程建设各方应按下列规定做好工程质量控制资料的形成、收集和整理。
K.1.0.2.1 建设单位应向工程建设的设计、施工和监理等单位提供与工程建设有关的资料,并应对有关工程质量控制资料签署意见。
K.1.0.2.2 勘察单位和设计单位应按合同要求提供勘察报告和设计文件,并对相关工程质量控制资料签署意见。
K.1.0.2.3 监理单位应按合同和国家有关规定对工程质量控制资料的形成、收集和整理进行检查和审核,并应及时签署意见。
K.1.0.2.4 试验检测机构应按试验检测程序和相关规定及时出具试验检测报告。
K.1.0.2.5 施工单位应建立健全工程质量控制资料管理岗位责任制,指定专门人员负责工程质量控制资料的形成、收集和整理,并应对其真实性、完整性和有效性负责。
工程竣工前,应按竣工资料和归档的要求进行整理。
K.1.0.2.6 质量监督机构应按国家有关规定对工程质量控制资料的管理进行监督检查,对需签署意见的应及时签署意见。
K.1.0.3 主要工程质量控制资料用表应采用本附录所规定的表格格式,对于本附录未包含和根据工程需要增加的,可参考本附录的规定制定和分类。
K.1.0.4 工程质量控制资料用表的纸张和填写应符合下列要求。
K.1.0.4.1 表格纸张规格应使用A4 或A3 纸。
K.1.0.4.2 应用碳素墨水填写或打印。
K.1.0.4.3 表格填写内容和有关人员的签字应齐全,需要公章的应加盖公章。
K.2 工程测量控制点验收记录K.2.0.1 工程测量控制点、施工测量基线和水准点应有平面布设图和计算书。
使用前应进行检查验收。
K.2.0.2 工程测量控制点验收应采用表K.2.0.2-1,施工测量基线和水准点验收应采用表K.2.0.2-2。
水运工程质量控制资料用表K.1 一般规定K.1.0.1 工程质量控制资料应按本标准和相关标准的规定随工程施工进度同步形成,并应按本附录的规定进行收集和整理,作为工程质量的客观见证和质量检验与验收的依据。
K.1.0.2 工程建设各方应按下列规定做好工程质量控制资料的形成、收集和整理。
K.1.0.2.1 建设单位应向工程建设的设计、施工和监理等单位提供与工程建设有关的资料,并应对有关工程质量控制资料签署意见。
K.1.0.2.2 勘察单位和设计单位应按合同要求提供勘察报告和设计文件,并对相关工程质量控制资料签署意见。
K.1.0.2.3 监理单位应按合同和国家有关规定对工程质量控制资料的形成、收集和整理进行检查和审核,并应及时签署意见。
K.1.0.2.4 试验检测机构应按试验检测程序和相关规定及时出具试验检测报告。
K.1.0.2.5 施工单位应建立健全工程质量控制资料管理岗位责任制,指定专门人员负责工程质量控制资料的形成、收集和整理,并应对其真实性、完整性和有效性负责。
工程竣工前,应按竣工资料和归档的要求进行整理。
K.1.0.2.6 质量监督机构应按国家有关规定对工程质量控制资料的管理进行监督检查,对需签署意见的应及时签署意见。
K.1.0.3 主要工程质量控制资料用表应采用本附录所规定的表格格式,对于本附录未包含和根据工程需要增加的,可参考本附录的规定制定和分类。
K.1.0.4 工程质量控制资料用表的纸张和填写应符合下列要求。
K.1.0.4.1 表格纸张规格应使用A4 或A3 纸。
K.1.0.4.2 应用碳素墨水填写或打印。
K.1.0.4.3 表格填写内容和有关人员的签字应齐全,需要公章的应加盖公章。
K.2 工程测量控制点验收记录K.2.0.1 工程测量控制点、施工测量基线和水准点应有平面布设图和计算书。
使用前应进行检查验收。
K.2.0.2 工程测量控制点验收应采用表K.2.0.2-1,施工测量基线和水准点验收应采用表K.2.0.2-2。
(钢筋工程)检验记录表
(模板工程)检验批质量检验记录表
()检验批质量检验记录表表B.0.0.1(x)
表B.0.0.3(x)
单位工程质量检验记录表表
单位工程观感质量评价表表
B.0.0.6(x)
注:①单位工程观感质量评价应在单位工程完工后及时进行,并应由质量监督机构组织建设、监理和施工单位的有关人员在施工和监理单位检查的基础上共同进行;
②观感质量检查项目的评价应采用观察检查、必要量测和共同讨论确定的方法进行;
③观感质量评价分为一级的项目应满足下列要求:
A、外观质量总体好;
B、观察X围未发现明显表面缺陷;
C、抽查部位测点的偏差未超过规定的允许偏差值。
④观感质量评价为二级的项目应满足下列要求:
A、外观质量总体较好;
B、观察X围有少量一般表面缺陷,但不需进行修补;
C、抽查部位虽有少量测点的偏差超过规定的允许偏差值,但未超过允许偏差值的1.5倍或者超过允许
偏差值的测点个数未超过总测点数量的20%。
⑤观感质量评价为三级的项目应满足下列要求:
A、外观质量总体一般;
B、观察X围有较多一般表面缺陷或有较多修补痕迹,但不需要进行重新修补;
C、抽查部位的偏差超过允许偏差值的1.5倍,或者超过允许偏差值的测点个数超过总测点数量的20%,
但不影响工程的正常使用。
⑥对于存在严重表面缺陷或有影响工程正常使用偏差的项目不得通过观感质量评价。
经按技术处理方案
处理符合要求后的项目,可重新评为三级。
工程测量控制点验收记录表K.2.0.2-1(x)
施工单位:验收日期:年月日
施工测量基线和水准点验收记录表
K.2.0.2-2(x)
施工单位:验收日期:年月日
材料汇总表(通用)表K.3.0.3-1
汇总单位:审核:制表:年月日原材料(构配件)进场验收记录(通用)表
K.3.0.3-2(x)
水泥出厂质量证明和检验报告汇总表表K.4.0.1-1
汇总单位:审核:制表:年月日
水泥检验报告表K.4.0.1-2 报告编号:
试验单位(盖章):批准:审核:试验:
混凝土用砂检验报告表K.4.0.2-1 报告编号:
试验单位(盖章):批准:审核:试验:
碎石(卵石)检验报告表K.4.0.2-2报告编号:
试验单位(盖章):批准:审核:试验:
减水剂检验报告表K.4.0.3-1报告编号:
试验单位(盖章):批准:审核:试验:
泵送剂检验报告表K.4.0.3-2 报告编号:
试验单位(盖章):批准:审核:试验:
粉煤灰检验报告表K.4.0.4报告编号:
试验单位(盖章):批准:审核:试验:
水质检验报告表K.4.0.5报告编号:
试验单位(盖章):批准:审核:试验:
钢筋(钢材)出厂合格证和检验报告汇总表表K.4.0.6-1
汇总单位: 审核: 制表: 年 月 日
钢筋力学工艺性能及化学成分检验报告
表K.4.0.6-2
报告编号:
试验单位(盖章):批准:审核:试验:
钢材检验报告表K.4.0.7报告编号:
试验单位(盖章):批准:审核:试验:
混凝土配合比设计报告表K.5.0.1-1报告编号:
试验单位(盖章):批准:审核:试验:
砂浆配合比设计报告表K.5.0.1-2
报告编号:
试验单位(盖章):批准:审核:试验:
混凝土抗压(抗折)强度现场检验报告汇总表表K.5.0.2-1
工程名称:施工单位:
30 / 58
试验单位(盖章):技术负责人:审核:制表:
31 / 58
混凝土抗压(抗折)强度检验报告表K.5.0.2-2 报告编号:
试验单位(盖章):批准:审核:试验:
水泥砂浆抗压强度检验报告表K.5.0.3报告编号:
试验单位(盖章):批准:审核:试验:
混凝土抗渗检验报告表K.5.0.5报告编号:
试验单位(盖章):批准:审核:试验:
混凝土强度评定表表K.5.0.7-1
施工单位(盖章):审核:统计:年月日
混凝土强度统计表表K.5.0.7-2
施工单位(盖章):审核:统计:年月日
混凝土氯离子总含量评估报告表K.5.0.8
试验单位(盖章):批准:审核:评估:
钢筋焊接力学及工艺性能检验报告表K.5.0.10-1
试验单位(盖章):批准:审核:试验:
钢筋机械连接接头单向拉伸性能检验报告表K.5.0.10-2报告编号:
试验单位(盖章):批准:审核:试验:
记录汇总表表K.7.0.1工程名称:
审核人:汇总人:
隐蔽工程验收记录(通用)表K.7.0.2(x)
施工单位:
水下基槽开挖断面测量验收记录表K.8.0.1工程名称:施工单位:
监理工程师:质量检查员:技术负责人:测量记录人:
43 / 58
水下基床夯实验收记录(方格网法)表K.8.0.2-1
监理工程师:质量检查员:技术负责人:测量负责人:
水下基床夯实验收记录(随机选点法)表K.8.0.2-2
施工单位:
监理工程师:质量检查员:技术负责人:测量负责人:
水下基床整平记录表K.8.0.2-3
工程名称:整平等级: ( 单位:标高m , 偏差mm)
监理工程师:质量检查员:技术负责人:测量负责人:
施工质量返工处理记录表K.14.0.1
监理工程师:质量检查员:技术负责人:
水工建筑物沉降和位移观测汇总表表J.15.0.3-1
项目技术负责人:审核人:汇总人:。