三相全控桥整流电路接线图
- 格式:pdf
- 大小:35.23 KB
- 文档页数:1
实验三三相桥式全控整流电路实验一、实验目的(1)加深理解三相桥式全控整流的工作原理。
(2)了解KC系列集成触发器的调整方法和各点的波形。
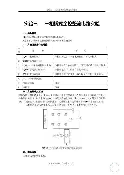
二、实验所需挂件及附件三、实验线路及原理实验线路如图3-13及图3-14所示。
主电路由三相全控整流电路及作为逆变直流电源的三相不控整流电路组成, 触发电路为DJKO2-1中的集成触发电路, 由KCO4.KC4l、KC42等集成芯片组成, 可输出经高频调制后的双窄脉冲链。
集成触发电路的原理可参考1-3节中的有关内容, 三相桥式整流及逆变电路的工作原理可参见电力电子技术教材的有关内容。
图3-13 三相桥式全控整流电路实验原理图四、实验内容三相桥式全控整流电路。
五、预习要求(1)阅读电力电子技术教材中有关三相桥式全控整流电路的有关内容。
(2))学习本教材中有关集成触发电路的内容, 掌握该触发电路的工作原理。
六、思考题(1)如何解决主电路和触发电路的同步问题?在本实验中主电路三相电源的相序可任意设定吗?答: ①采用宽脉冲触发或双脉冲触发发式。
在本实验中使脉冲宽度大于1/6个周期。
②在除法某个晶闸管的同时, 前一个晶闸管补发脉冲, 即用两个窄脉冲替代宽脉冲。
(2)在本实验的整流时, 对α角有什么要求?为什么?答:在本实验的整流时, 移相角度α角度为0-90度, 这是因为移相角度α超过90度就会进入逆变状态。
七、实验方法(1)三相桥式全控整流电路计算公式:U d =2.34U 2cosα (0~60O) U d =2.34U 2[1+cos(a+3)] (60o ~120o) 描绘α=300、600时Ud 、Uvt 的波形。
α=900时Ud的波形。
(2)故障现象的模拟当β=60°时, 将触发脉冲钮子开关拨向“断开”位置, 模拟晶闸管失去触发脉冲时的故障,观察并记录这时的Ud波形的变化情况。
八、实验报告(1)画出电路的移相特性U d =f (α)。
(2)画出α=30°、60°、90°时的整流电压U d 的波形。
8.2.6 三相桥式全控整流电路三相桥式全控整流电路相当于一组共阴极的三相半波和一组共阳极的三相半波可控整流电路串联起来构成的。
习惯上将晶闸管按照其导通顺序编号,共阴极的一组为VT1、VT3和VT5,共阳极的一组为VT2、VT4和VT6。
其电路如图8.22所示图8.22 三相桥式电阻性负载全控整流电路对于图8.22的电路,可以像分析三相半波可控整流电路一样,先分析若是不可控整流电路的情况,即把晶闸管都换成二极管,这种情况相当于可控整流电路的时的情况。
即要求共阴极的一组晶闸管要在自然换相点1、3、5点换相,而共阳极的一组晶闸管则会在自然换相点2、4、6点换相。
因此,对于可控整流电路,就要求触发电路在三相电源相电压正半周的1、3、5点的位臵给晶闸管VT1、VT3和VT5送出触发脉冲,而在三相电源相电压负半周的2、4、6点的位臵给晶闸管VT2、VT4和VT6送出触发脉冲,且在任意时刻共阴极组和共阳极组的晶闸管中都各有一只晶闸管导通,这样在负载中才能有电流通过,负载上得到的电压是某一线电压。
其波形如图8.23所示。
为便于分析,可以将一个周期分成6个区间,每个区间图8.23 三相桥式电阻性负载a=0°时波形区间,u相电位最高,在时刻,即对于共阴极组的u 相晶闸管VT1的的时刻,给其加触发脉冲,VT1满足其导通的两个条件,同时假设此时共阳极组阴极电位最低的晶闸管VT6已导通,这样就形成了由电源u相经VT1、负载及VT6回电源v相的一条电流回路。
若假设电流流出绕组的方向为正,则此时u相绕组的电流为正,v相绕组上的电流为负。
在负载电阻上就得到了整流后的直流输出电压,且,为三相交流电源的线电压之一。
过后到时刻,进入区间,这时u相相电压仍是最高,但对于共阳极组的晶闸管来说,由于w相相电压为最负,即VT2的阴极电位将变得最低。
所以在自然换相点2点,即时,给晶闸管VT2加触发脉冲,使其导通,同时由于VT2的导通,使VT6承受了反向的线电压而关断了。
课程设计任务书学生姓名:专业班级:自动化0602班指导教师:工作单位:自动化学院题目:三相桥式全控整流电路的设计(带反电动势负载)初始条件:1.反电动势负载,E=60V,电阻R=10Ω,电感L无穷大使负载电流连续;2.U2=220V,晶闸管触发角α=30°;3.其他器件如晶闸管自己选取。
要求完成的主要任务:(包括课程设计工作得及其技术要求,以及说明书撰写待具体要求)1.主电路的设计及原理说明;2.触发电路设计,每个开关器件触发次序及相位分析;3.保护电路的设计,过流保护,过电压保护原理分析;4.各参数的计算(输出平均电压,输出平均电流,输出有功功率计算,输出波形分析);5.应用举例;6.心得小结。
时间安排:7月6日查阅资料7月7日方案设计7月8日- 9日馔写电力电子课程设计报告7月10日提交报告,答辩指导教师签名:年月日系主任(或责任教师)签名:年月日摘要整流电路就是把交流电能转换为直流电能的电路。
大多数整流电路由变压器、整流主电路和滤波器等组成。
它在直流电动机的调速、发电机的励磁调节、电解、电镀等领域得到广泛应用。
整流电路通常由主电路、滤波器和变压器组成。
20世纪70年代以后,主电路多用硅整流二极管和晶闸管组成。
滤波器接在主电路与负载之间,用于滤除脉动直流电压中的交流成分。
变压器设置与否视具体情况而定。
变压器的作用是实现交流输入电压与直流输出电压间的匹配以及交流电网与整流电路之间的电隔离(可减小电网与电路间的电干扰和故障影响)。
整流电路的种类有很多,有半波整流电路、单相桥式半控整流电路、单相桥式全控整流电路、三相桥式半控整流电路、三相桥式全控整流电路等。
关键词:整流,变压,触发,过电压,保护电路。
目录1主电路设计及原理 (1)1.1 主电路设计 (1)1.2 主电路原理说明 (1)2 触发电路的设计 (5)2.1 电路图的选择 (5)2.2 触发电路原理说明 (6)3 保护电路的设计 (8)3.1 过电压保护 (8)3.2 过电流保护 (10)4 各参数的计算 (12)4.1 输出值的计算 (12)4.2 输出波形的分析 (14)5 应用举例 (15)6 心得体会 (16)参考文献 (17)三相桥式全控整流电路的设计1主电路设计及原理1.1 主电路设计其原理图如图1所示。
1系统概述整流电路是电力电子电路中最早出现的一种,它将交流电变为直流电,应用十分广泛,电路形式多种多样,各具特色。
可从各种角度对整流电路进行分类,主要分类方法有:按组成的器件可分为不可控、半控、全控三种。
由电力二极管等不可控器件构成的整流电路叫做不可控整流电路,由晶闸管等半控器件构成的整流电路称为半控型整流电路,由门极可关断晶闸管(GTO)、电力晶体管(GTR)、电力场效应晶体管(Power MOSFET)以及绝缘栅双极晶体管(IGBT)等全控型器件构成等的整流电路称为全控整流电路。
按电路结构可分为桥式电路和零式电路。
按交流输入相数分为单相电路和多相电路。
按变压器二次侧电流的方向是单向或双向,又分为单拍电路和双拍电路。
本系统属于三相桥式全控整流电路,而三相可控整流电路一般有三相半波可控整流电路、三相桥式全控整流电路。
三相半波可控整流电路只需要三个晶闸管,若带阻感负载,则只在正半周开通。
三相半波可控整流电路的特点是简单,但输出脉动大,变压器二次测电流中含直流分量,造成变压器铁心直流磁化。
为使变压器铁心不饱和,需增大铁心截面积,增大了设备的。
因此,实际中一般不采用半波整流,而采用全波整流。
三相可控整流电路中应用较多的是三相桥式全控整流电路,共六个晶闸管组成三对桥臂。
由于在交流电源的正负半周都有整流输出电流流过负载,故该电路为全波整流。
在u2一个周期内,整流电压波形脉动6次,脉动次数多于半波整流电路,该电路属于双脉波整流电路。
变压器二次绕组中,正负两个半周电流方向相反且波形对称,平均值为零,即直流分量为零,不存在变压器直流磁化问题,变压器绕组的利用率也高。
1.1总体方案设计现要设计一三相桥式半控整流电路,带直流电动机负载,电压调节范围为0~220V。
整个系统可分为主电路和触发电路两部分,总体结构框图如下图1所示:1.2系统工作原理在系统主电路中,首先由主变压器将电网电压变换为需要的交流电压,接着由整流桥将交流电转化为直流电供给直流电动机负载。
1 主电路的设计与原理说明1.1 主电路图图1-1中阴极连接在一起的3个晶闸管(VT1、VT3、 VT5)为共阴极组;阳极连接在一起的3个晶闸管(VT4、VT6、VT2)为共阳极组。
晶闸管按从1至6的顺序导通,为此将晶闸管按图示的顺序编号,即共阴极组中与a 、b 、c 三相电源相接的3个晶闸管分别为VT1、VT3、VT5, 共阳极组中与a 、b 、c 三相电源相接的3个晶闸管分别为VT4、VT6、VT2。
从后面的分析可知,按此编号,晶闸管的导通顺序为 VT1-VT2-VT3-VT4-VT5-VT6。
此主电路要求带反电动势负载,此反电动势E=60V ,电阻R=10Ω,电感L 无穷大使负载电 流连续。
其原理如图1所示。
图1-1 三相桥式全控整理电路原理图1.2 主电路原理为说明此原理,假设将电路中的晶闸管换作二极管,这种情况就也就相当于晶闸管触发角α=0o 时的情况。
此时,对于共阴极组的三个晶闸管,阳极所接交流电压值最高的一个导通。
而对于共阳极组的三个晶闸管,则是阴极所接交流电压值最低(或者说负得最多)的一个导通。
这样,任意时刻共阳极组和共阴极组中各有1个晶闸管处于导通状态,施加于负载上的电压为某一线电压。
α=0o 时,各晶闸管均在自然换相点处换相。
由图中变压器二绕组相电压与线电压波形的对应关系看出,各自然换相点既是相电压的交点,同时也是线电压的交点。
在分析d u 的波形时,既可从相电压波形分析,也可以从线电压波形分析。
从相电压波形看,以变压器二次侧的中点n 为参考点,共阴极组晶闸管导通时,整流输出电压 1d u 为相电压在正半周的包络线;共阳极组导通时,整流输出电压2d u 为相电压在负半周的包络线,总的整流输出电压d u =1d u -2d u 是两条包络线间的差值,将其对应到线电压波形上,即为线电压在正半周的包络线。
从线电压波形看,由于共阴极组中处于通态的晶闸管对应的最大的相电压,而共阳极组中处于通态的晶闸管对应的是最小的相电压,输出整流电压 d u 为这两个相电压相减,是线电压中最大的一个,因此输出整流电压d u 波形为线电压在正半周的包络线。
1系统概述整流电路是电力电子电路中最早出现的一种,它将交流电变为直流电,应用十分广泛,电路形式多种多样,各具特色。
可从各种角度对整流电路进行分类,主要分类方法有:按组成的器件可分为不可控、半控、全控三种。
由电力二极管等不可控器件构成的整流电路叫做不可控整流电路,由晶闸管等半控器件构成的整流电路称为半控型整流电路,由门极可关断晶闸管(GTO)、电力晶体管(GTR)、电力场效应晶体管(Power MOSFET)以及绝缘栅双极晶体管(IGBT)等全控型器件构成等的整流电路称为全控整流电路。
按电路结构可分为桥式电路和零式电路。
按交流输入相数分为单相电路和多相电路。
按变压器二次侧电流的方向是单向或双向,又分为单拍电路和双拍电路。
本系统属于三相桥式全控整流电路,而三相可控整流电路一般有三相半波可控整流电路、三相桥式全控整流电路。
三相半波可控整流电路只需要三个晶闸管,若带阻感负载,则只在正半周开通。
三相半波可控整流电路的特点是简单,但输出脉动大,变压器二次测电流中含直流分量,造成变压器铁心直流磁化。
为使变压器铁心不饱和,需增大铁心截面积,增大了设备的。
因此,实际中一般不采用半波整流,而采用全波整流。
三相可控整流电路中应用较多的是三相桥式全控整流电路,共六个晶闸管组成三对桥臂。
由于在交流电源的正负半周都有整流输出电流流过负载,故该电路为全波整流。
在u2一个周期内,整流电压波形脉动6次,脉动次数多于半波整流电路,该电路属于双脉波整流电路。
变压器二次绕组中,正负两个半周电流方向相反且波形对称,平均值为零,即直流分量为零,不存在变压器直流磁化问题,变压器绕组的利用率也高。
1.1总体方案设计现要设计一三相桥式半控整流电路,带直流电动机负载,电压调节范围为0~220V。
整个系统可分为主电路和触发电路两部分,总体结构框图如下图1所示:1.2系统工作原理在系统主电路中,首先由主变压器将电网电压变换为需要的交流电压,接着由整流桥将交流电转化为直流电供给直流电动机负载。
第六章引言6.1 同步电机的励磁简介同步电机的励磁绕组通常由外电源提供励磁电流,这些励磁电源可分为两大类:一类是用直流电源提供励磁的直流励磁机系统;另一类是用硅整流装置将交流变成直流后提供励磁的半导体励磁系统。
随着半导体技术的发展,可控硅整流装置已广泛应用于同步电机励磁系统。
可控硅整流装置将交流励磁机输出的三相交流电流转换成直流电流,励磁调节器根据发电机运行工况调节可控硅整流器的导通角,以此调节可控硅整流装置的输出电压,从而调节发电机的励磁。
6.2 研究同步电机励磁系统的背景在电力系统的运行中,同步发电机是电力系统获得无功功率的重要来源之一,通过调节励磁电流可以维持发电机端电压,改变发电机的无功功率。
不论系统是在正常运行情况下还是在故障情况下,同步发电机的励磁电流都必须得到有效控制,因此励磁系统是同步发电机的重中之重。
励磁系统的安全运行,不仅关系到发电机及电力系统的运行稳定性,而且关系到发电机及与其相关联的电力系统的经济运行指标。
对同步发电机励磁系统基本要求有:一、具有十分高的可靠性;二、保证发电机具有足够的励磁容量;三、具有足够的强励能力;四、保证发电机电压调差率有足够的整定范围;五、保证发电机电压有足够的调节范围;六、保证发电机励磁自动控制系统具有良好的调节特性等。
6.3 本文主要研究内容三相桥式全控整流电路是将交流电压转化为直流电压,进而转化为直流励磁电流的一个桥梁,所以对它的分析研究就显的尤为重要。
本次设计中综合运用MATLAB中的Simulink模块搭建三相桥式全控整流电路,仿真分析了在不同触发角情况下的输出电压波形,并在分析后通过电力系统综合自动化实验台上的示波器观察励磁装置中的六路脉冲、变压器二次测交流电压波形以及经整流后输出的直流电压波形。
u g u gu g u gu2u 图2 三相桥式整流电路的触发脉冲第七章 三相桥式全控整流电路简介7.1 主电路原理说明如图2.1,共阴极组——阴极连接在一起的3个晶闸管(VT 1,VT 3,VT 5)共阳极组——阳极连接在一起的3个晶闸管(VT 4,VT 6,VT 2)。
1主电路的原理1.1主电路其原理图如图1所示。
图1 三相桥式全控整理电路原理图习惯将其中阴极连接在一起的3个晶闸管(VT1、VT3、VT5)称为共阴极组;阳极连接在一起的3个晶闸管(VT4、VT6、VT2)称为共阳极组。
此外,习惯上希望晶闸管按从1至6的顺序导通,为此将晶闸管按图示的顺序编号,即共阴极组中与a、b、c三相电源相接的3个晶闸管分别为VT1、VT3、VT5,共阳极组中与a、b、c三相电源相接的3个晶闸管分别为VT4、VT6、VT2。
从后面的分析可知,按此编号,晶闸管的导通顺序为VT1-VT2-VT3-VT4-VT5-VT6。
1.2主电路原理说明整流电路的负载为带反电动势的阻感负载。
假设将电路中的晶闸管换作二极管,这种情况也就相当于晶闸管触发角α=0o时的情况。
此时,对于共阴极组的3个晶闸管,阳极所接交流电压值最高的一个导通。
而对于共阳极组的3个晶闸管,则是阴极所接交流电压值最低(或者说负得最多)的一个导通。
这样,任意时刻共阳极组和共阴极组中各有1个晶闸管处于导通状态,施加于负载上的电压为某一线电压。
此时电路工作波形如图2所示。
图2 反电动势α=0o时波形α=0o时,各晶闸管均在自然换相点处换相。
由图中变压器二绕组相电压与线电压波形的对应关系看出,各自然换相点既是相电压的交点,同时也是线电压的交点。
在分析ud的波形时,既可从相电压波形分析,也可以从线电压波形分析。
从相电压波形看,以变压器二次侧的中点n为参考点,共阴极组晶闸管导通时,整流输出电压ud1为相电压在正半周的包络线;共阳极组导通时,整流输出电压ud2为相电压在负半周的包络线,总的整流输出电压ud = ud1-ud2是两条包络线间的差值,将其对应到线电压波形上,即为线电压在正半周的包络线。
直接从线电压波形看,由于共阴极组中处于通态的晶闸管对应的最大(正得最多)的相电压,而共阳极组中处于通态的晶闸管对应的是最小(负得最多)的相电压,输出整流电压ud为这两个相电压相减,是线电压中最大的一个,因此输出整流电压ud波形为线电压在正半周的包络线。