220kV变电站典型配置
- 格式:doc
- 大小:164.00 KB
- 文档页数:2
变电站变压器运行和继电保护配置分析
图1 保护范围
变电站变压器运行策略
选择质量高的变压器
目前,国内变压器市场型号多样、生产工艺不尽相同,相应的变压器的性能、质量也不尽相同。
进一步了解变压器制作工艺水平,其硅钢片制作较为先进,制作工艺更精密,使得硅钢片越来越薄,更适用于变压器中,能够降低变压器空载损耗,使得变压器的节能效果提高。
220kV变电站变压器可以长时间安全、高效及低能耗地稳定运行,在变压器采购时,应当注意加强对技术方面的把关,通过详细了解变压器制作工艺。
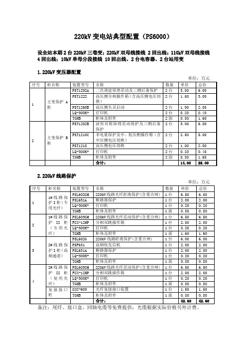
第十一篇220kV变电站典型设计(方案B3)第53章设计说明53.1 总的部分220kV变电站典型设计方案B3对应220、110kV采用GIS设备户内布置、主变压器采用3×240MV A的三绕组变压器,全电缆出线,并配置假定组数的无功设备组合成的220kV户内站方案。
53.1.1 本典型设计的适用场合(1)人口密度高,土地昂贵的地区;(2)进出线均为电缆的项目;(3)环保要求高的地区;(4)严重大气污染地区。
53.1.2 对设计方案组合的说明本典型设计根据典型设计方案B3的建设规模及技术条件,是按照湖北省电力公司220kV变电站典型设计技术导则设定的,具体方案组合见表53-1。
表53-1 方案B3技术条件一览表序号项目名称技术条件1 主变压器台数及容量2/3×240MVA,容量比为100/100/502 出线规模220kV:2/3回;110kV:8/12回;35kV:20/30回3 无功补偿分组及容量1×10Mvar(电抗)/主变压器4 电气主接线220kV线变组:110kV单母线2/3分段;35kV单母线4/6分段5 配电装置220、110kV采用户内GIS:35kV采用户内开关柜6 短路电流水平220kV:50kA;110kV:31.5kA;35kV:25kA序号项目名称技术条件7 主要设备选型主变压器:三相三绕组有载调压自冷水平分体变压器220kV采用户内GIS,间隔宽度不大于2m110kV采用户内GIS,间隔宽度不大于1.5m35kV采用户内金属铠装开关柜,间隔宽度不大于1.2m8 土建部分全站总建筑面积6036 m2,主变压器消防采用水喷雾,户内外设置消火栓9 站址基本条件按地震基本烈度6度,地震动峰值加速度0.05g,设计风速25m/s,地基承载力特征值f ak=150kPa,无地下水影响,非采暖区设计,假设场地为同一标高。
按海拔1000m以下,国标Ш级污秽区设计53.1.3主要技术经济指标主要技术经济指标见表53-2。
220kV变电工程直流系统设备专用技术规范工程名称:建设单位:设计单位:设计联系人:联系电话:1 招标设备需求一览表2 供货范围设备范围和数量见表2-1,直流系统接线采用两组蓄电池(另招)、两套充电装置。
表2-1设备规范和数量表2-2 成套屏柜元器件规范和数量3其他技术条款4 使用说明本专用技术规范与湖南省电力公司220kV变电所直流系统设备通用技术规范(2007版)构成完整的设备技术规范书。
湖南省电力公司220kV变电所直流系统设备通用技术规范书(2007版)目录1. 总则2. 供货范围3. 工程条件4. 技术要求5. 技术服务6. 买方工作7. 质量保证和试验8. 包装、运输和储存总则:1.1 本设备技术规范书适用于湖南省电力公司220kV变电所直流充电屏、直流配电屏的的招标订货,它提出了功能设计、结构、性能、安装和试验等方面的技术要求。
1.2 本设备技术规范书提出的是最低限度的技术要求,并未对一切技术细节作出规定,也未充分引述有关标准和规范的条文,卖方应提供符合本规范书和工业标准的优质产品。
1.3 如果卖方没有以书面形式对本规范书的条文提出异议,则意味着卖方提供的设备(或系统)完全符合本规范书的要求。
如有异议,不管是多么微小,都应在报价书中以“对规范书的意见和同规范书的差异”为标题的专门章节中加以详细描述。
1.4 本设备技术规范书所使用的标准如遇与卖方所执行的标准不一致时,按较高标准执行。
1.5 本设备技术规范书经买、卖双方确认后作为订货合同的技术附件,与合同正文具有同等的法律效力。
1.6本设备技术规范书未尽事宜,由买卖双方协商确定。
1.7 投标商资格1.7.1 投标商应至少设计、制造、集成、调试20套及以上类似本标书提出的220kV及以上电压等级连续成功的商业运行业绩(投标商应出具工程业绩表)。
1.7.2 投标商提供的产品应具有在国内外220kV及以上电压等级成功投运一年以上的经验。
1.7.3 投标商提供的产品应通过省(部)级以上主管部门组织的技术鉴定,并随投标书提供电力部门运行情况报告。
国家电网公司220kV变电站典型设计总论8.3.5 电气二次部分(1)计算机监控1)变电站监控采用目前成熟先进的具有远方控制功能的计算机监控系统,实现无人值班。
2)变电站采用具有远方控制功能的计算机监控系统,不设置远动专用设备,并简化计算机监控系统后台部分。
3)监控范围及操作控制方式监测范围:断路器、隔离开关、接地刀闸、变压器、电容器、站用电、直流电源、交流不停电电源、通信设备及其辅助设备、保护信号、各种装置状态信号、电气量和非电气量信号。
控制范围:断路器、电动隔离开关、电动接地开关、主变中性点隔离开关、主变有载调压开关等。
操作控制方式:操作控制功能按远方调度中心、站控层、间隔层、设备级的分层操作原则设计。
4)与集控中心及调度通信计算机监控系统在确保信息安全的情况下同时与调度和集控中心实现网络通信。
远动数据传输设备冗余配置,计算机监控主站与远动数据传输设备信息资源共享,不重复采集。
5)全站仅设置一套GPS接收系统。
6)与继电保护通信继电保护信号如保护跳闸、重合闸动作、保护装置异常等信号送调度或集控中心。
原则上采用两种方式实现监控系统与继电保护的信息交换:方式1:保护的跳闸信号以及重要的告警信号采用硬接点方式接入I/O测控装置。
方式2:通过通信接口实现监控系统与保护装置之间的信息交换。
对监控系统所需保护信息量要进行优化筛减。
继电保护人员所关心的详细保护信息可通过保护故障信息子站上传至相关调度端。
故障录波数据均不上传监控。
保护及故障信息处理子站系统应与站内监控系统统筹考虑,共享保护信息。
7)防误操作闭锁功能由计算机监控系统实现,原则上不设置独立的微机防误操作闭锁装置。
8)系统网络结构计算机监控系统采用分布式网络结构,有如下两种较典型的方案,计算机监控系统采用双以太网方案时,参见图8-1。
具体在工程实施中,可根据招标结果和实际情况确定。
图8-1 220kV变电站计算机监控系统示意图(双以太网方案)计算机监控系统采用单以太网方案时,参见图8-2。
变电站电气一次部分设计说明书专业班级:09电气3班姓名:刘进伟学号: 200930530320一220kV地区变电站电气一次部分设计原始资料一、地区电网的特点本地区变电站通过三回线(架空线50km)从系统获取电能,(每回架空线的单位长度等值电抗=0.5欧/km)二、建站规模(1)变电站类型:220kV变电工程(2)电压等级:220kV 、110kV、35kV三、环境条件变电所位于某城市,地势平坦,交通便利,空气较清洁,区平均海拔300米,最高气温36℃,最低气温-18℃,年平均雷电日45日/年,土壤电阻率高达800 .M四、电气主接线要求尽量考虑设置熔冰措施五、短路阻抗系统作无穷大电源考虑二电气主接线设计2.1电气主接线的概述电气主接线是由电气设备通过连接线,按其功能要求组成接受和分配电能的电路,成为传输强电流、高电压的网络,故又称为一次接线或电气主系统。
主接线代表了发电厂或变电站电气部分的主体结构,是电力系统网络结构的重要组成部分,直接影响运行的可靠性、灵活性并对电器选择、配电装置布置、继电保护、自动装置和控制方式的拟定都有决定性的关系。
因此,主接线的正确、合理设计,必须综合处理各个方面的因素,经过技术、经济论证比较后方可确定。
2.2电气主接线的基本要求对电气主接线的基本要求,概括地说应包括可靠性、灵活性和经济性三方面。
这三者是一个综合概念,不能单独强调其中的某一种特性,也不能忽略其中的某一种特性。
但根据变电所在系统中的地位和作用的不同,对变电所主接线的性能要求也不同的侧重。
2.3电气主接线设计的原则电气主接线设计的基本原则是以设计任务为依据,以国家经济建设的方针、政策、技术规定、标准为准绳,结合工程实际情况,在保证供电可靠、调度灵活、满足各项技术要求的前提下,兼顾运行、维护方便,尽可能地节省投资,就近取材,力争设备元件和设计的先进性与可靠性,坚持可靠、先进、实用、经济、美观的原则。
2.4方案预定1.对220KV可采用单母线分段形势,当可靠性要求高时可采用双母线形式,出现为2回时还可以采用桥形。
《无锡供电局220KV变电所典型设计技术规定》 (试行)一、主结线1、电压等级:一般采用220/110/35KV。
2、变电所规模及主变容量:近期规模为二台,但留有扩建第三台的可能。
主变单台容量取180MVA或120MVA,主变基础按最终容量设计一次施工完成。
3、220KV主接线:远景采用双母线带旁路,设专用旁路、母联开关。
建设初期,采用双母线带旁路,设旁路兼母联开关。
4、110KV主结线:远景采用双母线带旁路,设旁路开关。
建设初期,采用单母线带旁路,设旁路开关。
5、35KV主结线:采用单母线分段,原则上不设旁路母线。
6、无功补偿:电容器装设于35KV侧,补偿容量为主变容量的20%,采用密集型电容器。
7、所用变及接地补偿:所用变接于35KV母线,其中一台可以通过出线经旁母倒供。
消弧线圈按两台预留,是否本期安装由系统电容电流计算值确定。
8、防误装置:变电所配电装置的防误装置采用可靠、简易的AC220V电气联锁或微机联锁。
二、保护、监控、通讯、远动、直流系统1、监控及保护方式:继电保护及中央信号装置原则上集中安装在控制室。
2、继电保护配置:(1)220KV联络线保护,采用不同原理的双高频微机保护,高频通道为架空地线复合光纤通道或载波通道。
(2)220KV旁路保护,采用线路微机保护。
(3)220KV馈供线保护,采用线路微机保护(可不含CPU 高频保护)。
(4)220KV母线保护,采用双母线固定联接PHM-3型母线差动保护或微机母线保护。
(5)220KV主变保护,采用主变微机保护或采用进口差动元件加国产后备元件等混合型保护。
(6)110KV出线保护,采用线路微机保护。
(7)110KV母线保护,采用双母线固定联接PHM-3型母线差动保护或微机母线保护。
(8)35KV出线保护,采用带低周微机保护或分散式带监控微机保护。
(9)35KV电容器组保护,采用含差压的微机保护或分散式带监控微机保护。
(10)消弧线圈保护,采用带自动跟踪补偿装置。