企业物流管理实验
- 格式:doc
- 大小:320.50 KB
- 文档页数:7
物流管理综合实验报告物流管理综合实验报告一、引言物流管理是现代企业管理中的重要组成部分,它涉及到从原材料采购到产品交付的整个过程。
为了更好地理解物流管理的实际运作,我们进行了一次综合实验。
本报告将介绍实验的目的、方法、结果和总结。
二、实验目的本次实验的目的是通过模拟物流管理的实际情况,了解物流过程中的各个环节,并掌握物流管理的基本原理和技巧。
同时,通过实践操作,培养团队协作能力和解决问题的能力。
三、实验方法1. 实验材料准备我们选择了一种常见的产品进行实验,准备了一定数量的原材料和包装材料,并确定了产品的生产工艺和流程。
2. 实验流程(1)采购原材料:根据产品的需求,我们联系了供应商,购买了所需的原材料,并进行了验收。
(2)生产加工:根据产品的生产工艺,我们进行了生产加工,并对每个环节进行了记录。
(3)包装和配送:完成产品的生产后,我们进行了包装,并安排了配送。
3. 数据收集和分析在实验过程中,我们对每个环节的时间、成本和质量进行了记录,并进行了数据分析,以评估整个物流过程的效率和质量。
四、实验结果1. 采购环节在采购环节中,我们与供应商进行了沟通和协商,确保原材料的质量和数量符合要求。
通过及时的采购,我们避免了原材料的短缺问题,确保了生产的顺利进行。
2. 生产加工环节在生产加工环节中,我们按照工艺流程进行了操作,并及时记录了每个环节的时间和质量情况。
通过合理的安排和高效的操作,我们保证了产品的质量和生产效率。
3. 包装和配送环节在包装和配送环节中,我们选择了适当的包装材料,并根据客户的要求进行了包装。
在配送过程中,我们选择了合适的运输方式,确保产品能够按时送达。
五、实验总结通过这次综合实验,我们深入了解了物流管理的各个环节和流程。
我们发现,物流管理需要高效的协调和沟通能力,以及对市场需求的准确把握。
同时,我们也认识到物流管理对于企业的重要性,它直接影响到企业的运营成本和客户满意度。
在实验中,我们还发现了一些改进的空间。
第1篇一、实验目的本次实验旨在使学生深入了解物流管理的基本原理和操作流程,掌握物流管理信息系统(MIS)的基本应用,并通过模拟实验提高学生对物流管理实践操作的能力。
通过本次实验,学生应达到以下目标:1. 理解物流管理的概念、原则和流程。
2. 掌握物流管理信息系统的基本功能和操作方法。
3. 学会运用物流管理工具进行数据分析,优化物流管理方案。
4. 提高团队合作和沟通能力。
二、实验环境1. 实验设备:计算机、网络连接、实验软件(如物流管理模拟软件、Excel等)。
2. 实验软件:选用一款物流管理模拟软件,如Logistics Simulation、Logistics Lab等。
三、实验内容与步骤(一)实验一:物流管理基本概念与流程1. 概念学习:介绍物流管理的定义、功能、原则和流程。
2. 案例分析:通过实际案例,分析物流管理的应用和效果。
3. 小组讨论:分组讨论物流管理在实际业务中的应用,提出改进建议。
(二)实验二:物流管理信息系统(MIS)应用1. 系统学习:介绍物流管理信息系统的基本功能和操作方法。
2. 软件安装与操作:安装并熟悉实验软件,学习软件的基本操作。
3. 模拟实验:a. 数据录入:根据实验要求,录入相关物流数据。
b. 数据处理:运用软件进行数据处理,分析物流数据。
c. 方案优化:根据数据分析结果,提出优化物流管理方案的措施。
(三)实验三:物流管理实践操作1. 分组模拟:将学生分成若干小组,模拟实际物流业务操作。
2. 角色扮演:每个小组扮演不同的角色,如采购、仓储、运输、销售等。
3. 业务流程:按照物流业务流程,完成采购、仓储、运输、销售等环节的操作。
4. 结果分析:分析各小组的物流管理实践操作,总结经验和教训。
四、实验结果与分析(一)实验一结果与分析通过实验一的学习,学生对物流管理的基本概念、原则和流程有了更深入的了解,能够运用所学知识分析实际案例,提出改进建议。
(二)实验二结果与分析在实验二中,学生掌握了物流管理信息系统的基本操作,能够运用软件进行数据处理和分析,优化物流管理方案。
物流管理系统实验报告物流管理系统实验报告一、引言物流管理是现代企业不可或缺的一部分,它涵盖了从原材料采购到产品交付的整个过程。
为了提高物流效率和降低成本,许多企业开始使用物流管理系统来优化他们的物流运作。
本实验旨在探讨物流管理系统的功能和效益。
二、实验目的本实验的目的是研究物流管理系统在企业中的应用,并评估其对物流效率的影响。
通过实际操作和数据分析,我们将探讨物流管理系统在以下方面的作用:订单处理、库存管理、运输调度和信息跟踪。
三、实验方法1. 实验环境在实验中,我们使用了一款商用的物流管理系统,并在一个模拟的物流环境中进行了操作。
实验所涉及的数据和情境均为虚拟的,不涉及真实企业的敏感信息。
2. 实验步骤首先,我们创建了一批虚拟订单,并将其输入到物流管理系统中。
系统根据订单的要求,自动进行库存检查,并生成相应的出库指令。
接下来,我们模拟了一些运输任务,并通过系统进行调度和分配。
最后,我们使用系统提供的跟踪功能,实时监控订单的运输情况。
四、实验结果与讨论1. 订单处理通过物流管理系统,我们能够快速准确地处理大量订单。
系统自动检查库存,并根据库存情况生成出库指令,大大减少了人工操作的时间和错误率。
此外,系统还提供了订单状态的实时更新,方便了客户查询订单进度。
2. 库存管理物流管理系统能够实时监控库存情况,并根据库存水平进行自动补货。
系统不仅能够提醒库存不足的物料,还能够预测需求量,帮助企业做出合理的采购计划。
这样一来,企业能够避免库存过剩或缺货的情况,提高了物流效率和客户满意度。
3. 运输调度物流管理系统能够根据订单的要求和运输资源的可用性,自动进行运输任务的调度和分配。
系统会优化路线,减少运输时间和成本。
此外,系统还能够实时监控运输车辆的位置和状态,提醒司机遵循交通规则和安全驾驶。
4. 信息跟踪物流管理系统提供了订单的实时跟踪功能,客户可以通过系统查询订单的当前位置和预计到达时间。
这不仅提高了客户的满意度,也方便了企业对物流过程的监控和管理。
企业物流管理实训报告一、实训背景和目标本次企业物流管理实训是在某大型制造企业进行的,旨在通过实际操作和模拟练习,培养学生的物流管理能力和团队合作能力。
本次实训的主要目标包括:1. 理解企业物流管理的重要性和作用;2. 学习运用物流管理的基本理论和技术方法;3. 提升团队协作与沟通能力;4. 总结经验教训,形成实践报告。
二、实训过程与方法实训过程主要由讲座培训和实地操作两个环节组成。
2.1 讲座培训在讲座培训环节,我们学习了物流管理的基本概念、流程和相关理论。
重点学习了供应链管理、仓储管理、运输管理、订单管理等内容。
通过案例分析和讨论,我们了解了物流管理中的常见问题和解决方法,并学习了运用信息技术辅助进行物流管理的实践。
2.2 实地操作在实地操作环节,我们被分为若干个团队,每个团队分别担任企业物流的不同职能岗位。
主要包括采购、仓储、运输、销售等岗位。
我们通过模拟企业物流的整个流程,从接收订单、采购原材料、生产、仓储、运输到最终交付等环节,亲身体验了物流管理的全过程。
在实践中,我们不断探索和改进,与其他团队紧密合作,共同完成任务。
三、实训收获与反思3.1 收获通过这次实训,我深刻体会到了物流管理在企业运营中的重要性。
物流管理不仅关乎企业的成本和效益,更直接影响到客户满意度和市场竞争力。
通过学习和实践,我掌握了物流管理的基本理论和方法,加深了对供应链管理的认识。
我也学到了团队合作的重要性,学会了与他人有效沟通和合作,充分发挥团队成员的专长和优势。
3.2 反思与改进在实训过程中,我们也遇到了一些问题和挑战。
一方面,我们在团队合作和沟通方面还存在不足,需要进一步提高。
另一方面,我们发现运用信息技术进行物流管理的能力不足,需要加强相关技术的学习和应用。
针对这些问题,我们将进一步改进团队的协作方式,提升信息技术的运用水平。
四、总结与展望通过这次实训,我们不仅学到了物流管理的理论知识和实践技巧,更重要的是培养了团队合作和沟通能力。
企业物流综合实验实验报告企业物流综合实验实验报告摘要:本次实验旨在通过对企业物流综合实验的开展,探讨物流管理在企业运营中的重要性。
通过实际操作和数据分析,我们发现物流管理对企业的效益和竞争力有着重要的影响。
本报告将详细介绍实验的目的、过程和结果,并对实验中遇到的问题进行分析和解决。
一、引言物流管理是现代企业运营中不可或缺的一环。
它涵盖了供应链管理、运输、仓储、库存管理等多个方面,对企业的生产和销售起到了关键的支撑作用。
本次实验旨在通过实际操作和数据分析,深入了解物流管理的重要性,并探讨如何优化企业的物流运作。
二、实验目的本次实验的主要目的是通过实际操作,了解企业物流管理的流程和方法。
具体目标包括:1. 掌握物流管理的基本概念和流程;2. 了解物流管理在企业运营中的作用;3. 学习运用物流管理工具和技术,优化企业的物流运作。
三、实验过程1. 数据收集与分析在实验开始前,我们首先收集了企业的相关数据,包括供应链、运输、仓储和库存等方面的信息。
通过对这些数据的分析,我们能够了解企业物流运作的现状和存在的问题。
2. 流程改进与优化根据数据分析的结果,我们发现企业存在运输成本高、仓储效率低等问题。
因此,我们提出了一系列的改进方案,包括优化运输路线、提高仓储设施利用率等。
通过实际操作和模拟实验,我们验证了这些方案的有效性,并对其进行了调整和优化。
3. 技术应用与效果评估在实验中,我们还尝试了一些物流管理工具和技术的应用,如物流信息系统、智能仓储设备等。
通过对这些技术的使用和效果评估,我们发现它们能够提高企业物流运作的效率和准确性。
四、实验结果与讨论通过实验的开展,我们得出了以下结论:1. 物流管理对企业的效益和竞争力有着重要的影响。
通过优化物流运作,企业能够降低成本、提高效率,进而提升竞争力。
2. 物流管理需要综合考虑供应链、运输、仓储等多个环节。
只有在这些环节之间形成良好的协调与配合,企业才能实现物流的高效运作。
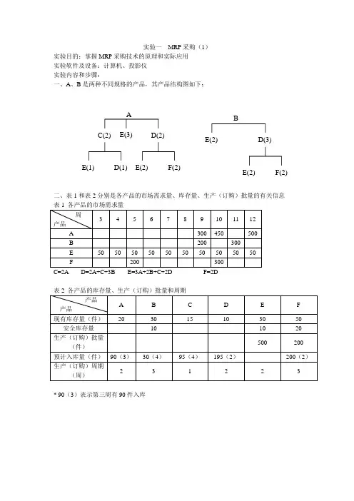
实验一 MRP 采购(1)实验目的:掌握MRP 采购技术的原理和实际应用 实验软件及设备:计算机、投影仪 实验内容和步骤:一、A 、B 是两种不同规格的产品,其产品结构图如下:二、表1和表2分别是各产品的市场需求量、库存量、生产(订购)批量的有关信息表2 各产品的库存量、生产(订购)批量和周期 * 90(3)表示第三周有90件入库三、,请编制物料需求计划实验二库存控制——ABC分类实验目的:掌握库存控制的理论知识和实际应用实验软件及设备:计算机、投影仪实验内容和步骤:一、某连锁企业对库存的20种商品进行了盘点,各库存品种占用的资金及相应的库存金额比例如资料所示,试用A类商品的品种数所占比例为15%—20%,而库存资金所占比例为75%—80%;B类商品的品种数所占比例为20%—25%,而库存资金所占比例为10%—15%;C类商品的品种数所占比例为60%—65%,而库存资金所占比例为5%—10%。
因此对库存商品的ABC分类在满足上述条件下,将各库存品种按占用资金的大小排序,使用ABC分类方法得实验三库存控制——ABC储位优化实验目的:掌握库存管理基本知识和原理及实际应用实验软件及设备:计算机、投影仪实验内容和步骤:一、利用ABC分类方法完成下表的填写二、进行储配方案设计1.托盘使用标准托盘(1200mm*1000mm*140mm)2.主要使用纸箱规格:A:330mm*200mm*230mm B:330mm*240mm*240mmC:400 mm*300mm*240mm D:450mm*250mm*280mm3.根据货物的周转量进行A、B、C计算,确认商品的类别,进行储位选择。
周转量累计在70%为A类商品,存放在托盘货架区第一层,周转量累计20%为B类商品,存放在托盘货架区第二层,周转量累计为10%存放在阁楼货架。
实验四库存控制技术的应用实验目的:了解库存的概念,掌握库存控制的重要性和库存控制的各种方法实验内容及步骤:经济订货批量模型及其应用经济订货批量模型(Economic Order Quantity, EOQ):又称整批间隔进货模型EOQ模型,是目前大多数企业最常采用的货物定购方式.该模型适用于整批间隔进货、不允许缺货的存储问题,即某种物资单位时间的需求量为常D,存储量以单位时间消耗数量D的速度逐渐下降,经过时间T后,存储量下降到零,此时开始定货并随即到货,库存量由零上升为最高库存量Q,然后开始下—个存储周期,形成多周期存储模型。
物流管理实验报告物流管理实验报告一、引言物流管理是现代企业不可或缺的一环,它涉及到产品的生产、仓储、运输和分销等方面。
在这个竞争激烈的时代,高效的物流管理对企业的发展至关重要。
本实验旨在通过模拟物流管理的过程,探索如何优化物流管理,提高企业的运营效率。
二、实验背景我们选择了一家电子产品制造企业作为研究对象。
该企业生产的产品种类繁多,市场需求波动较大,因此物流管理对其来说尤为重要。
我们希望通过实验来寻找最佳的物流管理策略,以提高产品的生产效率和客户满意度。
三、实验设计1. 数据收集我们首先对该企业的生产和销售数据进行了收集,包括产品的生产数量、销售数量、库存量等。
这些数据将作为实验的基础。
2. 问题分析在收集完数据后,我们对问题进行了分析。
我们发现该企业在某些时期会出现生产过剩或销售不畅的情况,导致库存积压或缺货现象。
我们希望通过优化物流管理来解决这些问题。
3. 模型建立基于问题分析的结果,我们建立了一个物流管理模型。
该模型考虑了生产、仓储和运输等环节,并且充分利用了收集到的数据。
我们使用计算机软件对该模型进行了仿真,以模拟不同的物流管理策略。
四、实验结果通过对模型的仿真实验,我们得到了一些有意义的结果。
首先,我们发现在某些情况下,采取批量生产策略可以有效减少生产成本,但也会增加库存积压的风险。
其次,我们发现在产品需求波动较大的时期,采取快速响应的物流策略可以提高客户满意度。
五、实验总结通过本次实验,我们深入了解了物流管理的重要性,并且探索了一些优化物流管理的策略。
我们发现物流管理的决策需要综合考虑多个因素,如生产成本、库存风险和客户需求等。
只有在合理平衡这些因素的基础上,企业才能实现高效的物流管理。
六、实验启示本次实验不仅为我们提供了一种学习物流管理的方法,也为我们认识到了物流管理的复杂性。
在实际工作中,我们应该注重数据的收集和分析,以便更好地优化物流管理。
同时,我们还应该关注市场需求的变化,及时调整物流策略,以满足客户的需求。
一、实验目的通过本次物流管理实验,旨在帮助学生了解物流管理的基本概念、原理和方法,掌握物流系统分析的基本技能,提高学生在实际工作中解决物流问题的能力。
同时,通过实验操作,培养学生的团队协作精神和创新意识。
二、实验背景随着社会经济的发展,物流行业在我国国民经济中的地位日益重要。
物流管理作为一门综合性学科,涉及到运输、仓储、配送、信息处理等多个方面。
为了更好地适应市场需求,提高企业的竞争力,掌握物流管理知识显得尤为重要。
三、实验内容本次实验主要包括以下内容:1. 物流系统分析2. 物流成本分析3. 物流中心选址4. 物流运输优化5. 物流配送优化四、实验步骤1. 物流系统分析(1)收集企业物流数据,包括采购、生产、销售等环节的物流信息;(2)运用系统分析方法,对收集到的物流数据进行整理和分析;(3)根据分析结果,提出改进措施。
2. 物流成本分析(1)收集企业物流成本数据,包括运输、仓储、配送等环节的成本;(2)运用成本分析方法,对收集到的物流成本数据进行整理和分析;(3)根据分析结果,提出降低物流成本的措施。
3. 物流中心选址(1)根据企业需求,确定物流中心选址的目标和原则;(2)运用选址模型,计算不同选址方案的优劣;(3)根据计算结果,选择最优的物流中心选址方案。
4. 物流运输优化(1)收集企业运输数据,包括运输路线、运输工具、运输成本等;(2)运用运输优化模型,对收集到的运输数据进行优化;(3)根据优化结果,提出改进措施。
5. 物流配送优化(1)收集企业配送数据,包括配送中心、配送路线、配送成本等;(2)运用配送优化模型,对收集到的配送数据进行优化;(3)根据优化结果,提出改进措施。
五、实验结果与分析1. 物流系统分析通过对企业物流数据的整理和分析,发现企业在物流环节存在以下问题:运输效率低下、仓储空间利用率不高、配送成本较高。
针对这些问题,提出以下改进措施:(1)优化运输路线,提高运输效率;(2)合理规划仓储空间,提高仓储利用率;(3)优化配送方案,降低配送成本。
物流管理模拟实验报告物流管理模拟实验报告引言:物流管理是现代企业中不可或缺的一环,它涉及到货物的运输、仓储、配送以及信息的流动等多个环节。
为了更好地理解物流管理的重要性和优化物流流程的方法,我们进行了一次物流管理模拟实验。
本报告将介绍实验的目的、实验过程以及实验结果,并提出一些建议以优化物流管理。
实验目的:本次实验的目的是通过模拟物流管理的过程,了解物流管理中的各个环节以及它们之间的相互关系。
同时,我们还希望通过实验,找出物流管理中存在的问题,并提出一些改进的方法。
实验过程:在实验中,我们将物流管理分为四个主要的环节:采购、仓储、运输和配送。
首先,我们模拟了采购环节,根据需求计划和供应商的情况,确定了采购的数量和时间。
然后,我们将采购的货物送往仓储环节,进行入库和库存管理。
接下来,我们模拟了运输环节,选择了合适的运输方式,并安排了货物的运输路线。
最后,我们进行了配送环节的模拟,将货物送达客户手中。
实验结果:通过模拟实验,我们得到了一些有关物流管理的重要结果。
首先,我们发现采购环节的决策对整个物流过程的影响非常大。
如果采购数量不准确或者供应商的配合不到位,将会导致仓储环节的库存过剩或者缺货的情况。
其次,我们注意到仓储环节的库存管理也是非常重要的。
合理的库存管理可以减少仓储成本,并且确保货物能够及时配送给客户。
另外,运输环节的选择和路线规划也对物流管理起着至关重要的作用。
我们发现不同的运输方式和路线选择会影响到货物的运输时间和运输成本。
最后,配送环节的及时性和准确性对客户的满意度有着直接的影响。
我们发现通过优化配送路线和提高配送效率,可以提高客户的满意度和忠诚度。
改进建议:基于实验结果,我们提出了一些建议以优化物流管理。
首先,我们建议在采购环节中加强与供应商的合作和沟通,确保采购数量和时间的准确性。
其次,我们建议加强仓储环节的库存管理,通过合理的库存控制和仓储布局,降低仓储成本并提高效率。
另外,我们建议在运输环节中选择合适的运输方式,并通过优化路线规划,减少运输时间和成本。
一、实验背景随着社会经济的快速发展,物流行业在我国经济中的地位日益重要。
为了让学生更好地了解物流行业,提高物流管理实践能力,我校经济与管理学院特组织开展了物流管理实验实训模拟活动。
本次实验实训模拟以现代物流企业为背景,通过模拟企业运营过程,使学生深入了解物流管理的基本原理、操作流程和业务模式。
二、实验目的1. 培养学生物流管理的实际操作能力,提高学生物流管理理论水平;2. 使学生熟悉物流企业的运营模式,掌握物流管理的基本方法;3. 培养学生团队协作精神,提高学生沟通协调能力;4. 培养学生解决实际问题的能力,提高学生综合素质。
三、实验内容1. 物流企业概述:介绍物流企业的类型、特点、组织结构及运营模式;2. 物流信息管理:学习物流信息系统的构成、功能及应用;3. 物流仓储管理:掌握仓储管理的基本原理、操作流程及优化方法;4. 物流运输管理:了解运输管理的基本原则、运输方式及运输成本控制;5. 物流配送管理:学习配送管理的基本流程、配送策略及配送优化;6. 物流成本管理:掌握物流成本核算方法,提高物流成本控制能力;7. 物流安全管理:了解物流安全管理的基本知识,提高物流安全意识;8. 物流企业运营模拟:模拟物流企业运营过程,提高学生物流管理实践能力。
四、实验方法1. 讲座法:邀请物流行业专家进行讲座,介绍物流行业现状、发展趋势及企业运营模式;2. 案例分析法:选取典型案例,引导学生分析物流管理中的实际问题;3. 讨论法:组织学生进行小组讨论,分享学习心得,提高团队协作能力;4. 模拟实验法:利用模拟软件,模拟物流企业运营过程,让学生亲身体验物流管理实践。
五、实验过程1. 实验准备:学生分组,明确分工,了解实验内容,熟悉实验流程;2. 实验实施:按照实验内容,依次进行物流企业概述、物流信息管理、物流仓储管理、物流运输管理、物流配送管理、物流成本管理、物流安全管理等实验环节;3. 实验总结:各小组汇报实验成果,总结实验经验,提出改进意见。
物流管理实验报告一、引言物流管理是企业运营中不可或缺的一部分,通过对物流流程、人力资源、信息技术等方面的有效管理,能够提高企业的运作效率,降低成本,满足客户需求,提升竞争力。
本报告旨在通过对物流管理实验的探索和研究,总结出有效的物流管理方法和策略。
二、实验背景本实验旨在模拟真实物流管理场景,通过对物流运输链的管理,分析与评估物流成本、送货时间、库存管理等方面的表现,并对其中的问题进行改进和优化。
三、实验过程1. 确定物流流程:定义起始点(供应商)、中间节点(仓库)和终点(客户)。
2. 确定产品信息:明确所运输货物的种类、数量和质量要求,并记录每个节点的运输时间和成本要素。
3. 进行运输测试:根据物流流程和产品信息,对各节点进行正常运输,记录相关数据。
4. 数据分析与评估:结合实验数据和物流管理目标,对物流成本、送货时间等指标进行分析和评估。
5. 提出问题与改进:针对实验中出现的问题,提出相应改进措施,并预测改进后的效果。
6. 实验结果总结:根据实验数据和改进策略,总结物流管理实验的可行性和有效性。
四、实验结果与讨论经过实验数据的统计分析和问题改进,我们得出以下结果:1. 物流成本优化:通过优化运输节点、改进库存管理和合理安排运输路径等方式,可以降低物流成本。
2. 送货时间缩短:通过提高仓库运作效率、优化运输计划和加强沟通协调等方式,可以缩短送货时间。
3. 库存管理改进:采用先进的生产计划和库存控制技术,可以降低库存成本,减少仓库积压。
4. 信息技术应用:运用物联网、云计算等信息技术,可以实现物流信息的实时监控和管理,提高运作效率。
5. 客户满意度提升:通过及时配送、准确的货物信息跟踪和良好的售后服务,可以提升客户满意度。
五、结论本实验通过对物流管理的研究和改进,得出以下结论:1. 物流管理是企业运营不可或缺的重要环节,通过科学合理的物流管理策略,可以提高企业运营效率。
2. 物流成本、送货时间、库存管理等是评估物流管理情况的重要指标,需要进行合理的分析和评估。
物流企业运营管理模拟实验1. 引言1.1 概述物流企业运营管理是指通过合理的规划、组织、指挥、控制等手段,对物流企业内外的资源进行有效配置和协调,以达到提高物流效率、降低物流成本、提升客户满意度等目标的全过程管理活动。
为了帮助物流企业管理者更好地理解和掌握运营管理的方法,物流企业运营管理模拟实验应运而生。
1.2 实验目的物流企业运营管理模拟实验旨在通过虚拟的场景和实际的数据情况,让学习者亲身参与物流企业运营管理的决策过程,通过实际操作和模拟实验,提升对物流运作的认识和实践能力。
2. 实验流程2.1 实验准备在进行物流企业运营管理模拟实验之前,需要进行一些实验准备工作,包括参与者的学习和培训、实验软件的安装和设置、实验数据的准备等。
2.2 实验环境物流企业运营管理模拟实验借助计算机和物流管理软件,构建一个虚拟的物流企业运营管理环境,让学习者可以在模拟的场景中进行实时的决策和操作。
2.3 实验内容物流企业运营管理模拟实验的内容主要包括以下几个方面:2.3.1 货物管理学习者需要根据实验中给定的货物信息,对货物的运输、存储、配送等环节进行合理的规划和管理。
通过学习者的决策和操作,可以观察到不同策略对货物管理效果的影响。
2.3.2 资源分配学习者需要根据模拟场景中的资源情况,对物流企业的资源进行合理的分配和利用。
同时,学习者还需要根据实时数据对资源的使用情况进行评估和调整,以实现资源的最大效益。
2.3.3 运输网络规划学习者需要对物流企业的运输网络进行规划和优化,包括运输路线的选择、运输工具的配置等。
通过模拟实验,可以观察到不同运输网络规划方案的效果,并进行比较和评估。
2.4 实验结果分析在物流企业运营管理模拟实验结束后,需要对学习者在实验中的决策和操作进行分析和评估。
可以通过对实验数据的统计和比较,评估不同策略对物流企业运营管理效果的影响,为实际运营管理提供参考依据和决策支持。
3. 实验效果评估3.1 学习者反馈在实验结束后,可以对参与学习者进行问卷调查或面试等方式,了解他们对物流企业运营管理模拟实验的评价和反馈。
物流管理实验报告实验一:一、问题描述有3种不同产品类型的临时实体将按照正态分布间隔到达。
临时实体的类型1,2,3之间均匀分布。
当临时实体到达时,它们将进入暂存区并等待检验。
有三个检验台用来检验。
检验后的临时实体放到输送机上。
在输送机终端再被送到吸收器中,从而推出模型。
二、实验过程1、将实体从库里拖到投影试图视窗中,将各实体的端口一次连接,并将检测器的出口与发生器的入口相连。
设计的布局如图所示。
2、设置发生器的参数:(1)双击发生器键打开其参数视窗,设定到达时间间隔为normal(10,2,0)。
如图所示:在下拉菜单中选择“Set Itemtype and Color(设定临时实体类型和颜色)”选项。
如图:双击暂存区打开暂存区参数视窗,改变最大的容量为25。
如图:选择by expresion参数,如图所示。
将形状参数(scale value)改为30,对其它的处理器重复上述过程。
如图6、设置输送机速度,1m/s.如图所示。
7、重置模型并运行为了在运行模型前设置系统和模型参数的初始状态,先点击主视窗底部的键,然后点击运行模型。
结果如图所示。
三、分析数据图:检测器的处理速度较快,存在空闲等待时间,所以,再加入一个等待区,充分利用检测器,此时该系统可以处理更多的检测。
四、结论:运行结果无过多排队现象,无需改进。
实验二:一、问题描述采用一组操作员来为模型中临时实体的检验流程进行预置操作。
检验工作需要两个操作员之一进行预置。
预置完成后就可以进行检验了,无需操作员在场操作。
操作员还必须在预置开始前将临时实体搬运到检验地点。
检验完成后,临时实体转移到输送机上,无需操作员协助。
二、实验过程1、向模型中添加一个分配器和两个操作员。
连接中间和输入/输出端口,编辑暂存区临时实体流设置使用操作员。
2、为检测器的预置时刻配置操作员为了使检测器在预置时使用操作员,必须连接每个检测器的中间端口和分配器的中间端口。
按住键盘“S”键点击分配器拖到检测器释放。
学号:B09110530 2011-2012学年第2学期南京邮电大学《物流管理》课内实验报告班级:B091105姓名:郑荣翔指导教师:林萍职称:成绩:经济与管理学院2012 年 4 月15 日南京邮电大学《物流管理》课内实验指导教师成绩评定学生姓名郑荣翔班级学号B091105 专业市场营销评阅标准实验一:企业物流流程管理1、与同学合作,小组按照要求完成第三方物流操作程序2、画出自己所担任角色的流程3、论述本角色在物流活动中的地位和作用实验二:物流中心作业管理1、独立担任6个角色,完成第三方物流操作程序2、画出流程图实验三:库存管理1.问题定义并引入主要变量2.建立仿真模型3.测试变量赋值与仿真4.结果分析与选择方案实验四:物流设施选址及布局1.问题定义与分析2.建立物流网络优化模型3.用EXCEL规划求解工具求解4.结果敏感性分析指导教师评阅意见成绩指导教师签名日期1、与同学合作,小组按照要求完成第三方物流操作程序与同小组六位同学分别担任不同角色,完成第三方物流操作的整个程序,自己担任的是商场:济南商场。
2、画出自己所担任角色的流程自己担任角色具体的操作步骤是:第3步,商场确认发货单;第4步,商场发送发货单给厂家;第8步,商场确认并发送发货单给物流中心;第19步,商场进行到货确认。
3、论述本角色在物流活动中的地位和作用物流活动是指物流功能的实施与管理过程。
物流活动由物资包装、装卸、运输、储存、流通加工、配送、物流情报等项工作构成。
企业物流活动的构成要素有六个,其中实现物质、商品空间移动的运输以及时间移动的存货是两个中心要素,另外四个要素是因包装物流顺利进行而开展的搬运、流通加工和信息,它们对物流的顺利进行起着十分重要的作用。
商场作为物流活动的终端,是直接和消费者接触的环节,在一定程度上影响着整个物流活动的成效。
商场可以根据消费者的具体需求,对这个物流活动的物品、包装做出适当的调整。
A 、独立担任6个角色,完成第三方物流操作程序自己担任同时担任六个角色,完成第三方物流操作程序。
实验一 MRP 采购(1)
实验目的:掌握MRP 采购技术的原理和实际应用 实验软件及设备:计算机、投影仪 实验内容和步骤:
一、A 、B 是两种不同规格的产品,其产品结构图如下:
二、表1和表2分别是各产品的市场需求量、库存量、生产(订购)批量的有关信息
表2 各产品的库存量、生产(订购)批量和周期 * 90(3)表示第三周有90件入库
三、,请编制物料需求计划
实验二库存控制——ABC分类
实验目的:掌握库存控制的理论知识和实际应用
实验软件及设备:计算机、投影仪
实验内容和步骤:
一、某连锁企业对库存的20种商品进行了盘点,各库存品种占用的资金及相应的库存金额比例如资料所示,试用
A类商品的品种数所占比例为15%—20%,而库存资金所占比例为75%—80%;
B类商品的品种数所占比例为20%—25%,而库存资金所占比例为10%—15%;
C类商品的品种数所占比例为60%—65%,而库存资金所占比例为5%—10%。
因此对库存商品的ABC分类在满足上述条件下,将各库存品种按占用资金的大小排序,使用ABC分类方法得
实验三库存控制——ABC储位优化
实验目的:掌握库存管理基本知识和原理及实际应用
实验软件及设备:计算机、投影仪
实验内容和步骤:
一、利用ABC分类方法完成下表的填写
二、进行储配方案设计
1.托盘使用标准托盘(1200mm*1000mm*140mm)
2.主要使用纸箱规格:
A:330mm*200mm*230mm B:330mm*240mm*240mm
C:400 mm*300mm*240mm D:450mm*250mm*280mm
3.根据货物的周转量进行A、B、C计算,确认商品的类别,进行储位选择。
周转量累计在70%为A类商品,存放在托盘货架区第一层,周转量累计20%为B类商品,存放在托盘货架区第二层,周转量累计为10%存放在阁楼货架。
实验四库存控制技术的应用
实验目的:了解库存的概念,掌握库存控制的重要性和库存控制的各种方法
实验内容及步骤:经济订货批量模型及其应用
经济订货批量模型(Economic Order Quantity, EOQ):又称整批间隔进货模型EOQ模型,是目前大多数企业最常采用的货物定购方式.该模型适用于整批间隔进货、不允许缺货的存储问题,即某种物资单位时间的需求量为常D,存储量以单位时间消耗数量D的速度逐渐下降,经过时间T后,存储量下降到零,此时开始定货并随即到货,库存量由零上升为最高库存量Q,然后开始下—个存储周期,形成多周期存储模型。
经济订货批量模型最早由F.W.Harris于1915年提出的,该模型有如下假设:
(1)需求率已知,为常量.年需求量以D表示,单位时间需求率以d表示.
(2)一次订货量无最大最小限制.
(3)采购,运输均无价格折扣.
(4)订货提前期已知,为常量.
(5)订货费与订货批量无关.
(6)维持库存费是库存量的线性函数.
(7)补充率为无限大,全部订货一次交付.
(8)不允许缺货.
(9)采用固定量系统.
1.经济订货批量EOQ的概念
经济订货批量是固定订货批量模型的一种,可以用来确定企业一次订货(外购或自制)的数量。
当企业按照经济订货批量来订货时,可实现订货成本和储存成本之和最小化。
2.公式
Q* = SQRT(2*DS/FP)
Q*-- 经济订货批量
D -- 商品年需求量
S -- 每次订货成本
H --单位商品单位时间(通常为年)保管费用
P--单位购买价格
F--单位保管费率,即单位物料单位时间保管费与单位购买价格的比率
C(Q*)=DP+SQRT(2*DSFP)
3. 应用
某医药配送企业仓库,是集中大量采购,然后慢慢销售;快完的时候,再集中大量采购,如此循环;该医药配送企业的某种药品的销售也是均匀的以一个固定的速度出库,采购的动作也是瞬间完成的。
该医药配送企业某种药品一年销售10000箱,每箱进价100元,每箱货的保管费用平均为一年5元,每次供应商送货的手续费170元;根据这个数据,请计算每次采购多少箱?多长时间采购一次?一年的总费用是多少?。