液化石油气储罐防火间距
- 格式:doc
- 大小:52.00 KB
- 文档页数:1
液化石油气站的防火设计液化石油气作为一种新型燃料,在工业生产及人民生活中得到越来越广泛的应用。
然而,有些地方和单位在新建液化石油气站时,忽视防火设计,致使工程存在不少隐患,火灾和爆炸事故也时有发生。
因此,认真搞好液化石油气站的防火设计,对于保障国家和人民生命财产安全是十分必要的。
下面就常见的储存2500立方米以下、具有灌瓶装置的中小型液化石油气储配站的防火设计谈几点浅见:一、位置选择及总平面布置液化石油气站在选择位置及总平面布置上一般应满足以下几方面要求:1.应为独立的建筑物及构筑物,布置在城市郊区或本单位边缘,并位于本单位和附近居民区、明火及火花散发地点的下风向或侧风向,远离名胜古迹、游览区、大型公共建筑、重要物资仓库以及电台、电视台、导航站等重要设施。
2.储罐区和甲类生产厂房与相邻企业的建构筑物、堆场、厂内外铁路、道路、室外变配电室以及与民用建筑、生产辅助建筑、明火或火花散发地点的距离应分别满足“建筑设计防火规范”(TJ16—74)第15、16、17、47、52条要求。
3.液化气站内应平正、无低洼之处,严禁设在有地下和半地下的防空洞上,生产区周围应设置用不燃材料建筑与辅助生产区有明显分隔的围墙,其实体高度不小于2米,储罐区还应设防护墙,其高度为1米,为便于进出储罐区,其墙上应设二处以上用不燃材料做成的过墙踏步。
4.储罐之间的防火间距:球形储罐不应小于相邻较大罐的半径,卧式储罐之间及至防护墙的净距离应不小于相邻较大储罐的直径,并不小于1.5米;两排储罐之间的防火间距不应小于其中最长罐长度的一半。
5.铁路专用线中心距储罐不小于35米,卸车栈桥一般应设在铁路专用线的单侧,在其两端和栈桥每隔60米应设一处安全梯;汽车槽车卸车时,车台中心线距储罐不应小于30米,并应有不小于5‰的坡度,以便在发生事故情况下汽车能自动滑行。
6.压缩机室及烃泵房、空实瓶间、罐装间、槽车库、卸车台等之间的防火间距应大于12米。
危险化学品生产企业各厂房及设备之间的防火间距注:①高层工业建筑—-高度超过24米以上的两层或两层以上的厂房、库房。
②联合装置-—必要条件为“同开同停”,即有两个或两个以上的独立装置集中布置,且装置间直接进料,无供大修设立的中间原料储罐;其开工和停工检修等均同步进行,可视为同一套装置.附件一表3.1。
1生产性火灾分类附件二表3。
5。
4厂房疏散楼梯、走道和门的宽度指标注:①当使用人数少于50人时,楼梯、走道和门的最小宽度,可适当减少;但门的最小宽度,不应小于0.80m。
②宽度均指净宽度。
附件四表4。
2.1石化企业设备、建筑物平面布置的防火间距注:①查不到自燃点时,可取250℃。
②单机驱动功率小于150kW的可燃气体压缩机,可按介质温度低于自燃点的“其他工艺设备”确定其防火间距.③装置储罐的最大容积,应符合本规范第4。
2。
28条的规定。
当单个液化烃储罐的容积小于50m3、可燃液体储罐小于100m3、可燃气体储罐小于200m3时,可按介质温度低于自燃点的“其他工艺设备”确定其防火间距。
④含可燃液体的水池、隔油池等,可按介质温度低于自燃点的“其他工艺设备”确定其防火间距。
⑤对丙B类液体设备的防火间距不限。
⑥设备的火灾危险类别,应按其处理、储存或输送物质的火灾危险性类别确定;房间的火灾危险性类别,应按房间内火灾危险性类别最高的设备确定。
附件五表4。
2。
28装置储罐与装置的防火间距附件六表5.2.7罐组内相邻可燃液体地上储罐的防火间距附件七表4。
6。
2液化石油气储罐或制度区与建筑物、堆扬的防火间距液化石油气储罐或制度区与建筑物、堆扬的防火间距表4。
6.2危化品仓库堆垛方法及间距。
表4.4.1 液化石油气储罐或罐区与建筑物、储罐、堆场、铁路、道路的防火间距(m)注:1 容积大于1 000m3的液化石油气单罐或总储量大于5000m3的罐区,与明火或散发火花地点的防火间距不应小于,与民用建筑的防火间距不应小于,与其他建筑的防火间距应按本表的规定增加25%;2 防火间距应按本表总容积或单罐容积较大者确定;3 直埋地下液化石油气储罐的防火间距可按本表减少50%,但单罐容积不应大于50m3,总容积不应大于400m3;4 与本表以外的其他建、构筑物的防火间距,可按现行国家标准《城镇燃气设计规范》GB50028的有关规定执行。
4.4.2液化石油气气化站、混气站、瓶组站,其储罐与工业建筑、重要公共建筑和其他民用建筑、道路等之间的防火间距,可按现行国家标准《城镇燃气设计规范》GB50028的有关规定执行。
总容积不大于10m3的工业企业内的液化石油气气化站、混气站的储罐,当设置在专用的独立建筑物内时,其外墙与相邻厂房及其附属设备之间的防火间距,可按甲类厂房有关防火间距的规定执行。
当设置在露天时,与建筑物、储罐、堆场的防火间距应按本规范第条的规定执行。
液化石油气储罐之间的防火间距,不应小于相邻较大罐的直径。
数个储罐的总容积大于3000m3时,应分组布置。
组内储罐宜采用单排布置。
组与组之间相邻储罐的防火间距,不应小于。
液化石油气储罐与所属泵房的距离不应小于。
当泵房面向储罐一侧的外墙采用无门窗洞口的防火墙时,其防火间距可减少至。
液化石油气泵露天设置时,泵与储罐之间的距离不限,但不宜布置在防火堤内。
液化石油气瓶装供应站的瓶库,其四周宜设置不燃烧体的实体围墙,但面向出入口一侧可设置不燃烧体非实体围墙。
液化石油气瓶装供应站的瓶库与站外建、构筑物之间的防火间距,不应小于表的规定。
当总容积大于30m3时,其防火间距应符合本规范第条的规定。
表4.4.5 瓶库与站外建、构筑物之间的防火间距(m)注:总存瓶容积应按实瓶个数与单瓶几何容积的乘积计算。
液化气站防火设计规范200m3液化气站消防设计要求一、设计依据1、《城镇燃气设计标准》CB50028-20062、《工业金属管道设计标准》GB50316-2000〔2022年版〕3、《建筑灭火器配置设计标准》GB50140-20054、《工业金属管道工程施工与验收标准》GB50235-97二、平安间距以下平安间距根据《城镇燃气设计标准》CB50028-2006第8章第3节“液化石油气供给基地”中的有关规定确定。
1、总容积小于等于200m3,单罐容积≤50m3全压力式储罐距基地围墙的间距为20米。
2、卧式储罐距防火堤的间距为3米。
3、总容积小于等于200m3,单罐容积≤50m3全压力式储罐距灌装间、汽车槽车装卸台、门卫及值班室的间距为20米。
4、总容积小于等于200m3,单罐容积≤50m3全压力式储罐距消防泵房、消防水池〔取水口〕的间距为40米,距站内主要道路的间距为15米。
5、相邻卧式储罐间的防火间距为较大罐的直径。
三、消防用水设计计算根据《城镇燃气设计标准》CB50028-2006中的有关规定,消防用水延续时间按照3小时计算,储罐冷却水供给强度为0.15L/S㎡,着火罐的保护面积按照全外表积计算;距着火罐直径〔卧式罐按其直径和长度之和的一半〕1.5倍范围内的相邻罐取其外表积的一半计算,求的50m3储罐外表积为81.64㎡,5m3储罐外表积为18㎡。
着火罐为50m3最大罐,冷却水用量计算:〔81.64+81.64÷2+18÷2〕㎡某0.15L/S㎡≈20L/S消防水枪用水量为20L/S,合计用水为20L/S+20L/S=40L/S,合144m3/h,总消防用水量:144m3/h某3h=432m3。
考虑到站区内有自备消防水井,补水量不小于30m3/h,故设计消防水池总容积为350m3。
设消防水泵两台,型号:IS150-125-315,流量Q=160m3/h,扬程H=32米,电机功率30KW。
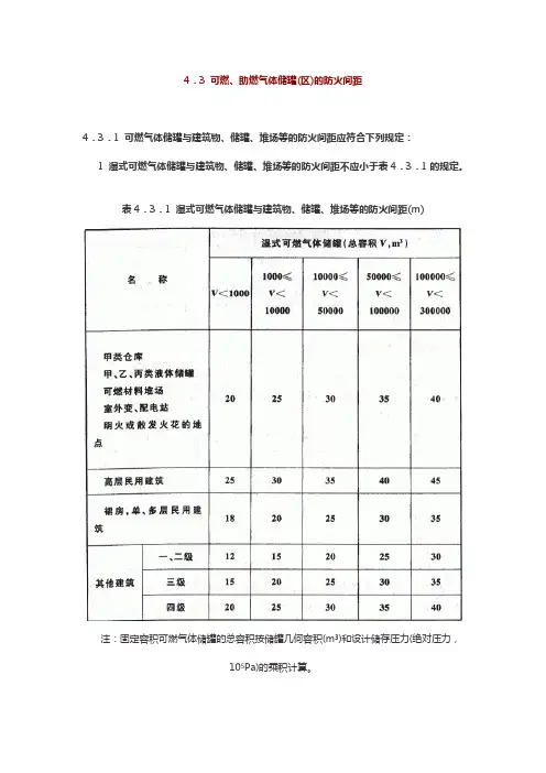
4.3 可燃、助燃气体储罐(区)的防火间距4.3.1 可燃气体储罐与建筑物、储罐、堆场等的防火间距应符合下列规定:1 湿式可燃气体储罐与建筑物、储罐、堆场等的防火间距不应小于表4.3.1的规定。
表4.3.1 湿式可燃气体储罐与建筑物、储罐、堆场等的防火间距(m)注:固定容积可燃气体储罐的总容积按储罐几何容积(m³)和设计储存压力(绝对压力,105Pa)的乘积计算。
2 固定容积的可燃气体储罐与建筑物、储罐、堆场等的防火间距不应小于表4.3.1的规定。
3 干式可燃气体储罐与建筑物、储罐、堆场等的防火间距:当可燃气体的密度比空气大时,应按表4.3.1的规定增加25%;当可燃气体的密度比空气小时,可按表4.3.1的规定确定。
4 湿式或干式可燃气体储罐的水封井、油泵房和电梯间等附属设施与该储罐的防火间距,可按工艺要求布置。
5 容积不大于20m³的可燃气体储罐与其使用厂房的防火间距不限。
4.3.2 可燃气体储罐(区)之间的防火间距应符合下列规定:1 湿式可燃气体储罐或干式可燃气体储罐之间及湿式与干式可燃气体储罐的防火间距,不应小于相邻较大罐直径的1/2。
2 固定容积的可燃气体储罐之间的防火间距不应小于相邻较大罐直径的2/3。
3 固定容积的可燃气体储罐与湿式或干式可燃气体储罐的防火间距,不应小于相邻较大罐直径的1/2。
4 数个固定容积的可燃气体储罐的总容积大于200000m³时,应分组布置。
卧式储罐组之间的防火间距不应小于相邻较大罐长度的一半;球形储罐组之间的防火间距不应小于相邻较大罐直径,且不应小于20m。
4.3.3 氧气储罐与建筑物、储罐、堆场等的防火间距应符合下列规定:1 湿式氧气储罐与建筑物、储罐、堆场等的防火间距不应小于表4.3.3的规定。
表4.3.3 湿式氧气储罐与建筑物、储罐、堆场等的防火间距(m)注:固定容积氧气储罐的总容积按储罐几何容积(m³)和设计储存压力(绝对压力,105Pa)的乘积计算。
液化石油气存放要求集团文件发布号:(9816-UATWW-MWUB-WUNN-INNUL-DQQTY-一、液化石油气根据消防要求,液化石油气存放达到1立方(500kg)以上(即8个50kg或28个15kg的储罐数量),需到当地消防备案,而且要达到以下设计规范要求,《城镇燃气设计规范-GB50028-2006》:8.5.2 采用自然气化方式,且瓶组气化站配置气瓶的总容积小于1 m3时,瓶组间可设置在与建筑物(住宅、重要公共建筑和高层民用建筑除外)外墙毗连的单层专用房间内,并应符合下列要求:1 建筑耐火等级不应低于二级;2 应是通风良好,并设有直通室外的门;3 与其他房间相邻的墙应为无门、窗洞口的防火墙;4 应配置可燃气体浓度检测报警器;5 室温不应高于45℃,且不应低于0℃。
注:当瓶组气化间独立设置,且面向相邻建筑的外墙为无门、窗洞口的防火墙时,其防火间距不限。
8.5.3 当瓶组气化站配置气瓶的总容积超过1 m3时,应将其设置在高度不低于2.2m 的独立瓶组间内。
独立瓶组间与建、构筑物的防火间距不应小于表8.5.3的规定。
表8.5.3 独立瓶组间与建、构筑物的防火间距(m)注:1 气瓶总容积应按配置气瓶个数与单瓶几何容积的乘积计算。
2 当瓶组间的气瓶总容积大于4m33 瓶组间、气化间与值班室的防火间距不限。
当两者毗连时,应采用无门、窗洞口的防火墙隔开。
8.5.4 瓶组气化站的瓶组间不得设置在地下和半地下室内。
8.5.5 瓶组气化站的气化间宜与瓶组间合建一幢建筑,两者间的隔墙不得开门窗洞口,且隔墙耐火极限不应低于3h。
瓶组间、气化间与建、构筑物的防火间距应按本规范第8.5.3条的规定执行。
8.5.6 设置在露天的空温式气化器与瓶组间的防火间距不限,与明火、散发火花地点和其它建、构筑物的防火间距可按本规范第8.5.3 条气瓶总容积小于或等于2 m3一档的规定执行。
8.5.7 瓶组气化站的四周宜设置非实体围墙,其底部实体部分高度不应低于0.6m。
一、液化石油气根据消防要求,液化石油气存放达到1立方(500kg)以上(即8个50kg或28个15kg的储罐数量),需到当地消防备案,而且要达到以下设计规范要求,《城镇燃气设计规范-GB50028-2006》:8.5.2 采用自然气化方式,且瓶组气化站配置气瓶的总容积小于1 m3时,瓶组间可设置在与建筑物(住宅、重要公共建筑和高层民用建筑除外)外墙毗连的单层专用房间内,并应符合下列要求:1 建筑耐火等级不应低于二级;2 应是通风良好,并设有直通室外的门;3 与其他房间相邻的墙应为无门、窗洞口的防火墙;4 应配置可燃气体浓度检测报警器;5 室温不应高于45℃,且不应低于0℃。
注:当瓶组气化间独立设置,且面向相邻建筑的外墙为无门、窗洞口的防火墙时,其防火间距不限。
8.5.3 当瓶组气化站配置气瓶的总容积超过1 m3时,应将其设置在高度不低于2.2m 的独立瓶组间内。
独立瓶组间与建、构筑物的防火间距不应小于表8.5.3的规定。
表8.5.3 独立瓶组间与建、构筑物的防火间距(m)注:1 气瓶总容积应按配置气瓶个数与单瓶几何容积的乘积计算。
2 当瓶组间的气瓶总容积大于4m3时,宜采用储罐,其防火间距按本规范第8.4.3和第8.4.4条的有关规定执行;3 瓶组间、气化间与值班室的防火间距不限。
当两者毗连时,应采用无门、窗洞口的防火墙隔开。
8.5.4 瓶组气化站的瓶组间不得设置在地下和半地下室内。
8.5.5 瓶组气化站的气化间宜与瓶组间合建一幢建筑,两者间的隔墙不得开门窗洞口,且隔墙耐火极限不应低于3h。
瓶组间、气化间与建、构筑物的防火间距应按本规范第8.5.3条的规定执行。
8.5.6 设置在露天的空温式气化器与瓶组间的防火间距不限,与明火、散发火花地点和其它建、构筑物的防火间距可按本规范第8.5.3 条气瓶总容积小于或等于2 m3一档的规定执行。
8.5.7 瓶组气化站的四周宜设置非实体围墙,其底部实体部分高度不应低于0.6m。
液化天然气储罐与站外建筑等的防火间距记忆口诀
【原创版】
目录
一、液化天然气储罐与站外建筑的防火间距要求
二、液化石油气储罐区内储罐间的防火间距要求
三、南阳杜尔气体装备有限公司简介
正文
一、液化天然气储罐与站外建筑的防火间距要求
液化天然气气化站的液化天然气储罐或罐区与站外建筑的防火间距
是一个重要的安全问题。
根据相关规定,液化天然气储罐或罐区与民用建筑的防火间距应符合表 4-6 的要求。
其中,居住区、村镇的防火间距要
求较高,应保证在 1000 人或 300 户及以上的情况下,防火间距不小于一定数值。
当人口或户数少于 1000 人或 300 户时,应按照表 4-6 中
其他民用建筑的要求确定防火间距。
此外,液化天然气储罐或罐区与站外其他建筑的防火间距也有严格的要求,需根据具体情况进行确定。
二、液化石油气储罐区内储罐间的防火间距要求
液化石油气储罐区内储罐间的防火间距要求同样十分重要。
根据规定,组与组相邻储罐之间的防火间距不应小于 20m。
同时,液化石油气储罐与所属泵房的距离也应符合相关规定,不应小于 15m。
当泵房面向储罐一侧的外墙采用无门、窗、洞口的防火墙时,其防火间距可减至 6m。
三、南阳杜尔气体装备有限公司简介
南阳杜尔气体装备有限公司是一家股份制高新技术企业,位于风景如画的汉水之北伏牛之南,南水北调的源头——南阳。
第1页共1页。
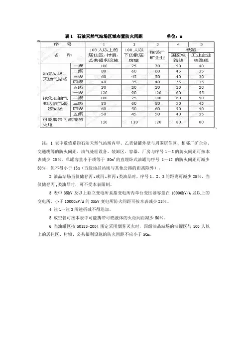
表1 石油天然气站场区域布置防火间距单位:m注:1 表中数值系指石油天然气站场内甲、乙类储罐外壁与周围居住区、相邻厂矿企业、交通线等的防火间距、油气处理设备、装缷区、容器、厂房与序号1~8的防火间距可按本表减少25%。
单罐容量小于或等于50m3的直埋卧式油罐与序号1~12的防火间距可减少50%,但不得小于15m(五级油品站场与其他公路的距离除外)。
2 油品站场当仅储存丙A或丙A和丙B类油品时,序号1、2、3的距离可减少25%,当仅储存丙B类油品时,可不受本表限制。
3 表中35kV及以上独立变电所系指变电所内单台变压器容量在10000kV/A及以上的变电所,小于10000kV/A的35kV变电所防火间距可按本表减少25%。
4 注1~注3所述折减不得迭加。
5 放空管可按本表中可能携带可燃液体的火炬间距减少50%。
6 当油罐区按50183-2004规定采用烟雾灭火时,四级油品站场的油罐区与100人以上的居住区、村镇、公共福利设施的防火间距不应小于50m。
表2 一、二、三、四级油气站场总平面布置防火间距单位:m注:1 两个丙类液体生产设施之间的防火间距,可按甲、乙类生产设施的防火间距减少25%。
2 油田采出水处理设施内除油罐(沉降罐)、污油罐可按小于或等于500m3的甲B、乙类固定顶地上油罐的防火间距减少25%,污油泵(或泵房)的防火间距可按甲、乙类厂房和密闭工艺装置(设备)减少25%。
3 缓冲罐与泵、零位罐与泵,除油池与污油提升泵,塔与塔底泵、回流泵,压缩机与其直接相关的附属设备,泵与密封漏油回收容器的防火间距不限。
4 全厂性重要设施系指集中控制室、马达控制中心、消防泵房和消防器材间、35kV 及以上的变电所、自备电站、化验室、总机房和厂部办公室,空压站和空分装置。
5 辅助生产厂房及辅助生产设施系指维修间、车间办公室、工具间、换热站、供注水泵房、深井泵房、排涝泵房、仪表控制间、应急发电设施、阴极保护间,循环水泵房、给水处理与污水处理等使用非防爆电气设备的厂房和设施。
引导语在企业安全检查工作中,储罐与建构筑物、工艺装置等设施之间的安全防火间距是否符合要求是一项重要的检查内容,涉及到的设计防火标准、规范也比较繁多,除了建规、石化规外,还有各大行业的设计防火规范。
为便于广大的安全管理和专业人员快速查阅相关的规范条款,笔者对其中涉及储罐布置的防火间距条款进行了梳理总结。
第一篇已对GB50160-2008(2018版)《石油化工企业设计防火标准》、GB50016-2014(2018版)《建筑设计防火规范》、GB51283-2020《精细化工企业工程设计防火标准》有关储罐布置防火间距的规范条款和液氨、液氯储罐布置的防火间距作了详细介绍。
第二篇已对氧气(液氧)储罐布置所涉及的相关规范条款进行了总结梳理。
本文继续介绍酸碱、液氢、氢气储罐布置的防火间距要求。
七(接第二篇)关于酸碱储罐的防火间距:关于酸碱储罐布置的防火间距,很多安全管理技术人员的第一印象是酸碱的火灾危险性为戊类,可以没有具体的防火间距要求。
那第一印象是否正确呢?下面让我们来分析一下。
1、酸碱的火灾危险性分类1.1GB50160-2008(2018版)《石油化工企业设计防火标准》4.2.12条解释条文:表6--石油化工部分(Ⅰ:基本有机化工原料及产品),乙醛氧化制乙酸(醋酸)装置的乙酸精馏单元、乙酸、氧气储罐组属于乙类(乙醛储罐属于甲类)。
表6--石油化工部分(Ⅳ:合成氨及氨加工产品),硝酸装置属于乙类。
1.2 GB50016-2014(2018版)《建筑设计防火规范》3.1.1条解释条文,表1:发烟硫酸、发烟硝酸的浓缩部位厂房属于乙类;3.1.2条解释条文,表2:硝酸、发烟硫酸属于乙类(不属于甲类的氧化剂);3.1.3条解释条文,表3:冰醋酸、蚁酸、硝酸、发烟硫酸的储存火灾危险性属于乙类。
1.3 GB50565-2010《纺织工程设计防火规范》附录A,表A:腈纶厂的醋酸属于甲类、硝酸属于乙类;粘胶纤维厂的浓硫酸属于乙类;维纶厂酸碱站的稀硫酸、氢氧化钠属于丁类;印染厂碱回收站的碱液属于戊类。
表一、车库与易燃、可燃液体储罐,可燃气体储罐,液化石油气储罐的防火间距
注:①防火间距应从距车库最近的储罐外壁算起,但设有防火堤的储罐,其防火堤外侧基脚线距车库的距离不应小于10m。
②计算易燃、可燃液体储罐区总贮量时,1m3的易燃液体按5m3的可燃液体计算。
③干式可燃气体储罐与车库的防火间距按本表规定值增加25%。
表二、车库与甲类物品库房的防火间距表34.4.2.8
注:甲类物品的分项应按现行的国家标准《建筑设计防火规范》的规定执行。
表三、汽车库与可燃材料露天、半露天堆场的防火间距。
单位使用液化石油气罐消防安全要求范文液化石油气(以下简称LPG)作为一种广泛应用于企事业单位的能源,对于消防安全要求尤为严格。
为了确保单位使用LPG罐的消防安全,必须严格遵循以下几个方面的要求。
一、LPG罐的存放与布局要求1. 存放地点应远离明火和热源。
LPG罐周围应保持1.5米以上的安全距离。
2. LPG罐应设置在固定的平坦地面上,所充放的气体应符合技术要求。
3. LPG罐应设置在通风良好的地方,确保气体排放及时、彻底。
禁止将LPG罐存放在封闭的、无通风的地下室中。
4. LPG罐的布局应符合消防设施的要求,便于消防车辆进出,同时要求设置安全阀和超压保护装置,保证LPG罐在异常情况下能够自动释放压力,防止罐体爆炸。
二、LPG罐及管道的安全操作要求1. 禁止在LPG罐附近吸烟、明火作业等行为。
严禁将明火带入LPG存放区域。
2. 操作人员需要经过专业培训,掌握LPG罐及管道的安全操作知识。
严禁非专业人员操作LPG罐。
3. 定期检查LPG罐及管道是否存在泄漏或损坏的情况,发现问题及时维修或更换。
4. LPG管道应设置防静电装置,减少静电引发火灾的风险。
5. 禁止改装LPG罐及管道,如需改动应由专业技术人员进行,并取得相关部门的批准。
三、LPG罐的安全保护要求1. LPG罐应与防火墙或其他防火隔离措施保持一定的距离,以防止火灾蔓延。
2. LPG罐应配备报警装置,能够及时发出气体泄漏的警报信号。
3. LPG罐及其周围区域应设置可燃气体检测报警设备,能够即时检测到可燃气体浓度超标的情况。
4. LPG罐及其周围区域应配备手提式灭火器,以备消防人员在紧急情况下使用。
5. LPG罐的安全保护要求还包括保证安全出口畅通,以便人员在火灾发生时能迅速疏散。
四、应急预案的制定与演练1. 单位应制定涉及LPG罐消防安全的应急预案,并将其公示于显眼位置。
2. 应急预案中应包括火灾报警程序、应急疏散路线、灭火器使用方法等内容。
一、高层建筑不允许使用瓶装液化石油气建筑防火通用规范GB55037-202212.0.4 瓶装液化石油气的使用应符合下列规定:1 在高层建筑内不应使用瓶装液化石油气;2 液化石油气钢瓶应避免受到日光直射或火源、热源的直接辐射作用,与灶具的间距不应小于0.5m;3 瓶装液化石油气应与其他化学危险物品分开存放;4 充装量不小于50kg的液化石油气容器应设置在所服务建筑外的单层专用房间内,并应采取防火措施;5 液化石油气容器不应超量罐装,不应使用超量罐装的气瓶;6 不应敲打、倒置或碰撞液化石油气容器,不应倾倒残液或私自灌气。
12.0.5 存放瓶装液化石油气和使用可燃气体、可燃液体的房间,应防止可燃气体在室内积聚。
12.0.5 本条规定的存放瓶装液化石油气和使用可燃气体、液体的房间,包括地上房间和地下、半地下房间。
防止可燃气体在室内积聚的措施主要为加强和保证室内通风或排风。
二、高层建筑应使用管道供气燃气工程项目规范GB55009-20216.1.5 高层建筑的家庭用户使用燃气时,应符合下列规定:1 应采用管道供气方式;2 建筑高度大于100m时,用气场所应设置燃气泄漏报警装置,并应在燃气引入管处设紧急自动切断装置。
城镇燃气设计规范GB50028-2006(2020修订版)3.1.3条文解析:3、一般瓶装液化石油气居民用户比管道供燃气的居民用户用气量指标要低10%~15%;三、>250m主体不能使用可燃气体燃料建筑高度大于250米民用建筑防火设计加强性技术要求(公消〔2018〕57号)第十三条建筑高层主体内严禁使用液化石油气、天然气等可燃气体燃料。
四、地下建筑不得使用液化石油气民用建筑设计统一标准GB50352-20198.4.7 液化石油气和相对密度大于0.75的燃气调压计量装置及管道、燃具、用气设备等设施不得设于地下室、半地下室等地下空间。
8.4.8 当采用液化石油气瓶组自然气化,总容积小于等于1.0m³时,瓶组间可设置在与建筑物(高层建筑、重要公共建筑和居住建筑除外)外墙毗连的单层专用房间内,单层专用房间应符合下列规定:1 建筑物耐火等级不得低于二级;2 应通风良好,且应有直通室外的门;3 与其他毗邻房间的墙应为防火墙,且不得设置任何洞口;4 室温不应高于45℃,且不应低于0℃五、(广东)燃气厨房不允许布置在地下建筑内广州市建设工程消防设计、审查难点问题解答(穗勘设协字〔2019〕14号)2.5.14.1、明确餐饮的防火分区及疏散宽度的计算。
第六节液化石油气储罐的布置和防火间距第4.6.1条液化石油气储罐区宜布置在本单位或本地区全年最小频率风向的上风侧,并选择通风良好的地点单独设置。
储罐区宜设置高度为1m的非燃烧体实体防护墙。
第4.6.2条液化石油气储罐或罐区与建筑物、堆场的防火间距,不应小于表4.6.2的规定。
注:①容积超过1000m3,的液化石油气单罐或总储量超过5000m3的罐区,与明火或散发火花地点和民用建筑的防火间距不应小于120m,与其他建筑的防火间距应按本表的规定增加25%。
②防火间距应按本表总容积或单罐容积较大者确定。
第4.6.3条位于居民区内的液化石油气气化站、混气站,其储罐与重要公共建筑和其他民用建筑、道路之间的防火间距,可按现行的《城市煤气设计规范》的有关规定执行,但与明火或散发火花地点的防火间距不应小于30m。
上述储罐的单罐容积超过10m3或总容积超过30m3时,与建筑物、储罐、堆场的防火间距均应按本规范第4.6.2条的规定执行。
第4.6.4条总容积不超过10m3的工业企业内的液化石油气气化站,混气站储罐,如设置在专用的独立建筑物内时,其外墙与相邻厂房及其附属设备之间的防火间距,按甲类厂房的防火间距执行。
当上述储罐设置在露天时,与建筑物、储罐、堆场的防火间距应按本规范第4.6.2条的规定执行。
第4.6.5条液化石油气储罐之间的防火间距,不宜小于相邻较大罐的直径。
数个储罐的总容积超过3000m3时,应分组布置。
组内储罐宜采用单排布置,组与组之间的防火间距不宜小于20m。
注:总容积不超过3000m3,且单罐容积不超过1000m3的液化石油气储罐组,可采用双排布置。
第4.6.6条城市液化石油气供应站的气瓶库,其四周宜设置非燃烧体的实体围墙,其防火间距应符合下列要求:一、液化石油气气瓶库的总储量不超过10m3时,与建筑物的防火间距(管理室除外),不应小于10m;超过10m3时,不应小于15m。
二、液化石油气气瓶库与主要道路的间距不应小于10m,与次要道路不应小于5m,距重要的公共建筑不应小于25m。
一、液化石油气根据消防要求,液化石油气存放达到1立方(500kg)以上(即8个50kg或28个15kg的储罐数量),需到当地消防备案,而且要达到以下设计规范要求,《城镇燃气设计规范-GB50028-2006》:8.5.2 采用自然气化方式,且瓶组气化站配置气瓶的总容积小于1 m3时,瓶组间可设置在与建筑物(住宅、重要公共建筑和高层民用建筑除外)外墙毗连的单层专用房间内,并应符合下列要求:1 建筑耐火等级不应低于二级;2 应是通风良好,并设有直通室外的门;3 与其他房间相邻的墙应为无门、窗洞口的防火墙;4 应配置可燃气体浓度检测报警器;5 室温不应高于45℃,且不应低于0℃。
注:当瓶组气化间独立设置,且面向相邻建筑的外墙为无门、窗洞口的防火墙时,其防火间距不限。
8.5.3 当瓶组气化站配置气瓶的总容积超过1 m3时,应将其设置在高度不低于2.2m 的独立瓶组间内。
独立瓶组间与建、构筑物的防火间距不应小于表8.5.3的规定。
表8.5.3 独立瓶组间与建、构筑物的防火间距(m)注:1 气瓶总容积应按配置气瓶个数与单瓶几何容积的乘积计算。
2 当瓶组间的气瓶总容积大于4m33 瓶组间、气化间与值班室的防火间距不限。
当两者毗连时,应采用无门、窗洞口的防火墙隔开。
8.5.4 瓶组气化站的瓶组间不得设置在地下和半地下室内。
8.5.5 瓶组气化站的气化间宜与瓶组间合建一幢建筑,两者间的隔墙不得开门窗洞口,且隔墙耐火极限不应低于3h。
瓶组间、气化间与建、构筑物的防火间距应按本规范第8.5.3条的规定执行。
8.5.6 设置在露天的空温式气化器与瓶组间的防火间距不限,与明火、散发火花地点和其它建、构筑物的防火间距可按本规范第8.5.3 条气瓶总容积小于或等于2 m3一档的规定执行。
8.5.7 瓶组气化站的四周宜设置非实体围墙,其底部实体部分高度不应低于0.6m。
围墙应采用不燃烧材料。
8.5.8 气化装置的总供气能力应根据高峰小时用气量确定。
表4.4.1 液化石油气储罐或罐区与建筑物、储罐、堆场、铁路、道路的防火间距(m)
注:1 容积大于1 000m3的液化石油气单罐或总储量大于5000m3的罐区,与明火或散发火花地点的防火间距不应小于120.0m,与民用建筑的防火间距不应小于100.0m,与其他建筑的防火间距应按本表的规定增加25%;
2 防火间距应按本表总容积或单罐容积较大者确定;
3 直埋地下液化石油气储罐的防火间距可按本表减少50%,但单罐容积不应大于50m3,总容积不应大于400m3;
4 与本表以外的其他建、构筑物的防火间距,可按现行国家标准《城镇燃气设计规范》GB50028的有关规定执行。
4.4.2液化石油气气化站、混气站、瓶组站,其储罐与工业建筑、重要公共建筑和其他民用建筑、道路等之间的防火间距,可按现行国家标准《城镇燃气设计规范》GB50028的有关规定执行。
总容积不大于10m3的工业企业内的液化石油气气化站、混气站的储罐,当设置在专用的独立建筑物内时,其外墙与相邻厂房及其附属设备之间的防火间距,可按甲类厂房有关防火间距的规定执行。
当设置在露天时,与建筑物、储罐、堆场的防火间距应按本规范第4.4.1条的规定执行。
4.4.3液化石油气储罐之间的防火间距,不应小于相邻较大罐的直径。
数个储罐的总容积大于3000m3时,应分组布置。
组内储罐宜采用单排布置。
组与组之间相邻储罐的防火间距,不应小于20.0m。
4.4.4液化石油气储罐与所属泵房的距离不应小于1
5.0m。
当泵房面向储罐一侧的外墙采用无门窗洞口的防火墙时,其防火间距可减少至
6.0m。
液化石油气泵露天设置时,泵与储罐之间的距离不限,但不宜布置在防火堤内。
4.4.5液化石油气瓶装供应站的瓶库,其四周宜设置不燃烧体的实体围墙,但面向出入口一侧可设置不燃烧体非实体围墙。
液化石油气瓶装供应站的瓶库与站外建、构筑物之间的防火间距,不应小于表4.4.5的规定。
当总容积大于30m3时,其防火间距应符合本规范第4.4.1条的规定。
表4.4.5 瓶库与站外建、构筑物之间的防火间距(m)
注:总存瓶容积应按实瓶个数与单瓶几何容积的乘积计算。