卫生间室内给水系统管道及配件安装隐蔽工程验收记录
- 格式:doc
- 大小:39.00 KB
- 文档页数:1
给水管道及配件安装隐蔽验收记录一、前言隐蔽验收是指在装修或建筑工程中,当给水管道及配件安装完成后,尚未进行封闭的情况下进行的检查与验收。
本文旨在记录给水管道及配件安装的隐蔽验收过程,以确保施工质量,保障安全使用。
二、验收准备1. 检查工具:卷尺、水平仪、扳手等。
2. 验收人员:施工方代表、监理工程师及业主代表等。
3. 验收时间:验收前,必须保证给水管道及配件安装已经完成,但封闭工程尚未开始。
三、验收内容1. 管道安装:检查给水管道的铺设情况,确保管道的连接牢固,无漏水现象。
应检查管道的材质和规格是否符合设计要求,并注意防腐、防锈措施是否到位。
2. 配件安装:检查龙头、阀门等配件的安装位置是否符合设计要求,操作灵活,无卡阻现象。
应注意配件的材质是否符合标准,是否达到防腐、防锈要求。
3. 排水系统:对排水系统进行检查,确保排水管道的坡度、连接等符合要求。
检查排水口是否设置正确,排水畅通,无积水现象。
同时,排水系统的防臭措施也需要检查是否到位。
4. 固定支撑:检查给水管道及配件的固定支撑情况,确保固定牢固,无松动现象。
应注意支撑架的材质和规格是否符合设计要求,固定点的位置是否合理。
5. 密封性检测:对给水管道及配件进行密封性测试,确保无漏水现象。
可以使用压力表等工具进行测试,将系统封闭后,观察压力是否稳定,无明显下降。
同时,也要检查管道连接处是否有渗漏现象。
四、验收步骤1. 按照验收内容逐一进行检查,并记录在验收记录表格中。
2. 验收人员应仔细观察,确保每个细节都得到有效检查。
3. 如发现问题,及时记录并与施工方进行沟通,确保问题得到解决。
4. 验收人员应认真填写验收记录表格,包括安装情况、发现的问题及解决措施等。
五、验收结果1. 若验收过程中发现问题,施工方应及时整改,并在整改后再次进行验收。
2. 若验收合格,验收人员应签字确认,并将验收记录表格交由相关负责人保存。
六、总结通过本次给水管道及配件安装的隐蔽验收,我们确保了施工质量,并提前发现和解决了可能存在的问题,为后续工程的进展打下了良好的基础。
给水管道及配件安装隐蔽验收记录隐蔽验收记录日期:XXXX年X月X日项目名称:XXXXX工程安装单位:XXXXX公司施工负责人:XXXXX监理单位:XXXXX公司监理工程师:XXXXX一、前言为确保给水管道及配件的安装质量,按照相关规范和要求,进行了隐蔽验收。
本记录旨在记录验收过程中的关键环节、问题及处理情况,以供参考和备案。
二、验收范围本次隐蔽验收主要针对给水管道及配件的安装情况进行检查,包括水源管道、分支管道、阀门、接头等。
三、验收内容1. 水源管道安装根据设计要求,水源管道应采用XXX材质,保证管道的密封性和耐压性。
经验收,水源管道安装质量符合要求,无渗漏现象。
2. 分支管道安装分支管道应按照设计方案进行布置,确保管道的坡度、支撑等符合要求。
经验收,分支管道安装位置合理,管道坡度符合规范要求。
3. 阀门安装阀门的选择应符合设计要求,并安装在合适的位置,以便进行操作和维护。
经验收,阀门种类齐全,安装位置正确,操作灵活。
4. 接头安装接头的安装应牢固可靠,确保管道的连接紧密。
经验收,接头安装牢固,无松动现象。
四、存在问题及处理情况1. 部分阀门密封性不足经验收发现,部分阀门密封性不足,存在少量渗漏现象。
施工负责人立即组织工人更换了密封垫片,确保了阀门的正常使用。
2. 分支管道坡度不够部分分支管道的坡度不够,无法保证水流的畅通。
施工负责人与监理工程师讨论后,决定重新调整分支管道的坡度,并进行了相应的改正。
五、结论通过本次隐蔽验收,给水管道及配件的安装质量达到了设计要求,并及时处理了存在的问题,保证了管道系统的正常运行。
施工单位将继续按照相关规范和要求进行后续工作,确保工程质量的稳定和可靠。
六、附录本次隐蔽验收记录包括但不限于以下附件:1. 给水管道安装图纸2. 施工单位人员资质证明3. 施工单位工程质量报告4. 监理单位意见及验收签字以上为给水管道及配件安装隐蔽验收记录的内容。
通过本次验收,我们对给水管道及配件的安装质量有了全面的了解,并及时处理了存在的问题,确保了工程的顺利进行。
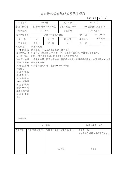
鲁SN-012—001工程名称青岛第三十九中学规划建设项目一期工程教学楼施工单位青岛建安建设集团有限公司分项工程名称室内给水管道及配件安装监理(建设)单位青岛市工程建设监理有限责任公司环境温度21℃验收日期2015年5月26日隐蔽部位A-F轴一层(3#楼)工作介质自来水管径 DN20、DN25、DN40材质PPR接头形式热熔连接隐蔽方法:埋于A-F轴一层(3#楼)地面以下回填土暖沟内简图及说明:给水管道隐蔽安装示意图说明:给水管采用PPR管,热熔连接,管道室外地坪下埋地穿预留套管进入室内。
管道在隐蔽前已经进行了管道试压且试压结果满足设计及规范要求。
验收结论经三方检查,符合设计要求,水压试验符合《建筑给水排水及采暖工程施工质量验收规范》GB50242-2002,质量合格,同意隐蔽,可以进行下道工序施工。
施工单位监理(建设)单位专业工长:项目专业质量检查员:项目专业技术负责人:专业监理工程师:(建设单位项目专业负责人)山东省建设工程质量监督总站监制简图及说明:给水管道隐蔽安装示意图说明:给水管采用PPR管,热熔连接,水平干管隐蔽于装饰吊顶内,卫生间支管隐蔽于墙体内,抱卡间距1m。
管道在隐蔽前已经进行了管道试压且试压结果满足设计及规范要求。
山东省建设工程质量监督总站监制鲁SN-012—003工程名称青岛第三十九中学规划建设项目一期工程教学楼施工单位青岛建安建设集团有限公司分项工程名称室内给水管道及配件安装监理(建设)单位青岛市工程建设监理有限责任公司环境温度20℃验收日期2015年5月30日隐蔽部位G-P轴一层工作介质自来水管径 DN15、DN20、DN25、DN40材质PPR接头形式热熔连接隐蔽方法:埋于G-P轴一层地面以下回填土暖沟内简图及说明:给水管道隐蔽安装示意图说明:给水管采用PPR管,热熔连接,管道室外地坪下埋地穿预留套管进入室内。
管道在隐蔽前已经进行了管道试压且试压结果满足设计及规范要求。
给水隐蔽工程验收记录(大全)(二)引言概述:隐蔽工程是建设项目中的一项重要工程,其中给水隐蔽工程是保障建筑物供水系统正常运行的关键环节。
为了确保给水隐蔽工程的质量,验收工作是必不可少的环节。
本文将从基础设施、材料设备、工程结构、安装质量和工程安全等五个大点展开,详细阐述给水隐蔽工程验收的相关内容。
正文内容:一、基础设施1.测量验收点位的准确性:确保测量点位准确可靠,能够满足给水设备的安装要求。
2.基坑土方工程的合理开挖与夯实:核实基坑开挖是否符合设计要求,土方夯实是否达到规定的标准。
二、材料设备1.验收给水管道:检查给水管道的材质、直径、芯层和外观等是否符合设计和规范要求。
2.确认阀门的安装位置和数量:核实阀门的种类、规格、安装位置和数量与设计图纸相符。
3.检查水泵设备:验证水泵设备的型号、容量、电机功率等是否符合设计要求。
4.验证给水设备的配件:检验给水设备的配件是否完备,配件的材质和质量是否符合规定。
三、工程结构1.检查给水间隔砖墙施工:确保砌筑砖墙的垂直度、水平度、强度和槽洞的规范。
2.确认水箱隔墙施工:核实水箱隔墙的材料、尺寸和施工工艺是否符合规定。
3.验收楼板、墙面和地面施工:检查楼板、墙面和地面的水平度、垂直度、平整度和防水措施等是否满足要求。
四、安装质量1.水管连接和焊接质量验收:检查给水管道的连接方法和焊接质量,确保连接牢固、无渗漏。
2.检测管道压力:进行给水管道压力试验,验证管道的耐压性能和密封性能是否符合要求。
3.水泵安装质量验收:核实水泵设备的安装位置、固定方式和管道连接质量等是否符合要求。
五、工程安全1.现场安全交底:工作人员进行现场安全交底,明确施工中的安全规范和注意事项。
2.施工过程的防火措施:检查施工过程中的防火设施和措施是否到位,确保施工安全。
3.施工期间的材料、设备储存和使用:核实施工期间材料、设备的储存和使用是否符合规范。
总结:给水隐蔽工程的验收是建设项目中不可或缺的一环,而且要确保验收工作的严谨性和细致性。
卫生间防水隐蔽验收记录卫生间是家庭生活中非常常见的区域,为了保证卫生间的使用安全和防水效果,进行防水隐蔽验收是非常重要的一个环节。
下面是一份卫生间防水隐蔽验收记录,供参考。
验收日期:XXXX年XX月XX日验收人员:XX项目经理、XX施工队长、XX监理人员工程名称:xxxx项目卫生间防水工程项目位置:xxxxx一、验收目的本次防水隐蔽验收的目的是核实卫生间防水工程施工是否符合设计要求、规范要求,并保证卫生间使用安全,防止漏水现象的发生。
二、验收内容1.验收阶段:隐蔽验收2.验收要点:a)底层阶段的水平度和垂直度是否符合规范要求。
b)防水层的厚度和涂覆过程是否符合规范要求。
c)防水层与固定件、排水口、地面的连接是否牢固。
d)防水层是否完整无缝、无渗漏。
e)检查隧道、井道等特殊部位的防水效果。
f)验收施工单位提供的相应材料和施工记录。
三、验收过程1.检查工程施工单位提供的记录材料和施工单据,包括设计文件、构造图纸、防水层材料和施工规范等。
2.检查现场施工情况:a)检查底层水平度和垂直度是否符合规范要求。
b)检查防水层的厚度和涂覆过程是否符合规范要求。
c)检查防水层与固定件、排水口、地面的连接是否牢固。
d)利用特定工具检查防水层是否完整无缝,并进行渗透测试。
e)检查隧道、井道等特殊部位的防水效果。
f)检查施工期间是否按规范要求密封保护。
3.进行非破坏性检测:a)使用电子水压计对防水施工后的地面进行压力测试。
b)使用红外线热像仪检查防水层的破损、孔洞等问题。
c)使用湿度计检查墙面和地面的湿度情况。
四、验收结果经过以上的验收过程,得出以下结论:1.底层水平度和垂直度符合规范要求,未发现明显偏差。
2.防水层的厚度和涂覆过程符合规范要求,未发现异常情况。
3.防水层与固定件、排水口、地面的连接牢固,无松动现象。
4.防水层完整无缝,经过渗透测试,未发现渗漏现象。
5.特殊部位如隧道、井道等的防水效果良好,无异常。
6.施工期间按规范要求进行了保护和密封。
排水管道工程隐蔽验收记录日期:XXXX年XX月XX日工程名称:排水管道工程一、工程概况:本次排水管道工程位于XX市XX区XX路XX号,总建筑面积为XXXX 平方米。
工程包括室内排水和室外排水两部分,其中室内排水主要涉及卫生间、厨房、洗衣间等区域,室外排水主要涉及雨水管道和污水管道。
二、验收人员:本次验收的相关人员有:1.业主代表:XXX2.施工方代表:XXX3.监理单位代表:XXX4.设计单位代表:XXX5.排水工程专家:XXX三、验收内容:1.室内排水:a.检查卫生间、厨房、洗衣间等区域的排水管道安装是否符合设计要求,是否存在漏水、堵塞等问题;b.检查各个排水设备(如洗手盆、浴缸、马桶等)与排水管道的连接是否紧固可靠,是否存在渗水现象;c.检查室内下水口与室外排水管道的连接是否正确,是否存在渗水、水封失效等问题;2.室外排水:a.检查雨水管道和污水管道的安装是否符合设计要求,是否存在管道错位、倾斜等问题;b.检查雨水口、污水井等设备的安装是否符合要求,是否存在渗水现象;c.检查室外排水管道与下水道连接是否紧密,是否存在漏水现象;四、验收结果:1.室内排水:a.经过检查,室内卫生间、厨房、洗衣间的排水管道安装符合设计要求,没有漏水、堵塞等问题;b.各个排水设备与排水管道连接紧固可靠,没有渗水现象;c.室内下水口与室外排水管道连接正确,水封有效,没有渗水、水封失效等问题;2.室外排水:a.经过检查,雨水管道和污水管道的安装符合设计要求,没有管道错位、倾斜等问题;b.雨水口、污水井等设备安装合格,没有渗水现象;c.室外排水管道与下水道连接紧密,没有漏水现象;五、存在问题:经过验收,排水管道工程暂无明显的质量问题。
六、验收意见:本次排水管道工程的隐蔽验收结果良好,无明显质量问题。
七、其他:1.验收过程中,工程师详细解答了业主代表提出的相关问题,并给予了合理的解决方案;2.监理单位对施工方代表提出的关于材料品质的疑问进行了解答,确认所使用的排水材料符合相关标准;3.设计单位对施工方代表提出的关于设计方案的疑问进行了解答,并提供了合理的修改方案。
给水管道隐蔽工程验收记录项目名称:XXX工程工程地点:XXX地区建设单位:XXX公司施工单位:XXX公司勘察单位:XXX公司监理单位:XXX公司一、工程概况本项目旨在进行水管道的隐蔽工程验收。
工程地点位于XXX地区,建设单位为XXX公司,施工单位为XXX公司,勘察单位为XXX公司,监理单位为XXX公司。
本工程主要包括水管道的敷设、连接及相关设备安装等工作。
二、工程验收内容1.验收的工程范围:本次验收的工程范围主要包括水管道的敷设、接头连接及相关设备的安装工程。
2.验收的主要内容:(1)水管道的敷设:验收水管道的敷设情况,包括管道的材料质量、敷设位置、间距、坡度等是否符合设计要求;(2)接头连接的情况:验收水管道的接头连接情况,包括连接点的质量、连接方式的合理性等;(3)相关设备的安装:验收相关设备的安装情况,包括设备的安装位置、固定方式、连接管道等是否符合设计要求。
三、工程验收过程1.验收前的准备工作:(1)组织验收人员:建设单位、施工单位、勘察单位、监理单位及相关技术人员等共同参与验收工作;(2)查阅相关文件资料:包括工程设计图纸、施工图纸、勘察报告、材料验收记录等,确保验收标准的准确性;(3)准备验收工具:包括测量工具、验收记录表等。
2.实际验收情况:(1)水管道的敷设:在实际验收中,针对敷设情况进行检查。
发现敷设工作符合设计要求,管道材料质量良好,敷设位置及间距符合要求,管道坡度符合设计要求。
(2)接头连接的情况:对水管道的接头连接质量进行检查。
发现接头连接质量良好,接头装配紧密,连接方式符合设计要求。
(3)相关设备的安装:对相关设备的安装情况进行检查。
发现设备的安装位置合理,固定方式可靠,与管道连接紧密。
3.验收结果:(1)水管道的敷设:经过检查,水管道的敷设符合设计要求,验收合格。
(2)接头连接的情况:经过检查,水管道的接头连接质量良好,验收合格。
(3)相关设备的安装:经过检查,相关设备的安装位置合理,固定方式可靠,与管道连接紧密,验收合格。
排水管道隐蔽工程验收记录鲁SN-012 工程名称施工单位 分项工程名称 室内排水管道及配件安装监理(建设)单位环境温度14 ℃验收日期2005年04月09日图号和管线号 SN-01,P1,P2管 径ф160、110、75数 量 64 m 材 质 UPVC 塑料管 接头形式 粘接 工作介质 污水防 腐无绝 热无隐蔽方法:埋于一层地面以下回填土内简图及说明:注:管道隐蔽前,已进行灌水试验,且试验合格。
验收结论经甲、乙双方检查,符合设计要求,灌水试验符合《建筑给水排水及采暖工程施工质量验收规范》GB50242-2002的要求,质量合格,同意验收,可以进行下道工序的施工。
施工单位监理(建设)单位专业工长: 专业质检员: 项目专业技术(质量)负责人: (公章)监理工程师:(建设单位项目专业技术负责人)(公章)排水管道隐蔽工程验收记录0 0 10 0 2 两个45。
弯头 -1.000±0.000De 110混凝土支墩D e 75两个45。
弯头 -1.000 ±0.000De 160混凝土支墩D e 110P1P2鲁SN-012工程名称 ?施工单位 ? 分项工程名称 室内排水管道及配件安装监理(建设)单位 ?环境温度14 ℃验收日期2005年04月09日图号和管线号 SN-02,P4管 径ф160、ф110数 量 30m 材 质 UPVC 塑料管接头形式 粘接 工作介质 污废水防 腐无绝 热无隐蔽方法:埋于一层地面以下回填土内简图及说明:注:管道隐蔽前,已进行灌水试验,且试验合格。
验收结论经甲、乙双方检查,符合设计要求,水压试验符合《建筑给水排水及采暖工程施工质量验收规范》GB50242-2002的要求,质量合格,同意验收,可以进行下道工序的施工。
施工单位监理(建设)单位专业工长: 专业质检员: 项目专业技术(质量)负责人: (公章)监理工程师:(建设单位项目专业技术负责人)(公章)给水管道隐蔽工程验收记录鲁SN-012 0 0 3两个45。
给水管道隐蔽工程验收记录
给水管道隐蔽工程验收记录通常是由专业人员(如工程师或建筑师)在完成安装和调试后填写的。
验收记录主要用于确保给水管道系统符合相关标准和要求,并记录必要的检查和测试结果。
以下是一个可能给水管道隐蔽工程验收记录的样本:
验收报告
日期:XXXX年XX月XX日
验收人员:XXX 工程师
验收地点:XXXX公寓
验收内容:
1. 检查给水管道系统,包括管道、阀门、接头和配件等
2. 检查管道的规格、材料、直径和长度是否符合设计方案和标准
3. 检查管道是否有裂缝、漏洞、弯曲和变形等问题
4. 检查管道的保温效果是否符合要求
5. 检查管道是否有泄漏现象,并确认已采取相应的措施
6. 检查给水管道系统的安装位置、方向和敷设方式是否符合规范要求
7. 检查给水管道系统的排水效果是否良好
8. 检查管道上的标识、标记、符号和编号是否正确
9. 测试给水设备的水压、流量和水温是否符合标准
结论:
1. 给水管道系统符合相关标准和要求,可以使用
2. 管道保温效果良好,符合要求
3. 管道有裂缝、漏洞等问题,已采取相应的措施
4. 管道安装位置、方向和敷设方式符合规范要求
5. 给水设备水压、流量和水温符合标准
记录:
以上是一份可能给水管道隐蔽工程验收记录的样本,验收记录应该包括必要的检查和测试结果,以及验收人员的建议和意见。
在记录中,应该明确指出任何需要改进的问题,以便在今后的系统中进行修正。
φεδχβ给水管道及配件安装报审、报验表B 2001工程名称项目工程致:(项目监理机构)我方已完成某某建设项目给水管道及配件安装工作,请予以审查或验收。
附件:φεδχβ隐蔽工程质量检验资料φεδχβ检验批质量检验资料φεδχβ分项工程质量检验资料φεδχβ施工试验室证明资料φεδχβ其他施工项目经理部(盖章)项目技术负责人(签字):年 月 日审查或验收意见:项目监理机构(盖章)专业监理工程师(签字):年 月 日给水管道及配件安装检验批质量验收记录05010101001单位(子单位)工程名称项目工程分部(子分部)工程名称建筑给水排水及供暖(室内给水系统)分项工程名称给水管道及配件安装施工单位项目负责人检验批容量分包单位分包单位项目负责人检验批部位某某建设项目施工依据建筑给水排水及供暖施工方案验收依据《建筑给水排水及采暖工程施工质量验收规范》GB50242-2002主控项目验收项目设计要求及规范规定最小/实际抽样数量检查记录检查结果1给水管道 水压试验设计要求/2给水系统 通水试验第4.2.2条/3生活给水系统管道冲洗和消毒第4.2.3条/4直埋金属给水管道 防腐第4.2.4条/一般项目1给排水管铺设的平行、垂直净距第4.2.5条/2金属给水管道及管件焊接第4.2.6条/3给水水平管道 坡度坡向第4.2.7条/4管道支、吊架第4.2.9条/5水表安装第4.2.10条/6水平管道纵、横方向弯曲允许偏差钢管每米1mm /全长25m 以上≯25mm /塑料管复合管每米 1.5mm /全长25m 以上≯25mm /铸铁管每米2mm /全长25m 以上≯25mm /立管垂直度允许偏差钢管每米3mm /5m 以上≯8mm /塑料管复合管每米2mm /5m 以上≯8mm /铸铁管每米3mm /5m 以上≯10mm /成排管段和成排阀门在同一平面上间距3mm /7管道及设备保温厚度+0.1δ-0.05δ/表面平整度卷材5mm /涂抹10mm/施工单位检查结果专业工长:项目专业质量检查员:年 月 日监理单位验收结论专业监理工程师:年 月 日φεδχβ给水设备安装报审、报验表B 2001工程名称项目工程致:(项目监理机构)我方已完成某某建设项目给水设备安装工作,请予以审查或验收。