辽宁建筑工程消耗量定额2008
- 格式:pdf
- 大小:600.37 KB
- 文档页数:59
辽宁省安装工程消耗量定额(2008) 给采、通风说明一、辽宁省建设工程计价依据《C安装工程计价定额(C.8给排水、采暖、燃气工程)》(以下简称本定额)适用于新建、扩建项目中的生活用给水、排水、雨水、采暖热源管道、燃气管道以及附件配件安装,小型容器制作安装。
二、本定额主要依据的标准、规范有1.《建设工程工程量清单计价规范》GB50500-2003。
2.《采暖与卫生工程施工及验收规范》GBJ242-82。
3.《室外给水设计规范》GBJl3-86(97版)。
4.《建筑给水排水设计规范》GB50015-2003。
5.《建筑安装工程质量检验评定标准》GBJ302—88。
6.《城镇燃气设计规范》GB50028—93。
7.《城镇燃气输配工程施工及验收规范》CJJ33—89。
8.《全国统一施工机械台班费用定额》(1998年)。
9.《全国统一安装工程基础定额》(2006年)。
10.《全国统一建筑安装劳动定额》(1998年)。
三、以下内容执行其他计价定额1.工业管道、生产生活共用的管道、锅炉房和泵类配管以及高层建筑物内加压泵间的管道执行 C.6《工业管道工程》相应项目。
2.刷油、防腐蚀、绝热工程执行 C.14《刷油、防腐蚀、绝热工程》相应项目。
3.室外埋地管道的土方及砌筑工程应按A《建筑工程计价定额》相关项目执行,室内埋地管道的土方应执行相关规定。
4.各类泵、风机等传动设备安装执行 C.1《机械设备安装工程》相应项目。
5.锅炉安装执行 C.3《热力设备安装工程》相应项目。
6.消火栓、水泵接合器安装执行 C.7、C.10、C.12《消防工程、自动化控制仪表安装工程、建筑智能化系统设备安装工程》相应项目。
7.压力表、温度计安装执行 C.7、C.10、C.12《消防工程、自动化控制仪表安装工程、建筑智能化系统设备安装工程》相应项目。
四、本定额的工作内容除各章节已说明的工序外,还包括工种间交叉配合的停歇时间、临时移动水电源、配合质量检查和施工地点范围内的设备、材料、成品、半成品、工器具的运输等。
细分招聘专家,精准求职首选:电气就业网辽宁省安装工程消耗量定额(2008) 消防消防工程册说明一、辽宁省建设工程计价依据《C安装工程计价定额(C.7消防工程)》(以下简称本定额)适用于工业与民用建筑中的新建、扩建和整体更新改造工程。
二、本计价定额共分六章1.水灭火系统2.气体灭火系统3.泡沫灭火系统4.火灾自动报警系统5.消防系统调试6.其他项目三、本计价定额主要依据的标准、规范1.《火灾自动报警系统设计规范》GB50116—98。
2.《火灾自动报警系统施工及验收规范》GB50166—92。
3.《自动喷水灭火系统设计规范》GBJ84—85。
4.《自动喷水灭火系统施工及验收规范》GB50261-96。
5.《全国通用给排水标准图集》86S164、87S163、88S162、89SSl75。
6.《卤代烷1211灭火系统设计规范》GBJll0—87。
7.《卤代烷1211灭火系统设计规范》GB50163—92。
8.《二氧化碳灭火系统设计规范》GB50193—93。
9.《气体灭火系统施工及验收规范》GB50263—97。
10.《低倍数泡沫灭火系统设计规范》GB50151—92。
细分招聘专家,精准求职首选:电气就业网11.《高倍数、中倍数泡沫灭火系统设计规范》GB50196—93。
12. 飞泡沫灭火系统施工及验收规范》GB50281—98。
13.《入侵报警工程技术规范》。
14.《保安电视监视工程技术规范》。
15.《全国统一施工机械台班费用定额》(1998年)。
16.《全国统一安装工程施工仪器仪表台班费用定额》GFD—201—1999。
17.《全国统一安装工程基础定额》。
18.《全国统一建筑安装劳动定额》(1998年)。
四、下列内容执行计价定额其他册相应项目1.电缆敷设、桥架安装、配管配线、接线盒、动力、应急照明控制设备、应急照明器具、电动机检查接线、防雷接地装置等安装,均执行C.2《电气设备安装工程》相应项目。
辽宁省安装工程消耗量定额(2008) 给采、通风给排水、采暖、燃气工程说明一、辽宁省建设工程计价依据《C安装工程计价定额(C.8给排水、采暖、燃气工程)》(以下简称本定额)适用于新建、扩建项目中的生活用给水、排水、雨水、采暖热源管道、燃气管道以及附件配件安装,小型容器制作安装。
二、本定额主要依据的标准、规范有1.《建设工程工程量清单计价规范》GB50500-2003。
2.《采暖与卫生工程施工及验收规范》GBJ242-82。
3.《室外给水设计规范》GBJl3-86(97版)。
4.《建筑给水排水设计规范》GB50015-2003。
5.《建筑安装工程质量检验评定标准》GBJ302—88。
6.《城镇燃气设计规范》GB50028—93。
7.《城镇燃气输配工程施工及验收规范》CJJ33—89。
8.《全国统一施工机械台班费用定额》(1998年)。
9.《全国统一安装工程基础定额》(2006年)。
10.《全国统一建筑安装劳动定额》(1998年)。
三、以下内容执行其他计价定额1.工业管道、生产生活共用的管道、锅炉房和泵类配管以及高层建筑物内加压泵间的管道执行C.6《工业管道工程》相应项目。
2.刷油、防腐蚀、绝热工程执行C.14《刷油、防腐蚀、绝热工程》相应项目。
3.室外埋地管道的土方及砌筑工程应按A《建筑工程计价定额》相关项目执行,室内埋地管道的土方应执行相关规定。
4.各类泵、风机等传动设备安装执行C.1《机械设备安装工程》相应项目。
5.锅炉安装执行C.3《热力设备安装工程》相应项目。
6.消火栓、水泵接合器安装执行C.7、C.10、C.12《消防工程、自动化控制仪表安装工程、建筑智能化系统设备安装工程》相应项目。
7.压力表、温度计安装执行C.7、C.10、C.12《消防工程、自动化控制仪表安装工程、建筑智能化系统设备安装工程》相应项目。
四、本定额的工作内容除各章节已说明的工序外,还包括工种间交叉配合的停歇时间、临时移动水电源、配合质量检查和施工地点范围内的设备、材料、成品、半成品、工器具的运输等。
辽宁省安装工程消耗量定额(2008)—刷防导言近些年来,随着经济的快速发展,建筑工程的数量和规模也在不断增加。
这也就意味着建筑工程项目所需的安装工程的量也在不断增加。
为了规范安装工程的施工和管理,各地都制定了相应的标准和规范。
辽宁省安装工程消耗量定额(2008)就是辽宁省制定的一项安装工程标准。
本文章将详细介绍辽宁省安装工程消耗量定额(2008)中关于刷防的规定。
辽宁省安装工程消耗量定额(2008)简介辽宁省安装工程消耗量定额(2008)是根据国家有关标准和规范以及辽宁省的实际情况制定的。
该标准主要针对辽宁省内的建筑工程安装工程进行规范和管理,其中包括消防、电气、给排水、燃气、暖通、空调等各方面的安装工程。
刷防的定义在辽宁省安装工程消耗量定额(2008)中,对刷防的定义如下:1.刷防是指在墙面、地面等材料表面上进行刷涂以提高防潮、防水、防腐及增强装饰效果用的装修材料。
2.刷防包括石灰、石膏、水泥砂浆、乳胶漆、油漆等。
3.刷防墙宜使用吸水率不大于20%的无机胶凝材料,刷防楼板宜采用混凝土或水泥砂浆。
消耗量定额按照辽宁省安装工程消耗量定额(2008)的规定,刷防的消耗量计算方法如下:•刷墙:平涂面积为1m²的石灰、石膏刷墙耗用量为1.0~1.2kg,涂面积为1m²的水泥砂浆刷墙耗用量为1.0kg。
•刷楼板:水泥砂浆刷楼板耗用量为2.02.5kg/m²,乳胶漆刷楼板耗用量为0.15kg/m²0.2kg/m²,油漆刷楼板耗用量为0.2kg/m²~0.25kg/m²。
结论辽宁省安装工程消耗量定额(2008)是为辽宁省内的建筑工程安装工程提供了科学的规范和管理。
在刷防方面,需要按照规定的标准执行,计算好消耗量,以提高施工质量、保证施工安全。
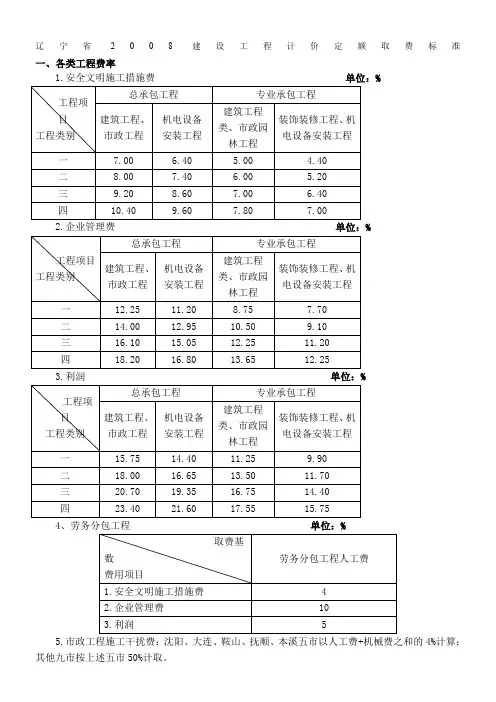
辽宁省2008建设工程计价定额取费标准
一、各类工程费率
1.安全文明施工措施费单位:%
%
2.企业管理费单位:
3.利润单位:%
4、劳务分包工程单位:%
5.市政工程施工干扰费:沈阳、大连、鞍山、抚顺、本溪五市以人工费+机械费之和的4%计算;其他九市按上述五市50%计取。
6.夜间施工和白天施工需要照明费按下表计算:
单位:元/工日
7.冬雨季施工费:单位:%
注:冬季施工工程量,为达到冬雨季施工标准所发生的工程量;雨季施工为全部工程量。
二、费用计取规则:
(一)总承包与专业承包工程
总承包与专业承包工程以计价定额分部分项工程费中的人工费+机械费之和为计费基数(其中人工费不含机械费中的人工费);计价定额分部分项工程费为:
工程量×计价定额中的定额计价+主材费+材料价差。
(二)劳务分包工程计费基数
劳务分包工程,不分工程类别、专业、企业级别,以计价定额中的人工费为基数计取费用。
三、工程费用取费程序表
1.措施项目费用组成表
2.规费费用组成表
3.其他项目费用组成表。
辽宁省安装工程消耗量定额(2008)给采、通风说明一、辽宁省建设工程计价依据《C 安装工程计价定额(C.8 给排水、采暖、燃气工程)》(以下简称本定额)适用于新建、扩建项目中的生活用给水、排水、雨水、采暖热源管道、燃气管道以及附件配件安装,小型容器制作安装。
二、本定额主要依据的标准、规范有1.《建设工程工程量清单计价规范》GB50500-2003 。
2.《采暖与卫生工程施工及验收规范》GBJ242-82 。
3.《室外给水设计规范》GBJl3-86(97 版)。
4.《建筑给水排水设计规范》GB50015-2003 。
5.《建筑安装工程质量检验评定标准》GBJ302 —88。
6.《城镇燃气设计规范》GB50028—93。
7.《城镇燃气输配工程施工及验收规范》CJJ33—89 。
8.《全国统一施工机械台班费用定额》(1998 年)。
9.《全国统一安装工程基础定额》(2006 年)。
10.《全国统一建筑安装劳动定额》(1998 年)。
三、以下内容执行其他计价定额1. 工业管道、生产生活共用的管道、锅炉房和泵类配管以及高层建筑物内加压泵间的管道执行C.6《工业管道工程》相应项目。
2 •刷油、防腐蚀、绝热工程执行 C.14《刷油、防腐蚀、绝热工程》相应项目。
3 •室外埋地管道的土方及砌筑工程应按A《建筑工程计价定额》相关项目执行,室内埋地管道的土方应执行相关规定。
5.锅炉安装执行C.3《热力设备安装工程》相应项目。
6 .消火栓、水泵接合器安装执行 C.7、C.10、C.12《消防工程、自动化控制仪表安装工程、建筑智能化系统设备安装工程》相应项目。
7.压力表、温度计安装执行 C.7、C.10、C.12《消防工程、自动化控制仪表安装工程、建筑智能化系统设备安装工程》相应项目。
4.各类泵、风机等传动设备安装执行 C.1《机械设备安装工程》相应项目。
四、本定额的工作内容除各章节已说明的工序外,还包括工种间交叉配合的停歇时间、临时移动水电源、配合质量检查和施工地点范围内的设备、材料、成品、半成品、工器具的运输等。
辽宁省安装工程消耗量定额(2008) 电气电气设备安装工程册说明一、辽宁省建设工程计价依据《安装工程计价定额(C.2电气设备安装工程)》(以下简称本定额)适用于工业与民用新建、扩建工程中10kV以下变配电设备及线路安装工程、车间动力电气设备及电气照明器具、防雷及接地装置安装、配管配线、电梯电气装置、电气调整试验等的安装工程。
二、本定额主要依据的标准、规范1.《电气装置安装工程高压电器施工及验收规范》GBJl47-90。
2.《电气装置安装工程电力变压器、油浸电抗器、互感器施工及验收规范》GBJl48-90。
3.《电气装置安装工程母线装置施工及验收规范》GBJl49-90。
4.《电气装置安装工程电气设备交接试验标准》GB50150-91。
5.《电气装置安装工程电缆线路施工及验收规范》GB50168-92。
6.《电气装置安装工程接地装置施工及验收规范》GB50169-92。
7.《电气装置安装工程旋转电机施工及验收规范》GB50170-92。
8.《电气装置安装工程盘、柜及二次回路接线施工及验收规范》GB50171-92。
9.《电气装置安装工程蓄电池施工及验收规范》GB50172-92。
10.《电气装置安装工程35kV及以下架空电力线路施工及验收规范》GB50173-92。
11.《电气装置安装工程低压电气施工及验收规范》GB50254-96。
12.《电气装置安装工程电力交流设备施工及验收规范》GB50255-96。
13.《电气装置安装工程起重机电气装置施工及验收规范》GB50256-96。
14.《电气装置安装工程爆炸和火灾危险环境电气装置施工及验收规范》GB50257-96。
15.《电气装置安装工程1kV及以下配线工程施工及验收规范》GB50257-96。
16.《电气装置安装工程电气照明装置施工及验收规范》GB50259-96。
17.《电力建设安全工作规程》GL-5009.1-92。
18.《民用建筑电气设计规范》JGJ/T16-92。
辽宁省2008建设工程计价定额取费标准
、各类工程费率
1.安全文明施工措施费单位:%
企业管理费单位:
3.%
5. 市政工程施工干扰费:沈阳、大连、鞍山、抚顺、本溪五市以人工费+机
械费之和的4%计算;其他九市按上述五市50%计取。
6. 夜间施工和白天施工需要照明费按下表计算:
单位:元/工日
7. 冬雨季施工费:
单位:%
注:冬季施工工程量,为达到冬雨季施工标准所发生的工程量;雨季施工为全部工程量。
二、费用计取规则:
(一)总承包与专业承包工程
总承包与专业承包工程以计价定额分部分项工程费中的人工费+机械费之和为计费基数(其中人工费不含机械费中的人工费);计价定额分部分项工程费为:
工程量X计价定额中的定额计价+主材费+材料价差。
(二)劳务分包工程计费基数
劳务分包工程,不分工程类别、专业、企业级别,以计价定额中的人工费为基数计取费用。
二、工程费用取费程序表
1.措施项目费用组成表
2.规费费用组成表。
辽宁省建设厅文件辽宁省财政厅辽建发[2007]87 号关于颁发《辽宁省建设工程计价依据建筑、装饰装修、安装、市政、园林绿化工程计价定额》、《辽宁省建设工程计价依据建设工程费用、机械台班费用、混凝土砂浆配合比标准》的通知各市建委、局,财政局、有关部门:为了进一步贯彻执行国家标准《建设工程工程量清单计价规范》,适应建筑市场发展变化的需要,合理确定和有效控制工程造价,根据国家标准《建设工程工程量清单计价规范》及相关规定,结合我省实际重新修编了《辽宁省建设工程计价依据建筑、装饰、装修、安装、市政、园林绿化工程计价定额》、《辽宁省建设工程计价依据建设工程费用、机械台班费用、混凝土砂浆配合比标准》(以下简称本定额),现予颁发,从2008 年3 月1 日起施行。
凡全部使用国有资金投资或国有资金为主的工程建设项目及招标投标工程,应执行本定额。
本定额既适用于工程量清单计价方式,同时也适用于定额计价方式。
本定额是编制工程量清单、工程量清单计价、招标控制价或拦标价的依据;是编审建设工程投资估算、设计概算、施工图预算、竣工结算的依据;是调解处理工程造价纠纷、鉴定工程造价的依据;是投标报价和衡量投标报价合理性的基础。
2008 年3 月1 日起,本定额施行前颁发的辽宁省建筑、装饰装修、安装、市政、园林绿化工程实物量定额、消耗量定额、参考价格表、单位估价表及辽宁省建设工程费用标准(参考标准)、全国统一施工机械台班费用辽宁省参考单价、辽宁省建设工程混凝土砂浆配合比停止使用。
2008 年 3 月 1 日前发出招标文件或已签订施工合同的建设工程项目不再按本定额调整。
各级建设工程造价管理部门,在本定额的贯彻实施中要加强管理,有效地开展监督检查工作,及时发现和解决存在的问题,保证本定额的正确执行。
本定额由辽宁省建设工程造价管理总站负责解释。
二OO 七年十二月四日目录总说明 (5)第一部分建设工程费用组成一、直接费.... .. (6)二、间接费 (9)三、利润 (11)四、税金 (11)第二部分各类工程适用范围一、施工总承包 (12)二、专业承包 (12)三.劳务分包 (14)第三部分工程类别划分一、工程类别划分标准 (15)二、工程类别划分说明 (15)三、工程类别确认报告单 (15)第四部分各类工程费率一、各类工程费率 (17)二、费用计取规则: (18)三、工程费用取费程序表 (19)总说明一、辽宁省建设工程计价依据《辽宁省建设工程费用标准》(以下简称费用标准)是工程量清单计价、编制招标控制价或拦标价的依据;是编审建设工程投资估算、设计概算、施工图预算、竣工结算的依据;是调解处理工程纠纷、鉴定工程造价的依据;是投标报价和衡量投标报价合理性的基础;是编制投资估算指标、概算(定额)指标的基础。
辽宁省安装工程消耗量定额(2008) 炉窑炉窖砌筑工程册说明一、辽宁省建设工程计价依据《C安装工程计价定额(C.4炉窑砌筑工程)》(以下简称本定额)适用于新建、扩建和技改项目中各种工业炉窑耐火与隔热耐火砌体工程(其中蒸汽锅炉只限于蒸发量每小时在75t以内的中、小型蒸汽锅炉工程),不定形耐火材料内衬工程和炉内金具件制作安装工程。
二、本定额主要依据的标准、规范有:1.《建设工程工程量清单计价规范》(GB50500—2003)。
2.《工业炉砌筑工程施工及验收规范》(GBJ211—87)。
3.《工业炉砌筑工程质量检验评定标准》(GB50309—92)。
4.《通用耐火制品形状尺寸》(GB2992—82)。
5.《耐火制品的分型和定义》(GBl0324—88)。
6.《职业性接触毒物危害程度分级标准》。
7.《工业企业的粉尘最高允许浓度》。
8.《常见有害气体对人体的危害程度》。
9.有关行业补充定额和典型工程测定与总结资料。
10.《全国统一施工机械台班费用定额》(1998年)。
11.《全国统一安装工程基础定额》(2006年)。
12.《全国统一建筑安装劳动定额》(1998年)。
三、本定额中主材含量系按现行国家技术标准中规定的设计容重计算,如与实际产品容重不符时,允许按实际容重进行调整。
四、本定额中的炭块、石墨块、大型组合砖的定额消耗量是按成品条件考虑的,如果用毛坯自行加工时,可按批准的施工方案另行计算加工中所发生的人工、材料与施工机械台班量的消耗。
五、本定额以炉底标高为炉内垂直运输基准面。
六、本定额的工作内容除各章节已说明的工序外,还包括:砌筑地点的清扫、放线、做标记、立线杆、材(包括装卸码垛)、泥浆搅拌(包括添加剂或渗合料中的困料)、演砖、砌筑(或大块砌体安装)、临时砖加工、勾缝、质量自检、清废外运等,如果是不定形耐火材料施工,还包括喷涂、浇注、捣打、养护、涂抹、贴挂与支模脱模等工序。
七、本定额的其他说明:1:常用的专业炉项目,系按综合扩大、简明适用的原则进行编制,即不分部位、造型、结构、砌体类别,工序带次要工序,通过有代表性的典型工程加权平均测算取定的(技工、普工工日划分除外),定额中已包括了:选砖、预砌筑、集中砖加工、二次勾缝与吹风清扫等工序,而列入一般(通用)工业炉的项目,仍保持解体结构内容,在使用中不得混淆。
使用说明:1、将下载的附件解压,附件解压后有一个“工程定额电子查阅系统”文件夹。
2、将解压的“工程定额电子查阅系统”文件夹直接放在D盘(不要放在其他文件夹内)。
3、双击D盘“工程定额电子查阅系统”文件夹内的启动文件“工程定额电子查阅系统.exe”进入系统界面。
4、单击“工程定额查阅”按钮,按系统界面指引操作即可查阅定额(请不要直接打开Excel 文件)。
5、本系统在 Windows XP 操作环境下使用,其它操作系统未作测试。
注:若有其他问题或疑问,请在定额下载总站/s/blog_57d1e84b0100mt64.html查询解决办法;也可在此查看程序及定额更新动态,下载更新附件或增加定额附件【进入该下载总站后请按该网页操作说明操作】)。
下载后按上述说明进入系统,可引导您实现对定额的海量搜索和查阅。
详见如下介绍:“工程定额电子查阅系统”及建筑、装饰、安装、市政、园林、水电、公路、通信、冶金矿山井巷、城市轨道、抗震加固、人防、地铁工程定额库简介本“工程定额电子查阅系统”由工程定额库电子版与工程定额电子查阅程序组成。
目前本系统已含有二十一个省或直辖市的建筑、装饰、安装、市政、园林、房屋修缮、市政养护维修、城市环境卫生作业、仿古建筑、抗震加固、人防、地铁工程定额库和水电、公路、通信、配电网、冶金矿山井巷、城市轨道专业工程定额库,可实现对定额的海量搜索,对工程造价工作有很大的帮助作用。
“工程定额电子查阅系统”具有强大的搜索功能,特别是能一次性在各省市、各行业全部定额库中搜索所有含查询字的定额,列出搜索结果清单,点取搜索结果清单中的任意条目,可即时查阅所有搜索到的定额;可按查询字在当前定额中搜索子目,也可按定额章节查阅定额。
本系统定额库数据包括定额数量、基价、工作内容、章节说明、配合比、台班定额等。
本系统还有自动检错功能, 定额计算结果不符时,会自动按工费、料费、机械费分别给出相应提示。
本系统新增功能:选择的定额库加载完成后,若要对当前显示的定额子目作换算,可任意修改“单价”栏或“定额数量”栏窗口的显示值(如工日单价30改为60、工日数量2.3改为3.5等),会立即在项目名称栏显示以修改后的单价或定额数量计算的以上小计(换算)及价差。
辽宁省安装工程消耗量定额(2008) 管道工业管道工程册说明一、辽宁省建设工程计价依据《C安装工程计价定额(C.6工业管道工程)》(以下简称本定额)适用于新建、扩建项目中厂区范围内车间、装置、站、灌区及期目互之间各种生产用介质输送管道,厂区第一个连接点以内的生产用(包括生产与生活共用)给水、排水、蒸汽、煤气输送管道安装工程。
其中给水以人口水表井为界;水以厂区围墙外第一个污水井为界;蒸汽和煤气以人口第一个计量表(阀门)为界;锅炉房、水泵房以墙皮为界。
二、本定额主要依据的标准、规范有:1.《建设工程工程量清单计价规范》GB50500—2003;2.《工业管道工程施工及验收规范》(金属管道篇)GB50235—97;3.《现场设备、工业管道焊接工程施工及验收规范》GB50236—98;4.《钢熔化焊对接接头射线照相和质量分级》GB3323—87;5.《手工电弧焊接接头的基本形式与尺寸》GB985—88;6.《埋弧焊焊缝坡口的基本形式和尺寸》GB986—88;7.《全国统一施工机械台班费用定额》(1998年);8.《全国统一安装工程基础定额》(2006年);9.《全国统一建筑安装劳动定额》(1998年)。
三、以下内容执行其他计价定额:1.单件重100kg以上的管道支架、管道预制钢平台的摊销均执行 C.5《静置设备与工艺金属结构制作安装工程》相应项目2.管道和安装支架喷砂除锈、刷油、防腐蚀、绝热、衬里等执行 C.14《刷油、防腐蚀、绝热工程》相应项目。
3.地沟和埋地管道的土石方及砌筑工程执行A《建筑工程计价定额》相应项目。
四、本定额内不包括下列内容:1.单体和局部是运转所需的水、电、蒸汽、气体、油(油脂)、燃气等。
2.配合局部联动试车费。
3.管道安装完之后的充气保护和防冻保护。
4.设备、材料、成品、半成品、构件等在施工现场范围以外的运输费用。
五、关于下列费用的规定:1.车间内整体封闭式地沟管道,其人工和机械乘以系数 1.2(管道安装后盖板封闭地沟除外)。
建筑一、辽宁省建设工程计价依据《A建筑工程计价定额》(以下简称本定额),是依据国家标准《建设工程工程量清单计价规范》、《全国统一预算定额》、国家有关现行产品标准、设计规范、施工及验收规范、技术操作规程、质量评定标准、安全操作规程以及新技术、新材料、新工艺在施工中的应用编制的。
二、本定额是全部使用国有资金投资或国有资金投资为主体的工程建设项目及招标投标工程的计价依据。
是编制工程量清单、工程量清单计价、招标控制价或拦标价的依据;是编审建设工程投资估算、设计概算、施工图预算、竣工结算的依据;是调解处理工程造价纠纷、鉴定工程造价的依据;是投标报价和衡量投标报价合理性的基础;是编制投资估算指标、概算(定额)指标的基础。
三、本定额适用于在我省行政区域范围内的新建、扩建、改建的工程建设项目。
四、本定额是按正常施工条件,合理的施工机械配备、施工中常用的施工方法、施工工艺和劳动力组织以及合理的施工工期进行编制的。
五、本定额是按照国家标准《建设工程工程量清单计价规范》的原则并结合我省实际,对项目设置、计量单位、计算规则进行了适当的补充和完善,一个定额子目就是一个清单项目。
六、本定额是完成规定计量单位分项工程所需人工、材料、施工机械台班消耗量的标准。
七、本定额消耗量和价格的确定:(一)人工工日:1.本定额人工工日是按现行的全国统一劳动定额为基础按八小时工作制计算的,人工等级分普通工(简称普工)和技术工(简称技工),消耗量包括基本用工、超运距用工、人工幅度差和辅助用工。
2.本定额人工工日单价为:普工40元,技工55元(其中抹灰、装饰65元)。
(二)材料:1.本定额采用的建筑材料、成品、半成品均按国家质量标准和相应的设计要求的合格产品考虑的:材料消耗量包括施工中消耗的主要材料、辅助材料和零星材料并包括了施工损耗和现场内运输损耗;用量很少,占材料比重很小的零星材料合并为其他材料费,以“元”表示。
2.本定额材料的场内搬运距离按300m考虑的;设备场内搬运距离为150m。
辽宁省安装工程消耗量定额(2008) 刷防刷油、防腐剂、绝热工程册说明一、辽宁省建设工程计价依据《C安装工程计价定额(C.14刷油、防腐蚀、绝热工程)》(以下简称本定额)适用于新建、扩建项目中的设备、管道、金属结构等的刷油、防腐蚀、绝热工程。
二、本定额主要依据的标准、规范有:1.《建设工程工程量清单计价规范》GB50500—2003。
2.《设备、管道保温技术通则》GB4272—84。
3.《工业设备及管道绝热工程施工及验收规范》GBJl26—89。
4.《工业设备、管道防腐蚀工程施工及验收规范》HGJ229—91。
5.《全国统一施工机械台班费用定额》(1998年)。
6.《全国统一安装工程基础定额》(2006年)。
7.《全国统一建筑安装劳动定额》(1998年)。
三、按系数计取费用的项目与措施项目见C.14.12。
四、本说明未尽事宜见各章节说明。
除锈工程工程量计算规则一、除锈工程计算公式:1.设备简体、管道表面积计算公式:S=π×D×L式中π一圆周率;D一设备或管道直径;L一设备简体高或管道延长米。
2.计算设备简体、管道表面积时已包括各种管件、阀门、人孔、管口凹凸部分,不再另行计算。
二、本章不包括除微锈(标准:氧化皮完全紧附,仅有少量锈点),发生时其工程量执行轻锈项目子目乘以系数0.2。
三、一般钢结构、管廊钢结构、H型钢钢结构除锈执行C.14.2“刷油工程”工程量计算规则相关规定。
四、因施工需要发生的二次除锈,其工程量应另行计算。
刷油工程说明一、本章适用于金属面、管道、设备、通风管道、金属结构与玻璃布面、石棉布面、玛碲脂面、抹灰面等刷(喷)油漆工程。
二、金属面刷油不包括除锈工作内容。
三、各种管件、阀门和设备上人孔、管口凹凸部分的刷油已综合考虑在内,不得另行计算。
四、400mm以下型钢刷油,无论其工程部位和工程性质,均以重量为计量单位计算工程量。
五、H型钢(无论高度大小)和大于400mm型钢刷油,无论其工程部位和性质,均以面积为计量单位计算工程量。
2008年消耗量定额总说明一、辽宁省建设工程计价依据《A建筑工程计价定额》(以下简称本定额),是依据国家标准《建设工程工程量清单计价规范》、《全国统一预算定额》、国家有关现行产品标准、设计规范、施工及验收规范、技术操作规程、质量评定标准、安全操作规程以及新技术、新材料、新工艺在施工中的应用编制的。
二、本定额是全部使用国有资金投资或国有资金投资为主体的工程建设项目及招标投标工程的计价依据。
是编制工程量清单、工程量清单计价、招标控制价或拦标价的依据;是编审建设工程投资估算、设计概算、施工图预算、竣工结算的依据;是调解处理工程造价纠纷、鉴定工程造价的依据;是投标报价和衡量投标报价合理性的基础;是编制投资估算指标、概算(定额)指标的基础。
三、本定额适用于在我省行政区域范围内的新建、扩建、改建的工程建设项目。
四、本定额是按正常施工条件,合理的施工机械配备、施工中常用的施工方法、施工工艺和劳动力组织以及合理的施工工期进行编制的。
五、本定额是按照国家标准《建设工程工程量清单计价规范》的原则并结合我省实际,对项目设置、计量单位、计算规则进行了适当的补充和完善,一个定额子目就是一个清单项目。
六、本定额是完成规定计量单位分项工程所需人工、材料、施工机械台班消耗量的标准。
七、本定额消耗量和价格的确定:(一)人工工日:1.本定额人工工日是按现行的全国统一劳动定额为基础按八小时工作制计算的,人工等级分普通工(简称普工)和技术工(简称技工),消耗量包括基本用工、超运距用工、人工幅度差和辅助用工。
2.本定额人工工日单价为:普工40元,技工55元(其中抹灰、装饰65元)。
(二)材料:1.本定额采用的建筑材料、成品、半成品均按国家质量标准和相应的设计要求的合格产品考虑的;材料消耗量包括施工中消耗的主要材料、辅助材料和零星材料并包括了施工损耗和现场内运输损耗;用量很少,占材料比重很小的零星材料合并为其他材料费,以“元”表示。
2.本定额材料的场内搬运距离按300m考虑的;设备场内搬运距离为150m。
辽宁建筑消耗量定额(2008)11-1土方工程人工平整场地100m2110.88110.880.000.00 21-2土方工程人工挖土方一、二类土深度(m)以内 1.5100m3635.36635.360.000.00 31-3土方工程人工挖土方一、二类土深度(m)以内 2100m3830.72830.720.000.00 41-4土方工程人工挖土方一、二类土深度(m)以内 4100m31254.881254.880.000.00 51-5土方工程人工挖土方一、二类土深度(m)以内 6100m31556.201556.200.000.00 61-6土方工程人工挖土方三类土深度(m)以内 1.5100m31148.921148.920.000.00 71-7土方工程人工挖土方三类土深度(m)以内 2100m31344.281344.280.000.00 81-8土方工程人工挖土方三类土深度(m)以内 4100m31768.441768.440.000.00 91-9土方工程人工挖土方三类土深度(m)以内 6100m32069.762069.760.000.00 101-10土方工程人工挖土方四类土深度(m)以内 1.5100m31761.401761.400.000.00 111-11土方工程人工挖土方四类土深度(m)以内 2100m31956.761956.760.000.00 121-12土方工程人工挖土方四类土深度(m)以内 4100m32380.922380.920.000.00 131-13土方工程人工挖土方四类土深度(m)以内 6100m32682.242682.240.000.00 141-14土方工程人工挖沟槽基坑挖沟槽一、二类土深度2m以内100m31187.641187.640.000.00 151-15土方工程人工挖沟槽基坑挖沟槽一、二类土深度4m以内100m31531.921531.920.000.00 161-16土方工程人工挖沟槽基坑挖沟槽一、二类土深度6m以内100m31974.001974.000.000.00 171-17土方工程人工挖沟槽基坑挖沟槽三类土深度2m以内100m31891.281891.280.000.00 181-18土方工程人工挖沟槽基坑挖沟槽三类土深度4m以内100m32327.082327.080.000.00 191-19土方工程人工挖沟槽基坑挖沟槽三类土深度6m以内100m32681.882681.880.000.00 201-20土方工程人工挖沟槽基坑挖沟槽四类土深度2m以内100m32861.042861.040.000.00 211-21土方工程人工挖沟槽基坑挖沟槽四类土深度4m以内100m33111.683111.680.000.00 221-22土方工程人工挖沟槽基坑挖沟槽四类土深度6m以内100m33407.363407.360.000.00 231-23土方工程人工挖沟槽基坑挖基坑一、二类土深度2m以内100m31312.241312.240.000.00 241-24土方工程人工挖沟槽基坑挖基坑一、二类土深度4m以内100m31755.081755.080.000.00 251-25土方工程人工挖沟槽基坑挖基坑一、二类土深度6m以内100m32118.002118.000.000.00 261-26土方工程人工挖沟槽基坑挖基坑三类土深度2m以内100m32227.442227.440.000.00 271-27土方工程人工挖沟槽基坑挖基坑三类土深度4m以内100m32597.042597.040.000.00 281-28土方工程人工挖沟槽基坑挖基坑三类土深度6m以内100m32941.682941.680.000.00 291-29土方工程人工挖沟槽基坑挖基坑四类土深度2m以内100m33219.403219.400.000.00 301-30土方工程人工挖沟槽基坑挖基坑四类土深度4m以内100m33492.563492.560.000.00 311-31土方工程人工挖沟槽基坑挖基坑四类土深度6m以内100m33831.163831.160.000.00 321-32土方工程人工挖沟槽基坑人工挖桩孔二类土深度6m以内100m3404.80404.800.000.00 331-33土方工程人工挖沟槽基坑人工挖桩孔二类土深度8m以内100m3485.40485.400.000.00 341-34土方工程人工挖沟槽基坑人工挖桩孔二类土深度10m以内100m3546.32546.320.000.00 351-35土方工程人工挖沟槽基坑人工挖桩孔二类土深度12m以内100m3607.20607.200.000.00 361-36土方工程人工挖沟槽基坑人工挖桩孔三类土深度6m以内100m3506.88506.880.000.00 371-37土方工程人工挖沟槽基坑人工挖桩孔三类土深度8m以内100m3608.24608.240.000.00 381-38土方工程人工挖沟槽基坑人工挖桩孔三类土深度10m以内100m3684.64684.640.000.00 391-39土方工程人工挖沟槽基坑人工挖桩孔三类土深度12m以内100m3760.32760.320.000.00 401-40土方工程人工挖沟槽基坑人工挖桩孔四类土深度6m以内100m3760.32760.320.000.00 411-41土方工程人工挖沟槽基坑人工挖桩孔四类土深度8m以内100m3912.40912.400.000.00431-43土方工程人工挖沟槽基坑人工挖桩孔四类土深度12m以内100m31140.841140.840.000.00 441-44土方工程人工挖沟槽基坑人工挖桩孔松石深度6m以内100m3975.40975.400.000.00 451-45土方工程人工挖沟槽基坑人工挖桩孔松石深度8m以内100m31170.401170.400.000.00 461-46土方工程人工挖沟槽基坑人工挖桩孔松石深度10m以内100m31316.841316.840.000.00 471-47土方工程人工挖沟槽基坑人工挖桩孔松石深度12m以内100m31465.041465.040.000.00 481-48土方工程人工冻土开挖冻土厚度 0.5m以内100m34365.844365.840.000.00 491-49土方工程人工冻土开挖冻土厚度 1m以内100m36193.446193.440.000.00 501-50土方工程人工冻土开挖冻土厚度 1m以外100m36517.286517.280.000.00 511-51土方工程挖淤泥流砂100m33533.723533.720.000.00 521-52土方工程人工爆破挖冻土挖土爆破冻土厚度 0.5m以内100m31989.951631.52358.430.00 531-53土方工程人工爆破挖冻土挖土爆破冻土厚度 1m以内100m32945.272586.84358.430.00 541-54土方工程人工爆破挖冻土挖土爆破冻土厚度 1m以外100m33085.392726.96358.430.00 551-55石方工程人工打眼爆破石方一般开挖松石100m31410.01955.68454.330.00 561-56石方工程人工打眼爆破石方一般开挖次坚石100m31713.361198.56514.800.00 571-57石方工程人工打眼爆破石方一般开挖普坚石100m32773.402157.40616.000.00 581-58石方工程人工打眼爆破石方一般开挖特坚石100m34068.223344.00724.220.00 591-59石方工程人工打眼爆破石方沟槽松石100m33349.472565.72783.750.00 601-60石方工程人工打眼爆破石方沟槽次坚石100m34179.413243.68935.730.00 611-61石方工程人工打眼爆破石方沟槽普坚石100m36648.705490.161158.540.00 621-62石方工程人工打眼爆破石方沟槽特竖石100m310065.148676.081389.060.00 631-63石方工程人工打眼爆破石方基坑松石100m33805.772745.961059.810.00 641-64石方工程人工打眼爆破石方基坑次坚石100m35035.073482.321552.750.00 651-65石方工程人工打眼爆破石方基坑普坚石100m37815.205778.802036.400.00 661-66石方工程人工打眼爆破石方基坑特坚石100m311674.859101.322573.530.00 671-67石方工程人工凿石一般开挖松石100m32524.562524.560.000.00 681-68石方工程人工凿石一般开挖次坚石100m33228.563228.560.000.00 691-69石方工程人工凿石一般开挖普坚石100m35672.485672.480.000.00 701-70石方工程人工凿石一般开挖特坚石100m39350.889350.880.000.00 711-71石方工程人工凿石沟槽松石100m32986.722986.720.000.00 721-72石方工程人工凿石沟槽次坚石100m33816.403816.400.000.00 731-73石方工程人工凿石沟槽普坚石100m37639.447639.440.000.00 741-74石方工程人工凿石沟槽特坚石100m315391.2015391.200.000.00 751-75石方工程人工凿石基坑松石100m34146.924146.920.000.00 761-76石方工程人工凿石基坑次坚石100m35299.005299.000.000.00 771-77石方工程人工凿石基坑普坚石100m311474.8411474.840.000.00 781-78石方工程人工凿石基坑特坚石100m323906.8023906.800.000.00 791-79石方工程人工打眼爆破石方管沟松石100m33092.912309.16783.750.00 801-80石方工程人工打眼爆破石方管沟次坚石100m33855.052919.32935.730.00 811-81石方工程人工打眼爆破石方管沟普坚石100m36099.664941.121158.540.00 821-82石方工程人工打眼爆破石方管沟特坚石100m39197.547808.481389.060.00 831-83石方工程人工清底、修整边坡人工凿石槽(坑)清底松石100m2943.36943.360.000.00851-85石方工程人工清底、修整边坡人工凿石槽(坑)清底普坚石100m21943.761943.760.000.00 861-86石方工程人工清底、修整边坡人工凿石槽(坑)清底特坚石100m24583.404583.400.000.00 871-87石方工程人工清底、修整边坡人工凿石地面清底松石100m2782.16782.160.000.00 881-88石方工程人工清底、修整边坡人工凿石地面清底次坚石100m2928.56928.560.000.00 891-89石方工程人工清底、修整边坡人工凿石地面清底普坚石100m21728.321728.320.000.00 901-90石方工程人工清底、修整边坡人工凿石地面清底特坚石100m24239.844239.840.000.00 911-91石方工程人工清底、修整边坡人工凿石修整边坡松石100m2498.44498.440.000.00 921-92石方工程人工清底、修整边坡人工凿石修整边坡次坚石100m2637.12637.120.000.00 931-93石方工程人工清底、修整边坡人工凿石修整边坡普坚石100m21343.601343.600.000.00 941-94石方工程人工清底、修整边坡人工凿石修整边坡特坚石100m22582.642582.640.000.00 951-95人工土石方运输人工运土方运距20m以内100m3538.56538.560.000.00 961-96人工土石方运输人工运土方 200m以内每增加20m100m3120.40120.400.000.00 971-97人工土石方运输人工运淤泥运距20m以内100m31161.601161.600.000.00 981-98人工土石方运输人工运淤泥 200m以内每增加20m100m3174.24174.240.000.00 991-99人工土石方运输单(双)轮车运土方运距50m以内100m3578.68578.680.000.00 1001-100人工土石方运输单(双)轮车运土方 500m以内每增加50m100m392.9292.920.000.00 1011-101人工土石方运输人工装土 100m3100m3550.16550.160.000.00 1021-102人工土石方运输人工运石方运距20m以内100m31055.641055.640.000.00 1031-103人工土石方运输人工运石方 200m以内每增加20m100m3235.84235.840.000.00 1041-104人工土石方运输单(双)轮车运石方运距50m以内100m3850.80850.800.000.00 1051-105人工土石方运输单(双)轮车运石方 500m以内每增加50m100m3136.56136.560.000.00 1061-106机械土方场地平整 30㎝以内推土机75㎞1000m2752.0735.200.00716.87 1071-107机械土方场地平整 30㎝以内拖式铲运机6-8m31000m2400.4935.200.00365.29 1081-108机械土方推土机推土方 (75kW以内) 运距20m以内1000m33841.07211.200.003629.87 1091-109机械土方推土机推土方 (75kW以内) 运距50m以内1000m36947.51211.200.006736.31 1101-110机械土方推土机推土方 (75kW以内) 运距100m以内1000m315584.09211.200.0015372.89 1111-111机械土方推土机推土方 (90kW以内) 运距20m以内1000m34010.52211.200.003799.32 1121-112机械土方推土机推土方 (90kW以内) 运距50m以内1000m36172.20211.200.005961.00 1131-113机械土方推土机推土方 (90kW以内) 运距100m以内1000m315447.78211.200.0015236.58 1141-114机械土方推土机推土方 (105kW以内) 运距20m以内1000m33238.65211.200.003027.45 1151-115机械土方推土机推土方 (105kW以内) 运距50m以内1000m35590.33211.200.005379.13 1161-116机械土方推土机推土方 (105kW以内) 运距100m以内1000m310523.45211.200.0010312.25 1171-117机械土方推土机推土方 (135kW以内) 运距20m以内1000m33557.98211.200.003346.78 1181-118机械土方推土机推土方 (135kW以内) 运距50m以内1000m36161.02211.200.005949.82 1191-119机械土方推土机推土方 (135kW以内) 运距100m以内1000m311933.00211.200.0011721.80 1201-120机械土方拖式铲运机 (斗容量6-8m3) 运距200m以内1000m34619.00211.200.004407.80 1211-121机械土方拖式铲运机 (斗容量6-8m3) 运距400m以内1000m36672.73211.200.006461.53 1221-122机械土方拖式铲运机 (斗容量6-8m3) 运距每增加200m1000m32646.45211.200.002435.25 1231-123机械土方拖式铲运机 (斗容量8-10m3) 运距200m以内1000m33805.76211.200.003594.56 1241-124机械土方拖式铲运机 (斗容量8-10m3) 运距400m以内1000m35520.51211.200.005309.31 1251-125机械土方拖式铲运机 (斗容量8-10m3) 运距每增加200m1000m32228.56211.200.002017.361271-127机械土方拖式铲运机 (斗容量10-12m3) 运距400m以内1000m35166.09211.200.004954.89 1281-128机械土方拖式铲运机 (斗容量10-12m3) 运距每增加200m1000m32035.09211.200.001823.89 1291-129机械土方自行式铲运机 (斗容量8-10m3) 运距300m以内1000m34869.78211.200.004658.58 1301-130机械土方自行式铲运机 (斗容量8-10m3) 运距500m以内1000m36171.27211.200.005960.07 1311-131机械土方自行式铲运机 (斗容量8-10m3) 运距每增加200m1000m31670.81211.200.001459.61 1321-132机械土方自行式铲运机 (斗容量10-12m3) 运距300m以内1000m34054.83211.200.003843.63 1331-133机械土方自行式铲运机 (斗容量10-12m3) 运距500m以内1000m35198.19211.200.004986.99 1341-134机械土方自行式铲运机 (斗容量10-12m3) 运距每增加200m1000m31549.17211.200.001337.97 1351-135机械土方挖掘机挖土方正铲挖掘机挖土深度 1.5m以内1000m31463.56211.200.001252.36 1361-136机械土方挖掘机挖土方正铲挖掘机挖土深度 2m以内1000m31577.03211.200.001365.83 1371-137机械土方挖掘机挖土方正铲挖掘机挖土深度 2m以外1000m31884.75211.200.001673.55 1381-138机械土方挖掘机挖土方反铲挖掘机挖土深度 1.5m以内1000m31969.96211.200.001758.76 1391-139机械土方挖掘机挖土方反铲挖掘机挖土深度 2.5m以内1000m32108.42211.200.001897.22 1401-140机械土方挖掘机挖土方反铲挖掘机挖土深度 4m以内1000m32115.44211.200.001904.24 1411-141机械土方挖掘机挖土方反铲挖掘机挖土深度 4m以外1000m32348.61211.200.002137.41 1421-142机械土方挖掘机挖土自卸汽车运土方正铲挖掘机运距3㎞以内1000m310499.31211.200.0010288.11 1431-143机械土方挖掘机挖土自卸汽车运土方正铲挖掘机运距5㎞以内1000m313309.72211.200.0013098.52 1441-144机械土方挖掘机挖土自卸汽车运土方正铲挖掘机运距8㎞以内1000m316495.65211.200.0016284.45 1451-145机械土方挖掘机挖土自卸汽车运土方正铲挖掘机运距10㎞以内1000m318619.60211.200.0018408.40 1461-146机械土方挖掘机挖土自卸汽车运土方正铲挖掘机运距15㎞以内1000m325484.18211.200.0025272.98 1471-147机械土方挖掘机挖土自卸汽车运土方正铲挖掘机运距20㎞以内1000m332348.77211.200.0032137.57 1481-148机械土方挖掘机挖土自卸汽车运土方正铲挖掘机运距25㎞以内1000m339141.59211.200.0038930.39 1491-149机械土方挖掘机挖土自卸汽车运土方正铲挖掘机运距30㎞以内1000m345934.42211.200.0045723.22 1501-150机械土方挖掘机挖土自卸汽车运土方正铲挖掘机运距35㎞以内1000m353540.47211.200.0053329.27 1511-151机械土方挖掘机挖土自卸汽车运土方正铲挖掘机运距40㎞以内1000m361146.52211.200.0060935.32 1521-152机械土方挖掘机挖土自卸汽车运土方正铲挖掘机运距45㎞以内1000m367317.47211.200.0067106.27 1531-153机械土方挖掘机挖土自卸汽车运土方正铲挖掘机运距50㎞以内1000m373488.41211.200.0073277.21 1541-154机械土方挖掘机挖土自卸汽车运土方反铲挖掘机运距3㎞以内1000m39217.73211.200.009006.53 1551-155机械土方挖掘机挖土自卸汽车运土方反铲挖掘机运距5㎞以内1000m313714.39211.200.0013503.19 1561-156机械土方挖掘机挖土自卸汽车运土方反铲挖掘机运距8㎞以内1000m316900.32211.200.0016689.12 1571-157机械土方挖掘机挖土自卸汽车运土方反铲挖掘机运距10㎞以内1000m318514.90211.200.0018303.70 1581-158机械土方挖掘机挖土自卸汽车运土方反铲挖掘机运距15㎞以内1000m325905.69211.200.0025694.49 1591-159机械土方挖掘机挖土自卸汽车运土方反铲挖掘机运距20㎞以内1000m332291.90211.200.0032080.70 1601-160机械土方挖掘机挖土自卸汽车运土方反铲挖掘机运距25㎞以内1000m339084.73211.200.0038873.53 1611-161机械土方挖掘机挖土自卸汽车运土方反铲挖掘机运距30㎞以内1000m345877.55211.200.0045666.35 1621-162机械土方挖掘机挖土自卸汽车运土方反铲挖掘机运距35㎞以内1000m353897.31211.200.0053686.11 1631-163机械土方挖掘机挖土自卸汽车运土方反铲挖掘机运距40㎞以内1000m361551.19211.200.0061339.99 1641-164机械土方挖掘机挖土自卸汽车运土方反铲挖掘机运距45㎞以内1000m367722.14211.200.0067510.94 1651-165机械土方挖掘机挖土自卸汽车运土方反铲挖掘机运距50㎞以内1000m373893.09211.200.0073681.89 1661-166机械土方机械挖管沟土方反铲挖掘机(斗容量0.6m3)不装车一、二类土1000m32228.45211.200.002017.25 1671-167机械土方机械挖管沟土方反铲挖掘机(斗容量0.6m3)不装车三类土1000m32615.60211.200.002404.401691-169机械土方装载机装土方斗容量1m3以内1000m31705.23211.200.001494.03 1701-170机械土方装载机装土方斗容量1.5m3以内1000m31861.36211.200.001650.16 1711-171机械土方装载机装土方斗容量2m3以内1000m31999.45211.200.001788.25 1721-172机械土方装载机装土方斗容量3m3以内1000m32349.32211.200.002138.12 1731-173机械土方装载机装土方 (斗容量1m3) 运距20m以内1000m32297.60211.200.002086.40 1741-174机械土方装载机装土方 (斗容量1m3) 运距60m以内1000m33954.13211.200.003742.93 1751-175机械土方装载机装土方 (斗容量1m3) 运距100m以内1000m34934.42211.200.004723.22 1761-176机械土方装载机装土方 (斗容量1m3) 运距150m以内1000m36166.34211.200.005955.14 1771-177机械土方装载机装土方 (斗容量1.5m3) 运距20m以内1000m32166.48211.200.001955.28 1781-178机械土方装载机装土方 (斗容量1.5m3) 运距60m以内1000m33486.60211.200.003275.40 1791-179机械土方装载机装土方 (斗容量1.5m3) 运距100m以内1000m34252.52211.200.004041.32 1801-180机械土方装载机装土方 (斗容量1.5m3) 运距150m以内1000m35273.75211.200.005062.55 1811-181机械土方装载机装土方 (斗容量2m3) 运距20m以内1000m32273.96211.200.002062.76 1821-182机械土方装载机装土方 (斗容量2m3) 运距60m以内1000m33505.34211.200.003294.14 1831-183机械土方装载机装土方 (斗容量2m3) 运距100m以内1000m34234.76211.200.004023.56 1841-184机械土方装载机装土方 (斗容量2m3) 运距150m以内1000m35207.32211.200.004996.12 1851-185机械土方装载机装土方 (斗容量3m3) 运距20m以内1000m32370.70211.200.002159.50 1861-186机械土方装载机装土方 (斗容量3m3) 运距60m以内1000m33482.52211.200.003271.32 1871-187机械土方装载机装土方 (斗容量3m3) 运距100m以内1000m34145.34211.200.003934.14 1881-188机械土方装载机装土方 (斗容量3m3) 运距150m以内1000m35000.59211.200.004789.39 1891-189机械土方小型拖拉机运土方运距1㎞以内1000m3925.690.000.00925.69 1901-190机械土方小型拖拉机运土方每增加500m1000m3220.450.000.00220.45 1911-191机械土方自卸汽车运土方 (载重4.5t) 运距1㎞以内1000m35857.46211.200.005646.26 1921-192机械土方自卸汽车运土方 (载重4.5t) 运距3㎞以内1000m39939.04211.200.009727.84 1931-193机械土方自卸汽车运土方 (载重4.5t) 运距5㎞以内1000m312369.94211.200.0012158.74 1941-194机械土方自卸汽车运土方 (载重4.5t) 运距8㎞以内1000m316103.77211.200.0015892.57 1951-195机械土方自卸汽车运土方 (载重4.5t) 运距10㎞以内1000m318591.58211.200.0018380.38 1961-196机械土方自卸汽车运土方 (载重4.5t) 运距15㎞以内1000m326583.60211.200.0026372.40 1971-197机械土方自卸汽车运土方 (载重4.5t) 运距20㎞以内1000m334572.67211.200.0034361.47 1981-198机械土方自卸汽车运土方 (载重4.5t) 运距25㎞以内1000m342887.15211.200.0042675.95 1991-199机械土方自卸汽车运土方 (载重4.5t) 运距30㎞以内1000m351201.63211.200.0050990.43 2001-200机械土方自卸汽车运土方 (载重4.5t) 运距35㎞以内1000m360069.15211.200.0059857.95 2011-201机械土方自卸汽车运土方 (载重4.5t) 运距40㎞以内1000m368937.09211.200.0068725.89 2021-202机械土方自卸汽车运土方 (载重4.5t) 运距45㎞以内1000m376173.32211.200.0075962.12 2031-203机械土方自卸汽车运土方 (载重4.5t) 运距50㎞以内1000m383406.60211.200.0083195.40 2041-204机械土方自卸汽车运土方 (载重6.5t) 运距1㎞以内1000m35999.45211.200.005788.25 2051-205机械土方自卸汽车运土方 (载重6.5t) 运距3㎞以内1000m310261.71211.200.0010050.51 2061-206机械土方自卸汽车运土方 (载重6.5t) 运距5㎞以内1000m312773.14211.200.0012561.94 2071-207机械土方自卸汽车运土方 (载重6.5t) 运距8㎞以内1000m316450.60211.200.0016239.40 2081-208机械土方自卸汽车运土方 (载重6.5t) 运距10㎞以内1000m318899.24211.200.0018688.04 2091-209机械土方自卸汽车运土方 (载重6.5t) 运距15㎞以内1000m326805.47211.200.0026594.272131-213机械土方自卸汽车运土方 (载重6.5t) 运距35㎞以内1000m359104.28211.200.0058893.08 2141-214机械土方自卸汽车运土方 (载重6.5t) 运距40㎞以内1000m368163.37211.200.0067952.17 2151-215机械土方自卸汽车运土方 (载重6.5t) 运距45㎞以内1000m375715.61211.200.0075504.41 2161-216机械土方自卸汽车运土方 (载重6.5t) 运距50㎞以内1000m383263.66211.200.0083052.46 2171-217机械土方自卸汽车运土方 (载重8t) 运距1㎞以内1000m35562.94211.200.005351.74 2181-218机械土方自卸汽车运土方 (载重8t) 运距3㎞以内1000m36534.63211.200.006323.43 2191-219机械土方自卸汽车运土方 (载重8t) 运距5㎞以内1000m310737.09211.200.0010525.89 2201-220机械土方自卸汽车运土方 (载重8t) 运距8㎞以内1000m313732.87211.200.0013521.67 2211-221机械土方自卸汽车运土方 (载重8t) 运距10㎞以内1000m315728.26211.200.0015517.06 2221-222机械土方自卸汽车运土方 (载重8t) 运距15㎞以内1000m322164.11211.200.0021952.91 2231-223机械土方自卸汽车运土方 (载重8t) 运距20㎞以内1000m328595.17211.200.0028383.97 2241-224机械土方自卸汽车运土方 (载重8t) 运距25㎞以内1000m334976.59211.200.0034765.39 2251-225机械土方自卸汽车运土方 (载重8t) 运距30㎞以内1000m341353.84211.200.0041142.64 2261-226机械土方自卸汽车运土方 (载重8t) 运距35㎞以内1000m348466.57211.200.0048255.37 2271-227机械土方自卸汽车运土方 (载重8t) 运距40㎞以内1000m355579.31211.200.0055368.11 2281-228机械土方自卸汽车运土方 (载重8t) 运距45㎞以内1000m361364.57211.200.0061153.37 2291-229机械土方自卸汽车运土方 (载重8t) 运距50㎞以内1000m367145.65211.200.0066934.45 2301-230机械土方自卸汽车运土方 (载重10t) 运距1㎞以内1000m35473.61211.200.005262.41 2311-231机械土方自卸汽车运土方 (载重10t) 运距3㎞以内1000m38881.41211.200.008670.21 2321-232机械土方自卸汽车运土方 (载重10t) 运距5㎞以内1000m311047.11211.200.0010835.91 2331-233机械土方自卸汽车运土方 (载重10t) 运距8㎞以内1000m314149.03211.200.0013937.83 2341-234机械土方自卸汽车运土方 (载重10t) 运距10㎞以内1000m316214.49211.200.0016003.29 2351-235机械土方自卸汽车运土方 (载重10t) 运距15㎞以内1000m322568.30211.200.0022357.10 2361-236机械土方自卸汽车运土方 (载重10t) 运距20㎞以内1000m328916.16211.200.0028704.96 2371-237机械土方自卸汽车运土方 (载重10t) 运距25㎞以内1000m335497.89211.200.0035286.69 2381-238机械土方自卸汽车运土方 (载重10t) 运距30㎞以内1000m342079.62211.200.0041868.42 2391-239机械土方自卸汽车运土方 (载重10t) 运距35㎞以内1000m348443.81211.200.0048232.61 2401-240机械土方自卸汽车运土方 (载重10t) 运距40㎞以内1000m354802.81211.200.0054591.61 2411-241机械土方自卸汽车运土方 (载重10t) 运距45㎞以内1000m360711.15211.200.0060499.95 2421-242机械土方自卸汽车运土方 (载重10t) 运距50㎞以内1000m366613.55211.200.0066402.35 2431-243机械土方自卸汽车运土方 (载重12t) 运距1㎞以内1000m35744.24211.200.005533.04 2441-244机械土方自卸汽车运土方 (载重12t) 运距3㎞以内1000m38603.39211.200.008392.19 2451-245机械土方自卸汽车运土方 (载重12t) 运距5㎞以内1000m310699.39211.200.0010488.19 2461-246机械土方自卸汽车运土方 (载重12t) 运距8㎞以内1000m313490.50211.200.0013279.30 2471-247机械土方自卸汽车运土方 (载重12t) 运距10㎞以内1000m315353.70211.200.0015142.50 2481-248机械土方自卸汽车运土方 (载重12t) 运距15㎞以内1000m321144.95211.200.0020933.75 2491-249机械土方自卸汽车运土方 (载重12t) 运距20㎞以内1000m326936.21211.200.0026725.01 2501-250机械土方自卸汽车运土方 (载重12t) 运距25㎞以内1000m333028.29211.200.0032817.09 2511-251机械土方自卸汽车运土方 (载重12t) 运距30㎞以内1000m339121.19211.200.0038909.99 2521-252机械土方自卸汽车运土方 (载重12t) 运距35㎞以内1000m344863.26211.200.0044652.06 2531-253机械土方自卸汽车运土方 (载重12t) 运距40㎞以内1000m350605.33211.200.0050394.132561-256机械土方自卸汽车运土方 (载重15t) 运距1㎞以内1000m35741.88211.200.005530.68 2571-257机械土方自卸汽车运土方 (载重15t) 运距3㎞以内1000m38769.93211.200.008558.73 2581-258机械土方自卸汽车运土方 (载重15t) 运距5㎞以内1000m310885.41211.200.0010674.21 2591-259机械土方自卸汽车运土方 (载重15t) 运距7㎞以内1000m313305.08211.200.0013093.88 2601-260机械土方自卸汽车运土方 (载重15t) 运距10㎞以内1000m315649.17211.200.0015437.97 2611-261机械土方自卸汽车运土方 (载重15t) 运距13㎞以内1000m319001.69211.200.0018790.49 2621-262机械土方自卸汽车运土方 (载重15t) 运距16㎞以内1000m322956.12211.200.0022744.92 2631-263机械土方自卸汽车运土方 (载重15t) 运距20㎞以内1000m327214.75211.200.0027003.55 2641-264机械土方自卸汽车运土方 (载重15t) 运距25㎞以内1000m333450.59211.200.0033239.39 2651-265机械土方自卸汽车运土方 (载重15t) 运距13㎞以内1000m339486.40211.200.0039275.20 2661-266机械石方机械打眼爆破石方一般开挖松石1000m31335.29346.72492.54496.03 2671-267机械石方机械打眼爆破石方一般开挖次坚石1000m31879.58473.44592.56813.58 2681-268机械石方机械打眼爆破石方一般开挖普坚石1000m32595.85557.56729.071309.22 2691-269机械石方机械打眼爆破石方一般开挖特坚石1000m33405.20711.04904.451789.71 2701-270机械石方机械打眼爆破石方沟槽松石1000m32901.24850.44887.991162.81 2711-271机械石方机械打眼爆破石方沟槽次坚石1000m34336.721236.241115.311985.17 2721-272机械石方机械打眼爆破石方沟槽普坚石1000m36054.151460.801404.623188.73 2731-273机械石方机械打眼爆破石方沟槽特坚石1000m37950.431863.121766.854320.46 2741-274机械石方机械打眼爆破石方基坑松石1000m33430.50916.601251.271262.63 2751-275机械石方机械打眼爆破石方基坑次坚石1000m36098.811590.681867.472640.66 2761-276机械石方机械打眼爆破石方基坑普坚石1000m39158.991945.162504.594709.24 2771-277机械石方机械打眼爆破石方基坑特坚石1000m312766.532707.923293.856764.76 2781-278机械石方推土机推碴 (75kW以内) 运距20m以内1000m38326.48281.600.008044.88 2791-279机械石方推土机推碴 (75kW以内) 运距50m以内1000m315643.12281.600.0015361.52 2801-280机械石方推土机推碴 (75kW以内) 运距100m以内1000m330549.47281.600.0030267.87 2811-281机械石方推土机推碴 (90kW以内) 运距20m以内1000m39124.84281.600.008843.24 2821-282机械石方推土机推碴 (90kW以内) 运距50m以内1000m317116.51281.600.0016834.91 2831-283机械石方推土机推碴 (90kW以内) 运距100m以内1000m333178.46281.600.0032896.86 2841-284机械石方推土机推碴 (105kW以内) 运距20m以内1000m38715.21281.600.008433.61 2851-285机械石方推土机推碴 (105kW以内) 运距50m以内1000m316054.07281.600.0015772.47 2861-286机械石方推土机推碴 (105kW以内) 运距100m以内1000m332002.24281.600.0031720.64 2871-287机械石方推土机推碴 (135kW以内) 运距20m以内1000m39028.49281.600.008746.89 2881-288机械石方推土机推碴 (135kW以内) 运距50m以内1000m316449.60281.600.0016168.00 2891-289机械石方推土机推碴 (135kW以内) 运距100m以内1000m331550.51281.600.0031268.91 2901-290机械石方挖掘机挖碴斗容量 0.6m31000m315491.93281.600.0015210.33 2911-291机械石方挖掘机挖碴斗容量 1m31000m313313.98281.600.0013032.38 2921-292机械石方挖掘机挖碴自卸汽车运碴运距2㎞以内1000m330855.90383.680.0030472.22 2931-293机械石方挖掘机挖碴自卸汽车运碴运距4㎞以内1000m336680.03383.680.0036296.35 2941-294机械石方挖掘机挖碴自卸汽车运碴运距6㎞以内1000m334418.35383.680.0034034.67 2951-295机械石方挖掘机挖碴自卸汽车运碴运距10㎞以内1000m344775.02383.680.0044391.34 2961-296机械石方小型拖拉机运石方运距1㎞以内1000m31203.610.000.001203.612971-297机械石方小型拖拉机运石方每增加500m1000m3286.280.000.00286.28 2981-298土石方回填回填土夯填100m3301.68301.680.000.00 2991-299土石方回填回填土夯填100m31232.541034.880.00197.66 3001-300土石方回填原土打夯100m363.8750.000.0013.87 3011-301土石方回填原土碾压拖式双联羊足碾1000m275.5435.200.0040.34 3021-302土石方回填原土碾压内燃压路机15t以内1000m271.6835.200.0036.48 3031-303土石方回填填土碾压拖式双联羊足碾1000m32972.77211.2039.002722.57 3041-304土石方回填填土碾压内燃压路机6-8t以内1000m33683.34211.2039.003433.14 3051-305土石方回填填土碾压内燃压路机 15t以内1000m35598.02211.2039.005347.82 3061-306土石方回填填土碾压振动压路机 10t以内1000m33941.19211.2039.003690.99 3071-307土石方回填填土碾压振动压路机 15t以内1000m35033.07211.2039.004782.87 3082-1混凝土桩现场预制混凝土桩预制砼商砼实心桩10m33198.71172.823025.890.00 3092-2混凝土桩现场预制混凝土桩预制砼现场砼实心桩10m32646.96491.672003.90151.39 3102-3混凝土桩现场预制混凝土桩预制砼商砼桩尖10m33190.07168.483021.590.00 3112-4混凝土桩现场预制混凝土桩预制砼现场砼桩尖10m32607.04456.061999.59151.39 3122-5混凝土桩打预制钢筋混凝土桩轨道式柴油打桩机打预制方桩桩长在12m以内10m31613.59500.3160.521052.76 3132-6混凝土桩打预制钢筋混凝土桩轨道式柴油打桩机打预制方桩桩长在18m以内10m31618.79339.8860.521218.39 3142-7混凝土桩打预制钢筋混凝土桩履带式柴油打桩机打预制方桩桩长在30m以内10m31435.65230.5260.521144.61 3152-8混凝土桩打预制钢筋混凝土桩履带式柴油打桩机打预制方桩桩长在30m以外10m31052.61161.7660.52830.33 3162-9混凝土桩打预制钢筋混凝土桩轨道式柴油打桩机打预制管桩桩长在16m以内10m32227.93437.2799.601691.06 3172-10混凝土桩打预制钢筋混凝土桩轨道式柴油打桩机打预制管桩桩长在24m以内10m31981.04388.5599.601492.89 3182-11混凝土桩打预制钢筋混凝土桩轨道式柴油打桩机打预制管桩桩长在32m以内10m32243.21368.5199.601775.10 3192-12混凝土桩打预制钢筋混凝土桩轨道式柴油打桩机打预制管桩桩长在40m以内10m32165.17356.2299.601709.35 3202-13混凝土桩打预制钢筋混凝土桩履带式柴油打桩机打预制管桩桩长在16m以内10m32310.14412.7699.601797.78 3212-14混凝土桩打预制钢筋混凝土桩履带式柴油打桩机打预制管桩桩长在24m以内10m31994.48351.7899.601543.10 3222-15混凝土桩打预制钢筋混凝土桩履带式柴油打桩机打预制管桩桩长在32m以内10m31947.66332.0499.601516.02 3232-16混凝土桩打预制钢筋混凝土桩履带式柴油打桩机打预制管桩桩长在40m以内10m31912.33327.9699.601484.77 3242-17混凝土桩打预制钢筋混凝土桩柴油打桩机打预制板桩桩单体在1m3以内10m32646.40493.1743.132110.10 3252-18混凝土桩打预制钢筋混凝土桩柴油打桩机打预制板桩桩单体在1.5m3以内10m32197.75408.3343.131746.29 3262-19混凝土桩打预制钢筋混凝土桩柴油打桩机打预制板桩桩单体在2.5m3以内10m31971.45416.5043.131511.82 3272-20混凝土桩打预制钢筋混凝土桩柴油打桩机打预制板桩桩单体在3m3以内10m31664.32275.5043.131345.69 3282-21混凝土桩打预制钢筋混凝土桩安拆导向夹具10m75.5614.3329.8031.43 3292-22混凝土桩打预制钢筋混凝土桩管桩桩心填砂10m3796.09200.60514.1681.33 3302-23混凝土桩打预制钢筋混凝土桩管桩桩心填混凝土商砼10m33155.79140.793015.000.00 3312-24混凝土桩打预制钢筋混凝土桩管桩桩心填混凝土现场砼10m32315.97362.021738.90215.05 3322-25混凝土桩液压静力压桩机压预制钢筋混凝土方桩静力压桩机压预制方桩桩长在12m以内10m32337.11292.58195.511849.02 3332-26混凝土桩液压静力压桩机压预制钢筋混凝土方桩静力压桩机压预制方桩桩长在18m以内10m32464.93262.26195.512007.16 3342-27混凝土桩液压静力压桩机压预制钢筋混凝土方桩静力压桩机压预制方桩桩长在30m以内10m32796.70255.42195.512345.77 3352-28混凝土桩液压静力压桩机压预制钢筋混凝土方桩静力压桩机压预制方桩桩长在30m以外10m32513.80247.60195.512070.69 3362-29混凝土桩送桩送方桩桩长综合取定10m31905.42582.9180.901241.61 3372-30混凝土桩送桩送管桩桩长综合取定10m32126.71653.0082.791390.92 3382-31混凝土桩电焊接桩包角钢10个3846.68624.97317.122904.59 3392-32混凝土桩电焊接桩包钢板10个6426.38652.532846.322927.533402-33混凝土桩硫磺胶泥接桩m21640.27328.31149.021162.94 3412-34混凝土桩打桩机打孔灌注混凝土桩走管式柴油打桩机打砼桩桩长在10m以内商砼10m36217.101313.833508.241395.03 3422-35混凝土桩打桩机打孔灌注混凝土桩走管式柴油打桩机打砼桩桩长在10m以内现场砼10m35313.081580.902065.911666.27 3432-36混凝土桩打桩机打孔灌注混凝土桩走管式柴油打桩机打砼桩桩长在15m以内商砼10m35263.16871.833508.24883.09 3442-37混凝土桩打桩机打孔灌注混凝土桩走管式柴油打桩机打砼桩桩长在15m以内现场砼10m34403.351183.112065.911154.33 3452-38混凝土桩打桩机打孔灌注混凝土桩走管式柴油打桩机打砼桩桩长在18m以内商砼10m35020.08743.943508.24767.90 3462-39混凝土桩打桩机打孔灌注混凝土桩走管式柴油打桩机打砼桩桩长在18m以内现场砼10m34173.051067.992065.911039.15 3472-40混凝土桩打桩机打孔灌注混凝土桩走管式柴油打桩机打砼桩桩长在18m以外商砼10m34661.67583.903508.24569.53 3482-41混凝土桩打桩机打孔灌注混凝土桩走管式柴油打桩机打砼桩桩长在18m以外现场砼10m33830.62923.942065.91840.77 3492-42混凝土桩打桩机打孔灌注混凝土桩走管式电动打桩机打砼桩桩长在10m以内商砼10m35890.671160.183508.241222.25 3502-43混凝土桩打桩机打孔灌注混凝土桩走管式电动打桩机打砼桩桩长在10m以内现场砼10m35002.011442.612065.911493.49 3512-44混凝土桩打桩机打孔灌注混凝土桩走管式电动打桩机打砼桩桩长在15m以内商砼10m35137.39554.353508.241074.80 3522-45混凝土桩打桩机打孔灌注混凝土桩走管式电动打桩机打砼桩桩长在15m以内现场砼10m34309.33897.372065.911346.05 3532-46混凝土桩打桩机打孔灌注混凝土桩走管式电动打桩机打砼桩桩长在18m以内商砼10m35069.81529.763508.241031.81 3542-47混凝土桩打桩机打孔灌注混凝土桩走管式电动打桩机打砼桩桩长在18m以内现场砼10m34244.24875.272065.911303.06 3552-48混凝土桩打桩机打孔灌注混凝土桩走管式电动打桩机打砼桩桩长在18m以外商砼10m35012.03514.973508.24988.82 3562-49混凝土桩打桩机打孔灌注混凝土桩走管式电动打桩机打砼桩桩长在18m以外现场砼10m34187.91861.942065.911260.06 3572-50混凝土桩长螺旋钻孔超流态压灌桩孔径400㎜商品混凝土10m36202.73926.303919.501356.93 3582-51混凝土桩长螺旋钻孔超流态压灌桩孔径400㎜现场混凝土10m35435.271286.562636.101512.61 3592-52混凝土桩长螺旋钻孔超流态压灌桩孔径600㎜商品混凝土10m35745.79860.783919.50965.51 3602-53混凝土桩长螺旋钻孔超流态压灌桩孔径600㎜现场混凝土10m34953.041195.752636.101121.19 3612-54混凝土桩振动沉管灌注混凝土桩桩长(m) 10以内商品混凝土10m34977.80755.443280.40941.96 3622-55混凝土桩振动沉管灌注混凝土桩桩长(m) 10以内现场混凝土10m34678.001007.212056.711614.08 3632-56混凝土桩振动沉管灌注混凝土桩桩长(m) 10以外商品混凝土10m34812.95566.223280.39966.34 3642-57混凝土桩振动沉管灌注混凝土桩桩长(m) 10以外现场混凝土10m34226.12754.992056.711414.42 3652-58混凝土桩灌水钻机钻孔灌注混凝土桩桩直径在(㎝)以内 60 商砼10m38292.671203.115122.511967.05 3662-59混凝土桩潜水钻机钻孔灌注混凝土桩桩直径在(㎝)以内 60 现场砼10m37246.011887.383111.192247.44 3672-60混凝土桩潜水钻机钻孔灌注混凝土桩桩直径在(㎝)以内 80 商砼10m37500.191042.914755.401701.88 3682-61混凝土桩潜水钻机钻孔灌注混凝土桩桩直径在(㎝)以内 80 现场砼10m36452.641635.962833.931982.75 3692-62混凝土桩潜水钻机钻孔灌注混凝土桩桩直径在(㎝)以内 100 商砼10m37078.381082.554540.431455.40 3702-63混凝土桩潜水钻机钻孔灌注混凝土桩桩直径在(㎝)以内 100 现场砼10m35869.471443.272690.411735.79 3712-64混凝土桩潜水钻机钻孔灌注混凝土桩桩直径在(㎝)以内 120 商砼10m36484.22784.234405.291294.70 3722-65混凝土桩潜水钻机钻孔灌注混凝土桩桩直径在(㎝)以内 120 现场砼10m35408.621230.122603.411575.09 3732-66混凝土桩长螺旋钻孔灌注混凝土桩汽车式桩长在12m以内10m31859.69705.630.001154.06 3742-67混凝土桩长螺旋钻孔灌注混凝土桩履带式桩长在12m以内10m31414.70642.290.00772.41 3752-68混凝土桩长螺旋钻孔灌注混凝土桩汽车式桩长在12m以外10m31515.76654.890.00860.87 3762-69混凝土桩长螺旋钻孔灌注混凝土桩履带式桩长在12m以外10m31243.17627.330.00615.84 3772-70混凝土桩浇筑混凝土灌注桩人工挖孔桩护井壁混凝土商品砼10m33198.85173.213025.640.00 3782-71混凝土桩浇筑混凝土灌注桩人工挖孔桩护井壁混凝土现场砼10m32570.31636.481764.61169.22 3792-72混凝土桩浇筑混凝土灌注桩人工挖孔桩桩芯混凝土商品砼10m33157.89142.893015.000.00 3802-73混凝土桩浇筑混凝土灌注桩人工挖孔桩桩芯混凝土现场砼10m32376.31362.021702.79311.50 3812-74混凝土桩浇筑混凝土灌注桩长螺旋钻机钻孔混凝土商品混凝土10m34078.67152.793925.880.00 3822-75混凝土桩浇筑混凝土灌注桩长螺旋钻机钻孔混凝土现场混凝土10m33108.37561.232266.75280.39。