机械设计制造及其自动化(本科) 机械CADCAM 第4章 计算机辅助工艺过程设计 形考及解析
- 格式:doc
- 大小:48.10 KB
- 文档页数:8
中央广播电视大学机械设计制造及其自动化专业(本科)《机械CAD/CAM》教学大纲第一部分大纲说明一、课程的性质和任务机械CAD/CAM技术是广播电视大学机械设计制造及其自动化专业学生必修的技术基础课程。
本课程的任务是使学生获得机械CAD/CAM技术的基本理论和基础知识;掌握CAD/CAM 系统硬件配置的一般原则;熟悉CAD/CAM系统常用软件的开发方法;具有进行CAD/CAM系统规划与实施的初步能力.二、本课程与相关课程的关系本课程安排在计算机绘图及C语言程序设计课程后进行,学生应具有常用机械绘图软件和机械设计与制造方面的基本知识。
三、课程的基本教学要求课程重点阐述CAD/CAM系统的组成及其软件开发技术,初步了解CAD/CAM系统的集成概念,具有进行CAD/CAM系统规划与实施的初步能力。
四、教学方法和教学形式建议本课程内容主要是建立在上机实验和工业实践基础之上,以基本概念和实际应用描述为主,涉及面宽.课程教学形式包括电视录像授课、上机实验、自学及面授辅导等方式。
五、课程教学要求的层次课程的教学内容按”掌握、熟悉、了解"三个层次要求,上机实验内容按"熟练,学会,了解”三个层次要求.第二部分媒体使用和教学过程安排建议一、学时分配课内72学时(4学分),其中电视录像22学时,上机实验22学时,其它学时28.二、教材1.文字教材本课程教材采用分立型式,即包括主教材和实验指导书各一册。
主教材为教材基本内容、每章小结和习题,实验指导书包括实验指导、学习自检内容等.教材名称主教材:《机械CAD/CAM》辅助教材:《机械CAD/CAM实验指导》2.音像教材电视录象三、考试本课程考试采用闭卷考试方法,时间为2小时.考试成绩及完成五个上机实验(以是否获得实验指导教师的书面认可为依据)两项内容为考查学生获得学分与否的依据,上机实验占总成绩的20%。
学生考试成绩及格并且完成上机实验,即可获得本课程的学分,否则不能获得本课程的学分。
《计算机辅助设计与制造》课程教学大纲课程中文名称:计算机辅助设计与制造课程英文名称:Computer Aided Design& Manufacturing 课程编号:课程性质:学时:(总学时36、理论课学时18、实验课学时18)学2适用对象:机械设计制造及其自动化先修课程:机械原理、机械设计课程简介:《计算机辅助设计与制造》是机械设计制造及其自动化(本科)专业必修的一门专业技术基础课程。
本课程突出了理论与实践的结合,系统的讲述了CAD/CAM的基础概念、应用方法和关键技术。
在内容安排上按照设计、工艺和加工制造三个主要机械产品生产环节,着重介绍计算机在工程图样的绘制、产品造型、工艺规程的编制和数控编程中的应用技术。
通过对本课程的学习,可以开拓学生的思路,培养学生对实际问题的分析和解决能力以及培养学生的自学能力和拓展知识的能力。
一、教学目标及任务《计算机辅助设计与制造》的教学目的,首先使学生了解CAD/CAM技术的发展及在我国的应用和在机械制造业中的地位和作用;其次,使学生掌握CAD/CAM中的关键技术包括计算机图形处理技术和CAD/CAM建模技术,掌握CAPP的基本原理和方法;掌握数控编程方法、后置处理及DNC系统。
通过本门课程的学习,要求形成CAD/CAM集成的概念,熟练运用二维及三维软件进行几何建模,能够进行图形交互式编程。
二、学时分配章节理论教学内容理论学时实验项目实验学时第一章CAD/CAM技术概论2第二章工程手册的数据处理技术2第三章计算机图形处理技术2第四章机械CAD/CAM建模技术4CAXA制造工程师草图绘制/ 线架造型/曲面造型/实体造型/ 造型综合练习10第五章计算机辅助工艺过程设计2第六章数控加工编程4等高线加工/参数线加工/加工综合8练习第七章CAD/CAM集成技术2合计18合计18三、教学内容及教学要求第一章CAD/CAM技术概述(2学时)教学要求:了解CAD/CAM技术的基本概念及其应用和发展,熟悉CAD/CAM系统的硬件和软件及其支撑技术。
第一章概述1. CAD、CAPP、CAM 技术各具有哪些功能?为什么要进行CAD/CAM 技术的集成?2. 分析应用CAD/CAM 系统进行产品开发设计的作业过程及其特征。
3. 简述CAD/CAM 系统硬件的组成,并分析各自在系统中的作用。
4. 简述CAD/CAM 系统软件的组成,并分析各自在系统中的作用。
5. 概述CAD/CAM 技术的发展过程及其应用领域。
6. 分析CAD/CAM 技术的未来发展趋势。
第二章CAD/CAM 支撑技术1. 阐述数据结构的概念。
何谓数据的逻辑结构?何谓存储结构?2. 阐述栈与队列数据结构的概念及其特点。
3. 简述数据的文件管理与数据库管理的区别。
4. 何谓层次模型、网状模型和关系模型数据库?为什么当前所使用的数据库系统大多为关系型数据库?5. 什么是工程数据库?与一般商用数据库比较,工程数据库有哪些特点?6. 什么是产品数据管理(PDM)?它有哪些功能作用?并说明PDM 的实施对CAD/CAM 系统集成的意义和作用。
7. 简述计算机局域网的组成和常用的拓扑结构。
8. 阐述常用的网络CAD/CAM 系统结构模式和作业原理。
9. 描述可视化技术的含义及其基本流程。
10. 常用的知识表示方法有哪些?分别阐述产生式表示法和框架表示法是如何进行知识表示的。
11. 什么是正向推理?什么是反向推理?各自有何特点?12. 专家系统的基本组成有哪几部分?各部分的功能作用如何?简要描述专家系统的工作原理。
第三章数据处理技术1. 在CAD/CAM 作业中如何对数表和线图进行计算机处理?2. 分析函数插值与函数拟合的不同点和共同点。
第四章图形处理技术1. 何为窗口?何为视区?如何将窗口内的图形在视区内显示?2. 闸述Cohen-Sutherland 直线段的剪裁方法与处理步骤。
3. 描述多边形剪裁的基本思想。
4. 有一任意平面直线段,试求将之变换到与X 轴重合的复合变换矩阵。
5. 分析计算机辅助绘图的各种方式特点以及应用场合。
机械设计基础计算机辅助设计与制造机械设计基础:计算机辅助设计与制造随着科技的不断发展,计算机辅助设计与制造(Computer-Aided Design and Manufacturing,简称CAD/CAM)在机械设计领域扮演越来越重要的角色。
它不仅提高了设计制造的精度和效率,还从根本上改变了机械设计的方式。
本文旨在介绍机械设计基础以及CAD/CAM在设计制造过程中的应用。
一、机械设计基础机械设计是指通过研究材料、结构、运动和力学等相关知识,设计出满足特定功能要求的机械产品或系统的过程。
它的核心在于如何合理地利用材料和力学原理,以达到设计目标。
1.1 机械设计的基本原则机械设计需要遵循以下基本原则:1.1.1 功能性原则机械产品的设计首先要满足其预定的功能要求。
不仅要确保产品能够正常工作,还需要优化其性能以提升竞争力。
1.1.2 经济性原则设计中需要考虑制造成本、使用成本、维护成本等经济因素,以实现经济性的设计。
1.1.3 安全性原则机械产品的设计必须保证其在正常使用时没有危险性,以保障操作人员的安全。
1.2 机械设计的基本流程机械设计通常包括以下几个基本步骤:1.2.1 需求分析与概念设计根据设计需求,进行功能分析、市场调研等,确定设计方案并进行初步设计。
1.2.2 详细设计根据概念设计结果,进行结构设计、尺寸设计、材料选择等,绘制详细的工程图纸。
1.2.3 制造与加工根据工程图纸进行零件的制造和加工,包括铣削、车削、冲压等工艺。
1.2.4 装配与测试将零部件按照设计要求进行装配,并进行功能测试和性能验证。
1.2.5 优化改进根据测试结果和用户反馈,对设计方案进行优化改进,提高产品性能和质量。
二、CAD/CAM在机械设计制造中的应用CAD/CAM是计算机辅助设计和计算机辅助制造的缩写,它将计算机技术应用于机械设计制造过程中,提高了设计和制造的效率和精度,并降低了成本。
2.1 CAD在机械设计中的应用CAD技术通过借助计算机绘图软件,实现了机械产品的三维模型设计。
(2019秋更新版)最新国家开放大学电大本科《机械CAD/CAM》网络核心课形考作业及答案(试卷号:1119)100%通过2019年秋期电大把《机械CAD/CAM》网络核心课纳入到“国开平台”进行考核,该科共有五次形考任务,针对这个平台,本人汇总了该科所有的题,形成一个完整的题库,并且以后会不断更新,对考生的复习、作业和考试起着非常重要的作用,会给您节省大量的时间。
做考题时,利用本文档中的查找工具(Ctrl+F),把考题中的关键字输到查找工具的查找内容框内,就可迅速查找到该题答案。
本文库还有其他网核及教学考一体化答案,敬请查看。
形考任务1一、选择题(每小题4分,共25个)题目1下述CAD/CAM过程的概念中,属于CAD范畴的是()。
选择一项:D. 几何造型题目2CAD/CAM系统基本功能不包括下面哪个功能()?选择一项:A. 检验评价功能题目3计算机辅助制造是指()。
选择一项:D. 计算机在产品制造方面有关应用的统称题目4在CAD/CAM系统中,()是联接CAD、CAM的纽带。
选择一项:CAD技术起源于一种人机对话系统,该系统为()技术的发展奠定了基础。
选择一项:B. 交互式图形生成题目6CAD/CAM系统主要研究对象描述、系统分析、方案的优化、计算分析工艺设计仿真模拟、NC编程以及图形处理等,它()。
选择一项:A. 输入的是设计要求,输出的是制造加工信息。
题目7计算机辅助制造应具有的主要特性是()。
选择一项:D. 适应性、灵活性、高效率等题目8CAD/CAM系统主要研究对象描述、系统分析、方案的优化、计算分析工艺设计仿真模拟、NC编程以及图形处理等,它()。
选择一项:A. 输入的是设计要求,输出的是制造加工信息。
题目9CAD/CAM系统中软件分为几大类,他们是()。
选择一项:A. 系统软件、支撑软件、应用软件题目10数控编程软件属于()软件。
选择一项:B. 支撑软件题目11几何建模软件属于()软件。
机械设计制造及其自动化专业课程教学大纲ANSYS系统及其应用课程教学大纲 (1)CAD/CAM技术基础课程教学大纲 (4)Pro/E 系统及其应用课程教学大纲 (10)UGⅡ技术基础课程教学大纲 (14)半导体制造技术课程教学大纲 (19)传感与测试技术课程教学大纲 (23)创新设计方法课程教学大纲 (28)电液控制系统应用课程教学大纲 (31)复杂机械系统设计课程教学大纲 (33)工程机械金属结构课程教学大纲 (37)工程机械设计基础课程教学大纲 (41)工程机械系统智能化控制技术课程教学大纲 (45)工程机械液压系统设计分析与故障诊断课程教学大纲 (48)工程机械自动化技术课程教学大纲 (51)工程起重机械课程教学大纲 (54)工程设计课程教学大纲 (58)工程施工机械化技术课程教学大纲 (62)工程系统建模与仿真课程教学大纲 (65)工业机器人技术课程教学大纲 (69)工业造型设计课程教学大纲 (73)光电技术基础及应用课程教学大纲 (77)混凝土机械与桩工机械教学大纲 (80)机电产品现代设计方法课程教学大纲 (82)机电工程新技术课程教学大纲 (86)机电控制技术课程教学大纲 (89)机电系统控制基础课程教学大纲 (93)机电系统控制器与应用课程教学大纲 (97)机电系统智能控制技术及其MATLAB实现课程教学大纲 (101)机电液系统的计算机控制课程教学大纲 (104)机电液系统动态分析与设计课程教学大纲 (107)机电液系统实验测试技术课程教学大纲 (111)机电液系统装备设计课程教学大纲 (115)机电一体化系统设计课程教学大纲 (120)机器人技术课程教学大纲 (124)机械动力学课程教学大纲 (130)机械动态设计课程教学大纲 (133)机械工程测试技术基础Ⅰ课程教学大纲 (136)机械工程测试技术基础Ⅱ课程教学大纲 (141)机械机构创新设计及应用课程教学大纲 (146)机械加工新技术课程教学大纲 (150)机械结构分析基础课程教学大纲 (156)机械结构有限元分析课程教学大纲 (160)机械设计制造及其自动化专业导论课程教学大纲 (169)机械数字化设计与仿真课程教学大纲 (179)机械系统传动技术课程教学大纲 (183)机械系统机构设计与结构设计课程教学大纲 (189)机械系统设计课程教学大纲 (195)机械系统自动控制技术课程教学大纲 (198)机械优化设计课程教学大纲 (201)机械振动课程教学大纲 (204)机械振动基础课程教学大纲 (207)机械制造技术基础Ⅰ课程教学大纲 (211)机械制造技术基础Ⅱ课程教学大纲 (218)机械制造装备设计Ⅰ课程教学大纲 (224)机械制造装备设计Ⅱ课程教学大纲 (228)计时仪器检测技术课程教学大纲 (232)计时仪器原理与结构课程教学大纲 (235)计时仪器造型艺术设计课程教学大纲 (238)计时仪器制造技术课程教学大纲 (241)计算机辅助工艺过程设计课程教学大纲 (243)精密和超精密加工技术课程教学大纲 (246)开放式智能加工系统课程教学大纲 (250)快速原型制造技术课程教学大纲 (254)摩擦学基础课程教学大纲 (257)纳米科学与技术课程教学大纲 (259)纳米摩擦学与纳米测量技术课程教学大纲 (262)起重运输与工程机械检测技术课程教学大纲 (265)气动技术应用概论课程教学大纲 (269)气动系统设计课程教学大纲 (271)气压传动及控制课程教学大纲 (274)汽车车身制造技术课程教学大纲 (278)汽车电器与电子技术课程教学大纲 (284)汽车发动机原理课程教学大纲 (287)汽车构造课程教学大纲 (291)汽车理论课程教学大纲 (299)汽车排放与噪声控制课程教学大纲 (303)汽车碰撞与安全课程教学大纲 (307)汽车设计课程教学大纲 (310)汽车试验测试技术课程教学大纲 (315)数控技术课程教学大纲 (319)数字化设计与制造课程教学大纲 (324)特种加工技术课程教学大纲 (329)微机电系统技术基础课程教学大纲 (333)微机械电子系统课程教学大纲 (337)微机械制造技术课程教学大纲 (340)物流设备与技术课程教学大纲 (346)误差理论与数据处理课程教学大纲 (351)先进工艺检测技术课程教学大纲 (353)先进液压传动技术概论课程教学大纲 (357)先进液压控制系统设计课程教学大纲 (360)先进制造技术课程教学大纲 (363)现代机械设计方法课程教学大纲 (366)现代制造技术课程教学大纲 (370)新能源汽车结构与原理课程教学大纲 (374)液力传动课程教学大纲 (378)液压传动课程教学大纲 (381)液压传动系统计算机辅助设计课程教学大纲 (385)液压技术应用课程教学大纲 (388)液压控制系统课程教学大纲 (391)液压元件课程教学大纲 (394)液压元件制造技术课程教学大纲 (397)有限元在车辆工程中的应用课程教学大纲 (400)制造系统自动化技术课程教学大纲 (403)ANSYS系统及其应用课程教学大纲课程编码: SE08112100课程名称:ANSYS系统及其应用课程英文名称:Introduction and Application of Ansys总学时: 16 讲课学时:16 实验学时: 0 上机学时:0 课外辅导学时:0学分:1.0开课单位:机电工程学院机械制造及自动化系授课对象:机械设计制造及其自动化专业本科生开课学期: 4春先修课程:机械结构有限元分析主要教材及参考书:教材:自编讲义“ANSYS系统及其应用讲义”主要参考书:1. 李红云.ANSYS10.0基础及工程应用.机械工业出版社.2008.2. 张红松.ANSYS12.0有限元分析从入门到精通.机械工业出版社.2010.一、课程教学目的随着科学技术的发展,产品的结构和功能日趋复杂化和多样化,对产品机械结构的布局和力学性能提出了更高的要求,不仅要求产品的机械结构满足力学性能,还要在设计时使它的结构尺寸和重量趋于合理,而常规的力学计算已无法满足,有限元分析是解决该问题的合适方法。
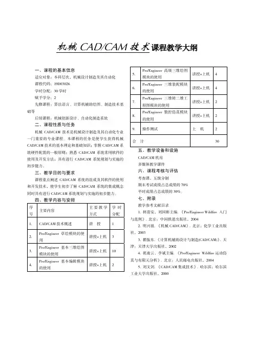
机械CAD/CAM技术课程教学大纲一、课程的基本信息适应对象:本科层次,机械设计制造及其自动化课程代码:19D03026学时分配:30学时赋予学分:2先修课程:算法语言、计算机辅助绘图、制造技术基础等后续课程:机械创新设计、自动化制造系统二、课程性质与任务机械CAD/CAM技术是机械设计制造及其自动化专业一门重要的专业课程。
本课程的任务是使学生获得机械CAD/CAM技术的基本理论和基础知识;掌握CAD/CAM系统硬件配置的一般原则;熟悉CAD/CAM系统常用软件的使用及开发方法;具有进行CAD/CAM系统规划与实施的初步能力。
三、教学目的与要求课程重点阐述CAD/CAM系统的组成及其软件的使用和开发技术,使学生初步了解CAD/CAM系统的集成概念同时具有进行CAD/CAM系统规划与实施的初步能力。
四、教学内容与安排序号 主要内容主要教学方式学时分配1.CAD/CAM技术概述 讲 授 12.Pro/Engineer草绘模块的使用讲授+上机 33.Pro/Engineer基本三维绘图模块的使用讲授+上机104.Pro/Engineer基本编辑模块的使用讲授+上机 25.Pro/Engineer高级三维绘图模块的使用讲授+上机 46.Pro/Engineer三维装配模块的使用讲授+上机 47.Pro/Engineer三维转二维工程图模块的使用讲授+上机 28.Pro/Engineer数控仿真模块的使用讲授+上机 29.操作测试 上 机 2合 计 30五、教学设备和设施CAD/CAM机房多媒体教学课件六、课程考核与评估考查课,五级分制期末考试成绩占总成绩的70%平时成绩占总成绩的30%。
七、附录教学参考文献目录1.林清安,刘国彬主编. 《Pro/Engineer Wildfire 入门与范例》. 北京:中国铁道出版社,20042.明兴祖. 《机械CAD/CAM》. 北京:化学工业出版社,20033.瞿振东. 《计算机辅助设计与制造(CAD/CAM)》. 天津:天津大学出版社,20024.祝凌云,李斌主编. 《Pro/Engineer Wildfire运动仿真与有限元分析》. 北京:人民邮电出版社,20045.刘文剑. 《CAD/CAM集成技术》. 哈尔滨:哈尔滨工业大学出版社,2000。
机械设计制造及其自动化专业(本科)教学课程设置一、培养目标及规格本专业培养社会主义建设需要的,德、智、体全面发展的,具有从事机电一体化产品和系统的运行、维护、设计、制造及开发基本能力的高级应用型专门人才。
学生通过必须的理论课程及实践教学环节的学习,获得工程师的基本训练,毕业生达到本科基本要求.在政治思想道德方面:热爱祖国,拥护党的基本路线,具有全心全意为人民服务的精神。
遵纪守法,有良好的社会公德和职业道德.在业务知识和能力方面:1掌握机械设计制造的基本知识和基本技能;2掌握传感测试技术、执行与驱动技术,计算机控制技术等控制工程的基础理论、基本知识和基本技能;3初步具有机电一体化产品和系统的设计、制造、使用、维护和研究开发的综合能力;4具有机电产品制造工程的技术经济分析与生产组织管理的基本能力;5具有一定的外语水平,能够阅读本专业外文资料。
在身体素质方面:身体健康、能精力充沛地工作.二、专业方向专业方向:机电一体化系统机械制造过程自动化智能控制三、课程设置与教学管理1教学计划中设必修课、限选课、选修课和综合实践环节。
必修课由中央电大统一开设,执行统一教学大纲、统一教材、统一考试、统一评分标准。
2限选课由中央电大统一课程名称,执行统一的教学大纲(或教学要求),并推荐教材。
3为了保证培养目标的要求,建议本专业在本教学计划提供的选修课模块中按专业方向选择选修课,中央电大提供教学要求、教材等服务•地方电大亦可根据培养目标及当地的需要自开选修课,但实施性教学计划需报中央电大审批。
自开课程的教材、教学管理及考试由地方电大负责。
4有实验和作业的课程,办学单位必须按要求组织完成.凡未完成实验或实验不及格者,不能取得该门课程的学分•中央电大将对课程的实验(含大作业)及平时作业进行必要的抽查,以确保教学质量。
5综合实践环节由地方电大根据中央电大制定的教学大纲(要求)组织实施。
本专业学生必须参加毕业实习(2周),并完成附件二所规定的其他实践性教学环节的学分•中央电大将对实践性教学环节(包括实验、综合实践环节)进行必要的检查,以确保教学质量。
《机械CADCAM技术》自学指导书一、课程编码及适用专业课程编码:适用专业:机械设计制造及其自动化〔函授本科〕二、课程性质«机械CAD/CAM技术»是机械制造与自动化专业的一门专业必修课,该课程是为了培养学生进行运算机辅助设计、制造及工艺分析等能力而开设的。
本课程介绍运算机辅助设计与制造的差不多理论,使用典型CAD与CAM软件进行机械类典型零部件的设计与制造。
它也是先进制造技术的重要技术基础。
三、本课程的地位和作用CAD/CAM〔运算机辅助设计与制造〕技术是随着运算机和数字化信息技术进展而形成的新技术,是20世纪最杰出的工程成就之一,也是数字化、信息化制造技术的基础,其进展和应用对制造业产生了庞大的阻碍和推动作用。
现今不仅CAD/CAM本身已形成规模庞大的产业,而且为制造业带来了庞大的社会效益和经济效益。
进入二十一世纪,我国逐步成为世界的制造业中心,需要大批制造技术应用人才,关心学习和把握CAD/CAM的原理、方法与技术,提高机械工程专业人才培养质量,适应形势的进展和社会需要,是实现机械类应用型人才培养的重要环节。
本课程要紧面向机械设计制造及其自动化专业,同时也适合机械电子工程专业和金属材料成形与操纵专业相关课程教学。
关于提高产品性能、改进产品质量、提高设计效率,差不多上具有重要作用的。
四、学习目的和要求本课程的教学目的是:使学生具备高等职业技术人员所必须的思想认识水平、思维方式、职业道德,把握CAD/CAM的差不多知识和差不多技能。
要求在知识方面:建立CAD/CAM的差不多概念;把握差不多的CAD建模方法;把握差不多的CAM流程、处理操作流程等要紧内容。
在能力方面:能熟练地运用CAD类软件完成一样复杂程度的机械零部件三维CAD实体建模、虚拟装配及工程图;能熟练地运用CAM类软件完成一样复杂程度的机械零部件的CAM编程及加工仿真;能把握不同的软件系统之间数据转换的方法。
在德育方面:初步具备辨证思维的能力;具有爱岗敬业的思想,实事求是的工作作风和创新意识;增强职业道德的意识;增强紧密联系工程实践的能力。
机械制造中计算机辅助设计与工艺分析一、引言随着计算机技术的迅猛发展,计算机辅助设计与工艺分析已经成为机械制造领域必不可少的技术手段。
计算机辅助设计(Computer Aided Design, CAD)将人工绘图过程中所需的作图硬件、软件与人才等资源有机结合,形成电子化的产品设计与制造系统,其设计结果不仅能够实现快速准确的制图,还可以根据需求进行三维立体模拟,在设计阶段发现并解决问题,节约制造成本。
而计算机辅助工艺分析(Computer Aided Process Planning, CAPP)则是利用计算机技术帮助工程师完成制造过程中工艺的设计与计算,同时指导生产加工操作,优化生产流程,提高生产效率。
本文将从计算机辅助设计和工艺分析两个方面入手,探讨计算机在机械制造中的应用现状和未来趋势。
二、计算机辅助设计在机械制造中的应用随着机械制造业的不断发展,计算机辅助设计在机械制造过程中的应用越来越广泛。
首先,计算机辅助设计可以帮助设计师实现产品设计的自动化与协同化。
通过物理仿真技术,设计师可以在计算机模拟的环境中对产品进行虚拟测试,以发现问题并确保设计结果的准确性。
在实现设计协同化方面,计算机辅助设计可以实现多个设计师同时参与同一项目的设计工作,以提高产品开发效率。
其次,计算机辅助设计可以简化机械制造生产过程,降低制造成本。
在基于CAD的制造过程中,计算机可以通过对数据的处理,实现自动生成工装夹具图、加工路径和质量控制方案等功能,从而提高制造过程中的精度和效率,减少人工干预的机会,保证产品的一致性和标准化。
三、计算机辅助工艺分析在机械制造中的应用随着计算机辅助设计的发展,计算机辅助工艺分析也逐渐成为机械制造业中的关键性技术。
CAPP技术的具体应用包括:工艺库管理、零件几何特征建模、工艺方案生成、加工工序规划等诸多方面。
首先,CAPP可以实现工艺库管理。
通过在计算机中建立零件工艺库,将生产中积累的工艺经验与知识存储在一起,并随着时间的推移不断完善与更新,以实现工艺知识的有效传播和沉淀。
机械工程中的计算机辅助设计与制造随着科技的不断进步,计算机在各行各业中扮演着越来越重要的角色。
在机械工程领域,计算机辅助设计与制造(Computer-Aided Design and Manufacturing,简称CAD/CAM)技术的应用已经成为不可或缺的一部分。
本文将详细探讨机械工程中CAD/CAM的意义、应用以及未来发展方向。
首先,我们来了解一下CAD/CAM的定义。
CAD/CAM是一种将计算机技术应用于机械设计和制造过程中的综合系统。
CAD主要负责设计工作,包括三维建模、装配设计、图形分析等;而CAM则负责制造工作,包括数控加工、路径规划、机器人控制等。
CAD/CAM技术的引入大大提高了机械工程领域的工作效率和产品质量。
其次,我们来探讨CAD/CAM在机械工程中的应用。
首先是CAD领域,CAD技术能够实现精确的三维模型建立,使得设计师们可以更加直观地了解设计结果。
此外,CAD还可以进行装配设计,通过模拟装配过程,发现可能存在的问题并及时进行调整。
另外,CAD还可以进行工程分析,通过模拟分析产品的强度、稳定性等,为设计师提供科学的依据。
在CAM领域,数控加工技术是其中最主要的应用之一。
数控加工能够实现对零部件的高精度加工,提高了生产效率和产品质量。
此外,路径规划和机器人控制也是CAM技术中的重要组成部分,能够实现自动化生产线的运行。
进一步地,我们来谈谈CAD/CAM在机械工程中的意义。
首先,CAD/CAM技术的应用降低了设计和制造的难度。
传统的机械设计和制造过程需要大量的物理样品和试验,耗费时间和成本。
而CAD/CAM技术能够通过模拟和计算,减少实际的试验次数,提高了工作效率和经济效益。
其次,CAD/CAM技术的应用提高了产品质量和可靠性。
通过CAD/CAM技术,设计师可以更好地理解设计结果,及时发现问题并进行优化,从而减小了产品的缺陷率。
另外,CAD/CAM技术还可以实现自动化生产,减少了人为因素导致的错误,提高了生产过程的稳定性。
一、单选题
题目1
标记题目
题干
零件编码是指将零件设计制造信息用()表示。
选择一项:
A. 数字
B. 字母
C. 文字
D. 代码
反馈
你的回答正确
零件编码是根据产品的特点,选择或制定合适的零件分类编码系统,其
目的是将零件图代码化。
正确答案是:代码
题目2
标记题目
题干
零件的成组编码是()。
选择一项:
A. 根据零件的分类编码系统而得到的
B. 根据零件相似性而得到的
C. 根据零件的型面特征而得到的
D. 根据零件图号而得到的
反馈
你的回答正确
零件组的划分是建立在零件特征相似性的基础上的。
正确答案是:根据零件相似性而得到的
题目3
标记题目
题干
CAPP是根据产品的()进行产品加工方法和制造过程的设计。
选择一项:
A. 设计过程
B. 设计方法
C. 设计结果
D. 设计图形
反馈
你的回答正确
CAPP是根据产品的设计结果进行产品加工方法和制造过程的设计。
正确答案是:设计结果
题目4
标记题目
题干
下面不是零件分组的方法的是()。
选择一项:
A. 工艺过程分析法
B. 直接观察法
C. 分类编码法
D. 零件编码法
反馈
你的回答正确
零件分组的方法有直接观察法、工艺过程分析法和分类编码法。
正确答案是:零件编码法
信息文本
二、判断题
题目5
标记题目
题干
零件的几何信息主要包括零件的材料信息和加工信息。
选择一项:
对
错
反馈
零件的信息包括零件名称、图号、材料、几何形状及尺寸、加工精度、
表面质量、热处理以及其他技术要求等。
正确的答案是“错”。
题目6
标记题目
题干
创成式CAPP系统克服了派生式CAPP系统存在的不足。
选择一项:
对
错
反馈
创成式CAPP系统克服了派生式CAPP系统存在的不足。
正确的答案是“对”。
题目7
标记题目
题干
综合式CAPP系统兼顾了派生式CAPP与创成式CAPP的优点,克服
了各自的不足。
选择一项:
对
错
反馈
综合式CAPP系统兼顾了派生式CAPP与创成式CAPP的优点,克服
了各自的不足。
正确的答案是“对”。
题目8
标记题目
题干
创成式CAPP中只利用决策表表示工艺决策知识。
选择一项:
对
错
反馈
创成式CAPP工艺过程决策逻辑的表达方式用得最多的是决策表和决策
树。
正确的答案是“错”。