不干胶标签粘度要求国标
- 格式:docx
- 大小:15.07 KB
- 文档页数:2
不干胶印刷标签标准摘要:一、引言二、不干胶印刷标签的定义与分类1.定义2.分类三、不干胶印刷标签的标准1.印刷工艺标准2.材料标准3.质量检测标准4.环保标准四、我国不干胶印刷标签标准的发展1.现状2.存在的问题3.改进措施五、应用领域及市场需求1.应用领域2.市场需求六、结论正文:一、引言不干胶印刷标签作为一种广泛应用于各个行业的标识产品,其标准化工作日益受到重视。
本文将对不干胶印刷标签的标准进行详细介绍,以期为相关企业和个人提供参考。
二、不干胶印刷标签的定义与分类1.定义不干胶印刷标签,顾名思义,是一种采用不干胶材料制作的印刷标签。
它具有粘性,可以通过粘贴在各种物体表面来实现标识、提示、促销等功能。
2.分类根据印刷工艺不同,不干胶印刷标签可分为以下几类:(1)丝网印刷标签(2)胶版印刷标签(3)柔性版印刷标签(4)轮转印刷标签三、不干胶印刷标签的标准1.印刷工艺标准(1)印刷设备要求(2)印刷工艺要求(3)印刷质量要求2.材料标准(1)不干胶材料性能要求(2)材料分类与规格3.质量检测标准(1)检测项目(2)检测方法(3)检测设备4.环保标准(1)废料处理要求(2)环保印刷要求四、我国不干胶印刷标签标准的发展1.现状近年来,我国不干胶印刷标签产业发展迅速,相关标准不断完善。
目前,已有多个国家标准和行业标准涉及不干胶印刷标签。
2.存在的问题(1)标准体系不完善(2)部分标准内容陈旧(3)实施力度不足3.改进措施(1)加强标准体系建设(2)及时更新标准内容(3)提高标准实施力度五、应用领域及市场需求1.应用领域不干胶印刷标签广泛应用于食品、医药、日化、家电、汽车等多个领域。
2.市场需求随着我国经济的快速发展,不干胶印刷标签市场需求日益增长。
特别是在电商、物流等新兴领域的推动下,不干胶印刷标签产业将继续保持高速发展态势。
六、结论不干胶印刷标签标准是保障产品质量、提高生产效率、促进产业发展的重要手段。
不干胶印刷标签标准
摘要:
1.不干胶印刷标签的概述
2.不干胶印刷标签的材质
3.不干胶印刷标签的标准
4.不干胶印刷标签的应用领域
正文:
【不干胶印刷标签的概述】
不干胶印刷标签,又称自粘标签,是一种不需要使用胶水或胶粘剂就可以粘贴在物体表面的标签。
这种标签因其使用方便、粘贴牢固、易于撕裂等特点,被广泛应用于各个领域。
【不干胶印刷标签的材质】
不干胶印刷标签的材质主要包括纸张、塑料薄膜和特种材料等。
其中,纸张类材质主要包括铜版纸、胶版纸和合成纸等;塑料薄膜类材质主要包括聚乙烯薄膜、聚丙烯薄膜和聚酯薄膜等;特种材料类材质则包括金银箔纸、皮革等。
【不干胶印刷标签的标准】
不干胶印刷标签的标准主要包括以下几个方面:
1.尺寸:不干胶印刷标签的尺寸应根据实际应用需求进行设计,通常根据标签所贴物体的尺寸和标签内容的多少来确定。
2.材质:不干胶印刷标签的材质应根据实际应用环境和使用要求进行选
择,如耐温性、耐水性等。
3.印刷质量:不干胶印刷标签的印刷质量应符合相关标准,如色彩还原度、印刷精度等。
4.粘度:不干胶印刷标签的粘度应根据标签所贴物体的材质和形状进行选择,以保证标签能够牢固地粘贴在物体表面。
【不干胶印刷标签的应用领域】
不干胶印刷标签广泛应用于日用消费品、食品饮料、医药保健、电子电器、物流运输等众多领域。
不干胶标签检验质量标准今天咱们来聊一聊不干胶标签的检验质量标准。
这就像是给不干胶标签来一场小小的考试,看看它合不合格呢。
先说说这个外观吧。
不干胶标签的表面得是平平整整的,就像我们的小书桌一样,如果有坑坑洼洼的地方,那可不行。
比如说,你想象一下,你有一个很心爱的小本子,想在上面贴一个可爱的小标签,要是那个标签表面皱皱巴巴的,就像被揉过的小纸团再展开一样,多难看呀,而且可能还贴不牢呢。
还有啊,标签上的图案和文字必须要清楚。
就像我们看故事书,里面的字要是模模糊糊的,那我们肯定不喜欢。
我有一次看到一个小零食的不干胶标签,上面的生产日期都看不太清,这可把我急坏了,因为我都不知道这个零食是不是新鲜的呢。
所以呀,清楚的图案和文字是很重要的。
颜色也很关键哦。
它得和我们想要的颜色一模一样。
就好比你画画的时候,想要画一朵红色的小花,结果颜料涂出来是暗暗的、脏脏的颜色,那肯定不是你想要的。
不干胶标签也是这样,如果是一个漂亮的蓝色标签,结果颜色发灰,就不好看啦。
再来说说粘性。
粘性就像是不干胶标签的小魔法。
它得粘得刚刚好。
太粘了也不好,就像有一次,我想把一个标签从本子上揭下来换个位置,结果因为太粘了,一揭就把本子的纸都撕破了,本子都变得破破烂烂的,可心疼了。
可是如果不粘呢,那就更糟糕了,就像我贴在铅笔盒上的小标签,没一会儿就掉下来了,都不知道掉到哪里去了。
尺寸也得准确。
比如说我们要给一个小盒子贴标签,这个标签的大小要是不合适,要么大得把盒子都盖住了,要么小得看起来很奇怪。
就像给小娃娃穿衣服,衣服太大或者太小都不好看,只有刚刚好才合适呢。
还有这个耐磨损性。
如果一个不干胶标签,轻轻一擦或者一蹭,上面的图案或者文字就没了,那就不行。
就像我们在外面玩的时候,手上可能会有点脏,如果不小心碰到标签,就把标签弄坏了,这可不好。
我记得我有一个小玩具上的标签,玩了没几天,上面的字就被磨掉了,我都不知道这个玩具的一些小说明啦。
这些就是不干胶标签的检验质量标准啦。
cy_t 93-2013 印刷技术不干胶标签质量要
求及检验方法
不干胶标签质量要求:
1. 纸张及胶水的选材应符合相关标准,且必须是耐磨、耐温、耐水等性能优良的材料。
2. 图案和文字应清晰可辨,不模糊、不漏墨。
3. 标签表面不应有明显的破损、划痕、皱纹或气泡。
4. 背面的粘合剂应均匀且易撕拉。
5. 标签的粘附性能应符合相关标准,能够牢固粘贴在各种材质的表面上。
检验方法:
1. 外观检验:检查标签的整体外观是否完好,是否有明显的破损、划痕、皱纹或气泡。
2. 图案和文字检验:使用放大镜检查标签上的图案和文字是否清晰可辨,无模糊或漏墨现象。
3. 粘合剂检验:将标签粘贴在平整的表面上,待粘合剂干燥后进行剥离,检查背面的粘合剂是否均匀且易撕拉。
4. 粘附性能检验:将标签粘贴在不同材质的表面上,进行剥离测试,检查标签的粘附性能是否符合相关标准。
以上为一般的不干胶标签质量要求及检验方法,具体的要求和方法可能会根据不同的行业和应用有所差异。
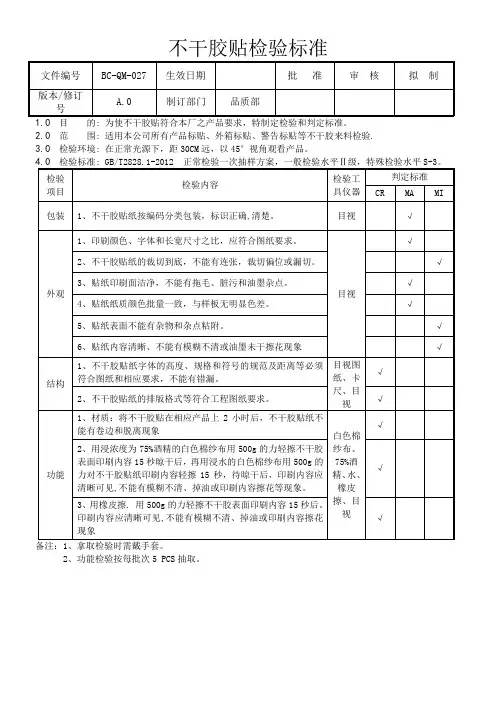
文件名称文件编号目的范围抽样标准检验环境参照标准不干胶贴纸检验标准不干胶贴纸检验标准生效日期页码 1 of 1使用状态版本A/0审核拟定确保本公司不干胶贴纸品质符合客户要求。
适应于不干胶贴纸进料入库检验。
MIL-STD-105E单次Ⅱ级正常检验;CR=0 ; MA=1.0 ; MI=2.5 。
在正常光源条件下,距离30cm 远检验,以及适宜的角度检验产品。
1、GB / T2828.1-2003 逐批检查计数抽样及抽样表。
2、GB / T 4851-1998 压敏胶粘带持粘性试验方法。
3、GB2792-81 压敏胶粘带180 度剥离强度测定方法。
序检验号项目1外观2印刷3尺寸4材质5粘性高低温6试验检验工接收标准具及方法表面光洁,无异物粘附,无皱折,边缘无溢胶目视边缘齐整,无裁剪毛边现象。
印刷字迹清晰,无残缺。
目视印刷内容符合技术要求。
图纸印刷字体、颜色符合技术要求,并且目视字体高度≥ 2mm,图例(符号)≥ 5mm 。
尺寸规格、型号符合技术要求。
卡尺图纸材质符合技术要求。
图纸用不干胶贴纸粘附在一公斤滚轮往返 5 次,并经粘附 24H 后,无气泡、试验翘脚现象。
根据不同材质设定相应温度(如:耐温纸,温度:125℃,时间:24-48H ),试验无溢胶、起泡、翘脚现象。
缺陷等级缺陷描述严重轻微致命(CR)(MA )(MI)表面脏,粘附异物,有折皱,√边缘有溢胶现象。
边缘不整齐、有毛边现象。
√字迹模糊不清,残缺现象。
√印刷内容不正确。
√印刷字体粗细排布不合理。
√印刷颜色不符合技术要求或√差异太大。
尺寸规格、型号不正确。
√材质不符合技术要求。
√经粘性试后,有气泡、翘脚√现象。
有溢胶、起泡、翘脚现象7包装备注不能有混装。
目视有混装现象。
√1、根据贴纸所使用范围来定做水和酒精的测试,方法:用浸上水的棉纱布轻轻擦拭表面印字达15秒后;换用浸过酒精的棉纱布续擦拭印字达15 秒;经两次试验后,印字清晰、牢固为接收标准。
不干胶贴查验标准不干胶贴检验标准文件编号BC-QM-027奏效日期批准审核拟制版本/订正A.0制定部门质量部号1.0目的 :为使不干胶贴切合本厂之产品要求,特拟订查验和判断标准。
2.0范围 :合用本企业全部产品标贴、外箱标贴、警示标贴等不干胶来料查验.3.0查验环境 :在正常光源下,距30CM远,以 45°视角观看产品。
4.0查验标准 :GB/T2828.1-2012正常查验一次抽样方案,一般查验水平Ⅱ级,特别查验水平 S-3 。
查验查验内容查验工判断标准项目具仪器CRMAMI 包装1、不干胶贴纸按编码分类包装,表记正确, 清楚。
目视√外观构造1、印刷颜色、字体和长宽尺寸之比,应切合图纸要求。
2、不干胶贴纸的裁切究竟,不可以有连张,裁切偏位或漏切。
3、贴纸印刷面干净,不可以有拖毛、脏污和油墨杂点。
4、贴纸纸质颜色批量一致,与样板无显然色差。
5、贴纸表面不可以有杂物和杂点粘附。
6、贴纸内容清楚、不可以有模糊不清或油墨未干擦花现象1、不干胶贴纸字体的高度、规格和符号的规范及距离等一定切合图纸和相应要求,不可以有错漏。
2、不干胶贴纸的排版格式等切合工程图纸要求。
1、材质:将不干胶贴在相应产品上 2 小时后,不干胶贴纸不可以有卷边和离开现象2、用浸浓度为75%酒精的白色棉纱布用500g 的力轻擦不干目视目视图纸、卡尺、目视白色棉纱布、√√√√√√√√√胶表面印刷内容 15 秒晾干后,再用浸水的白色棉纱布用 500g的力对不干胶贴纸印刷内容轻擦 15 秒,待晾干后,印功能刷内容应清楚可见 , 不可以有模糊不清、掉油或印刷内容擦花等现象。
3、用橡皮擦 . 用 500g 的力轻擦不干胶表面印刷内容 15 秒后。
印刷内容应清楚可见 , 不可以有模糊不清、掉油或印刷内容擦花现象备注: 1、拿取查验时需戴手套。
2、功能查验按每批次 5 PCS 抽取。
75%酒精、水、橡皮擦、目视√√。
包装不干胶标贴质量要求及检测方法1.目的:为规范公司产品所需用的不干胶标贴纸的样品、大货、库存及使用现场的检验,确保所采购的包材符合公司。
2.范围:适用于公司产品所需用的不干胶材料(样品、大货、库存等)。
3.规范性引用文件GB/T 1.1—2009 印刷技术不干胶标签质量要求及检验方法GB/T 2792 压敏胶带180°剥离强度试验方法GB/T 4851 压敏胶粘带持粘性试验方法GB/T 9851 印刷技术术语(所有部分)4.常用术语和定义4.1 不干胶基础结构不干胶材料由三部分组成:(1)面材(2)粘胶剂(3)底纸。
4.2 不干胶面材分类4.2.1 PE(聚乙烯):面料有透明、光亮乳白色、哑光乳白色。
特点:柔软、耐挤压、跟随性好、没有经过拉伸处理,抗水、油及化学物品等。
缺点:自动贴标挺度、高温局限(75度)、易撕裂、变形。
4.2.1 PP(聚丙烯):面料有透明、光亮乳白色、哑光乳白色。
特点:坚挺、耐久、高透明度、经过双向拉伸处理、自动贴标挺度好,抗水、油及化学物品等性能较重要的产品标贴。
缺点:跟随性差、中等耐高温(120C)。
4.2.2PC(聚碳酸酯):耐刮擦、耐老化、耐高温达150℃,抗化学腐蚀和紫外线照射,有一定的阻燃功能,可卷筒加工,效率高,废品率低。
4.2.3PET(聚酯):面料有透明、亮/亚金色、亮/亚银色、乳白色、亚光乳白色等;特点:耐高温性能(150°C),抗老化性能,抗化学腐蚀性能和抗紫外线性能好(3-5 年户外使用寿命)。
4.2.4 合成纸不干胶:印刷和打印性能优异,可进行高速的模切加工,良好的自动贴标性能材料成本较低(部分取代PET),耐中度高温(107~121O C)适合于要求较低的耐久性应用。
合成纸(1) 合成纸模内标签的特点A. 聚丙烯PP为原料,加无机填充物双向拉伸而成,具有纸和塑料薄膜的特点;与一般纸张相比,耐酸碱、防水、防油、防霉、耐摩擦性更好。
不干胶检验标准1外观:字体印刷清晰,油墨饱满鲜艳,边缘齐整,无裁剪毛边2色牢度:用白布约100N力来回磨擦10次,无掉色现象3粘性:粘贴平服,经24小时后无气泡,翘脚现象粘性测试标准:1、贴附24-48小时后;(用一公斤滚轮往返5次,压贴在测试板上,测试板尺寸、状态与实际产品要接近等等....略)2、如果初粘度低的材料要到96小时后;(室温状态静止放置,使不干胶层与被贴物紧密结合,达到最终粘度,放置时间根据不同的不干胶材质确定)3、再放到粘接力测试机上测试.(测试方法可在测试机的使用说明书上了解,国产机价格在3M-5M不等)4、测试结果基本在1.2KGF/CM平方为合格,但不同贴附位置、要求(国内/国外、汽车/通机等、耐候性长短等等.....,使粘度标准有所不同)5、如PVC材质需考虑拉伸长度、厚度、成品是否层叠的工艺,如拉伸合格的话,因PVC 在ROHS上,部分国家已禁止使用........以上只是简单说明几十项检测中的粘接测试项目,欧系标准:不干胶标签及相关产品全球协会(简称FINAT)日系标准:JIS、HES所以不干胶标识虽然看上去简单,但在实际操作中,涉及很多方面,性能比如耐油性(耐汽油、机油等)、耐水性(高压水、常温水等)、耐酸碱............还有产品后期使用上的保护、粘贴操作、与喷漆层的不良反应等等对此类标签的检验一般会用3M胶带粘贴上再撕下来的方法检查它的粘着力。
中华人民共和国压敏胶粘制品与不干胶材料检测标准<<压敏胶粘带初粘性测定方法--斜面滚球法>>GB4852-84<<压敏胶粘带持粘性试验方法>>GB/T4851-1998<<压敏胶粘带耐燃性试验方法--悬挂法>> GB/T 15903-1995<<压敏胶粘带厚度测定方法--涡流法>> GB 7125-86<<压敏胶粘带性能测试方法>> GB 4850-4852-84<<压敏胶粘带水渗透率试验方法>> GB/T 15330-94<<压敏胶粘带剪切强度试验方法--胶面对背面>> GB 7754-87。
不干胶印刷标签标准一、尺寸要求1.标签尺寸:标签的尺寸应符合客户的要求,包括长度、宽度、厚度等。
在制作标签时,应使用专业的标签设计软件,并严格按照客户要求的尺寸进行设计。
2.切割尺寸:标签在印刷完成后需要进行切割,切割时应按照客户要求的尺寸进行。
一般来说,不干胶标签的切割可以采用机械或手工方式完成。
二、标签材料1.基材:不干胶标签的基材应选用符合客户要求的材料,如纸质、塑料、PET等。
不同的材料具有不同的特性,应根据实际应用场景选择合适的材料。
2.面材:面材应选用具有粘性和稳定性的材料,如聚丙烯、聚酯等。
面材的粘性和稳定性可以保证标签在使用过程中不易脱落和损坏。
3.粘合剂:不干胶标签的粘合剂应具有粘合强度高、稳定性好、耐候性强等特点。
常用的粘合剂有丙烯酸酯、硅酮等。
三、印刷质量1.色彩:不干胶标签的色彩应鲜艳、饱满,无明显色差和偏色现象。
同时,应根据客户的要求选择合适的颜色组合和搭配。
2.精度:印刷精度要求高,线条和文字应清晰、边缘整齐。
印刷精度可以体现印刷工艺的水平,也是保证标签质量的重要因素之一。
3.厚度:不干胶标签的厚度应符合客户要求,过薄或过厚都可能影响标签的使用效果。
一般来说,标签的厚度在10-30微米之间比较合适。
4.耐用性:不干胶标签应具有较好的耐用性,包括耐摩擦、耐紫外线等。
这些特性可以保证标签在使用过程中不易损坏,从而延长标签的使用寿命。
四、外观要求1.整洁度:不干胶标签的表面应整洁、无明显瑕疵和污渍。
在制作标签时,应注意保持工作场所的清洁卫生,避免灰尘、杂物等对标签造成影响。
2.文字排版:不干胶标签上的文字排版应整齐、美观,符合客户的排版要求。
文字的字体、大小、行距等都应保持一致,避免出现错别字或其他排版错误。
3.附着性:不干胶标签应具有良好的附着性,能够牢固地粘贴在各种物品上,不易脱落或损坏。
为了保证标签的附着性,应选择合适的粘合剂和基材,并进行有效的粘贴试验。
cy_t 93-2013 印刷技术不干胶标签质量要求及检验方法
不干胶标签的质量要求包括以下几个方面:
1. 纸张质量:标签纸应具有一定的厚度和强度,以确保标签的耐磨性和抗撕裂性。
2. 胶粘剂质量:胶粘剂应具有良好的粘结力和耐候性,以确保标签在使用过程中不易脱落或变形。
3. 印刷质量:印刷质量应保持清晰、鲜艳、不模糊或褪色,以保证标签的可读性和美观性。
4. 切割质量:标签应具有平整的边缘和规整的形状,以便于贴附和读取。
5. 防伪性能:对于需要防伪的标签,应加入相应的防伪元素,以确保标签的真实性和安全性。
检验方法包括以下几个方面:
1. 外观检查:检查标签的整体质量,包括印刷质量、切割质量和胶粘剂粘结质量等。
2. 耐久性测试:将标签置于高温、高湿、低温、低湿等不同的环境条件下进行浸泡和使用,观察其抗脱落、抗变形等性能。
3. 胶粘力测试:使用相应的胶粘力测试仪器,对标签的胶粘剂
进行贴附和剥离测试,以检测其粘结力和粘着力。
4. 印刷质量测试:使用显微镜或放大镜对印刷质量进行检查,观察标签的清晰度、色彩度和图案是否完整。
5. 切割质量测试:对标签的边缘和形状进行测量和检查,确保其符合规定的尺寸和形状要求。
不干胶标签粘度要求国标
不干胶标签的粘度要求是根据国家标准来确定的。
根据国标,不干胶标签的粘度要求主要包括以下几个方面:
1. 粘度测试方法,国标规定了不干胶标签粘度的测试方法,通常采用粘度计进行测量。
测试时,将一定量的胶水涂在特定的试样板上,然后用粘度计测量胶水在一定时间内的流动性,从而得到粘度值。
2. 粘度等级,国标对不干胶标签的粘度等级进行了划分。
通常分为高粘度、中粘度和低粘度三个等级。
不同粘度等级的标签适用于不同的应用场景和材质。
3. 粘度要求,国标对于不同粘度等级的标签,给出了相应的粘度要求。
这些要求通常涉及到胶水的流动性、附着力、持久性等方面。
例如,高粘度标签要求胶水具有较高的附着力和持久性,能够在各种环境条件下保持良好的粘附性。
4. 粘度测试标准,国标还规定了不干胶标签粘度测试的具体标准。
这些标准包括测试温度、测试时间、试样板尺寸等要求,确保
测试结果的准确性和可比性。
需要注意的是,不同国家和地区可能存在不同的标准和要求,
因此在实际应用中,还需要根据具体的地区和行业标准来确定不干
胶标签的粘度要求。
总之,国标对于不干胶标签的粘度要求主要包括粘度测试方法、粘度等级、粘度要求和粘度测试标准等方面的规定。
这些标准和要
求旨在确保不干胶标签具有良好的粘附性能,满足不同应用场景的
需求。