SV-2全桥工程数量汇总表
- 格式:xls
- 大小:39.00 KB
- 文档页数:2
表1主要工程设备数量表(SYZ2合同)
表2 强制性条件——业绩要求表(SYZ2合同)
注:1.业绩必须提供合同协议书和市级及以上质量监督部门的证明材料。
2、以招标文件的内容为准。
表3 强制性条件——主要人员资历要求表(SYZ2合同)
注:1. 上述人员需附清晰可辩的身份证、职称证书、岗位证书、毕业证书等证明材料的
复印件,证明原件备查.
2、以招标文件的内容为准。
表4
营运资金承诺书
本投标人承诺,如果我们经投标获得中标,在104国道上虞收费站项目收费系统工程(SYZ2合同)的实施期间,我们将投入总额为万元(不少于50万元)的营运资金,以保证项目的顺利进行。
投标人(盖章):
授权人签字:
日期:年月日
注:以招标文件的内容为准。
传感器与检测技术实验指导教师:陈劲松实验一金属箔式应变片——单臂电桥性能实验错误!未指定书签。
实验二金属箔式应变片-全桥性能实验及电子秤实验错误!未指定书签。
实验三电容式传感器的位移特性实验 ..... 错误!未指定书签。
实验四Pt100热电阻测温实验.................. 错误!未指定书签。
实验一金属箔式应变片——单臂电桥性能实验一、 实验目的:了解金属箔式应变片的应变效应,单臂电桥工作原理和性能。
二、 基本原理:金属丝在外力作用下发生机械形变时,其电阻值会发生变化,这就是金属的电阻应变效应。
金属的电阻表达式为:SlR ρ=(1)当金属电阻丝受到轴向拉力F 作用时,将伸长l ∆,横截面积相应减小S ∆,电阻率因晶格变化等因素的影响而改变ρ∆,故引起电阻值变化R ∆。
对式(1)全微分,并用相对变化量来表示,则有:ρρ∆+∆-∆=∆S S l l R R (2)式中的l l ∆为电阻丝的轴向应变,用ε表示,常用单位με(1με=1×mm mm 610-)。
若径向应变为rr ∆,电阻丝的纵向伸长和横向收缩的关系用泊松比μ表示为)(l l r r ∆-=∆μ,因为S S ∆=2(rr ∆),则(2)式可以写成: llk l l l l l l R R ∆=∆∆∆++=∆++∆=∆02121)()(ρρμρρμ(3) 式(3)为“应变效应”的表达式。
0k 称金属电阻的灵敏系数,从式(3)可见,0k 受两个因素影响,一个是(1+μ2),它是材料的几何尺寸变化引起的,另一个是)(ρερ∆,是材料的电阻率ρ随应变引起的(称“压阻效应”)。
对于金属材料而言,以前者为主,则μ210+≈k ,对半导体,0k 值主要是由电阻率相对变化所决定。
实验也表明,在金属丝拉伸比例极限内,电阻相对变化与轴向应变成比例。
通常金属丝的灵敏系数0k =2左右。
用应变片测量受力时,将应变片粘贴于被测对象表面上。
1.0 技术标准1.1 设计荷载:汽车-超20级、挂车-120;1.2 桥面净宽:净-2×15.25米;1.3 地震烈度:基本烈度7°;1.4 航道等级:规划5级,净空标准:50.0×5.0米。
1.5 跨径布置:(5-25)+(5-25)+130+(4-25)+[(2-20+18+14左) 、(14+18+2-20) 右]+(4-25) 米。
2.0 设计规范2.1 部颁《公路工程技术标准》(JTJ001-97)2.2 部颁《公路桥涵设计通用规范》(JTJ021-89)2.3 部颁《公路钢筋混凝土及预应力混凝土桥涵设计规范》(JTJ023-85)2.4 部颁《公路砖石及混凝土桥涵设计规范》(JTJ022-85)2.5 部颁《公路工程抗震设计规范》(JTJ004-89)2.6 部颁《公路桥涵地基与基础设计规范》(JTJ024-85)2.7 部颁《公路桥涵施工技术规范》(JTJ041-2000)2.8 国家建筑材料工业局《钢管混凝土结构设计与施工规程》(CECS28:90)3.0 桥梁3.1 主要材料3.1.1混凝土:1.主桥:系梁、横梁采用50号混凝土;拱肋采用钢管混凝土,内充40号微膨胀砼;行车道板及现浇层采用30号混凝土;主墩墩帽、墩身采用40号混凝土。
2.引桥:普通钢筋混凝土箱梁采用40号混凝土,调平层采用30号混凝土;装配式部分预应力混凝土连续箱梁采用50号混凝土,调平层采用40号混凝土;墩帽、墩身、承台、防撞护栏采用30号混凝土。
钻孔灌注桩采用25号混凝土,桥面铺装采用沥青混凝土。
3.1.2 预应力筋:主桥系梁、横梁及引桥装配式部分预应力混凝土连续箱梁采用符合ASTM A416-97a标准的Фj15.24mm钢绞线,其标准强度R b y=1860Mpa,松弛率< 2.5%,弹性模量E=1.9×105Mpa。
主桥吊杆采用Фs7mm高强钢丝,其标准强度R b y=1670Mpa,松弛率为2.5%。
序号图表名称图号页数备注序号图表名称图号页数备注桥梁工程1设计说明Q-012 2全桥工程数量汇总表Q-021 3桥梁布置总平面图Q-031 4桥型布置图Q-041 5桥台桩位坐标图Q-051 6桥台一般构造图Q-061 7桥台桩基钢筋构造图Q-071 8承台钢筋构造图Q-081 9桥台钢筋构造图Q-091 1020m空心板一般构造图Q-101 1120m空心板边板钢筋构造图Q-112 1220m空心板中板钢筋构造图Q-122 13铰缝构造图Q-131 14支座垫石钢筋构造图Q-141 15支座预埋钢板构造图Q-151 16桥面铺装钢筋构造图Q-161 17伸缩缝构造图Q-171 18搭板及枕梁钢筋构造图Q-181 19桥梁人行道构造图Q-192 20桥梁人行道栏杆构造图Q-201 21桥面泄水管构造图Q-211 22道路衔接路面结构设计图Q-221 23道路交叉口竖向设计图Q-231 24安全岛大样图Q-241目录南海区大沥镇钟边桥拓宽工程第 1 页共 1 页设计说明一、 设计要点钟边桥旧桥平面位于直线上,跨越一小河,桥梁跨径16米,桥面宽11米,连接广佛新干线与钟边村村道。
随着城市的发展,旧桥双向两车道已不能满足交通需求,故在旧桥旁新建20米预应力空心板桥,桥梁与道路中心线斜交10°,桥面横坡由桥台及支座垫石调整而成,桥面横坡为单向1.5%,纵坡为0%。
桥面幅宽14.5m。
本设计内容包括新桥结构设计、桥头两侧道路接顺。
1.设计依据1)甲方提供的旧桥施工图资料及旧桥地质勘查报告。
2)《公路桥涵设计通用规范》(JTJ 60-2004)3)《公路钢筋混凝土及预应力混凝土桥涵设计规范》(JTJ 62—2004)4)《城市桥梁设计规范》(CJJ 11—2011)5)《城市桥梁设计荷载标准》(CJJ 77—98)6)《公路桥涵地基与基础设计规范》(JTG D63-2007)7)《公路桥涵施工技术规范》(JTJ 041—2000)8)《城市道路工程设计规范》(CJJ37-2012)9)《公路路线设计规范》(JTG D20 - 2006)10)《公路路基设计规范》(JTG D30-2004)11)《公路沥青路面设计规范》(JTG D50-2006)12)《公路水泥混凝土路面设计规范》(JTG D40-2002)13)《水泥混凝土路面施工及验收规范》(GBJ97-87)14)《公路沥青路面施工技术规范》JTG F40-200415)《公路工程沥青及沥青混合料试验规程》(JTJ 052-2000)16)《公路工程集料试验规程》(JTG E42-2005)17)《公路路面基层施工技术规范》(JTJ 034-2000)18)《公路路基路面测试规程》(JTG E60—2008)19)《城市道路和建筑物无障碍设计规范》(JGJ50-2001)20)《城镇道路路面设计规范》(CJJ 169-2011)21)《城市道路路基设计规范》(CJJ37-2012)2.主要技术指标1)荷载等级公路—Ⅱ级;2)桥面宽度桥梁为单幅,桥面幅度14.5m,桥梁布置为:2.5m(人行道)+11m(机动车道)+1m(绿化带);3)地震动峰值加速度系数0.1g,地震按7度设防;4)桥面横坡单向1.5%,纵坡0%。
石拱桥设计说明说明一、项目历史背景中桥位于xx境内K102+180.000处,此工程是xx路网项目的重要组成部分之一。
老桥修建于80年代,为1×15米,桥宽为净7.0+2×0.25米的石拱桥。
老桥主体结构尚好,但是主拱圈过薄,且混凝土有少许剥落。
桥面系无防撞设施,对行车不安全。
再者老桥修建在河流最窄处,没有考虑两桥头接线顺畅的问题,致使此段公路线形极差。
近年来xx路重载交通逐渐增多,为满足重载车辆安全通行以及改善公路线形,此处需新建桥梁一座。
新建方案为在老桥下游新建一座1×30米,矢跨比为1/5的石拱桥,由于桥址处岩石已裸露,地基较好,因此新桥桥台采用独立前墙形式桥台。
二、设计依据及技术标准1、荷载等级:公路--Ⅱ级;人群荷载:3.0KN/㎡2、桥面宽度:净8.1+2×0.45米(防撞墙)3、桥面横坡:2.0%4、矢跨比:1/55、净跨径:1×30米6、设计洪水频率:1/1007、地震烈度:7度8、采用设计规范《公路工程技术标准》(JTGB01—2003);《公路工程抗震设计规范》(JTJ004—89);《公路桥涵通用设计规范》(JTGD60—2004);《公路桥涵地基与基础设计规范》(JTJ024—85);《公路桥涵标准图——石拱桥》(JT/GQB 046-84)。
四、桥型方案本桥在综合以下实际情况后,确定采用1×30石拱桥的桥型方案:(1)、本桥桥址处为高山深谷地区,河流水流湍急,采用空心板,不仅增加一个桥墩工程,并且在施工桥墩时容易受流水影响;(2)、采用板桥施工,需要比较大的预制场地,而本桥桥址处受地形限制,开辟空地对全桥而言不经济;五、桥位区岩土地质情况本桥桥址处岩石已裸露,地质状况为初步勘测,具体情况以现场试验数据为准。
如基础开挖至设计高程时,地基承载力达不到设计要求,请与设计单位联系,给与变更。
六、主要材料1、石料:主拱圈采用12.5号砂浆砌50号块石;腹拱圈采用10.0号砂浆砌30号粗料石;横墙采用10号砂浆30号块石;侧墙采用5.0号砂浆砌25号块石;填料1.0号砂浆片石;桥台台身采用12.5号砂浆砌30号块石,基础采用10号砂浆砌40号块石。
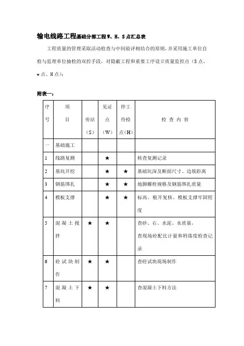
输电线路工程基础分部工程W、H、S点汇总表工程质量的管理采取活动检查与中间验评相结合的原则,并采用施工单位自检与监理单位抽检的双控手段,对隐蔽工程和重要工序设立质量监控点(S点、w点、H点):附表一:附表二:线路复测(W点)见证报表编号:Y50JXX( )( )—5116—8204—06—F01— A说明:1.本表由各施工单位/项目部填报。
一式两份,监理、施工单位各存一份。
2.所报内容,可以分施工队、阶段上报,也可由项目部一次全报。
基础浇筑申请单编号:Y50JXX( )( )—5116—8204—06—F02— A填写说明:1.本表格由各施工单位填报一式两份,监理、施工单位各存一份。
2.每基基础填报一次,各腿浇制日期在“基础浇制日期”栏内标明。
3. 监理审查意见中“中心桩桩号”填写经现场检查的实际桩号。
基础拆模、回填申请单编号:Y50JXX( )( )—5116—8204—06—F03— A填写说明:1.本表由各施工单位填报一式两份,监理、施工单位各存一份。
2.每基基础填报一次,各腿拆模时间在栏内标明,拆模外观检查时,检查有否露筋、蜂窝、孔洞、夹渣、疏松、裂缝、外形及表缺陷,无上述情况时填写“表面平整”。
接地施工掩埋申请单编号:Y50JXX( )( )—5116—8204—06—F04— A填写说明:本表由各施工单位填报一式两份,监理、施工单位各存一份。
导、地线压接申请单编号:Y50JXX( )( )—5116—8204—06—F05— A填写说明:1.本表由各施工单位/项目部填报一式两份,监理、施工单位各存一份。
2.直线压接按区段申请,耐张压接按照每基进行申请。
基础施工(S、H点)监理工作记录表编号:Y50JXX( )( )—5116—8204—07—H01— A材料验证(W点)记录表编号:Y50JXX( )( )—5116—8204—07—W01— A填写说明:1.检查内容栏填写所检查的内容,包括:基础工程:砂、石、水泥、接地圆钢;杆塔工程:砼杆、底拉盘、铁附件、塔材、螺栓、脚钉;架线工程:导地线、金具、瓷瓶等。
本工程现场用电负荷根据用电机具类别分为电动机负荷、电焊机负荷和照明负荷,各种机具设备容量、相关参数及其计算如下表所示。
由于用电高峰在结构施工期间,故不考虑装修期间的负荷容量。
表中具体设备统计和计算如下表(照明用电按电动机与电焊机总负荷的6%考虑):
总用电量按下式计算所得:
S=1.05~1.10(K1∑P1+ K2∑P2+ P3)
P1---电焊机需要容量(KVA);
P2---电动机需要容量(KVA);
P3---照明总需要容量(KVA);
cosφ---电动机平均功率因素,K1、K2为需要系数。
施工现场临时用电设备容量计算表附下页
1、电焊机负荷计算表
2、电动机负荷计算表。