水闸课程设计书修改版汇总
- 格式:docx
- 大小:71.69 KB
- 文档页数:28
四川水利职业技术学院课程设计说明书目录:第一章总论 (4)第一节概述 (4)一、题目:拦河闸及进水闸枢纽 (4)二、内容: (4)三、任务: (4)第二节、基本资料 (4)一、气象资料 (4)二、地形、地质资料 (5)三、相关技术指标及参数 (5)第三节、综合说明书 (6)一、闸孔形式:开敞式 (6)二、闸底板型式:宽顶堰 (6)三、水闸 (6)四、水闸组成 (6)第二章水力计算及闸室布置 (6)第一节闸室的结构型式及孔口寸确定 (6)一、确定河道上下游相关水位 (6)1、河道水位流量关系曲线 (6)2、进水闸后水位及水深 (8)3、闸前正常水位 (9)二、初步进行拦河闸的总体布置 (9)1、初步拟定闸室总宽度 (9)2、初步拟定闸孔净宽、底板高程、底板长度、底板厚度及闸墩厚度 (9)3、进行拦河闸水力计算 (10)第二节闸室布置 (12)一、确定闸室总宽度 (12)二、确定闸墩顶部高程 (12)三、工作桥顶部高程 (13)四、交通桥,检修桥高程 (13)五、闸门和启闭机 (14)六、闸室的分缝和止水设备 (14)第三节消能防冲设计 (15)一、消力池设计 (15)二、海漫设计 (18)三、防冲槽设计 (18)四、上下游护坡 (19)第三章水闸防渗及排水设计 (19)第一节闸底轮廓布置 (19)一、闸底轮廓布置 (20)二、闸基防渗长度计算 (20)第二节防渗和排水设计及渗透压力计算 (21)一、防渗和排水设计 (21)二、闸基渗透压力计算 (21)第三节防渗排水设施和细部构造 (22)一、防渗排水设施 (22)二、细部构造 (23)第四章闸室稳定计算 (23)第一节荷载及其组合 (23)一、荷载计算 (23)1、自重 (23)2、水重 (24)3、静水压力 (24)4、扬压力 (24)5、浪压力 (25)第二节地基应力验算 (25)第三节闸室稳定验算 (26)第五章道及沉砂池设计 (26)第六章上下游连接建筑物 (27)第一章总论第一节概述一、题目:拦河闸及进水闸枢纽二、内容:1、拟定拦河闸的闸室结构型式、孔口型式、孔口尺寸、孔数。
水闸课程设计一、引言水闸是一种用于控制水流的建筑物,广泛应用于灌溉、水利工程和航运等领域。
本课程设计将以水闸为主题,通过理论学习和实践操作,帮助学生深入了解水闸的原理、结构和运行方式,并培养学生的实践能力和创新思维。
二、教学目标1.掌握水闸的基本概念和分类;2.理解水闸的原理和结构;3.学会使用相关工具进行水闸的设计和计算;4.培养学生的团队合作能力和创新能力。
三、教学内容1. 水闸基础知识•水闸的定义和作用;•水闸的分类及其特点;•水流力学基础知识。
2. 水闸原理与结构•水闸工作原理;•不同类型水闸的结构特点;•水闸启闭机构及其工作原理。
3. 水闸设计与计算•设计参数及其确定方法;•基本设计步骤和流程;•使用相关软件进行水闸设计和计算。
4. 水闸运行与维护•水闸的运行管理;•常见故障及其排除方法;•水闸的定期检查和维护。
四、教学方法1.理论授课:通过讲解PPT和示意图,向学生介绍水闸的基本概念、原理和结构。
2.实验操作:组织学生进行水闸模型的制作和实验操作,让学生亲自体验水闸的启闭过程,并观察其工作原理。
3.计算实践:引导学生使用相关软件进行水闸设计和计算,培养他们的实践能力和解决问题的能力。
4.小组讨论:组织学生分成小组,共同研究解决水闸设计中遇到的问题,培养他们的团队合作精神和创新思维。
五、教学评价1.平时成绩占比:理论知识考试(30%)、实验报告(20%)、计算作业(20%);2.期末成绩占比:设计报告(30%)。
六、教材及参考资料1.教材:–《水利水电工程水闸设计与计算》–《水利工程设计手册》2.参考资料:–《水利工程设计规范》–《水利工程施工与管理》七、教学进度安排教学内容学时安排备注水闸基础知识2学时水闸原理与结构4学时水闸设计与计算6学时水闸运行与维护2学时实验操作及计算实践4学时需分为多个阶段小组讨论和总结报告2学时八、实验设备和材料准备1.实验设备:–水泵、管道、流量计等;–模型制作材料。
湖南水利水电职业技术学院Hunan Technical College of Water Resources and Hydro Power课程设计任务书课题名称水闸设计适用专业:水利工程指导老师:张伟龙设计开始日期:2012 年6月14 日设计结束日期:2012 年 6 月18 日水利工程系水闸课程设计任务书一、课程设计的目的课程设计是学生把所学的理论和生产实践相结合的重要环节,所以通过课程设计要达到以下的目的:1、根据理论知识的学习,使所学的专业技能得到巩固、扩大、深入和系统化。
2、培养综合运用所学知识解决实际工程问题的能力,初步掌握水利工程设计的方法和步骤。
3、训练和提高编写设计文件,进行各种计算和绘制水利工程图的能力和技巧。
4、提高独立钻研问题的能力,培养严肃认真,实事求是,刻苦钻研的工作作风。
二、设计的任务:(一)根据所给地形、地质、水文和其它有关资料及相应的规划成果,在给定的闸轴线上进行开敞式水闸设计。
1、闸孔型式选择。
2、通过水力计算,确定水闸闸孔尺寸、孔数及消能防冲形式和尺寸。
3、按防渗要求布置闸基地下轮廓线。
拟定防渗排设备的形式,尺寸和构造。
计算渗透压力。
4、参照已建成类似工程,拟定底板、闸墩、边墩、闸门、启闭机、启闭机桥、公路桥及检修桥的形式和尺寸。
5、闸室稳定计算及地基应力验算。
6、拟定上、下游翼墙及护坡的形式、构造及尺寸。
7、细部构造拟定。
三、设计成果及要求设计成果包括设计图,设计说明书,其要求如下。
1、设计图:一律铅笔绘制,要求制图正确,图面饱满,绘制清晰、比例适当、尺寸齐全。
2、图幅规定为1号图,内容为水闸总体布置平面图与纵剖面图。
1张3、设计说明书:说明书的内容应包括本建筑物的设计原始资料。
设计原理和基本构思以及各部分结构型式和尺寸。
计算部分应列出使用的公式和参数并附有计算简图。
计算结果尽可能以表格形式表达。
四、课程设计时间安排:1、了解任务书及熟悉资料半天2、水力学计算及渗流计算半天3、闸室布置及稳定计算及上下游联接建筑物布置 1天半4、画图 2天5、整理报告半天合计 5天湖南水利水电职业技术学院Hunan Technical College of Water Resources and Hydro Power课程设计指导书课题名称水闸设计适用专业:水利工程指导老师:张伟龙设计开始日期:2012 年6月14 日设计结束日期:2012 年 6 月18 日水利工程系水闸课程设计基本资料一、工程概况本枢纽位于某河下游,主要任务是壅高水位,以满足河流两岸引水灌溉要求,并适当照顾到工业给水、陆路交通等。
水闸课程设计一、引言水闸是一种常见的水利工程设施,它可以控制水位,调节水流量,保障农田灌溉和城市供水等。
因此,学习水闸的原理和操作方法对于从事水利工作的人员来说非常重要。
本文将介绍一个针对初学者的水闸课程设计,旨在帮助学生了解水闸的基本概念、结构特点、操作方法以及维护保养等方面的知识。
二、课程设计内容1. 水闸概述(1)定义:什么是水闸?有什么作用?(2)分类:按照不同标准可以将水闸分为哪些类型?(3)结构组成:主要由哪些部分组成?各部分的功能是什么?2. 水闸运行原理(1)流量计算:如何计算流量?有哪些计算公式?(2)压力计算:如何计算压力?有哪些计算公式?(3)开度控制:如何控制开度?有哪些方法?3. 水闸操作方法(1)开启和关闭:如何打开和关闭水闸门?(2)调节流量:如何调节流量大小?(3)紧急处理:在遇到紧急情况时应该如何处理?4. 水闸维护保养(1)清洗和润滑:水闸门和机构需要定期清洗和润滑吗?为什么?(2)检查和维修:水闸门和机构出现故障时应该如何检查和维修?5. 案例分析通过实际案例讲解水闸的运行原理、操作方法以及维护保养等方面的知识,帮助学生更好地理解课程内容。
6. 实践环节组织学生前往当地的水闸进行实地考察,并进行相关操作演示,让学生亲身体验水闸的运行过程,加深对课程内容的理解。
三、教学方法本课程设计采用多种教学方法,包括:1. 讲授法:通过PPT、视频等形式向学生介绍水闸的基本概念、结构特点、操作方法以及维护保养等方面的知识。
2. 互动式教学法:通过提问、讨论等方式与学生进行互动,促进思考和交流。
3. 案例分析法:通过实际案例分析帮助学生更好地理解课程内容。
4. 实践教学法:组织学生前往当地的水闸进行实地考察,并进行相关操作演示,让学生亲身体验水闸的运行过程,加深对课程内容的理解。
四、教材及参考书目1. 《水利工程概论》(王建民,高等教育出版社)2. 《水闸》(杨维民,人民交通出版社)3. 《水利工程实用手册》(王伟民等,中国水利水电出版社)五、评价方法本课程设计采用多种评价方法,包括:1. 学生自评:通过让学生填写反馈表格或写作业的形式了解学生对于课程内容的掌握情况。
水闸工作桥课程设计第一部:拟定工作桥尺寸一、工作桥纵向布置1、工作桥长度:为便于安装,工桥桥长度=两闸墩中心线距离-20~30mm=7000+500+500-20 =7980mm 但计算时工作桥长度仍用8000 mm计算。
2、横梁位置:为简化计算,我们将地螺栓安装在横梁与纵梁相交处,不考虑其偏移。
横梁尺寸初步拟定为,高:500;宽:250. 横梁上面的机敦取高:250;宽:250.3、活动铺板:为减轻吊装重量,面板做成活动铺板,简支在纵梁上。
活动铺板选用的,宽850;长度:1500+2*80=1660 ;高度:80。
中间共四块面板。
桥两边再一边一块板。
总的横向布置图及个尺寸如图所示:二、工作桥横向布置1、纵梁尺寸:高度:800;宽度:300。
2、悬臂板:高度:端部取100,根部取200;宽度:500尺寸如图所示:三、刚架布置(在此不计算)1、刚架高度计算用的高度:H=31.4-24.0-h实际高度:H+H1,其中:H1为柱插入杯口的高度。
H1需满足:a.大体为1.2~0.8倍柱长边尺寸;b.大于0.05H。
图3:钢桁架布置第二部:配筋一、面板配筋设计1、活动铺板1)安装检修工况: a 荷载计算板自重:0.080.8525 1.7/k g KN m =⨯⨯=1.05 1.71.785/G k g g KN m γ==⨯= 一个绳鼓重: 6.54k G KN =, 6.54 1.05 6.867G k G G KN γ==⨯= 桥面活载不考虑 b 计算简图和内力计算01500801580n l l a mm =+=+= 01500801580n l l h mm =+=+= 0 1.1 1.115001650n l l mm ==⨯=因此计算跨度取1580mmc.跨中弯矩:220011 6.867 1.581.785 1.58 3.268484p l M gl KN m ⨯⨯=+=⨯⨯+=∙2)正常使用工况,持久状况a.荷载:板自重 0.080.8525 1.7/k g KN m =⨯⨯=1.05 1.71.785/G k g g KN m γ==⨯=人群荷载 1.240.85 4.08/G k q q b KN m γ==⨯⨯=b.跨中弯矩:()2011 1.838M g q l KN m =⨯+=∙从以上两种状态可知,安装工况下的弯矩更大,取大值进行计算3)配筋计算:查表得25(),d 302dc mm a c mm==+=二类环境估计钢筋直径为=10mm,050h h a mm =-=由书2-7查k=1.2,采用C25混凝土,查表211.9/c f N mm =,面板用HPB335的钢筋,查表2300/y f N mm =800b mm =,6220 1.2 3.26100.15511.985050s c KM f bh α⨯⨯===⨯⨯,10.1690.850.468b ξξ=-=<=2011.98500.16950285.2300c s y f b h A mm f ξ⨯⨯⨯=== 0min 285.2/0.67%0.15%85050s A bh ρρ===>=⨯查附录3表1,选用6φ8(2302mm s A =)在受力钢筋内侧布置与受力钢筋垂直的分布钢筋,按要求取φ6@250。
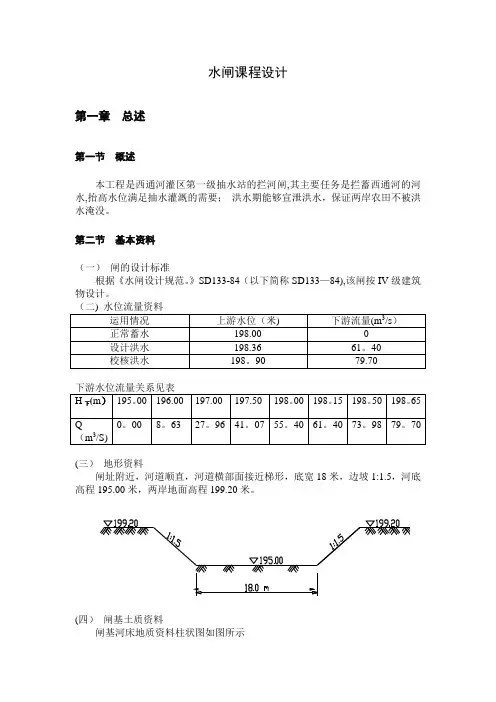
水闸课程设计第一章总述第一节概述本工程是西通河灌区第一级抽水站的拦河闸,其主要任务是拦蓄西通河的河水,抬高水位满足抽水灌溉的需要;洪水期能够宣泄洪水,保证两岸农田不被洪水淹没。
第二节基本资料(一)闸的设计标准根据《水闸设计规•》SD133-84(以下简称SD133-84),该闸按IV级建筑物设计。
(二)水位流量资料下游水位流量关系见表(三)地形资料闸址附近,河道顺直,河道横部面接近梯形,底宽 18米,边坡1:1.5,河底高程195.00米,两岸地面高程199.20米。
(四)闸基土质资料闸基河床地质资料柱状图如图所示J] w4BJaa\1 J —f-fJK. js-r■ !■ a ■■ ・■" ・ J ■ 4 n ・ a ■ a a B a ■ ・=』■•■・a u. 4 ul -iRIII-lli lllil- ifilril-rili fa !4.|| a |.4|..| a!4 t 4 a | J・ 』 - ・ -il:层序 高程(M 土质摡况 I 195.00-191.8 细砂 II191.8 —183.32组砂III183.32粘土闸址附近缺乏粘性土料,但有足够数量的混凝土骨料和砂料。
闸基细砂及墙后回WW 土18.0 n填砂料土工试验资料如下表;细砂允许承载力为,其与混凝土底板之间的摩擦系数(五)其他资料1•闸上交通为单车道,按汽-10设计,带-50校核。
桥面净宽4.0 m,总宽为4.4 m o2•闸门采用平面钢闸门,有3米,4米,5米三种规格闸门。
3. 该地区地震设计烈度为4度。
4. 闸址附近河道有干砌石护坡。
5. 多年平均最大风速12米/秒,吹程0.15公里。
第三节工程综合说明书本工程为W级拦河闸。
设计采用开敞式水闸。
水闸由上游连接段、闸室段、下游连接段三部分组成。
闸室段位于上、下游连接段之间。
是水闸工程的主体。
其作用是控制水位、调节流量。
包括闸门、闸墩、边墩、底板、工作桥、检修便桥、交通桥、启闭机等。
目录一、基本设计资料 ----------------------------------- 11、基本概述资料----------------------------------- 12、水流量资料------------------------------------- 13、闸基土质资料----------------------------------- 24、其他资料--------------------------------------- 25、水闸设计标准----------------------------------- 2二、闸址选择 ----------------------------------------------------------------------- 3三、总体枢纽布置 --------------------------------------------------------------- 31、拦河闸的布置----------------------------------- 32、闸室段的布置----------------------------------- 33、上游连接段的布置--------------------------------34、下游连接段的布置--------------------------------4四、水力计算 ----------------------------------------------------------------------- 41、闸孔设计-------------------------------------- 42、消能防冲设计---------------------------------- 73、海漫设计---------------------------------------9五、防渗排水设计 -------------------------------------------------------------- 101、地下轮廓设计--------------------------------- 102 、防渗计算------------------------------------- 11六、闸室的布置与稳定分析------------------------ 151、闸室结构布置--------------------------------- 152、荷载及其组合--------------------------------- 183、闸室稳定计算--------------------------------- 23七、闸室结构设计 --------------------------------- 251、闸墩设计------------------------------------- 252、底板结构设计--------------------------------- 25八、基础处理 -------------------------------------- 29九、主要参考文献---------------------------------- 30一、基本设计资料1、基本概述资料本工程是西通河灌区第一级抽水站的拦河闸,其主要任务是拦蓄西通河的河水,抬高水位满足抽水灌溉的需要,洪水期能够宣泄洪水,保证两岸农田不被洪水淹没。
第一章设计资料和枢纽设计1、设计资料1.1工程概况前进闸建在前进镇以北的团结渠上是一个节制闸。
本工程等别为Ⅲ等,水闸按3级建筑物设计。
该闸有如下的作用:(1)防洪。
当胜利河水位较高时,关闸挡水,以防止胜利河的高水入侵团结渠下游两岸的底田,保护下游的农田和村镇。
(2)灌溉。
灌溉期引胜利河水北调,以灌溉团结渠两岸的农田。
(3)引水冲淤。
在枯水季节。
引水北上至下游红星港,以冲淤保港。
1.2 规划数据(1)团结渠为人工渠,其断面尺寸如图1所示。
渠底高程为2194.5m,底宽50m,两岸边坡均为1:2 。
(比例1:100)图1 团结渠横断面图(单位:m)(2)灌溉期前进闸自流引胜利河水灌溉,引水流量为300sm/3。
此时相应水位为:闸上游水位2201.83m,闸下游水位2201.78m;冬春枯水季节,由前进闸自流引水至下游红星港,引水流量为100sm/3,此时相应水位为:闸上游水位2201.44m,闸下游水位2201.38m。
(3)闸室稳定计算水位组合:设计情况,上游水位2204.3m,下游水位2201.0m;校核情况,上游水位2204.7m,下游水位2201.0m。
消能防冲不利情况是:上游水m/3位2204.7m,下游水位2201.78m,引水流量是300s(4)下游水位流量关系:(5)地质资料:① 根据地质钻探报告,闸基土质分布情况见下表:②根据土工试验资料,闸基持力层坚硬粉质粘土的各项参数指标为:凝聚力C=60.0Kpa ;内摩擦角19=ϕ°;天然孔隙比e=0.69;天然容重3KN/m 3.20=γ 建闸所用回填土为砂壤土,其内摩擦角26o ϕ=,凝聚力0c kPa =,天然容重318kN m γ=。
本地区地震烈度在6度。
(6)本工程等别为III 等,水闸按3级建筑物设计。
(7)闸上有交通要求,闸上交通桥为单车道公路桥,桥面净宽4.5m,总宽5.5m ,采用板梁结构。
每米桥长约种80KN 。
《水工建筑物》课程设计任务书(水闸)题目:年月日学生姓名:学号:班级:专业(专业方向):指导教师:樊新建侯慧敏王之君一、设计目的和要求1.通过课程设计,使学生初步掌握水闸设计的一般原则、方法和步骤,巩固、加深和扩大所学的基础理论知识,,并使之系统化。
2. 通过课程设计,培养学生正确的设计思想、严谨的工作作风,踏实肯干和求实奋进的精神;初步掌握水工建筑物的设计原则、设计方法和步骤;3.培养学生的独立思考、独立工作能力,提高学生的综合运算,绘图及编写设计报告的基本技能,为今后从事设计、施工、管理工作打下一定的基础。
二、特征水位正常蓄水位:设计洪水位:校核洪水位:三、设计任务及要求根据提供的水文、水利计算成果,在分析研究所提供的资料的基础上,进行水闸枢纽的设计工作,设计深度为初步设计。
主要设计内容有:1.确定水利枢纽工程和水工建筑物的等级、洪水标准;2.水闸的枢纽布置;定性分析选择的闸型,确定水闸闸室堰顶的高程和闸墩顶部高程,拟定水闸的孔数,确定水闸在枢纽中的位置。
3.水闸的平面和纵剖面布置;包括水闸的引水渠、控制段、消能段及防冲段,地下轮廓的布置。
4.闸室的水力设计和结构设计;闸室的水力设计包括泄水流量或冲沙流量、消能防冲、闸下渗流计算;闸室的结构设计包括引水渠底板的长度和翼墙的型式、尺寸,闸室段岸边建筑物型式、尺寸和绕渗处理,下游翼墙的型式尺寸;闸室段的抗滑稳定、沉陷、边缘应力计算;并判别两者是否满足规范规定程度,若不满足,提出改善措施。
5.水闸的细部构造设计;闸墩、工作桥、分缝与排水、止水,各部分材料设计等。
6.闸基处理。
四、进度安排五.课程设计的要求1. 设计一律在设计教室进行,无故不参加设计规定时间的三分之一者,或抄袭他人成果者,均以零分计(抄袭双方)。
2. 每位学生必须独立完成课程设计的内容,提交设计成果。
设计成果包括:(1)计算书一份要求详细列出所有计算过程,并附计算草图;要求列出计算成果,简要说明计算成果的合理性,或设计的不足和还可以进一步改进的地方。
水闸设计说明书SLUICE DESIGN SPECIFICATION设计题目:水闸工程学院名称:专业名称:水利水电工程班级名称:姓名:学号:指导教师:教师职称:年月日目录一、设计任务 ------------------------------------------------------ 1二、设计基本资料 ------------------------------------------------ 12.1概述---------------------------------------------------------- 12.1.1 防洪 ------------------------------------------------------------------ 22.1.2 灌溉 ------------------------------------------------------------------ 22.1.3 引水冲淤-------------------------------------------------------------- 2 2.2规划数据----------------------------------------------------- 22.2.1 孔口设计水位、流量 -------------------------------------------------- 32.2.2 闸室稳定计算水位组合------------------------------------------------ 32.2.3 消能防冲设计水位组合------------------------------------------------ 3 2.3地质资料----------------------------------------------------- 32.3.2 闸基土工试验资料 ---------------------------------------------------- 4 2.4闸的设计标准 ------------------------------------------------ 4 2.5其它有关资料------------------------------------------------- 42.5.1 闸上交通-------------------------------------------------------------- 42.5.2 三材 ------------------------------------------------------------------ 52.5.3 地震资料-------------------------------------------------------------- 52.5.4 风速资料-------------------------------------------------------------- 5三、枢纽布置----------------------------------------------------- 53.1防沙设施-------------------------------------------------------------------------------- 5 3.2引水渠的布置 -------------------------------------------------------------------------- 6 3.3进水闸布置 ----------------------------------------------------------------------------- 63.3.1 闸室段布置 ----------------------------------------------------------- 63.3.2 上游连接段布置------------------------------------------------------- 63.3.3 下游连接段布置------------------------------------------------------- 7四、水力计算 ------------------------------------------------------ 74.1闸孔设计----------------------------------------------------------------- 74.1.1 闸室结构形式 --------------------------------------------------------- 74.1.2 堰型选择及堰顶高程的确定 ------------------------------------------- 84.1.3 孔口尺寸的确定------------------------------------------------------- 84.2消能防冲设计----------------------------------------------------------- 84.2.1 消力池的设计 --------------------------------------------------------- 84.2.2 海漫的设计-------------------------------------------------------- 124.2.3 防冲槽的设计 ------------------------------------------------------- 13五、防渗排水设计------------------------------------------------ 145.1.1 底板 ---------------------------------------------------------------- 145.1.2 铺盖 ---------------------------------------------------------------- 145.1.3侧向防渗 ------------------------------------------------------------ 145.1.4 排水、止水 --------------------------------------------------------- 155.1.5 防渗长度验算 ------------------------------------------------------- 155.2渗流计算 -------------------------------------------------------------- 165.2.1 地下轮廓线的简化 -------------------------------------------------- 165.2.2 确定地基的有效深度 ------------------------------------------------ 165.2.3 渗流区域的分段和阻力系数的计算 ---------------------------------- 165.2.4 渗透压力计算:----------------------------------------------------- 145.2.5 抗渗稳定验算 ------------------------------------------------------- 20六、闸室布置与稳定计算 ---------------------------------------- 176.1闸室结构布置---------------------------------------------------------- 206.1.1 底板 ---------------------------------------------------------------- 206.1.2 闸墩 ---------------------------------------------------------------- 216.1.3 胸墙 ---------------------------------------------------------------- 176.1.4 工作桥------------------------------------------------------------- 176.1.5 检修便桥------------------------------------------------------------ 186.1.6 交通桥 -------------------------------------------------------------- 186.2闸室稳定计算---------------------------------------------------------- 196.2.1 荷载计算------------------------------------------------------------ 19七、闸室结构设计 ----------------------------------------------- 277.1闸墩设计 -------------------------------------------------------------- 277.2底板结构计算 --------------------------------------------------------- 287.2.1 闸基的地基反力计算 ------------------------------------------------ 287.2.2 不平衡剪力及剪力分配---------------------------------------------- 397.2.3板条上荷载的计算 --------------------------------------------------- 417.2.4 弯矩计算------------------------------------------------------------ 437.2.5配筋计算 ------------------------------------------------------------ 367.2.6裂缝校核 ------------------------------------------------------------ 37八、两岸连接建筑物 ------------------------------------------------------------------------ 37九、水闸细部构造设计-------------------------------------------- 38十、基础处理 ----------------------------------------------------- 38 十一、总结 ------------------------------------------------------- 38 参考文献---------------------------------------------------------- 40水闸课程设计计算说明书1、设计任务兴化闸为无坝引水进水闸,该枢纽主要由引水渠、防沙设施和进水闸组成,本次设计主要任务是确定兴化闸的型式、尺寸及枢纽布置方案;并进行水力计算、防渗排水设计、闸室布置与稳定计算、闸室底板结构设计等,绘出枢纽平面布置图及上下游立视图。
水闸课程设计第一章总述第一节概述本工程是西通河灌区第一级抽水站的拦河闸,其主要任务是拦蓄西通河的河水,抬高水位满足抽水灌溉的需要;洪水期能够宣泄洪水,保证两岸农田不被洪水淹没。
第二节基本资料(一)闸的设计标准根据《水闸设计规范。
》SD133-84(以下简称SD133—84),该闸按IV级建筑物设计。
(三)地形资料闸址附近,河道顺直,河道横部面接近梯形,底宽18米,边坡1:1.5,河底高程195.00米,两岸地面高程199.20米。
(四)闸基土质资料闸基河床地质资料柱状图如图所示(五)其他资料1。
闸上交通为单车道,按汽—10设计,带—50校核。
桥面净宽4.0m,总宽为4。
4m。
2.闸门采用平面钢闸门,有3米,4米,5米三种规格闸门。
3。
该地区地震设计烈度为4度。
4.闸址附近河道有干砌石护坡。
5。
多年平均最大风速12米/秒,吹程0.15公里.第三节工程综合说明书本工程为Ⅳ级拦河闸.设计采用开敞式水闸。
水闸由上游连接段、闸室段、下游连接段三部分组成。
闸室段位于上、下游连接段之间.是水闸工程的主体。
其作用是控制水位、调节流量。
包括闸门、闸墩、边墩、底板、工作桥、检修便桥、交通桥、启闭机等。
上游连接段的作用是将上游来水平顺地引进闸室.包括两岸的翼墙、护坡、铺盖、护底和防冲槽。
下游连接段的作用是引导过闸水流均匀扩散.通过消能防冲设施。
以保证闸后水流不发生有害的冲刷.包括消力池、海漫、防冲槽以及两岸的翼墙和护坡。
第二章 水力计算第一节 闸室的结构型式及孔口尺寸确定﹙一﹚闸孔型式的选择该闸建在天然河道上,河道横部面接近梯形,因此采用开敞式闸室结构。
该闸建在天然河道上,为了满足泄洪、冲沙、排污的要求,宜采用结构简单,施工方便,自由出流范围较大的无坎宽顶堰,考虑到闸基持力层是粘细砂,土质一般,承载能力不好,并参考该地区已建工程的经验,根据一般情况下,拦河闸的底板顶面可与河底齐平。
即闸底板顶面(即堰顶)与西通河河底齐平,所以高程为195.00 m 。
水闸毕业设计水闸设计 CKBOOD was revised in the early morning of December 17, 2020.水闸设计说明书SLUICE DESIGN SPECIFICATION设计题目:水闸工程学院名称:专业名称:水利水电工程班级名称:姓名:学号:指导教师:教师职称:年月日目录一、设计任务----------------------------------------------------二、设计基本资料----------------------------------------------- 概述------------------------------------------------------------ 防洪---------------------------------------------------------- 灌溉----------------------------------------------------------规划数据 ------------------------------------------------------- 孔口设计水位、流量-------------------------------------------- 闸室稳定计算水位组合------------------------------------------ 消能防冲设计水位组合------------------------------------------ 地质资料 ------------------------------------------------------- 闸基土工试验资料---------------------------------------------- 闸的设计标准 --------------------------------------------------- 其它有关资料---------------------------------------------------- 闸上交通------------------------------------------------------ 三材---------------------------------------------------------- 地震资料------------------------------------------------------ 风速资料------------------------------------------------------ 三、枢纽布置---------------------------------------------------防沙设施 ------------------------------------------------------- 引水渠的布置 ---------------------------------------------------闸室段布置---------------------------------------------------- 上游连接段布置------------------------------------------------ 下游连接段布置------------------------------------------------ 四、水力计算----------------------------------------------------闸孔设计------------------------------------------------------- 闸室结构形式-------------------------------------------------- 堰型选择及堰顶高程的确定-------------------------------------- 孔口尺寸的确定------------------------------------------------ 消能防冲设计------------------------------------------------- 8消力池的设计------------------------------------------------- 8海漫的设计-------------------------------------------------- 防冲槽的设计-------------------------------------------------- 五、防渗排水设计------------------------------------------------地下轮廓设计-------------------------------------------------- 底板------------------------------------------------------------------------------------------------------------------------- 排水、止水---------------------------------------------------- 防渗长度验算-------------------------------------------------- 渗流计算------------------------------------------------------ 地下轮廓线的简化---------------------------------------------- 确定地基的有效深度-------------------------------------------- 渗流区域的分段和阻力系数的计算-------------------------------- 渗透压力计算:---------------------------------------------- 14抗渗稳定验算-------------------------------------------------- 六、闸室布置与稳定计算 --------------------------------------- 17闸室结构布置-------------------------------------------------- 底板---------------------------------------------------------- 闸墩---------------------------------------------------------- 胸墙-------------------------------------------------------- 17工作桥----------------------------------------------------- 17交通桥------------------------------------------------------ 18闸室稳定计算------------------------------------------------ 19荷载计算---------------------------------------------------- 19稳定计算------------------------------------------------------ 七、闸室结构设计--------------------------------------------- 27闸墩设计---------------------------------------------------- 27底板结构计算------------------------------------------------ 28闸基的地基反力计算------------------------------------------ 28不平衡剪力及剪力分配------------------------------------------ --------------------------------------------------------------- 弯矩计算------------------------------------------------------ ------------------------------------------------------------- 36 ------------------------------------------------------------- 37八、两岸连接建筑物-------------------------------------------- 37九、水闸细部构造设计 ------------------------------------------ 38十、基础处理-------------------------------------------------- 38十一、总结---------------------------------------------------- 38参考文献------------------------------------------------------ 40水闸课程设计计算说明书1、设计任务兴化闸为无坝引水进水闸,该枢纽主要由引水渠、防沙设施和进水闸组成,本次设计主要任务是确定兴化闸的型式、尺寸及枢纽布置方案;并进行水力计算、防渗排水设计、闸室布置与稳定计算、闸室底板结构设计等,绘出枢纽平面布置图及上下游立视图。
水闸课程设计任务书及指导书水利水电工程适用农业水利工程河北农业大学城乡建设学院水利系20010年3月进水闸课程设计任务书及指导书一、设计任务于某河石岸设计一座进水闸,每年3~11月按要求供给××灌区210万亩土地灌溉用水。
(据规范,灌溉面积大于150万亩为一等工程,主要建筑物为一级建筑物)二、设计资料1、建筑物的级别及枢纽组成:经初步设计,本建筑物为Ⅰ级建筑物,引水枢纽包括栏沙潜堰、闸前引水段、进水闸、闸后衔接段、沉沙池五部分,为满足农业生产用水的需要,先按无坝引水设计。
其工程布置见附图㈠。
2、水文水利资料(1)灌期引水量及相应的闸前闸后水位,见附表㈠。
(2)灌期闸前闸后水位过程线,见附图㈡。
(3)闸下游流量水深表,见附表㈡。
(4)闸下游流量水深关系曲线,见附图㈢。
(5)设计洪水位17.00m(6)校核洪水位18.50m(7)消能设计水位15.00m(是按枯水期曾出现的最高水位考虑的),洪水期如仍拟引水,在水位15.00~17.00m之间时可制定闸门操作规程控制引水。
(8)设计引水量为120m3/s3、初步设计拟定数据根据水工模型试验,进水闸引水角为40进水闸闸底高程9.5m海漫起点高程9.5m引水段渠底高程9.5m引水段长度150m(边坡m=2)下游衔接长度150m下游衔接段渠底高程10.2m衔接段渠底宽度b62m衔接段渠底坡度i1/10000衔接段糙率m0.02衔接段边坡内坡1:2 外坡1:2.5闸前渠道堤顶宽度10.0m闸前渠道堤顶高程19.2m闸后渠道堤顶宽度 4.0m闸后渠道堤顶高程14.0m进水闸附近地形平坦,一般地面高程13.5m闸上设公路桥,标准为汽——15级双车道公路桥路面宽度(不算人行道)7.0m(另加每侧人行道宽1.0m)公路桥桥面高程18.3m启闭设备:采用启闭机启闭(一门一机,手电两用式卷杨机,机重2T/台)。
闭门型式:平面直升式钢闸门(设胸墙时按潜孔闸门公式计算门重)4、浪压力:根据渠首水文站观测,浪高仅0.2~0.3m,影响不大,可不考虑。
水闸工作桥课程设计新版一、课程目标知识目标:1. 学生能够理解水闸工作桥的基本概念、组成结构及其在水利工程中的作用。
2. 学生能够掌握水闸工作桥的运行原理,包括闸门的开启、关闭及调节水流的过程。
3. 学生能够了解水闸工作桥在我国水利设施中的应用案例,认识其重要性和实际意义。
技能目标:1. 学生能够运用所学的知识,分析水闸工作桥在设计中的关键因素,如选址、结构设计、材料选择等。
2. 学生能够通过小组合作,设计简单的水闸工作桥模型,提高动手操作能力和团队协作能力。
3. 学生能够运用所学知识,解决与水闸工作桥相关的实际问题,提高问题分析解决能力。
情感态度价值观目标:1. 学生能够认识到水利工程在我国社会发展中的重要性,增强对水利工程建设的兴趣和热情。
2. 学生能够培养关爱水资源、保护水环境的意识,提高社会责任感和环保意识。
3. 学生能够在学习过程中,体验科学探究的乐趣,培养严谨、务实的学习态度。
本课程针对初中年级学生,结合学科特点,注重理论与实践相结合,以培养学生的知识运用能力、动手操作能力和团队协作能力为主要目标。
在教学过程中,教师需关注学生的个体差异,提供有针对性的指导,确保学生能够达到预期的学习成果。
通过本课程的学习,使学生能够更好地理解和应用水闸工作桥的相关知识,提高解决实际问题的能力,同时培养对水利工程的兴趣和热爱。
二、教学内容1. 水利工程概述:介绍水利工程的基本概念、分类及在我国的发展现状,使学生了解水闸工作桥在水利工程中的地位和作用。
关联教材章节:第一章 水利工程概述2. 水闸工作桥的组成与结构:详细讲解水闸工作桥的各部分组成,如闸室、闸门、启闭机等,以及各部分的功能和相互关系。
关联教材章节:第二章 水闸工程3. 水闸工作桥的工作原理:阐述水闸工作桥的运行原理,包括闸门的开启、关闭及调节水流的过程,使学生掌握其工作原理。
关联教材章节:第二章 水闸工程4. 水闸工作桥的设计与施工:介绍水闸工作桥的选址、结构设计、材料选择等方面的知识,为学生设计水闸工作桥模型提供理论支持。
水闸课程设计任务书及指导书水利水电工程适用农业水利工程河北农业大学城乡建设学院水利系20010年3月进水闸课程设计任务书及指导书一、设计任务于某河石岸设计一座进水闸,每年3~11月按要求供给××灌区210万亩土地灌溉用水。
(据规范,灌溉面积大于150万亩为一等工程,主要建筑物为一级建筑物)二、设计资料1、建筑物的级别及枢纽组成:经初步设计,本建筑物为Ⅰ级建筑物,引水枢纽包括栏沙潜堰、闸前引水段、进水闸、闸后衔接段、沉沙池五部分,为满足农业生产用水的需要,先按无坝引水设计。
其工程布置见附图㈠。
2、水文水利资料(1)灌期引水量及相应的闸前闸后水位,见附表㈠。
(2)灌期闸前闸后水位过程线,见附图㈡。
(3)闸下游流量水深表,见附表㈡。
(4)闸下游流量水深关系曲线,见附图㈢。
(5)设计洪水位17.00m(6)校核洪水位18.50m(7)消能设计水位15.00m(是按枯水期曾出现的最高水位考虑的),洪水期如仍拟引水,在水位15.00~17.00m之间时可制定闸门操作规程控制引水。
(8)设计引水量为120m3/s3、初步设计拟定数据根据水工模型试验,进水闸引水角为40进水闸闸底高程9.5m海漫起点高程9.5m引水段渠底高程9.5m引水段长度150m(边坡m=2)下游衔接长度150m下游衔接段渠底高程10.2m衔接段渠底宽度b62m衔接段渠底坡度i1/10000衔接段糙率m0.02衔接段边坡内坡1:2 外坡1:2.5闸前渠道堤顶宽度10.0m闸前渠道堤顶高程19.2m闸后渠道堤顶宽度 4.0m闸后渠道堤顶高程14.0m进水闸附近地形平坦,一般地面高程13.5m闸上设公路桥,标准为汽——15级双车道公路桥路面宽度(不算人行道)7.0m(另加每侧人行道宽1.0m)公路桥桥面高程18.3m启闭设备:采用启闭机启闭(一门一机,手电两用式卷杨机,机重2T/台)。
闭门型式:平面直升式钢闸门(设胸墙时按潜孔闸门公式计算门重)4、浪压力:根据渠首水文站观测,浪高仅0.2~0.3m,影响不大,可不考虑。
3第1章 总论1.1概述颍河拦河闸位于郾城县境内,闸址位于颍河京广铁路桥上游和吴工渠入颍河 口下游之间,流域面积2234平方公里,流域内耕地面积 288万亩。
农作物以种植小麦、棉花等经济作物为主 流域平均纵坡1/6200。
本工程等别为m 等 拦河闸按3级建筑物设计。
本工程投入适使用后,在正常蓄水位时,可蓄水 2230万立方米。
上游5个 县25个乡已建成排灌站42处有效面积25万亩。
闸上游开南、北两干渠,配支 干23条,修建各类建筑物1230座,可自流灌溉下游三县21万亩农田,效益巨 大,是解决颍河流域农田的灌溉动脉,同时,也是解决颍河地区浅层地下水贫水 区的重要水源。
1.2基本资料 1.2.1地质资料1、根据地质钻探资料,闸址附近地层为中粉质壤土,厚度约 25m 不透水层,其物理力学性质如下: ①湿重度r=20.0kN/m3 土壤干重度r=16.0KN/m3 饱和重度r=22.0KN/m3 浮重度 r=10.0KN/m3 ②自然含水量时,内摩擦角 忙23 °饱和含水量时,内摩擦角 忙20 ° 土壤的凝聚力=0.1KN/m2③ 地基允许承载力{d}=150KN/m2 ④ 混凝土、砌石与土基摩擦系数f=0.36 ⑤ 地基应力的不均匀系数【n 】=1.5~2.0 ⑥ 渗透系数K=9.29X 10-3厘米/秒2、本地区地震烈度为6度以下 建筑材料、石料:本工程位于平原地区、山丘少,石料需从外地供给, 交通条件好。
、粘土:经调查本地区附近有丰富的粘土材料。
、闸址处有足够多的砾料。
水文气象、气温: 本地区年最高气温42度,最低气温为-18度。
、风速: 最大风速V=20米/秒,吹程D=0.6公里。
、降雨量;非汛期(1-6月及10-12月)九个月最大流量为 年平均最大流量Q=36.1n3/秒,最大年径流总量为9.25亿n3。
年平均最小流量Q=15.63/米秒,最小年径流总量为0.42 3亿nS 。
其下为 1.2.2 1 很近, 231.2.3 1 距京广线i3om/ 秒。
、冰冻:颍河流域冰冻时间短,冻土很薄,不影响施工。
、上下游河道断面 :糙率:河床0.0225 滩地0.031.3 工程综合说明本工程为m 级拦河闸 设计采用开敞式水闸。
水闸由上游连接段、 连接段三部分组成。
闸室段位于上、下游连接段之间是水闸工程的主体 用是控制水位、调节流量。
包括闸门、闸墩、边墩、底板、工作桥、检修便桥、交通桥、启闭机等。
上游连接段的作用是将上游来水平顺地引进闸室。
包括两岸 的翼墙、护坡、铺盖、护底和防冲槽。
下游连接段的作用是引导过闸水流均匀扩 散通过消能防冲设施 以保证闸后水流不发生有害的冲刷。
包括消力池、海漫、 防冲槽以及两岸的翼墙和护坡。
具体尺寸设计、布置详见下面的章节介绍。
、批准的规划成果为:(一)灌溉用水季节,拦河闸的正常挡水位为 (二)洪水标准。
设计洪水位50年一遇,相应的洪峰流量 59.5米,相应的下游水位 59.35米。
校核洪水位200年一遇,相应的洪峰流量 61.00米,相应的下游水位 60.82米。
58.72米,下游无水。
1、1144.45 3/米秒,闸上 游的洪水位为 2、游的洪水位为1642.353/米秒,闸上闸室段、下游其作u 0 = 0.877+ I 區-0.65 丨=0.877 + (0.96 - 0.65 — 0.973 则 B/-------------------则 0.973 7.43% W 9.8r (7.71- 7.43)第2章水力计算2.1闸室的结构形式及孔口尺寸的确定2.1.1该水闸选择平底板宽顶堰闸孔形式,闸底板高程为 51.92米。
2.1.2闸孔净宽的计算2.121 设计洪水位时:Q=1144.45m/s , H i =59.5m ,H 2=59.35m , g=9.81m/s 2河道横截面积A 为:[2"2 冷+ 13乂1 + 仆2>.(58.5一51.92)+2X (58.5一51.92)2xn咒2 + 75咒(59.5 - 51.92 )= 709.4m 2流速:V 二Q/A=1144.45/709.4=1.613m/sv72g =1.61372沢 9.81 = 0.13上游水深: H =比-H D = 59.5- 51.92二 7.58m堰上水深:H 厂 H + v72g = 7.58+ 0.13= 7.71m下游水深: h s = H 2 - H D = 59.35- 51.92= 7.43mhs/H 。
7.43/7.7 = 0.96吕0.9堰流处于高淹没度,则闸孔总净宽BU o h s J 2g ( H 0 - h s )lH o1144.452.122校核洪水位时:Q=1642.35m/s, H i =61m ,战=60.82口,g=9.81m/s 2河道横截面积:「21 1|2x (61 - 58.5)咒—+13% (61 - 58.5 )+ 2咒(61 - 58.5 )咒(58.5- 51.92) | A= I 2II 2 1 I+2汉(58.5-51.92)咒— [I 2 」 咒2 + 75x(61-51.92)= 940.9m 2 流速:V二Q/A=1642.35/940.9=1.745m/s v72g = 1.7452/2X 9.81 = 0.17 上游水深: 堰上水深: H =比-H D = 61- 51.92二 9.08mH o = H + v72g = 9.08 + 0.15二 9.23m 下游水深:h s = H 2 - H D = 60.82 - 51.92= 8.9mh s/H o8.9/9.23= 0.96 X 0.9堰流处于高淹没度,则闸孔总净U o h^/2^:H^hs)U 0 = 0.877+fd-0.6512= 0.877+(0.96- 0.65)2 = 0.973 屮0 丿1642.35 则 Bo = --------------- ¥亠=72.6 m0.973 '汉 8.9 X X 9.81 X (9.25 - 8.9 )因校核洪水时的闸孔净宽度大于设计洪水时的闸孔净宽度,故取B o 为72.6m 。
设单孔净宽度b o 为14m,则闸孔孔数n = B o/bo=72.6/14 = 5.19 故取 n=5。
取闸墩厚度d为1.2m,则闸室总宽度L = nb b +(n- 1)d = 5沢14+(5-1)咒1.2= 74.8m2.123水闸泄水能力验算计算的过水能力与设计流量的差值,不得超过±5%,Q s = B c Ui D h s J2g (H 0 - h s ) = 70^ 0.973咒8.9 咒丁2天9.81(9.25-8.9) = 1583.59m3 /s4x100% = 15835^^164235x100% = 3.6% <5% 符合要求Q q 1642.35 符口要求2.2水闸的消能防冲设计2.2.1确定消能控制情况及消力池尺寸根据情况分析,在闸门局部开启时多为最不利的消能情况,应根据列表试算法确定消力池的各项尺寸。
表格形式如下:故选定L消=23.34 取24m,d=0.98m, t=0.78m222海漫设计2.221海漫的长度为L p =K J不H =11 J13.24(6.8-3.66=53.2m取海漫的长度为53m。
222.2防冲槽的设计经计算,d'vO,理论上可以不用建防冲槽。
但为了保护海漫头部, 故在海漫末端建一构造防冲槽。
防冲槽的构造为倒梯形断面。
其底宽1.0m,深1.5m,边坡1: 2。
槽中抛以石块。
如图所示:水闸防渗及排水设计3.1闸底轮廓布置3.1.1底板顺水流方向的长度L。
为了满足上部结构布置的要求,L必须大于交通桥宽、工作桥宽、工作便桥宽及其之间间隔的总和,即L 约为16m。
3.1.2底板厚度d。
根据经验,地板厚度为(1/5~1/7)单孔净宽,一般为1.0~2.0m。
故选取d=1.5m。
3.1.3铺盖。
铺盖采用钢筋混泥土结构,其长度一般为2~4倍闸前水深取20m。
铺盖厚为1.0m。
铺盖上游设0.5m深的小齿墙。
则防渗长度L=0.6+0.5+18.8+0.5+0.6+1 + 1 + 12+1 + 1=36m> CVH 二(3~4)6.8=20.4~27.2m,满足要求。
其地下轮廓布置图如下:3.2防渗和排水设计321确定地基有效深度地下轮廓的水平投影长度L o=2O+16=36m地下轮廓线垂直投影长度S o=51.92-45.92=6m L o/ S o =36/6=6>5,故地基的有效深度Tc=O.5L o=18m 3.2.2简化地下轮廓将实际的地下轮廓进行简化,使之成为垂直和水平两个主要部分,出口处齿墙的入土深度应予保留,如下图,将地下轮廓分成七段:323阻力系数的计算3.2.3.1进口段:将齿墙简化为短板桩,板桩入土深度为 0.5m ,铺盖厚度为 1.0m ,故 S i =0.5+1=1.5m 、T 2=18m ,而另一侧的 S 2=1.0m ,T 2=17m ,计算进口段阻力系数为:3.2.3.2铺盖水平段:S i = 1.0m 、S 2=5m 、L i =20.5m 计算铺盖水平段阻力系数为%1 =卩.53t0 ¥ I 2 「“ S 2 H 5 +0.441 卜一Incot I —|1-」I.j 沢 L 41 T2丿」卫1丿 =0.54 \1匕7a = 0.913.2.3.3板桩垂直段: S1=5m ,T1=17m ,与 S2=4.5m, T2=16.5m ,齿墙垂直段阻力系数为巴 y1/lncot H 「§1 y L 4l T 1丿」+ -ln cot i 兀LX T 2丿」= 0.593.2.3.4 底板水平段:S =4.5m, S^ = 1m ,T = 16.5m ,L^ -14.5m ,计算底板水平段的阻力系数「丄-0. 7S 1+S2』0.653.2.3.5 齿墙垂直段:S=1m ,T=16.5m , 则齿墙垂直段的阻力系数为>22 兀 S二一In cot[ —(1 — —)]= 0.06兀 4 T(6)齿墙水平段:s 二 S2 = 0 , L^ 1.0m , T=15.5m ,计算齿墙水平段的阻力系数巴X3(7)出口段:S=1.07m , T=16.73m ,计算出口段阻力系数 72S 3匚 02 = 1.5(〒)2+0.441=0.473.3计算渗透压力3.3.1各段水头损失的计算情况h i =m^,正常蓄水情况?H=6.8,且Z -i0.54+0.91+0.59+0.65+0.06+0.06+0.47=3.28底板水平段h 4 =1.35齿墙垂直段h 5 =0.12 出口段 h 7 =0.97 3.3.2进出口水头损失值的修正3.3.2.1进口处修正系数3 1T ' 2 S[12(〒)2+ 2]〒 +0.059]=0.52<1应予以修正。