水闸课程设计(南工)
- 格式:doc
- 大小:1.34 MB
- 文档页数:32
水利水电建筑工程专业水闸施工技术课程设计任务书及指导书水利水电建筑工程专业水闸施工技术课程设计任务书一、课程设计的目的施工技术是本专业一门理论与实践紧密联系的专业课,课程要求在理论教学的过程中,进行实践性教学。
通过本次课程设计,要求学生掌握水利水电工程施工技术方案的确定方法、步骤,施工组织的内容和方法,施工进度、安全的保证措施等。
提高学生将所学的理论知识转化为实践的能力。
二、课程设计的内容根据设计资料,规范,施工手册等有关资料,主要进行水闸施工的几个分项工程设计。
1施工条件分析;2施工导流设计;3基坑排水设计;4主体工程施工设计;5施工进度计划的编制及施工布置;6编写设计计算说明书,绘制相关施工图。
三、课程设计要求1分组完成【每组3-4人】四、设计报告参考提纲(附后)五、设计纪律1、严格遵守学校正常上课秩序。
2、认真收集资料、分析、计算,保证设计质量;设计成果不少于1万字。
3、设计成绩由设计成果、平时表现、考勤三部分组成。
六、设计资料(附后)YJC排涝闸除险加固工程特性表YJC排涝闸施工课程设计基本资料1 工程概况1.1 工程概况YJC排涝闸位于YC市城区汉江干堤右岸,桩号6+500处,是鲤野沟汇入汉江的尾端控制建筑物,具有防洪、排涝、排渍等功能。
该闸于1978年10月动工,至1979年11月竣工,设计排涝面积2.0万亩,设计排水流量133.0 m3/s,为3孔箱涵式排涝闸,闸底板高程54.0m(冻结吴淞高程系统,冻结吴淞高程=黄海高程+2.03m、下同)闸孔口尺寸4×3m(宽×高)。
根据《防洪标准》(GB50201-94)、《堤防工程设计规范》(GB50286-98)及《水闸设计规范》(SD133-84)相关规定,工程等别为Ⅲ等,主要建筑物为3级、次要建筑物为4级。
1.2 主要安全问题鉴定结论2009年5月市水务局组织专家对YJC排涝闸安全进行了鉴定,《水闸安全鉴定报告书》结论如下:1)过水能力:经复核,YJC排涝闸泄洪过流能力134.7m3/s,小于本次复核的设计流量151.1 m3/s,工程防洪标准不满足规范要求,并且闸前淤积严重影响过闸流量。
水闸课程设计一、引言水闸是一种用于控制水流的建筑物,广泛应用于灌溉、水利工程和航运等领域。
本课程设计将以水闸为主题,通过理论学习和实践操作,帮助学生深入了解水闸的原理、结构和运行方式,并培养学生的实践能力和创新思维。
二、教学目标1.掌握水闸的基本概念和分类;2.理解水闸的原理和结构;3.学会使用相关工具进行水闸的设计和计算;4.培养学生的团队合作能力和创新能力。
三、教学内容1. 水闸基础知识•水闸的定义和作用;•水闸的分类及其特点;•水流力学基础知识。
2. 水闸原理与结构•水闸工作原理;•不同类型水闸的结构特点;•水闸启闭机构及其工作原理。
3. 水闸设计与计算•设计参数及其确定方法;•基本设计步骤和流程;•使用相关软件进行水闸设计和计算。
4. 水闸运行与维护•水闸的运行管理;•常见故障及其排除方法;•水闸的定期检查和维护。
四、教学方法1.理论授课:通过讲解PPT和示意图,向学生介绍水闸的基本概念、原理和结构。
2.实验操作:组织学生进行水闸模型的制作和实验操作,让学生亲自体验水闸的启闭过程,并观察其工作原理。
3.计算实践:引导学生使用相关软件进行水闸设计和计算,培养他们的实践能力和解决问题的能力。
4.小组讨论:组织学生分成小组,共同研究解决水闸设计中遇到的问题,培养他们的团队合作精神和创新思维。
五、教学评价1.平时成绩占比:理论知识考试(30%)、实验报告(20%)、计算作业(20%);2.期末成绩占比:设计报告(30%)。
六、教材及参考资料1.教材:–《水利水电工程水闸设计与计算》–《水利工程设计手册》2.参考资料:–《水利工程设计规范》–《水利工程施工与管理》七、教学进度安排教学内容学时安排备注水闸基础知识2学时水闸原理与结构4学时水闸设计与计算6学时水闸运行与维护2学时实验操作及计算实践4学时需分为多个阶段小组讨论和总结报告2学时八、实验设备和材料准备1.实验设备:–水泵、管道、流量计等;–模型制作材料。
水利与生态工程学院水工建筑物课程设计——水闸设计班级:学号:姓名:指导老师:目录1基本资料1.1工程概况1.2地质资料1.3水文气象1.4建筑材料1.5批准的规划成果2闸孔设计2.1闸址的选择2.2闸型的确定2.3拟定闸孔尺寸及闸墩厚度2.4校核泄洪能力3消能设计3.1消能防冲设计的控制情况3.2消力池尺寸及构造3.3海漫设计3.4防冲槽设计3.5上下游岸坡防护4防渗排水设计4.1闸底地下轮廓线的布置4.2排水设备的细部构造4.3防渗计算5闸室布置5.1 底板和闸墩5.2 闸门与启闭机5.3 上部结构5.4 闸室的分缝与止水6闸室稳定计算6.1 设计情况及荷载组合6.2 完建无水期地基承载力验算6.3 正常挡水期闸室抗滑稳定验算7上下游连接建筑物7.1 上游连接建筑物7.2 下游连接建筑物水闸设计1 基本资料1.1工程概况及拦河闸的任务某拦河闸闸址以上流域面积2234平方公里,流域内耕地面积288万亩,河流平均纵坡1/6200。
本工程属三级建筑物。
本工程投入使用后,在正常高水位时,可蓄水2230万立米。
上游5个县25个乡已建成提灌站42处,有效灌溉面积25万亩。
闸上游开南、北两干渠,配支干23条,修建各种建筑物1230座,可自流灌溉下游三县21万农田,效益巨大,是解决某河流域农田的灌溉动脉,同时,也是解决地区浅层地下贫水区的重要水源。
1.2地质资料(一)根据地质钻探资料,闸址附近地层中粉质壤土,厚度约25m,其下为不透水层,其物理力学性质如下:1、湿重度r湿=20.2KN/m3土壤干重度r干=16.0KN/m3饱和重度r饱=22.2KN/m3浮重度r浮=12.2KN/m32.自然含水量时,内摩擦角φ=230饱和含水量时,内摩擦角φ=200土壤的凝聚力C=0.1KN/m23.地基允许承载力[P地基]=150KPa4.混凝土、砌石与土基摩擦系数f=0.365.地基应力的不均匀系数[η]=1.5~2.06.渗透系数K=9.29×10-3cm/s(二)本地区地震烈度为60以下1.3文水气象(一)气温:本地区年最高气温42度,最低气温为-18度。
课程设计水闸一、教学目标本课程的教学目标是让学生掌握水闸的基本概念、结构和功能,了解水闸在水利工程中的重要作用,以及学会水闸的设计和施工方法。
1.了解水闸的定义、分类和特点。
2.掌握水闸的主要结构部件及其功能。
3.了解水闸的工作原理和运行机制。
4.掌握水闸的设计和施工方法。
5.能够分析水闸的结构和功能,解决实际问题。
6.能够运用所学知识进行水闸的设计和计算。
7.能够对水闸施工过程进行监控和管理。
情感态度价值观目标:1.培养学生对水利工程的兴趣和热情,提高学生的专业素养。
2.培养学生团队协作、创新精神和实践能力。
3.使学生认识到水闸在水利工程中的重要性,提高学生的社会责任感和使命感。
二、教学内容本课程的教学内容主要包括水闸的基本概念、结构和功能,水闸的设计和施工方法,以及水闸在水利工程中的应用。
1.水闸的基本概念:水闸的定义、分类和特点。
2.水闸的结构:闸室、闸门、启闭机、两岸连接段等部件的结构和功能。
3.水闸的功能:调节水位、防洪排涝、航运等。
4.水闸的工作原理和运行机制:水闸的开启和关闭、水位变化对水闸运行的影响等。
5.水闸的设计:设计原则、设计步骤、设计方法等。
6.水闸的施工:施工工艺、施工、施工管理等内容。
7.水闸在水利工程中的应用实例:介绍一些典型的水闸工程,分析其在水利工程中的作用和意义。
三、教学方法本课程的教学方法采用讲授法、案例分析法、实验法等多种教学手段,以激发学生的学习兴趣和主动性。
1.讲授法:教师通过讲解水闸的基本概念、结构和功能,以及设计和施工方法,使学生掌握水闸的相关知识。
2.案例分析法:通过分析一些典型的水闸工程案例,使学生了解水闸在水利工程中的应用和重要性。
3.实验法:学生进行水闸模型实验,使学生直观地了解水闸的结构和运行原理。
4.讨论法:学生进行小组讨论,探讨水闸设计和施工中遇到的问题,提高学生的实践能力。
四、教学资源本课程的教学资源包括教材、参考书、多媒体资料、实验设备等。
水闸课程设计一、引言水闸是一种常见的水利工程设施,它可以控制水位,调节水流量,保障农田灌溉和城市供水等。
因此,学习水闸的原理和操作方法对于从事水利工作的人员来说非常重要。
本文将介绍一个针对初学者的水闸课程设计,旨在帮助学生了解水闸的基本概念、结构特点、操作方法以及维护保养等方面的知识。
二、课程设计内容1. 水闸概述(1)定义:什么是水闸?有什么作用?(2)分类:按照不同标准可以将水闸分为哪些类型?(3)结构组成:主要由哪些部分组成?各部分的功能是什么?2. 水闸运行原理(1)流量计算:如何计算流量?有哪些计算公式?(2)压力计算:如何计算压力?有哪些计算公式?(3)开度控制:如何控制开度?有哪些方法?3. 水闸操作方法(1)开启和关闭:如何打开和关闭水闸门?(2)调节流量:如何调节流量大小?(3)紧急处理:在遇到紧急情况时应该如何处理?4. 水闸维护保养(1)清洗和润滑:水闸门和机构需要定期清洗和润滑吗?为什么?(2)检查和维修:水闸门和机构出现故障时应该如何检查和维修?5. 案例分析通过实际案例讲解水闸的运行原理、操作方法以及维护保养等方面的知识,帮助学生更好地理解课程内容。
6. 实践环节组织学生前往当地的水闸进行实地考察,并进行相关操作演示,让学生亲身体验水闸的运行过程,加深对课程内容的理解。
三、教学方法本课程设计采用多种教学方法,包括:1. 讲授法:通过PPT、视频等形式向学生介绍水闸的基本概念、结构特点、操作方法以及维护保养等方面的知识。
2. 互动式教学法:通过提问、讨论等方式与学生进行互动,促进思考和交流。
3. 案例分析法:通过实际案例分析帮助学生更好地理解课程内容。
4. 实践教学法:组织学生前往当地的水闸进行实地考察,并进行相关操作演示,让学生亲身体验水闸的运行过程,加深对课程内容的理解。
四、教材及参考书目1. 《水利工程概论》(王建民,高等教育出版社)2. 《水闸》(杨维民,人民交通出版社)3. 《水利工程实用手册》(王伟民等,中国水利水电出版社)五、评价方法本课程设计采用多种评价方法,包括:1. 学生自评:通过让学生填写反馈表格或写作业的形式了解学生对于课程内容的掌握情况。
目录一、基本设计资料----------------------------------- 11、基本概述资料----------------------------------- 12、水流量资料------------------------------------- 13、闸基土质资料----------------------------------- 24、其他资料--------------------------------------- 25、水闸设计标准----------------------------------- 2二、闸址选择 ----------------------------------------------------------------------- 3三、总体枢纽布置 --------------------------------------------------------------- 31、拦河闸的布置----------------------------------- 32、闸室段的布置----------------------------------- 33、上游连接段的布置--------------------------------34、下游连接段的布置--------------------------------4四、水力计算 ----------------------------------------------------------------------- 41、闸孔设计-------------------------------------- 42、消能防冲设计---------------------------------- 73、海漫设计---------------------------------------9五、防渗排水设计 -------------------------------------------------------------- 101、地下轮廓设计--------------------------------- 102 、防渗计算------------------------------------- 11六、闸室的布置与稳定分析 ----------------------- 151、闸室结构布置--------------------------------- 152、荷载及其组合--------------------------------- 183、闸室稳定计算--------------------------------- 23七、闸室结构设计--------------------------------- 251、闸墩设计------------------------------------- 252、底板结构设计--------------------------------- 25八、基础处理 -------------------------------------- 29九、主要参考文献---------------------------------- 30一、基本设计资料1、基本概述资料本工程是西通河灌区第一级抽水站的拦河闸,其主要任务是拦蓄西通河的河水,抬高水位满足抽水灌溉的需要,洪水期能够宣泄洪水,保证两岸农田不被洪水淹没。
水工建筑物水闸课程设计一、教学目标本节课的教学目标是让学生了解和掌握水工建筑物水闸的基本概念、结构形式、工作原理和设计要求。
具体包括:1.知识目标:(1)能够正确理解水闸的定义、分类和功能;(2)熟悉水闸的主要结构组成及其作用;(3)掌握水闸的工作原理和设计要求。
2.技能目标:(1)能够运用所学知识分析和解决实际工程问题;(2)具备一定的绘图和计算能力,能够阅读和理解水闸设计图纸。
3.情感态度价值观目标:(1)培养学生对水工建筑物的兴趣和热爱,提高学生的工程意识;(2)培养学生团队协作、自主学习和创新思维的能力。
二、教学内容本节课的教学内容主要包括以下几个部分:1.水闸的基本概念:介绍水闸的定义、分类和功能,使学生了解水闸在水工建筑物中的重要性。
2.水闸的结构组成:讲解水闸的主要结构组成,包括上游连接段、下游连接段、闸室、工作闸门、启闭设备等,并分析各部分的作用。
3.水闸的工作原理:阐述水闸的工作原理,包括上游水位上升、下游水位下降、闸门开启和关闭等过程,使学生掌握水闸的运行规律。
4.水闸的设计要求:介绍水闸设计的主要依据和原则,包括结构稳定性、泄洪能力、过船条件等,为学生后续学习水闸设计打下基础。
5.案例分析:分析一些典型的水闸工程案例,使学生更好地理解和运用所学知识。
三、教学方法为了提高教学效果,本节课将采用多种教学方法相结合的方式:1.讲授法:教师讲解水闸的基本概念、结构组成、工作原理和设计要求,引导学生掌握知识点。
2.案例分析法:通过分析典型水闸工程案例,使学生更好地理解和运用所学知识。
3.讨论法:学生进行小组讨论,培养学生团队协作和创新思维的能力。
4.实验法:安排学生参观水闸工程,亲身体验水闸的运行原理,提高学生的实践能力。
四、教学资源为了支持本节课的教学,我们将准备以下教学资源:1.教材:选用权威、实用的水工建筑物水闸教材,作为学生学习的主要参考资料。
2.参考书:提供相关领域的参考书籍,丰富学生的知识体系。
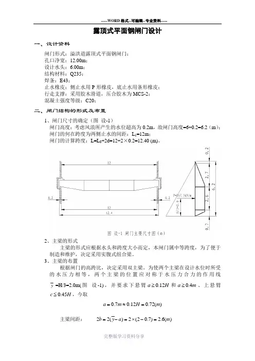
露顶式平面钢闸门设计一、设计资料闸门形式:溢洪道露顶式平面钢闸门; 孔口净宽:12.00m ; 设计水头:6.00m ; 结构材料:Q235; 焊条:E43;止水橡皮:侧止水用P 形橡皮,底止水用条形橡皮; 行走支撑:采用胶木滑道,压合胶木为MCS-2; 混凝土强度等级:C20;二、闸门结构的形式及布置1、闸门尺寸的确定(图 设-1)闸门高度:考虑风浪所产生的水位超高为0.2m ,故闸门高度=6+0.2=6.2(m ); 闸门的何在跨度为两侧止水的间距:L 1=12m ; 闸门的计算跨度:L=L 0+2d=12+2×0.2=12.40 (m)。
2、主梁的形式主梁的形式应根据水头和跨度大小而定,本闸门属中等跨度,为了便于制造和维护,决定采用实腹式组合梁。
3、主梁的布置根据闸门的高跨比,决定采用双主梁。
为使两个主梁在设计水位时所受的水压力相等,两个主梁的位置应对称于水压力合力的作用线__y=H/3=2.0m(图 设-1),并要求下悬臂H a 12.0≥和m a 4.0≥、上悬臂H c 45.0≤,今取)(72.012.07.0m H m a =≈=主梁间距: )(6.2)7.02(2)(22__m a y b =-⨯=-=则 H m a b H c 45.0)(7.27.06.262==--=--=(满足要求) 4、梁格的布置和形式梁格采用复式布置和等高连接,水平次梁穿过横隔板上的预留孔并被横隔板所支撑。
水平次梁为连续梁,其间距应上疏下密,使面板各区格需要的厚度大致相等,梁格布置的具体尺寸详见 图 设-2 5、连接系的布置和形式(1)横向连接系,根据主梁的跨度,决定布置3道横隔板,其间距为3.1m ,横隔板兼作竖直次梁。
(2)纵向连接系,设在两个主梁下翼缘的竖平面内,采用斜杆式桁架。
6.边梁与行走支承边梁采用单腹式,行走支承采用胶木滑道。
三、面板设计根据SL 74—95《水利水电工程钢闸门设计规范》修订送审稿,关于面板的计算,先估算面板厚度,在主梁界面选择之后再验算面板的局部弯曲与主梁整体弯曲的折算应力。
水闸课程设计任务书一、课程设计目的课程设计是学生把所学的理论和生产实践相结合的重要环节,其目的是:1.培养综合应用所学理论知识解决实际工程问题的能力,初步掌握水利工程设计的方法和步骤;2.加深对所学理论知识的理解。
3.训练提高编写设计报告及绘图的技能。
4.提高独立解决工程实际问题的能力。
二、设计任务根据所给地形、地质、水文和其他资料及相应的部分成果,进行开敞式水闸设计。
具体任务如下:1.选择闸孔型式。
2.通过水力计算,确定水闸闸孔尺寸、孔数及消能防冲形式和尺寸。
3.按防渗要求布置闸基地下轮廓线,拟定防渗设施的形式、尺寸和构造。
用改进阻力系数法计算渗透压力。
4.根据规范及相关设计手册,拟定底板、闸墩、边墩、闸门、启闭机、工作桥、交通桥的形式和尺寸。
5.进行闸室稳定计算及地基应力验算。
6.拟定上下游翼墙及护坡的形式、构造及尺寸。
三、设计成果及要求设计成果包括设计图、设计说明书,其要求如下:1.设计说明书:内容应包括本建筑物的设计原始资料、设计原理、各部分结构尺寸确定的依据及详细的计算过程,应列出计算公式和计算简图,计算结果尽可能以表格的形式表达。
设计说明书提交电子版及手写纸质版。
2.设计图:提交水闸总平面布置图、纵剖面图、闸室横剖面图、上下游连接段横剖面图,图纸图幅按A3图绘制,提交CAD图。
要求按规范制图,比例适当、尺寸齐全、图面饱满。
四、设计时间安排课程设计完成时间为:11月26日—12月20日。
五、设计说明书编写提纲1.总论1.1概述1.2基本资料2.水闸的水力设计2.1水闸的闸孔设计(闸室的结构型式及孔口尺寸确定)2.2水闸的的消能防冲设计3.水闸的防渗排水设计3.1地下轮廓设计(闸室的结构型式及孔口尺寸确定)3.2防渗排水设计及渗透压力计算3.3防渗排水设施及西部构造4.闸室布置4.1闸底板和闸墩4.2工作桥、交通桥4.3闸门和启闭机5闸室稳定计算5.1荷载及其组合5.2闸室稳定计算5.3地基应力验算6上下游连接建筑物6.1上游连接建筑物6.2下游连接建筑物水闸设计基本资料一.工程概况及任务本水闸为一在河道上修建的拦河闸。
目录水闸课程设计任务书...................................................................................... - 2 - 一.工程任务.......................................................................................... - 2 - 二.基本资料.......................................................................................... - 2 - 三.设计内容.......................................................................................... - 3 - 四.设计成果.......................................................................................... - 3 - 五.时间安排.......................................................................................... - 3 - 水闸课程设计计算书...................................................................................... - 4 - 第一章闸室布置.................................................................................. - 4 - 一.闸型选择及水闸级别...................................................................... - 4 - 二.闸室基本尺寸的确定...................................................................... - 4 - 三.泄流能力校核.................................................................................. - 6 - 第二章消能与防冲设计...................................................................... - 8 -一.消能计算的控制情况......................................................................... - 8 -二.消力池长度的计算........................................................................... - 10 -三.护坦构造........................................................................................... - 11 -四.海漫的长度和型式........................................................................... - 11 -五.防冲槽设计.................................................................................... - 11 - 第三章防渗设计................................................................................ - 12 - 一.选择地下轮廓线............................................................................ - 12 -二.渗透压力计算................................................................................... - 12 -第四章闸室抗滑稳定计算................................................................ - 13 - 一,荷载计算........................................................................................ - 13 - 二.抗滑稳定计算................................................................................ - 14 - 三.基地压力计算................................................................................ - 14 - 第五章闸室结构计算........................................................................ - 15 - 一.计算情况........................................................................................ - 15 - 二.计算方法........................................................................................ - 15 -水闸课程设计任务书一.工程任务本枢纽位于某河下游,主要任务是雍高河道水位,以满足河道两岸引水灌溉要求,并适当照顾到工业给水、陆路交通等。
水利水电水闸课程设计一、课程目标知识目标:1. 让学生理解水利水电水闸的基本原理和结构组成,掌握水闸的运行机制及其在水利工程中的作用。
2. 使学生掌握水利水电水闸设计的基本步骤和主要参数,能够运用相关公式进行简单计算。
3. 帮助学生了解水利水电水闸工程的管理与维护知识,提高对水利工程安全性的认识。
技能目标:1. 培养学生运用CAD软件绘制水利水电水闸平面布置图和剖面图的能力。
2. 培养学生根据实际工程需求,合理选择水闸类型和设计参数的能力。
3. 提高学生通过小组合作,进行水利水电水闸设计方案的讨论、比较和优化的能力。
情感态度价值观目标:1. 激发学生对水利水电工程建设的兴趣,培养其投身水利工程建设的职业情感。
2. 培养学生严谨的科学态度,注重实际操作,强调理论与实践相结合。
3. 增强学生的环保意识,使其在设计过程中充分考虑生态环境保护,体现绿色可持续发展理念。
课程性质:本课程为实践性较强的学科课程,结合理论教学和实际操作,培养学生具备水利水电水闸设计的基本能力。
学生特点:学生为高中年级学生,具备一定的物理、数学基础,对水利工程有初步了解,具备一定的自学和动手能力。
教学要求:结合学生特点,注重理论联系实际,采用案例教学、小组合作等方法,提高学生的实际操作能力和解决问题的能力。
通过课程学习,使学生达到上述课程目标,为后续相关课程学习和未来职业发展奠定基础。
二、教学内容1. 水利水电水闸基本原理:讲解水闸的工作原理、结构类型及功能,结合教材第一章内容,让学生掌握水闸工程的基本概念。
2. 水闸设计步骤与参数:分析水闸设计的主要步骤,包括初步设计、详细设计和施工图设计,学习教材第二章关于水闸设计参数的确定方法。
3. 水闸工程管理与维护:介绍水闸工程的管理制度、维护方法及安全监测,结合教材第三章内容,提高学生对水利工程安全管理的认识。
4. 水利水电水闸平面布置图和剖面图绘制:教授CAD软件的基本操作,指导学生绘制水闸平面布置图和剖面图,参考教材第四章内容。
《水工建筑物》课程设计任务书(水闸)题目:年月日学生姓名:学号:班级:专业(专业方向):指导教师:樊新建侯慧敏王之君一、设计目的和要求1.通过课程设计,使学生初步掌握水闸设计的一般原则、方法和步骤,巩固、加深和扩大所学的基础理论知识,,并使之系统化。
2. 通过课程设计,培养学生正确的设计思想、严谨的工作作风,踏实肯干和求实奋进的精神;初步掌握水工建筑物的设计原则、设计方法和步骤;3.培养学生的独立思考、独立工作能力,提高学生的综合运算,绘图及编写设计报告的基本技能,为今后从事设计、施工、管理工作打下一定的基础。
二、特征水位正常蓄水位:设计洪水位:校核洪水位:三、设计任务及要求根据提供的水文、水利计算成果,在分析研究所提供的资料的基础上,进行水闸枢纽的设计工作,设计深度为初步设计。
主要设计内容有:1.确定水利枢纽工程和水工建筑物的等级、洪水标准;2.水闸的枢纽布置;定性分析选择的闸型,确定水闸闸室堰顶的高程和闸墩顶部高程,拟定水闸的孔数,确定水闸在枢纽中的位置。
3.水闸的平面和纵剖面布置;包括水闸的引水渠、控制段、消能段及防冲段,地下轮廓的布置。
4.闸室的水力设计和结构设计;闸室的水力设计包括泄水流量或冲沙流量、消能防冲、闸下渗流计算;闸室的结构设计包括引水渠底板的长度和翼墙的型式、尺寸,闸室段岸边建筑物型式、尺寸和绕渗处理,下游翼墙的型式尺寸;闸室段的抗滑稳定、沉陷、边缘应力计算;并判别两者是否满足规范规定程度,若不满足,提出改善措施。
5.水闸的细部构造设计;闸墩、工作桥、分缝与排水、止水,各部分材料设计等。
6.闸基处理。
四、进度安排五.课程设计的要求1. 设计一律在设计教室进行,无故不参加设计规定时间的三分之一者,或抄袭他人成果者,均以零分计(抄袭双方)。
2. 每位学生必须独立完成课程设计的内容,提交设计成果。
设计成果包括:(1)计算书一份要求详细列出所有计算过程,并附计算草图;要求列出计算成果,简要说明计算成果的合理性,或设计的不足和还可以进一步改进的地方。
南昌工程学院课程设计(论文)任务书一1 课程设计(论文)题目重力坝课程设计2课程设计(论文)使用的原始资料(数据)及设计技术要求某枢纽以了发电为主, 兼顾防洪灌溉. 水库建成后. 还可以提高下游二个水电站的出力的发电量. 该工程坝型为混凝土重力坝.(一)水库特征;一水库水位. 1.正常蓄水位--349M. 2. 设计洪水位---349.9M 3校核洪水位---350.4M二下游流量及相应下游水位..1 千年一遇洪水的下泄流量.13770 米3/秒.. 相应下流水位271.90米2 五千年一遇洪水的下泄流量.15110 米3/秒.. 相应下流水位272.63米三. 库容: 总库容为17.9亿. 考虑开挖后. 坝基面高程269M(二) 综合利用效益: 装机容量20万千瓦, 年发电量.7.4亿度.,防洪: 可将千年一遇洪峰流量以18200米3/秒削减至13770米3/秒: 可将五千年一遇洪峰流量以21200米3/秒削减至15110米3/秒: 可灌溉农田30万亩: 此外还可以改善航运条件, 库区可从事养殖.(三)自然条件.1 地形. 坝址位于峡谷出口段. 左岸地势较低.山坡较缓.右岸地势较高.山坡较陡.2 地质. 坝址出露岩层为志留系圣母山绿色含砾片岩.岩性坚硬完整.新鲜岩石饱和极限抗压强度在60—80MPA以上. 坝上游坡角为绢云母绿泥石英片岩. 饱和极限抗压强度在30—40MPA.坝基坑剪断擦系数F经野外试验及分析研究确定为1.0—1.1: 坝基坑剪断凝聚力为为0.6—0.8MPA.3 水文地质坝址水文地质较简单.相对不透水层埋藏深度一般在35米以内.库区无渗漏问题4 气象资料最高气温为42度. 最低气温为-8度.多年平均最大风速为14米/秒. 水库吹程为1.4KM5 淤泥:百年后坝前淤沙高程为286.6米.淤积泥沙内摩擦角取0度.淤沙浮容重为8000N/M二、工程的等别和建筑物级别水利部、能源部颁布的水利水电工程的分等分级指标,将水利水电工程根据其工程规模、效益和在国民经济中的重要性分为五等。
水闸课程设计手稿一、教学目标本课程旨在让学生了解水闸的定义、功能、结构及其在水利工程中的重要性。
通过本课程的学习,学生将能够掌握水闸的基本原理和设计方法,了解水闸在不同环境下的应用,并能够对水闸工程进行合理的评价和分析。
1.理解水闸的定义和功能;2.掌握水闸的基本结构和设计原理;3.了解水闸在水利工程中的应用和重要性。
4.能够分析水闸工程的基本问题;5.能够运用所学知识对水闸工程进行评价和分析。
情感态度价值观目标:1.培养学生对水利工程的兴趣和热情;2.培养学生对水闸工程的科学态度和责任感。
二、教学内容本课程的教学内容主要包括水闸的定义和功能、水闸的结构和设计原理、水闸在水利工程中的应用等。
具体的教学大纲如下:1.第一章:水闸的定义和功能–节1:水闸的定义–节2:水闸的功能和作用2.第二章:水闸的结构和设计原理–节1:水闸的基本结构–节2:水闸的设计原理和方法3.第三章:水闸在水利工程中的应用–节1:水闸在防洪工程中的应用–节2:水闸在治河工程中的应用三、教学方法本课程的教学方法主要包括讲授法、案例分析法和实验法。
通过多种教学方法的结合,激发学生的学习兴趣和主动性。
1.讲授法:通过教师的讲解,使学生掌握水闸的基本知识和原理。
2.案例分析法:通过分析真实的水闸工程案例,使学生了解水闸在实际工程中的应用和效果。
3.实验法:通过实验操作,使学生了解水闸的结构和原理,提高学生的实践能力。
四、教学资源本课程的教学资源包括教材、参考书、多媒体资料和实验设备。
1.教材:选用权威的水利工程教材,为学生提供系统的理论知识。
2.参考书:提供相关领域的参考书籍,丰富学生的知识储备。
3.多媒体资料:制作课件、视频等多媒体资料,增强课堂教学的趣味性和生动性。
4.实验设备:准备相关的实验设备,为学生提供实践操作的机会。
五、教学评估本课程的评估方式包括平时表现、作业和考试等,旨在全面客观地评价学生的学习成果。
1.平时表现:通过观察学生在课堂上的参与程度、提问和回答问题的表现,评估学生的学习态度和理解程度。
1设计基本资料前进闸建在前进镇以北的红旗渠上,闸址地理位置见图1-1。
该闸的主要作用是:(1)防洪。
当胜利河水位较高时,关闸挡水,以防止胜利河的高水入侵红旗渠下游两岸的低田,保护下游的农田和村镇。
(2)灌溉。
灌溉期引胜利河水北调,以灌溉红旗渠两岸的农田。
(3)引水冲淤。
在枯水季节,引水北上至下游的红星港,以冲淤保港。
图1-1闸址位置示意图1.1规划数据红旗渠为人工渠道,其断面尺寸如图1-2所示。
渠底高程为-5.5m,底宽50m,两岸边坡均为1 : 2。
图1-2红旗渠断面示意图(单位: m)该闸的主要设计水位组合有以下几方面1.孔口设计水位、流量根据规划要求,在灌溉期前进闸自流引胜利河水灌溉,引水流量为300m3/s。
此时相应的水位为:闸上游水位为1.83m;闸下游水位为1. 78m。
冬春枯水季节,由前进闸自流引水送至下游的红星港冲淤保港,引水流量为100 m3/s。
此时相应的水位为:闸上游水位为1.44m;闸下游水位为1. 38m。
2.闸身稳定计算水位组合(1)设计情况:上游水位4.3m,浪高0.8m;下游水位1.0m。
(2)校核情况:上游水位4. 7m,浪高0.5m;下游水位1.0m。
3.消能防冲设计水位组合根据分析,消能防冲的不利水位组合是:引水流量为300 m3/s,相应的上游水位为4.70m,下游水位为1. 78m。
4.下游水位流量关系下游水位~流量关系见表1-1。
表1-1下游水位流量关系表1.2设计资料1.闸基土质分布情况根据钻探报告,闸基土质分布情况见表1-2。
表1-2 闸基土层分布2.闸基土工试验资料根据土工试验资料,闸基持力层坚硬粉质粘土的各项参数指标为:凝聚力c=60.0kPa;内摩擦角ɸ= 19°;天然孔隙比e=0. 69;天然容重ϒ=20.3kN/m3。
建闸所用回填土为砂壤土,其内摩擦角∞=26°,凝聚力c=0,天然容重Y= 18kN/m3。
1.3闸的设计标准根据《水闸设计规范》, 前进闸按Ⅲ级建筑物设计。
水工建筑物水闸课程设计一、课程目标知识目标:1. 学生能理解水闸的基本概念、结构类型及工作原理;2. 学生能掌握水闸工程的设计流程和关键参数的计算方法;3. 学生能了解水闸施工技术及其在水利工程中的应用。
技能目标:1. 学生能运用水闸设计的基本理论,独立完成小型水闸的设计方案;2. 学生能运用水工建筑物相关软件,对水闸工程进行模拟和分析;3. 学生具备解决实际水闸工程问题的能力,能够根据地形、地质等条件合理选择水闸类型和设计参数。
情感态度价值观目标:1. 学生培养对水利工程建设的热爱,增强对水资源的保护和利用意识;2. 学生树立正确的工程观念,注重工程质量和安全,提高社会责任感;3. 学生通过团队协作,培养沟通、交流和合作能力。
本课程针对高年级水利工程相关专业学生,结合课程性质、学生特点和教学要求,将目标分解为具体的学习成果。
课程注重理论知识与实践操作相结合,培养学生具备独立设计和解决实际工程问题的能力。
通过本课程的学习,为学生未来从事水利工程设计和施工打下坚实基础。
二、教学内容1. 水闸概述:水闸的定义、分类、作用及在水利工程中的重要性;教材章节:第二章 水利工程施工技术 2.1节 水闸工程概述2. 水闸结构设计:水闸各部分结构及其工作原理,包括闸室、上下游连接段、基础和闸门等;教材章节:第二章 2.2节 水闸结构设计3. 水闸设计流程与参数计算:设计流程、主要设计参数及其计算方法,如流量计算、水位计算等;教材章节:第二章 2.3节 水闸设计参数计算4. 水闸施工技术:施工准备、施工方法、施工质量控制及安全措施;教材章节:第二章 2.4节 水闸施工技术5. 水闸工程实例分析:分析典型水闸工程案例,了解工程实际应用中的关键问题及解决方案;教材章节:第二章 2.5节 水闸工程实例分析6. 水工建筑物软件应用:介绍水工建筑物相关软件,如AutoCAD、Revit 等,并应用于水闸工程设计;教材章节:附录 水工建筑物软件应用教学内容按照以上安排进行,教学进度根据课程目标和学生的学习情况适时调整。
水利与生态工程学院水工建筑物课程设计——水闸设计班级:学号:姓名:指导老师:目录1基本资料1.1工程概况1.2地质资料1.3水文气象1.4建筑材料1.5批准的规划成果2闸孔设计2.1闸址的选择2.2闸型的确定2.3拟定闸孔尺寸及闸墩厚度2.4校核泄洪能力3消能设计3.1消能防冲设计的控制情况3.2消力池尺寸及构造3.3海漫设计3.4防冲槽设计3.5上下游岸坡防护4防渗排水设计4.1闸底地下轮廓线的布置4.2排水设备的细部构造4.3防渗计算5闸室布置5.1 底板和闸墩5.2 闸门与启闭机5.3 上部结构5.4 闸室的分缝与止水6闸室稳定计算6.1 设计情况及荷载组合6.2 完建无水期地基承载力验算6.3 正常挡水期闸室抗滑稳定验算7上下游连接建筑物7.1 上游连接建筑物7.2 下游连接建筑物水闸设计1 基本资料1.1工程概况及拦河闸的任务某拦河闸闸址以上流域面积2234平方公里,流域内耕地面积288万亩,河流平均纵坡1/6200。
本工程属三级建筑物。
本工程投入使用后,在正常高水位时,可蓄水2230万立米。
上游5个县25个乡已建成提灌站42处,有效灌溉面积25万亩。
闸上游开南、北两干渠,配支干23条,修建各种建筑物1230座,可自流灌溉下游三县21万农田,效益巨大,是解决某河流域农田的灌溉动脉,同时,也是解决地区浅层地下贫水区的重要水源。
1.2地质资料(一)根据地质钻探资料,闸址附近地层中粉质壤土,厚度约25m,其下为不透水层,其物理力学性质如下:1、湿重度r湿=20.2KN/m3土壤干重度r干=16.0KN/m3饱和重度r饱=22.2KN/m3浮重度r浮=12.2KN/m32.自然含水量时,内摩擦角φ=230饱和含水量时,内摩擦角φ=200土壤的凝聚力C=0.1KN/m23.地基允许承载力[P地基]=150KPa4.混凝土、砌石与土基摩擦系数f=0.365.地基应力的不均匀系数[η]=1.5~2.06.渗透系数K=9.29×10-3cm/s(二)本地区地震烈度为60以下1.3文水气象(一)气温:本地区年最高气温42度,最低气温为-18度。
(二)风速:最大风速V=20m/s,吹程D=0.6Km。
(三)降雨量:非汛期(1~6月及10~12月)9个月河流平均最大流量为10m3/s;汛期(7~9月)3个月河流平均最大流量为130m3/s。
年平均最大流量36.1 m3/s,最大年径流总量为9.25亿m3。
年平均最小流量15.6 m3/s,最小年径流总量为0.42亿m3。
(四)冰冻:颖河流域冰冻时间短,冻土很薄,不影响施工。
(五)上下游河道断面1.4建筑材料本工程位于平原地区、山丘少,石料需从外地供给,距京广线很近,交通条件较好。
经调查本地区附近有较丰富的粘土材料。
闸址处有足够多的砂料。
1.5批准的规划成果(一)灌溉用水季节,拦河闸的正常挡水位为58.63m,下游无水。
(二)洪水标准。
1.设计洪水位50年一遇,相应的洪峰流量1113m3/s,闸上游的洪水位为59.5m,相应的下游水位59.35m。
2.校核洪水位200年一遇,相应洪峰流量1642.35 m3/s,闸上游的洪水位6l.00m,闸下游水位60.82m。
2闸孔设计2.1 闸址的选择闸址、闸轴线的选择关系到工程的安全可靠、施工难易、操作运用、工程量及投资大小等方面的问题。
在选择过程中首先应根据地形、地质、水流、施工管理应用及拆迁情况等方面进行分析研究,权衡利弊,经全面分析比较,合理确定。
本次设计中闸轴线的位置已由规划给出。
2.2 闸型确定本工程主要任务是正常情况下拦河截水,以利灌溉,而当洪水来临时,开闸泄水,以保防洪安全。
由于是建于平原河道上的拦河闸,应具有较大的超泄能力,并利于排除漂浮物,因此采用不设胸墙的开敞式水闸。
同时,由于河槽蓄水,闸前淤积对洪水位影响较大,为便于排出淤沙,闸底板高程应尽可能低。
因此,采用无底坎平顶板宽顶堰,堰顶高程与河床同高,即闸底板高程为51.92m。
2.3 拟定闸孔尺寸及闸墩厚度由于已知上、下游水位,可推算上游水头及下游水深,如表1所示:闸门全开泄洪时,为平底板宽顶堰堰流,根据公式1判别是否为淹没出流。
按照闸门总净宽计算公式(2),根据设计洪水和校核洪水两种情况分别计算如下表。
其中 ε为堰流侧收缩系数,取0.96;m 为堰流流量系数,取0.385。
表3 闸孔总净宽计算表流量Q (m 3/s )下游水深hs (m ) 上游水头 H 0(m )0H h s淹没系数 σ0B (m )设计流量1113 7.43 7.69 0.966 0.574 55.57 校核流量1642.358.99.230.9640.58661.08根据《闸门设计规范》中闸孔尺寸和水头系列标准,选定单孔净宽 b=9m ,同时为了保证闸门对称开启,防止不良水流形态,选用7孔,闸孔总宽度为:L =nb 0+(n -1)d =(7×9)+(2×1.6+4×1.2)=71m由于闸基为软基河床,选用整体式底板,缝设在闸墩上,中墩厚1.2m ,缝墩厚1.6m ,边墩厚0.5m 。
如图1所示。
图1 闸孔尺寸布置图 (单位:m)2.4 校核泄洪能力根据孔口与闸墩的尺寸可计算侧收缩系数,查《水闸设计规范》(规范表2-2),结果如下:对于中孔;靠缝墩孔;对于边孔;所以956.0241909.02973.04976.01321332211=++⨯+⨯+⨯=++++=n n n n n n 中中中εεεε870,得. 0 2 . 1 9 9 0 = + = sb b 980. 01 =中 ε 975. 0 2 =中 ε 849, 得 . 0 6 . 1 9 9 0 = + = sb b 239, 得 . 0 66 . 28 9 90 = + = s b b 910 . 0 3 = 中 ε与假定接近,根据选定的孔口尺寸与上下游水位,进一步换算流量如下表所示:设计情况超过了规定5%的要求,说明孔口尺寸有些偏大,但根据校核情况满足要求,所以不再进行孔口尺寸的调整。
3 消能设计3.1 消能防冲设计的控制情况由于本闸位于平原地区,河床的抗冲刷能力较低,所以采用底流式消能。
设计水位或校核水位时闸门全开渲泄洪水,为淹没出流无需消能。
闸前为正常高水位58.63m,部分闸门局部开启,只宣泄较小流量时,下流水位不高,闸下射流速度较大,才会出现严重的冲刷河床现象,需设置相应的消能设施。
为了保证无论何种开启高度的情况下均能发生淹没式水跃消能,所以采用闸前水深H=6.71m,闸门局部开启情况,作为消能防冲设计的控制情况。
为了降低工程造价,确保水闸安全运行,可以规定闸门的操作规程,本次设计按1、3、5、7孔对称方式开启,分别对不同开启孔数和开启度进行组合计算,找出消力池池深和池长的控制条件。
按公式(7)、(8)、(9)、(11)计算结果列入表1通过计算,为了节省工程造价,防止消力池过深,对开启1孔开启高度为2.0米限开,得出开启1孔开启高度为2米为消力池的池深控制条件。
3.2 消力池尺寸及构造1、消力池深度计算根据所选择的控制条件,估算池深为1.6m,用(10)、(11)、(12)式计算挖池后的收缩水深h c和相应的出池落差ΔZ及跃后水深h c″,验算水跃淹没系数符合在1.05~1.10之间的要求。
2、消力池池长根据池深为2m ,用公式(13)、(14)计算出相应的消力池长度为22.4m。
3、消力池的构造采用挖深式消力池。
为了便于施工,消力池的底板做成等厚,为了降低底板下部的渗透压力,在水平底板的后半部设置排水孔,孔下铺设反滤层,排水孔孔径为10cm ,间距为2m ,呈梅花形布置。
根据抗冲要求,按式16计算消力池底板厚度。
其中 1k 为消力池底板计算系数,取0.18;q 为确定池深时的过闸单宽流量; H '∆为相应于单宽流量的上、下游水位差。
取消力池底板的厚度 0.1=t m 。
图1 消力池构造尺寸图 (单位:高程m ,尺寸cm)3.3 海漫设计1、海漫长度计算用公式(18)计算海漫长度结果列入表2。
其中 s k 为海漫长度计算系数,根据闸基土质为中粉质壤土则选12。
取计算表中的大值,确定海漫长度为40m 。
流量Q上游水深H下游水深hs ′qs △H ′Lp 100 6.71 1.63 1.41 5.08 21.38 2006.712.492.824.2228.87006 . 1 01. 5 32 . 0 11 . 3 2 0 = + + = ' ' ∆ + + =cs h Z h d σ 81 m. 0 11 . 3 7 . 6 69 . 10 18 . 0 = - = t2、海漫构造因为对海漫的要求为有一定的粗糙度以便进一步消除余能,有一定的透水性,有一定的柔性。
所以选择在海漫的起始段为10米长的浆砌石水平段,因为浆砌石的抗冲性能较好,其顶面高程与护坦齐平。
后30米做成坡度为1:15的干砌石段,以使水流均匀扩散,调整流速分布,保护河床不受冲刷。
海漫厚度为0.6米,下面铺设15cm 的砂垫层。
3.4 防冲槽设计海漫末端河床冲刷坑深度按公式19计算,其中河床土质的不冲流速可按下式计算。
按不同情况计算如表3所示。
[]51051~4100R v Rv v =⎪⎭⎫ ⎝⎛= (20)式中 []0v —河床土质的不冲流速,m/s ;0v —查《水力学》可知此处取0.8m/s ; R —水力半径,x AR =;s h ''—海漫末端河床水深,m 。
根据计算确定防冲槽的深度为1.70m 。
采用宽浅式,底宽取3.4m ,上游坡率为2,下游坡率为3,出槽后作成坡率为5的斜坡与下游河床相连。
如图2所示。
图2 海漫防冲槽构造图 (单位:m)3.5 上、下游岸坡防护为了保护上、下游翼墙以外的河道两岸岸坡不受水流的冲刷,需要进行护坡。
采用浆砌石护坡,厚0.3米,下设0.1米的砂垫层。
保护范围上游自铺盖向上延伸2~3倍的水头,下游自防冲槽向下延伸4~6倍的水头。
4 防渗排水设计4.1 闸底地下轮廓线的布置1、防渗设计的目的防止闸基渗透变形;减小闸基渗透压力;减少水量损失;合理选用地下轮廓尺寸。
2、布置原则防渗设计一般采用防渗和排水相结合的原则,即在高水位侧采用铺盖、板桩、齿墙等防渗设施,用以延长渗径减小渗透坡降和闸底板下的渗透压力;在低水位侧设置排水设施,如面层排水、排水孔排水或减压井与下游连通,使地下渗水尽快排出,以减小渗透压力,并防止在渗流出口附近发生渗透变形。
3、地下轮廓线布置 (1)闸基防渗长度的确定。
根据公式(2)计算闸基理论防渗长度为46.97m 。
其中 C 为渗径系数,因为地基土质为重粉质壤土,查表取7。