电动吊篮月常检查记录表学习资料
- 格式:doc
- 大小:33.50 KB
- 文档页数:2
雅馨苑小区1#商住楼
电动吊篮
日常保养检查记录
XXXXXXXXX
二0一四年四月
电动吊篮日常保养检查记录
工程名称:雅馨苑1#商住楼 设备型号:ZLP630 年 月 日
操作人: 机管员: 安全员:
说明:1、检查前必须先切断电源。
(检修行程开关等例外)
2、以上各项主要由操作人完成记录在“检查结果”栏内,即时解决或通知维修 工维修。
电动吊篮日常保养检查记录
工程名称:雅馨苑1号商住楼 设备型号:ZLP630 年 月 日
操作人: 机管员: 安全员:
说明:1、检查前必须先切断电源。
(检修行程开关等例外)
2、以上各项主要由操作人完成记录在“检查结果”栏内,即时解决或通知维修 工维修。
吊篮月检表吊篮安全月检表
工程名称:
监理单位:
总包单位:
分包单位:
出租单位:
月检日期:年月日
检查内容:
1.吊篮拆装方案
检查方式:查方案审批情况、查资料
符合:□ 不符合:□
2.吊篮检查情况
检查方式:查现场
安装完成后出租单位、使用单位、监理单位验收记录吊篮下挡板安装是否符合要求
安全绳、钢丝绳完好情况
安全锁、限位保险、电气设备运行情况
电缆线路、开关箱设置情况
符合:□ 不符合:□
3.整改告知
检查方式:查资料、查现场
责令暂停施工:□
责令排除重大安全事故隐患:□
纠正违法行为:□
整改期限:要求年月日前整改完毕,并将整改情况报监理单位审核
备注:
专职安全员(签字)
项目总监(签字)
租赁单位审查人(签字)
项目经理(签字)
总包安全负责人(签字)。
吊篮(月度)检查记录表工程名称:天福.广场A栋施工单位:湖南省建筑工程集团总公司检查日期:年月日
项目检查内容检查情况项目检查内容检查情况
钢丝绳有否损伤(断丝、断股、
压痕、变形、松散、折
弯)
提
升
机
与安装架连接是否牢靠
有无漏油
有否被杂物沾污、有无
沾油
悬
吊
平
台
运
行
悬吊平台在5m以上行程运行
3次有无异常声音锈蚀及磨损情况
悬吊平台是否水平绳夹有无松动插头、插座是否完好
悬挂机构配重块有无散失、破损电
气
控
制
系
统
电缆是否完好
电源指示灯是否完好各梁、支架、支柱连接
是否牢固、锈蚀情况
转换开关动作是否正常
交流接触器动作是否正常定位是否可靠限位开关动作是否正常
悬吊平台栏杆、底架、安装架等
连接是否牢固
紧急停机的动作是否正常管子有无损伤、锈蚀评价及处理意见:
焊缝有无裂纹、脱开
安全锁倾斜锁绳是否可靠动作是否灵活
电磁制动器
间隙是否正常
动作有无卡阻
制动是否可靠手动滑降是否灵活
注:1、表中“判定”栏用“√”表示正常,“×”表示有问题;
2、悬吊平台上下运动要在其他项目检查完毕并合格后进行;
3、检查如有问题,填写下表;
整改措施:
整改人:日期:
验收意见:
□同意□不同意使用验收人:日期:
验收单位签字:
项目部:监理单位:租赁单位:年月日年月日年月日。
电动吊篮日常检查记录表电动吊篮日常检查记录表作业单位: 设备编号: 月份:检查内容日检查人钢丝绳悬挂工作安全电磁制提升平台电气控制期签字机构平台锁动器运行系统 1 2 3 4 5 6 7 8 9 10 11 12 13 14 15 16 17 18 19 20 21 22 23 24 25 26 27 28 29 30 31 注:1、各个检查项目具体检查内容附后(依照附表进行检查),有问题的项目在相应的项目下面画“×”,没问题的在相应项目下画“?”。
2、有?标记的应立即整修,有?标记的应限期整改,有O标记的应按规定报废。
3、工作平台上下运动要在项目检查完毕并合格以后进行。
吊篮日常检查项目(附表)项目检查内容1、有否损伤(断丝、断股、压痕、变形、松散、折弯)。
钢丝绳 2、有否被杂物沾污,有无沾油。
3、锈蚀及磨损情况。
4、绳夹有无松动。
1、配重块有无散失、破损。
悬挂机构2、各梁、支架、支柱连接是否牢固。
3、定位是否可靠。
1、栏杆、底架、安装架等连接是否牢固。
工作平台2、杆子有无损伤。
3、焊缝有无裂纹、脱开。
1、倾斜锁绳是否可靠。
安全锁 2、动作是否灵活。
1、间隙是否正常。
电磁制动器 2、动作有无卡阻。
3、制动是否可靠。
4、手动滑降是否正常。
1、与安装架连接是否良好。
提升2、有无渗漏油。
1、工作平台在3---5米内运行三次有无异常声音。
平台运行 2、工作平台是否完好。
3、插头、插座是否完好。
1、电缆是否完好。
2、电源指示灯是否完好。
3、转换开关动作是否正常。
电气控制系统4、交接接触器动作是否正常。
5、限位开关动作是否正常。
6、紧急停机的动作是否正常。
电动吊篮日常检查表
1 / 1 精选文档
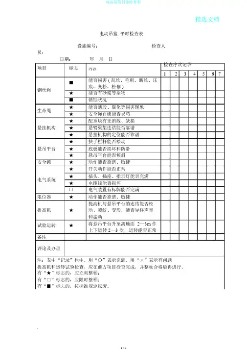
电动吊篮平时检查表
设施编号:检查人员:
日期:年月日
项目标志
检查序次记录
内容
234567
1
■能否损害 ( 乱丝、毛刺、断丝、压痕、变松、松懈 )
钢丝绳
★能否有砂浆等杂物
■锈蚀状况
生命绳★能否断股、腐化等损害现象★安全绳自锁能否灵巧
★配重块有无消散、缺损
悬挂机构★悬臂梁架连结能否靠谱
★悬挂机构的定位能否靠谱
★扶手栏杆能否松动
悬吊平台★底板能否损坏和防滑
★悬吊平台能否倾斜
安全锁★动作能否靠谱、敏捷
★开关动作能否正常
电气系统★插头、插座、指示灯能否完满★电缆线能否损坏
□电气装置有标牌能否完满
限位器★动作能否靠谱、敏捷
提高机与悬吊平台的连结能否松
提高机★动、裂纹、变形,能否异样声音
和振动
试验运转★将悬吊平台升至离地面 2—3m作
上下运转 2—3 次,运转能否正常
备注
评论及办理
注:表中“记录”栏中,用“〇”表示完满,用“×”表示有问题
提高机和运转试验检查,应在前方项目检查完成,并整顿合格后再进行。
有“★”标志的,应立刻整顿;
有“□”标志的,应限时整顿;
有“■”标志的,按标准规定报废。
.。
电动吊篮月常检查记录表
设施编号:检查日期:年月日序号检查部位检查项目检查状况
各插头与插座连结能否松动
保护接地和接零能否坚固
1电气系统电源、电缆、中转箱的固定能否靠谱,有无损害
漏电保护、空开开关能否敏捷有效
各开关、限位器和操作按钮动作能否正常
前后支柱安装地点能否被挪动
2悬挂机构配重能否缺损、码放、固定能否牢靠
各零件螺丝、销钉连结能否牢靠、齐备
拉牢钢丝绳有无损害、松弛现象
有无断丝、毛刺、扭伤、死弯、松懈、起股等缺点
3钢丝绳局部能否附着砼,涂料或粘结物
接头绳夹能否松动,钢丝绳有无局部损害上限位上端和下端坠铁能否移位或松动
安全带及安全带的单向夹头安装方向能否正确
4安全保险保险绳有无断丝,断股或松懈现象
绳接头连结处固定端能否坚固靠谱动作
能否敏捷靠谱
5安全绳锁绳角能否在规定范围内或迅速抽绳能否锁绳与
吊架连结部位有无裂纹、变形、松动
运行能否正常、有无异响、异味或过热现象
制动器有无打滑现象;磨擦片空隙能否切合说明要求
如不切合按说明书调整
6提高机
手动滑降能否灵巧有效
润滑油有无渗、漏,油量能否充分
与吊架连结部位有无裂纹、变形、松动
有无弯扭或局部变形,焊缝有无裂纹
7悬吊平台坚固件和插接件能否完好,牢靠
底板、护板和栏杆能否牢靠
备注
检查人员:维修人员:
负责人:。
电动吊篮自检表一、电动吊篮外观检查:1. 检查吊篮表面是否有明显损坏、变形或者裂缝。
2. 检查吊篮边沿和吊篮门是否完好无损。
3. 检查吊篮悬挂装置和连接件是否紧固可靠。
4. 检查吊篮防护网是否齐全、无松动,网孔大小是否符合安全要求。
二、电动吊篮电器系统检查:1. 检查电动吊篮电源线是否完好无损,插头是否松动。
2. 检查电动机及电动机控制部分是否正常运转,观察是否有明显异常声音或异味。
3. 检查电动吊篮电气系统是否存在漏电隐患,確保电气设备安全可靠。
三、电动吊篮安全装置检查:1. 检查紧急停止开关是否正常工作,能够迅速切断电源。
2. 检查重载保护装置是否灵敏可靠,确保在超过额定载荷时及时发出警报并停止运行。
3. 检查限位器是否正常工作,能够在上升或下降到达限位时自动停止。
四、电动吊篮钢丝绳及传动系统检查:1. 检查吊篮钢丝绳是否完好无损,有无断裂、磨损或变形等现象。
2. 检查钢丝绳接绳处是否牢固,卷筒、滑轮轴承是否灵活运转。
3. 检查传动齿轮、皮带及链条等部件是否有磨损、断裂或变形。
五、电动吊篮制动系统检查:1. 检查制动器是否灵敏可靠,能够迅速制动并停止吊篮运行。
2. 检查制动器摩擦片是否磨损、脱落或损坏,制动效果是否正常。
六、电动吊篮操作设备检查:1. 检查吊篮操纵杆、按钮、指示灯等操作设备的功能是否正常。
2. 检查控制台、仪表盘等部件是否完好,指示灯、数码显示器等是否正常工作。
七、电动吊篮整体功能检查:1. 检查升降平稳性,观察是否有明显晃动或不平稳现象。
2. 检查吊篮下降速度是否符合要求,并能够平稳停在指定位置。
3. 检查吊篮紧急停电后的自救功能是否正常,能否安全降落到下方平台。
综上所述,电动吊篮自检表对其外观、电器系统、安全装置、钢丝绳及传动系统、制动系统、操作设备以及整体功能进行了全面检查,确保电动吊篮的安全可靠运行。
各项检查内容的合格与否直接影响到电动吊篮的使用安全,必须定期进行自检维护,并按照相关规定做好记录。
电动吊篮日检修与保养记录表(可以直接使用,可编辑优质资料,欢迎下载)电动吊篮月检修与保养记录表设备编号:检修前作业周期或累积作业时数:检修日期:检修人员:负责人:电动吊篮联合验收记录表产品编号:电动单梁(悬挂)起重机检修保养记录表使用单位设备名称电动单梁悬挂起重机规格型号安装地生产厂家注册代码产品编序号检查项目名称检查保养内容检修结论备注 1 作业环境及基础起重量和检验标志牌是否明显危险部位安全标志是否明显检修作业空间或辅助的检修平台是否符合起重机使用操作规程是否完善2金属结构部分金属结构连接是否良好金属焊接部分是否有开裂变形 3大车轨道凸缘内侧间隙是否符合轨道固定状况是否有松动现象轨道顶面的纵向倾斜度轨道运行情况及缺陷检查 4吊钩部分吊钩标记和防脱钩装置是否完好吊钩缺陷和危险磨损状况吊钩开口度是否增大 5卷筒和钢丝绳卷筒是否有裂纹或磨损卷筒和钢丝绳压板是否压紧钢丝绳选用及安装固定状况钢丝绳安全圈数是否符合钢丝绳润滑与缺陷钢丝绳磨损及断丝数量 6主要零部件与机构滑轮的选用及滑轮有无磨损开裂缺陷滑轮防脱槽装置是否完好制动器的设置与调整是否符合规范减速机工作状况是否良好开式齿轮啮合与磨损缺陷运行车轮有无磨损缺陷轴承润滑是否良好有无涩卡现象联轴器、导绳器工作状况是否良好7电气设备部分电机及电器原件检修保养馈电装置及线路绝缘电阻检测总电源开关及总电源回路的保护检查失压保护及便携式控制检查电器设备的接地及金属结构的接地检查8安全装置及防范措施高度限位检查起重量限制器及紧急断电开关检查缓冲器与端部止挡检查维保单位:使用车间:负责人签字:年月日负责人签字:年月日注:合格项用“√”表示,不合格项用“×”表示,无此项用“O”表示。
(特种设备)叉车维护保养记录表编号:保养人:月份:(注:记录方式:a正常、b 故障、c加黄油、d补给、e清洁、f气吹、g排水。
如有有异常情况,应在异常情况记录栏予以记录)(特种设备)压力容器维护保养记录表编号:名称:使用证号:保养人:月份:(注:记录方式:a正常、b 故障、e清洁。