高考物理二轮复习 电学实验 精练教案
- 格式:doc
- 大小:241.00 KB
- 文档页数:4
高中物理电学实验教案优秀3篇高中物理电学实验教案篇一电磁学是高二物理的重点内容,从高考角度看是高考的重考内容;在生活中运用很多,对不能升学的同学,学好了,今后改变自己的人生也有很大的好处;但是学起来,难度很大。
在教学过程中,如何教?我有一些点滴体会,愿与同行们共同探讨和分享。
(我们采用的是人教版高二物理)一、做好两个实验——学生实验和演示实验。
近几年由于多媒体进入校园,对教学多段改变很多。
学生实验和演示实验无法用多媒体代替。
课件是由人制作的,很有规律,易于控制和验证规律,好处很多。
实验带有很大的误差,实验更具有真实性,有时还不一定成功。
我每次在上电磁学时,只要能做的实验尽量让同学们亲自做。
让他们体会实验的乐趣。
如我在上闭合电路欧姆定律一节时,就采用了实验教学。
我准备了多种电源:学生电源、干电池、蓄电池,小灯泡(2.5v,0.3w)先用实验让学同们直观认识电源有电动势,然后讲解,在认识电源内阻时,我用学生电源稳压6v和干电池6v对同一小灯泡供电,给果不一样,用学生电源的不发光,电池的发光;又用它们对6v的收录机进行供电,都可用。
时这也同学们的想法不一样了,学初中的知识不能解释了,分析原因是电源的内阻在作怪。
后又用实验测得学生电源的内阻为100欧,电池的内阻为0.08欧。
这样让同学们确实承认电源也有内阻。
又如在上电容器的电容一节时:我也才用了实验教学,电容器的充电、放电、储能用电解电容(1000μf)即可完成,效果明显,同学们看到了电容器确实有这些特点,在做电容器的电容与哪些因素有关时,用教材中的演示实验,困难了。
看不到现象,正当同学们开始有些怀凝时,我抓住这个机会,对同学生进行了物理学历的教育,这个实验我们今天做起来困难,在2xx年前,当物理学家们研究时,不知经过多少次失败,才有结果。
所以我们今天不仅要学习人类智慧的结晶,更要学习前人不怕困难的精神。
二、激发同学们探索物理的兴趣。
如何提高同学们学习物理的兴趣,我也做了一些偿试。
2010高考物理二轮专题复习精讲精练――电学实验一、常见电路1.测电阻电路(或描绘伏安特性曲线电路,或测量功率电路,或测量电阻率电路)(1)图1为分压式,外接法(2)图2为限流式,外接法(3)将图1改为分压式,内接法(4)将图2改为限流式,内接法测电阻电路,共有四种电路2.测电动势和内阻电路(1)测量电路如图(2)测量方法第一、计算方法测两组端电压U和电流I值,然后通过以下式子求解。
E=U1+I1rE=U2+I2r第二、作U——I图象方法通过调节滑动变阻器,取得多组(U,I)值,然后在坐标中描点,连成直线用图象处理问题,须注意以下几点:①连直线的方法:让尽可能多的点在直线上,直线两则分布的点的个数大致均匀偏离直线较远的点舍去。
②纵轴截距的含义:电动势E③横轴截距的含义:短路电流I0④斜率的含义:电阻。
求解方法:r=IE或用直线上任意两点求解斜率的绝对值。
注意:在利用图象法进行数据处理的过程中,如两个物理量不成线性关系,必须化解成线性关系后再作图。
3.电流表、电压表改装电路(1)把电流表改装电压表电路①用半偏法测电流表的内阻r g。
先将R调到最左端,闭合S1,断开S2,调节R使电流表满偏,然后使R不变,闭合S2调节R’使电流表指到满刻度的一半,此时电阻箱R’的读数即为电流表的内阻r g。
注:此处R’只能用电阻箱,而不能用滑动变阻器,其阻值只需比灵敏电流表的电阻大一点就可以了,R一般使用滑动变阻器,其阻值要求较大,以减小因闭合S2而引起总电流的变化,从而减小误差。
②改装电路R x=U/I g-r g其中U为改装后的满偏电压③核对电路调节R,改变电压,比较改装表和标准表V的读数,并计算百分误差UUU-×100% 其中U是改装表的读数,U0是标准表的读数注:改装电压表和标准电压表并联进行核对④表流表内阻误差分析在半偏法测内阻电路中,当闭合S2时,引起总电阻减小,总电流增大,大于原电流表的满偏电流,而此时电流表半偏,所以流经R’的电流比电流表电流多,R’的电阻比电流表的电阻小,但我们就把R’的读数当成电流表的内阻,故测得的电流表的内阻偏小。
电学实验专题复习教案设计一、教学目标1. 回顾和巩固电学实验的基本原理和实验方法。
2. 提高学生对电学实验数据的分析和处理能力。
3. 培养学生的实验操作技能和科学思维。
二、教学内容1. 电学实验的基本原理和实验方法。
2. 电学实验数据的采集、分析和处理。
3. 常见电学仪器的使用和维护。
三、教学重点与难点1. 电学实验的基本原理和实验方法。
2. 电学实验数据的采集、分析和处理。
3. 常见电学仪器的使用和维护。
四、教学方法与手段1. 采用问题驱动的教学方法,引导学生主动思考和探究。
2. 使用多媒体教学手段,展示实验操作过程和实验数据。
3. 组织学生进行实验操作和小组讨论,提高学生的实践能力。
五、教学过程1. 引入电学实验的主题,回顾电学实验的基本原理和实验方法。
2. 讲解电学实验数据的采集、分析和处理方法,引导学生掌握实验数据的处理技巧。
3. 演示常见电学仪器的使用和维护方法,让学生了解实验仪器的操作和保养。
4. 组织学生进行实验操作和小组讨论,让学生亲身体验电学实验的过程和数据分析的方法。
5. 进行课堂小结,巩固学生对电学实验的理解和掌握。
教学反思:在教学过程中,要注意关注学生的学习情况,及时进行反馈和指导。
要注重培养学生的实验操作技能和科学思维,提高学生的实践能力。
六、教学评估1. 课堂提问:通过提问了解学生对电学实验原理的理解程度。
2. 实验操作:观察学生在实验中的操作是否规范,数据处理是否准确。
3. 小组讨论:评估学生在小组讨论中的参与程度及提出的观点。
七、教学策略1. 针对学生的薄弱环节进行有针对性的讲解和辅导。
2. 鼓励学生提问,充分解答学生的疑问。
3. 提供丰富的实验资源,让学生有更多的机会进行实验操作。
八、教学拓展1. 介绍电学实验在实际应用中的例子,激发学生的学习兴趣。
2. 引导学生关注电学领域的最新研究成果,拓宽视野。
3. 组织学生参加电学实验竞赛,提高学生的实验技能。
九、教学计划1. 节课:回顾电学实验基本原理和方法,讲解实验数据处理。
清泉州阳光实验学校电学实验A.电学实验仪器的使用教学目的1.使学生掌握常用的电学仪器的使用常规.2.使学生掌握常用的电学仪器的读数方法.3.培养学生实事求是的科学态度.教学重点、难点分析1.教学重点:仪器的读数方法.2.教学难点:有效数字的运用.教学过程设计教师活动一、电学实验仪器的使用常规在中学电学实验中,常用的测量仪器是电压表、电流表、灵敏电流计、多用表等.使用它们时一般要先做到:清楚仪器的量程,清楚仪器的最小分度,清楚仪器的读数方法,检查并调整零点.1.清楚仪器的量程提问:根据你的经历、知识或者者猜测,电学实验中哪些仪器容易损坏?学生活动讨论答复根据我的经历:在“伏安法测干电池的电动势和内电阻〞实验中,假设采用用分压电路,那么容易出现:电流表将电源短路的错误接法,这时电流表容易被损坏.在“等势线的描绘〞实验中灵敏电流计容易损坏.ks5u相比之下,内阻较大的电压表不容易损坏.提问:我们常用的电流表、电压表的量程分别是多大?答复我们常用的电流表有0~0.6A和0~3A两挡量程,我们常用的电压表有0~3V和0~15V两挡量程.测量前,要搞清待测的电流、电压的大致范围,保证测量时不超出仪器的量程,也要注意接线正确,保证指针不反偏,这样才可以使仪器平安工作不致损坏.提问:为保证仪表的平安,常在闭合开关时使用“跃接法〞.什么是“跃接法〞?答复2.清楚仪器的最小分度提问:请查看一下,我们用的电压表、电流表的最小分度是多大?观察讨论答复我们用的电流表0~0.6A挡的最小分度是0.02A,0~3A挡的最小分度是0.1A.我们用的电压表0~3V挡的最小分度是0.1V,0~15V挡的最小分度是0.5V.3.清楚仪器的读数方法我们用的指针式电压表和电流表精度一般不是很高.读数时,仪表指针与刻度盘不在同一平面内,视线偏斜会造成读数误差.同时,仪表的刻度分格又比较小,所以,读数时可估读到1/2~1/5最小分度.例如电流表0~0.6A挡,最小分度为0.02A,其1/2为0.01A,并没有估读到下一位.假设要估读得精细些,也可以估读到最小分度的1/4,即0.005A.提问:请读出图示电压表、电流表的示数〔图1-13-1〕.讨论答复图中电压表0~3V挡读数为5V,0~15V挡读数为1V或者者1V.电流表0~0.6A挡读数为0.35A,0~3A挡读数为5A.需要说明的是,在“伏安法测干电池的电动势和内电阻〞实验中,干电池的内电阻一般不到1Ω,当电流从0变化到0.5A时.干电池输出电压的变化量不到0.5V,甚至仅略大于0.1V,而我们用的电压表0~3V挡,其最小分度为0.1V.我们在读数时,要精细地估读到最小分度的1/5〔0.02V〕或者者1/10〔即0.01V〕.这样用图线法处理数据后得出的结果误差才较小.提问:请问,你能从V和0V这两种写法上看出什么相关结论?讨论答复●关于用有效数字表示测量结果测量结果是V,表示测量时仪器的估读位在0.1V位,测量结果是0V,表示测量时仪器的估读位在0.01V位.我们用有效数字的末位表示测量结果的误差所在位.关于有效数字我们做几点说明:〔1〕有效数字位数与所选单位无关.例如:3cm、1mm、0.0123m都是三位有效数字.〔2〕有效数字末位的“0〞表示误差所在位,不能随意取舍.〔3〕要会用科学记数法表示有效数字.例如:光速3.00×108m/s是三位有效数字.〔4〕物理公式中的常数、指数等非测量值,都是准确值,可认为有效数字位数是无限大.例如:S=πr2中的π和指数2都是常数.[学生实验]请分别用电压表的0~3V挡和0~15V挡测出旧干电池的电压.〔教师注意检查、指导学生用有效数字表示测量结果,并和学生讨论测量中出现的“异常〞结果.如:旧电池的输出电压低于电动势等.〕实验答复4.检查并调整机械零点提问:哪些同学在测干电池的电压前检查了电压表的零点?答复使用仪器前,一定要检查零点.这样才能得到正确的测量结果.我们用的指针式电表上都有调零螺丝,用螺丝刀可以调整指针的机械零点.提问:请指出电压表、电流表、灵敏电流计、多用表的机械调零螺丝.答复5.对某些仪器〔如多用表欧姆挡〕进展电调零对多用表的欧姆挡,除了检查和调整指针的机械零点外,在测量电阻前还要进展“电调零〞.所谓“电调零〞,是指将两表笔相接触,调整调零电位器旋钮,从而使指针指示零欧姆的调零过程.[学生实验]请理论一下多用表的欧姆挡的电调零.实验二、用多用表欧姆挡测电阻观察欧姆挡的表盘刻度可以发现,它包括了0~∞的所有值.但是欧姆挡在0和∞两处附近误差都很大.即指针偏转过大或者者过小,误差都很大.一般欧姆挡刻度全长的10%~90%之间的刻度为有效工作刻度.用多用表欧姆挡测电阻一般的测量步骤是:提问:请问,如今大家手中的多用表欧姆×1挡的中心刻度是多大?答复在实际测量时,读数在0.1R中到10R中范围内的测量值都是有效的.例如R中=20Ω,那么在2Ω~200Ω范围内的测量值都是有效的.提问:请问,如今大家手中的多用表欧姆×10挡的有效测量范围是多大?答复例如R中=20×10Ω,那么在20Ω~2000Ω范围内的测量值都是有效的.[学生实验]请用多用表欧姆挡测量一个2kΩ左右的色环电阻的阻值.将结果与色环标称值进展比较.实验答复三、灵敏电流计的使用灵敏电流计的零点在表盘中央.在等势线的描绘实验中,用灵敏电流计来寻找等势点,是用灵敏电流计作为示零仪表使用.有的灵敏电流计有两个灵敏度不同的接法.如图3-13-2所示.用G0时灵敏度高,灵敏电流计容易受损.为保护灵敏电流计,可先用灵敏度低的G1,当需要准确测定时,再改用G0.[演示]教师演示:用灵敏电流计找等势点.同步练习某人用多用表按照正确步骤测量一电阻阻值,指针指示结果如图3-13-3,那么此电阻值是______;假设要用此表测量一个阻值约为200Ω的电阻,为了测量比较准确,应选择的欧姆挡是______.参考答案0×103Ω×10挡B.实验数据的处理教学目的1.使学生掌握有效数字运算的一般方法.2.使学生掌握图线法处理数据的标准和方法.3.培养学生耐心细致的意志品质.教学重点、难点分析1.教学重点:图线法处理详细数据.2.教学难点:图线法处理详细数据.教学过程设计教师活动一、有效数字的运算规那么在处理实验数据时,要将测量结果代入公式进展计算.计算时应该取几位有效数字呢?假设进展加减运算,那么我们要找出数据中误差所在的最高位,运算的最后结果与这位对齐.例如:123.4m+56.78m=180.18m=180.2m假设进展乘除运算,那么我们要找出数据中有效数字位数最少的数据,运算的最后结果有效数字位数和它一样多即可.例如:0.20A×150Ω=3.0×102V二、公式法处理数据提问:在“验证机械能守恒定律〞的实验中,打点计时器所用电源的频率为50Hz.查得当地的重力加速度g=m/s2.测得所用重物的质量为1.00kg.实验中得到一条点迹明晰的纸带〔如图3-13-4〕.把第一个点记作0,另选连续的4个点A、B、C、D作为测量的点.经测量知道A、B、C、D各点到0点的间隔分别为69cm70.18cm76cm83cm学生活动讨论答复根据以上数据,可知重物由0点运动到C点,重力势能的减少量等于多大?动能的增加量等于多大?〔结果取3位有效数字〕〔重物重力势能减少了2J,动能增加了6J〕三、图线法处理数据1.用图线法求待测量提问:在做测电源电动势和内电阻的实验中,测得的数据如下表,请在坐标纸上,用作图法求出电源电动势和内电阻.讨论作图我们知道,电源的电动势与输出电压U、电源内电阻r之间的关系式是U=-Ir即U=-rI+它是数学中所讲的一次函数y=kx+b我们在U-I坐标系中作出如以下图线〔图3-13-5〕.从公式中可以看出,这个图线的纵截距即我们要求的电源电势的值,这个图线斜率的绝对值即我们要求的电源内电阻的值.2.作图标准〔1〕原点的选取:从上图中我们可以看到,因为实验数据仅分布在1V以上的区域中,所以为了减小作图误差,纵轴坐标原点是1V.这样并不影响我们求解电动势和内电阻.〔2〕最小分度:作图时要适中选取最小分度,保证测量时的准确值,作图时必须是准确值.测量时的估计值,作图时才可以是估计值.〔3〕用图线取平均:将数据描点之后,连线可以起到取平均值的作用.在规律的情况下,对个别明显偏离图线的数据点,应当舍去不用.3.“化曲为直〞验证规律在验证牛顿第二定律的实验中,我们要验证物体的加速度跟物体的质量成反比.假设直接作出a-m图线,理论上,它将是双曲线的一支.我们在作图后,较难判断作图结果是否接近理论值.所以在实验数据处理得到过原点的直线.这样就容易将测量的结果和理论值进展比较.4.“化曲为直〞求待测量提问:在LC振荡电路中,如电容C,并测得电路的固有振荡周期T,即可求得电感L.为进步测量精度,需要屡次改变C值并测得相应的T值.现将测得的六组数据标示在以C为横坐标、T2为纵坐标的坐标纸上,如以下图〔3-13-6〕.请问用图线法求L的值是多大?作图答复〔L值是0.0351H~0.0398H〕同步练习用单摆实验测得如下数据,请作出l-T2图线,并由图线求出当地的重力加速度.参考答案0m/s2〔提示:作图原点可取l=60.0cm,T2=0s2〕C.电学实验器材和电路的选择教学目的1.使学生掌握选择器材和电路的一般原那么.2.使学生掌握选择电压表、电流表、滑动变阻器的方法.3.使学生会选择电流表内外接法.4.使学生会选用分压电路和制流电路.5.培养学生实事求是的科学态度.教学重点、难点分析1.教学重点:电流表内外接法的选择方法;分压、制流电路的选择方法.2.教学难点:分压电路的连接.教学过程设计教师活动一、选择器材和电路的一般原那么在中学电学实验中,选择器材和电路的原那么是:1.平安性原那么.2.准确性原那么.3.简便性原那么.学生活动讨论答复平安性原那么是指实验中要保证电流、电压值既不超过仪表的量程,又不能超过变阻器、小灯泡、电阻箱等器材所允许的最大值.准确性原那么是指在不违犯平安性原那么的前提下,尽量使测量结果更准确.简便性原那么是指在不违犯前两个原那么的前提下,尽量使测量电路简单好接,测量中的调节控制操作方便.二、器材的选择下面我们用一个例题来说明如何选择器材.有一个电阻Rx,其阻值大约是10Ω,请选择适当的器材,以便测量其阻值.可供选择的电路如图3-13-7.可供选择的器材是:电动势V、内阻不计的电源E量程为5V、内阻10kΩ的电压表V1量程为3V、内阻6kΩ的电压表V2量程为300mA、内阻4Ω的电流表A1量程为500mA、内阻2Ω的电流表A2最大阻值20Ω、额定电流A的滑动变阻器R1最大阻值500Ω、额定电流0.5A的滑动变阻器R2开关和假设干根导线.提问:请问应选择哪些器材,以便测量待测电阻的值?讨论答复1.电压表、电流表的选择因为电源的电动势是V,根据平安性原那么,我们不选量程仅3V的电压表V2,而要选择量程5V的电压表V1.同时,因待测电阻两端的电压最大值是V,所以用电压表V1测量时,可有很多数据超过电压表的半量程.这样结果较为准确,也符合准确性原那么.那么和准确性原那么的电流表A2.2.滑动变阻器的选择因为测量时,最大电流为Im=0.45A,没有超过两个滑动变阻器的额定电流,根据平安性原那么,两个滑动变阻器都可以选用.假设选用变阻器R1,其值大约是待测电阻值的两倍,可以使待测电阻上的电压从V变化到V,范围足够大.假设选用变阻器R2,可以使待测电阻上的电压变化范围更大.它们都符合准确性原那么.但是变阻器R2的阻值是待测电阻的50倍,在实际操作过程中,用它调节电流跳跃性大,远不如变阻器R1好操作.按照简便性原那么,我们选用变阻器R1.三、电路的选择1.电流表内外接法的选择当用电流表外接法〔如图甲〕时,电流表测量结果将比待测电阻中的电流大.当用电流表内接法〔如图乙〕时,电压表测量结果将比待测电阻两端的电压大.我们所选用的电压表,其内阻是待测电阻的1000倍,而所选的电流表内阻是待测电阻的0.2倍.所以,用电流表外接法〔如图甲〕时误差小.提问:在实际实验操作时,可能不知道仪表的内阻.这时我们可以按照图3-13-8接好电路后,将电压表右端分别与a 点和b点相连.假设电压表示数变化比电流说明显,那么我们就将电压表接在a点进展测量.反之,假设电压表示数变化不如电流说明显,那么我们就将电压表接在b点进展测量.这是为什么?讨论答复2.分压电路和制流电路的选择提问:假设只给滑动变阻器R1,而待测电阻值约为100Ω,在分压电路和制流电路中,我们应选择什么样的电路进展实验?讨论答复分压电路可以使待测电阻上的电压从最大值调到零,制流电路却不可以.分压电路连线复杂,制流电路连线简单.分压电路消耗的额外功率大,制流电路消耗的额外功率小.我们可根据这两种电路的特点,按照实验要求进展选择.在上面例题中,假设用制流电路,因待测电阻值是滑动变阻器总阻值的5倍,所以变阻器对电流、电压的的调节作用不好.这里我们应该选用调节作用范围大的分压电路.同步练习图中是用伏安法测电阻的实验所需的器材实物图,器材规格如下:〔1〕待测电阻Rx〔约100Ω〕;〔2〕直流毫安表〔量程0~10mA,内阻50Ω〕;〔3〕直流电压表〔量程0~3V,内阻5kΩ〕;〔4〕直流电源〔输出电压4V,内阻可不计〕;〔5〕滑动变阻器〔阻值范围0~15Ω,允许的最大电流1A〕;〔6〕开关一个,导线假设干.根据器材规格和实验要求,在此题的实物图上连线.参考答案见图3-13-10。
高考物理二轮复习精品资料专题16 电学实验教学案(教师版)高考物理二轮复习精品资料专题16电学实验教学案(教师版)2021高考物理二轮复习精品资料专题16电学实验教学案(教师版)1.注重对实验操作能力的考查.例如实验步骤的排序、容错;实验器材的挑选,包含滑动变阻器、电阻箱、电表量程的挑选;实物连线和运用图象与表格分析处置实验数据;实验结论的总结及误差分析;实验方案的改良技术创新等.2.重视对基本仪器的读数、构造原理、重要实验方法及电学实验中的故障分析的考查,如游标卡尺、螺旋测微器、多用电表等的读数.3.设计性实验就是考查的热点.在近几年的各地中考中设计性的实验题比较多,此类实验能综合考查学生创造性地应用领域已研习科学知识、方法、原理,灵活处理陌生实验问题的能力,建议学生存有较低的科学知识搬迁能力、实验设计能力.4.电学实验在高中阶段所占比例较大,是实验考查的重点,各地高考实验题中必有电学实验题.对物理实验的考查通常就是以单一制题型发生,在中考中实验试题的命题通常就是一个力学实验和一个电学实验.一个以考查模拟实验或基本实验的基础实验科学知识、基本实验技能居多;另一个通常以考纲建议的基本实验为载体展开必要的改良和技术创新,考查学生对基本实验的理解能力、搬迁能力和创新能力.预测2021年高考实验考题主要表现为以下几种形式:1.一个力学实验题:以阻攻计时器为主要实验仪器,牵涉加速度、速度测量的基本力学实验,分值较太少,难点并不大,命题形式为填空题(或选择性填空题).2.一个电学实验题:以电流、电压的测量为基本测量的设计性电学实验,涉及实验电路和方法的设计、实验原理的迁移、实验器材的选择、电路实物连线及图象法处理实验数据等,分值较多,能力要求较高,命题形式可能为填空、选择性填空、电路图或实物连线、图象图表分析等.【知识网络构建】【重点科学知识资源整合】一、测量读数类仪器使用1.电流表、电压表(1)电流表、电压表采用时量程挑选的规则:根据被测电流或电压值的大小选择量程.测量时最好使指针偏转超过所选量程的2/3,至少少于1/2.在不能晓得被测电流或电压大小的情况下,高文瑞用电表的很大量程,然后再根据指针偏移情况挑选出最合适的量程.(2)读数方法:读数时应使视线垂直于刻度盘表面.凡仪器最小刻度是10分度的,要求读到最小刻度后再往下估读一位(估读的这位是不可靠数字);凡仪器最小刻度不是10分度的,只要求读到最小刻度所在的这一位,不再往下估读.2.电阻箱电阻箱是按照各个数量级上指针的对应数值读数的,指针必须指向某一个确定的数值,不能在两个数值之间,因此电阻箱测量结果的各位读数都是从电阻箱上指针所指位置直接读出的,不再向下估读.例如图14-2右图的电阻箱的阻值为84580.2ω.图14-2④测量时试样电阻必须跟其他元件和电源断裂.⑤多用电表使用完毕后,应将选择开关拨离欧姆挡,旋至off挡或交流电压最高挡上.特别提醒:要区分开“机械零点”与“欧姆零点”:“机械零点”在表盘刻度左侧“0”位置.调整的是表盘下边中间的定位螺丝.“欧姆零点”在表盘刻度的右侧电阻刻度“0”位置,调整的是欧姆挡的调零旋钮.二、电学实验1.电路设计及仪器选取原则正确地挑选仪器和设计实验电路,存有一定的灵活性,应当遵从以下几个基本原则:(1)正确性.(2)安全性.(3)方便性.(4)精确性.2.“伏安类”实验中电流表的内、外接法比较项目电流表内三相电流表外接法电路误差原因比较电流表内接法项目ur测=i=ra+rx>rx电阻的测量值大于真实值适用rx?ra,大电阻条件特别提醒:在rv、ra均不知的情况下,可采用试触法.如图14-4所示,分别将a端与b、rx?rv,大电阻ur测=irvrx=三相;如果前后两次电压则表示数比电流则表示数变化显著,表明电流表分后甩促进作用小,应当使用外接法.图14-43.滑动变阻器的三相(1)若合乎以下情况之一,则滑动变阻器必须直奔成分压式.①建议电表能够从零开始读数;②建议电表能够存有很大的调节范围;③当待测电阻rx?r(滑动变阻器的最小阻值)时.(2)当待测电阻rx?r(滑动变阻器的最小阻值)时,既可接成分压式、也可以K817减半流式.三、实验误差1.偶然误差和系统误差从性质和来源看看,误差分成偶然误差和系统误差两种.(1)偶然误差就是由各种偶然因素对实验者、测量仪器、被测物理量的影响而产生的误差.增大偶然误差的方法就是通过多次测量谋平均值.(2)系统误差就是由于仪器本身不准确,或实验方法粗略或实验原理不健全而产生的.必须增大系统误差,必须校准仪器,或改良实验方法,或健全实验原理.2.有效数字(1)测量既然总存有误差,测量的数值就就可以就是对数数,例如“174.2mm”最末的一位数字“2”就是不可信数字,但它仍存有意义无法比涅,因为它代表了一个大概数量关系,比如说这里174.2与174.8较之就是吻合174还是175就显而易见了.像是174.2mm这种拎一位不可信数字的对数数字叫做有效数字,有效数字的最后一位为误差所即位.在实验中,测量时必须按有效数字的规则去读数.(2)确认有效数字时,应当特别注意以下问题:①有效数字的位数与小数点的边线毫无关系.有效数字的位数与单位毫无关系.②关于“0”在有效数字中的特殊性:0在前时,从左往右数第一个不为零的数字才就是有效数字.0在后时,扣除有效数字.③乘方算不上有效数字;比如说3.020×10m/s中的-3不是有效数字,10也不是.3.增大实验误差的方法(1)多次测量谋平均值.(2)积累法.(3)图象法.四、技术创新实验1.技术创新实验方案的设计,通常应当遵从以下四条原则(1)科学性原则.(2)可靠性原则.(3)方便性原则.(4)准确性原则.2.设计性实验的设计思路五、控制电路的设计技巧1.滑动变阻器控制电路的方式存有分压式和减半流式两种,以下几种情况必须采用分压式三相:(1)建议被控制电路的电流(或电压)从零开始可以已连续调节时(例如:测绘导体的伏安特性曲线等实验);-3(2)被控制电路的电阻rl远大于滑动变阻器的最大值r0时;(3)实验建议的电压变化范围很大(或建议测量多组数据)时;(4)若使用减半流式三相,电路中实际电压(或电流)的最小值仍少于电表或电器的额定值时.2.若测量电路电流或电压没建议从零开始已连续调节,只是大范围内测量,且被控制电路的电阻rl与滑动变阻器的最大值r0吻合或rl略大于r0,则必须使用减半流式三相.测量电源的电动势和内阻实验必须使用减半流式三相.2.电表的挑选:通常根据电源的电动势或试样用电器的额定电压挑选电压表;根据试样电流的最小电流挑选电流表;挑选的电表的量程增加收入电表的指针转动的幅度很大,通常增加收入指针能够达至半略偏左右,以增大读数的偶然误差,提升精确度.3.变阻器的挑选:所采用的变阻器的额定电流应当大于电路中通过变阻器的最小电流,以保证变阻器的安全;为满足用户实验中电流变化的须要和调节的便利,在分压式三相中,高文瑞用电阻较小而额定电流很大的变阻器,在减半流式三相中,变阻器的阻值无法太小.【高频考点突破】考点一实验数据的加载(1)仪器连线例如图14-7右图(a和b就是多用电表的两个表笔).若两电表均正常工作,则表笔a为________(填上“白”或“白”)色;图14-7(2)若适度调节电阻箱后,图1中多用电表、电流表与电阻箱的示数分别例如图14-8(a)、(b)、(c)右图,则多用电表的读数为________ω,电流表的读数为________ma,电阻箱的读数为_______ω;图14-8(a)图14-8(b)图14-8(c)(3)将图14-7中多用电表的两表笔短接,此时穿过多用电表的电流为______ma;(留存3十一位有效数字)(4)排序获得多用电表内电池的电动势为______v.(留存3十一位有效数字)答案:(1)白(2)14.053.04.6(3)102(4)1.54考点二电学实验器材的挑选出及应用领域(1)甲同学必须把一个量程为200μa的直流电流计g,改装量度范围就是0~4v的直流电压表.①她按图14-17右图电路用半略偏法测定电流计g的内电阻rg,其中电阻r0约为1kω.图14-17为并使rg的测量值尽量精确,在以下器材中,电源e高文瑞用________,电阻器r1高文瑞用_______,电阻器r2高文瑞用________(学测器材前的字母).a.电源(电动势1.5v)b.电源(电动势6v)c.电阻箱(0~999.9ω)d.滑动变阻器(0~500ω)e.电位器(一种可变电阻,与滑动变阻器相当)(0~5.1kω)f.电位器(0~51kω)②该同学在控制器断裂情况下,检查电路相连接有误后,将r2的阻值阳入至最小.时程的实验操作步骤依次就是:________,________,________,________,最后记录r1的阻值并整理不好器材.(恳请按合理的实验顺序,学测以下步骤前的字母)a.滑动s1b.滑动s2c.调节r2的阻值,并使电流计指针偏移至八十刻度d.调节r2的阻值,并使电流计指针偏移至八十刻度的一半e.调节r1的阻值,并使电流计指针偏移至八十刻度的一半f.调节r1的阻值,并使电流计指针偏移至八十刻度③如果税金的r1的阻值为300.0ω,则图14-17中被测电流计g的内阻rg的测量值________ω,该测量值________实际值(选项“略高于”、“略大于”或“等同于”).④给电流计g______联及(学测“串成”或“并”)一个阻值为________kω的电阻,就可以将该电流计g装配为量程为4v的电压表.(2)乙同学必须将另一个电流计g改装直流电压表,但他仅借得一块标准电压表v0、一个电池组e、一个滑动变阻器r′和几个姜味的阻值精确的定值电阻.①该同学从上述具体条件启程,先将等待装配的表中g轻易与一个定值电阻r相连接,共同组成一个电压表;然后用标准电压表v0校准.恳请你图画完图14-18方框中的校准电路图.图14-18②实验中,当定值电阻r采用17.0kω时,调整滑动变阻器r′的阻值,电压表v0的示数就是4.0v时,表中g的指针恰好指至满量程的五分之二;当r采用7.0kω时,调整r′的阻值,电压表v0的示数就是2.0v时,表中g的指针又Azamgarh满量程的五分之二.由此可以认定,表中g的内阻rg就是________kω,满偏电流ig就是________ma.若要将表中g改装量程就是15v的电压表,应当搭载一个________kω的电阻.图14-19【变式探究】为测量一电源的电动势及内阻(1)在以下三个电压表中选一个改装量程为9v的电压表a.量程为1v、内阻大约为1kω的电压表v1b.量程为2v、内阻大约为2kω的电压表v2c.量程为3v、内阻为3kω的电压表v3挑选电压表________串联________kω的电阻可以改装量程为9v的电压表.(2)利用一个电阻箱、一只控制器、若干导线和装配不好的电压表(此表用符号v1、v2或v3与一个电阻串联去则表示,且可以视作理想电压表),图画出来测量电源电动势及内阻的实验原理电路图.(3)根据以上实验原理电路图展开实验,念出电压则表示数为1.50v时,电阻箱的阻值为15.0ω;电压则表示数为2.00v时,电阻箱的阻值为40.0ω,则电源的电动势e=_______v、内阻r=_______ω.解析:(1)装配电压表须要根据电压表内阻排序分后甩电阻的电阻值,v3表的量程不断扩大3倍即为装配的电压表,故高文瑞c,必须将量程为3v,内阻3kω的电压表装配为量程为9v的电压表,串联分后甩电阻的阻值为r=9v-3v=6000ω=6kω.3v33×10ω(2)电路原理图如图所示.(3)根据闭合电路欧姆定律言3ue=3u+rr′将u1=1.50v,r′1=15.0ω及u2=2.00v,r′2=40.0ω分别代入上式阿提斯鲁夫尔谷求解方程组得e=7.5v,r=10.0ω.考点三技术创新实验分析基准3.用对温度脆弱的半导体材料做成的某热敏电阻rt,在取值温度范围内,其阻值随其温度的变化就是非线性的.某同学将rt和两个适度的紧固电阻r1、r2连成图14-20虚线框内右图的电路,以使该电路的耦合电阻rl的阻值随rt所处环境温度的变化对数为线性的,且具备最合适的阻值范围.为了检验这个设计,他使用伏安法测量在相同温度之下rl的阻值,测量电路例如图14-20右图,图中的电压表内阻非常大.rl的测量结果如下表中右图.图14-20温度t(℃)30.040.050.060.070.080.090.0rl阻值(ω)54.351.548.344.741.437.934.7提问以下问题:(1)根据图14-20右图的电路,在图14-21右图的实物图上连线.图14-21(2)为了检验rl与t之间对数为线性关系,在坐标纸上为rl-t关系图线.图14-22(3)在某一温度下,电路中的电流表、电压表的示数例如图14-23甲、乙右图.电流表的读数为____,电压表的读数为_______.此时耦合电阻rl的阻值为______;热敏电阻所处环境的温度约为_____.图14-23图14-24(2)rl-t关系曲线例如图14-25右图。
第6板块电学实验题第26讲|“分门别类〞掌握实验基础常考实验学法指导高考对电学实验的考查,主要有以下五个基本实验:①测定金属的电阻率;②描绘小电珠的伏安特性曲线;③测定电源的电动势和内阻;④练习使用多用电表;⑤传感器的简单使用。
高考除了对课本中原有的学生实验进行考查外,还增加了对演示实验的考查,利用学生所学过的知识,对实验器材或实验方法加以重组,来完成新的实验设计。
复习本讲内容时要注意以下几点:①掌握多用电表的使用方法;②掌握两种控制电路,即电流表的“内、外接法〞、滑动变阻器的“分压、限流接法〞;③掌握电阻测量的几种方法;④重视创新设计性实验的复习。
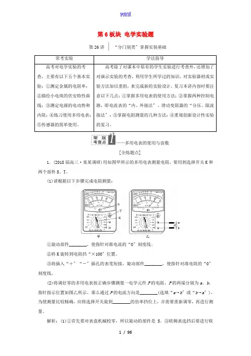
——多用电表的使用与读数[全练题点]1.(2018届高三·某某调研)用如图甲所示的多用电表测量电阻,要用到选择开关K和两个部件S、T。
(1)请根据以下步骤完成电阻测量:①旋动部件________,使指针对准电流的“0〞刻度线。
②将K旋转到电阻挡“×100〞位置。
③将插入“+〞“-〞插孔的表笔短接,旋动部件________,使指针对准电阻的“0〞刻度线。
(2)将调好零的多用电表按正确步骤测量一电学元件P的电阻,P的两端分别为a、b,指针指示位置如图乙所示。
那么通过P的电流方向是________(选填“a→b〞或“b→a〞),为使测量比较精确,应将选择开关旋到________的倍率挡位上,并需要重新调零,再进行测量。
解析:(1)①首先要对表盘机械校零,所以旋动的部件是S。
③欧姆表选挡后要进行欧姆调零,将“+〞“-〞插孔的表笔短接,旋动部件T,让表盘指针指在最右端零刻度处。
(2)表盘上的负极接欧姆表内部电源的正极,所以通过P的电流方向是b到a;题图乙中指针偏转角度太大,为了得到比较准确的测量结果,必须使指针指在中间刻度附近,所以要将倍率调小。
答案:(1)①S ③T (2)b→a×102.某同学在测量一只小灯泡电阻的实验中,连接了如图甲所示的实物电路图。
其它电学实验1、(12分)现在要测量一只额定电压为U =3V 的小灯泡L 的额定功率P (约为).实验室备有如下器材:电流表A 1(量程200mA ,内阻r 1=10Ω) 电流表A 2(量程300 mA ,内阻不详) 定值的电阻R (10Ω)滑动变阻器R 1 (0~100Ω, 0.5A) 电源E (E ,Ω≈1r ) 单刀开关一个、导线若干.(1)设计出实验电路(画在给定的方框中); (2)按(1)中设计的电路图把右图仪器连接起来; (3)列写出主要的实验步骤: .(4)实验中计算灯泡额定功率的表达式为: .(必须用题中给定的符号及你自己在(3)中设定的 记录符号来表示).解:(1)如下图所示 (2)如下图所示R 1R +E SA 1A 2++LSRER 1P LA 1A 2(3)①按设计的电路图连接好电路,开关S 闭合前,滑动变阻器的滑动片P 移至阻值最大的位置;②闭合开关S ,移动滑片P ,使电流表A 1的示数为mA 150A 1010311=+=+=r R U I 使小灯泡正常发光,同时记下此时电流表A 2的示数I 2; ③计算出小灯泡的额定功率P (4)2、(8分)有一个标有“2.5V 0.3A”字样的小灯泡,现要测定其在0到的区间内不同电压下的电功率,并作出其电功率P 与其两端电压的平方U 2的关系曲线.有下列器材可供选择:A .电压表V 1(0~3V ,内阻3kΩ)B .电压表V 2(0~15V ,内阻15kΩ)C .电流表A (0~,内阻约1Ω)D .定值电阻R 1=3kΩE .定值电阻R 2=15kΩF .滑动变阻器R 3(10Ω,2A )G .滑动变阻器R 4(1kΩ,) H .电源(直流6V ,内阻不计)(1)(2分)实验中为尽量减小实验误差,则应选用的器材除小灯泡、电源、电流表、开关、导线外,还需(均用序号字母填写);(2)(3分)根据你设计的实验电路,完成下图的连线。
(3)(3分)若测定的是“4.8V 2A”的小灯泡,如果选用电压表V 1则量程偏小,而选用电压表V 2则量程又过大,为了能完成该实验则除了选用小灯泡、电源、电流表、开关、导线器材外,还需(均用序号字母填写)。
要点精析电学基本仪器一、灵敏电流表灵敏电流表又叫灵敏电流计,在电路中的符号为,用来测量微弱电流、电压的有无和方向。
使用时要注意以下几点:①电流表的指针指在刻度盘的中部电流为零,如图10-1所示,用电流表检测微弱电流时,把它串联在被测电路中,对于大多数电流表,若指针向右摆动,说明电流由正接线柱流入,从负接线柱流出;若指针向左摆动,说明电流由负接线柱流入,从正接线柱流出。
②电流表的刻度是均匀的,如指针偏转1格表示通过10μA电流,指针偏转2格就表示通过20μA 电流。
③电流表允许通过的电流是很小的,一般不超过几百μA,实验时若指针超过满度,应立即切断电源,以防损坏电流表。
④电流表不要长期接在电路上,防止偶然出现的大电流烧坏电流表。
二、电流表和电压表电流表用来测量电路中的电流强度,电压表用来测量电路中两点之间的电压,使用时注意:①机械零点的调整,在不通电时,指针应指在零刻度的位置。
②选择适当量程,估算电路中的电流和电压,指针应们转到满度的1/3以上,若无法估算电路中的电流和电压,则应先选用较大的量程,再逐步减小量程。
③正确接入电路,电流表应串联在电路中,电压表应并联在电路中,两种表都应使电流从正接线柱流入,负接线柱流出。
④正确读数,读数时视线要通过指针并跟刻度盘垂直。
根据所选量程的准确度,正确读出有效数字和单位。
⑤注意内阻,电流表和电压表一方面作为仪器使用,同时又是被测电路中的一个电阻,实验中没有特别要求时,一般不考虑它们的内阻对电路的影响,但在有些测量中,不能忽视它们的内阻对被测电路的影响,如伏安法测电阻等。
三、滑动变阻器滑动变阻器是一个可以连续改变电阻值的可变电阻,用它可以调节电路中电流的大小及两点间的电压。
1.结构滑动变阻器的结构如图11-3所示,表面涂有氧化绝缘层的电阻丝AB密绕在瓷管上,滑动触片P与电阻丝紧密接触(接触部分的氧化层已刮掉),且能在滑杆CD上左右滑动。
根据R=ρL/S,粗细均匀的电阻丝,电阻的大小与长度成正比,随着滑动触片位置的变化,变阻器连入电路的电阻值也相应发生变化。
第二讲电学实验
[答案] (1)以下三种情况必须采用分压接法:
①要使待测元件的电压(或电流)从零(或很小值)开始连续调节,必须采用分压接法;
②如果实验所提供的电压表、电流表或电阻元件允许的最大电流(或电压)较小,采用限流接法时,实际电流(或电压)都会超过允许的最大电流(或电压),为了保护电表或电阻元件免受损坏,必须采用分压接法;
③若所用的滑动变阻器阻值远小于待测电阻阻值,采用限流式接法时电表示数变化不大,必须采用分压接法.
(2)伏安法、安安法、伏伏法、半偏法、等效替代法.
(3)测电源电动势和内阻方法拓展。
电学实验【高考预测】历届高考在实验方面的命题重点为:基本仪器的使用、基本物理量的测定、物理规律的验证和物理现象的研究、实验数据的处理。
预测2012高考中物理实验题类型大体有:⑴强调基本技能,熟识各种器材的特性。
像读数类:游标卡尺、螺旋测微器、多用电表等;选器材类:像选取什么量程的电表和滑动变阻器等。
⑵重视实验原理,巧妙变换拓展。
像探究匀变速直线运动的变形和测量电阻的再造等。
源于课本不拘泥课本一直是高考命题与课标理念所倡导的,所以熟悉课本实验、抓住实验的灵魂---原理是我们复习的重中之重。
⑶提倡分析讨论,讲究实验的品质,像近年高考中的数据处理、误差分析、改良方案,甚至开放性实验等于课标的一标多本思路是交汇的。
⑷知识创新型实验。
像设计型、开放型、探讨型实验等都是不同程度的创新,比如利用所学可以设计出很多测量重力加速度的方案。
【考点解读】一、实验仪器的读数高考要求会正确使用的电学仪器有:电流表、电压表、多用电表、滑动变阻器、电阻箱等等。
除了滑动变阻器以外,其它仪器都要求会正确读出数据。
读数的基本原则是:凡仪器最小刻度是10分度的,要求读到最小刻度后再往下估读一位(估读的这位是不可靠数字);凡仪器最小刻度不是10分度的,只要求读到最小刻度所在的这一位,不再往下估读。
电阻箱是按照各个数量级上指针的对应数值读数的,指针必须指向某一个确定的数值,不能在两个数值之间,因此电阻箱测量结果的各位读数都是从电阻箱上指针所指位置直接读出的,不再向下估读。
例1. 右图是电压表的刻度盘。
若当时使用的是该表的0-3V量程,那么电压表读数为多少?若当时使用的是该表的0-15V量程,那么电压表度数又为多少?解:0-3V量程最小刻度是0.1V,是10分度的,因此要向下估读一位,读1.15V(由于最后一位是估读的,有偶然误差,读成1.14V-1.17V之间都算正确)。
0-15V量程最小刻度为0.5V,不是10分度的,因此只要求读到0.1V 这一位,所以读5.7V (5.6V-5.8V 之间都算正确)。
专题十五 电学实验 教案一. 专题要点1. 测定金属的电阻率实验目的:用伏安法间接测定某种金属导体的电阻率;练习使用螺旋测微器。
实验原理:根据电阻定律公式R=Sl ρ,只要测量出金属导线的长度l 和它的直径d ,计算出导线的横截面积S ,并用伏安法测出金属导线的电阻R ,即可计算出金属导线的电阻率。
实验器材:被测金属导线,直流电源(4V ),电流表(0-0.6A),电压表(0-3V ),滑动变阻器(50Ω),电键,导线若干,螺旋测微器,米尺。
实验步骤:① 用螺旋测微器在被测金属导线上的三个不同位置各测一次直径,求出其平均值d ,计算出导线的横截面积S②②按如图所示的原理电路图连接好用伏安法测电阻的实验电路。
③用毫米刻度尺测量接入电路中的被测金属导线的有效长度,反复测量3次,求出其平均值l 。
④把滑动变阻器的滑动片调节到使接入电路中的电阻值最大的位置,电路经检查确认无误后,闭合电键S 。
改变滑动变阻器滑动片的位置,读出几组相应的电流表、电压表的示数I 和U 的值,断开电键S ,求出导线电阻R 的平均值。
⑤将测得的R 、l 、d 值,代入电阻率计算公式lIU d l RS 42πρ==中,计算出金属导线 的电阻率。
⑥拆去实验线路,整理好实验器材。
注意事项:① 测量被测金属导线的有效长度,是指测量待测导线接入电路的两个端点之间的长度,亦即电压表两并入点间的部分待测导线长度,测量时应将导线拉直。
② ②本实验中被测金属导线的电阻值较小,因此实验电路必须采用电流表外接法。
③实验连线时,应先从电源的正极出发,依次将电源、电键、电流表、待测金属导线、滑动变阻器连成主干线路(闭合电路),然后再把电压表并联在待测金属导线的两端。
④闭合电键S 之前,一定要使滑动变阻器的滑动片处在有效电阻值最大的位置⑤在用伏安法测电阻时,通过待测导线的电流强度I 的值不宜过大(电流表用0~0.6A 量程通电时间不宜过长,以免金属导线的温度明显升高,造成其电阻率在实验过程中逐渐增大。
电磁学实验教学目标1.通过对实验的复习,做到对电磁学中的学生实验明确实验目的,掌握实验原理,学会实验操作,正确处理实验数据。
2.进一步学习用实验处理问题的方法,体会实验在物理学中的重要地位。
3.掌握实验操作方法,培养动手操作的能力。
4.通过对电磁学中学生实验的比较,知道所涉及到实验的类型。
5.在掌握课本上所给学生实验的基础上,灵活应用所学知识解决其它问题。
教学重点、难点分析1.理解实验的设计思想,不但要知道怎样做实验,更应该知道为什么这样做实验。
2.掌握正确的实验操作,是完成实验的最基本要求,对学生来说也是难度较大的内容,一定要让学生亲自动手完成实验。
3.处理数据时,要有误差分析思想,要能够定性地分析在实验中影响实验误差的条件。
教学过程在电磁学中一共有八个实验知识点是高考中要求的实验,在做实验复习时,要明确实验目的,掌握实验原理,理解地记住实验步骤,处理好实验数据。
在实验复习中,实验操作是必不可少的。
按照《考试大纲》中的顺序,我们一起来复习电磁学中所涉及的实验。
实验10《用描迹法画出电场中平面上的等势线》一、实验条例与点拨【实验目的】学会用描迹法画出电场中平面上的等势线;验证电场中各点的电势是顺着电场线方向逐渐降低的;理解对等势线和电场线相互垂直,等势线不会相交等性质。
【实验器材】①白纸一张②复写纸一张③导电纸一张④图钉4枚⑤平木板一块和圆柱电极一对⑥直流电源(电压约为6伏)和电键一个、导线若干⑦灵敏电流计和探针两支⑧直尺(或三角板)〖点拨1〗导电纸的电阻率应远大于金属电极的电阻率才能使电极本身成为等势体;导电涂层要均匀,纸上导电性能才能一致,否则会使测绘出的等势线产生畸变。
〖点拨2〗对圆柱电极应一样大,直径为1厘米。
【实验原理】用导电纸中的稳恒电流场模拟真空中的静电场。
〖点拨〗本实验是用两个带圆形电极模拟两等量异种点电荷在平面内的电场。
直接描绘静电场中的等势线是比较困难的。
但由于恒定电流场遵从的规律在形式上和静电场相似,所以可以用来模拟静电场。
★描绘小灯泡的伏安特性曲线◆典例一:.(2017·全国理综I卷·23) 某同学研究小灯泡的伏安特性,所使用的器材有:小灯泡L(额定电压R(阻3.8V,额定电流0.32A):电压表V(量程3V,内阻3kΩ);电流表A(量程0.5A,内阻0.5Ω);固定电阻值1000Ω);滑动变阻器R(阻值0~9.0Ω);电源E(电动势5V,内阻不计);开关S;导线若干。
(1)实验要求能够实现在0~3V的范围内对小灯泡的电压进行测量,画出实验电路原理图。
(2)实验测得小灯泡伏安特性曲线如图(a)所示。
由实验曲线可知,随着电流的增加小灯泡的电阻________(填“增大”“不变”或“减小”),灯丝的电阻率______(填“增大”“不变”或“减小”)。
E(电动势4V,内阻1.00Ω)(3)用另一电源和题给器材连接成图(b)所示的电路。
调节滑动变阻器R的阻值,可以改变小灯泡的实际功率。
闭合开关S,在R的变化范围内,小灯泡的最小功率为_____W,最大功率为_______W.(结果均保留两位小数)◆典例二:(2020南京学情调研)在“描绘小灯泡的伏安特性曲线”实验中,除小灯泡“”外,有如下器材:.直流电源(内阻不计).直流电流表(内阻约为,).直流电压表(内阻约为,).滑动变阻器、.开关、导线若干(1)实验电路应选用图甲中的________(填字母代号)。
(2)实验中有一组数据的电表示数如图乙所示,电压表的读数为________,电流表的读数为________。
(3)如图丙所示,在实验中某同学已经接好了部分导线,且滑动变阻器的滑动头已经放置在合理位置了,请你用笔画线代表导线,将图中的器材连成实验电路。
(4)如图丁所示为某位同学根据正确的实验电路图所测量的几组数据画出的图象,分析曲线可知小灯泡的电阻值随变大而________(选填“变大”、“变小”或“不变”)。
★电表内阻测量和校对◆典例一:(2019全国理综I卷23)(10分)某同学要将一量程为250μA的微安表改装为量程为20 mA的电流表。
专题九电学实验考情分析201520162017电学实验T10:测电源的电动势和内阻T10:等效法测电阻,电表的选取、图象法处理实验数据T11:温控装置、热敏电阻、多用电表的使用、电路故障分析命题解读本专题有四个实验,分别为“决定导线电阻的因素〞、“描绘小灯泡的伏安特性曲线〞、“测量电源的电动势和内阻〞、“练习使用多用电表〞。
从三年命题情况看,命题特点为:(1)注重基础。
如基本仪器的原理和使用、实验器材的选取、电流表的内、外接法及滑动变阻器的连接方式、电路故障的分析等。
(2)提倡创新。
如测电阻用图象法、替代法等灵活应用,考查学生的实验能力。
整体难度偏难,命题指数★★★★★,复习目标是达B冲A。
1.(2017·江苏溧水高级中学摸底)小张和小明测绘标有“3.8 V 0.4 A〞小灯泡的伏安特性曲线,提供的实验器材有:( )A.电源E(4 V,内阻约0.4 Ω)B.电压表V(2 V,内阻为2 kΩ)C.电流表A(0.6 A,内阻约0.3 Ω)D.滑动变阻器R(0~10 Ω)E.三个定值电阻(R1=1 kΩ,R2=2 kΩ,R3=5 kΩ)F.开关及导线假设干(1)小明研究后发现,电压表的量程不能满足实验要求,为了完成测量,他将电压表进行了改装。
在给定的定值电阻中选用________(选填“R1〞“R2〞或“R3〞)与电压表________(选填“串联〞或“并联〞),完成改装。
(2)小张选好器材后,按照该实验要求连接电路,如图1所示(图中电压表已经过改装)。
闭合开关前,小明发现电路中存在两处不恰当的地方,分别是:①________________;②__________________。
图1(3)正确连接电路后,闭合开关,移动滑动变阻器的滑片P,电压表和电流表的示数改变,但均不能变为零。
由此可以推断电路中发生的故障可能是导线________(选填图中表示导线的序号)出现了________(选填“短路〞或“断路〞)。
2010高考物理二轮专题复习精讲精练――电学实验一、常见电路1.测电阻电路(或描绘伏安特性曲线电路,或测量功率电路,或测量电阻率电路)(1)图1为分压式,外接法(2)图2为限流式,外接法(3)将图1改为分压式,内接法(4)将图2改为限流式,内接法测电阻电路,共有四种电路2.测电动势和内阻电路(1)测量电路如图(2)测量方法第一、计算方法测两组端电压U和电流I值,然后通过以下式子求解。
E=U1+I1rE=U2+I2r第二、作U——I图象方法通过调节滑动变阻器,取得多组(U,I)值,然后在坐标中描点,连成直线用图象处理问题,须注意以下几点:①连直线的方法:让尽可能多的点在直线上,直线两则分布的点的个数大致均匀偏离直线较远的点舍去。
②纵轴截距的含义:电动势E③横轴截距的含义:短路电流I0④斜率的含义:电阻。
求解方法:r=IE或用直线上任意两点求解斜率的绝对值。
注意:在利用图象法进行数据处理的过程中,如两个物理量不成线性关系,必须化解成线性关系后再作图。
3.电流表、电压表改装电路(1)把电流表改装电压表电路①用半偏法测电流表的内阻r g。
先将R调到最左端,闭合S1,断开S2,调节R使电流表满偏,然后使R不变,闭合S2调节R’使电流表指到满刻度的一半,此时电阻箱R’的读数即为电流表的内阻r g。
注:此处R’只能用电阻箱,而不能用滑动变阻器,其阻值只需比灵敏电流表的电阻大一点就可以了,R一般使用滑动变阻器,其阻值要求较大,以减小因闭合S2而引起总电流的变化,从而减小误差。
②改装电路R x=U/I g-r g其中U为改装后的满偏电压③核对电路调节R,改变电压,比较改装表和标准表V的读数,并计算百分误差UUU-×100% 其中U是改装表的读数,U0是标准表的读数注:改装电压表和标准电压表并联进行核对④表流表内阻误差分析在半偏法测内阻电路中,当闭合S2时,引起总电阻减小,总电流增大,大于原电流表的满偏电流,而此时电流表半偏,所以流经R’的电流比电流表电流多,R’的电阻比电流表的电阻小,但我们就把R’的读数当成电流表的内阻,故测得的电流表的内阻偏小。
(2)电压表改装电流表电路①用半偏法测电压表的内阻先将R调到最左端,闭合S1和S2,调节R使电压表满偏,然后使R不变,断开S2调节R’使电压表指到满刻度的一半,此时电阻箱R’的读数即为电流表的内阻r g。
注:此处R’只能用电阻箱,而不能用滑动变阻器,其阻值只需比电压表的电阻大一点就可以了,R一般使用滑动变阻器,其阻值要求较小,以减小因闭合S2而引起总电压的变化,从而减小误差。
②改装电路若改装电压表量程为U,内阻为Rv,改装后的电流表的量程为I,则并联电阻Rx=____________③核对电路要求标准表A和改装表串联才能进行核对,其百分误差的计算方法为III-×100%注意:将改装电流表和标准电流表串联进行核对④电压表内阻误差分析在半偏法测电压表内阻电路中,在断开S2时,引起总电阻增大,滑动变阻器两端分得电压将超过原电压表的满偏电压,调节R’使电压表半偏时,R’上的电压将比电压表半偏电压大,故R’的电阻比电压表的内阻大,所以测得电压表内阻偏大。
二、器材选取原则1.准确性原则:选用电表量程应可能减小测量值的相对误差,电压表、电流表在使用时尽可能使指针接近满量程,若指针偏转不到满偏角度的1/3,读数误差较大。
2.安全性原则:通过电源,电表,滑动变阻器,用电器的电流不能超过其允许的最大电流。
3.便于操作原则:选择控制电路时,既要考虑供电电压的变化范围是否满足实验要求,又要注意便于操作。
三、电路选取1.电流表内外接法选取(1)基本电路(3)判断方法①直接比较法:当待测电阻Rx 较小且远小于电压表内阻Rv 时,应选用外接法;当待测电阻Rx 较大且远大于电流表内阻R A 时,应选用内接法。
②临界值法:当待测电阻R x <V A R R 时,视Rx 为小电阻,应选用外接法;当R x >V A R R 时,视Rx 为大电阻,应选用内接法;当R x =V A R R 时,两种接法均可。
2.滑动变阻器分压式、限流于接法选取 (1)基本电路说明:U 为电源端电压,R 为滑动变阻器最大电阻,Rx 为待测电阻阻值。
(3)判断方法①负载电阻Rx 远大于滑动变阻器总电阻R ,须用分压式接法,此时若采用限流式接法对电路基本起不到调节作用。
②要求负载上电压或电流变化范围大,且从零开始连续可调,须用分压式接法。
③采用限流电路时,电路中的最小电流(电压)仍超过电流表的量程或超过用电器的额定电流(电压)时,应采用变阻器的分压式接法。
④负载电阻的阻值Rx 小于滑动变阻器的总电阻R 或相差不大,并且电压表、电流表示数变化不要求从零开始起调,可用限流式接法。
⑤两种电路均可使用时应优先用限流式接法,因为限流式接法总功率较小。
例1.有一小灯泡上标有“6v ,0.6W ”的字样,现在要用伏安法测量这个灯泡的I —U 图像,已知所用器材有:A .电流表:0—0.3A ,内阻1ΩB .电压表:0—15V ,内阻20k ΩC .滑动变阻器:0—30Ω,额定电流2AD .学生电源(直流9V )E .开关一只,导线若干为使实验误差尽量减小,试画出合理的实验电路图例2.在“测定金属的电阻率”实验中,若粗估金属丝的电阻Rx 约为3Ω,为减小误差,要求金属丝发热功率P<0.75W ,备有的部分器材有:A .6V 的电池组B 、电流表(0—0.6A ,内阻0.5Ω)C .电流表(0—3A ,内阻0.01Ω)D 、电压表(0—3V ,内阻1k Ω)E .电压表(0—15V ,内阻5k Ω)F 、滑动变阻器(0—100Ω,额定电流1A )G .滑动变阻器(0—20Ω,额定电流1A )(1)上述器材应选用的是________________________。
(用字母代替) (2)画出实验电路图例3.一个未知电阻R x ,阻值大约为10k —20k .为了较为准确的测定其电阻值,实验室中有如下器材:电压表V (量程3V 、内阻约为3k )(量程15V 、内阻约为15 k ) 电流表A 1 (量程200μA 、内阻约为100) 电流表A 2 (量程5mA 、内阻约为10) 电流表A 3 (量程0.6A 、内阻约为1) 电源 电动势为3V滑动变阻器R 的最大阻值为200 开关Sa.在实验中电压表量程应选 , 电流表应选 。
b.为了尽可能减少误差,请你在虚线框中画出本实验的电路图。
c 、根据实验的需要用笔滑线代替导线,将图7所需的实物连接起来。
四、伏安法测电阻及电路的延伸设计 1、伏安法 如: 例2 2、比例法受一些特殊的实验条件限制,比如:电流(或电压表)表面上虽有刻度,但无刻度值(或刻度值模糊),这时我们不能直接读出电流或电压,但可根据电流或电压表刻度均匀的特点,通过测量其指针偏转格数用比例法完成测量。
例4:现有一阻值为10.0Ω的定值电阻,一个开关、若干根导线和一个电压表,该电压表表面上有刻度但无刻度值。
要求设计一个能测定某电源内阻的实验方案,(已知电压表内阻很大,电压表量程大于电源电动势,电源内阻约为几欧),要求:(1)画出实验电路图(2)简要写出完成接线后的实验步骤(3)写出用测得的量计算电源内阻的表达式r=_____________。
解析:(1)电路图如右图所示。
(2)①断开开关,记下电压表偏转格数N1;②合上开关,记下电压表格数N2。
(3)设电压表每偏转1格表示U0,当K断开时,由闭合电路欧姆定律得:E=U1=N1U0当K闭合后,有:E=U2+rRU2,即E=N2U0+rRUN2,联立两式解得:r=R221NNN-。
3、替换法用“伏安法”测电阻一般有电流表外接与电流表内接两种线路,因为电流表及电压表本身并非理想电表,这两种线路都存在误差;另一种情况是实验只提供一只电流表或电流表本身读数不准,这时我们可以考虑在保证电表读数不变的前提下,用一定值电阻(电阻箱)替换待测电阻,完成实验并提高测量准确性:例5:在某校开展的科技活动中,为了要测出一个未知电阻的阻值R,现有如下器材:读数不准的电流表A、定值电R0、电阻箱R1、滑动变阻器R2、单刀单掷开关S1、单刀双掷开关S2、电源和导线。
(1)画出实验电路图,并在图上标出你所选用器材的代码。
(2)写出主要的实验操作步骤解析:(1)实验电路如右图所示。
(2)①将S2与Rx相接,记下电流表指针所指位置②将S2与R1相接,保持R2不变,调节R1的阻值,使电流表的指针在原位置上,记下R1的值,则Rx=R1。
4、伏安法的推广对一些特殊电阻,如电流表或电压表内阻的测量,电路设计也有其特殊性:一是要注意到其自身量程对电路的影响,二是要充分利用其“自报电流或自报电压”的功能。
例6:某电压表的内阻在20kΩ~50kΩ之间,现要测量其内阻,实验室提供下列可供选用的器材:待测电压表V(量程3V)、电流表A1(量程200uA)、电流表A2(量程5mA)、电流表A3(量程0.6A)、滑动变阻器R(最大值1kΩ、电源E(电动势4V),开关S。
(1)所提供的电流表中,应选用________________。
(2)为了减少误差,要求测量多组数据,试画出符合要求的电路图。
解析:因为通过电压表的电流必须由电流表测定,所以电流表与电压表应串联,这实际上就是一种特殊的伏安法,电压表成了一个“可自报电压的大电阻”,由于电压表内阻在20 kΩ~50kΩ之间,电流表内阻与电压表内阻相比可忽略不计,而滑动变阻器R的阻值远小于电压表内阻,且实验要求测多组数据,因此实验电路中变阻器应接成分压式,这样电压表的电流在80uA~200uA之间,故电流表应选A1。
根据电流表、电压表示数,可求得电压表内阻Rv=IU5、比较法某些问题中,因实验器材不具备(缺电流表或电压表),或因实验条件限制,或因实验精度不允许而不能用“伏安法”。
这时我们就得依据问题的具体条件和要求重新选择实验原理,用“伏安法”的替代形式——“比较法”来设计实验方案。
例7.从下表中选出适当的实验器材,设计一电路来测量电流表A1的内阻r1。
要求方法简捷,有尽可能高的测量精度,并能测得多组数据。
(1)画出电路图,标明利用器材的代号。
(2)若选测量数据中的一组来计算r1,则所用的表达式r1=________________,式中各符号的意义是____________________________________。
解析:分析题意知道需测量电流表A1的内阻,按常规思想应用伏安法,将电压表并联在待测电流表两端,但经分析即使该电流表满偏时两端电压仅为0.4V,远小于10V量程。
这恰恰就是本题设计考核学生应变能力的“陷阱”根据所列仪器的特点,电流表A2内阻已知,由此可采用两电流表并联,因为两电流表两端电压相等即可省去电压的测量,从而减小实验误差,由I2r2=I1r1得r1=122IrI此题也可理解为“将已知内阻的电流表A2当成电压表使用”。