通用技术 三视图专题训练
- 格式:doc
- 大小:533.00 KB
- 文档页数:4
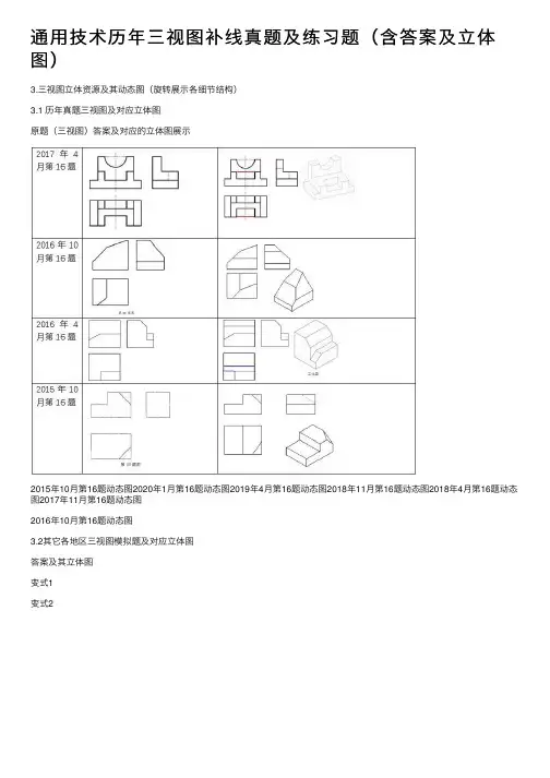
三视图练习题1、若某空间几何体的三视图如图所示,则该几何体的体积是( (A2 (B1 (C23(D132、一个几何体的三视图如图,该几何体的表面积是((A372 (B360 (C292 (D2803、若某几何体的三视图(单位:cm如图所示,则此几何体的体积是(A3523cm3(B3203cm3 (C2243cm3(D1603cm34、一个长方体去掉一个小长方体,所得几何体的正(主视图与侧(左视图分别如右图所示,则该几何体的俯视图为: (5、若一个底面是正三角形的三棱柱的正视图如图所示,则其侧面积...等于 (A.2 C..66、图2中的三个直角三角形是一个体积为20cm2的几何体的三视图,则h= cm第2题第5题7、一个几何体的三视图如图所示,则这个几何体的体积为。
8、如图,网格纸的小正方形的边长是1,在其上用粗线画出了某多面体的三视图,则这个多面体最长的一条棱的长为______.9、如图1,△ ABC 为正三角形,AA '//BB ' //CC ' , CC ' ⊥平面ABC 且3AA '=32BB '=CC '=AB,则多面体△ABC -A B C '''的正视图(也称主视图是(10、一空间几何体的三视图如图所示,则该几何体的体积为( .A.2π+B. 4π+C. 2π+D. 4π 11、上图是一个几何体的三视图,根据图中数据,可得该几何体的表面积是(A .9πB .10πC .11πD .12π第7题侧(左视图正(主视图俯视图俯视图正(主视图侧(左视图12、一个棱锥的三视图如图,则该棱锥的全面积(单位:c2m为((A(B(C(D13、若某几何体的三视图(单位:cm如图所示,则此几何体的体积是3cm.14、设某几何体的三视图如上图所示。
则该几何体的体积为3m15、已知某个几何体的三视图如下,根据图中标出的尺寸(单位:cm,可得这个几何体的体积是(A.3 4000 cm3B.3 8000 cm3C.3 2000cmD.34000cm16、一个几何体的三视图如上图所示,其中正视图与侧视图都是边长为2的正三角形,则这个几何体的侧面积为(A.33π B.2πC.3π D.4π第14题正视图侧视图俯视图第17题17、如图是一个几何体的三视图,根据图中数据,可得该几何体的表面积为(A .32πB .16πC .12πD .8π18、下图是一个几何体的三视图,根据图中数据,可得该几何体的表面积是A.9πB.10πC.11π D .12π19、右图是一个多面体的三视图,则其全面积为( AB6C6 D4 20、如图所示,一个空间几何体的正视图和侧视图都是底为1,高为2的矩形,俯视图是一个圆,那么这个几何体的表面积为(A .2πB .52πC .4πD .5π21、一个几何体的三视图及其尺寸(单位:cm如图所示,则该几何体的侧面积为_ ______cm 2.22、如果一个几何体的三视图如图所示(单位长度: cm, 则此几何体的表面积是(A. 2(20cm + B.212cmC. 2(24cm + D. 242cm俯视图左视图俯视图图2723. 如右图所示,一个空间几何体的主视图和左视图都是边长为1的正方形,俯视图是一个直径为1的圆,那么这个几何体的表面积为A .π3 B .π2 C .π23D .π424. 如下图,某几何体的正视图与侧视图都是边长为1的正方形,且体积为12。
三视图练习题1、若某空间几何体的三视图如图所示,则该几何体的体积是()(A)2(B)1(C)23(D)132、一个几何体的三视图如图,该几何体的表面积是()(A)372 (B)360 (C)292 (D)2803、若某几何体的三视图(单位:cm)如图所示,则此几何体的体积是(A)3523cm3(B)3203cm3 (C)2243cm3(D)1603cm34、一个长方体去掉一个小长方体,所得几何体的正(主)视图与侧(左)视图分别如右图所示,则该几何体的俯视图为:()5、若一个底面是正三角形的三棱柱的正视图如图所示,则其侧面积等于 ( )AB.2 C..66、图2中的三个直角三角形是一个体积为20cm2的几何体的三视图,则h= cm第2题第5题7、一个几何体的三视图如图所示,则这个几何体的体积为 。
8、如图,网格纸的小正方形的边长是1,在其上用粗线画出了某多面体的三视图,则这个多面体最长的一条棱的长为______.9、如图1,△ ABC 为正三角形,AA '//BB ' //CC ' , CC ' ⊥平面ABC 且3AA '=32BB '=CC '=AB,则多面体△ABC -A B C '''的正视图(也称主视图)是( )10、一空间几何体的三视图如图所示,则该几何体的体积为( ).A.2π+B. 4π+C. 2π+D. 4π11、上图是一个几何体的三视图,根据图中数据,可得该几何体的表面积是( )A .B .C .D .9π10π11π12π第7题侧(左)视图正(主)视图俯视图俯视图正(主)视图侧(左)视图12、一个棱锥的三视图如图,则该棱锥的全面积(单位:c 2m )为 ()(A )(B )(C )(D )13、若某几何体的三视图(单位:cm )如图所示,则此几何体的体积是 3cm .14、设某几何体的三视图如上图所示。
23正视图侧视图2俯视图 2第3题三视图练习题 (一)1.某几何体的三视图如图所示,则它的体积是( )A.283π-B.83π-C.π28-D.23π2.某四棱锥的三视图如图所示,该四棱锥的表面积是( )A .32 B.16+162 C.48 D.16322+3.如图,某几何体的正视图(主视图),侧视图(左视图)和俯视图分别是等边三角形,等腰三角形和菱形,则该几何体的体积为( ) A .43 B .4C .23 D .24.如图是某几何体的三视图,则该几何体的体积为( )A .942π+ B.3618π+C.9122π+D.9182π+5.一个空间几何体的三视图如图所示,则该几何体的表面积为( ) A. 48 B.32+817C.48+817D.806.若某几何体的三视图(单位:cm )如图所示,则此几何体的体积是( )A.35233cmB.32033cmC.22433cmD.16033cm7.若某空间几何体的三视图如图所示,则该几何体的体积是( )A.2B.1C.23D.138.某几何体的三视图如图所示,则该几何体的体积为( ) A.π816+ B.π88+ C.π1616+ D.π168+9. 某四棱台的三视图如图所示,则该四棱台的体积是() A.4 B.314 C.316D.610. 某三棱锥的三视图如图所示,已知该三视图中正视图和俯视图均为边长为2的正三角形,侧视图为如图所示的直角三角形,则该三棱锥的体积为( )A .1B .3C .4D .511. 一个几何体的三视图如图所示,则这个几何体的体积为( )332正视图侧视图俯视图第4题第5题第7题 第1题 第2题 第8题第9题第6 题A .(8)36π+B .(82)36π+C .(6)36π+D .(92)36π+12.某几何体的底面为正方形,其三视图如图所示,则该几何体的体积等于( )A .1B .2C .3D .413.某几何体的三视图如图所示,则其体积为______.14.若某几何体的三视图(单位:cm )如图所示,则此几何体的体积等于______3cm . 15.某几何体的三视图如图所示,则该几何体的体积是______.16.已知某三棱锥的三视图(单位:cm )如图所示,则该三棱锥的体积是 17.一个空间几何体的三视图如图所示,则这个空间几何体的体积是. 18.如图所示,一个三棱锥的三视图是三个直角三角形,则该三棱锥外接球的表面积为19.若某空间几何体的三视图如下图所示,则该几何体的表面积是_______________.20.一个正方体的内切球与它的外接球的体积比是( ).A .1∶33B .1∶22C .1∶383 D .1∶4221.已知球面上A 、B 、C 三点的截面和球心的距离都是球半径的一半,且AB =BC =CA =2,则球表面积是( )A.π964 B. π38 C. π4 D. π91622. P 、A 、B 、C 是球O 面上的四点,且PA 、PB 、PC 的两两垂直,PA=PB=PC=9,则球心O 到截面ABC 的距离为23.半径为5的球被一个平面所截,截面面积为16π,则球心到截面的距离为 ( ) A.4 B.3 C.2.5 D.224.表面积为3π的圆锥,它的侧面展开图是一个半圆,则该圆锥的底面直径为________. 25.答案1.A2.B3.C4.D5.C6.B7.B8.A9.B 10.A 11.A 12.A 13.3π14.24 15.1616-π 16.1 17.67π18.29π 19. 20+82 20.A 21.A 22.233第10题3122正视图侧视图俯视图第11题 211俯视图侧视图正视图13第12题第17题24 3正视图 侧视图俯视图第18题 第15题 第14题第13题 第16题 第19题23.B 24. 2 25. ︒90 26.3500π27.π6 28.π29 29.72 30. 3629+3226-31.2500π 32.π1200。
通用技术三视图练习1
班级__________ 姓名__________ 得分________ 1.图书馆内使用的活动木梯的立体图及待完善的三视图如图所示。
请补齐左视图和俯视图中缺少的线条。
2.下图是小锤的正等轴侧图,请补全俯视图,并画出它的左视图。
3、请画出下列立体图的左视图(满足“长对正,宽相等,高平齐”)
通用技术三视图练习2
班级__________ 姓名__________ 得分________ 4.根据立体图,补齐俯视图和左视图
5.根据立体图,画出俯视图、补齐俯视图和左视图
6.根据题图所示形体,画出主视图。
补全俯视图的缺漏线条。
通用技术三视图练习3
班级__________ 姓名__________ 得分________
7、找出相应的立体图,并在其下方括号内填写它的序号
12
4
3
8、根据题图所示形体,(1)画出主视图。
(2)补全俯视图的缺漏线条。
10、请根据提供的尺寸为视图作尺寸标注:
以下单位统一为毫米(mm):
1、总长为:24,高为18;。
word 格式三视图练习题则该几何体的体积是()(D)()(D ) 280第3题(单位cm ) 16033(D) 所得几何体的正则该几何体的俯视图为()1 3第5题(A) 2(主)视图与侧(左)视图分别如右图所示(B ) 1(C ) 292第1题(B ) 3603、若某几何体的三视图 如图所示,则此几何体的体积是 1、若某空间几何体的三视图如图所示—cm 34、一个长方体去掉一个小长方体 2、一个几何体的三视图如图,该几何体的表面积是(B ) 320cm 3“,f=L23(A ) 352cm 3 33r — 1111I ___J第2题1'1-T P5、 若一个底面是正三角形的三棱柱的正视图如图所示,则其侧.面积等于(A . . 3B . 2C . 2 3D . 66、 图2中的三个直角三角形是一个体积为20cm 2的几何体的三视图,则h=7、 一个几何体的三视图如图所示 ,则这个几何体的体积为 _____________AA // BB // CC , CC 丄平面 ABC3且3 AA = 3 BB = CC =AB,则多面体△ ABC - ABC 的正视图(也称主视图)是()8、如图,网格纸的小正方形的边长是1 ,在其上用粗线画出了某多面体的三视图,则这个多面体最长的一条棱的长为9、如图1 , △ ABC 为正三角形,)S 2a.俯视图正(主)视图侧(左)视图A. 9 nB. 10 nC. 11 n D . 12 n10、一空间几何体的三视图如图所示,则该几何体的体积为().A.2 2.3B. 4 2 . 3侧(左)视图C. 2D. 4第11题第10题11、上图是一个几何体的三视图,根据图中数据,可得该几何体的表面积是12、一个棱锥的三视图如图,则该棱锥的全面积(单位:c m2)为(A) 48+12 . 2 (B) 48+24 . 2 ( C) 36+12 2 (D)36+24 213、若某几何体的三视图(单位:cm)如图所示,则此几何体的体积是cm3第12题正视图侧视图俯视图15题14、设某几何体的三视图如上图所示。
三视图练习题1、若某空间几何体的三视图如图所示,则该几何体的体积是()(A)2(B)1(C)23(D)132、一个几何体的三视图如图,该几何体的表面积是()(A)372 (B)360 (C)292 (D)2803、若某几何体的三视图(单位:cm)如图所示,则此几何体的体积是(A)3523cm3(B)3203cm3 (C)2243cm3(D)1603cm34、一个长方体去掉一个小长方体,所得几何体的正(主)视图与侧(左)视图分别如右图所示,则该几何体的俯视图为:()5、若一个底面是正三角形的三棱柱的正视图如图所示,则其侧面积等于 ( )AB.2 C..66、图2中的三个直角三角形是一个体积为20cm2的几何体的三视图,则h= cm第2题第5题7、一个几何体的三视图如图所示,则这个几何体的体积为 。
8、如图,网格纸的小正方形的边长是1,在其上用粗线画出了某多面体的三视图,则这个多面体最长的一条棱的长为______.9、如图1,△ ABC 为正三角形,AA '//BB ' //CC ' , CC ' ⊥平面ABC 且3AA '=32BB '=CC '=AB,则多面体△ABC -A B C '''的正视图(也称主视图)是( )10、一空间几何体的三视图如图所示,则该几何体的体积为( ).A.2π+B. 4π+C. 2π+D. 4π11、上图是一个几何体的三视图,根据图中数据,可得该几何体的表面积是( )A .B .C .D .9π10π11π12π第7题侧(左)视图正(主)视图俯视图俯视图正(主)视图侧(左)视图12、一个棱锥的三视图如图,则该棱锥的全面积(单位:c 2m )为 ()(A )(B )(C )(D )13、若某几何体的三视图(单位:cm )如图所示,则此几何体的体积是 3cm .14、设某几何体的三视图如上图所示。
三视图小练习三视图专题练习1、线路图2、请据题图所示形体,画出主视图,补全左视图的缺漏线条。
3、根据轴测图补画三视图中所缺的线条。
4、根据题图所示形体,画出主视图。
补全俯视图的缺漏线条。
5、根据两视图 , 补画第三视图6、根据轴测图补全三视图中所缺的线,或补画第三个视图7、如图所示的形体:根据已有的正等轴测图、主视图,补充完成视图。
并在三视图中标注出长、宽、高(说明:长5cm、宽4cm、高4cm;凹槽部分:下底面宽1cm)8、根据立体图,补全俯视图和左视图中所缺漏的图线。
(高考题1)9、根据轴测图,补全三视图中缺少的图线主视10、根据轴测图,补全三视图中缺少的图线11、根据轴测图,补全三视图中缺少的视图及图线12、根据所给的主视方向,画出三视图13、在绘制机械图样时,我们把细实线主要用于画()。
A 可见轮廓线B 不可见轮廓线C 中心轴线D 尺寸线14、某设计师设计出一图纸后,并标注其比例是4:1,某边长的实际长度是100cm,我们在图形中标注此边长时,应标注()。
A.400cmB.25cmC.1000D.10015、(2009年9月浙江省高考题)如图所示是一放大电路的线路图,该图中的元器件有A .电阻、二极管、电池B .电阻、三极管、电容C .开关、三极管、电阻D .电容、电阻、二极管16、下面不属于技术语言的是()A .车模B .交通管理C .建筑施工图D .出入口符号17、下列属于技术图样的的是()A .机械加工图B .条形图C .模型D .符号18、标志也是一种技术语言,它具有言简意赅、通俗直观的特点。
如图是一个公共场合标志,它表示的意思你认为最合适的是()。
A .大型商场B .海关检验C .会议室D .结帐(柜台)处19、下列技术语言,属于图表的是()A .纺织机械加工图B .教学楼建筑施工图C .书架的草图D .房间装潢布线图20、家住某城市的刘斌同学中午放学后,想用最短的时间去市立医院住院部16楼看望奶奶,合适的标志过程表示为()① ② ③ ④ ⑤A .①⑤③B .②③⑤C .②⑤④D .①⑤④21、下列说法错误的是:()A .与草图相比,效果图更能真实表现产品的式样、材质和空间效果;B .正等轴测图经常会放在产品的设计说明书、广告宣传单上;C .设计草图比构思草图更加完善,是一种正式的草图方案;D .对设计方案进行评价时,口头语言不是一种较好的技术语言。
优化集训13 三视图及尺寸标注专题突破1.(2022浙江强基联盟高三联考)如图所示的图样和尺寸标注,错误的共有( )A.2处B.3处C.4处D.5处2.通用技术实践课上,小明设计了如图所示的零件,图样中的错误有( )A.2处B.3处C.4处D.5处3.通用技术实践课上,小明设计了如图所示的零件。
图样中存在的错误共有( )A.2处B.3处C.4处D.5处4.图中漏标的尺寸共有( )A.1处B.2处C.3处D.4处5.图中多标的尺寸共有( )A.1处B.2处C.3处D.4处6.图中漏标的尺寸共有( )A.1处B.2处C.3处D.4处7.图中多标的尺寸共有( )A.1处B.2处C.3处D.4处8.小明设计了如图所示的零件(厚度为3 mm)。
下列尺寸标注的说法正确的是( )A.错标1处,漏标3处B.错标1处,漏标4处C.错标2处,漏标3处D.错标2处,漏标4处9.请根据轴测图,补全三视图中所缺的图线。
10.请根据轴测图,补全三视图中所缺的图线。
11.请根据轴测图,补全三视图中所缺的图线。
12.请根据轴测图,补全三视图中所缺的图线。
13.请根据轴测图,补全三视图中所缺的图线。
14.请根据轴测图,补全三视图中所缺的图线。
优化集训13三视图及尺寸标注专题突破1.D共有5处错误:①尺寸数字30应标注在尺寸线上方;②20应标注直径ϕ20,且不能被任何线穿过;③R10应标注直径ϕ10,且尺寸线箭头应指向圆弧;④对称中心线为点划线不是虚线;⑤5的尺寸线箭头应指向尺寸界线。
2.C图样中错误的标注如下图所示。
1处尺寸线应与尺寸界线相接;2处尺寸线箭头应指向圆弧;3处应标注半径而不是直径;4处对称中心线为点划线不是实线。
3.A两处错误。
第一处R35,半径及圆的标注,箭头应指向圆弧;第二处60和170,大小尺寸标注,应该遵循小尺寸在里面,大尺寸在外面的原则。
4.C5.B6.B7.C多标尺寸为:左侧的40、角度60°(或37)、总高度60。
三视图习题50道(含答案)三视图练习题1、若某空间⼏何体的三视图如图所⽰,则该⼏何体的体积是()(A)2 (B)1 (C)23(D)132、⼀个⼏何体的三视图如图,该⼏何体的表⾯积是()(A)372 (B)360 (C)292 (D)2803、若某⼏何体的三视图(单位:cm)如图所⽰,则此⼏何体的体积是(A)3523cm3(B)3203cm3 (C)2243cm3(D)1603cm34、⼀个长⽅体去掉⼀个⼩长⽅体,所得⼏何体的正(主)视图与侧(左)视图分别如右图所⽰,则该⼏何体的俯视图为:()5、若⼀个底⾯是正三⾓形的三棱柱的正视图如图所⽰,则其侧⾯积...等于 ( )A.2 C..66、图2中的三个直⾓三⾓形是⼀个体积为20cm2的⼏何体的三视图,则h= cm第2题第5题7、⼀个⼏何体的三视图如图所⽰,则这个⼏何体的体积为。
8、如图,⽹格纸的⼩正⽅形的边长是1,在其上⽤粗线画出了某多⾯体的三视图,则这个多⾯体最长的⼀条棱的长为______.9、如图1,△ ABC 为正三⾓形,AA '//BB ' //CC ' , CC ' ⊥平⾯ABC 且3AA '= 32BB '=CC '=AB,则多⾯体△ABC -A B C '''的正视图(也称主视图)是()10、⼀空间⼏何体的三视图如图所⽰,则该⼏何体的体积为( ).A.2π+B. 4π+C. 23π+D. 43π+ 11、上图是⼀个⼏何体的三视图,根据图中数据,可得该⼏何体的表⾯积是()A .9πB .10πC .11πD .12π第7题侧(左)视图正(主)视图俯视图俯视图正(主)视图侧(左)视图12、⼀个棱锥的三视图如图,则该棱锥的全⾯积(单位:c2m)为()(A)(B)(C)(D)13、若某⼏何体的三视图(单位:cm)如图所⽰,则此⼏何体的体积是3cm.14、设某⼏何体的三视图如上图所⽰。
三视图练习题1、若某空间几何体的三视图如图所示,则该几何体的体积是()(A)2(B)1(C)23(D)132、一个几何体的三视图如图,该几何体的表面积是()(A)372 (B)360 (C)292 (D)2803、若某几何体的三视图(单位:cm)如图所示,则此几何体的体积是(A)3523cm3(B)3203cm3 (C)2243cm3(D)1603cm34、一个长方体去掉一个小长方体,所得几何体的正(主)视图与侧(左)视图分别如右图所示,则该几何体的俯视图为:()5、若一个底面是正三角形的三棱柱的正视图如图所示,则其侧面积等于 ( )AB.2 C..66、图2中的三个直角三角形是一个体积为20cm2的几何体的三视图,则h= cm第2题第5题7、一个几何体的三视图如图所示,则这个几何体的体积为 。
8、如图,网格纸的小正方形的边长是1,在其上用粗线画出了某多面体的三视图,则这个多面体最长的一条棱的长为______.9、如图1,△ ABC 为正三角形,AA '//BB ' //CC ' , CC ' ⊥平面ABC 且3AA '=32BB '=CC '=AB,则多面体△ABC -A B C '''的正视图(也称主视图)是( )10、一空间几何体的三视图如图所示,则该几何体的体积为( ).A.2π+B. 4π+C. 2π+D. 4π11、上图是一个几何体的三视图,根据图中数据,可得该几何体的表面积是( )A .B .C .D .9π10π11π12π第7题侧(左)视图正(主)视图俯视图俯视图正(主)视图侧(左)视图12、一个棱锥的三视图如图,则该棱锥的全面积(单位:c 2m )为 ()(A )(B )(C )(D )13、若某几何体的三视图(单位:cm )如图所示,则此几何体的体积是 3cm .14、设某几何体的三视图如上图所示。
三视图练习题1、若某空间几何体的三视图如图所示,则该几何体的体积是()(A)2(B)1(C)23(D)132、一个几何体的三视图如图,该几何体的表面积是()(A)372 (B)360 (C)292 (D)2803、若某几何体的三视图(单位:cm)如图所示,则此几何体的体积是(A)3523cm3(B)3203cm3 (C)2243cm3(D)1603cm34、一个长方体去掉一个小长方体,所得几何体的正(主)视图与侧(左)视图分别如右图所示,则该几何体的俯视图为:()5、若一个底面是正三角形的三棱柱的正视图如图所示,则其侧面积等于 ( )AB.2 C..66、图2中的三个直角三角形是一个体积为20cm2的几何体的三视图,则h= cm第2题第5题7、一个几何体的三视图如图所示,则这个几何体的体积为 。
8、如图,网格纸的小正方形的边长是1,在其上用粗线画出了某多面体的三视图,则这个多面体最长的一条棱的长为______.9、如图1,△ ABC 为正三角形,AA '//BB ' //CC ' , CC ' ⊥平面ABC 且3AA '=32BB '=CC '=AB,则多面体△ABC -A B C '''的正视图(也称主视图)是( )10、一空间几何体的三视图如图所示,则该几何体的体积为( ).A.2π+B. 4π+C. 2π+D. 4π11、上图是一个几何体的三视图,根据图中数据,可得该几何体的表面积是( )A .B .C .D .9π10π11π12π第7题侧(左)视图正(主)视图俯视图俯视图正(主)视图侧(左)视图12、一个棱锥的三视图如图,则该棱锥的全面积(单位:c 2m )为 ()(A )(B )(C )(D )13、若某几何体的三视图(单位:cm )如图所示,则此几何体的体积是 3cm .14、设某几何体的三视图如上图所示。
2012年11月滨江高中通用技术三视图练习
班级姓名
1.对照立体图,看懂三视图,在下图的括号中填上与立体图相对应的编号。
2、根据立体图、主视图和左视图选择正确的俯视图。
3、补全下图中缺少的视图以及视图中所缺少的线段。
第3题1
第3题2
第2题1
第2题2 第3题5
第3题3
第3题4
第3题6
第3题
第3题
第3题10
第3题9
4、根据正等轴测图,画出所对应的三视图,并标注尺寸(在图上量取)。
第4题图
5、画出上底直径为30mm 、下底直径为40mm 、高为25mm 的圆台的三视图,并标注尺寸。
6.如图甲所示是小黄设计的木质台灯支架,图乙是木条2的立体图。
木条2(图乙)的三视图如下,请用铅笔补全三视图所缺的线条。
7、王凯同学设计的小型木质书架(如图甲所示)采用了图乙所示的燕尾形榫接结构。
请完成下题,下图为图乙A 板的三视图,请补全三视图中所缺的图线。
第6题图
第6题图图甲 第6题图图乙
图甲
图乙感谢您的阅读,祝您生活愉快。
班级__________ 姓名__________ 得分________ 1.图书馆内使用的活动木梯的立体图及待完善的三视图如图所示。
请补齐左视图和
俯视图中缺少的线条。
2.下图是小锤的正等轴侧图,请补全俯视图,并画出它的左视图。
3、请画出下列立体图的左视图(满足“长对正,宽相等,高平齐”)
班级__________ 姓名__________ 得分________ 4.根据立体图,补齐俯视图和左视图
5.根据立体图,画出俯视图、补齐俯视图和左视图
6.根据题图所示形体,画出主视图。
补全俯视图的缺漏线条。
班级__________ 姓名__________ 得分________ 7、找出相应的立体图,并在其下方括号内填写它的序号
1 2
4
3
8、根据题图所示形体,(1)画出主视图。
(2)补全俯视图的缺漏线条。
9.根据立体图,绘出三视图。
10、请根据提供的尺寸为视图作尺寸标注:
以下单位统一为毫米(mm):
1、总长为:24,高为18;
2、两圆的直径为:4,两圆心之间的距离是:16,圆心的高度为:14;
3、圆弧的半径为4;
4、下面凹槽的高度为:3,长度为8;。