2021年焊口编号规则1版
- 格式:doc
- 大小:32.01 KB
- 文档页数:4
目录
1 编号依据 (2)
2 职责 (2)
3 编号原则 (2)
4 编号顺序 (2)
1 编号依据
1.1 按GB150要求进行焊缝编号:
1.2 焊缝分为A 、B 、C 、D 、E 五个类别。
前四类代表受压元件之间类别,最后一个字母代表受压元件与非受压元件之间的类别。
2 职责
所有产品焊缝编号,均由焊接部门编制,并绘制出编码图作产品检验、无损检测以及存档的依据。
3 编号原则
3.1 每台容器的每个焊缝,均应编制号码。
号码只能是唯一的,不能重复出现。
3.2 A 和B 类焊缝中,每个类别焊缝须有字母数字加隔断号,再加数字顺序组成:
为:A1-1、A2-1、A3-1、A4-1、A5-1…… B1-1、B2-1、B3-1、B4-1、B5-1…… 3.3 其他焊缝,采用大流水顺序号码组成:
为:C1、C2、C3、C4、C5……
D1、D2、D3、D4、D5…… E1、E2、E3、E4、E5……
4 编号顺序
4.1 以设计图的左下角为开始位置,顺时针方向旋转编制。
4.2 每个类别号码焊缝,以左视图方向向右侧投影,以正上方12点开始为第一个编码,
焊缝编号规则
章节号
15
本章正文 共 2 页第 1 页
见图2,顺时针旋转编制。
图2 编号顺序示意图
4.3 所有类别焊缝编码均由焊接技术部门编制,其他部门照办。
4.4 除了A 类和B 类按3.1条和3.2条编制以外,其他类别可按实际情况,按唯一流水顺序号进行编制。
焊缝编号规则
章节号
15
本章正文 共 2 页第 2 页。
浙江天然气开发有限公司华能桐乡热电配套天然气管道工程焊口编号管理规定文件编号:TXRD.JL01.0000-0003目录1.目的 (3)2.依据 (3)3.工程划分原则 (3)4.工程项目文件编号规定 (3)1 目的1.1 为了规范华能桐乡热电配套天然气管道工程的焊口编制工作,保证线路安装工程焊口编号的统一性、规范性,便于焊口的检追溯,特制定本规则。
2 范围本规定适用于华能桐乡热电配套天然气管道工程承包商的焊口的编号。
3、编制依据3.1建设/管理方颁布的管理制度: 3.2《桐乡项目编号及单位工程划分》; 4、编码结构本工程焊口编号由工程编号、参建单位机组号、里程桩号、焊口号和类别号五个部分组成(详见下图)。
4.1工程编号本工程编号为:TXRD 。
4.2参建单位机组代码参建单位代码为:SJ1---中石化十建一机组、SJ2---中石化十建二机组SJ3---中石化十建三机组,依此类推。
4.3里程桩号按设计文件规定的桩号,如TD006。
4.4焊口号±焊口号:“+”顺气流方向;“-”逆气流方向;焊口号---焊口顺序号(阿拉伯数字,顺着气流方向由01开始)类别号4.5类别号:W----热煨弯头焊口;L----连头焊口C----穿越管焊口一般线路直管焊口省略4.6工程编号、参建单位机组号、里程桩号、焊口号和类别号之间加符号“-”隔离,即TXRD-XXX-XXXXX-XXX-X。
4.7文件编码及其识别示例“TXRD-SJ1-TD006-+01-C”,表示本工程中石化建十公司第一机组在桩号TD006开始顺着气方向直管上的第一道焊口。
4.8 现场焊口要求标识如下图:。
焊夹标准件编号标准规则J □ □ □□ □ □ □ A ХBJ 为标准代号 (表示夹具类)零件类别标准(简称代号) 例: 02(表示定位销类) 零件号标准(阿拉伯数字) 例: 01 (表示零件号)一级子代零件号(阿拉伯数字)例: 4 (表示一级子代零件号) 一级子代零件号如果有二级子代零件号的话,用1位数表示,例: 2。
如果用2位数表示例: 10,则表示没有二级子代零件号。
二级子代零件号(阿拉伯数字)例: 4 (表示二级子代零件号) 标准件的子代不允许超过二级,二级子代中不允许出现焊接合件,一级子代中如果有焊接合件的话,焊接合件用1位数表示。
例: 2 修改版本号(大写英文字母)例: A (表示第一次修改) C (表示第三次修改)A xB =(零件规格参数) 例:A x B = 40X 80X60(表示零件变化规格)示例:J0104 无修改无子代情况J0104A无子代第一次修改情况J0204B 无子代第二次修改情况J0104-1A J0104-2A有一级子代第一次修改情况。
J0204-1-1A J0204-1-2A有二级子代第一次修改情况。
焊夹标准件明细一、类别01.定位块夹紧块及对应的挡块类02.定位销类03.垫片类04.铰链类05.支座类06.三维调整机构类07.L连接板类08.导向板类09.导向块类10.底架类11.脚架调整类12.推手类13.绝缘类14.气路类15.回转机构类16.举升机构类17.气动销组件18.手动机构类19.气动导轨滑移机构20.机器人仿真部件图面标注件号指示。
三、合件标准件明细如下表所例:合件总成号J0107A-16-60合件图面标注件号指示。
压力管道焊接编号规则1 管道焊口编号的目的1.1为了保证压力管道的每处焊口都具有唯一的标识和可追溯性,特制定本规则。
1.2管道焊口编号可确定焊口位置,记录焊工姓名、焊接日期、焊接质量等。
1.3管道焊口编号后存档,可明确施工质量职责,增强施工人员的法治观念。
2工艺管道焊接编号施工图纸中设计已有管道编号的,可在其后面用阿拉伯数字分别标注焊口的顺序号和焊工代号;施工图纸中没有管道编号的,可根据管道的直径、介质自己编制管道号,然后再按上述方法标注焊的顺序号和焊工代号。
3其它管道焊接编号按设计图纸,并结合现场施工的具体情况,从介质流向开始,按照管道的转角点、穿越点、跨越点分成若干自然段,可根据管道的直径、介质自己编制管道编号和自然段号,然后再按上述方法标注焊的顺序号和焊工代号。
4管道编号代码管道介质注气注水供水供热原油天然气污水代码ZQ ZS S R Y Q WS5管道编号代码示例XXXX-XX-XX-XX焊工代号管道焊口编号管道分段号管道编号示例1某井站由76X4原油管道第3段第4道焊□,焊工张师傅(焊工号H5),和89X4原油管道第2段第9道焊□,焊工李师傅(焊工号H22),其编号如下,Y76-3-4-H5; Y89-2-9-H55例2某井站由76X4 原油管道第3段第4道焊口,焊工张师傅(焊工号H5),如果只有一条管道施工,编号可简化如下形式: Y-3-4-H5。
6 管道单线图简单的管道单线图可画成平面图,复杂的可画在斜二等轴侧图,管道编号应清楚地标记在管道单线图中,图中用表格的形式记录焊接工艺质量,在图的右下方应设标题栏,其格式可参照设计院的图纸的样式,内容分别为工程名称、管道坐标或相对方位、编制人、审核人、日期等。
如果盖竣工图章,可在其中填写编制人、审核人、日期等。
7 表格样式焊口编号焊工姓名焊工代号固定口活动口无损检测备注Y76-3-4张师傅H5 √RTY89-2-9李师傅H22 √RT 热处理备注:1、可对无损检测的情况进行说明,如果返修可记录在其中;2、如果2个人共同焊接,可注明认证焊撰第儿层焊道。
管道焊口标识及焊接记录管理规定1:焊接班组长工作职责:单线图是管道安装程序控制和交工资料编写的主要依据,焊口标识是责任到人的追踪记录。
作为班组长要熟悉单线图,认真负责的填写管道的焊口标识。
2:焊缝标识内容:管道焊接完成后,各施工队班组长(记录员)及时把焊缝标识表格整齐画在距离所标识焊缝10cm的醒目不易脱落的位置,表格长边与管道方向保持一致,并正确填写焊接内容(用中号黑色记号笔)。
3:单线图标识规程:单线图中的焊口编号已经由专业技术员标注完善,各施工队班组长在没有经过专业技术员允许的情况下绝对不允许私自改动焊口顺序,若发现标注错误要及时通知专业技术员,经确认属实后由专业技术员负责统一更改。
在施工过程中难免会出现增加口或取消口(如下图所示),例如:2号焊口和3号焊口之间增加了一道对焊口,就在较小的焊口后加A,即增加口为2A,增加两道即2A、2B依此类推;焊口取消就在相应的焊口号旁注明“取消”(如8号口)。
原则上就是要确保图与现场的一致性。
4:注意事项:(1)施工过程中遇到不明确的应及时询问技术员或焊接专业工程师,绝不允许乱标乱报焊口。
当天焊完的焊口必须在当天做好焊缝标识、填写焊接记录并及时上报,绝对不允许把几天的焊口积累到一起再报。
(2)固定焊口的标识与上报。
凡是现场采用固定焊接的焊口必须按固定口标识上报,固定焊口要求在焊缝编号后面加“G”(如上图中的3G),焊接记录中要求如实上报固定焊口。
(3)焊接完成后,施工队向项目部做出无损检测申请,项目部焊接工程师邀请专业监理工程师进行现场点口,点口后下发无损检测委托书,委托第三方检测公司进行无损检测,已点焊口在焊口标识旁写RT(或PT/UT/MT),相应录入焊接记录表。
一次返修在委托焊口号后加R1,扩探口在委托焊口号后加K,现场割口重焊的焊口标识。
对于已经报过焊接记录但由于焊缝返修或其他原因割口重焊的焊口要求在标识焊缝号后面加“C”进行标识,重新报焊接记录到技术员处录入。
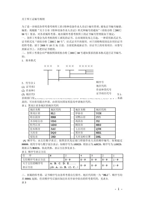
关于焊工证编号规则为了进一步规范各焊考委考核焊工的《特种设备作业人员证》编号管理,避免证书编号编错、编重,现根据“关于公布《特种设备作业人员证》样式和编号的通知”(质检办特[2005]86号)要求,对各省属焊考委、地市属焊考委考核焊工的证书编号管理做如下规定: 一、各焊工考委会为其考核的焊工颁发的证书,自本规则发布之日起,一律采用新式证书,证书样式见“质检办特[2005]86号”,旧式证书不再使用。
对于因特殊原因还在用旧证书的焊考委,请于2008年10月31日前,全部更换成新证书,旧证书上的有效项目,应誊写到新证书上,并把旧证书销毁。
二、各焊工考委会应严格按照国质检办特[2005]86号通知要求的基本格式进行证书编号,即: 12(1) (2) (3) 1。
盖的,可向省局提出申请,由省局向国家质监局申请地区代码。
表1. 黑龙江省各地区的地区代码(4) 顺序号:由五位数字表示。
按照首次发证部门焊接作业人员的顺序编号。
如果超过99999,则用字母与数字混合表示。
如顺序号为100020,则表示为A0020;顺序号为110020,则表示为B0020;依此类推,表示方法参见表2。
表2. 顺序号表示方法三、省属的焊考委,证书顺序号由各焊考委自行排序,地区代码统一为“HLS ”,顺序号均从00001起始,但在顺序号后面应加注在名序表中给出的焊考委代码,见表3。
表3总排序为100,则表示为:TS6JHLS00100(01);总排序为100150,则表示为:TS6JHLSA0150(01)例如:黑龙江省电力公司第三焊接培训中心首次考核发证的焊工,总排序为800,则表示为:TS6JHLS00800(02);总排序为110180,则表示为:TS6JHLSB0180(02)例如:黑龙江省电力有限公司焊接技术培训中心首次考核发证的焊工,总排序为900,则表示为:TS6JHLS00900(03);总排序为120190,则表示为:TS6JHLSC0190(03)四、市属的焊考委,地区代码按照所在地市的地区代码(见表1),证书顺序号由市技术监督局统一排序,顺序号均从00001起始,顺序号后面加注焊考委代码自定。
压力管道焊接编号规则1 管道焊口编号的目的1.1为了保证压力管道的每处焊口都具有唯一的标识和可追溯性,特制定本规则。
1.2管道焊口编号可确定焊口位置,记录焊工姓名、焊接日期、焊接质量等。
1.3管道焊口编号后存档,可明确施工质量职责,增强施工人员的法治观念。
2工艺管道焊接编号施工图纸中设计已有管道编号的,可在其后面用阿拉伯数字分别标注焊口的顺序号和焊工代号;施工图纸中没有管道编号的,可根据管道的直径、介质自己编制管道号,然后再按上述方法标注焊的顺序号和焊工代号。
3其它管道焊接编号按设计图纸,并结合现场施工的具体情况,从介质流向开始,按照管道的转角点、穿越点、跨越点分成若干自然段,可根据管道的直径、介质自己编制管道编号和自然段号,然后再按上述方法标注焊的顺序号和焊工代号。
4管道编号代码管道介质注气注水供水供热原油天然气污水代码ZQ ZS S R Y Q WS5管道编号代码示例XXXX-XX-XX-XX焊工代号管道焊口编号管道分段号管道编号示例1某井站由76X4原油管道第3段第4道焊□,焊工张师傅(焊工号H5),和89X4原油管道第2段第9道焊□,焊工李师傅(焊工号H22),其编号如下,Y76-3-4-H5; Y89-2-9-H55例2某井站由76X4 原油管道第3段第4道焊口,焊工张师傅(焊工号H5),如果只有一条管道施工,编号可简化如下形式: Y-3-4-H5。
6 管道单线图简单的管道单线图可画成平面图,复杂的可画在斜二等轴侧图,管道编号应清楚地标记在管道单线图中,图中用表格的形式记录焊接工艺质量,在图的右下方应设标题栏,其格式可参照设计院的图纸的样式,内容分别为工程名称、管道坐标或相对方位、编制人、审核人、日期等。
如果盖竣工图章,可在其中填写编制人、审核人、日期等。
7 表格样式焊口编号焊工姓名焊工代号固定口活动口无损检测备注Y76-3-4张师傅H5 √RTY89-2-9李师傅H22 √RT 热处理备注:1、可对无损检测的情况进行说明,如果返修可记录在其中;2、如果2个人共同焊接,可注明认证焊撰第儿层焊道。
工程接头类编码文件产品编号规则1.1芯子编号规则——芯尾标号示的默认角度为45°;0表示的默认角度为100°)。
1.1.2芯头标号1.1.3芯尾标号按相配软管的标号。
如下表:□□套筒标号套筒标号按相配管接头芯尾标号,同1.1.3。
2、螺母编号规则螺纹尺寸标号2.1、螺母代号用字母“N”,为“NUT”的缩写,表示螺母。
3、过渡接头编号规则直通过渡接头型号中的第一位数字,表示两端内外螺纹的组合情况;第二、三位表示左右端的结构型式,当左右端结构型式相同时,则使用一位字母;当左右端标号相同时,也使用一组标号。
3.1.3左右端标号按1.1.2。
3.2角弯过渡接头编号规则:在直通过渡接头型号后加“4”表示45º弯曲过渡接头;在直通过渡接头型号后加“9”表示90º弯曲过渡接头。
3.3三通过渡接头编号规则:左端标号 中端标号三通过渡接头型号中第一位为字母,表示三端内外螺纹的不同组合情况;第二、三、四位为字母,分别表示左中右端的结构型式,当三端结构型式相同时,则使用一位字母,当三端标号相同时,3.4四通过渡接头:四通过渡接头型号标号四通过渡接头型号由两位字母,第一位表示四端内外螺纹的不同组合,第二位表示头部结构,且四端的结构相同,与直通过渡接头中的含义相同;标号只采用相同情况下的一组,如不同,则第一组表示左端,第二组表示上端,第三组表示右端,第四组表示下端。
W:一端为固定内螺纹,其他三端为固定外螺纹,顺序从固定内螺纹头开始;V:一端为固定外螺纹,其他三端为固定内螺纹,顺序从固定外螺纹端开始;X:表四端都是外螺纹;Y:表四端都是活动内螺纹;Z:表四端都是固定内螺纹。
4、锻件毛坯、半成品编号规则:4.1过渡接头锻件毛坯编号规则:4.2 螺母锻件编号规+ B5、塑料闷头编号规则:闷头种类螺纹制度塑料闷头编号规则按下表所示: 6、软管编号规则软管通径 生产厂代号6.1第二位字母“W ”代表采用中国标准加工软管、字母“T ”代表采用外国标准加工软管。
焊⼝编号⽅法
焊⼝编号⽅法:
1.⽆损检测焊⼝编号及编排⽅法以焊接委托单为主要依据,并与焊接的施焊记
录图相对应。
2.如果是属于抽检焊⼝,除所委托焊⼝编号外,还要记录号管段编号,以便对
⽆损检测焊⼝编号在整个管线中进⾏定位跟踪管理,有追溯性。
3.⽆损检测射线底⽚编号要与所委托焊⼝号⼀致。
对管线固定焊⼝属于吊焊⼝
的,以平焊位置为中⼼,顺介质流动⽅向顺时针右⼿螺旋法则确定;对属于横焊⼝的,以介质⽔平流动⽅向为参照,所⾯对焊缝中⼼为起点,按右⼿螺旋法则顺时针进⾏布⽚或进⾏缺陷标记。
4.对属于地⾯组合,需要位移的焊⼝,需在地⾯上做好实体标识(采⽤醒⽬油
漆或记号笔),每道焊⼝⽚号顺序以收弧处为基点,以介质流向为基准,由右⼿螺旋法则确定,⽤记号笔在焊⼝上标识⽚号,或辅以⽰意图进⾏
5.对因检测不合格的焊⼝,需要扩探的焊⼝编号后家K字样,对需要加倍检验
的编号后加J字样。
6.需要返⼯处理的部位,射线底⽚编号在原编号后加R字样。
7.焊缝探伤后,在离焊缝100mm处,标识相应探伤⽅式字样“RT”或“UT”。
8.焊缝射线透明胶⽚上,标识内容:产品编号,焊缝编号部位编号,透照⽇期。
***成品油管道及配套油库工程焊口、焊道编号规则第一部分****成品油管道工程焊道、焊口编号(一)*****站库储罐焊道、工艺管道焊口编号1.*****首站库储罐焊道编号:X—X—X—X—X焊道序列号焊缝位置施工承包商编码和焊工号储罐名称工程名称编号储罐焊道编号具体说明:(1)工程名称编号:**SZK;(2)储罐名称:由施工图中储罐名称每个字汉语拼音第一个字母组成;(3)施工承包商编码和焊工号:施工承包商名称代表性简称(例:中石化**工程公司—NJ,**油田勘探局工程建设总公司—ZY,**石油勘探局油田建设处—JS,**油田建设集团公司—ZJ)。
焊工号按照上岗证编号执行。
(4)焊道位置编号:(见表1)表1焊道部位地板罐壁拱顶附件角焊缝DB GB GD 根据图纸命名J边缘板中幅板纵向环向边缘板中幅板罐壁连接法兰连接下部上部BYB ZFB Z H BYB ZFBB F X S 环径横纵层数层数环径横纵向向向向向向向向H J H Z 数字表示数字表示H J H Z注:层数从下至上递增,第一道层数为1。
(5)焊道序列号:径向、环向焊缝序号以零点顺时针用数字递增排列,第一道焊缝为1。
例1:AQSZK—CPY3—NJ05—GB—Z03安庆首站库工程成品油3#储罐,由南京工程公司第5号焊工施焊储罐罐壁纵向焊缝零点起顺时针第3号焊缝。
2. ****站库工艺管道焊口编号:X—X—X—X—X焊口连接形式编号焊口序列号施工承包商编码和焊工号管段号工程名称编号工艺管道焊口编号具体说明:(1)工程名称编号:AQSZK;(2)管段号:施工图中管段编号;(3)施工承包商编码和焊工号:施工承包商名称代表性简称(例:中石化***工程公司—NJ,***油田勘探局工程建设总公司—ZY,****石油勘探局油田建设处—JS,****油田建设集团公司—ZJ)。
焊工号按照上岗证编号执行;(4)焊口序列号:按介质流向焊接时,为加号(+);逆介质流向焊接时,为减号(-),第一道焊口为1。
榆林—济南输气管道工程防腐管、焊口编号管理办法(试行)第一章总则第一条为了便于榆林-济南输气管道工程统一管理,加强工程施工资料的真实性、规范性、可追溯性和完整性,结合相关规范和本工程的实际情况以及数字化管道建设的相关要求,特制定本办法。
第二章防腐管标识第二条钢管防腐层上防腐管出厂标识按照以下内容和格式喷涂:防腐厂全称(一)钢管长度:单位为毫米,例如:12100mm。
(二)材质:分别为X60或X65。
(三)防腐层结构类型:3PE;(四)防腐号:说明:防腐标段代码用2位阿拉伯数字表示:例如02表示防腐2标段;钢管类型代码用汉语拼音表示:螺旋管为“LX”、直缝管为“ZF" ;防腐管外径用三位阿拉伯数字表示,例如“711”表示钢管外径为711mm;钢管壁厚用小数表示,保留一位小数,单位为mm;防腐等级代码用2位阿拉伯数字表示: 1表示常温普通级、2表示常温加强级、3表示高温普通级、4表示高温加强级。
例如:01-LX-711×14.2-1-0001表示由防腐一标段防腐厂生产的第一根Ф711×14。
2常温普通级防腐螺旋钢管。
(五)钢管编号:按钢管出厂管号进行移植;(六)生产日期:指防腐管生产日期;(七)检验员:检验员后XX指具有相应检验资质的检验员代码,检验员相关资质应是已报监理备案的;(八)标准:SY/T0413—2002(固定不变)(九)防腐厂名称:为签订施工合同时的法人单位名称。
第三条防腐管标志喷凃要求:(一)出厂合格的防腐管,在距离管端1m 处(一端)按上述要求喷涂标识;(二)喷涂采用不退色的白色油漆作为涂料;(三)喷涂的标志字体用仿宋体,单个汉字高5cm,宽4cm,阿拉伯数字、字母及符号采用新罗马字体,大小与汉字相协调为宜。
“-”长度为2cm,宽度8mm;(四)字间距1cm,行间距为2cm;(五)每排内容以左端对齐,两项内容之间间距11cm;(六)标志外边框不喷涂.示例第三章焊口编号规定第四条结合相关规范和本工程的实际情况,特对本工程的焊口编号作如下规定,请各相关施工单位严格执行。
焊口编码作业指导书1.0 目的为加强管道焊接管理,确保焊接质量,特制定此规定。
2.0 职责(1)E PC施工技术部和QHSE部负责监督检查施工分包商管道焊接管理工作。
(2)E PC项目部QHSE部负责对施工分包商焊口编号的正确性进行检查。
(3)E PC施工技术部监督施工分包商对管道焊口进行工艺性试验。
(4)Q HSE部负责对施工分包商各机组是否通过考核做出结论。
(5)施工分包商负责工艺性试验焊口试件的送检。
(6)施工分包商负责对管道焊口按规定进行编号。
(7)施工分包商负责组织各机组的考核段施工,对不符合要求的机组进行重新组建。
3.0 具体规定3.1 线路工程焊口编号线路工程焊口编号由七部分组成,形式为A-B-C-D-EFG。
具体表示如下:A、工程简称:HJQN(…-…成品油管道工程)。
B、区段编号:按…项目线路工程区段划分的要求执行。
C、施工承包商加机组编码:施工承包商机组名称的代表性简称(大北油建二机组—DB2,江南油建一机组—JN1)。
D、焊接方法代码:焊接方法,其中焊接方法代码按表-1执行。
EF、焊接方向:顺介质流向焊接时,为加号“+”;逆介质流向焊接时,为减号“-”。
注:顺介质施工,逆介质施工都以小号桩为基准开始编号。
G、焊口形式编号:焊口形式指连头口(死口)、变壁厚口、热煨弯头连接口、穿越段焊口(施工图所列穿越)、其他为普通焊口。
焊口形式代码见表-2:表示:HJ工程Q-N成品油管道工程-第6区段-大北油建第3机组-手工焊-EF011号桩-顺介质流向焊接-第11号普通焊口。
例2: HJQN-2-JN4-B-EG007-009C表示:HJ工程Q-N成品油管道工程-第2区段-江南油建第4机组-半自动焊-GH007号桩-逆介质流向第9号穿越段焊口。
例3:HJQN-3-DB2-S-FE025-009LG+1表示:HJ工程Q-N成品油管道工程-第3区段-大北油建第2机组-手工焊-FE025-逆介质流向焊接第9号-连头焊口割口后增加口(表示连头焊口返修超标,割口重焊增加一道焊口)。
焊缝标记管理规定1主题内容与适用范围本规定了容器受压元件焊缝标记位置,施焊记录、焊缝代号等内容。
2基本要求对须经耐压试验和无损探伤检查的焊缝,施焊后焊接操作者应在指定位置打上焊工钢印。
打印深度应控制在0.3-0.5mm。
钢印字迹应清晰、完整、端正。
钢印符号上部靠近所示焊缝,以示对该部位的焊接质量负责。
3焊工钢印标记3.1对于有色金属及黑色金属可以打焊工钢印。
3.2低温容器的焊缝不允许打钢印,不锈钢容器也不打焊工钢印标记。
3.3焊工钢印标记方法3.3.1一名焊工在完成的同一焊缝,打上该焊工的钢印;多名焊工同时完成的同一焊缝,依次打上各焊工钢印,用斜线将内外侧焊工钢印隔开,斜线左边为外侧施焊者,斜线右边为内侧施焊者。
例1:A1/A2其中A1------外侧坡口施焊者;A2-------内侧坡口施焊者例2:A3、A4/A4、A6其中:A3-------外侧坡口面层施焊者A4-------外侧坡口底层施焊者A5-------内侧坡口底层施焊者A6--------内侧坡口面层施焊者3.3.2对于大坡口,需由多名焊工多班次合作完成进,如焊工超过4人次,则以施焊记录详细记载施焊情况,焊缝可不作钢印标记。
3.4焊工钢印标记位置3.4.1纵焊缝:在该焊缝中间部位,距焊缝边缘约50mm处打上焊工钢印。
3.4.2环焊缝:在丁字口缝外侧对准纵缝,距焊缝边缘约50mm处打焊工钢印。
3.4.3人孔、接管焊缝,打在弧形部位的最高点,如有补强圈时,打在补强圈上,无补强圈打在筒体上。
4施焊记录4.1对下列情况之一者,应作施焊记录详细记载焊接情况a、对规定中规定不允许打钢印者;b、焊后进行机械加工被去除的焊缝(如拼接法兰);c、结构限制不宜打钢印者(如管板与管端焊接缝);4.2施焊记录应详细记载该焊缝各层施焊者的代号钢印或印记。
5探伤焊缝部位标记对焊缝进行探伤应按探伤部位予编号,按探伤排版图打上定位标记,详见无损探伤有关规定。
6焊缝代号示意图对每一台产品,均应绘制焊缝示意图,纳入产品档案,该项图至少包括下述内容a、焊缝编号;b、该焊缝施焊焊工钢印代号;c、探伤部位编号及透视部位尺寸。
管道工程焊口编号具体方法一、编制原则根据管道线路走向、地形地势以及施工作业方式,为保证工程顺利施工,要求焊口编号简洁明了、操作性强;并且保证科学统计、明确位置。
二、编写细则1.焊口号分四个部分:标段、机组、桩号、焊口流水号。
2.所有焊口在线路的定位应由:桩号.....来确定,禁止出现重复。
..+.焊口流水号3.桩号部分应与图纸上保持一致。
4.不允许出现除“..................................+.-.”号、数字、桩号以外的任何符号;其中的焊口流水号应严格保持其预留位数的编写意义............。
(标段号:Ⅰ~II;机组号:1~99;桩号:与图纸上一致;焊口流水号:001~999)5.因各种原因造成的一个桩号内焊口无法连续施工的,采用预留焊口号的方法,多出来的焊口可以用加小号的办法。
如:“-001+1”(施工过程中应避免出现断号现象)。
6.小号:范围:1~20,之前只能有“+”号,且“+1至+X”的顺序与本桩内的焊口流水号“±001至±XXX”的顺序一致。
7.焊口编号中桩号用施工时靠近的那个桩,顺气流编号用“...........+.”,反之用“......-.”。
流序号.001...顺序编写,严禁重复!.............致.XXX8.焊口定义符号:加在焊口号最后..,弯管:WG;弯头:WT;连头:LT;穿越:CY;跨越:KY;割口:GK;变壁厚:BH。
(弯管的两头都要加WG,弯头类同;连头为最后焊接的那道短节焊缝;割口之后加GK,可以重复标写:如WTGK、GKGK;变壁厚指在直管处的变化。
)9.焊口号一经探伤不得更改(加“GK”除外)。
流水号(“+1”为小号)10.焊口编号标写距焊缝50㎝,使用白色漆笔。
11.阀室焊口编号为两部分:阀室缩写+流水号。
各阀室缩写如下表,流水号为两位数从“01”开始,主线路焊口编号中:弯管(WG)弯头(WT)连头(LT)割口(GK)依然有效,另外:放空管线:后加“FK”;阀兰焊口:后加“FL”;焊口编号不分管径及三通。
工艺管道焊口标识管理
1、单线图发放之前,管道技术员在自己及班组施工用的单线图上,预先标注焊口号,保持两份单线图焊口号标注一致。
无单线图的班组应拒绝施工。
2、施工班组的作业组长或固定记录员根据预先设置的焊口号,在预制的管段上用油漆或油性记号笔写清管线号、管段号(醒目标识)、焊口号,并在单线图上进行焊工号、焊口号、管段号、焊接日期标识,保持两者的一致(焊口标识应在焊口单侧标识),示例见附件一。
3 、焊口标识应在组对后正式施焊前进行标识,施焊期间不得替换焊工,如有替换,焊口标识应补充注明替换焊工焊工号,焊接日期在完成焊口后及时标识。
4、现场焊口要及时标识,及时填写焊接记录,及时上报管道技术员处,严禁隔日累计标识、填报。
5、技术人员开探伤委托单时,在自己用的单线图上标记探伤焊口(在相应焊口上画圈,并旁注RT或PT等,示例见附件二)。
6、凡是现场采用固定焊接的焊口必须按固定口上报,固定口要求在焊缝编号后面加“G”,委托时同时在委托单上注明,严禁以活动口代替固定口。
7、对于割口重焊焊口要求在焊口号后面加“C”重新进行全信息标识,重新上报记录。
8、管道施工完毕,作业组长在单线图上签名,由班长负责收集标识齐全的施工用单线图,交技术员核实。
(技术员据此整理单线图、交工资料)。
9、焊口编号要按照管段顺序编号,严禁重复编号。
当实际焊口与排版图预设焊口不一致时,按实际焊口增加编号N1、N2……。
附件一:焊口标识图样
管线号
焊口号焊工号
外观检验作业时间
备注:对于小管径标识可改变图样形式,但内容不可缺少。
附件二:。
西三东二标段焊口编号规则(1版)
欧阳光明(2021.03.07)
为规范西三线东段管道工程二标段焊口编号,特编制此规则。
1、焊口编号书写位置
书写焊口编号时应核对图纸及变更,确定上游桩号名称、已编写焊口号及间距,遇到桩点、弯管、返修等情况时应按照本规则正确书写焊口编号。
2、焊口编号规则
管线上每道焊口都应有唯一的编号,格式为:
1)工程代码
XSD2:代表西气东输三线东段管道工程二标段。
2)施工单位
G1代表管道一公司,G3代表管道三公司,G4代表管道四公司,G5代表管道五公司。
3)桩号及编写方向
桩号代表施工区间的上游桩号,无论顺气流方向编写“+”或逆气流方向编写“-”均以上游桩号作为参照。
“+”表示从上游桩点顺气流方向流水号从小到大排列,“-”表示从下游桩点向逆气流方向流水号由小到大排列;顺气流或逆气流施工尽量编写“+”号,施工过程中可根据情况灵活掌握,可按每公里84道口估算、预留焊口号,应避免出现漏号。
4)流水号
焊口流水号用3位数字表示, 即001、002、003......依次顺延;若施工过程中焊口号预留不足,用+1、+2、+3......进行增加,严禁用-1、-2、-3......增加。
工程代码
XXXX – XX - XXXX ± XXX - X – X – X - X
施工单位
桩号 流水号
穿越 连头 返修或割口 编写方向
弯管
举例:2302+1桩至2303桩之间顺气流焊口编号如下
XSD2-G1-2302+1+001
XSD2-G1-2302+1+002
XSD2-G1-2302+1+002+1
XSD2-G1-2302+1+003
XSD2-G1-2302+1+004
XSD2-G1-2302+1-005
XSD2-G1-2302+1-004
XSD2-G1-2302+1-003
XSD2-G1-2302+1-002
XSD2-G1-2302+1-001
6)穿越
穿越用“C”表示(仅用于单出图穿越,对套管内、隧道内、
河流堤坝内焊口进行标注)。
7)弯管
热煨弯管、冷弯管用“W”表示(每个弯管只标注1个“W”, 标注在弯管气流上游焊口上)。
8)连头
未参与线路整体试压的焊口(金口)用T表示,其余连头焊口用L表示(即一段钢管将两个相邻固定管道连接在一起的最后两道焊口,或交叉搭接管段连头时出现的一道焊口)
9)返修
✓一般返修用R表示;
✓割口后重新焊接的焊口用RW表示(若割1道焊口,由于增加短节变成2道焊口,仅与原被割焊口流水号相同的焊口号
用“RW”标注,另外一道焊口按正常焊口考虑);同一流
水号焊口多次割口依次用RW1、RW2……表示。
百道口考
核试验焊口割除后重新焊接的焊口按正常焊口考虑。
8)若C、W、T(或L)、R(或RW)同时出现,则依次-C-W-T(或
L)-R(或RW)顺序编写,没有上述情况不进行标注。
9)百道口考核的试验焊口编号:
工程代码-施工单位-机组号-流水号
如:XSD2-G1-101-001,XSD2-G1-101-002......以此类推
*欧阳光明*创编 2021.03.07
*欧阳光明*创编 2021.03.07
3、焊口编号样图
2305 桩
S D 2-G 1-2302+1+002
S D 2-G 1-2302+1-002
S D 2-G 1-2302+1-001-W
2304 桩
S D 2-G 1-2302+1+001
S D 2-G 1-2302+1+003。