工程机械安全检查记录表
- 格式:doc
- 大小:23.50 KB
- 文档页数:2
机械维修安全检查表
1. 检查机械设备的稳定性
- 确保机械设备放置平稳,无倾斜、摇晃等现象。
- 检查设备的安装螺栓和紧固件,确保其完好无损。
- 检查设备周围的防护装置,确保其位置正确、完整。
2. 检查电气设备的安全性
- 检查电源线和插头,确保无损坏、脱落或暴露的电线。
- 检查电气接地是否正常,确保接地线连接可靠。
- 检查开关和按钮的功能,确保正常工作。
- 检查电气设备的绝缘性能,确保符合安全标准。
3. 检查机械设备的运转状态
- 检查设备的运转部位,确保无过热、过载等情况。
- 检查传动部分的润滑情况,确保润滑油充足且无渗漏。
- 检查机械部件的磨损情况,确保无严重磨损或裂纹。
4. 检查安全保护装置的有效性
- 检查机械设备的保护罩、安全门等装置,确保有效可靠。
- 检查警示标识和警报装置,确保清晰可见、正常工作。
- 检查紧急停机装置,确保灵敏可用。
- 检查自动停机装置,确保在异常情况下能及时停机。
5. 检查操作人员的安全意识
- 检查操作人员是否佩戴个人防护装备,如安全帽、手套等。
- 检查操作人员是否熟悉设备的操作流程和安全规范。
- 检查操作人员是否具备紧急情况的处理能力。
以上为机械维修安全检查表,检查完成后应记录检查结果,并及时处理发现的问题。
注意维修过程中的安全措施,确保操作人员和设备的安全。
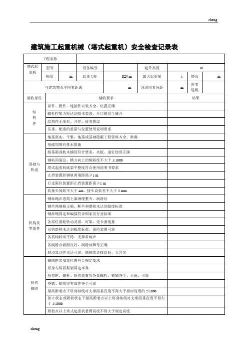
建筑施工起重机械(塔式起重机)安全检查记录表
注:首次安装及每次附着或顶升后,施工总承包单位应组织有关单位按此表对塔式起重机进行验收。
(续表)注:1.对不符合要求的项目在备注栏具体说明,对要求量化的参数应填写实测值。
2.每次附着加节后,施工总承包单位应组织有关单位按此表对施工升降机进行验收。
(续表)注:每次加节后,施工总承包单位应组织有关单位按此表对物料提升机进行验收。
(续表)
注:本表由施工单位填报,监理单位、施工单位、产权单位、安拆单位各存一份。
履机带式起重机使用单位:检查日期:年月日说明:本表各项扣分扣至零分为止,不计负分。
汽车式、轮胎式、叉式起重机使用单位:检查日期:年月日说明:本表各项扣分扣至零分为止,不计负分。
塔式、龙门式、门座式、桥式起重机使用单位:检查日期:年月日说明:本表各项扣分扣至零分为止,不计负分。
推土机、装载机、挖掘机、压路机及内燃土方机械使用单位:检查日期:年月日说明:本表各项扣分扣至零分为止,不计负分。
载重汽车、拖拉机、混凝土翻斗车、自卸车、交通车辆、低架平板车及其他特种车使用单位:检查日期:年月日说明:本表各项扣分扣至零分为止,不计负分。
混凝土泵车、混凝土搅拌车使用单位:检查日期:年月日说明:本表各项扣分扣至零分为止,不计负分。
混凝土搅拌楼、混凝土搅拌站使用单位:检查日期:年月日说明:本表各项扣分扣至零分为止,不计负分。
混凝土搅拌机、沙浆搅拌机、麻刀机等混凝土机械设备使用单位:检查日期:年月日说明:本表各项扣分扣至零分为止,不计负分。
钢筋弯曲机、切断机U型卡机等钢筋机械使用单位:检查日期:年月日说明:本表各项扣分扣至零分为止,不计负分。
车床、刨床、铣床、镗床、破口机、剪板机、联合冲剪机、弯管机等金属加工设备使用单位:检查日期:年月日说明:本表各项扣分扣至零分为止,不计负分。
焊接设备使用单位:检查日期:年月日说明:本表各项扣分扣至零分为止,不计负分。
柴油发电机组、空压机、柴油机等动力设备使用单位:检查日期:年月日说明:本表各项扣分扣至零分为止,不计负分。
施工升降机、高空作业吊篮使用单位:检查日期:年月日说明:本表各项扣分扣至零分为止,不计负分。
牵张设备使用单位:检查日期:年月日说明:本表各项扣分扣至零分为止,不计负分。
其它机械使用单位:检查日期:年月日说明:本表各项扣分扣至零分为止,不计负分。
建筑施工现场机械设备安全检查表
1. 项目信息
- 项目名称:
- 施工单位:
- 检查日期:
2. 检查人员
- 检查人员:
- 职务:
3. 检查内容
3.1 起重设备
- 起重机械是否符合规定安全要求?
- 是否定期维护保养起重设备?
- 起重设备是否有完善的安全防护装置?
3.2 运输设备
- 运输设备(叉车、卡车等)是否经过严格的维修和检查?- 运输设备操作人员是否持证上岗?
- 运输设备是否配备有效的制动系统、安全警示灯等安全装置?
3.3 破碎机械
- 破碎机械是否有完善的安全防护装置?
- 破碎机械是否定期进行维保?
- 操作人员是否熟悉破碎机械的操作规程?
3.4 搅拌设备
- 搅拌设备是否符合安全规范?
- 搅拌设备是否定期进行清洁和保养?
- 搅拌设备是否有有效的停机保护装置?
3.5 压力
- 压力是否具备合格证书?
- 压力是否定期进行安全评定和检测?
- 压力周围是否有清晰的安全警示标识?
4. 检查结果
- 机械设备安全合规情况:
- 发现的问题及整改要求:
5. 检查人员意见
- 检查人员意见:
6. 备注
- 备注:
以上为建筑施工现场机械设备安全检查表,包括了常见机械设备的安全问题和检查要点。
在进行施工现场的机械设备检查时,务必确保设备符合安全规范,并及时整改发现的问题,以保障施工人员的人身安全和工程质量的稳定性。
施工机具安全检查记录填写人:填表日期:施工机具安全检查记录表表号:SAQ-TZh-018单位名称:江苏精享裕建工有限公司宿迁韩山110kV输变电工程编号:002序号机具名称型号规格数量定期检查备注日期地点检查方法检查数合格率检查人员1搅拌机JZM3501项目部常规检查1100%程胜/2钢筋切断机GQ40F1项目部常规检查1100%程胜/3钢筋弯曲机GW6-40W1项目部常规检查1100%程胜/4箍筋弯曲机GF-20型1项目部常规检查1100%程胜/5钢筋调直机GF-10型1项目部常规检查1100%程胜/6电焊机BX1-2501项目部常规检查1100%程胜/7木工圆盘踞104型1项目部常规检查1100%程胜/使用保管单位:填写人:填表日期:施工机具安全检查记录表表号:SAQ-TZh-018单位名称:江苏精享裕建工有限公司宿迁韩山110kV输变电工程编号:003序号机具名称型号规格数量定期检查备注日期地点检查方法检查数合格率检查人员1搅拌机JZM3501项目部常规检查1100%程胜/2钢筋切断机GQ40F1项目部常规检查1100%程胜/3钢筋弯曲机GW6-40W1项目部常规检查1100%程胜/4箍筋弯曲机GF-20型1项目部常规检查1100%程胜/5钢筋调直机GF-10型1项目部常规检查1100%程胜/6电焊机BX1-2501项目部常规检查1100%程胜/7木工圆盘踞104型1项目部常规检查1100%程胜/使用保管单位:填写人:填表日期:施工机具安全检查记录表表号:SAQ-TZh-018单位名称:江苏精享裕建工有限公司宿迁韩山110kV输变电工程编号:004序号机具名称型号规格数量定期检查备注日期地点检查方法检查数合格率检查人员1搅拌机JZM3501项目部常规检查1100%程胜/2钢筋切断机GQ40F1项目部常规检查1100%程胜/3钢筋弯曲机GW6-40W1项目部常规检查1100%程胜/4箍筋弯曲机GF-20型1项目部常规检查1100%程胜/5钢筋调直机GF-10型1项目部常规检查1100%程胜/6电焊机BX1-2501项目部常规检查1100%程胜/7木工圆盘踞104型1项目部常规检查1100%程胜/使用保管单位:填写人:填表日期:施工机具安全检查记录表表号:SAQ-TZh-018单位名称:江苏精享裕建工有限公司宿迁韩山110kV输变电工程编号:005序号机具名称型号规格数量定期检查备注日期地点检查方法检查数合格率检查人员1搅拌机JZM3501项目部常规检查1100%程胜/2钢筋切断机GQ40F1项目部常规检查1100%程胜/3钢筋弯曲机GW6-40W1项目部常规检查1100%程胜/4箍筋弯曲机GF-20型1项目部常规检查1100%程胜/5钢筋调直机GF-10型1项目部常规检查1100%程胜/6电焊机BX1-2501项目部常规检查1100%程胜/7木工圆盘踞104型1项目部常规检查1100%程胜/使用保管单位:填写人:填表日期:。
机械行业安全检查表I. 背景机械行业是一个具有较高风险的行业,为了确保工作环境的安全,对机械设备和工作场所进行定期的安全检查是非常重要的。
II. 安全检查项目1. 机械设备安全性检查- 检查机械设备的运行状况是否正常,确认是否存在损坏或故障;- 检查机械设备的安全保护装置是否正常运作;- 检查机械设备的电源和电气线路是否存在安全隐患;- 检查机械设备是否有合格的维护记录;- 检查机械设备的使用人员是否具备相应的操作技能和安全知识。
2. 工作场所安全检查- 检查工作场所的通风系统是否正常运行;- 检查工作场所的照明设备是否正常;- 检查工作场所的防火设施是否完善;- 检查工作场所的紧急疏散通道是否畅通;- 检查工作场所是否存在易燃、易爆物品,并进行妥善存储。
3. 工作人员安全培训- 检查工作人员是否接受过相应的安全培训;- 检查工作人员是否熟悉工作场所的安全规定和应急预案;- 检查工作人员是否了解使用机械设备的操作规程;- 检查工作人员是否穿戴适当的个人防护装备。
III. 安全检查记录每次安全检查都应有相应的记录,记录应包括以下内容:1. 检查日期和时间;2. 检查项目和具体内容;3. 发现的问题和隐患;4. 建议的改进和整改措施;5. 责任人和整改期限。
IV. 安全检查频率安全检查的频率应根据机械设备的使用情况和工作场所的特点来确定,一般建议每月进行一次综合安全检查,并根据需要进行不定期的专项安全检查。
V. 结论通过定期的安全检查,可以发现和排除机械设备和工作场所存在的安全隐患,保障工作环境的安全,防范事故的发生。
同时,建议机械行业的企业制定相应的安全管理制度,并加强工作人员的安全培训,以确保安全事故的最小化发生。
以上为机械行业安全检查表文档。
挖掘机安全检查表
挖掘机检查表
机械所属单位:
检查时间:
检查内容:
一、人员和设备
1.操作人员必须持有效操作证,严禁无证人员上岗操作。
2.进场后在调度室办理入场登记手续。
二、行驶系统
1.检查履带磨损情况。
2.检查转向与刹车系统操作。
3.检查驱动系统操作。
三、挖掘机
1.液压系统。
2.检查是否有液压锁定装置。
3.检查转盘轴承间距、螺栓和螺母是否到位。
4.检查大臂油缸是否有裂缝和润滑情况。
5.检查小臂油缸是否有裂缝和润滑情况。
6.操作室。
1)检查操作室内是否有杂物。
2)检查窗户和喇叭是否正常。
3)检查维护和保养手册是否齐全。
4)检查灭火器是否在有效期内。
7.安全注意事项。
1)操作人员在挖掘机工作状态下不得脱岗。
2)挖掘机在吊装作业时,必须锁定液压锁定装置。
3)操作人员离开操作室必须关闭挖掘机。
合格检查记录:
检查位置:
检查人:
检查结果:。
机械作业安全检查表
一、机械设备安全检查
1. 确保机械设备的运行状况良好,无损坏或故障。
2. 检查机械设备的安全装置是否完好可用。
3. 确保机械设备的电源供应稳定可靠。
二、机械操作人员安全检查
1. 检查机械操作人员是否具备相关操作证书和培训资格。
2. 确保机械操作人员了解机械设备的正确使用方法和安全操作
规程。
3. 检查机械操作人员是否穿戴适当的个人防护装备,如安全帽、安全鞋等。
三、作业环境安全检查
1. 检查作业环境是否适合机械作业,如有必要,采取相应的防
护措施。
2. 检查作业场所是否存在明显的安全隐患,如斜坡、坑洞等。
3. 检查作业场所的通风状况,确保空气流通畅通。
四、作业程序安全检查
1. 确保作业程序符合相关安全规定和标准。
2. 检查作业计划是否充分考虑了安全因素,如作业时间、作业范围等。
3. 确保作业人员了解作业程序和应急预案,并能够正确应对各种突发情况。
五、安全管理情况评估
1. 审查安全管理制度和规章制度的执行情况。
2. 检查机械作业的安全记录和事故报告,评估安全管理措施的有效性。
3. 定期进行机械作业安全培训和考核,提高作业人员的安全意识和技能。
以上是机械作业安全检查表的内容,通过综合检查以上几个方面,可以确保机械作业过程中的安全性和可靠性。
施工机械安全检查记录表工程施工机具安全要点检查表工程名称:施工单位:监理单位:检查项目:手持电动工具检查内容:1.开关箱内设漏电保护器。
2.在潮湿场所或在金属架上操作时,应慎重使用工具。
3.齿轮啮合和滑动部位润滑良好,运行无异响。
改写:检查手持电动工具时,要确保开关箱内设有漏电保护器。
在潮湿场所或金属架上操作时,要格外小心。
同时,要检查工具的齿轮和滑动部位是否润滑,是否有异响。
检查项目:钢筋机械检查内容:1.冷拉场地设置警戒区、设置防护栏杆及警告标志。
2.设备外壳有保护接零,开关箱内装设漏电保护器。
不使用倒顺开关或闸刀开关。
3.交流电焊机装配二次侧触电保护器。
改写:检查钢筋机械时,要确保冷拉场地设置了警戒区、防护栏杆和警告标志。
设备外壳要有保护接零,开关箱内要装设漏电保护器,并且不使用倒顺开关或闸刀开关。
交流电焊机要装配二次侧触电保护器。
检查项目:电焊机检查内容:1.交流弧焊机变压器一次侧电源线长度<5m;二次线选用防水橡皮护套铜芯软电缆,长度<30m。
改写:检查电焊机时,要确保交流弧焊机变压器一次侧电源线长度小于5米,二次线选用防水橡皮护套铜芯软电缆,长度小于30米。
检查项目:搅拌机检查内容:1.操作棚符合防雨、防坠物打击的要求。
2.料斗设有保险挂钩。
在料斗下检修或清理料坑时,将料斗提升后用挂钩锁住。
3.设备外壳应做保护接零,开关箱内应装设漏电保护器。
改写:检查搅拌机时,要确保操作棚符合防雨、防坠物打击的要求。
料斗要设有保险挂钩,在检修或清理料坑时,要将料斗提升后用挂钩锁住。
设备外壳要做好保护接零,开关箱内要装设漏电保护器。
检查项目:气瓶检查内容:1.乙炔气瓶使用和存放时不平放。
改写:检查气瓶时,要确保乙炔气瓶使用和存放时不平放。
检查项目:潜水泵检查内容:1.设备外壳有保护接零。
开关箱内装设漏电保护器。
2.水泵先装在篮筐内再放入水中,泵直立放置。
3.水泵工作时周围水面无人进入。
4.开关箱内设漏电保护器。