电器元件型号明细表
- 格式:doc
- 大小:204.00 KB
- 文档页数:4
M7120型平面磨床电路故障排除学习目标:1、在普通机床检修的基础上进一步熟悉常用的机床检修方法、检修思路及检修步骤。
2、在磨床安装的基础上进一步熟悉M7120型磨床的主要电气设备及工作原理。
3、通过与操作人员的沟通,熟练掌握磨床运动特点对控制电路的要求。
4、能根据电气控制线路图分析各部分电路的工作过程,掌握电气线路故障分析的方法,能制定切实可行的维修方案,并作好防护措施。
5、能正确使用仪表或根据工作经验确定具体故障点,能排除电磁吸盘中出现的故障。
6、能按照作业规程对设备进行维修、维护。
7、能在检修完毕后进行自检、试车、交付使用。
8、能按照企业管理制度,正确填写维修记录并归档,确保记录的可追溯性,为以后维修提供参考资料。
建议学时: 20学时工作情景描述我校机加工车间有大量机床,为保证设备的正常运行,需要电工班成员能熟悉设备的原理、操作和特点,对其进行定期巡检,并能在第一时间对出现故障的设备进行及时检修、排除故障。
今天一早有一台型号为M7120型平面磨床出现故障,为避免影响正常的生产,工厂负责人要求两个小时内修复。
工作流程与内容教学活动一:明确工作任务教学活动二:熟悉设备档案资料教学活动三:现场调研、制定维修方案教学活动四:现场维修教学活动五:通电试车、交付验收教学活动六:工作总结与评价学习活动一:明确工作任务学习目标阅读“M7120型平面磨床电路故障排除”工作任务单,正确理解维修任务及要求。
进一步熟悉常用的机床检修方法、检修思路、检修过程及仪表的使用技巧,检修过程的安全注意事项等。
学习地点教室学习课时2课时学习过程一、教师模拟有关人员下发机床维修任务单,学生阅读维修任务单,回答问题(填写工作页)。
设备维修任务单NO:编号:HDL/CX08/002用户资料栏用户单位校办工厂机加工车间联系人购买日期联系电话产品型号M7120平面磨床机身号报修日期故障原因维修要求维修资料栏维修内容故障现象维修情况元件更换情况元件编码元件名称单位数量金额备注维修结果执行部门:维修员:签收人:引导问题:1、请你用文字具体描述该项工作的内容及要求:2、请你用文字简单描述常用的机床检修方法及仪表的使用技巧:3、请你用文字描述出常用的机床检修中查找故障的方法和技巧:二、随机找几个学生口头表述以下问题,教师要特别注意对问题的引导,激发学生的求知欲。
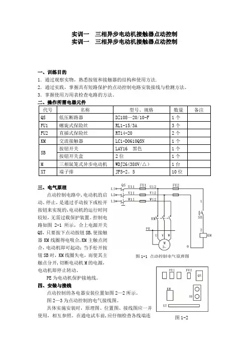
实训一三相异步电动机接触器点动控制实训一三相异步电动机接触器点动控制一、训练目的1.通过观察实物,熟悉按钮和接触器的结构和使用方法.2.通过实践,掌握具有短路保护的点动控制电路安装接线与检测方法。
3.掌握使用万用表检查电路的方法。
二、操作所需电器元件代号名称型号、规格数量备注QS 低压断路器DZ108—20/10-F 1个FU1 螺旋式保险丝RL1-15/3A 3个FU2 直插式保险丝RT14-20 2个KM 交流接触器LC1-D0610Q5N 1个SB 按钮开关LAY16 黑色1个按钮开关盒2位1个M 三相鼠笼式异步电动机WDJ26(380V/△)1台XT 端子排JF5-2。
5 10位三、电气原理点动控制电路中,电动机的启动、停止,是通过手动按下或松开按钮来实现的,电动机的运行时间较短,无需过载保护装置。
控制电路如图2-1所示,合上电源开关QS,只要按下点动按钮SB,使接触器KM线圈得电吸合,KM主触点闭合,电动机即可起动;当手松开按钮SB时,KM线圈失电,而使其主触点分开,切断电动机M的电源,电动机即停止转动。
PE为电动机保护接地线。
四、安装与接线点动控制的各电器安装位置如图2—2所示。
图2—3为点动控制的电气接线图。
具体实施安装时,原理图、位置图、接线图应一并使用,相互参照。
在通电试车前,应仔细检查各线端连图1-2图1-1 点动控制电气原理图接是否正确、可靠,并用万用表的欧姆档检查控制回路是否短路或开路(按下起动控制按钮时,控制电路的两端电阻应为吸引线圈的直流电阻)、主电路有无开路或短路等.图1-3 点动控制电路接线图实训二三相异步电机接触器自锁控制线路在点动控制的电路中,要使电动机转动,就必须用手按住按钮不放,这不适合电动机长时间连续运行的控制场合,而必需具有接触器自锁的控制电路。
一、操作所需电器元件代号名称型号规格数量备注QS 低压断路器DZ108—20/10—F1FU1 螺旋式熔断器RL1-15 配熔体3A 3 FU2 直插式保险丝RT14—20 配熔体2A 2 KM 交流接触器LC1-D0610Q5N 线圈电压AC380V 1FR热继电器LR2-D1305N 整定范围0.63-1A 1整定值0.63A 热继电器座LA7—D1064 1SB1 按钮开关LAY16 红色 1 SB2 按钮开关LAY16 绿色 1 按钮开关盒2位 1 XT 接线端子排JF5-2。
序号柜号箱柜名称箱柜型号单位数量单 价总 价1箱柜1箱变进线组合柜HXGN15-11台112622.7812622.782箱柜3箱变-800KVA-总的部分ZBW台1113339.23113339.233箱柜4低压进线柜-800KVA GGD 台133620.2633620.264箱柜5低压补偿柜-200Kvar GGD 台112057.8112057.815箱柜6低压出线柜-3300GGD台118956.0318956.03678910111213141516171819202122小计台5190596.1123包装费台10.000.0024运输费套10.000.0025运载工具车台10.000.0026合计(人民币大写)190596.11报价人:2019.04.19说明宜宾华邦电气有限公司YIBIN HAPPON ELECTRIC CO.,LTD电器成套产品报价清单单位:项目名称:华邦报价序号:201904壹拾玖万零伍佰玖拾陆元整宜宾华邦电气有限公司YIBIN HAPPON ELECTRIC CO.,LTD柜箱柜1型号:名报价人:2019.04.19柜名宜宾华邦电气有限公司YIBIN HAPPON ELECTRIC CO.,LTD电器成套产品报价明细表ZBW 箱变-800KVA-总的部分HXGN15-11箱变进线组合柜报价人:2019.04.19柜箱柜4型号:名低压进线柜-800KVA宜宾华邦电气有限公司YIBIN HAPPON ELECTRIC CO.,LTD 电器成套产品报价明细表GGD报价人:2019.04.19柜箱柜5型号:名宜宾华邦电气有限公司YIBIN HAPPON ELECTRIC CO.,LTD电器成套产品报价明细表GGD低压补偿柜-200Kvar报价人:2019.04.19柜箱柜6型号:名报价YIBIN HAPPON ELECTRIC CO.,LTD电器成套产品报价明细表GGD低压出线柜-3300宜宾华邦电气有限公司箱柜尺寸:箱柜尺寸:NM1-800S/330箱柜尺寸:。
电气控制与PLC技术知到章节测试答案智慧树2023年最新黑龙江工程学院绪论单元测试1.PLC控制技术的重点为可编程程序控制器的指令系统及应用。
()参考答案:对2.电气控制技术重点为电气控制线路的原理及应用。
()参考答案:对3.《电气控制与PLC技术》课程包含两部分内容,分别是()参考答案:以可编程序控制器为中心的PLC控制技术;以继电器-接触器为主的电气控制技术项目一测试1.工作在交流额定电压( )伏,直流额定电压1500伏及以下的电路中,起通断、保护、控制或调节作用的电器称为低压电器。
参考答案:1200V2.以下哪种情况下会产生电弧()。
参考答案:动、静触头分开的瞬间3.参考答案:弹簧释放,衔铁不动作4.为了减少电弧的危害,一般采用()使电弧快速熄灭。
参考答案:灭弧装置5.将电磁机构分为()两类。
参考答案:直动式;拍合式6.为了尽量减少触点间的接触电阻,确保触头具有良好的导电、电热性能,通常采取的措施是()。
参考答案:在铜触头表面电镀锡、银或镍;在动触头上安装触头弹簧,以增加触头的接触压力;用铜、银、镍及其合金材料做为触点的材料;使触头接触紧密一些,并且在使用过程中尽量保持触头的清洁7.常用的灭弧方法有()。
参考答案:栅片灭弧;窄缝灭弧;磁吹灭弧;电动力灭弧8.在交流电磁机构中,随着外加电压的变化,衔铁周期地吸合、释放,产生震动和噪声,同时使衔铁吸合不可靠,频繁产生电弧,使触头接触不良,易熔焊、烧毁触点,针对这一问题,我们采取的措施是在铁芯端面上嵌入{ }。
参考答案:null9.低压电器的电气寿命是指在正常条件下,机械开关电器须修理或更换零件的负载操作次数。
()参考答案:错10.窄缝灭弧是指电弧在磁场、电场力的作用下,将电弧拉长进入灭弧罩的窄缝中,使其分数段并迅速熄灭。
()参考答案:对项目二测试1.接触器的文字符号是()。
参考答案:KM2.某低压电器的型号为CJ10Z-40/3,其中40/3表示()。
机床型号:TOS_WRD130_5机床名称:数控落地镗铣床床 机床用户:上海重型机器有限公司 第1页 共11页
机床型号:TOS_WRD130_5机床名称:数控落地镗铣床床 机床用户:上海重型机器有限公司 第2页 共11页
机床型号:TOS_WRD130_5机床名称:数控落地镗铣床床 机床用户:上海重型机器有限公司 第3页 共11
页
机床型号:TOS_WRD130_5机床名称:数控落地镗铣床床 机床用户:上海重型机器有限公司 第5页 共11
页
机床型号:TOS_WRD130_5机床名称:数控落地镗铣床床 机床用户:上海重型机器有限公司 第6页 共11
页
机床型号:TOS_WRD130_5机床名称:数控落地镗铣床床 机床用户:上海重型机器有限公司 第8页 共11
页。
M7130平面磨床控制线路M7130型磨床是平面磨床中使用较为普遍的一种,它利用砂轮来磨削加工各种零件的表面,磨削精度和光洁度都比较高,操作方便,适于磨削精密零件和各种工具,并可作镜面磨削。
一、主要结构及运动形式M7 1 3 0磨 床平 面工作台的工作面宽为300mm 卧轴矩台式1.机械结构及运动形式(1)结构 M7130型磨床结构外形如图2—1所示。
主要由床身、工作台、电磁吸盘、砂轮架、滑座、立柱等部分组成。
(2)运动形式 平面磨床砂轮的旋转运动为主运动,工作台完成一次往复运动时,砂轮架作一次间断性横向进给,直至完成整个平面的磨削,然后砂轮架连同滑座沿垂直导轨作间断性的垂直进给,直至达到工件加工尺寸。
M7130型平面磨床的主要运动形式及控制要求见表2—1所示。
表2—1 M7130型平面磨床的主要运动形式及控制要求进给运动工作台的往复运动(纵向进给)(1)工作台的往复运动采用液压传动。
液压传动较平稳,能实现无级调速,换向惯性小,换向平稳。
液压电动机M3拖动液压泵,经液压传动装置实现工作台的纵向运动(2)由装在工作台前侧的换向挡铁碰撞床身上的液压换向开关控制工作台进给方向砂轮的横向进给运动(前后进给)(1)在磨削过程中,工作台换向一次,砂轮架就横向进给一次(2)在修正砂轮或调整砂轮的前后位置时,可连续横向移动(3)砂轮的横向进给运动可由液压传动,也可用手轮来操作砂轮架的升降运动(垂直进给)(1)滑座沿立柱的导轨垂直上下移动,以调整砂轮架的上下位置,或使砂轮磨入工件,以控制磨削平面时工件的尺寸(2)垂直进给运动是通过操作手轮由机械传动装置实现的辅助运动工件的夹紧(1)工件可以用螺钉和压板直接固定在工作台上(2)在工作台上可以装电磁吸盘,将工件吸附在电磁吸盘上。
此时应有正向励磁和反向退磁控制环节,为保证安全,电磁吸盘与三台电动机M1、M2、M3之间有电气联锁,即电磁吸盘吸合后,电动机才能启动。
电磁吸盘不工作或发生故障时,三台电动机均不能启动。
维修电工实训指导书一、实训意义:通过维修电工实训,使学生掌握常用电工工具、测试仪表的使用方法;掌握典型电气控制线路的设计与安装方法,及电工工艺、安全操作规程;掌握常用机床(车床、铣床、钻床、磨床)电气控制线路的故障检修与排除方法;培养安全生产、文明生产的意识和良好的职业道德。
二、实训的基本要求1、了解安全生产、文明生产的基本知识。
2、掌握常用电工工具、仪器仪表的用途和基本操作工艺。
3、掌握典型电气控制线路的设计与安装方法。
4、掌握常用机床电气控制线路的故障检修与排除方法。
三、实训内容(一)典型电气控制线路的设计与安装通过设计、安装训练使学生掌握典型电气控制线路的设计与安装方法,及电工工艺、安全操作规程。
(二)常用机床电气控制线路的故障检修主要掌握常用机床(车床、铣床、钻床、磨床)电气控制线路的故障检修与排除方法。
(三)接地电阻的测量项目一双重联锁的三相异步电动机正反转控制线路二、电路图三、检测与调试1、经检查接线牢固、无误后,按下SB1(或SB2),电机应正转(或反转);按下SB3电机应停转;2、按下SB1,电机应正转;松开SB1,再按下SB2,电机应从正转状态变为反转状态。
3、按下SB2,电机应反转;松开SB2,再按下SB1,电机应从反转状态变为正转状态。
4、若控制线路不能正常工作,则应分析排除故障后才能重新操作。
项目二异步电动机星形、三角形控制线路二、电路图图8(a)三、检测与调试确认接线正确后,可接通交流电源,“合”开关QF,按下SB1,控制线路的动作过程应按原理所述,若操作中发现有不正常现象,应断开电源分析排除后重新操作。
项目三异步电动机两地控制线路代号名称型号规格数量备注QF 低压断路器DZ108-20/10-F 0.63-1A 1KM 交流接触器LC1-K0910Q7 线圈AC380V 1FR 热继电器LR2-K0306 整定电流0.63A 1SB11SB12SB21SB22按钮开关LAY16 4SB11、SB21绿色SB12、SB22红色M三相鼠笼式异步电动机WDJ24 U N380V(Y) 1二、电路图图11(a)该线路图中,SB11和SB12为甲地的起动和停止按钮;SB21和SB22为乙地的起动和停止按钮。
符合GB/T 17467-2010申请编号:申请单位:地址:工厂编号:生产厂:地址:产品名称:型号规格:注册商标:申请人声明本组织保证申请认证提供的有关资料的真实性,保证该产品描述中产品设计参数及关键原零部件等与相应申请认证产品保持一致。
产品获证后,如果关键零部件需进行变更(增加、替换),本组织将向CQC提出变更申请,未经CQC的认可,不会擅自变更使用,以确保该规格型号在认证证书有效期内始终符合产品认证要求。
本组织保证使用证书及标志的获证产品只配用经CQC确认的上述关键零部件。
负责人:(签字)申请人:(公章)日期:年月日1.产品构成的描述及结构特点(结构概要说明):包括产品的主要组成部件,操作方式,安装方式,接线方式等:试品组成:主要组成部件:操作方式:安装方式:接线方式:还包括以下内容:1)产品型号及名称:2)提供图纸及编号:试样总装配图:试样原理图:3)主要结构数据:结构特点:高压部分选用:变压器部分选用:低压部分选用:电力变压器(元件明细表)见表一高低压开关电器及元件(元件明细表)见表二和表三母线与绝缘导线(型号规格、材料名称及牌号、生产厂)见表四绝缘支撑件、母线夹板、母线框及有关连接件(材料名称及牌号、生产厂) 见表五保护接地措施:防腐蚀和凝露:表一、电力变压器(元件明细表):名称型号规格额定容量额定电压相数数量制造厂电力变压器额定电流联结组别分接范围表二、高压开关电器及元件(元件明细表):序号名称型号规格额定耐受电流(kA) 数量制造厂短时峰值1 高压开关柜2 限流熔断器3 逼雷器4 电缆表三、低压开关电器及元件(元件明细表):序号名称型号规格数量制造厂1 主隔离开关2 主断路器3 分支断路器4 电流互感器5 低压刀熔开关6 低压电力电容器表四、母线与绝缘导线(规格、材料名称及牌号、生产厂)序号名称型号规格材料名称及牌号数量制造厂1 铜排2 低压电缆3表五、绝缘支撑件、母线夹板、母线框及有关连接件(材料名称及牌号、生产厂)序号名称型号规格材料名称及牌号数量制造厂1 支柱绝缘子2 母线夹备注:在表格中未列出的可以自行补充完整。