内蒙古 2009年新定额费率表
- 格式:doc
- 大小:50.00 KB
- 文档页数:2
关于调整《内蒙古自治区建设工程费用定额》税金税率的通知
作者:发布于:2014-12-23 11:07:25 点击量:1026
各盟市住房和城乡建设局(委)、财政局、各有关单位:
根据《财政部关于统一地方教育附加政策有关问题的通知》(财综〔2010〕98号)和《内蒙古自治区人民政府办公厅关于调整地方教育附加费征收标准的通知》(内政办发〔2011〕25号)精神,全区地方教育附加征收标准统一调整为单位和个人实际缴纳增值税、营业税和缴费税税额的2%。
为此,经测算调整内蒙古自治区建设厅、财政厅2009年联合发布实施的《内蒙古自治区建设工程费用定额》中的税金税率如下:
内蒙古自治区建设工程税金税率表
本通知自2011年2月1日起执行。
二○ 一一年九
月二十九日。
2009内蒙古定额安全文明施工费费率表
(原创实用版)
目录
1.2009 年内蒙古定额安全文明施工费费率表的概述
2.费率表的具体内容
3.费率表的实施与影响
正文
一、2009 年内蒙古定额安全文明施工费费率表的概述
2009 年内蒙古定额安全文明施工费费率表是针对内蒙古地区建筑施工行业制定的一项收费标准,旨在加强建筑施工现场的安全管理,提高施工质量,保障工人的生命财产安全。
该费率表详细规定了各类工程项目的安全文明施工费用标准,对于促进内蒙古地区建筑行业的健康发展具有重要意义。
二、费率表的具体内容
2009 年内蒙古定额安全文明施工费费率表共分为以下几个部分:
1.工程类别:根据不同工程类型,如建筑工程、市政公用工程、园林绿化工程等,分别制定了相应的安全文明施工费标准。
2.工程规模:根据工程项目的投资金额、建筑面积等指标,划分为不同档次,分别规定了相应的安全文明施工费费率。
3.安全文明施工费用构成:包括安全施工费、文明施工费、环境保护费、临时设施费、施工现场管理费等五个方面。
4.费率标准:根据不同工程类别、工程规模以及安全文明施工费用构成,分别制定了相应的费率标准。
三、费率表的实施与影响
自 2009 年内蒙古定额安全文明施工费费率表实施以来,对于提高内蒙古地区建筑施工现场的安全管理水平,减少安全事故发生,提高工程质量等方面发挥了积极作用。
同时,该费率表的实施也对建筑施工企业带来了一定的经济压力,促使企业加强内部管理,提高施工效率,降低成本。
内蒙古费率说明作者:admin定额解释来源:网络信息点击数:203 更新时间:2009-12-28费率建筑工程企业管理费:一类工程=0.1111,二类工程=0.0953,三类工程=0.0796,四类工程=0.0638,利润=0.07规费:工程定额测定费=0.0015养老、失业保险费=0.0283医疗保险费=0.0067住房公积金=0.0089意外伤害保险=0.0026,税金:市区=0.0341,县城、镇=0.0335,城镇以外=0.0322安装工程企业管理费:一类工程=0.37,二类工程=0.3173,三类工程=0.2651,规费和税金与建筑工程的一样利润=0.2331炉窑砌筑工程企业管理费:一类工程=0.4981,二类工程=0.3556,利润=0.35,规费和税金与建筑工程的一样市政道路工程企业管理费:一类工程=0.0914,二类工程=0.0778,企业管理费三类工程=0.0634,利润=0.07,规费和税金与建筑工程的一样市政给排水燃气热力管道企业管理费:一类工程=0.3176,二类工程=0.2669,三类工程=0.2156,利润=0.2331,规费和税金与建筑工程的一样市政桥涵工程企业管理费:一类工程=0.0958,二类工程=0.0814,三类工程=0.0667,利润=0.07,规费和税金与建筑工程的一样土石方工程企业管理费=0.0634,利润=0.07,规费和税金与建筑工程的一样园林建筑工程企业管理费=0.0642,利润=0.07,规费和税金与建筑工程的一样园林绿化工程企业管理费=0.2527,利润=0.2331,规费和税金与建筑工程的一样装饰装修工程企业管理费=0.261,利润=0.2331,规费和税金与建筑工程的一样。
-内蒙古建筑工程预算定额(2009)总说明2009届“内蒙古自治区建设工程计价依据”是按照《建设工程工程量清单计价规范》(GB50500-2008)和建设部《建筑工程施工发包与承包计价管理办法》(建设部令第107号)、《内蒙古自治区建筑市场管理条例》等政策法规,在全国统一《建筑工程基础定额》、《装饰工程基础定额》、《安装工程预算定额》、《市政工程预算定额》、《园林绿化工程预算定额》和2004届“内蒙古自治区建设工程计价依据”的基础上,结合内蒙古自治区近年来建筑市场变化情况,根据现行的建筑、装饰装修、安装、市政、园林绿化工程设计规范、施工验收技术规范、质量评定标准、安全生产操作规程等资料编制的。
包括:《内蒙古自治区建筑工程预算定额》、《内蒙古自治区装饰装修工程预算定额》、《内蒙古自治区安装工程预算定额》\《内蒙古自治区市政工程预算定额》、《内蒙古自治区园林绿化工程预算定额》、《内蒙古自治区园林绿化养护工程预算定额》、《内蒙古自治区混凝土及砂浆配合比价格》、《内蒙古自治区施工机械台班费用定额》、《内蒙古自治区建设工程费用定额》及相关的编制说明(以下简称本计价依据),具体问题说明如下:一、《内蒙古自治区建筑工程预算定额》适用于建筑工程计价。
二、本计价依据是内蒙古自治区建设工程计价活动的地方性标准,适用于内蒙古自治区行政区域内城市基础设施和一般工业与民用房屋建筑工程的新建、扩建工程。
三、本计价依据中的消耗量是在正常合理的施工组织设计和施工条件下,完成相应建筑合格产品所需的人工、材料、机械台班的社会平均水平。
四、本计价依据中人工包括基本用工、辅助用工、人工幅度差、超运距用工等,不分工种和技术等级以综合工日表示。
人工单价是按国家有关政策和内蒙自治区建筑市场人工单价综合考虑确定的,包括基本工资、工资性津贴、生产工人辅助工资、劳动保护费、职工福利费、随身携带使用的工具补贴,不包括各类保险费用。
五、本计价依据中的主要材料按照标准合格产品考虑,分别列出名称规格及消耗量,并包括了正常的操作和场内运输损耗。
------WORD格式-----可编辑-------内蒙古自治区建设工程计价依据DYD15-2009内蒙古自治区建设工程费用定额(DYD15-801-2009)2009-06-08发布2009-07-01施行内蒙古自治区建设厅1---目录总说明 (1)第一部分建设工程计价的一般规定 (2)第二部分建设工程费用定额 (9)第一章建设工程费用组成 (9)第二章工程类别的划分标准及说明 (16)第三章工程名称及费率适用范围 (24)第四章建设工程费用计算方法和程序 (27)第一节建设工程费用计算方法 (27)第二节费用计算程序 (33)第三节劳务分包企业取费 (34)第五章建设工程其他项目费 (36)总说明一、《内蒙古自治区建设工程费用定额》(以下简称本定额)是根据建设部、财政部《关于印发 <建筑安装工程费用项目组成 >的通知》(建标[ 2003]206 号)及相关规定,结合自治区实际情况,综合测算编制的。
二、本定额与内蒙古自治区建设厅颁发的 2009 届内蒙古自治区建筑、装饰、安装、市政、园林绿化等计价依据配套使用。
三、本定额是编制工程招标控制价、设计概算、施工图预算和调解、处理建设工程造价纠纷的依据 , 是投标报价、确定合同价款、拨付工程款、办理竣工结算和衡量投标报价合理性的基础。
四、本定额中的企业管理费、利润率是按照社会平均水平测定的。
招标工程编制控制价时,按本定额费率计算;投标人投标报价时,可根据投标人管理水平、拟建工程复杂程度以及企业经营等因素参考本定额费率计取。
五、本定额中的规费是按照国家和自治区现行有关政策测定的,不参与投标报价竞争,工程计价过程中严格按本定额规定计取。
六、本定额中的措施项目费,是按我区的相关规定和大多数企业采用的施工方法等影响因素综合测定的。
投标人可根据招标人招标文件要求、拟建工程特点,结合企业自身情况计取。
其中:安全文明施工费在投标报价竞争中,不得低于本定额给定费用的90%。
第二部分建设工程费用定额第一章建设工程费用组成建设工程费由直接费、间接费、利润和税金四部分组成。
组成简图如下:一、直接费由直接工程费和措施项目费组成。
(一)直接工程费:是指施工过程中耗费的构成工程实体的各项费用。
包括人工费、材料费、施工机械使用费。
1、人工费:是指直接从事建设工程施工的生产工人开支的各项费用。
内容包括:(1)基本工资:是指发放给生产工人的基本工资。
(2)工资性补贴:是指按规定标准发放的物价补贴,煤、燃气补贴,交通补贴,住房补贴,流动施工津贴,自备工具购置、补贴等。
(3)生产工人辅助工资:是指生产工人年有效施工天数以外非作业天数的工资,包括职工学习、培训期间的工资,调动工作、探亲、休假期间的工资,因气候影响的停工工资,女工哺乳时间的工资,病假在六个月以内的工资及产、婚、丧假期的工资。
(4)职工福利费:是指按规定标准计提的职工福利费。
(5)生产工人劳动保护费:是指按规定标准发放的劳动保护用品的购置及修理费,徒工服装补贴,防暑降温费,在有碍身体健康环境中施工的保健费用等。
2、材料费:是指施工过程中耗费的构成工程实体的原材料、辅助材料、构配件、零件、半成品的费用。
内容包括:(1)材料原价(或供应价格)。
(2)材料运杂费:是指材料自来源地运至工地仓库或指定堆放地点所发生的费用。
(3)运输损耗费:是指材料在运输装卸过程中不可避免的损耗。
(4)采购及保管费:是指为组织采购、供应和保管材料过程中所需要的各项费用。
包括:采购费、仓储费、工地保管费、仓储损耗。
3、施工机械使用费:是指施工机械作业所发生的机械使用费以及机械安拆费和场外运费。
施工机械台班单价由下列七项费用组成:(1)折旧费:指施工机械在规定的使用年限内,陆续收回其原值及购置资金的时间价值。
(2)大修理费:指施工机械按规定的大修理间隔台班进行必要的大修理,以恢复其正常功能所需的费用。
(3)经常修理费:指施工机械除大修理以外的各级保养和临时故障排除所需的费用。
内蒙古自治区建设工程计价依据DYD15-2009内蒙古自治区建设工程费用定额(DYD15-801-2009)2009-06-08发布 2009-07-01施行内蒙古自治区建设厅目录总说明 ............................................................ 第一部分建设工程计价的一般规定 ..................................... 第二部分建设工程费用定额 ...........................................第一章建设工程费用组成 (9)第二章工程类别的划分标准及说明................................第三章工程名称及费率适用范围..................................第四章建设工程费用计算方法和程序 (27)第一节建设工程费用计算方法..................................第二节费用计算程序...........................................第三节劳务分包企业取费 (43)第五章建设工程其他项目费......................................总说明一、《内蒙古自治区建设工程费用定额》(以下简称本定额)是根据建设部、财政部《关于印发<建筑安装工程费用项目组成>的通知》(建标[2003]206号)及相关规定,结合自治区实际情况,综合测算编制的。
二、本定额与内蒙古自治区建设厅颁发的2009届内蒙古自治区建筑、装饰、安装、市政、园林绿化等计价依据配套使用。
三、本定额是编制工程招标控制价、设计概算、施工图预算和调解、处理建设工程造价纠纷的依据,是投标报价、确定合同价款、拨付工程款、办理竣工结算和衡量投标报价合理性的基础。
四、本定额中的企业管理费、利润率是按照社会平均水平测定的。
为了规范建设工程造价计价行为,维护建设工程发承包双方的合法利益,满足建设工程计价的需要,根据住房和城乡建设部、国家质量监督检验检疫总局联合发布的《建设工程工程量清单计价规范》(GB50500-2009)和建设部、财政部关于印发《建筑安装工程费用项目组成》的通知(建标[2003]206号)、建设部《建筑工程施工发包与承包计价管理办法》(建设部令第107号)、《内蒙古自治区建筑市场管理条例》等政策法规,结合内蒙古自治区的实际情况,编制了《内蒙古自治区建设工程费用定额》。
经审查,现准予发布,自2009年7月1日起施行,并将有关事项通知如下:一、《内蒙古自治区建设工程费用定额》与内蒙古自治区建设厅同期颁发的“内蒙古自治区建设工程计价依据”配套使用。
二、《内蒙古自治区建设工程费用定额》是建设工程计价活动的地方性标准,是编制工程招标控制、设计概算、施工图预算和调解、处理建设工程造价纠纷的依据,是投标报价、确定合同价款、拨付工程款、办理竣工结算和衡量投标报价合理性的基础。
三、凡2009年7月1日以后开工建设的项目,应执行定额;2009年7月1日以前开工建设的项目,按照合同约定执行。
合同约定按照政策性规定调整的工程项目,2009年7月1日以后完成的工作量应执行本定额。
四、《内蒙古自治区建设工程费用定额》由内蒙古自治区建设工程造价管理总站负责解释。
内蒙古自治区建设厅内蒙古自治区财政厅二0 0九年六月九日目录总说明 ........................................................第一部分建设工程计价的一般规定 ...............................第二部分建设工程费用定额......................................第一章建设工程费用组成...................................第二章工程类别的划分标准及说明...........................第三章工程名称及费率适用范围.............................第四章建设工程费用计算方法和程序.........................第一节建设工程费用计算方法第二节费用计算程序第三节劳务分包企业取费第五章建设工程其他项目费 ................................总说明一、《内蒙古自治区建设工程费用定额》(以下简称本定额)是根据建设部、财政部《关于印发<建筑安装工程费用项目组成>的通知》(建标[2003]206号)及相关规定,结合自治区实际情况,综合测算编制的。
内蒙古2009年新定额取费表
措施费项目取费表
材料试验检验费:房屋面积大于10000㎡的,每平米3元;每一单项工程最多计取8万元。
冬雨季施工增加费:冬季停工的工程,按实际停工天数计取看护费,单项工程每天120元;由一个
总包单位承包的建设项目每天180元。
利润项目取费表
计算基础:人工费(不含机上人工费)与机械费之和。
企业管理费项目取费表
计算基础:人工费(不含机上人工费)与机械费之和。
规费项目取费表
计算基础:直接费(含措施项目费)+企业管理费+利润+价差调整
税金项目取费表
计算基础:直接费(含措施项目费)+企业管理费+利润+价差调整+规费。
总说明一、《内蒙古自治区建设工程消耗量定额及基础价格》是按照《建设工程工程量清单计价规范》(GB50500-2003)和国家、自治区有关法律、法规,在全国统一建筑、安装、市政、装饰装修、园林绿化等定额的基础上,结合内蒙古自治区的实际情况,按照正常合理的施工组织设计、施工条件,根据现行国家产品标准、设计规范、施工验收规范、质量评定标准、安全操作规程进行编制的。
二、《内蒙古自治区建设工程消耗量定额及基础价格》按照专业分为《内蒙古自治区建筑工程消耗量定额及基础价格》、《内蒙古自治区安装工程消耗量定额及基础价格》、《内蒙古自治区市政工程消耗量定额及基础价格》、《内蒙古自治区装饰装修工程消耗量定额及基础价格》、《内蒙古自治区园林绿化工程消耗量定额及基础价格》五部分,适用于内蒙古自治区行政区域内新建、扩建和改建工程。
三、《内蒙古自治区装饰装修工程消耗量定额及基础价格》(以下简称“本定额”)中的消耗量是完成规定计量单位合格建筑产品所需的人工、材料、机械台班标准。
是按照正常的施工条件,目前建筑施工企业的施工机械装备程度,合理的施工工期、施工工艺、劳动组织为基础编制的,反映的是社会平均消耗水平。
基础价格是按照呼和浩特地区2003届材料预算价格计算的。
四、本定额的使用以《内蒙古自治区建设工程计价管理办法》为基础。
既是实行工程量清单计价(综合单价计价)配套的消耗量定额,同时也是实行定额计价(工料单价计价)全自治区统一的单位估价表。
1、实行工程量清单计价的工程,应该按照各专业“工程量清单项目指引”,参考本定额的消耗量和基础价格,按照《内蒙古自治区建设工程费用计算规则》规定的计价程序进行计价。
2、实行定额计价的工程,按照本定额规定的计算规则计算工程量并按规定套用相应的子目,按照《内蒙古自治区建设工程费用计算规则》规定的计价程序进行计价。
五、本定额是工程项目实行工程量清单计价的参考依据;是工程项目实行定额计价的指导依据;是编审招标标底、设计概算、施工图预算和竣工结算的依据;是编制概算定额、投资估算指标的依据;是合理确定和有效控制工程造价、衡量投标报价合理性、进行工程造价管理和调解工程造价纠纷、司法鉴定的基础。
2009内蒙古定额安全文明施工费费率表在建筑施工领域,安全和文明施工是至关重要的。
为了确保工地上的工人和周围环境的安全,内蒙古制定了2009年的定额安全文明施工费费率表,以规范施工单位的行为并促进施工过程的安全和文明进行。
根据这份费率表,不同类型的工程项目将有不同的安全文明施工费率,这些费率将根据工程的规模、复杂程度、施工环境等因素而有所不同。
施工单位需要按照费率表中规定的标准缴纳费用,以确保施工过程中的安全和文明。
安全文明施工费用的缴纳是施工单位的一项责任,也是对施工单位自身的一种保障。
通过缴纳这些费用,施工单位可以获得相关的安全文明施工指导和支持,提高施工过程中的安全管理水平,减少施工事故的发生,保障工人和施工现场的安全。
在施工现场,施工单位需要严格按照安全文明施工要求进行操作,确保施工过程中的安全。
这包括施工现场的管理、工人的安全教育培训、施工设备的维护和检修等方面。
只有做好这些工作,才能有效地减少施工事故的发生,保障工人和施工现场的安全。
除了安全管理,文明施工也是施工单位需要重视的方面。
文明施工不仅包括对施工现场环境的保护,还包括对周围居民的尊重和维护。
施工单位需要合理安排施工作业,减少对周围环境的影响,保持施工现场的整洁和秩序,避免施工噪音和污染对周围居民的影响。
通过遵守安全文明施工费费率表的规定,施工单位可以提高施工质量,提升企业形象,获得更多的社会认可和信任。
安全和文明施工不仅是一种法定要求,更是一种社会责任和企业担当。
只有做好安全文明施工,才能保障工程的顺利进行,保障工人和周围环境的安全。
在内蒙古,安全文明施工已成为建筑施工领域的重要课题,相关部门和施工单位都在积极推动安全文明施工的实施。
通过遵守费率表规定,加强安全管理和文明施工,内蒙古的建筑施工将变得更加安全、有序、高效。
让我们共同努力,为建设一个安全、文明的城市贡献自己的力量。
内蒙古自治区建设工程费用定额(DYD15-801-2009)主编部门:内蒙古自治区建设工程造价管理总站批准部门:内蒙古自治区建设厅施行日期:2009年7月1日内蒙古自治区建设厅内蒙古自治区建设厅文件内蒙古自治区财政厅内建工[2009]208号关于发布《内蒙古自治区建设工程费用定额》的通知各盟市建设局(建委)、财政局,各有关单位:为了规范建设工程造价计价行为,维护建设工程发承包双方的合法利益,满足建设工程计价的需要,根据住房和城乡建设部、国家质量监督检验检疫总局联合发布的《建设工程工程量清单计价规范》(GB50500-2009)和建设部、财政部关于印发《建筑安装工程费用项目组成》的通知(建标[2003]206号)、建设部《建筑工程施工发包与承包计价管理办法》(建设部令第107号)、《内蒙古自治区建筑市场管理条例》等政策法规,结合内蒙古自治区的实际情况,编制了《内蒙古自治区建设工程费用定额》。
经审查,现准予发布,自2009年7月1日起施行,并将有关事项通知如下:一、《内蒙古自治区建设工程费用定额》与内蒙古自治区建设厅同期颁发的“内蒙古自治区建设工程计价依据”配套使用。
二、《内蒙古自治区建设工程费用定额》是建设工程计价活动的地方性标准,是编制工程招标控制、设计概算、施工图预算和调解、处理建设工程造价纠纷的依据,是投标报价、确定合同价款、拨付工程款、办理竣工结算和衡量投标报价合理性的基础。
三、凡2009年7月1日以后开工建设的项目,应执行定额;2009年7月1日以前开工建设的项目,按照合同约定执行。
合同约定按照政策性规定调整的工程项目,2009年7月1日以后完成的工作量应执行本定额。
四、《内蒙古自治区建设工程费用定额》由内蒙古自治区建设工程造价管理总站负责解释。
内蒙古自治区建设厅内蒙古自治区财政厅二0 0九年六月九日目录总说明 ........................................................ 第一部分建设工程计价的一般规定 ............................... 第二部分建设工程费用定额......................................第一章建设工程费用组成...................................第二章工程类别的划分标准及说明...........................第三章工程名称及费率适用范围.............................第四章建设工程费用计算方法和程序.........................第一节建设工程费用计算方法第二节费用计算程序第三节劳务分包企业取费第五章建设工程其他项目费 ................................总说明一、《内蒙古自治区建设工程费用定额》(以下简称本定额)是根据建设部、财政部《关于印发<建筑安装工程费用项目组成>的通知》(建标[2003]206号)及相关规定,结合自治区实际情况,综合测算编制的。
关于调整2009年《内蒙古自治区建设工程费用定额》部分费用费率标准的通知各盟市住房和城乡建设局(委),各有关单位:为适应我区建筑市场变化需要,在调查测算基础上,决定对2009年《内蒙古自治区建设工程费用定额》中部分费用的费率和计算方法进行必要的调整。
现将有关事项通知如下:一、调整安全防护、文明施工措施费(一)按照《内蒙古自治区房屋建筑和市政工程施工现场远程视频监管系统建设工作实施方案》(内建工〔2013〕135号)要求,施工现场安装远程视频监控系统并通过验收的工程,由总承包单位按下表计算远程视频监控增加费(计取基础为人工费+机械费)。
工程类别三、四类建筑及市政工程一、二类建筑及市政工程远程视频监控增加费 1.14% 0.9%(二)按照《关于印发<内蒙古自治区建筑施工扬尘治理实施方案>的通知》(内建建〔2014〕114号)要求,施工现场进行扬尘治理的工程,由总承包单位按下表计算扬尘治理增加费(计取基础为人工费+机械费)。
工程类别三、四类建筑及市政工程一、二类建筑及市政工程扬尘治理增加费 1.59% 1.26%(三)同一个单位同时承担两个以上单项工程时,应按表中费率乘以0.8系数;表中费率人工费占20%,其余部分均为材料费。
二、调整规费费率根据《住房城乡建设部财政部关于印发<建筑安装工程费用项目组成>的通知》(建标〔2013〕44号)规定,取消2009年《内蒙古自治区建设工程费用定额》规费中0.19%的意外伤害保险。
调整后的规费费率为5.38%。
三、调整方法(一)对于2014年7月16日前开工建设的工程,意外伤害保险仍按施工合同约定执行。
(二)对于2014年7月16日前开工建设的工程,按规定安装了远程视频监控系统和采取扬尘治理措施且尚未办理竣工结算的,均应按本通知计取远程视频监控和扬尘治理增加费用。
以上调整自本通知下发之日起执行。
2014年7月16日。
内蒙古2009年新定额取费表措施费项目取费表序号工程类别取费基础分项费率安全文明施工费临时设施费雨季施工增加费以完、未完工程保护费1 建筑工程框架结构人工费+机械费3 4.5 0.3 0.5砖混结构人工费+机械费3.34.8 0.3 0.5教学、办公楼人工费+机械费3 4 0.3 0.5商场、酒店人工费+机械费3 3.5 0.3 0.5其他人工费+机械费2.5 4 0.3 0.52 安装工程人工费+机械费2.3 5 0.3 0.53装饰、装修工程人工费+机械费2 2 0.3 0.7材料试验检验费:房屋面积大于10000㎡的,每平米3元;每一单项工程最多计取8万元。
冬雨季施工增加费:冬季停工的工程,按实际停工天数计取看护费,单项工程每天120元;由一个总包单位承包的建设项目每天180元。
利润项目取费表工程类别建筑工程装饰工程安装工程费率20 17 17计算基础:人工费(不含机上人工费)与机械费之和。
企业管理费项目取费表类别类型一类二类三类四类建筑工程30 26 23 20 装饰工程20安装工程25 22 18 15计算基础:人工费(不含机上人工费)与机械费之和。
规费项目取费表费用名称养老失业保险基本医疗保险住房公积金工伤保险意外伤害保险生育保险水利建设基金合计费率 3.5 0.68 0.9 0.12 0.19 0.08 0.1 5.57 计算基础:直接费(含措施项目费)+企业管理费+利润+价差调整税金项目取费表地别市区县城(镇)城镇以外税率 3.44% 3.38% 3.25%计算基础:直接费(含措施项目费)+企业管理费+利润+价差调整+规费一、施工单位提出变更申请1、施工单位提出变更申请报总监理工程师;2、总监理工程师审核技术是否可行、审计工程师核算造价影响,报建设单位工程师;3、建设单位工程师报项目经理、总经理同意后,通知设计院工程师,设计院工程师认可变更方案,进行设计变更,出变更图纸或变更说明;4、变更图纸或变更说明建设单位发监理公司,监理公司发施工单位、造价公司。
注:1、利润中包括技术装备费和工具用具购置费.如施工企业按市场租赁价格计算机械设备费和模板脚手架费用时,利润不应超过表中利润率的60%.利润是竞争性费用,投标报价时,应视拟建工程的规模、复杂程度、技术含量和企业的管理水平进行浮动。
2、管理费是竞争性费用,投标报价时,应视拟建工程的规模、复杂程度、技术含
量和企业的管理水平进行浮动。
专业承包资质施工企业的管理费应在总承包企业管理费率的基础上乘以80%。
规费的计算基数为不含税造价,费率为5.57%
企业管理费计算基数为人工费+机械费,费率为1 30% ;25%
226% ;22%
323% ;18%
420% ;15%
利润计算基数为人工费+机械费,利润率为20%(建筑);17%(安装)税金3.44% 3.38% 3.25%
06年
通用措施费率1.28%,计算基数为直接工程费(住宅工程)+2.42% 0.9%,计算基数为定额人工费(安装工程) +8.8%。
-内蒙古建筑工程预算定额(2009)总说明2009届“内蒙古自治区建设工程计价依据”是按照《建设工程工程量清单计价规范》(GB50500-2008)和建设部《建筑工程施工发包与承包计价管理办法》(建设部令第107号)、《内蒙古自治区建筑市场管理条例》等政策法规,在全国统一《建筑工程基础定额》、《装饰工程基础定额》、《安装工程预算定额》、《市政工程预算定额》、《园林绿化工程预算定额》和2004届“内蒙古自治区建设工程计价依据”的基础上,结合内蒙古自治区近年来建筑市场变化情况,根据现行的建筑、装饰装修、安装、市政、园林绿化工程设计规范、施工验收技术规范、质量评定标准、安全生产操作规程等资料编制的。
包括:《内蒙古自治区建筑工程预算定额》、《内蒙古自治区装饰装修工程预算定额》、《内蒙古自治区安装工程预算定额》\《内蒙古自治区市政工程预算定额》、《内蒙古自治区园林绿化工程预算定额》、《内蒙古自治区园林绿化养护工程预算定额》、《内蒙古自治区混凝土及砂浆配合比价格》、《内蒙古自治区施工机械台班费用定额》、《内蒙古自治区建设工程费用定额》及相关的编制说明(以下简称本计价依据),具体问题说明如下:一、《内蒙古自治区建筑工程预算定额》适用于建筑工程计价。
二、本计价依据是内蒙古自治区建设工程计价活动的地方性标准,适用于内蒙古自治区行政区域内城市基础设施和一般工业与民用房屋建筑工程的新建、扩建工程.三、本计价依据中的消耗量是在正常合理的施工组织设计和施工条件下,完成相应建筑合格产品所需的人工、材料、机械台班的社会平均水平。
四、本计价依据中人工包括基本用工、辅助用工、人工幅度差、超运距用工等,不分工种和技术等级以综合工日表示.人工单价是按国家有关政策和内蒙自治区建筑市场人工单价综合考虑确定的,包括基本工资、工资性津贴、生产工人辅助工资、劳动保护费、职工福利费、随身携带使用的工具补贴,不包括各类保险费用。
五、本计价依据中的主要材料按照标准合格产品考虑,分别列出名称规格及消耗量,并包括了正常的操作和场内运输损耗.周转性材料以摊销量表示,次要和零星材料以该子目材料费之和的百分比表示。
内蒙古2009年新定额取费表措施费项目取费表序号工程类别取费基础分项费率安全文明施工费临时设施费雨季施工增加费以完、未完工程保护费1 建筑工程框架结构人工费+机械费3 4.5 0.3 0.5砖混结构人工费+机械费3.34.8 0.3 0.5教学、办公楼人工费+机械费3 4 0.3 0.5商场、酒店人工费+机械费3 3.5 0.3 0.5其他人工费+机械费2.5 4 0.3 0.52 安装工程人工费+机械费2.3 5 0.3 0.53装饰、装修工程人工费+机械费2 2 0.3 0.7材料试验检验费:房屋面积大于10000㎡的,每平米3元;每一单项工程最多计取8万元。
冬雨季施工增加费:冬季停工的工程,按实际停工天数计取看护费,单项工程每天120元;由一个总包单位承包的建设项目每天180元。
利润项目取费表工程类别建筑工程装饰工程安装工程费率20 17 17计算基础:人工费(不含机上人工费)与机械费之和。
企业管理费项目取费表类别类型一类二类三类四类建筑工程30 26 23 20装饰工程20安装工程25 22 18 15计算基础:人工费(不含机上人工费)与机械费之和。
规费项目取费表费用名称养老失业保险基本医疗保险住房公积金工伤保险意外伤害保险生育保险水利建设基金合计费率 3.5 0.68 0.9 0.12 0.19 0.08 0.1 5.57 计算基础:直接费(含措施项目费)+企业管理费+利润+价差调整税金项目取费表地别市区县城(镇)城镇以外税率 3.44% 3.38% 3.25% 计算基础:直接费(含措施项目费)+企业管理费+利润+价差调整+规费。
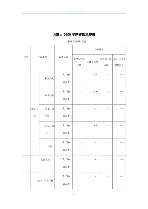
内蒙古 2009年新定额费率表
措施费项目取费表
材料试验检验费:房屋面积大于10000㎡的,每平米3元;每一单项工程最多计取8万元。
冬雨季施工增加费:冬季停工的工程,按实际停工天数计取看护费,单项工程每天120元;由一个总包单位承包的建设项目每天180元。
利润项目取费表
计算基础:人工费(不含机上人工费)与机械费之和。
企业管理费项目取费表
计算基础:人工费(不含机上人工费)与机械费之和。
规费项目取费表
计算基础:直接费(含措施项目费)+企业管理费+利润+价差调整
税金项目取费表
计算基础:直接费(含措施项目费)+企业管理费+利润+价差调整+规费。