《爆破作业项目许可审批表》范本
- 格式:doc
- 大小:62.50 KB
- 文档页数:2
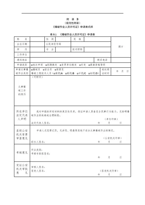
《爆破作业人员许可证》审批表
姓 名
性 别
出生日期
相 片
工作单位
文化程度
单位住址 家庭地址
联系方式
身份证号码
本 人 简 历
是否受 过刑处 罚或民 事、限 制民事 行为等 情形
申请作业类别(爆破员、安全员、库管员)
所在单位法人代表
声明
我对申报的所有材料的真实性负责,
保证申请人具备完全民事行为能力。
(单位盖章)法人代表签名:年月日
派出所背景审查
意见
申请人无犯罪记录,
具备完全民事行为能力。
(盖章)经办人签名:年月日
县级公安机关背景复核
意见
(盖章)
经办人签名年月日
考核专家组意见
(盖章)
考核专家组长签名:年月日
社区市公安机关审批意
见
审核人签名
签发人签名年月日备注
爆破作业人员许可证年审(换证)申请表
姓 名 性 别 籍 贯 相 片
出生日期 有效期
作业证编号
作业类别
身份证号码
工作单位
文化程度
户口所在地
健康状况
个人简历
何时何地从事过爆破作业或爆破安全管理工作
何时何地受过何种奖励
有无违法 犯罪记录
现实表现(有无酗酒、嗜赌不良习性)
民爆系统 人员IC 卡 类别及编号
所在单位审查意见
(单位盖章)
年月日派出所意见
(盖章)
年月日县级公安机关意见
(盖章)
年月日
考核专家组意见
考核专家组长签名:年月日市级公安机关意见
(盖章)
年月日备注。
《爆破作业单位许可证》(非营业性)申请表说明:申请单位应随本申请表提交《民用爆炸物品安全管理条例》规定的其他材料。
主要人员简历表注:企业技术负责人(或法定代表人)、爆破技术负责人、治安保卫负责人需填写上表;工作简历从参加工作开始连续填写;执业资格是指爆破工程技术人员安全作业证作业级别。
主要爆破专用机械设备表主要代表工程情况表爆破技术负责人代表工程情况表安全管理制度目录爆破作业单位应包括但不限于以下安全管理制度:1、安全目标管理制度;2、安全生产责任制度;3、安全检查和隐患整改制度;4、安全教育培训制度;5、安全生产事故管理制度;6、施工组织设计和安全技术措施编审和交底制度;7、劳动防护用品管理制度;8、爆破作业安全制度;9、爆破施工安全管理规定;10、爆破器材管理规定;11、危险品仓库的保管及使用制度;12、施工现场的安全制度;13、特种作业人员培训考核管理制度;14、安全生产奖惩制度;15、安全生产档案制度。
岗位安全操作规程目录爆破作业单位应包括但不限于以下岗位安全操作规程:1、爆破作业安全操作流程;2、爆破员安全操作规程;3、安全员安全操作规程;4、保管员安全操作规程;5、风钻(开挖、凿孔)工安全操作规程;6、空气压缩机安全操作规程;7、测量工安全操作规程;8、机动车驾驶员安全操作规程;9、钻机安全操作规程;10、挖掘机安全操作规程。
申请单位:申报单位:《爆破作业单位许可证》申请表填写说明一、封面1.申报企业名称:按工商营业执照内容填写全称。
2.申报日期:按本表报送时间填写。
二、企业法定代表人声明请企业法定代表人签名并加盖企业公章。
三、企业财务1.注册资本:按工商营业执照内容填写。
2.净资产:按财务审计报告数据填写。
四、设备1.机械设备原值、机械设备净值:按本企业财务审计报告“固定资产”台帐据实填写。
2.企业自有的主要爆破机械设备:填写企业拥有所有权的主要爆破设备情况,并附设备原始发票复印件。
爆破作业许可审批表
申请人信息
- 姓名:
- 职务:
- 所属单位:
- 联系
爆破作业信息
- 作业地点:
- 作业日期:
- 作业时间:
- 爆破物品:
- 爆破数量:
- 爆破类型:
- 爆破方法:
- 预计爆破影响范围:
风险评估
- 是否存在生命安全风险:
- 是/否
- 是否存在财产安全风险:
- 是/否
- 是否存在环境安全风险:
- 是/否
安全措施
- 详细描述爆破作业前的安全准备:
- 确保爆破作业场地的安全控制措施:
- 确保爆破作业过程的安全控制措施:
- 描述应急预案措施:
签名
- 申请人:
- 日期:
以上是《爆破作业许可审批表》的内容。
请申请人详细填写相关信息,并在完成填写后签字。
该表格用于申请爆破作业的许可审批,请按照实际情况填写正确并提供详细信息。
为确保安全,申请人需主动进行风险评估,并提供相应的安全措施和应急预案。
在申
请提交后,相关部门将进行审批,并决定是否批准该爆破作业。
请注意,提供虚假信息或违反相关法规的行为将承担相应责任。