光纤跳线技术规范精选文档
- 格式:docx
- 大小:143.93 KB
- 文档页数:3
规范综合布线光纤跳线管理综合布线光纤跳线管理是指对企业或机构内部的光纤跳线进行规范化管理,以确保网络通信的稳定性和可靠性。
在进行综合布线光纤跳线管理时,需要遵循一定的标准和规范,以确保布线的质量和安全性。
以下是综合布线光纤跳线管理的标准格式文本。
一、背景介绍综合布线光纤跳线管理是为了满足企业或机构内部通信需求而进行的一项工作。
光纤跳线作为网络通信的重要组成部分,其质量和管理直接影响到整个网络的稳定性和可靠性。
为了确保光纤跳线的良好状态和有效管理,制定本文档,旨在规范综合布线光纤跳线的管理流程和要求。
二、管理流程1. 光纤跳线的选购在选购光纤跳线时,应考虑以下因素:(1)光纤跳线的规格和型号是否符合实际需求;(2)光纤跳线的品牌和质量是否可靠;(3)光纤跳线的长度和连接方式是否满足布线需求。
2. 光纤跳线的安装在进行光纤跳线的安装时,应遵循以下步骤:(1)根据实际需求确定光纤跳线的布线路径;(2)确保光纤跳线的连接端口干净和无损坏;(3)将光纤跳线连接到相应的设备端口,并确保连接牢固;(4)对光纤跳线进行测试,确保连接质量良好。
3. 光纤跳线的标识为了便于管理和维护,应对光纤跳线进行标识,包括以下内容:(1)光纤跳线的长度和型号;(2)光纤跳线的起始和终止设备端口号;(3)光纤跳线的安装日期和责任人。
4. 光纤跳线的维护为确保光纤跳线的正常运行,应进行定期的维护工作,包括以下内容:(1)定期清洁光纤跳线的连接端口,确保无灰尘和杂质;(2)定期检查光纤跳线的连接状态,确保连接牢固;(3)定期测试光纤跳线的传输性能,确保传输质量良好;(4)定期备份光纤跳线的配置信息,以防数据丢失。
5. 光纤跳线的更换当光纤跳线出现故障或达到寿命时,应及时更换,包括以下步骤:(1)确认光纤跳线的故障原因或寿命;(2)选购符合要求的新光纤跳线;(3)按照安装流程进行更换;(4)对更换后的光纤跳线进行测试,确保连接质量良好。
光纤跳线技术规范Company Document number:WTUT-WT88Y-W8BBGB-BWYTT-19998光纤跳线技术规范浏览次数:1.陶瓷插针外径Φ:±插针体芯径Φ:+插针体长度:±插针体同心度:≦插针体曲率半径:20mm+5-10mm2.光缆外径为3mm,光缆外表光滑无瑕疵。
外径不圆度:≦10%光缆抗拉强度:≧200N光缆最小弯曲半径:30mm光缆温度特性:-40℃-+80℃,光缆附加衰减≦km光缆颜色:黄色3.工作波长:1310nm、1550nm4.光纤的衰减:≦km(1310nm)≦km(1550nm)5.光纤的截止波长:λC≦1250nm6.光纤连接器光学指标插入损耗:IL≦回波损耗:RL≧50dB连接衰减:≦(包括互换和重复)互换回波损耗:≧35dB插拔耐久性寿命:>1000次仍能满足衰减要求。
7.光纤连接器陶瓷插针物理干涉指标:曲率半径:10mm≦R≦25mm研磨球面偏心:≦50um光纤凹凸量:50nm8.光纤连接器外观检查光纤连接器外观平滑、洁净、无油污、无伤痕和裂纹,各部件组合平整,插头与转器的接合平顺,易于插拔。
9.光纤连接器陶瓷插针端面外观检查10.光纤连接器插拔力:11.光纤连接器使用条件运输和储存时温度:-20℃-+60℃工作温度:+5℃-+40℃相对湿度:保证性能:10%-90%(+35℃)温度循环实验:时间:≧72h范围:-10℃-+45℃上升和下降速度:℃/分种12.光纤连接器的标志单模光纤连接器的光缆外观为黄色。
每一条光纤连接器都挂有生产铭牌,生产铭牌标注有产品生产日期、生产编号、插入损耗数值、回波损耗数值及产品两端的区分标志。
光纤连接器的包装盒上标注有产品型号、生产厂家。
13.光纤连接器的包装每一条光纤连接器用PVC包装盒包装,接头用防尘帽盖好。
盘卷好后,盘卷直径不小于尾部光缆直径的25倍。
14.光纤连接器的运输光纤连接器用硬纸箱作外包装,在纸箱上标注有禁止大力抛摔、挤压及防雨防油污标志。
规范综合布线光纤跳线管理综合布线是现代化办公环境中的重要组成部分,它提供了数据和通信设备之间的连接,其中光纤跳线作为综合布线系统中的重要组成部分,起着连接主干光缆和终端设备的作用。
为了确保综合布线光纤跳线的高效运行和管理,以下是一些规范的建议和指导。
一、光纤跳线的选择和安装1. 光纤跳线的类型选择应根据实际需求和网络环境来确定,常见的有单模光纤跳线和多模光纤跳线。
根据跳线的长度和连接设备的类型选择合适的光纤跳线。
2. 在安装光纤跳线之前,应检查跳线的外观是否完好,光纤连接头是否干净,无划伤或污渍。
确保跳线的质量和可靠性。
3. 光纤跳线的安装应避免过度弯曲、拉力过大或扭曲。
跳线应保持自然弯曲半径,避免对光纤造成损坏。
二、光纤跳线的标识和标签1. 为了方便管理和维护,每根光纤跳线都应有明确的标识和标签。
可以使用颜色编码、数字或字母标记等方式进行标识。
2. 标签应清晰可见,耐久不褪色。
可以使用专用标签纸或标签套管进行标识,确保标识的可读性和持久性。
3. 标签上应包含光纤跳线的起始和终止设备名称、端口号、长度等信息,以便于日后的管理和维护。
三、光纤跳线的布置和管理1. 光纤跳线应按照规范的路径进行布置,避免与其他电缆或设备发生干扰。
跳线不应过长,以减少信号衰减和传输延迟。
2. 光纤跳线的布置应避免过度弯曲、交叉或交错。
跳线应保持整齐、有序,并与其他布线设备分开。
3. 光纤跳线的管理应定期检查和维护,确保连接头的干净和光纤的完整性。
如发现损坏或故障,应及时更换或修复。
四、光纤跳线的保护和防护1. 光纤跳线应避免长时间暴露在阳光直射下,以防止光纤老化和损坏。
跳线应安装在防尘、防水和防火的设备或管道中。
2. 光纤跳线的连接头应保持干净,避免灰尘和污垢的积累。
可以使用专用的光纤清洁工具进行清洁,保持光纤的传输性能。
3. 光纤跳线的连接头应避免频繁拆卸和连接,以减少光纤连接头的磨损和损坏。
综合布线光纤跳线的规范管理对于保障网络通信的稳定性和可靠性至关重要。
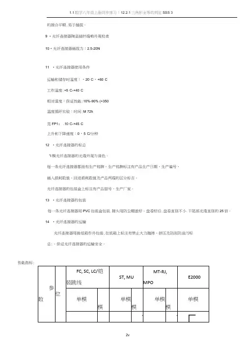
的接合平顺.易于插拔。
9 •光纤连接器陶瓷插针端啲外观检查10•光纤连接器插拔力:2.5-20N11 •光纤连接器使用条件运输和储存时温度:・20°C・+60°C工作温度:+5°C-+40°C相对湿度:保证性能:10%-90% (+350温度循环实验:时间:M 72h范FP1: .10°C-+45°C上升和下降速度:0・5°C/分种12 •光纤连接器的标总"I模光纤连接器的光缆外观为黄色。
每一条光纤连接器都挂有生产铭牌,生产铭牌标注有产品生产日期、生产编号、插入损耗数值、回波损耗数值及产品两端的区分标吉。
光纤连接器的包装盒上标注有产品型号、生产厂家。
13 •光纤连接器的包装每一条光纤连接器用PVC包装盒包装.接头用防尘帽盖好。
盘卷好后.盘卷直径不小干尾部光缆直径的25倍。
14 •光纤连接器的运输光纤连接器用换纸箱作外包装.在纸箱上标注有禁止大力抛摔、挤压及防雨防油污标总:。
保证光纤连接器的运输安全。
性能指标:岀租方(以下简称甲方)身份证地址、号码:承租方(以下简称乙方)身份证地址、号码:甲、乙双方通过友好协商,就房屋租赁事宜达成协议如下:一、租赁地点及设施:1•租赁地址:路弄号室;房型规格;居住面积平方米;2.室内附属设施:A :电器:电话沐浴空调冰箱彩电洗衣机微波炉吊扇音响VCDB :家俱:二、租用期限及其约定:1.租用期限:甲方同意乙方租用年;自年月日起至年月曰;2.房屋租金:每月元人民币;3.付款方式:按支付,另付押金元,租房终止,甲方验收无误后,将押金退还乙方,不计利息。
第一次付款计元人民币;4.租赁期内的水、电、煤气、电话、有线电视、卫生治安费由乙方支付,物业管理,房屋修缮等费用由甲方支付;5.租用期内,乙方有下列情形之一的甲方可以终I上合同,收回房屋使用权、乙方需担全部责任,并赔偿甲方损失。
(1)乙方擅自将房屋转租、转让或转借的;(2)乙方利用承租房屋进行非法活动损害公共利益的;(3)乙方无故拖欠房屋租金达天;(4)连续三个月不付所有费用的。
光纤跳线技术规范精选文档TTMS system office room 【TTMS16H-TTMS2A-TTMS8Q8-光纤跳线技术规范浏览次数:1.陶瓷插针外径Φ:±?插针体芯径Φ:+?插针体长度:±?插针体同心度:≦?插针体曲率半径:20mm+5-10mm2.光缆外径为3mm,光缆外表光滑无瑕疵。
?外径不圆度:≦10%?光缆抗拉强度:≧200N?光缆最小弯曲半径:30mm?光缆温度特性:-40℃-+80℃,光缆附加衰减≦km?光缆颜色:黄色3.工作波长:1310nm、1550nm4.?光纤的衰减:≦km(1310nm)?????????????≦km(1550nm)5.光纤的截止波长:λC≦1250nm6.光纤连接器光学指标?插入损耗:IL≦?回波损耗:RL≧50dB?连接衰减:≦(包括互换和重复)?互换回波损耗:≧35dB?插拔耐久性寿命:>1000次仍能满足衰减要求。
7.光纤连接器陶瓷插针物理干涉指标:?曲率半径:10mm≦R≦25mm?研磨球面偏心:≦50um?光纤凹凸量:50nm8.光纤连接器外观检查?光纤连接器外观平滑、洁净、无油污、无伤痕和裂纹,各部件组合平整,插头与转器?的接合平顺,易于插拔。
9.光纤连接器陶瓷插针端面外观检查10.光纤连接器插拔力:11.光纤连接器使用条件??运输和储存时温度:-20℃-+60℃??工作温度:+5℃-+40℃??相对湿度:保证性能:10%-90%(+35℃)??温度循环实验:时间:≧72h???范围:-10℃-+45℃???上升和下降速度:℃/分种12.光纤连接器的标志????单模光纤连接器的光缆外观为黄色。
???每一条光纤连接器都挂有生产铭牌,生产铭牌标注有产品生?????产日期、生产编号、??插入损耗数值、回波损耗数值及产品两端的区分标志。
???光纤连接器的包装盒上标注有产品型号、生产厂家。
13.光纤连接器的包装???每一条光纤连接器用PVC包装盒包装,接头用防尘帽盖好。
规范综合布线光纤跳线管理综合布线是指在建筑物内或机房内进行的网络布线工作,包括电缆布线和光纤布线。
在综合布线中,光纤跳线是连接终端设备与光纤主干线之间的重要组成部分。
为了确保综合布线光纤跳线的管理规范,提高网络传输质量和稳定性,以下是一些标准格式的文本,详细介绍了规范综合布线光纤跳线管理的要求和措施。
一、光纤跳线的选择和安装要求1. 光纤跳线的选择- 光纤跳线应符合国家标准或行业标准的要求,确保其质量和可靠性。
- 根据实际需求选择适当的光纤跳线类型,如单模光纤跳线或多模光纤跳线。
- 考虑到未来的扩展需求,光纤跳线的长度应留有一定的余量。
2. 光纤跳线的安装要求- 光纤跳线的安装应由专业人员进行,确保安装质量。
- 在安装过程中,应注意保护光纤的端面,避免划伤和污染。
- 光纤跳线应避免与电源线、强电线路等干扰源靠近,以减少干扰和信号衰减。
二、光纤跳线的管理措施1. 光纤跳线的标识和记录- 每根光纤跳线应进行标识,包括跳线编号、起始端和目标端设备的名称和端口号等信息。
- 所有光纤跳线的信息应进行记录,并建立光纤跳线管理台账,方便维护和管理。
2. 光纤跳线的保护和维护- 光纤跳线应放置在光纤管理盒或光纤配线架中,避免外力损伤和弯曲过大。
- 定期检查光纤跳线的连接状态,确保连接可靠,如发现松动或损坏应及时修复或更换。
- 清洁光纤跳线的连接端面,避免灰尘和污染影响信号传输质量。
3. 光纤跳线的布线和维护管理- 光纤跳线的布线应遵循合理的路径规划,避免与其他线缆交叉或绕弯过小。
- 光纤跳线的长度应根据实际需求进行合理设计,避免过长或过短。
- 定期检查光纤跳线的布线状态,确保布线整齐、有序,避免混乱和杂乱。
4. 光纤跳线的备份和冗余- 对于关键设备和重要链路,应进行光纤跳线的备份,确保在一根光纤跳线发生故障时能够快速切换到备份光纤跳线。
- 备份光纤跳线应与主光纤跳线保持一定的物理距离,避免共同受到外力损伤。
三、光纤跳线的故障排除和维修1. 光纤跳线的故障排除- 在光纤跳线出现故障时,应先检查光纤跳线的连接状态和端面的清洁情况。
规范综合布线光纤跳线管理综合布线光纤跳线管理是指在网络建设过程中,对光纤跳线进行规范化管理,确保网络的稳定性和可靠性。
下面将从综合布线光纤跳线的规范要求、管理流程和常见问题解决等方面详细介绍。
一、规范要求1. 光纤跳线的选择:根据实际需求选择合适的光纤跳线,包括长度、规格和类型等。
跳线的长度应根据实际情况合理安排,避免过长或过短导致信号衰减或接触不良。
2. 光纤跳线的标识:每根光纤跳线应有唯一的标识,方便管理和维护。
标识可以采用编号、颜色等方式进行区分。
3. 光纤跳线的布线:在布线过程中,应避免与其他电缆或设备产生干扰。
跳线应保持一定的弯曲半径,避免过度弯折造成信号损失。
4. 光纤跳线的连接:连接时要保证光纤的端面清洁,避免灰尘和污垢对光信号的影响。
连接处应牢固可靠,避免松动或断裂。
二、管理流程1. 资源登记:对所有光纤跳线进行登记,包括跳线的数量、规格、长度、使用位置等信息。
建立光纤跳线的数据库,方便后续管理和维护。
2. 定期巡检:定期对光纤跳线进行巡检,检查连接是否正常、是否有松动或破损等情况。
巡检频率可根据网络的重要性和稳定性进行设置。
3. 故障处理:发现光纤跳线故障时,及时进行处理。
可以通过更换跳线、修复连接或清理端面等方式解决问题。
故障处理记录应及时更新到数据库中。
4. 维护保养:定期对光纤跳线进行保养,包括清洁连接端面、检查跳线的弯曲半径是否合适等。
保养记录应及时更新到数据库中。
三、常见问题解决1. 信号衰减:当光纤跳线过长或质量不佳时,会导致信号衰减。
解决方法是选择合适长度和规格的光纤跳线,确保信号传输的稳定性。
2. 端面污染:光纤跳线连接端面的污染会影响信号的传输质量。
解决方法是定期清洁连接端面,使用专业的清洁工具和清洁剂进行清洁。
3. 连接松动:光纤跳线连接处松动会导致信号中断或信号质量下降。
解决方法是检查连接处是否牢固,必要时重新连接或更换跳线。
4. 弯曲过度:光纤跳线弯曲过度会导致光信号损失。
光纤跳线技术要求《光纤跳线技术要求》篇一:光纤跳线技术要求之物理特性光纤跳线在现代通信领域中起着至关重要的作用,就像人体中的血管一样,负责传输重要的信息。
提出这些物理特性要求呢,是因为随着通信技术的飞速发展,对光纤跳线的适应性和稳定性要求越来越高。
如果物理特性不过关,那在安装和使用过程中就会像一个病恹恹的家伙,时不时出问题。
一、尺寸要求光纤跳线的外径是个很关键的尺寸因素。
一般来说,不同类型的光纤跳线外径有一定的标准范围。
例如,单模光纤跳线的外径通常在2 - 3mm之间。
这个尺寸就像衣服的尺码一样,太大了不好安装,太小了可能强度不够。
而且光纤芯径也有要求,单模光纤芯径一般为9μm左右,多模光纤芯径常见的有50μm或者62.5μm。
这就好比道路的宽窄,不同的芯径适合不同的“交通流量”(数据传输量)。
二、材料要求光纤跳线的外护套材料得耐用。
像聚氯乙烯(PVC)或者低烟无卤(LSZH)材料是比较常用的。
PVC价格相对较低,适合一些普通环境;而LSZH则在防火、环保等方面表现更好,适合在建筑物内等对安全性要求较高的场所。
这就好比给光纤跳线穿上不同质量的“防护服”,要根据不同的“战场”(使用环境)来选择。
三、弯曲半径要求光纤跳线可不能像铁丝那样随意弯折。
它有最小弯曲半径的要求,一般来说,静态弯曲半径不能小于光纤跳线外径的10倍,动态弯曲半径不能小于外径的20倍。
这是为啥呢?你想啊,如果弯曲半径太小,就像把水管拧成麻花,里面的“水”(光信号)还怎么顺畅地流呢?这些物理特性的要求对于确保光纤跳线在各种环境下稳定工作非常重要。
要是不满足这些要求,可能导致光纤跳线容易损坏,信号传输中断,那在通信网络里可就是大麻烦了。
就好比一条断了的桥梁,两边的“信息城市”就无法正常“交流”了。
篇二:光纤跳线技术要求之光学性能在光纤通信这个大舞台上,光纤跳线的光学性能可是重头戏。
为啥要对光学性能提出要求呢?简单来说,通信就是靠光信号在光纤里跑来跑去传递信息的,如果光学性能不好,那就好比一个近视眼的邮递员,信件(信息)很可能送错地方或者干脆送不到。
光纤跳线技术规范-标准化文件发布号:(9456-EUATWK-MWUB-WUNN-INNUL-DDQTY-KII光纤跳线技术规范浏览次数:1.陶瓷插针外径Φ:2.499±0.0005mm插针体芯径Φ:0.125+0.001-0mm插针体长度:16.0±0.3mm插针体同心度:≦1.4um插针体曲率半径:20mm+5-10mm2.光缆外径为3mm,光缆外表光滑无瑕疵。
外径不圆度:≦10%光缆抗拉强度:≧200N光缆最小弯曲半径:30mm光缆温度特性:-40℃-+80℃,光缆附加衰减≦0.2dB/km光缆颜色:黄色3.工作波长:1310nm、1550nm4. 光纤的衰减:≦0.37dB/km(1310nm)≦0.25dB/km(1550nm)5.光纤的截止波长:λC≦1250nm6.光纤连接器光学指标插入损耗:IL≦0.2dB回波损耗:RL≧50dB连接衰减:≦0.5dB(包括互换和重复)互换回波损耗:≧35dB插拔耐久性寿命:>1000次仍能满足衰减要求。
7.光纤连接器陶瓷插针物理干涉指标:曲率半径:10mm≦R≦25mm研磨球面偏心:≦50um光纤凹凸量:50nm8.光纤连接器外观检查光纤连接器外观平滑、洁净、无油污、无伤痕和裂纹,各部件组合平整,插头与转器的接合平顺,易于插拔。
9.光纤连接器陶瓷插针端面外观检查10.光纤连接器插拔力:2.5-20N11.光纤连接器使用条件运输和储存时温度:-20℃-+60℃工作温度:+5℃-+40℃相对湿度:保证性能:10%-90%(+35℃)温度循环实验:时间:≧72h范围:-10℃-+45℃上升和下降速度:0.5℃/分种12.光纤连接器的标志单模光纤连接器的光缆外观为黄色。
每一条光纤连接器都挂有生产铭牌,生产铭牌标注有产品生产日期、生产编号、插入损耗数值、回波损耗数值及产品两端的区分标志。
光纤连接器的包装盒上标注有产品型号、生产厂家。
规范综合布线光纤跳线管理综合布线光纤跳线是现代网络通信中非常重要的一部分,它连接了不同的设备和网络,确保数据传输的稳定和高效。
为了保证综合布线光纤跳线的管理工作能够规范进行,以下是一份详细的标准格式文本,介绍了综合布线光纤跳线管理的各个方面。
一、综合布线光纤跳线管理的目的和范围1. 目的:规范综合布线光纤跳线的安装、维护和管理,保证网络通信的可靠性和稳定性。
2. 范围:适用于所有使用综合布线光纤跳线的场所,包括企事业单位、学校、医院等各类机构。
二、综合布线光纤跳线的安装要求1. 安装位置:光纤跳线应安装在干燥、通风良好的机房或设备间,远离潮湿、腐蚀性气体和强电磁场的影响。
2. 安装方式:光纤跳线应按照标准的布线规范进行安装,保证光纤的弯曲半径不小于其规定的最小弯曲半径。
3. 标识和记录:每根光纤跳线应有唯一的标识,并建立相应的记录,包括光纤跳线的长度、型号、安装日期等信息。
三、综合布线光纤跳线的维护和保养1. 定期巡检:定期对综合布线光纤跳线进行巡检,检查其连接是否松动、有无损坏或污染等情况。
2. 清洁保养:定期清洁光纤跳线的连接头部分,使用干净柔软的布擦拭,禁止使用有腐蚀性或磨损的清洁剂。
3. 防护措施:在光纤跳线的连接部分使用保护套或护套,防止外界物质的侵入和损坏。
四、综合布线光纤跳线的管理1. 管理责任:明确综合布线光纤跳线的管理责任人,负责光纤跳线的日常管理、维护和故障处理。
2. 记录管理:建立光纤跳线的档案记录,包括光纤跳线的安装、维护、更换等情况,便于日后的查询和管理。
3. 故障处理:及时处理光纤跳线的故障,包括检修、更换等,确保网络通信的正常运行。
4. 培训和宣传:定期组织培训活动,提高综合布线光纤跳线管理人员的技术水平和管理意识,并加强对员工的宣传教育,提高其对光纤跳线管理的重视程度。
五、综合布线光纤跳线的更新和升级1. 更新计划:制定光纤跳线的更新计划,根据实际情况进行定期的更新和升级,以适应网络通信的发展需求。
规范综合布线光纤跳线管理综合布线光纤跳线管理是指对企业或者机构内部的综合布线系统中的光纤跳线进行规范化管理,以确保网络通信的稳定性和可靠性。
下面将详细介绍规范综合布线光纤跳线管理的标准格式文本。
一、背景介绍综合布线系统是现代企业或者机构内部通信网络的重要组成部份,而光纤跳线则是综合布线系统中连接不同设备的重要部件。
规范综合布线光纤跳线管理可以提高网络通信的效率,减少故障发生的可能性,保障企业或者机构的正常运转。
二、目的规范综合布线光纤跳线管理的目的是确保光纤跳线的安装、维护和管理符合一定的标准和规范,以提高网络通信的质量和可靠性,减少故障发生的风险。
三、管理要求1. 光纤跳线的安装a. 安装光纤跳线时,应根据实际需要选择适当的光纤跳线类型和长度,确保光纤跳线的质量和性能符合相关标准。
b. 安装光纤跳线时,应避免弯曲、拉扯和受力过大的情况,以免影响光纤跳线的传输性能。
c. 安装光纤跳线时,应保持光纤跳线的清洁,避免灰尘和污染物的积累,以确保光纤跳线的传输质量。
2. 光纤跳线的维护a. 定期检查光纤跳线的连接状态,确保连接坚固可靠,没有松动和断裂。
b. 定期清洁光纤跳线的连接端面,避免灰尘和污染物的积累,以保证光纤跳线的传输质量。
c. 定期检测光纤跳线的传输性能,如损耗、带宽等指标,及时发现并解决问题。
3. 光纤跳线的管理a. 对光纤跳线进行编号和标识,以便于管理和维护。
b. 建立光纤跳线的档案,包括光纤跳线的规格、型号、安装位置等信息,以便于查询和管理。
c. 制定光纤跳线的维护计划,明确维护的频率和内容,确保光纤跳线的长期稳定运行。
四、培训和考核为了确保综合布线光纤跳线管理的有效实施,应对相关人员进行培训和考核。
1. 培训内容包括光纤跳线的安装、维护和管理等方面的知识和技能。
2. 考核内容包括光纤跳线的安装质量、维护能力和管理水平等方面的要求。
3. 培训和考核应定期进行,以保证相关人员的知识和技能的更新和提升。
规范综合布线光纤跳线管理综合布线是指将各种通信设备(如电脑、电话、服务器等)通过光纤、电缆等物理媒介连接起来,形成一个整体的通信网络。
在综合布线系统中,光纤跳线的管理是非常重要的一环,它直接影响到整个网络的稳定性和性能。
为了规范综合布线光纤跳线的管理,以下是一些标准格式的文本,详细介绍了管理光纤跳线的方法和要求。
一、光纤跳线的分类1. 单模光纤跳线:适合于长距离传输和高速传输,具有较小的信号衰减和较大的带宽。
2. 多模光纤跳线:适合于短距离传输和低速传输,成本相对较低。
二、光纤跳线的选购和安装1. 选购光纤跳线时,应选择质量可靠、符合国家标准的产品,避免使用低质量或者假冒伪劣产品。
2. 安装光纤跳线时,应按照厂家提供的安装指南进行操作,确保光纤的弯曲半径符合要求,避免造成光信号的损耗。
三、光纤跳线的连接和标识1. 光纤跳线的连接应采用专用的光纤连接器,确保连接的稳定性和可靠性。
2. 在连接处应进行标识,标明连接的设备名称、端口号等信息,方便日后的维护和管理。
四、光纤跳线的保护和维护1. 光纤跳线应避免受到物理损坏,如压力、拉力等,避免弯曲过大导致光信号损耗。
2. 定期对光纤跳线进行检查和清洁,确保连接的质量和传输的稳定性。
3. 在光纤跳线的末端应安装保护盖或者封堵,避免灰尘、湿气等进入导致故障。
五、光纤跳线的记录和管理1. 对光纤跳线的连接和布线情况进行详细的记录,包括连接设备的名称、端口号、跳线长度等信息。
2. 对光纤跳线进行定期的巡检和维护,确保网络的正常运行和故障的及时处理。
光纤跳线的管理是综合布线系统中不可忽视的一部份,惟独通过规范的管理和维护,才干保证网络的稳定性和性能。
以上是对规范综合布线光纤跳线管理的详细介绍,希翼对您有所匡助。
如果您还有其他问题,欢迎继续咨询。
光纤跳线设备安全操作规定前言光纤跳线设备已经成为了大型数据中心或网络环境中最为重要的部分,而我们使用光纤跳线设备的目的就是传输业务数据,所以在此设备的使用过程中,必须要保证其安全性。
为此,本文档旨在为使用光纤跳线设备的用户提供一些关于操作规范的建议,以帮助用户在工作中避免可避免的错误。
一、基本要求•在使用光纤跳线设备前,用户必须受过相关的培训和认证,了解光纤跳线设备的使用方法和安全规定,以正确操作设备并提高工作效率。
•在日常使用过程中,用户必须为光纤跳线设备做好日常维护工作,如定期清洁、检测网线是否有断点、固定线缆等,以维护其长期的稳定性。
•光纤跳线设备必须安装在固定位置,不得移动或更改其摆放位置和布线路径。
在安装完成后,相应线缆的插头也应该用护罩进行封闭,以防止灰尘、沙子或其他杂物进入设备中或进入连接插孔中,导致线路故障。
二、操作规范2.1 准备工作在操作光纤跳线设备前,需要进行相应的准备,包括检查设备是否正常运行,检查连接是否正确等。
用户应该先了解光纤跳线设备的使用方法,然后才能进行相应的操作。
2.2 连接操作在进行连接操作时,用户需要正确选择对应线路、端口和类型,并保证正确连接,不得将错误的连接线插入设备接口或使用未经验证的连接线。
同时注意不要用力过猛插入或拔出光纤插头,以免损坏设备或插头,导致线路的短路或故障。
2.3 网络环境用户在进行光纤跳线设备操作时,应注意周围环境的情况,避免操作在尘土飞扬、湿度过高或存在高电压等环境中进行。
同时需要注意使用温度适宜的环境,避免过高或过低的温度对设备的损坏。
2.4 设备维护在日常使用过程中,用户需要进行设备的日常检查和维护工作,必须避免在使用过程中将食物、饮料、化学品等污染物质带进设备中,避免污染器件,导致设备正常运行。
同时要定期清洁设备和连接线,避免灰尘、油脂等污物沉积影响设备的性能。
三、交叉连接操作由于目前有许多光纤跳线设备的市场很混乱,有许多不同的设备品牌和型号,所以在进行交叉连接时,必须严格遵循相应的规范和标准。
规范综合布线光纤跳线管理综合布线光纤跳线是一种用于数据传输的重要设备,它在现代通信网络中起着至关重要的作用。
为了确保综合布线光纤跳线的有效管理和维护,以下是一份详细的标准格式文本,包括光纤跳线的规范安装、标签标识、保护措施以及定期检查等方面的要求。
一、规范安装1. 安装位置:光纤跳线应安装在专用的光纤配线架或者光纤配线箱内,确保跳线的安全性和可靠性。
2. 距离限制:光纤跳线的长度应根据具体需求进行合理规划,避免过长或者过短的跳线造成信号衰减或者连接不稳定的问题。
3. 弯曲半径:在安装过程中,应避免光纤跳线浮现过大的弯曲,保持适当的弯曲半径,以减少光纤的损坏和信号损失。
4. 固定方式:光纤跳线应采用专用的固定夹具或者固定装置进行安装,确保跳线坚固可靠,避免松动或者断裂。
二、标签标识1. 标签内容:每根光纤跳线应配备清晰可见的标签,标明光缆的编号、光纤类型、长度、安装日期等信息,便于管理和维护。
2. 标识位置:标签应粘贴在光纤跳线两端的连接头或者配线架上,确保易于识别和查找。
3. 标识方式:可采用贴纸、标签贴或者打印等方式进行标识,确保标签清晰、耐用,不易退色或者损坏。
三、保护措施1. 环境保护:光纤跳线应安装在干燥、通风、无尘、无腐蚀性气体和化学物质的环境中,避免光纤受潮、受热或者受损。
2. 防护罩:对于易受外力影响的光纤跳线,应配备专用的防护罩或者护套,以防止物理损坏和外界干扰。
3. 温度控制:光纤跳线所处的环境温度应在指定范围内,避免过高或者过低的温度对光纤的性能和稳定性产生不利影响。
四、定期检查1. 外观检查:定期检查光纤跳线的外观,包括连接头、标识、固定装置等是否完好无损,如有损坏应及时更换或者修复。
2. 清洁维护:定期清洁光纤跳线及其连接头,避免灰尘、油污等杂质对光纤的影响,保持光纤的清洁和传输性能。
3. 测试验证:定期使用专业的光纤测试仪器对光纤跳线进行测试,验证其连接性能和传输质量,确保其正常工作。
规范综合布线光纤跳线管理引言概述:规范综合布线光纤跳线管理在现代通信网络中起着至关重要的作用。
随着网络技术的不断发展,光纤跳线作为一种高速、可靠的传输介质,被广泛应用于数据中心、企业网络等场所。
本文将从五个大点出发,详细阐述规范综合布线光纤跳线管理的重要性以及如何有效管理光纤跳线。
正文内容:1. 选择合适的光纤跳线1.1 确定适用场景:根据实际需求选择单模光纤跳线还是多模光纤跳线。
1.2 考虑跳线长度:根据布线距离选择合适长度的光纤跳线,避免过长或过短导致信号衰减或损耗。
1.3 注意光纤接口类型:根据设备接口类型选择相应的光纤跳线,如LC、SC、FC等。
2. 正确布线光纤跳线2.1 合理布局:根据实际需求规划光纤跳线的布线路径,避免过长或过多的弯曲,减少信号损耗。
2.2 保持跳线整洁:避免跳线交织、交叉或纠结,保持跳线的整齐有序,便于日常维护和管理。
2.3 避免干扰源:跳线应尽量远离电源线、高压线等干扰源,以减少信号干扰和损耗。
3. 定期检查和维护光纤跳线3.1 清洁光纤连接器:定期检查光纤连接器的清洁度,避免灰尘、油污等影响信号传输质量。
3.2 检查光纤连接质量:使用光纤测试仪等设备检测光纤跳线的连接质量,确保信号传输的稳定性和可靠性。
3.3 更换老化跳线:定期更换老化的光纤跳线,避免因老化导致的信号衰减和故障。
4. 标签和记录管理4.1 标记光纤跳线:为每根光纤跳线标记清晰的标签,包括起始端口、目标端口等信息,便于识别和管理。
4.2 记录跳线信息:建立光纤跳线的详细记录,包括跳线长度、类型、安装时间等信息,便于日后维护和管理。
4.3 管理系统支持:使用专业的光纤跳线管理系统,实现对跳线的追踪、监控和维护,提高管理效率和可靠性。
5. 培训和培养管理人员5.1 培训技术人员:提供光纤跳线的相关知识和技术培训,使技术人员能够熟练掌握光纤跳线的管理和维护技能。
5.2 建立管理团队:组建专业的光纤跳线管理团队,负责光纤跳线的规划、布线、维护和管理工作。
光纤跳线技术规范浏览次数:1•陶瓷插针外径①:2.499 ± 0.0005mm插针体芯径①:0.125+0.001-0mm插针体长度:16.0 ± 0.3mm插针体同心度:三1.4um插针体曲率半径:20mm+5-10mm2. 光缆外径为3mm光缆外表光滑无瑕疵。
外径不圆度:三10%光缆抗拉强度:仝200N光缆最小弯曲半径:30mm光缆温度特性:-40'C -+80C,光缆附加衰减三0.2dB/km光缆颜色:黄色3. 工作波长:1310nm 1550nm4. 光纤的衰减:三0.37dB/km(1310nm)三0.25dB/km(1550nm)5. 光纤的截止波长:入c三1250nm6. 光纤连接器光学指标插入损耗:IL三0.2dB回波损耗:RL±50dB连接衰减:三0.5dB (包括互换和重复)互换回波损耗:仝35dB插拔耐久性寿命:>1000次仍能满足衰减要求。
7. 光纤连接器陶瓷插针物理干涉指标:曲率半径:10m霹医25mm研磨球面偏心:三50um光纤凹凸量:50nm8. 光纤连接器外观检查光纤连接器外观平滑、洁净、无油污、无伤痕和裂纹,各部件组合平整,插头与转器的接合平顺,易于插拔。
9. 光纤连接器陶瓷插针端面外观检查10. 光纤连接器插拔力:2.5-20N11. 光纤连接器使用条件运输和储存时温度:-20C - +60C工作温度:+5C - +40C相对湿度:保证性能:10%-90%(+35C)温度循环实验:时间:仝72h范围:-10C - +45C上升和下降速度:0.5 C/分种12. 光纤连接器的标志单模光纤连接器的光缆外观为黄色。
每一条光纤连接器都挂有生产铭牌,生产铭牌标注有产品生产日期、生产编号、插入损耗数值、回波损耗数值及产品两端的区分标志。
光纤连接器的包装盒上标注有产品型号、生产厂家。
13. 光纤连接器的包装每一条光纤连接器用PVC包装盒包装,接头用防尘帽盖好。
规范综合布线光纤跳线管理引言概述:综合布线光纤跳线管理是网络建设中至关重要的一环。
良好的光纤跳线管理可以有效提高网络性能和稳定性,同时也方便了维护和故障排除。
本文将从五个方面详细阐述规范综合布线光纤跳线管理的重要性和具体操作方法。
一、光纤跳线的选择1.1 光纤跳线的种类1.2 光纤跳线的规格和性能要求1.3 光纤跳线的材质和外观要求二、光纤跳线的安装2.1 安装前的准备工作2.2 光纤跳线的布线方式2.3 光纤跳线的连接和固定三、光纤跳线的标识和记录3.1 光纤跳线的标识方法3.2 光纤跳线的记录和管理3.3 光纤跳线的维护和保养四、光纤跳线的测试和检测4.1 光纤跳线的测试工具和设备4.2 光纤跳线的测试方法和标准4.3 光纤跳线的故障排除和修复五、光纤跳线的保护和维护5.1 光纤跳线的保护措施5.2 光纤跳线的定期维护和检修5.3 光纤跳线的更新和升级正文内容:一、光纤跳线的选择1.1 光纤跳线的种类:根据不同的网络需求,可以选择单模光纤跳线和多模光纤跳线。
单模光纤跳线适用于长距离传输和高速传输,而多模光纤跳线适用于短距离传输和低速传输。
1.2 光纤跳线的规格和性能要求:根据网络设备的接口类型和传输距离,选择合适的光纤跳线规格和性能要求。
常见的规格包括LC、SC、ST等,而性能要求则包括带宽、插损、回损等指标。
1.3 光纤跳线的材质和外观要求:光纤跳线的材质应选用高质量的光纤和连接器,以确保传输质量。
外观上应注意保护套管的完整性和连接器的整洁度,避免外界因素对光纤的影响。
二、光纤跳线的安装2.1 安装前的准备工作:在安装光纤跳线之前,需要对布线路径进行评估和规划,确保光纤跳线的安装符合网络需求。
同时,还需要准备好所需的工具和材料,以便顺利进行安装。
2.2 光纤跳线的布线方式:根据实际情况和网络需求,选择合适的布线方式,包括直通布线、交叉布线和分布式布线。
在布线过程中,应注意光纤的弯曲半径和避免与其他电缆的干扰。
光纤跳线技术规范精选
文档
TTMS system office room 【TTMS16H-TTMS2A-TTMS8Q8-
光纤跳线技术规范
浏览次数:
1.陶瓷插针外径Φ:±
插针体芯径Φ:+
插针体长度:±
插针体同心度:≦
插针体曲率半径:20mm+5-10mm
2.光缆外径为3mm,光缆外表光滑无瑕疵。
外径不圆度:≦10%
光缆抗拉强度:≧200N
光缆最小弯曲半径:30mm
光缆温度特性:-40℃-+80℃,光缆附加衰减≦km
光缆颜色:黄色
3.工作波长:1310nm、1550nm
4.光纤的衰减:≦km(1310nm)
≦km(1550nm)
5.光纤的截止波长:λC≦1250nm
6.光纤连接器光学指标
插入损耗:IL≦
回波损耗:RL≧50dB
连接衰减:≦(包括互换和重复)
互换回波损耗:≧35dB
插拔耐久性寿命:>1000次仍能满足衰减要求。
7.光纤连接器陶瓷插针物理干涉指标:
曲率半径:10mm≦R≦25mm
研磨球面偏心:≦50um
光纤凹凸量:50nm
8.光纤连接器外观检查
光纤连接器外观平滑、洁净、无油污、无伤痕和裂纹,各部件组合平整,插头与转器的接合平顺,易于插拔。
9.光纤连接器陶瓷插针端面外观检查
10.光纤连接器插拔力:
11.光纤连接器使用条件
运输和储存时温度:-20℃-+60℃
工作温度:+5℃-+40℃
相对湿度:保证性能:10%-90%(+35℃)
温度循环实验:时间:≧72h
范围:-10℃-+45℃
上升和下降速度:℃/分种
12.光纤连接器的标志
单模光纤连接器的光缆外观为黄色。
每一条光纤连接器都挂有生产铭牌,生产铭牌标注有产品生?产日期、生产编号、
插入损耗数值、回波损耗数值及产品两端的区分标志。
光纤连接器的包装盒上标注有产品型号、生产厂家。
13.光纤连接器的包装
每一条光纤连接器用PVC包装盒包装,接头用防尘帽盖好。
盘卷好后,盘卷直径不小于尾部光缆直径的25倍。
14.光纤连接器的运输
光纤连接器用硬纸箱作外包装,在纸箱上标注有禁止大力抛摔、挤压及防雨防油污标志。
保证光纤连接器的运输安全。
?。