D343H法兰硬密封蝶阀
- 格式:doc
- 大小:138.00 KB
- 文档页数:3
第一章电动金属硬密封三偏心双向焊接蝶阀技术条件符合性本工程适用性及安装要求<一>电动蝶阀安装1 技术要求1.1 性能要求1.1.1 电动蝶阀应具有防腐、防锈功能。
1.1.2 电动蝶阀的使用寿命不低于30年,解体检修周期不低于4年,一般维修周期不低于2年,橡胶密封圈使用寿命不低于2年。
1.1.3 电动蝶阀的工作压力不得超过选用材料抗拉强度的1/5,蝶板的厚度不超过轴直径的2.25倍。
1.1.4 电动蝶阀密封座的设计制造必须保证蝶阀关闭时,蝶板一侧为工作压力、另一侧无水时不漏水。
密封座应为双向承压的。
1.1.5 蝶阀的结构应使不必从管路上拆下蝶阀即可调整和更换橡胶密封圈。
1.1.6 橡胶密封圈应采用新的天然橡胶或合成橡胶制成,密封圈应具有良好的耐腐蚀性、抗冲击性、抗臭氧及微生物的性能。
1.1.7 橡胶中的铜离子含量不大于8PPM,并具有防止铜毒化而使橡胶降级的阻滞剂。
1.1.8 橡胶的含蜡量不得超过橡胶碳氢分子含量的1.5%。
1.1.9 阀体轴承的工作压力不得超过选用材料的允许承压力,并不超过轴承材料抗压强度的1/5。
1.1.10 操作机构产生的侧向压力或推力不得传递给轴封。
1.1.11 电动蝶阀必须至少有一个双向推力轴承,以保证蝶阀的正确位置。
1.1.12 轴承应为自润滑轴承,其材料应对水和橡胶无害。
轴承在承受最大压力时的摩擦系数不超过0.25。
1.1.13 轴封的材料和形式应经久耐用,在不拆除阀体和操作机构的任何部分的条件下应可更换填料。
填料函的深度至少可放置四圈填料,填料盖为青铜材料。
1.1.14 在离传动装置1米远处的平均噪音水平不大于85分贝。
1.1.15 蝶阀的操作机构应有足够的力矩和刚度,以保证蝶板在开启或关闭时的稳定性,并保证蝶板能稳定地停留在任意开启度的中间位置上。
1.1.16 操作机构的壳体支座及与阀体的连接部件应有足够的刚度和强度,设计安全系数对极限强度而言不小于5,对屈服点而言不小于3。
法兰蝶阀的国标型号摘要:I.法兰蝶阀简介A.法兰蝶阀定义B.法兰蝶阀作用II.法兰蝶阀的国标型号A.国标型号含义B.常见国标型号举例C.国标型号与规格对应关系III.法兰蝶阀的选用与使用A.选用法兰蝶阀的注意事项B.法兰蝶阀的使用方法C.法兰蝶阀的维护与保养IV.结论正文:I.法兰蝶阀简介法兰蝶阀是一种常用的阀门类型,主要作用是控制流体的流量、压力和流向。
它由阀体、阀杆、蝶板和密封圈等部件组成,具有结构简单、操作方便、密封性能好等特点。
法兰蝶阀广泛应用于石油、化工、冶金、电力、化肥、制药、食品、城建、污水处理和环保等领域。
II.法兰蝶阀的国标型号A.国标型号含义法兰蝶阀的国标型号通常由数字、字母和其他符号组成,表示阀门的类型、结构、尺寸、压力等级等信息。
例如,GB/T 12238-2008中规定的法兰蝶阀型号包括:D343H、D343W、D343Y等。
B.常见国标型号举例1.D343H-16C:表示手动法兰硬密封蝶阀,公称通径为300mm,压力等级为1.6MPa,材料为碳钢。
2.D343W-16P:表示涡轮法兰硬密封蝶阀,公称通径为300mm,压力等级为1.6MPa,材料为不锈钢。
3.D343Y-16I:表示气动法兰硬密封蝶阀,公称通径为300mm,压力等级为1.6MPa,材料为铸铁。
C.国标型号与规格对应关系法兰蝶阀的国标型号与规格主要通过公称通径、压力等级、材质等信息来表示。
不同型号的法兰蝶阀可能具有相同的规格,但它们的结构、适用场合和性能可能有所不同。
因此,在选用法兰蝶阀时,需要根据具体的使用要求来选择合适的型号和规格。
III.法兰蝶阀的选用与使用A.选用法兰蝶阀的注意事项在选用法兰蝶阀时,需要考虑以下因素:流量、压力、温度、介质、使用场合等。
此外,还需要了解法兰蝶阀的性能、结构、材料等信息,以确保选型的合理性和安全性。
B.法兰蝶阀的使用方法法兰蝶阀的使用方法主要包括:开启、关闭、调节流量和压力等。
100X遥控浮球阀公称亘径:DX40-DX500 公称压力:PN10/PX16 200X可调式诚压阀公称宜径:Z40-Z5OO公称压力:PN10/PX16300M漫闭式止回阀公称亘径:HN40 - DN500 公称压力:PN10/PX16400X流重控制阀公称亘径:PN40 - DN500公称压力:PN10/PN16500X持压/泄压阀公称宜:径:DX4<)-nX500 公称压力:PN10/PX16 600X电勒控制阀公称亘径:r>Y4()- nxsoo公称压力:PN10/PX16700M水弔控制阀公称宜泾:DN40-DN500公称压力:PN10/PX16800X压差旁通阀公称宜径:HN40 - DN500公称压力:PN10/PN16900X紧急关闭阀公称宜径:HN40 - DX500 公称压力:PN10/PX16 H142、液压水位控制阀公称亘泾:HN40 - DX500 公称压力:PN10/PX16JH745X条功能水书控制阀公称宜径:0X50 - 0X500公称压力:PN10/16/25QAX742X持压/泄压阀公称亘径:HN50-DN500公称压力:PN10/16/25QF745X遥控浮球阀公称亘径:0X50-0X500 公称压力:PN1O/16/25Q JU5X电幼遥控阀公称宜径:HX50 - 0X500公称压力:PN1O/16/25QYX741X可调式诚压阀公称亘径:DX50-DX500 公称压力:PN1O/16/25QSG8000/9000水锤吸啊器公称宣径:PN50 - DN300 公称压力:PN10/16/25RVCX传幼唱座封闸公称亘径:PN40 - DX600 公称压力:PN1O/16/25Q RVHX暗杆弹性座封闸阀公称宜径:PN40 - PX600 公称压力:PN10/16/25QKRHX明忏弹性座封闸阀公称亘径:HN40 - PX600 公称压力:PN1O/16/25QRVEX电幼弹性座封闸阀公称宜径:DN40-DN600 公称压力:PN10/16/25QZ85X沟槽式暗杆闸阀公称宜:径:nx5()-nx6()o 公称压力:PN1O/I6/25Q Z81"勾槽式明杆闸阀公称亘径:PX50 - PX600 公称压力:PN1O/16/25QKVSX消防信号闸阀公称亘径:HN40 - PX600 公称压力:PN1O/16/25QRRHX明杆消防专用闸阀公称直径:PN40 - DN600 公称压力:PN10/16/25QZSJZ 水流指示器 公称宜:径:0X5(^-0X600 式把干蝶阀 公称亘径:HX50 - PX200 D.381、沟惜式鯛轮蝶阀 公称宜泾:PX5O-DX35OXFP371X 信号对夹式蟻阀公称宜径:HN50 - DN600JV71、手勒对夹式蟻阀H371X 揭轮对夹式蝶阀H971X 电幼对夹式蝶阀 H671X 气功对夹式蟻阀公称宜径:nx4()- nx2()o公称亘径:HN40 - PX600公称直径:HN40 - DX600公称宜径:DN40-DN600H373H 对来式硬密劭碟 阀 公称直径:0X4() - PX1400公称压力:PN1O/16/25D343H 法兰硬密封蝶阀 公称宜径 r>N40-r>N1400 公称压力:PN1O/16/25D373H 电功硬密封蝶阀公称亘径 r>M0-r>Ni40o 公称压力:PN1O/16/25H371F46衬氟蝶阀公称宜径:DN50-DN800 公称压力:PN10/16GL43H Y 生过沌器 YSTF 拉杆伸缩Y 型过滤 HS41X 防污隔断阀公称压力:PN10/16 公称压力:PN10/16公称压力:PN10/16公称压力:PN10/16公称压力:PN10/16 公称压力:PN10/16公称压力:PN10/16公称压力:PN10/16JfL SlyA49H 防爆波阀门公称宜径:PM5-nX600公称压力:PN1O/16/25公称亘径:nxi5-n\4()o公称压力:PN10/16ET条功能电于除垢仪公称宜径:HX40 - DX800 公称压力:PN10/16金属波纹編织管/补偿器公称亘径:r>Ni5-r»:8oo 公称压力:PN10/16JHL41X条功能阀公称宜噬:0X50-0X600公称压力:PN10/16KXTtt胶软接头公称宜径:ON32 - DN3000公称压力:PN10/16r>F电磁阀公称宜:径:DN15-DN5O 公称压力:PN16 VC6013空调电功二通阀公称亘径:DN15-DN25公称压力:PN16AFV3200电功二通调节阀公称宜磴:DN25-DN65公称压力:PN16OFQHX例流防止器公称宜径:DN15-DN5O公称压力:PN16AFV33OO电功二通调节阀公称宜:径:HN50 - DX200 公称压力:PN16 ZLF自力式功态平衡阀公称KS:nN15-nX400 公称压力:PN10/16ZYC自力式压差?空制阀公称宜径:nxis-PX400 公称压力:PN10/16SP45F数宇锁定平衡阀公称直径:DN15-DN400 公称压力:PN10/16器公称亘径PN50 - DN600公称压力:PNiO/16公称宜径DN525O - DN300公称压力:PN10/16KPF 静态平衡阀公称宜:径:DX15-nX4<)0 公称压力:PN10/16TJ40H 法兰调节阀公称直 径:DN15-DN400 公称压力:PN10/I6L11SM 丝口蒸汽栏窒阀 公称宜泾:nxis-nx4<)o 公称压力:PN10/16CH1SM 法兰蒸汽栏窒阀 公称宜径:DN15-DN400 公称压力:PN10/16H41K 消客式止回阀公称宜径:DX40-nX4(X) 公称压力:PN10/16SFCV 橡胶番止回阀 公称亘径:HN40 - PX600 公称压力:PN10/16NRVZ 静音式止回阀 公称直径:HN40 - DX400 公称压力:PN10/16HH44X 微阻膜闭止回阀H76X 对夹双辩蝶式止回H71H/X 对夹升降式止回止回阀:DN40-DN1200 公称压力:PN1O/16/25阀公称宜径:DN15-DN500 公称压力:PN1O/I6/25/4O公称压力:PN10/16H44H 旋启式止回阀 H41H 升降式止回阀 H42H 立式止回阀 公称直径:ON25 - DX500 公称宜径:PX15-PX500 公称直径:DN15-nXS0ii 公称宜径:DN15-DN500NRVZ 静音式止回阀公称直径 DN300-DN1200公称宜径DX40 - DX1200 公称压力:PN10/16阀 公称亘径DX40-PX1200H42冈法兰底阀公称压力:PN10/16HH46/48/49H 羨用蟻型钢戳止阀公称宜径:DN15-DN5O公称压力:15OLb・15OOLb J41H法兰铸钢截止阀公称宜径:r>N15_DY5OO公称压力:PN16-PN100API码欣戳止阀公称亘径:nxi5-nx4()o公称压力:!5<)Lb-15OOLbWI41H德标波纹勞覲止阀公称宜径:DN15-DN200公称压力:PN16-PN40Y43H蒸汽减庄阀公称宣径:DX15-nX4<)0 公称压力:PN16-PN64 YZ11X支管减压阀公称亘径:DN15-DN3O公称压力:PN16Y13/Y43X固定比例滅压阀公称宜径:0X15-0X200 公称压力:PN16Y416减压柜压阀公称宜径:DN15-DN400公称压力:PN16PZ73H刀型闸阀公称亘径:HX50- PX900 公称压力:PN6-PN16 Z41H铸钢闸阀公称宜径:nxi5-nx9oo公称压力:PN16-PN100Z41H祷钢楔式闸阀公称亘径:DX15-PX900公称压力:PN16-PN160API镑级闸阀公称宜径:HN40 - DN1200公称压力:15OLb-15W)Lb公称压力:PN16-PN250Q41F法兰球阀公称宜径:nxis-nxsoo 公称压力:PN16-PN64 Q41F法兰球阀公称亘径:nxis-nx3oo公称压力:PN16-PN64Q41高溫球阀公称亘径:0X15-0X200公称压力:PN16-PN25Q941F电幼球阀公称宜径:DN15-DN200公称压力:PN16-PN25。
产品名称: D343H-16C蜗轮法兰式硬密封蝶阀简单介绍: 蜗轮法兰式硬密封蝶阀采用三偏心结构,阀座与碟板密封面均采用不同硬度和不锈钢制作,具有良好的耐腐蚀性,使用寿命长,产品符合国家GB/T13927-92阀门压力试验标准。
蜗轮法兰式硬密封蝶阀的详细介绍一、D343H蜗轮硬密封蝶阀产品概述:我厂引进能够国外先进技术的基础上,采用精密的J形弹性密封圈和三偏心多层次金属硬密封结构,被广泛用于介质温度≤425℃的治金、电力、石油化工、以及给排水和市政建设等工业管道上,作调节流量和载断流体使用。
该阀采用三偏心结构,阀座与碟板密封面均采用不同硬度和不锈钢制作,具有良好的耐腐蚀性,使用寿命长,本阀均可定做双向密封功能,产品符合国家GB/T13927-92阀门压力试验标准。
二、D343H蜗轮法兰式硬密封蝶阀特点:1、本阀采用三偏心密封结构,阀座与蝶板几乎无磨损,具有越观越紧的密封功能。
2、密封圈选用不锈钢制作,具有金属硬密封和弹性密封的双重优点,无论在低温和高温的情况下,均具有优良的密封性能,具有耐腐蚀,使用寿命长等特点。
3、碟板密封面采用堆焊钴基硬质合金,密封面耐磨损,使用寿命长.4、大规格蝶板采用绗架结构,强度高,过流面积大,流阻小。
5、本阀具有双向密封功能,安装时不受介质流向的限制,也不受空间位置的影响,可在任何方向安装。
6、驱动装置可以多工位(旋转90°或180°)安装,便于用户使用。
三、D343H蜗轮法兰式硬密封蝶阀主要技术参数:公称通经DN(mm) 50~2000公称药理PN(MPa) 0.6 1.0 1.6 2.5密封试验(MPa) 0.66 1.1 1.76 2.75强度试验(MPa) 0.9 1.5 2.4 3.75适用温度碳钢:-29℃~425℃不锈钢:-40℃~650℃适用介质水、空气、天然气、油品及弱腐蚀性流体泄漏率符合GB/T13927-92标准驱动方式蜗轮传动、电动、气动、液动四、D343H蜗轮法兰式硬密封蝶阀主要零部件材料:零件名称材料阀体WCB、合金钢、不锈钢、QT450-10 蝶板WCB、合金钢、不锈钢、QT450-10 阀轴2Cr13不锈钢、合金钢密封圈不锈钢圈填料柔性石墨。
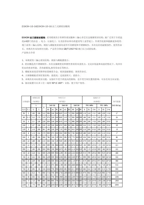
D343H-10-16D343H-10-16法兰式硬密封蝶阀
D343H法兰硬密封蝶阀:采用精密的J形弹性密封圈和三偏心多层次金属硬密封结构,被广泛用于介质温度≤425℃的治金、电力、石油化工、以及给排水和市政建设等工业管道上,作调节流量和载断流体使用。
阀门采用三偏心结构,阀座与碟板密封面均采用不同硬度和不锈钢制作,具有良好的耐腐蚀性,使用寿命长,本阀具有双向密封功能,产品符合国家GB/T13927-92阀门压力试验标准。
产品特点介绍
1、本阀采用三偏心密封结构,阀座与蝶板磨损小。
2、密封圈选用不锈钢制作,具有金属硬密封和弹性密封的双重优点,无论在低温和高温的情况下,均具有优良的密封性能,具有耐腐蚀,使用寿命长等特点。
3、碟板密封面采用堆焊钴基硬质合金,密封面耐磨损,使用寿命长.
4、大规格蝶板采用绗架结构,强度高,过流面积大,流阻小。
5、本阀具有双向密封功能,安装时不受介质流向的限制,也不受空间位置的影响,可在任何方向安装。
6、驱动装置可以多工位(旋转90°或180°)安装,便于用户使用。
法兰蝶阀的国标型号
摘要:
1.法兰蝶阀的定义和结构
2.国标型号的含义和作用
3.法兰蝶阀的国标型号列表
4.国标型号与德标型号的差异
5.如何选择合适的法兰蝶阀型号
正文:
法兰蝶阀是一种常用的阀门设备,其主要结构由阀体、蝶板和阀杆组成。
蝶阀的蝶板在阀体内可以做圆周运动,通过改变蝶板的角度来实现阀门的开启和关闭。
法兰蝶阀具有结构简单、操作方便、密封性能好等特点,被广泛应用于各种管道系统中。
国标型号是指符合我国国家标准的法兰蝶阀型号。
在我国,法兰蝶阀的国标型号由字母和数字组成,如D343H-16C、D373H-16C 等。
其中,D 表示法兰蝶阀,343 和373 分别表示蝶阀的结构形式,H 表示硬密封,16 表示阀门的公称压力,C 表示阀门的材质。
以下是一些常见的法兰蝶阀国标型号:
1.D343H-16C:硬密封法兰蝶阀,公称压力为1.6MPa,适用于水、蒸汽等介质。
2.D373H-16C:硬密封法兰蝶阀,公称压力为1.6MPa,适用于水、蒸汽等介质。
3.D343X-10Q:伸缩法兰蝶阀,公称压力为1.0MPa,适用于水、污水等介质。
4.D343X-16Q:伸缩法兰蝶阀,公称压力为1.6MPa,适用于水、污水等介质。
需要注意的是,德标法兰蝶阀和国标法兰蝶阀在法兰上有所区别。
德标法兰蝶阀的法兰采用德国标准,与我国的国标法兰有所不同。
因此在选择法兰蝶阀时,需要根据实际应用场景和法兰标准选择合适的型号。
总之,作为中文知识类写作助理,我们需要熟悉法兰蝶阀的国标型号、结构特点和应用场景,才能为读者提供准确、全面的信息。
日标蝶阀一、产品[日标蝶阀 ]的详细资料:产品名称:日标蝶阀产品特点:D3/7/43H-10K系列日标对夹式,法兰式三偏心硬密封蝶阀,三偏心硬密封蝶阀日标蝶阀的详细资料:D3/7/43H-10K系列日标对夹式,法兰式三偏心硬密封蝶阀,三偏心硬密封蝶阀二、用途及特点:D373H-10K、20K和D343H-10K、20K系列蝶阀的主要结构特征为对夹式和法兰式三偏心密封形式,阀座密封圈采用弹性密封和软硬兼容的多层次密封两种结构,其密封性能可靠,确保开启时蝶板不接触密封座,消除了密封座不均匀负载,延长了使用寿命,确保可靠的密封性能,具有耐高温、耐磨损、耐腐蚀等特点。
广泛应用于石油、化工及工业环保水处理、高层建筑,给排水等管道上。
三、采用标准:设计标准:API1609-83法兰连接尺寸:JIS B2212 ??JIS B2213 ??JIS B2214结构长度:JIS B2002-1987压力试验:JIS B2003-1987驱动形式手柄、蜗轮、气动、电动等四、主要技术参数:公称通径DN(mm)830W 830L2〞~36〞2〞~36〞公称压力PN(MPa) 10K 20K试验压力强度试验 1.5 3.0密封试验 1.1 2.2 适用介质水、蒸汽、油品、海水等适用温度-29℃~425℃五、主要零件的材质:零件名称材料阀体WCB、304、316、316SS、CF8M蝶板WCB、304、316、316SS、CF8M阀杆316、2Cr13、1Cr18Ni9Ti密封圈316、氟塑料填料柔性石墨、氟塑料六、日标蝶阀D373H-10K、20K系列:公称通径结构长度(标准值)外形尺寸(参考值)连接尺寸(标准值)HD373H D673H D973H 10K 20K毫米英寸L H1 A1 B1 H2 A2 B2 H3 A3 B3 D1 Z-d D1 Z-d 50 2 43 112 350 180 200 625 245 72 530 250 255 120 4-19 120 8-19 65 21/2 46 115 370 180 200 625 245 72 530 250 255 140 4-19 140 8-19 80 3 49 120 380 180 200 645 245 72 565 250 255 150 8-19 160 8-23 100 4 56 138 420 180 200 675 355 92 600 250 255 175 8-19 185 8-23125 5 64 164 460 180 200 715 355 92 640 250 255 210 8-23 225 8-25 150 6 70 175 555 270 280 800 355 92 705 300 315 240 8-23 260 12-25 200 8 70 208 605 270 280 850 250 170 775 300 315 290 12-33 305 12-25 250 10 76 243 680 270 280 925 250 170 945 300 315 355 12-25 380 12-27 300 12 83 283 800 380 420 1035 450 220 1070 300 315 400 16-25 430 16-27 350 14 92 310 835 380 420 1070 450 220 1140 300 315 445 16-25 480 16-33 400 16 102 340 915 450 470 1190 450 220 1210 300 315 510 16-27 540 16-33 450 18 114 380 960 480 490 1250 650 280 1335 575 714 565 20-27 605 20-33 500 20 127 410 1020 480 490 1290 650 280 1415 575 714 620 20-27 660 20-33 600 24 154 470 1225 480 490 1455 850 380 1605 656 810 730 24-33 770 24-39 700 28 165 550 1355 640 660 1585 850 380 1844 656 810 840 24-33 900 24-48 800 32 190 640 1470 640 660 1700 1250 380 2040 656 810 950 28-33 1030 24-56 900 36 203 710 1545 750 860 1965 1250 380 2255 785 863 1050 28-33 1140 28-56 1000 40 216 770 1795 850 900 2015 1250 380 2380 785 863 1160 28-391200 48 254 890 1965 850 900 2250 1250 380 2640 785 863 1380 32-39七、日标蝶阀日标D343H-10K、20K系列:公称通径结构长度(标准值)外形尺寸(参考值)连接尺寸(标准值)LHD373H D673H D973H 10K 20K毫米英寸短长H1 A1 B1 H2 A2 B2 H3 A3 B3 D D1 Z-d D D1 Z-d 50 2 108 150 112 350 180 200 605 245 72 530 250 255 155 120 4-1965 2 1/2 112 170 115 370 180 200 625 245 72 530 250 255 175 140 4-19 155 120 8-19 80 3 114 180 120 380 180 200 645 245 72 565 250 255 185 150 8-19 175 140 8-19 100 4 127 190 138 420 180 200 675 355 92 600 250 255 210 175 8-19 200 160 8-23 125 5 140 200 164 460 180 200 715 355 92 640 250 255 250 210 8-23 225 185 8-23 150 6 140 210 175 555 270 280 800 355 92 705 300 315 280 240 8-23 270 225 8-25 200 8 152 230 208 605 270 280 850 250 170 775 300 315 330 290 12-23 305 270 12-25 250 10 165 250 243 680 270 280 925 250 170 945 300 315 400 355 12-25 350 305 12-25 300 12 178 270 283 800 380 420 1035 450 220 1070 300 315 445 400 16-25 430 350 12-27 350 14 190 290 310 835 380 420 1070 450 220 1140 300 315 490 445 16-25 480 430 16-27 400 16 216 310 340 915 450 470 1190 450 220 1210 300 315 560 510 16-27 540 480 16-33 450 18 222 330 380 960 480 490 1250 650 280 1335 575 714 620 565 20-27 605 540 16-33 500 20 229 350 410 1020 480 490 1290 650 280 1415 575 714 675 620 20-27 675 605 20-33 600 24 267 390 470 1225 480 490 1455 850 380 1605 656 810 795 730 24-33 730 660 20-33 700 28 292 430 550 1355 640 660 1585 850 380 1844 656 810 905 840 24-33 845 770 24-39800 32 318 470 640 1470 640 660 1700 1250 380 2040 656 810 1020 950 28-33 995 900 24-48 900 36 330 510 710 1545 750 860 1865 1250 380 2255 785 863 1120 1050 28-33 1140 1030 24-56 1000 40 410 550 770 1795 850 900 2015 1500 580 2380 785 863 1235 1160 28-39 1250 1140 28-56 1200 48 ,470630 890 1965 850 900 2226 1500 580 2640 785 863 1465 1380 32-39订货须知:一、①日标蝶阀产品名称与型号②日标蝶阀口径③日标蝶阀是否带附件二、若已经由设计单位选定公司的日标蝶阀型号,请按日标蝶阀型号三、当使用的场合非常重要或环境比较复杂时,请您尽量提供设计图纸和详细参数,相关产品:电动伸缩蝶阀电动二通球阀气动对夹蝶阀气动法兰式伸缩蝶阀气动对夹式硬密封蝶阀蝶阀系列价格供用户或设计院工程项目做预算编号型号法兰硬密封蝶阀D343H多层次10C 16C 25C 10P 16P 16R1 DN50 525 360 390 960 1320 16202 DN65 645 412.5 465 1125 1500 18003 DN80 780 495 540 1425 1785 23704 DN100 930 585 645 1650 2250 27005 DN125 1260 780 1410 2250 3060 34506 DN150 1590 975 1815 2775 3975 40507 DN200 2190 1335 2490 3900 5400 61508 DN250 2760 2865 3510 5355 7560 88509 DN300 3840 3975 4920 6600 10665 1140010 DN350 5070 5250 6210 8250 14175 2100011 DN400 6210 6420 7560 12450 18900 2550012 DN450 7530 7800 9375 13800 25650 3364513 DN500 9450 9795 11445 16500 29160 4140014 DN600 13500 13875 16605 19500 38610 6642015 DN700 16740 17760 20610 35850 57510 8358016 DN800 21060 22140 27000 52500 87210 10092017 DN900 26790 28080 33750 63000 104700 13887018 DN1000 37260 39345 50490 81000 106920 18285019 DN1200 55965 58995 7425020 DN1400 68310 71880 6300021 DN1600 92100 97605 76500编号型号气动硬密封蝶阀气动硬密封蝶阀电动硬密封蝶阀D643H-16C D673H-16C D941H-16C D971H-16C22 DN50 1305 1275 3240 316523 DN65 1395 1327.5 3330 321024 DN80 1620 1575 3435 333025 DN100 1800 1650 3675 348026 DN125 2250 2100 3945 373527 DN150 **** **** 4515 421528 DN200 3450 3150 6345 586529 DN250 4950 4425 7020 621030 DN300 7200 6750 8640 751531 DN350 8100 7455 9885 846032 DN400 12600 11880 11070 940533 DN450 13350 12300 12450 1093534 DN500 19200 17850 14445 1201535 DN600 23100 21000 19845 1647036 DN700 38400 31200 24030 2092537 DN800 43500 30510 2727038 DN900 58500 37800 3240039 DN1000 75000 49950 4050040 DN1200 71145 5724041 DN1400 86670 6150042 DN1600 111240 85950编号型号对夹硬密封蝶阀D373H对焊蝶阀D363H16C 16P 16C 16P43 DN50 585 915 510 117044 DN65 510 1140 570 139545 DN80 630 1320 675 153046 DN100 690 1530 750 187547 DN125 960 2250 1005 247548 DN150 **** **** 1260 307549 DN200 1590 3780 1890 465050 DN250 2070 5355 2430 627051 DN300 2760 7650 3435 778552 DN350 3780 10665 4275 1050053 DN400 4590 14040 5535 1275054 DN450 6210 17955 7770 1680055 DN500 7350 21975 8640 2205056 DN600 10320 32940 11745 3030057 DN700 13395 44820 15930 3375058 DN800 19440 64800 21060 4800059 DN900 23445 66960 2841060 DN1000 30705 86400 3024061 DN1200 45045 121500 4644062 DN1400 39750 169950 5643063 DN1600 63000 267000编号型号手动硬密封蝶阀D73H伸缩DS341H通风蝶阀16C 16P 16C 16P D341W-1C D641W-1C D941W-1C64 DN50 405 885 675 1455 360 885 243065 DN65 465 1095 840 1740 375 930 249066 DN80 570 1275 1005 2175 420 1005 255067 DN100 630 1455 1200 2640 510 1125 262568 DN125 885 2160 1575 4140 810 1185 277569 DN150 **** **** 1965 4500 915 1305 297070 DN200 2760 6180 1350 1530 318071 DN250 3840 9150 1680 1800 352572 DN300 5190 10800 1980 2160 402073 DN350 6345 14250 2505 2940 450074 DN400 8190 19050 3030 3720 480075 DN450 9990 25800 3570 4050 547.576 DN500 12420 27000 3870 6780 577577 DN600 16740 35100 4755 6000 712578 DN700 19845 46500 6840 7275 900079 DN800 23955 57000 8265 8700 976580 DN900 33750 88500 10125 10350 1072581 DN1000 46710 114750 11535 12375 1222582 DN1200 69660 169500 16635 16200 1812083 DN1400 84780 256500 19575 21150 2325084 DN1600 113400 361200 23280 24300 25800D371X-10C D71X-10Q公称通径DN 出厂价(元)公称通径DN出厂价(元)50 217.5 50 135 65 232.5 65 150 80 285 80 180 100 330 100 255 125 420 125 315 150 495 150 390 200 660 200 510 250 825 250300 1170 300350 1800 350400 2520 400450 3225 450500 3825 500600 5100 600700 7200 700800 10050 800900 13125 900D371X-10 D71X-10公称通径DN 出厂价(元)公称通径DN出厂价(元)50 172.5 50 82.5 65 195 65 97.5 80 217.5 80 120 100 255 100 142.5 125 300 125 195 150 345 150 225 200 495 200 375 250 660 250 525 300 870 300350 1230 350400 2025 400450 2520 450500 3150 500600 4350 600700 6300 700800 8700 800900 11250 900D371XP-10 D71XP-10公称通径DN 出厂价(元)公称通径DN出厂价(元)50 202.5 50 135 65 240 65 172.5 80 277.5 80 202.5 100 345 100 255 125 450 125 345 150 555 150 435 200 840 200 675 250 1125 250300 1650 300350 2250 350400 3300 400450 4725 450500 5550 500600 8700 600700 700800 800900 900D371X-10P D71X-10P公称通径DN 出厂价(元)公称通径DN出厂价(元)50 390 50 345 65 450 65 390 80 525 80 480 100 630 100 585 125 825 125 750 150 975 150 900 200 1500 200 1275 250 1950 250300 3000 300350 4350 350400 5700 400450 7425 450500 9300 500600 14400 600700 700800 800900 900D971X-10 D671X-10公称通径DN 出厂价(元)公称通径DN出厂价(元)50 2475 50 705 65 2557.5 65 742.5 80 2640 80 990 100 2722.5 100 1035 125 2805 125 1215 150 2887.5 150 1290 200 3270 200 1897.5250 4260 250 2535300 4785 300 3015350 5280 350 3382.5400 5445 400 5032.5450 6105 450 5280500 6765 500 6600600 8745 600 8415700 10395 700800 13200 800900 15015 900D371XP-10Q D71XP-10Q公称通径DN 出厂价(元)公称通径DN出厂价(元)50 315 50 180 65 330 65 225 80 375 80 255 100 487.5 100 360 125 600 125 510 150 780 150 645 200 1275 200 885 250 1365 250300 2025 300350 3217.5 350400 4665 400450 6720 450500 7837.5 500600 13335 600700 700800 800900 900D371F-10P D71F-10P公称通径DN 出厂价(元)公称通径DN出厂价(元)50 525 50 420 65 600 65 48080 810 80 555100 900 100 720125 1170 125 975150 1365 150 1155200 2100 200 1785250 3052.5 250300 4725 300350 6765 350400 8745 400450 450500 500600 600700 700800 800900 900D371F-10C D71F-10C公称通径DN 出厂价(元)公称通径DN出厂价(元)50 345 50 247.5 65 390 65 285 80 615 80 487.5 100 735 100 577.5 125 870 125 720 150 975 150 855 200 1620 200 1365 250 2520 250300 3195 300350 6022.5 350400 7215 400450 10110 450500 12540 500600 600700 700800 800900 900D341F-10C D41F-10C公称通径DN 出厂价(元)公称通径DN出厂价(元)50 420 50 34565 510 65 40580 570 80 450100 630 100 525125 750 125 675150 975 150 900200 1275 200 1200250 1800 250300 2250 300350 2700 350400 3600 400450 4200 450500 5250 500600 6900 600700 10050 700800 13200 800900 16800 9001000 21900 10001200 32250 12001400 46500 14001600 65250 1600D341F-10 D41F-10公称通径DN 出厂价(元)公称通径DN出厂价(元)50 315 50 270 65 375 65 300 80 435 80 390 100 495 100 420 125 645 125 525 150 780 150 675 200 1080 200 900 250 1350 250300 1725 300350 2175 350400 3150 400450 3600 450 500 4125 500 600 5475 600 700 7800 700 800 10800 800 900 13050 900 1000 16200 1000 1200 25050 1200 1400 38400 1400 1600 59400 1600DF504B D341X-10Q/C公称通径DN 出厂价(元)公称通径DN出厂价(元)50 50 48065 65 51080 80 570100 585 100 630125 765 125 810150 930 150 1020200 1290 200 1350250 1890 250 1950300 2340 300 2280350 3150 350 2970400 3780 400 3960450 4680 450 4867.5500 5580 500 5775600 7200 600 8002.5700 10440 700 10560800 13110 800 13530900 16350 900 174901000 21555 1000 219451200 34155 1200 381151400 53475 1400 542851600 51150 1600 84150D341X-10Q/C D341X-10公称通径DN 出厂价(元)公称通径DN出厂价(元)50 675 50 540 65 750 65 585 80 825 80 630 100 900 100 690 125 1050 125 795 150 1320 150 975 200 1875 200 1500 250 2550 250 2025 300 3450 300 2400 350 4350 350 3225 400 5400 400 4050 450 6150 450 4800 500 7800 500 5850 600 10200 600 7050 700 13500 700 10350 800 18000 800 13950 900 23100 900 18450 1000 27300 1000 22200 1200 42000 1200 32700 1400 57450 1400 45750 1600 84000 1600 68700D941X-10 JRBGHX10/16公称通径DN 出厂价(元)公称通径DN出厂价(元)50 2392.5 50 60065 2580 65 637.580 2722.5 80 712.5 100 2887.5 100 787.5 125 3052.5 125 1012.5 150 3135 150 1275 200 3547.5 200 1687.5 250 4950 250 2437.5 300 5032.5 300 2850350 5775 350 3712.5400 6600 400 4950450 7342.5 450 6090500 8085 500 7222.5600 10395 600 10005700 13530 700 13200800 16470 800 16912.5900 21120 900 21862.51000 24420 1000 274351200 35970 1200 47647.51400 48345 1400 678601600 73425 1600 105187.5型号F50DH F500G F500DH F500G ZFVD备注/ 规格防结露防结露防结露防结露气动手柄蝶阀蜗轮蝶阀手柄蝶阀蜗轮蝶阔耐磨304板铝合金体304板铝合金体316板氟胶铝合金体318板氟胶铝台金体专用粉尘蝶阀DN15DN20DN25 150DN32 150DN40 172.5 375DN50 225 282 469.5 507DN65 262.5 337.5 582 619.5DN80 300 375 675 712.5DN100 412.5 432 937.5 957 2160 DN125 637.5 675 1500 1537.5 0 DN150 787.5 825 1687.5 1875 2250 DN200 1312.5 2625 2340 DN250 2437.5 4500 2460 DN300 3375 6187.5 2535型号D71X- D71×一D71X- 071×一D71X- 10ZB1 10081 10CB1 10ZB7 10087备注/ 规格 对夹蝶阀 普通轴 球墨板 铸铁体 对夹蝶阀普通轴 球墨板球墨体 对夹蝶阀 普通轴 球墨板 铸钢体 对夹蝶阀 普通轴 304板 铸钢体 对夹蝶阀 普通轴 304板 球墨体 DN5052.5 75 90 75 82.5 DN65 67.5 82.5 105 90 97.5 DN80 84 90 120 97.5 112.5 DN100 105 127.5 157.5 142.5 157.5 DN125 130.5 180 225 202.5 217.5 DN150157.5202.5255255277.5型号D71X- D71X- D71X- D71X- D71F- D71F- D71F- D71F- D71F- 10CB7 10ZB5 10QB5 10CB5 10ZB1 10081 10CB1 10ZB7 10087备注/规格对夹蝶阀 普通轴 304板 铸钢体 对夹蝶阀 普通轴 316板 铸铁体 对夹蝶阀 普通轴 316板 球墨体 对夹蝶阀 普通轴 316板 铸钢体 四氟对夹蝶阀 普通轴 球墨板 铸铁体 四氟对夹蝶阀 普通轴 球墨板 球墨体 四氟对夹蝶阀 普通轴 球墨板 铸钢体 四氟对夹蝶阀 普通轴 304板 铸铁体四氟对夹蝶阀普通轴 304板 球墨体DN50 97.5 82.5 90 112.5 97.5 105 112.5 105 112.5 DN65 120 97.5 105 127.5 112.5 127.5 142.5 127.5 135 DN80 135 112.5 120 150 127.5 142.5 165 150 157.5 DN100 187.5 165 180 210 172.5 180 210 195 210 DN125 262.5 240 255 307.5 232.5 255 300 277.5 292.5 DN150 330 322.5 345 397.5 277.5 292.5 345 352.5 375型号D71F- D71F-D71F- D71F-D71X-10CB7 10ZB5 10085 10CB5 10PB7 备注/规格四氟对夹 蝶阀 普通轴 304板 球墨体 四氟对夹蝶阀普通轴316板 铸铁体四氟对夹蝶阀 普通轴 316板 球墨体 四氟对夹蝶阀 416轴 316板 铸钢体 全不锈钢 416轴 316板 316体 DN50 120 112.5 120 135 195 DN65 157.5 135142.5 165240DN80 180 157.5 165 195 262.5 DN100 240 225 232.5 262.5 397.5 DN125 337.5 315 330 382.5 525 DN150 427.5 420 442.5 495 652.5型号D71X- D71F- D71F- D7LIX- D7LIX- D7LIX- D7LIX- D7LIX- D7LIX- 10RB5 10PB7 10RB5 10ZB1 10081 10ZB7 10QB7 10ZB5 10085备注/ 规格全不锈钢416轴304板304体四氟蝶阀416轴316板316体单夹/凸耳蝶阀普通轴球墨板铸铁体单夹/凸耳蝶阀普通轴球墨板球墨体单夹/凸耳蝶阀普通轴304板球墨体单夹/凸耳蝶阀普通轴316板铸铁体单夹/凸耳蝶阀普通轴315板球墨体单夹/凸耳蝶阀普通轴316板球墨体单夹/凸耳蝶阀普通轴316板球墨体DN50 232.5 217.5 262.5 105 120 112.5 127.5 120 135 DN65 285 270 322.5 127.5 142.5 142.5 157.5 150 165 DN80 330 307.5 367.5 142.5 157.5 165 180 172.5 187.5 DN100 510 442.5 555 202.5 225 240 262.5 247.5 270 DN125 675 592.5 742.5 255 300 315 360 330 375 DN150 862.5 735 1027.5 307.5 352.5 405 457.5 435 487.5型号D41×一D41×一D41X-D41×一D41X- WD71X- WD71X- WD71X- 10ZB1 10081 10CB1 10ZB7 10087 10CB1 10ZB7 10087备注/ 规格法兰蝶阀普通轴球墨板铸铁体法兰蝶阀普通轴球墨板球墨体法兰蝶阀普通轴球墨板铸钢体法兰蝶阀普通轴304板铸铁体法兰蝶阀普通轴304板球墨体无销蝶阀普通轴球墨板铸钢体无销蝶阀416轴304板铸铁体无销蝶阀普通轴304板球墨体DN50 127.5 195 247.5 142.5 202.5 120 105 112.5 DN65 157.5 232.5 292.5 180 240 142.5 127.5 135 DN80 187.5 270 360 210 285 165 142.5 150 DN100 225 330 435 270 367.5 217.5 195 210 DN125 307.5 442.5 607.5 375 502.5 292.5 277.5 300DN150 367.5 555 667.5 472.5 660 337.5 360 390型号D41X- D41X- D41X- D41X- WD71X- WD71X- WD71X- WD71X- WD71X- 10CB7 10ZB5 10085 10CB5 10ZB1 10QB1 10CB1 10ZB7 10087备注/规格法兰蝶阀 普通轴 304板 铸钢体 法兰蝶阀 普通轴 316板 铸铁体 法兰蝶阀 普通轴 316板 球墨体 法兰蝶阀 普通轴 316板 铸钢体 无销蝶阀 416轴 球墨板 铸铁体 无销蝶阀 普通轴 球墨板 球墨体 无销蝶阀 普通轴 球墨板 铸钢体 无销蝶阀 416轴 304板 铸铁体 无销蝶阀普通轴304板 球墨体 DN50 255150210270 97.5105120105112.5 DN65 307.5 187.5 247.5 315 105 120 142.5 127.5 135 DN80 382.5 217.5 292.5 390 120135165 142.5150 DN100 472.5 285 375 487.5 157.5 172.5 217.5 195 210 DN125 667.5 390525 682.5 210 232.5 292.5 277.5300 DN150 765 502.5 690795 247.5 270 337.5 360390型号WD71X- WD71X- WD71X- WD71X- WD71F- WD71F- WD71F- WD71X-10CB7 10ZB5 10QB5 10CB5 10ZB1 10085 10C85 10Z/N备注/ 规格无销蝶阀 无销蝶阔 无销蝶阀 无销蝶阀 无销蝶阀 无销蝶阗 无销蝶阀 脱硫蝶阀416轴 416轴 416轴 416轴 416轴 416轴 416轴 416轴304板 316板 316板 316板 球墨板 316板 316板 尼龙扳铸钢体 铸铁体 球墨体 铸钢体 铸铁体 球墨体 铸钢体 铸铁体 DN50 135 112.5 120 142.5 127.5 150 172.5 112.5 DN65 157.5 135 142.5 165 165 195 217.5 127.5 DN80 187.5 150 157.5 195 195232.5 262.5142.5 DN100 255210225 262.5 247.5 307.5 352.5187.5 DN125 352.5 292.5 322.5 375315435 487.5 255 DN150 450 397.5 420 487.5 382.5555630315型号WD71F- WD71F- WD71F- WD71F- WD71F- WD71F- 10081 10CB1 10ZB7 10087 10CB7 10ZB5备注/ 规格无销蝶阀 无销蝶阀 无销蝶阀 无销蝶阀 无销蝶阀 无销蝶润 416轴 416轴 416轴 416轴 416轴 416轴球墨板 球墨板 304板 304板 304板 316板球墨体 铸钢体 铸铁体 球墨体 铸钢体 铸铁体 DN50 135 157.5 135 142.5 165 142.5 DN65 172.5 195180 187.5 210 187.5DN80 202.5 232.5 217.5 225 255225DN100 255 300285300 337.5 300DN125 345 405 382.5 405 465405DN150 420480495525585 532.5型号WD71×一WD71X- WD71J- WD71J- WD71J- WD41J- WD41J- WD41J- 10Q/N 10C/N 10Z/J 100/J 10C/J 10Z/J 100/J 10C/J备注/ 规格脱硫蝶阀 脱硫蝶阀 脱硫蝶阀 脱硫蝶闽 脱硫蝶闽脱硫法兰 蝶阀 脱硫法兰蝶润脱硫法兰蝶润416轴 416轴 416轴 416轴 416轴 416轴 418轴 416轴 尼龙板 尼龙板 衬胶板 衬胶板 衬胶板 衬胶板 衬胶板 衬胶板球墨体 铸钢体 铸铁体 球墨体 铸钢体 铸铁体 球墨体 铸钢体 DN50 120 135 112.5 120 142.5 172.5 240 300 DN65 1351.5135 142.5180 225 292.5 360 DN80 150 187.5 150165195 255345442.5 DN100 202.5 255 202.5 225 270337.5 435555DN125 277.5 352.5 270 307.5 375 450 577.5 757.5 DN150 330405 337.5 367.5 427.5540 727.5847.5型号WD71X- WD71X-WD71X-WD71X-WD71X- WD41J- WD41J- WD41J-100/2507 10C/2507 102/1.4529 10Q/14529 10C/1.4529 10Z/J 100/J 10C/J备注/ 规格脱硫蝶阀 脱硫蝶阀 脱硫蝶阀 脱硫蝶闽 脱硫蝶阀 脱硫法兰 蝶阀 脱硫法兰 蝶润 脱硫法兰蝶润 416轴 416轴 416轴 416轴 416轴 416轴 418轴 416轴 2507板 2507板 14529板 14529板 1,4529板 衬胶板 衬胶板 衬胶板球墨体 铸钢体 铸铁体 球墨体 铸钢体 铸铁体 球墨体 铸钢体 DN50 150 172.5 180 187.5 202.5 172.5 240300DN65180210 225 232.5 262.5 225 292.5 360 DN80 202.5 240 255 262.5 292.5 255345 442.5DN100 315 352.5 420 427.5 472.5 337.5 435555DN125 465 525 645 667.5 720 450 577.5 757.5 DN150 600660862.5885952.5540 727.5 847.5型号WD41X- WD41X- WD41X- WD41X-WD41X-WD41X-102/2507 100/2507 10C/2507102/1.452910CVl.4529 10C/1.4529备注/规格脱硫法兰 蝶阀 脱硫法兰 蝶阀 脱硫法兰 蝶阀 脱硫法兰蝶阀 脱硫法兰 蝶阀 脱硫法兰 蝶阀 416轴 416轴416轴416轴416轴416轴2507板 2507板 2507板1.4529板1.4529板 1.4529板 铸铁体 球墨体 铸钢体 铸铁体球墨体铸钢体DN50 202.5 270 330 232.5 300 360 DN65 255 330 397.5 300 375 450 DN80 292.5 375 480 345 435 540 DN100 412.5 517.5 637.5 525 637.5 750 DN125 592.5 735 915 787.5 937.5 1117.5 DN150 750 960 1080 1035 1215 1365型号D371X- D371X- D371X- D371X- D371X- D371F- D371F- D371F- lOZBt 10QB1 10CB1 10ZB7 10087 10QB1 10CB1 10ZB7备注/ 规格蜗轮蝶阗蜗轮蝶阀蜗轮蝶阀蜗轮蝶阀蜗轮蝶稠四氟蜗轮蝶阀四氟蜗轮蝶阀四氟蜗轮蝶阀普通轴普通轴普通轴普通轴普通轴普通轴普通轴普通轴球墨板球墨板球墨板 304板304板球墨板球墨板304板铸铁体球墨体铸钢体铸铁体球墨体球墨体铸钢体铸铁体50 135 142.5 157.5 142.5 150 172.5 187.5 172.5 65 142.5 150 180 157.5 165 210 225 210 80 150 180 195 172.5 180 225 255 240 100 180 195 240 225 240 277.5 315 300 125 225 247.5 300 285 315 345 405 382.5 150 255 277.5 345 360 390 420 465 480 200 420 442.5 540 600 630 630 720 787.5 250 562.5 615 765 900 945 900 1050 1185 300 780 847.5 1050 1395 1395 1320 1515 1875 350 960 1035 1215 1755 1755 1770 1950 2505 400 2175 2265 2775 3345 3345 3135 3540 4215 450 2685 2910 3105 4485 4485 4950 5025 6375 500 3090 3450 3825 5655 5655 6675 6870 8865 600 5325 6270 6720 9735 9735 12585 12870 16050 700 8700 10980 11970 16800 16800 25800 26775 31650800 10380 14175 15225 22125 22125 31200 32250 39150 900 15750 19950 21300 29550 295501000 18750 26100 28425 37800 378001200 29880 41100 46515 64275 64275型号D371X- D371X- XD371X- D371F- D371F- D371F- D371F- 10QB5 10CB5 10ZB1 10ZB1 10QB1 10CB1 10ZB7备注/ 规格蜗轮蝶阀蜗轮蝶阀信号蝶阀四氟蜗轮蝶阀四氟蜗轮蝶阀四氟蜗轮蝶阀四氟蜗轮蝶阀普通轴普通轴普通轴普通轴普通轴普通轴普通轴316板316板球墨板球墨板球墨板球墨板304板球墨体铸钢体铸铁体铸铁体球墨体铸钢体铸铁体50 157.5 172.5 157.5 165 172.5 187.5 172.5 65 172.5 210 172.5 195 210 225 210 80 195 225 180 217.5 225 255 240 100 255 285 210 262.5 277.5 315 300 125 330 375 255 330 345 405 382.5 150 420 480 277.5 375 420 465 480 200 690 780 540 600 630 720 787.5 250 1050 1200 645 855 900 1050 1185 300 1575 1770 870 1320 1320 1515 1875 350 1995 2175 1050 1770 1770 1950 2505 400 3690 4095 3135 3135 3540 4215 450 4980 5070 4950 4950 5025 6375 500 6330 6525 6675 6675 6870 8865 600 10800 11070 12585 12585 12870 16050 700 18600 19620 25800 25800 26775 31650 800 24750 25800 31200 31200 32250 39150 900 32700 333001000 41700 486001200 71850 72150型号D371F- D371F- D371F- D371F- D371X- D37LIX- D37LIX- D37LIX- 10CB7 10ZB5 10QB5 10CB5 10PB7 10ZB7 10QB7 10CB7备注/规腰氟四氟四氟四氟全不锈钢单夹/凸耳单夹/凸耳单夹/凸耳格蜗轮蝶阀蜗轮蝶闽蜗轮蝶阀蜗轮蝶阀蜗轮蝶阀蜗轮蝶阀蜗轮蝶阀蜗轮蝶阀普通轴普通轴普通轴普通轴 416轴普通轴普通轴普通轴304板 316板316板球318板304板304板316板316扳铸钢体铸铁体墨体铸钢体 304体球墨体铸铁体球墨体50 195 180 187.5 202.5 270 195 187.5 202.5 65 240 217.5 232.5 247.5 300 225 217.5 232.5 80 277.5 247.5 262.5 285 337.5 240 232.5 247.5 100 360 315 330 375 495 322.5 307.5 330 125 465 405 420 480 630 420 390 435 150 570 510 540 600 780 525 495 555 200 915 840 870 960 1260 825 825 870 250 1380 1290 1335 1485 1890 1215 1245 1320 300 2070 2025 2025 2227.5 2700 1800 1845 1965 350 2670 2730 2730 2925 3120 2400 2445 2625 400 4635 4575 4575 5025 5700 4125 4170 4500 450 6480 6870 6870 6975 7950 5580 5475 6120 500 9075 9525 9525 9720 10335 7440 7515 8175 600 16350 17250 17250 17700 21300 11325 11775 12375 700 32700 33750 33750 34500 31800800 40200 41850 41850 43200 41250900 487501000 642001200 96750型号D371F- D371F- D371F- D371F- D371X- D37LIX- D37LIX- D37LIX- 10CB7 10ZB5 10QB5 10CB5 10PB7 10ZB7 10QB7 10CB7备注/规格腰氟四氟四氟四氟全不锈钢单夹/凸耳单夹/凸耳单夹/凸耳蜗轮蝶阀蜗轮蝶闽蜗轮蝶阀蜗轮蝶阀蜗轮蝶阀蜗轮蝶阀蜗轮蝶阀蜗轮蝶阀普通轴普通轴普通轴普通轴 416轴普通轴普通轴普通轴304板 316板316板球318板304板304板316板316扳铸钢体铸铁体墨体铸钢体 304体球墨体铸铁体球墨体50 195 180 187.5 202.5 270 195 187.5 202.5 65 240 217.5 232.5 247.5 300 225 217.5 232.580 277.5 247.5 262.5 285 337.5 240 232.5 247.5 100 360 315 330 375 495 322.5 307.5 330 125 465 405 420 480 630 420 390 435 150 570 510 540 600 780 525 495 555 200 915 840 870 960 1260 825 825 870 250 1380 1290 1335 1485 1890 1215 1245 1320 300 2070 2025 2025 2227.5 2700 1800 1845 1965 350 2670 2730 2730 2925 3120 2400 2445 2625 400 4635 4575 4575 5025 5700 4125 4170 4500 450 6480 6870 6870 6975 7950 5580 5475 6120 500 9075 9525 9525 9720 10335 7440 7515 8175 600 16350 17250 17250 17700 21300 11325 11775 12375 700 32700 33750 33750 34500 31800800 40200 41850 41850 43200 41250900 487501000 642001200 96750型号D371X- D371X- D37LIX- D37LIX- D37LIX- D37LIX- D37LIX- D37LIX- 10PB7 10RB5 10ZB1 10QB1 10CB1 10ZB7 10QB7 10CB7备注/规格四氟四氟单夹/凸耳单夹/凸耳单夹/凸耳单夹/凸耳单夹/凸耳单夹/凸耳蜗轮蝶阀蜗轮蝶阕蜗轮蝶阀蜗轮蝶阀蜗轮蝶阀蜗轮蝶阀蜗轮蝶阀蜗轮蝶阀416轴416轴普通轴普通轴普通轴普通轴普通轴普通轴304板316板球墨板球墨板304板304板316板316扳304tt 316体铸铁体球墨体铸铁体球墨体铸铁体球墨体50 292.5 330 165 180 180 195 187.5 202.5 65 352.5 405 195 210 210 225 217.5 232.5 80 405 450 210 225 225 240 232.5 247.5 100 585 645 270 285 300 322.5 307.5 330 125 735 840 315 360 375 420 390 435 150 900 1035 375 420 465 525 495 555 200 1440 1725 585 645 765 825 825 870 250 2175 2520 810 885 1140 1215 1245 1320 300 3150 3675 1140 1245 1725 1800 1845 1965 350 3870 4485 1485 1725 2220 2400 2445 2625 400 6570 7575 2925 3285 3825 4125 4170 4500450 9840 11670 3750 4065 5025 5580 5475 6120 500 13575 15870 4860 5310 6870 7440 7515 8175 600 27750 31800 7365 8250 10725 11325 11775 12375 700 46650 53250800 58275 6675090010001200型号D341X- D341X- D341X- D341X- D341X- WD371X- WD371X- WD371X- 10ZBl. 10QB1 10CB1 10ZB7 10Q87 10CB1 10ZB7 10087备注/规格蜗轮蜗轮蜗轮蜗轮蜗轮无销无销无销法兰蝶斓法兰蝶阔法兰蝶阀法兰蝶阀法兰蝶阀蜗轮蝶阀蜗轮蝶阀蜗轮蝶阀普通轴普通轴普通轴普通轴普通轴416轴416轴416轴球墨板球墨板球墨板 304板304板球墨板304板304板铸铁体球墨体铸钢体铸铁体球墨体铸钢体铸铁体球星体50 195 255 307.5 202.5 262.5 187.5 172.5 180 65 225 285 352.5 240 300 210 195 202.5 80 247.5 322.5 420 270 345 225 210 217.5 100 300 390 495 330 427.5 285 262.5 277.5 125 375 502.5 667.5 427.5 562.5 360 345 367.5 150 450 622.5 727.5 532.5 720 405 427.5 457.5 200 690 922.5 1155 855 1102.5 645 720 750 250 997.5 1290 1470 1290 1635 930 1087.5 1140 300 1275 1695 1920 1785 2220 1260 1665 1650 350 1650 2235 2670 2370 2970 1425 2370 2370 400 2955 3525 3720 4020 4470 3420 4275 4275 450 3630 4170 4470 5220 5775 3975 5490 5490 500 4425 5010 5475 6525 7200 4935 7125 7125600 6570 7650 8520 9870 10725 8760 11220 11220 700 10080 10575 11925 16350 16350 14625 20475 20475 800 12675 13620 16575 21750 21750 18900 27000 27000 900 19200 19200 22050 28650 28650 35700 35700 1000 24075 24750 28245 36000 36000 46200 46200 1200 41925 42750 48450 66000 66000 75750 75750型号D341X- D341X- WD371X- WD371X- WD371X- WD371X- WD371X- 10Q85 10CB5 lOZBl 10QB1 10CB1 10ZB7 10087备注/规格蜗轮蜗轮无销无销无销无销无销法兰蝶阀法兰蝶橱蜗轮蝶阀蜗艳蝶阔蜗轮蝶阀蜗轮蝶阀蜗轮蝶阀普通轴普通轴416轴416轴416轴416轴416轴316板316板球墨板球墨扳球墨板304板304板球墨体铸钢体铸铁体球墨体铸钢体铸铁体球星体50 270 322.5 165 258.75 187.5 172.5 180 65 315 375 172.5 270 210 195 202.5 80 360 450 187.5 292.5 225 210 217.5 100 435 555 225 360 285 262.5 277.5 125 585 750 277.5 450 360 345 367.5 150 750 855 315 517.5 405 427.5 457.5 200 1155 1395 510 810 645 720 750 250 1725 1920 720 1147.5 930 1087.5 1140 300 2377.5 2625 1050 1575 1260 1665 1650 350 3225 3675 1230 1867.5 1425 2370 2370 400 4800 5025 2970 4455 3420 4275 4275 450 6270 6570 3765 5647.5 3975 5490 5490 500 8025 8325 4620 6930 4935 7125 7125 600 11730 12720 7920 11880 8760 11220 11220 700 18300 19575 13485 20227.5 14625 20475 20475 800 24750 27120 17700 26550 18900 27000 27000 900 32250 34650 35700 35700 1000 40200 48435 46200 46200 1200 74250 79350 75750 75750型号 WD371F- WD371F- WD371F- WD371F- WD371F- WD371J- WD371J-10ZB1 10Q81 10CB1 10ZB7 10CIB7 10Z/J 100/J备注/规格无销四氟无销四氟无销四氟无销四氟无销四氟脱硫脱硫蜗轮蝶阀蜗轮蝶闽蜗轮蝶阀蜗轮蝶阀蜗轮蝶阀蜗轮蝶阀蜗轮蝶阀416轴416轴416轴416轴416轴416轴416轴球墨板球墨板球墨板304板304板衬胶板衬胶板铸铁体球墨体铸钢体铸铁体球墨体铸铁体球墨体50 195 202.5 225 202.5 210 180 187.5 65 232.5 240 262.5 247.5 255 202.5 210 80 262.5 270 300 285 292.5 217.5 225 100 315 322.5 367.5 352.5 367.5 300 315 125 382.5 405 465 450 480 345 360 150 450 480 540 562.5 592.5 420 435 200 712.5 750 855 922.5 945 630 660 250 1027.5 1080 1245 1402.5 1455 870 907.5 300 1560 1560 1785 2175 2175 1237.5 1245 350 2070 2070 2250 3225 3225 1620 1620 400 3870 3870 4320 5220 5220 3720 3720 450 5925 5925 6000 7575 7575 4785 4785 500 8025 8025 8250 10635 10635 5835 5835 600 14775 14775 15015 18075 18075 9720 9720 700 29700 29700 30825 37200 37200 16470 16470 800 36000 36000 37500 46200 46200 20940 20940 90010001200型号WD371X- WD371X- WD371X- WD371X- WD371X- WD371J- WD371J- 10CV2507 10C/2507 10Z/1.4529 10Q/1.4529 10C/1.4529 10Z/J 100/J备注/规格脱硫脱硫脱硫脱硫脱硫脱硫脱硫蜗轮蝶阀蜗轮蝶阀蜗轮蝶阌蜗轮蝶阉蜗棼蝶阀蜗轮蝶阀蜗轮蝶阀416轴416轴416轴416轴416轴416轴416轴2507板2507板14529板14529板14529板衬胶板衬胶板球墨体铸钢体铸铁体球墨体铸钢体铸铁体球墨体50 217.5 240 247.5 255 270 180 187.5 65 247.5 277.5 292.5 300 330 202.5 210。
之樊仲川亿创作蝶阀启闭件是一个圆盘形的蝶板,在阀体内绕其自身的轴线旋转,从而达到启闭或调节的阀门叫蝶阀。
蝶阀全开到全关通常是小于900 ,蝶阀和蝶杆自己没有自锁有力,为了蝶板的定位,要在阀杆上加装蜗轮减速器。
采取蜗轮减速器,不但可以使蝶板具有自锁能力,使蝶板停止在任意位置上,还能改善阀门的操纵性能。
工业专用蝶阀的特点能耐高温,适用压力范围也较高,阀门公称通径大,阀体采取碳钢制造,阀板的密封圈采取金属环代替橡胶环。
大型高温蝶阀采取钢板焊接制造,主要用于高温介质的烟风道和煤气管道。
蝶阀的优点如下: 1、启闭方便迅速、省力、流体阻力小,可以经常操纵。
2、结构简单,体积小,重量轻。
3、可以运送泥浆,在管道口积存液体最少。
4、低压下,可以实现良好的密封。
5、调节性能好。
蝶阀的缺点如下: 1、使用压力和工作温度范围小。
2、密封性较差。
蝶阀按结构形式可分为偏置板式、垂直板式、斜板式和杠杆式。
按密封形式可分为较密封型和硬密封型两种。
软密封型一般采取橡胶环密封,硬密封型通常采取金属环密封。
按连接型式可分为法兰连接和对夹式连接;按传动方式可分为手动、齿轮传动、气动、液动和电动几种。
蝶阀的装置与维护应注意以下事项: 1、在装置时,阀瓣要停在关闭的位置上。
2、开启位置应按蝶板的旋转角度来确定。
3、带有旁通阀的蝶阀,开启前应先打开旁通阀。
4、应按制造厂的装置说明书进行装置,重量大的蝶阀,应设置牢固的基础。
气动蝶阀气动蝶阀是一种转角为90°的旋转类阀门,密封性能优良,流通能力大,结构简单,使用寿命长,便于维修。
配用的执行机构是GT型,BAW型,BA型执行机构,结构简单,紧凑,性能优,输出力矩大等特点。
气动蝶阀执行机构分单作用和双作用两种型号。
单作用式的独特优点是一旦动力源发生故障,蝶阀将按控制系统的要求自动处于开启或关闭的位置。
产品广泛应用于化工,石油,轻纺,电力,食品制药,制冷,造纸等工业领技术规范基本设计:GB/T 12238测试:GB/T 13927产品规格产品型号:D671X,D673X,D641X尺寸范围:DN50~DN600压力等级:1.6~1.6MPa壳体资料:碳钢、不锈钢、合金钢适用介质:气体、液体操纵方式:气动设计特色蝶板,阀杆,阀体,同心设计扭矩小可双向装置自清洁式阀座防吹出式阀杆ISO 5211 顶法兰可选加长式阀杆可提供对夹和法兰连接方式电动蝶阀电动蝶阀有开关型和调节型两种,采取一体化结构,接入220VAC 电源即可控制运转,也可加入控制模块,输入控制信号(4-20mADC 或1-5VDC)进行调节控制。
【关键字】说明书企业简介上海凯工阀门有限公司地处上海嘉定工业园区,公司占地面积439600平方米,是一家专业设计、制造和销售各种阀门的大型股份制企业。
公司拥有专业的阀门设计、制造工程技术人员,拥有各类机加工设备和试验装置。
公司已通过挪威船级社DNV ISO9001:2000质量管理体系认证、英国UKAS ISO14001环境管理体系认证和美国石油协会API 6D标准认证。
公司是中国通用机械阀门行业协会的会员单位,中石油、中海油、中石化的战略合作企业,化工装备定点生产企业,是中国城市燃气协会会员单位。
公司的产品有闸阀、截止阀、止回阀、蝶阀、球阀及高温炼化、炼油、炼焦、长输管线、油田、电站高压等阀门。
产品的公称压力从PN1.0~80MPa,公称通径DN15~2500mm;温度从-196℃~600℃。
产品采用的标准有GB、JB、API、ANSI、JIS、BS、DIN 等。
三偏心金属密封蝶阀系列是我公司主要产品,大量使用在冶金、轻工、电力、石油化工、煤气水道等领域。
上海凯工以“发掘尖端阀门技术,竭尽全力回报用户”作为企业的经营理念,以给用户提供优质产品和满意服务为己任,不断地进行自身变革,力争成为中国阀门行业的明珠企业。
一、特点及用途:该阀门采用三偏心金属密封结构,在室温或高温下均具有良好的密封性能,与同规格闸阀或截止阀相比,体积小,重量轻,启闭灵活,使用寿命长,广泛适用于冶金、轻工、电力、石油化工、煤气水道等领域,使用安全可靠,该阀门是现代化企业最理想的选择。
二、标准规范:D343H-16C/25 D373H-16C/25按照下列标准执行1.设计制造与检验按照JB/T8527-1997规定。
2.法兰连接尺寸按GB9113.3-88;GB9113.4-88的规定。
3.结构长度按GB12221-89的规定。
4.阀门压力试验按GB/T13927-92的规定。
D343H-150Lb D373H-150Lb按照下列标准执行1.设计制造与检验按照API 609规定。
D343H蜗轮法兰蝶阀重量表D343H蜗轮法兰蝶阀产品型D343H 号:产品报价:秦工生产的多层次硬密封蝶阀系列产品,系我公司新开发的长寿命、节能型蝶阀。
其结构采用三维偏产品特心原理设计,阀座采用硬软密封兼容的多层点: 次结构,加工精湛,工艺先进。
本产品由阀体、蝶板、多层次阀座、阀杆、传动机构等主要部件组成。
点击放大D343HD343H蜗轮法兰蝶阀的详细资料:概述;?产品结构多层次硬密封蝶阀系列产品,系我公司新开发的长寿命、节能型蝶阀。
其结构采用三维偏心原理设计,阀座采用硬软密封兼容的多层次结构,加工精湛,工艺先进。
本产品由阀体、蝶板、多层次阀座、阀杆、传动机构等主要部件组成。
?特点由于本产品蝶阀采用的是三维偏心原理设计,使密封面的空间运动轨迹达到理想化,密封面相互之间无磨擦、无干涉,加之密封材料选择得当,从而使蝶阀的密封性、耐腐蚀性、耐高温性和耐磨性等得到了可靠的保证。
其主要特点如下: 1、开启力矩小,灵活方便,省力节能:2、三维偏心结构,使蝶板越关越紧,其密封性能可靠,达到无泄漏:3、耐高压、耐腐蚀、耐磨损、使用寿命长等。
?主要技术参考数公称通径 DN(mm) 50-1600公称压力 PN(MPa) 1(O 0.6 1.6 2.5 4.0 试验压力强度试验 0.9 1.5 2.4 3.75 6.0 (MPa) 密封试验Seal test 0.66 1.1 1.76 2.75 4.4气密封试验Ai rTest 0.6 0.6 0.6 0.6 0.6 适用介质水、蒸气、油品、酸类腐蚀性等。
适用温度碳钢:-29,-425, 不锈钢:-40,-600,? 主要零件的材质零件名称材料阀体铸铁、铸钢、不锈钢、铬钼钢、合金钢蝶板铸钢、合金钢(镀硬铬)、不锈钢、铬钼钢阀座密封圈不锈钢、多层次、聚内脂、抗磨材料阀杆 2Crl3、1Crl3不锈钢、铬钼钢2Crl3,1Crl3填料柔性石墨Dd3/643/9/H/Y/F-2.5/6/10C.R.V系列法兰式多层次金属硬密封蝶阀结构长度连接尺寸(标准值) 公称通径DN (标准值) 参考重量 L PN0.25MPa PN0.6MPa PN1.0MPa 毫米英寸短长 D D1 Z-d D D1 Z-d D D1 Z-d 50 2 108 150 140 110 4-14 140 110 4-14 165 125 4-18 17 65 21/2 112 170 160 130 4-14 160 130 4-14 185 145 4-18 20 80 3 114 180 190 1504-18 190 150 4-18 200 160 8-18 23 100 4 127 190 210 170 4-18 210 170 4-18 220 180 8-18 25 125 5 140 200 240 200 8-18 240 200 8-18 250 210 8-18 40 150 6 140 210 265 225 8-18 265 225 8-18 285 240 8-22 47 200 8 152 230 320 280 8-18 320 280 8-18 340 295 8-22 60 250 10 165 250 375 335 12-18 375 335 12-18 395 350 12-22 95 300 12 178 270 440 395 12-22 440 395 12-22 445 400 12-22 124 350 14 190 290 490 445 12-22 490 445 12-22 505 460 16-22 181 400 16 216 310 450 495 16-22 540 495 16-22 565 515 16-26 260 450 18 222 330 595 550 16-22 595 550 16-22 615 565 20-26 338 500 20 229 350 645 600 16-22 645 600 16-22 670 620 20-26 360 600 24 267 390 755 705 20-26 755 705 20-26 780 725 20-30 540 700 28 292 430 860 810 24-26 860 810 24-26 895 840 24-30 580 800 32 318 470 975 920 24-30 975 920 24-30 1015 950 24-33 845 900 36 330 510 1075 1020 24-30 1075 1020 24-30 1115 1050 28-33 1050 1000 40 410 550 1175 1120 28-30 1175 1120 28-30 1230 1160 28-36 1500 1200 48 470 630 1375 1320 32-30 1405 1340 32-33 1455 1380 32-39 2000 1400 56 530 710 1575 1520 36-30 1630 1650 36-36 1675 1590 36-42 3000 1600 64 600 790 1785 1730 40-30 1830 1760 40-36 1915 1820 40-48 4700 1800 72 670 870 1985 1930 44-30 2045 1970 44-39 2115 2020 44-48 6500 2000 80 760 950 2185 2130 48-30 2265 2180 48-42 2325 2230 48-48 8700注:法兰标准GB/T9113.1-2000 GB/T911.5.1-2000 GB/T9113.,-2000GB/T9115.,-2000 用户注意:表中,1、H2、H3尺寸均可根据用户需要加长(长杆蝶阀),本产品一般按短系列,若需长系列或特殊材料定货时提出。
D343H法兰硬密封蝶阀
加工定制:是
品牌:耀一
型号:D343H
材质:WCB、CF8、CF3、CF8M、CF3M
连接形式:法兰
公称通径:DN50~1000
适用介质:水、蒸气、石油化工、腐蚀性介质等
压力环境:0.6~4.0MPa
工作温度:-29~425℃
流动方向:单向或双向
驱动方式:蜗轮传动
类型(通道位置):直通
标准:GB/T12238
密封形式:三偏心硬密封
一、D343H法兰硬密封蝶阀:
D343H法兰硬密封蝶阀为偏心金属密封结构,密封形式为金属对金属密封,可调换金属密封圈对金属密封,不锈钢板与石墨复合板密封圈对金属密封。
硬密封蝶阀的驱动形式除了电动之外还有:手动,蜗轮杆传动,气动等。
二、D343H法兰硬密封蝶阀的特点:
1.D343H法兰硬密封蝶阀阀座密封圈由软性T形密封环两侧多层不锈钢片组成。
2. 343H法兰硬密封蝶阀的阀板与阀座的密封面为斜圆锥结构,在阀板斜圆锥表面堆焊耐温、耐蚀合金材料;固定在调节环压板之间的弹簧与压板上调节螺栓装配一起的结构。
这种结构有效地补偿了轴套与阀体之间的公差带及阀杆在介质压力下的弹性变形,解决了阀门在双向互换的介质输送过程中存在的密封问题。
3.采用软性T型两侧多层不锈钢片组成密封圈,具有金属硬密封和软密封的双重优点,无论在低温和高温情况下,均具有零渗漏的密封性能。
试验证明池正流状态(介质流动方向与蝶板转动方向相同)时,密封面的压力是传动装置的力矩和介质压力对阀板的作用产生的。
正向介质压力增大时阀板斜圆锥表面与阀座密封面挤压越紧,密封效果越好。
当逆流状态时,阀板与阀座之间的密封靠驱动装置的力矩使阀板压向阀座。
随着反向介质压力的增大,阀板与阀座之间的单位正压力小于介质压强时,调节环的弹簧在受载后所储存的变形能补偿阀板与阀座密封面的紧压力起到自动补偿作用。
因此本实用新型不像现有的技术那样,在阀板上安装软硬多层密封圈,而是直接安装在阀体上,在压板和阀座中间增设调节环是十分理想的双向硬密封方式。
它将可取代闸阀、及球形阀。
三、产品执行标准:D343H法兰硬密封蝶阀的执行标准
设计规范结构长度连接法兰试验与检验产品规范
JB/T79-94;
GB/T13927 GB/T12238-1989 GB/T12221-89
GB/T9113.1
四、主要性能规范:D343H法兰硬密封蝶阀主要性能规范
公称压力 1.0 MP a 1.6 MPa 2.5 MPa 4.0 MPa
强度试验 1.1 MPa 2.4 MPa 3.75 MPa 6.0 MPa 水密封试验 1.5 MPa 1.76 MPa 2.75 MPa 4.4 MPa 五、主要零部件材料:D343H法兰硬密封蝶阀主要零部件材料
名称WCB类CF8类
阀体WCB CF8
蝶板WCB CF8
阀杆2Cr13 0Cr18Ni9Ti
阀座不锈钢304
密封圈不锈钢+石墨片304+石墨片
填料柔性石墨柔性石墨
六、产品结构图:D343H法兰硬密封蝶阀结构图
七、产品结构尺寸:D343H气动法兰硬密封蝶阀
1.0MPa 1.6MPa
DN L H1
D D1 Z-φd D D1 Z-φd
100 127 107 235 190 8-φ18 220 180 8-φ18 125 140 123 270 220 8-φ18 250 210 8-φ18 150 140 140 300 250 8-φ18 285 240 8-φ22 200 152 180 360 310 8-φ23 340 295 12-φ22 250 165 200 425 370 12-φ23 405 355 12-φ26 300 178 250 485 430 12-φ23 460 410 12-φ26 350 190 270 555 490 16-φ23 520 470 16-φ26 400 216 300 620 550 16-φ25 580 525 16-φ30 450 222 320 670 600 20-φ25 640 585 20-φ30 500 229 380 730 660 20-φ25 715 650 20-φ33 600 267 440 845 770 20-φ30 840 770 20-φ36 700 292 500 960 875 24-φ30 910 840 24-φ36 800 318 560 1085 990 24-φ34 1025 950 24-φ39 900 330 610 1185 1090 28-φ34 1125 1050 28-φ39 1000 410 660 1320 1210 28-φ36 1255 1170 28-φ42。