水利混凝土工程单元工程质量验收评定资料
- 格式:doc
- 大小:1.03 MB
- 文档页数:110
水利钢筋混凝土单元质量评定表水利工程施工中,水利钢筋混凝土单元质量是保障工程质量和安全的重要因素。
为了对水利工程中的水利钢筋混凝土单元质量进行科学、客观的评定,我国水利部制定了一套水利钢筋混凝土单元质量评定表,以便对水利工程质量进行评估和监督。
水利钢筋混凝土单元质量评定表是根据水利钢筋混凝土单元的设计要求、施工工艺、工程材料、质量控制等方面内容而编制的,用于评定水利钢筋混凝土单元的质量和是否符合设计要求。
通过对单元的各项指标进行评定,可以及时发现水利钢筋混凝土单元的质量问题,从而采取有效的措施进行整改和改进,保证水利工程的质量和安全。
水利钢筋混凝土单元质量评定表主要包括以下方面内容:1. 设计要求评定在水利钢筋混凝土单元质量评定表中,设计要求评定是首要的内容。
评定表会根据设计文件中对水利钢筋混凝土单元的要求,包括承载能力、变形、耐久性等方面的指标进行评定,检查单元是否满足设计要求。
2. 施工工艺评定水利钢筋混凝土单元的施工工艺是影响其质量的重要因素。
评定表会对施工工艺的执行情况进行评定,包括混凝土配合比及配制、浇筑加工、养护保养等方面的情况,以及是否符合相关标准和规范要求。
3. 工程材料评定水利钢筋混凝土单元的质量与所使用的材料密切相关,评定表会对混凝土、钢筋、模板、外加剂等材料的质量进行评定,检查材料是否符合国家标准和工程要求。
4. 质量控制评定水利工程施工中需要进行严格的质量控制,评定表会对水利钢筋混凝土单元施工过程中的质量控制措施进行评定,包括检测频次、检测手段、记录保存等方面的情况,保证施工过程中的质量控制符合要求。
通过以上方面的评定,水利钢筋混凝土单元的质量就可以得到科学、客观的评价,进而及时采取改进措施,保证水利工程的质量和安全。
水利钢筋混凝土单元质量评定表的制定和使用对提高水利工程施工质量具有重要意义。
我们应当认真贯彻执行国家有关标准和规范,严格按照评定表对水利钢筋混凝土单元进行评定,做好水利工程的质量控制,确保工程质量和安全,为国家的水利工程建设做出积极贡献。
水利工程验收所需全部资料第一篇:水利工程验收所需全部资料水利工程竣工验收资料编制顺序第一卷:竣工验收资料1、单位工程验收鉴定书2、单位工程质量评定表3、分部工程验收签证4、工程质量评定汇总表5、工程施工管理工作报告第二卷:竣工资料(施工管理资料)1、工程概况表2、承包单位概括、组织机构及人员资质3、施工组织设计及批复文件4、施工放样报验单及监理审查意见5、进出场设备申报单及监理审查意见6、施工人员进出场情况申报表及监理审查意见7、开工申请报告及开工令8、监理通知单及工作联系单9、施工过程中往来函件10、设计变更11、有关施工会议纪要12、工程质量事故调查及处理报告、重大缺陷处理预检查记录13、施工大事记14、施工日志、工序管理资料第三卷:质量保证资料1、单位工程施工质量检验资料核查表2、原材料进场签证单3、原材料出厂合格证4、原材料技术性能指标5、原材料自检报告及统计资料6、原材料监理见证取样单7、中间产品检测试验资料8、中间产品试件及统计资料9、配合比试验报告(混凝土)10、配合比试验报告(砂浆)11、土方碾压检测资料12、土方碾压监理见证取样单13、设备进场签证资料14、设备出厂合格证及有关技术文件15、基桩试验检测资料16、试运行资料17、重要隐蔽工程施工记录18、重要隐蔽工程验收签证单19、单位工程施工质量检验资料核查表第四卷:质量评定资料1、工程项目划分审批文件2、工程质量评定汇总表3、单位工程质量评定表4、外观质量检测表、评定表5、外部工程质量评定表6、单元工程质量评定表7、隐蔽工程质量评定表8、工程试运行期间观测资料9、其他质量评定表附录二施工单位工程建设资料目录第一册:综合资料1、招投标文件、中标通知书、技术交底、防台渡汛、施工技术方案、2、工程质量监督联系单及批复文本、设计联系单3、施工承包合同及协议书、单位工程开工申请、分部工程开工申请4、上报监理单位的文件5、会议纪要、与有关单位往来文件第二册:单元工程、分部工程质量评定资料,原材料质量保证书及检测资料、中间产品质量检测资料,砼试块测试及统计资料第三册:施工月报第四册:隐蔽工程(包括防渗工程)验收资料第五册:各分部工程验收报告第六册:工程施工联系单及月结算及支付签证单第七册:监理月报、施工日记第八册:验收资料1、竣工图纸2、施工结算审价(审查)报告3、综合工作报告施工部分工作报告有四个部分:一、工程质量评定资料;二、工程质量检测资料;三、施工技术管理资料;四、竣工验收资料。
目次1 总则2 术语3 基本规定4567891011附录B 碾压混凝土中间产品质量标准附录C 沥青和沥青混凝土质量标准附录D 单元工程施工质量验收评定表及工序质量验收评定表1 总则1.0.1为加强水利水电工程质量管理,统一混凝土工程单元工程的施工质量验收评定,保证工程质量,制定本标准。
1.0.2 本标准适用于大中型水利水电工程的混凝土工程单元工程的施工质量验收评定。
小型水利水电工程可参照执行。
1.0.3 混凝土工程的承包合同和工程技术文件对工程施工质量的要求不应低于本标准的2 术语2.0.1单元工程:是依据建筑物设计结构、施工部署和质量验收评定等因素,将建筑物划分成为若干个层、块、区、段。
每一层、块、区、段为一个单元工程。
2.0.2 重要单元工程:对工程安全、使用功能、公众利益和环保有重大影响的单元工程的统称。
包括关键部位单元工程和重要隐蔽单元工程等。
3 基本规定3.0.1 施工单位应建立、健全质量管理体系,严格质量控制:1制定完善的施工质量控制措施、质量检验制度及现场施工记录签认制度;2施工现场应有相应的施工措施、施工技术要求、图纸和施工作业的文字依据等;3.3.0.3 单元工程施工质量验收评定,应在其所包含的工序质量验收(或检验项目的检验)合格,以及相应施工实体质量检验合格的基础上进行。
3.0.4工序施工质量验收评定是在该工序中所包含检验项目的检验合格,以及施工过程中形成的各种记录完整的基础上进行。
工序中的检验项目分为主控项目和一般项目两类。
3.0.5 工序施工质量和单元工程质量等级均分为合格、优良两个等级。
3.0.6本标准所规定的各类检验项目的检验,应采用随机布点和监理工程师现场指定点位相结合的方式进行。
3.0.7 工序施工质量的验收评定1 施工单位自行评定合格后,报监理单位验收评定。
上道工序未经验收评定合格,2)复核工序所含施工质量检验项目是否符合本标准的要求;3)核查报验资料是否满足前款要求,资料是否真实、齐全、完整;4)签署验收评定意见,相关责任人履行相应的签认手续。
填表基本规定水利水电工程单元工程施工质量验收评定表(以下简称“验评表”)是检验与评定施工质量及工程验收的基础资料,是施工质量控制过程的真实反映,也是进行工程维修和事故处理的重要凭证。
工程竣工验收后,验评表作为档案资料长期保存。
1.单元工程(工序)施工质量验收评定应在熟练掌握《水利水电工程单元工程施工质量验收评定标准》(本书涉及SL631~SL634—2012)和有关工程施工规程规范及相关规定的基础上进行。
2.单元工程(工序)完工后,在规定时间内按现场检验结果及时、客观、真实地填写验评表。
3.现场检验应遵循随机布点与监理工程师现场指定区位相结合的原则,检验方法及数量应符合SL631~SL634标准和相关规定。
在布点检验之前应全面查看是否有明显不合格部位。
4.验评表与备查资料的制备规格采用国标标准A4(210mm×297mm)。
验评表一式四份,签字、复印后盖章;备查资料一式二份。
手签一份(原件)单独装订。
验评表应加盖单位公章或加盖该单位以文件形式授权报项目法人认可的现场派出机构的公章。
5.验评表中的检查(检测)记录可以使用黑色水笔手写,字迹应清晰工整;也可以使用激光打印机打印,输入内容的字体应与表格固有字体不同,以示区别,字号相同或相近,匀称为宜,表尾施工单位的自评意见、监理单位复核意见,包括签名、日期等,必须手写。
本书例表以斜体字表示必须手写的内容。
施工单位的三检资料和监理单位的现场检测资料应使用黑色水笔手写,字迹清晰工整。
6.应使用国家正式公布的简化汉字,不要使用繁体字。
应横排填写具体内容,可以根据版面的实际需要进行适当处理。
7.计算数值应符合《数值修约规则与极限数值的表示和判定》(GB/T8170)要求,数据使用阿拉伯数字,使用国家法定计量单位,并以规定的符号表示(如:MPa、m、m3、t…)。
数据与数据之间用逗号“,”隔开,小数点要用圆点“.”。
经计算得出的合格率用百分数表达,小数点后保留一位数,如为整数,则小数点后面加“0”,例如90.0%。
水利工程验收及归档规定根据《水利水电建设工程验收规程》(SL223-2008)、《水利水电工程施工质量检验与评定规程》(SL176-2007)的相关规定,结合我县实际情况,制订如下规定:一、分部工程验收1、按《水利水电工程施工质量检验与评定规程》(SL176-2007)第5.1.3条、第5.2.3条的质量评定标准,对分部工程质量进行评定。
分部工程质量评定表格参见附件一。
2、按《水利水电建设工程验收规程》(SL223-2008)第3章的要求,对分部工程质量进行验收。
分部工程验收的具体要求参见附件二。
二、合同工程完工验收按《水利水电建设工程验收规程》(SL223-2008)第5章的要求,对合同工程进行完工验收。
合同工程完工验收的具体要求参见附件三。
三、单位工程验收1、按《水利水电工程施工质量检验与评定规程》(SL176-2007)第5.1.4条、第5.2.4条的要求进行单位工程质量评定。
单位工程质量评定表格见附件四。
2、按《水利水电建设工程验收规程》(SL223-2008)第4章的要求,对单位工程进行验收。
单位工程验收的具体要求参见附件五。
四、验收应提供的资料:按《水利水电建设工程验收规程》(SL223-2008)附件A、附录B的要求,参见附件六。
五、合同工程完工验收资料由施工单位负责整编,其整编要求参见附件七。
六、合同工程施工管理工作报告的编制要求,参见附件八。
七、合同工程完工结算的建议合同工程完工验收合格后,合同双方共同认可的结算清单由施工单位编制合同工程完工结算书,经审计后再办理合同工程完工结算。
合同工程完工结算书的编制要求参见附件九。
八、工程交接合同工程完工验收合格后,项目法人与施工单位应在30个工作日内组织专人负责工程的交接工作,交接过程应有完整的文字记录且有双方交接负责人签字。
具体工程交接办法参见附件十。
九、案卷封面、卷内目录、卷内备考表按《建设工程文件归档整理规范》(GB/T50328—2001)的要求,案卷封面、卷内目录、卷内备考表式样参见附件十一、附件十二。
CB18 秦村营节制闸门槽二期砼□工序/□单元工程施工质量报验单(水投[2018]质报号)合同名称:河南省人民胜利渠灌区续建配套与节水改造项目2017年度工程第Ⅰ标段工程施工承包合同合同编号:RMSLQGQXJ[2017]-SG-01说明:本表一式份,由承包人填写。
监理机构签收后,随同审批意见,发包人份、设代机构份、监理机构份、承包人份。
CB17混凝土浇筑开仓报审表(水投[2018] 开仓号)合同名称:河南省人民胜利渠灌区续建配套与节水改造项目2017年度工程第Ⅰ标段工程施工承包合同合同编号:RMSLQGQXJ[2017]-SG-01说明:本表一式份,由承包人填写。
监理机构审批后,发包人份、设代机构份监理机构份、承包人份。
河南省人民胜利渠灌区续建配套与节水改造项目2017年度工程CB18 普通混凝土施工缝处理工序/单元工程施工质量报验单(水投[2018]质报号)合同名称:河南省人民胜利渠灌区续建配套与节水改造项目2017年度工程第Ⅰ标段工程施工承包合同合同编号:RMSLQGQXJ[2017]-SG-01说明:本表一式份,由承包人填写。
监理机构复核后,监理机构份、返承包人份。
河南省人民胜利渠灌区续建配套与节水改造项目2017年度工程普通混凝土施工缝处理施工质量验收三检表CB18 普通混凝土模板制作及安装工序/单元工程施工质量报验单(水投[ 2018 ]质报号)合同名称:河南省人民胜利渠灌区续建配套与节水改造项目2017年度工程第Ⅰ标段工程施工承包合同合同编号:RMSLQGQXJ[2017]-SG-01说明:本表一式份,由承包人填写。
监理机构复核后,监理机构份、返承包人份。
河南省人民胜利渠灌区续建配套与节水改造项目2017年度工程普通混凝土模板制作及安装施工质量验收三检表表1.1.2CB18 普通混凝土预埋件制作及安装工序/单元工程施工质量报验单(水投[ 2018 ]质报号)合同名称:河南省人民胜利渠灌区续建配套与节水改造项目2017年度工程第Ⅰ标段工程施工承包合同合同编号:RMSLQGQXJ[2017]-SG-01说明:本表一式份,由承包人填写。
水利水电工程单元工程施工质量验收评定标准混凝土工程下载-回复水利水电工程单元工程施工质量验收评定标准是保证工程质量的重要措施。
其中,混凝土工程是水利水电工程中的重要组成部分。
本文将从混凝土材料的选用、施工过程中的关键环节、验收评定标准等方面,一步一步回答这个主题。
一、混凝土材料的选用混凝土工程施工质量的首要保障是选用优质的混凝土材料。
在进行混凝土工程前,需要根据工程实际情况确定混凝土等级和材料的强度等指标,并参考相关规范对混凝土材料进行合理的选用。
在选用混凝土材料时,需要关注以下几个方面:1. 混凝土强度:根据工程的承载要求和使用条件,确定混凝土的强度等级。
2. 混凝土配合比:按照配合比设计要求,选用合适的水胶比和石沙比,并确保搅拌均匀。
3. 材料的质量:选用具有国家认证的混凝土原材料,如水泥、砂、石等,保证材料质量合格。
二、施工过程中的关键环节混凝土工程施工过程中,存在一系列关键环节需要注意,以确保施工质量的有效控制。
以下是施工过程中的关键环节:1. 模板和支撑系统的安装:模板和支撑系统的稳定性对混凝土工程的施工质量有重要影响,需要确保模板符合设计要求,支撑系统稳定可靠。
2. 混凝土配料和搅拌:按照配合比要求,准确称量原材料,并进行充分搅拌,确保混凝土质量合格。
3. 浇筑和振捣:在混凝土浇筑过程中,需要确保均匀浇注、及时振捣,避免空洞和裂缝的产生。
4. 养护:混凝土浇筑后,需要进行养护工作,包括遮阳、保水和保持湿润等,以保证混凝土的强度发展和工程质量。
三、验收评定标准混凝土工程施工完成后,需要进行质量验收评定,以确保工程符合设计要求和相关规范。
以下是混凝土工程验收评定的一些标准:1. 施工质量:混凝土的强度、密实度、平整度、几何尺寸等指标需要符合设计要求。
2. 表面质量:混凝土表面应平整、光滑,没有明显的裂缝、空鼓或脱落。
3. 强度验收:通过对混凝土试块的抗压强度测试,验证混凝土强度是否符合设计要求。
水利工程质量评定资料是什么?水利工程是非常重要不可缺少的,正是因为越来越多的水利工程大大的降低了人们在自然灾害到来的时候所受到的损失,是我们的好帮手,我们能够对于洪水干旱等自然灾害对我们的损失做到一定的补救措施,水利工程质量评定资料也非常的重要。
水利工程是非常重要不可缺少的,正是因为越来越多的水利工程大大的降低了人们在自然灾害到来的时候所受到的损失,是我们的好帮手,我们能够对于洪水干旱等自然灾害对我们的损失做到一定的补救措施,水利工程质量评定资料也非常的重要。
▲一.水利工程质量评定程序1. 工程质量检验包括施工准备检查,中间产品与原材料质量检验,水工金属结构、启闭机及机电产品质量检查,单元工程质量检验,质量事故检查及工程外观质量检验等程序。
2. 施工准备检查。
主体工程开工前,施工单位应组织人员对施工准备工作进行全面检查,并经建设(监理)单位确认合格后才能进行主体工程施工。
3. 中间产品与原材料质量检验。
施工单位应按《评定标准》及有关技术标准对中间产品与水泥、钢材等原材料质量进行全面检验,不合格产品,不得使用。
4. 水工金属结构、启闭机及机电产品质量检查。
安装前,施工单位应检查是否有出厂合格证、设备安装说明书及有关技术文件;对在运输和存放过程中发生的变形、受潮、损坏等问题应作好记录,并进行妥善处理。
无出厂合格证或不符合质量标准的产品不得用于工程中。
5. 单元工程质量检验。
施工单位应严格按《评定标准》检验工序及单元工程质量,作好施工记录,并填写《水利水电工程施工质量评定表》。
建设(监理)单位根据自己抽检的资料,核定单元工程质量等级。
发现不合格单元工程,应按设计要求及时进行处理,合格后才能进行后续单元工程施工。
对施工中的质量缺陷要记录备案,进行统计分析,并记入相应单元工程质量评定表“评定意见”栏内。
6. 施工单位应按月将中间产品质量及单元工程质量等级评定结果报建设(监理)单位,由建设(监理)单位汇总后报质量监督机构。
目次
1 总则
2 术语
3 基本规定
4 普通混凝土工程
5 碾压混凝土工程
6 混凝土面板工程
7 沥青混凝土工程
8 预应力混凝土工程
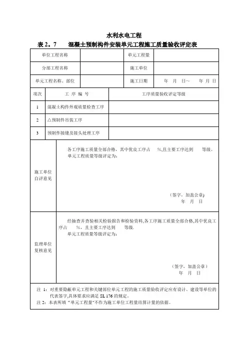
9 混凝土构件安装工程
10 混凝土坝接逢灌浆工程
11 安全监测设施安装工程
附录A 普通混凝土中间产品质量标准
附录B 碾压混凝土中间产品质量标准
附录C 沥青和沥青混凝土质量标准
附录D 单元工程施工质量验收评定表及工序质量验收评定表
1 总则
1.0.1为加强水利水电工程质量管理,统一混凝土工程单元工程的施工质量验收评定,保证工程质量,制定本标准。
1.0.2 本标准适用于大中型水利水电工程的混凝土工程单元工程的施工质量验收评定。
小型水利水电工程可参照执行。
1.0.3 混凝土工程的承包合同和工程技术文件对工程施工质量的要求不应低于本标准的要求。
1.0.4混凝土工程的单元工程施工质量验收评定除应执行本标准外,尚应符合现行国家和相关行业标准的规定。
2 术语
2.0.1单元工程:是依据建筑物设计结构、施工部署和质量验收评定等因素,将建筑物划分成为若干个层、块、区、段。
每一层、块、区、段为一个单元工程。
2.0.2 重要单元工程:对工程安全、使用功能、公众利益和环保有重大影响的单元工程的统称。
包括关键部位单元工程和重要隐蔽单元工程等。
2.0.3 工序:为便于对施工质量的过程控制和验收评定,按施工的先后顺序将单元工程划分成若干个具体施工过程或施工步骤,是质量考核基本单位。
2.0.4 主控项目:对工程安全、质量、功能起决定作用或对卫生、环境保护有重大影响的检验项目。
2.0.5一般项目:除主控项目外的检验项目。
2.0.6 见证取样检验:在建设(监理)单位监督下,由施工单位相关人员从现场取样,并送至有相应资质的检验单位进行检验的活动。
2.0.7平行检验:监理单位在施工单位抽样检验的同时,独立进行的抽样检验,核验施工单位的检验成果。
3 基本规定
3.0.1 施工单位应建立、健全质量管理体系,严格质量控制:1制定完善的施工质量控制措施、质量检验制度及现场施工记录签认制度;
2施工现场应有相应的施工措施、施工技术要求、图纸和施工作业的文字依据等;
3混凝土浇筑前各工序应经监理工程师验收合格,并建立“准浇证”制度。
4检测人员、特殊作业的操作工人应具有相应的资格并持证上岗;
5应做好施工过程中的质量检验和施工记录,所有检验和施工记录应有记录人和相关人员的签字;
6检测机构应具有相应的资质,用于检测的计量器具,应经国家计量检定单位检定合格,并在有效期内使用;
7 工程采用的原材料、构配件等出厂合格证明资料齐全,并符合相关标准。
进场检验频度和结果符合要求、记录资料齐全。
3.0.2 分部工程开工前建设单位应组织监理、设计、施工等单位共同划分单元工程,并确定重要单元工程。
划分结果应书面送质量监督机构备案。
3.0.3 单元工程施工质量验收评定,应在其所包含的工序质量验收(或检验项目的检验)合格,以及相应施工实体质量检验合格的基础上进行。
3.0.4工序施工质量验收评定是在该工序中所包含检验项目的检验合格,以及施工过程中形成的各种记录完整的基础上进行。
工序中的检验项目分为主控项目和一般项目两类。
3.0.5 工序施工质量和单元工程质量等级均分为合格、优良两个等级。
3.0.6本标准所规定的各类检验项目的检验,应采用随机布点和监理工程师现场指定点位相结合的方式进行。
3.0.7 工序施工质量的验收评定
1 施工单位自行评定合格后,报监理单位验收评定。
上道工序未经验收评定合格,不得进行下道工序施工。
2 施工单位报验时,应提交下列资料:
1)施工中各班、组的初检记录;
2)施工队复检记录;
3)施工单位专职质检员终检(含试验)记录及填写的水利水电工程工序质量评定表;
4)施工中的见证取样记录及其检验结果资料。
3 监理单位收到施工单位的工序报验申请后,应及时进行施工质量验收评定:
1)对工序施工质量进行复查;
2)复核工序所含施工质量检验项目是否符合本标准的要求;
3)核查报验资料是否满足前款要求,资料是否真实、齐全、完整;
4)签署验收评定意见,相关责任人履行相应的签认手续。
3.0.8 单元工程施工质量的验收评定
1 施工单位自行评定合格后,报请监理单位验收评定。
监理单位收到申请后,应及时进行验收评定。
2 施工单位报验时,应提交下列资料:
1)单元工程所含工序全部验收评定的检验记录资料;
2)各项实体质量检验项目的检验记录资料;
3)由施工单位专职质量检验员和检测员填写检验结果的单元工程质量验收评定表。
3监理工程师应逐项复核,核查报验资料是否真实、齐全、完整,并形成记录。
复核合格后签署验收意见,相关责任人履行相应的签认手续。
4 确因受龄期制约等因素影响,不能及时获得实体质量检验结果时,可先进行缺项暂验,待取得检验结果后及时办理终验签证。
对暂验单元工程应造册登记备查。
5 重要单元工程的验收应在施工单位自行评定,并经监理单位复核合格后,由建设单位组织监理、施工、设计等单位进行联合验收签证,并事先通知项目质量监督机构。
3.0.9 工序施工质量等级标准
1合格等级标准
1)主控项目全部合格;
2)一般项目逐项有70%及以上的检验点合格,且不合格点应不集中分布;
2优良等级标准
1)主控项目全部合格;
2)一般项目逐项有90%及以上检验点合格。
3.0.10 单元工程施工质量等级按本标准中相关章节规定进行评定。
3.0. 11单元工程施工质量验收评定不合格时,应按以下规定进行验收
评定:
1 全部返工重做的,可重新进行验收评定;
2 加固补强后,经有资质的检测单位检测,能达到设计要求的,其质量只能评定为合格;
3 经原设计单位复核,建设单位认为能基本满足安全和使用功能要求的,可不加固补强;或经加固补强后,改变了建筑物外形尺寸或造成永久缺陷的,经原设计单位论证认为基本满足设计要求,建设单位同意验收的,其质量可按合格处理。
同时应进行质量缺陷备案。
4 普通混凝土工程
4.1 一般规定
4.1.1普通混凝土工程一般以混凝土浇筑仓号或一次浇筑范围划分,每一仓号或排架、梁、板、柱等一次浇筑的范围为一个单元工程。
4.1.2普通混凝土施工分为基础面或施工缝处理、模板安装、钢筋制安、预埋件(止水、伸缩缝等)、混凝土浇筑(含养护、脱模)、外观质量检查六个工序。
4.2 基础面或施工缝处理
4.2.1 基础面或施工缝处理施工质量标准见表4.2.1。
表4.2.1 基础面或施工缝处理施工质量标准
4.3 模板安装
4.3.1 本标准适用于定型或现场装配式钢、木模板的制作及安装;对于特种模板(镶面模板、滑升模板、拉模及钢模台车等)应符合有关的技术标准和设计要求的规定。
4.3.2 模板安装施工质量标准见表4.3.2 。
表4.3.2 模板安装施工质量标准
4.4 钢筋制安
4.4.1 钢筋进场时应逐批(炉号)进行检验,查验产品合格证、出厂检验报告和外观质量并记录,并按相关规定抽取试样进行力学性能检验,不符合标准规定的不应使用。
4.4.2 钢筋制安施工质量标准见表4.4.2
表4.4.2 钢筋制安施工质量标准
表4.4.2-1 钢筋连接施工质量标准
4.5 预埋件制安
4.5.1 水工混凝土中的预埋件包括止水、伸缩缝材料、坝体排水系统、冷却及灌浆管路、铁件、安全监测设施等。
在施工中应进行全过程检查和保护,防止移位、变形、损坏及堵塞。
4.5.2 安全监测设施预埋施工质量标准见第十一章。
4.5.3 所有预埋件都应进行材质证明检查,需要抽检的材料按有关规范进行。
4.5.4 预埋件制安施工质量标准见表4.5.4、表4.5.5、表4.5.6、表4.5.7、表4.5.8。
表4.5.4 止水片(带)施工质量标准
表4.5.5 伸缩缝(填充材料)施工质量标准
表4.5.6 排水系统施工质量标准
表4.5.7 冷却及灌浆管路施工质量标准
表4.5.8 铁件施工质量标准。