LED显示屏驱动芯片对比表
- 格式:pdf
- 大小:61.74 KB
- 文档页数:1
产品说明书1、概述AiP1640 是一款2 线串口共阴极8 段16 位的LED 驱动控制专用电路,内部集成有MCU 数字接口、数据锁存器、LED 驱动等电路。
本产品性能优良,质量可靠。
其主要特点如下:内置显示RAM内置RC振荡内置自动消隐电路显示辉度软件可调两线串行接口(CLK,DATA)封装形式:SOP28/SSOP28(0.635mm)应用领域:LED显示面板场合,例如电磁炉显示、电饭煲显示、空调显示、电子秤等家电产品。
订购信息:管装:产品型号封装形式打印标识管装数盒装管盒装数箱装盒箱装数备注说明AiP1640SA.TB SOP28 AiP1640 25PCS/管80 管/盒2000PCS/盒10 盒/箱20000PCS/箱塑封体尺寸:17.9mm×7.5mm 引脚间距:1.27mmAiP1640VB.TB SSOP28 AiP1640 50PCS/管200 管/盒10000PCS/盒 5 盒/箱50000PCS/箱塑封体尺寸:9.9mm×3.9mm引脚间距0.635mm编带:产品型号封装形式打印标识编带盘装数编带盒装数箱装数备注说明塑封体尺寸:AiP1640SA.TR SOP28 AiP1640 1000PCS/盘1000PCS/盒8000PCS/箱17.9mm×7.5mm引脚间距:1.27mm 注:如实物与订购信息不一致,请以实物为准。
2、引脚图及引脚说明2.1、引脚排列图2.2、引脚说明引脚符号I/O 功能1 GRID12 O 位输出,N 管开漏输出2 GRID13 O 位输出,N 管开漏输出3 GRID14 O 位输出,N 管开漏输出4 GRID15 O 位输出,N 管开漏输出5 GRID16 O 位输出,N 管开漏输出6 GND —地7 DATA I 数据输入端口8 CLK I 时钟输入端口9 SEG1 O 段输出,P 管开漏输出10 SEG2 O 段输出,P 管开漏输出11 SEG3 O 段输出,P 管开漏输出12 SEG4 O 段输出,P 管开漏输出13 SEG5 O 段输出,P 管开漏输出14 SEG6 O 段输出,P 管开漏输出15 SEG7 O 段输出,P 管开漏输出16 SEG8 O 段输出,P 管开漏输出17 VDD —电源18 GRID1 O 位输出,N 管开漏输出19 GRID2 O 位输出,N 管开漏输出20 GRID3 O 位输出,N 管开漏输出21 GRID4 O 位输出,N 管开漏输出22 GRID5 O 位输出,N 管开漏输出23 GRID6 O 位输出,N 管开漏输出24 GRID7 O 位输出,N 管开漏输出25 GRID8 O 位输出,N 管开漏输出26 GRID9 O 位输出,N 管开漏输出27 GRID10 O 位输出,N 管开漏输出28 GRID11 O 位输出,N 管开漏输出3、电特性3.1、极限参数(除非有特殊说明,否则T amb=25℃,GND=0V)参数名称符号条件额定值单位电源电压VDD —-0.5~+7.0 V 逻辑输入电压VIN —-0.5~VDD+0.5 V 输出高电平电流(SEG)I O1 —50 mA 输出低电平电流(GRID)I O2 —200 mA 工作温度T amb —-40~+85 ℃储存温度T stg —-65~+150 ℃焊接温度T L 10 秒250 ℃3.2、推荐使用条件参数名称符号最小典型最大单位逻辑电源电压VDD 3 5 5.5 V 输入高电平电压V IH 0.7VDD —VDD V输入低电平电压V IL 0 —0.2VDD V3.3、电气特性3.3.1、直流参数(除非有特殊说明,否则VDD=5V,GND=0V)参数名称符号测试条件最小典型最大单位工作电压VDD — 3.0 5.0 5.5 V 静态电流I DD 无负载,VIN=VDD 110 130 150 uA 输出高电平电流I OH1 SEG1~SEG8,V OH=VDD-2V 40 50 60 mAI OH2 SEG1~SEG8,V OH=VDD-3V 40 60 80 mA 输出低电平电流I OL1 GRID1~GRID16,V OL= 0.3V 80 120 —mA 高电平输出电流容许量I TOLSG SEG1~SEG8,V OH=VDD-3V —— 5 %输入高电平电压V IH CLK、DATA 0.7VDD —VDD V输入低电平电压V IL CLK、DATA 0 —0.2VDD V3.3.2、交流参数(除非有特殊说明名,否则VDD=5V,GND=0V)参数符号测试条件最小典型最大单位振荡频率f OSC ——450 —kHz 上升时间t TZHC L=300pF,GRID1~GRID16 —— 2 usC L=300pF,SEG1~SEG8 ——0.5 us下降时间t THZ C L=300pF,SEGn、GRIDn ——120 us 最大时钟频率f max 占空比50% 1 ——MHz 时钟脉冲宽度PW CLK —400 ——ns 数据建立时间t SETUP —100 ——ns 数据保持时间t HOLD —100 ——ns4、功能介绍4.1、显示寄存器地址该寄存器存储通过串行接口从外部器件传送到AiP1640 的数据,地址分配如下:SEG1 SEG2 SEG3 SEG4 SEG5 SEG6 SEG7 SEG8B0 B1 B2 B3 B4 B5 B6 B7显存地址00H GRID1显存地址01H GRID2显存地址02H GRID3显存地址03H GRID4显存地址04H GRID5显存地址05H GRID6显存地址06H GRID7显存地址07H GRID8显存地址08H GRID9显存地址09H GRID10显存地址0AH GRID11显存地址0BH GRID12显存地址0CH GRID13显存地址0DH GRID14显存地址0EH GRID15显存地址0FH GRID16 注意:在上电完之后,必须先对RAM 进行数据写入,然后再开显示。
关于LED驱动电源那些常见的⼗款经典LED驱动芯⽚⽬前,芯⽚设计⾏业越来越多的⼚家加⼊了LED设计,设计出众多型号,在此从性能价格⽐⽅⾯详细的谈谈,怎样选择⾃⼰合适的IC,哪些IC最合适⾃⼰准备设计的产品。
为IC设计企业了解市场需要什么样的IC,应该制定什么价位中合适。
价格随时会变动只能为参考值。
质量和价格是决定是否采⽤的因数,符合产品设计质量参数要求很重要!价格更重要!1、美国CATALYST公司-CAT4201这个IC驱动1-7颗1W LED。
效率可达92%,6-28V电压输⼊范围降压型驱动应⽤设计。
它最⼤的优势是封装SOT23⼤⼩,线路简介,符合⽬前多数⼩体积灯杯设计使⽤要求。
⼤阻值范围电流调节,可以电位器宽阻值范围调节亮度,⽐如设计台灯等产品需要这样时。
2、美国国家半导体 LM3404LM3404和LM3402的线路⼀样,不同的是电流可以达到1A,驱动1-15pcsLED性价⽐较⾼。
上⾯所列IC规格都是内置MOS管,内置MOS管可以简化线路设计,⼩体积,降低设计综合成本,故障率也会降低。
因其⽬前IC⼯艺制成、成本等原因⼤于1A以上的LED驱动IC需要外置MOS管。
在我们⽇常产品设计中经常会遇到⼤电流设计,⽐如5W、10W等更⾼功率的设计要求,那只能选择外置MOS管的IC才可以。
3、褒贬不⼀的LED驱动芯⽚IC-AMC7150在当时AMC7150还是不错的,它有个很重要的因数就是价格,有不到2元的市场价格,是你采⽤它的理由。
AMC7150⽬前有⼏⼗家可以直接替换的IC型号,价格战会⽆法避免。
在设计参数要求不⾼的低压4-25V产品中可以选择它,基本驱动能⼒在3W以下应⽤设计。
⽐如1W串3颗或3W 1颗LED设计是稳定的。
4、欧洲Zetex公司-ZXLD1350这颗IC⽬前市场反应良好,也是SOT23⼩体积封装,输⼊7-30V电压降压恒流驱动1-7psc LED,线路简洁实⽤。
设计时Rs要紧靠IC避免供电电压⼤幅度不动,这样会影响恒流效果。
常见液晶驱动控制芯片详解前言因此各位朋友在选择LCD液晶模块的时候,在考虑到串行,还是并行的方式时,可根据其驱动控制IC的型号来判别,当然你还需要看你选择的LCD模块引脚定义是固定支持并行,还是可选择并行或串行的方式。
一、字符型LCD驱动控制IC市场上通用的8×1、8×2、16×1、16X2、16X4、20X2、20X4、40X4等字符型LCD,基本上都采用的KS0066 作为LCD 的驱动控制器。
二、图形点阵型LCD驱动控制IC2.1、点阵数122X32—SED1520。
2.2、点阵数128×64。
(1)RA8816,支持串行或并行数据操作方式,内置中文汉字字库。
(2)KS0108/RA8808,只支持并行数据操作方式,也是最通用的12864点阵液晶的驱动控制IC。
(3)ST7565,支持中行或并行数据操作方式。
(4)S6B0724,支持中行或并行数据操作方式。
(5)RA6963,支持并行数据操作方式。
2.3、其他点阵数如192×64、240×64、320X64、240X128 的一般都是采用RA6963驱动控制芯片。
2.4、点阵数320X240,通用的采用RA8835 内置ASCII字库,以及RA8806驱动IC内置ASCII和中文等字库。
这里列举的只是一些常用的,当然还有其他LCD 驱动控制IC,在写LCD 驱动时要清楚是哪个型号的IC,再到网上去寻找对应的IC 数据手册吧。
后面我将慢慢补上其它一些常见的。
三、12864 液晶的奥秘CD1601/1602和LCD12864 都是通常使用的液晶,有人以为12864是一个统一的编号,主要是12864 的液晶驱动都是一样的,其实12864只是表示液晶的点阵是128*64点阵,而实际的12864 有带字库的,也有不带字库的:有5V电压的,也有3.3V工作电压:归根到底的区别在于驱动控制芯片,常用的控制芯片有RA8816、KS0108/RA8808、RA6963等等。
led显示屏驱动芯片LED显示屏驱动芯片是指用来控制和驱动LED显示屏幕的集成电路芯片。
它是LED显示屏幕的重要组成部分,能够将输入的图像、文字或视频信号转换为适合LED显示屏显示的驱动信号。
LED显示屏驱动芯片主要分为两类:常规驱动芯片和智能驱动芯片。
常规驱动芯片主要包括驱动IC、行、列扫描芯片和灰度控制芯片等。
驱动IC主要负责将输入的信号转换为行、列信号并控制LED点亮;行、列扫描芯片负责行、列扫描功能,通过对每一个LED点的刷新,实现整个屏幕的显示;灰度控制芯片负责控制每个LED点的亮度,通过调节电流来实现不同灰度的显示。
智能驱动芯片是在常规驱动芯片的基础上加入了更多的功能和特性。
智能驱动芯片可以实现对屏幕亮度、色彩、图像平滑处理和多点触控等的控制。
此外,智能驱动芯片还可以实现远程控制和监控功能,方便对LED显示屏进行远程操作和管理。
驱动芯片的选择对LED显示屏的性能和稳定性有着重要影响。
一个好的驱动芯片应具有以下特点:1.高刷新率和灰度控制能力:LED显示屏需要能够快速刷新屏幕并具有较高的灰度控制能力,以实现清晰、平滑的图像显示。
2.低功耗和热量:驱动芯片应具有较低的功耗和热量,以提高LED显示屏的工作效率和稳定性,减少能源消耗。
3.稳定性和可靠性:驱动芯片需要具有良好的稳定性和可靠性,能够长时间、稳定地工作,不易受外界干扰。
4.接口和兼容性:驱动芯片应具有丰富的接口和兼容性,能够与各种不同类型的控制器和主板连接,并能够兼容不同的通信协议。
5.安全性和技术支持:驱动芯片需要具有良好的安全性,能够保护显示屏免受恶意攻击。
同时,供应商还应提供完善的技术支持和售后服务,解决用户在使用过程中遇到的问题。
总之,LED显示屏驱动芯片是LED显示屏的核心组成部分,对显示效果、稳定性和可靠性起着重要的作用。
随着LED显示屏技术的不断发展,驱动芯片也在不断更新和创新,从而为用户提供更加出色的显示效果和使用体验。
1、概述AIP1616 是LED 驱动控制专用电路,内部集成有MCU 数字接口、数据锁存器等电路。
本产品主要应用于VCR、VCD、DVD 及家庭影院等产品的显示屏驱动。
其主要特点如下:采用CMOS 工艺显示模式(7 段×4 位)辉度调节电路(占空比8 级可调)串行接口(CLK,STB,DIO)内置RC 振荡(450KH z±5%)内置上电复位电路封装形式:SOP162、引脚排列图及引脚说明2.1、引脚排列图2.2、引脚说明7 输出(段)SEG3 段输出,P 管开漏输出。
8 输出(段)SEG4 段输出,P 管开漏输出。
9 输出(段)SEG5 段输出,P 管开漏输出。
10 输出(段)SEG6 段输出,P 管开漏输出。
11 输出(段)SEG7 段输出,P 管开漏输出。
12 输出(位)GRID4 位输出,N 管开漏输出。
13 输出(位)GRID3 位输出,N 管开漏输出。
14 逻辑地GND 接系统地15 输出(位)GRID2 位输出,N 管开漏输出。
16 输出(位)GRID1 位输出,N 管开漏输出。
3、电特性3.1、极限参数(GND=0V,T amb=25℃)参数名称符号条件额定值单位逻辑电源电压V DD -0.5~+7.0 V 逻辑输入电压V I1 -0.5~V DD+0.5VLED Seg 驱动输出电流I O1 -50mALED Grid 驱动输出电流I O2 +200mA功率损耗P D 400mW工作温度Topt -40~+80 ℃储存温度Tstg -65~+150 ℃焊接温度T L 10 秒250 ℃3.2、推荐使用条件(Ta= -20℃~+70℃,GND=0V)参数名称符号最小典型最大单位逻辑电源电压V DD 3 5 5.5 V 高电平输入电压V IH 0.7V DD - V DDV低电平输入电压V IL 0 - 0.3V DDV3.3、电气特性4、时序图与端口操作说明、指令系统介绍4.1、时序图4.2、显示寄存器地址和显示模式该寄存器存储通过串行接口从外部器件传送到AIP1616 的数据,地址分配如下:xxHL(低四位) xxHU(高四位) xxHL(低四位) xxHU(高四位)B0 B1 B2 B3 B4 B5 B6 B7 B0 B1 B2 B3 B4 B5 B6 B700HL 00HU 01HL 01HU GRID1 02HL 02HU 03HL 03HU GRID2 04HL 04HU 05HL 05HU GRID3 06HL 06HU 07HL 07HU GRID4 08HL 08HU 09HL 09HU GRID5 0AHL 0AHU 0BHL 0BHU GRID6 0CHL 0CHU 0DHL 0DHU GRID74.3、串行数据传输格式接收1 个bit 在时钟的上升沿操作。
一、1.2 LED板的芯片功能
74HC245的作用:信号功率放大。
第1脚DIR,为输入输出转换端口,当DIR=“1”高电平(接VCC)时信号由“A”
端输入“B”端输出,DIR=“0”低电平(接GND)时信号由“B”端输入“A”端输出。
第19脚G,使能端,若该脚为“1”A/B端的信号将不导通,只有为“0”时A/B
端才被启用,该脚也就是起到开关的作用.
第2~9脚“A”信号输入输出端,A1=B1、、、、、、A8=B8,A1与B1是一组,如果DIR =“1”G=“0”则A1输入B1输出,其它类同。
如果DIR=“0”G=“0”则B1输入A1输出,其它类同。
第11~18脚“B”信号输入输出端,功能与“A”端一样。
第10脚GND,电源地。
第20脚VCC,电源正极。
74HC595的作用:LED驱动芯片,8位移位锁存器。
第8脚GND,电源地。
第16脚VCC,电源正极
第14脚DATA,串行数据输入口,显示数据由此进入,必须有时钟信号的配合才能移入。
QA~QH的输出由输入的数据控制。
不知道发过没?各大LED驱动芯片大全Fairchild (美国飞兆) FSEZ 1016主要应用于3W灯杯3WFSEZ 1216主要应用于5W灯杯5WFSQ 110主要应用于8W左右LED电源8WFSDH 321主要应用于8W左右LED电源8WKA5M02659RN主要应用于12W左右LED电源12WKA5M0365R/KA5M0380RYDTU主要应用于30W左右LED电源30WFSDL0165/FSDM0265/FSDM0365 主要应用于12-18WLED电源12-18WKA5L0365RN/KA5M0365RN主要应用于24WLED电源25WSG6859 + 2N60/4N60主要应用于日光灯等外置式LED电源30W 以下SG6741 + 7N60C/7N60C主要应用于日光灯等外置式LED电源60W 以下FSFR2100主要应用于LED路灯和大功率LED电源200W待补充Power Integrations (PI) LNK603/613PG/DG主要应用于2.5W的LED灯杯2.5WLNK604/614PG/DG主要应用于3.5W的LED灯杯3.5WLNK605/615PG/DG主要应用于4.5W的LED灯杯4.5WLNK606/616PG/GG主要应用于5.5W的LED灯杯5.5WTNY274/275/276/277P/G主要应用于5-8W LED电源5-8WTNY278/279/280P/G主要应用于10-14W LED电源10-14W待补充Supertex (美国超科) AT9933专为汽车设计用高达70V功率驱动ICHV9921/22/2385 to 264V AC or DC input voltage of 20 to400V. 20/30/50mAHV9925Output Current to 50mA;Universal 85-264V AC Operation;Fixed OFF-Time BuckConverter;Internal 500V Power MOSFETHV9903Power efficiency of up to 85%;Drives up to 6 White LEDs;2.6V to 4.6VSupply;power stage can operate at 1.8V;Built-in Soft Start;DC and PWM DimmingControlHV9910高压大功率直驱LED恒流器件HV9911高压双向检测大功率直驱LED恒流ICHV9931高压双向检测大功率直驱LED恒流IC,可PWM灰度调节待补充National (美国国半) 针对带有双电流槽和与IC兼容亮度控制的白色LED和QLED显示器的高效升压器LM3402针对高功率LED驱动器、6V至42V输入电压范围的0.5A持续电流降压电路LM3402HV 针对高功率LED驱动器,6V至75V输入电压范围的0.5A持续电流降压电路LM3404针对高功率LED驱动器,6V至42V输入电压范围的1A持续电流降压电路LM3404HV 针对高功率LED驱动器、6V至75V输入电压范围的1.0A持续电流降压电路LM5022针对升压和SEPIC稳压器的60V低压侧控制器,允许控制外部MOSFET来为LED提供LM2735 520kHz/1.6MHz - 有效使用空间的升压和SEPIC DC-DC稳压器LM3405用于LED驱动器500kHz/1.6MHz 1A恒流降压稳压器LM2754具有超时保护功能的800mA开关电容Flash LED驱动器LM27965具有I2C兼容亮度控制功能的双显示器白光LED驱动器LM27966带有I2C兼容接口的白光LED驱动器LM2727/ LM2737 频道的FET 同步的为低输出电压顽强反抗调整者控制器待补充美国国家半导体公司白色LED低功率驱动部分LM3519高的频率推进白色LED用高速的PWM 光亮控制驱动ICLM2731SOT23 小封装小功率LED驱动应用SOT23 小封装5V升压到12-30V,120-300mALM26238-14V 转换成输出电压在1.24-14V之间,达到90% 的效率LM3557为白色LED2.7V-7.5V的递升转换器,多大5颗LED小体积背光指示LM35022.5-5.5V升压到16-44V,多达4-10颗LED小体积背光指示LM27512 X,1.5 X 电容器式倍压白色LED的引导驱动ICLM3590系列小功率白色LED简单驱动,降压型LM2707系列小功率白色LED简单驱动,升压型LM35082.7Vto5.5V 升压17.5V 驱动4个白色LED达到30mA 应用ICLM2793白色的低噪音引2.5-5.5V,1.5倍压双重的功能光亮控制ICLM2792接受输入电压从3.0V到5.8V的范围和维持持续的电容器类光亮控制LM2791受输入电压从3V到5.8V的范围和维持持续的36mA由外部的固定电阻决定. LM2705直流的升压式150mA的直流转换器LM2703直流的升压式350mA的直流转换器LM3501同时的递升直流/ 直流转换器为白色LED的驱动LM2794/LM2795 多路驱动补给的电容器类比和PWM 灰度控制LM27953 白色LED四路的和3/2 x转变了电容器推进式驱动LM3570低的噪音白色LED,应用与手持式设备多路控制多颗LED背光指示LM3595 平行的白色LED驱动应用LM2704 2.2-7V升压20V,550mA,SOT小封装LED驱动LM2750 低的噪音转变了电容器小功率升压驱动LM2796 双重的3/2 x 的白色LED驱动电容器式应用ICLM27964 有I2C 的独立控制的,多按键区域背光指示应用ICLM2756有I2C 的独立控制的,多按键区域背光指示应用ICLM2754带有超时保护功能的800mA开关电容器Flash LED驱动器LM3551/LM35521A白色用闪光灯驱动应用LM3224直流的递升PWM 的615 KHz/1.25 MHz/直流转换器待补充美国国家半导体公司照明管理单元(LMU)LM4970声音同步化LED驱动器IC适合任何颜色LP3943RGB/白色/ 蓝色16通道引导的LED驱动器LP3944RGB/白色/ 蓝色8 通道引导的LEDLP5520RGB背光LED驱动器LP5521可编程的三通道LED 驱动器LP5522可编程的LED驱动器LP3958高电压推进的照明管理转换器LED应用ICLP5526高的电压推进的照明管理可达到150mA序列闪光的驱动ICLP3936为六白色的照明管理系统引导和一RGB 或闪光引导LP3931双路的RGB 用高亮度驱动DC-DC转换器LP3933为六白色的照明管理系统应用和二RGB 或闪光应用ICLP3954电话LED指示包括展览背光、RGB、按键区和照相机闪光等应用LP3950颜色用声音的同步装置引导LED驱动LP39526个通道的颜色用声音的同步引导驱动应用ICLP39542多路LED背光管理ICLP55281四路RGB驱动器LP5527为照相机闪光的极小驱动和4以I2C应用Programmability,连接性测试和声音LP55271为照相机闪光的极小驱动和4以I2C应用Programmability,连接性测试和声音待补充International Rectifier (IR) IRS2540S/2540PBF一款高压,高频降压调节控制集成电路,该产品用于要求多个LED的交流-直流离线,非隔离应用电路或要求直流-直流混合色能力的应用.应用包括室内外标牌,以及建筑,娱乐,设计和装饰照明.IRS2541S/2541PBF一款高压,高频降压调节控制集成电路,该产品用于要求多个LED的交流-直流离线,非隔离应用电路或要求直流-直流混合色能力的应用.应用包括室内外标牌,以及建筑,娱乐,设计和装饰照明.待补充Nxp (恩智浦) LED屏幕配套部分逻辑IC,飞利浦系列:74HC595D逻辑8位移位寄存器74HC245D3态8总线收发器74HC138D3-8线译码器、多路转换74HC164D8位移位寄存器(串进并出)74HC04D逻辑6非门74HC08D逻辑6非门驱动器74HC244D8缓冲/线驱动/线接收(3态)待补充Maxim-Dallas (美国美信) 美国美信高亮度LED驱动器部分MAX16800高电压6.5-40V驱动35-350mA多颗LED应用驱动ICMAX16801A/BPWM 控制器265V AC-85V AC1A LED驱动器MAX16802A/BPWM 控制器10.8VDC-24VDC 1A LED驱动器MAX16803 高压、350mA、高亮度LED驱动器, 提供PWM亮度调节和5V稳压器MAX16804 高电压5.5V-40V,350mA驱动和PWM 控制暗淡MAX16805/MAX16806 EEPROM可设计的,高电压,350mA台灯等现场调光驱动应用MAX16807/MAX16808 集成8通道LED驱动器,具有开关模式boost及SEPIC控制器MAX16809/MAX16810 集成16通道LED驱动器,具有开关模式boost及SEPIC控制器MAX168181.5 MHz,30A高效率LED恒流驱动MAX16819/MAX168202MHz高光亮LED驱动和5000:1灰度等级调节MAX16823高电压4.5-40V,3通道独立,5mA到70mA和外接BJT时可达到2AMAX16824/MAX16825 3通道、高亮度LED (HB LED)驱动器,6.5V至28V输入电压MAX7302低电压LED驱动器,提供闪烁控制、PWM调节、瞬变检测及电平转换待补充美国美信白光LED驱动器部分MAX8678白光LED在喇叭上整合应用ICMAX1698,MAX1698A便携式LCD屏背光源白光LED驱动应用ICMAX1848手机等小屏锂电池单色LED背光源恒流驱动ICMAX1916小体低压差式恒流驱动ICMAX1910/MAX1912锂电池1.5x/2x倍压式LED驱动器,最大120mAMAX1570锂电池1x/1.5x 倍压式LED驱动器,多路可PWM调光MAX1984/MAX1985/MAX1986白色LED超高效率恒流驱动MAX1582/MAX1582Y可编程升压型2段恒流驱动ICMAX1553/MAX1554高效率, 升压到40V为2 到10 白色LED的转换器驱动MAX1573白色泵式1 x/1.5 x驱动器,小体积QFN型封装MAX1561/MAX1599高效率,升压型转换器26V驱动2到6颗白色LED驱动MAX1574180mA,1x/2x倍压白色泵式驱动IC 3毫米x3毫米TDFN小封装MAX1583白色的引导照相机-闪光推进转换器MAX1575白色LED驱动1x/1.5x电荷泵式光源指示MAX1576480mA白色LED1x/1.5x/2x电荷泵式从背光照亮到照相机闪光灯应用MAX1578/MAX1579TFT屏与LED背光整合驱动应用ICMAX8595Z/MAX8596Z高效率,2.6-5.5V升压型32V,25mA,2-8颗LED驱动应用MAX1577Y/MAX1577Z1.2 A 白色LED闪光灯应用ICMAX8630W/MAX8630X125mA 1x/1.5x电荷泵式为5颗白色LED小型TDFN封装MAX8631X/YLED电荷泵式1x/1.5x/2x4毫米x 4毫米的二LDOs使QFN超薄封装MAX8790六线白色LED恒流驱动,适合笔记本等中尺寸LCD背光MAX8607为1.5A的1MHz PWM 推进转换器白色LED应用照相机闪光MAX8647/MAX8648 超高效率电荷泵式6LED的/ RGB驱动应用,瘦小的QFN封装待补充ONSEMI (美**森美) NCP56122通道泵式可PWM的白色LED驱动产品是LCD屏背光照明,操作模态1 x 和1.5 x 泵式驱动,87% 效率连同0.2% 相配误差.NCP5623带I2C控制的三路输出RGB LED驱动器,完全支持RGB照明或白光LED背光,内置”渐进调光”功能,能效高达94%的电荷泵,具备1x和2x两种工作模式,采用节省空间的极小型LLGA-12 2.0×2.0×0.5 mm封装NCP3065, NCV3065输出1.5 A ,输入电压 3.0 V to 40 V, PWM灰度调节,为汽车应用设计NCP5007小型小体2.7 to5.5 V 升压驱动多颗LED,小屏背光及背光指示等应用NCP5008,NCP50092.7 到6.0 V 输入电压范围,从Vbat 到15 V 的输出电压,外设光敏电阻NCP5010: Integrated Backlight LED BoostDriverNCP5030: Buck-Boost Converter to Drive aSingle LED from 1 Li-Ion or 3 Alkaline BatteriesNCP5604A, NCP5604BHigh Efficiency White LEDDriverNCP5603: High Efficiency Charge PumpConverter / White LED DriverNCP5602: 2-Channel Charge Pump White LEDDriver with I²C ControlNUD4001AC−DC 输入5.0 V, 12 V or 24 V.输出最大500mA,最简易型LED驱动ICNUD4011AC−DC 输入最大120 V.输出最大70mA,最简易型多颗LED驱动ICZetex (英国ZETEX ) ZXLB1600 LED/OLED 升压偏置1.6 - 5.5 28 75 350 MSOP10ZXLD1100 LED 升压驱动器2.5 - 5.5 28V(最大) 60 350 SC70-6ZXLD1101 LED 升压驱动器2.5 - 5.5 28V(最大) 60 350 TSOT23-5ZXLD1320 内置开关式1.5A LED 驱动器4 至18 18 122000 TDFN1433 ZXLD1321 内置开关式1A LED 驱动器1.2 至12 18 122000 TDFN1433 ZXLD1322 内置开关式0.7A LED 驱动器2.5 至15 18 122000 DFN1433 ZXLD1350 内置开关式350mA LED 驱动器7 至30 30 15 370TSOT23-5 ZXLD1360 内置开关式1A LED 驱动器7 至30 30 201000 TSOT23-5 ZXLD1362 内置开关式1A LED 驱动器6 至60 60 651000 TSOT23-5 ZXLD1575 x1/x1.5 充电泵6 通道驱动器2.7 至5.5 5.5 1000120 QFN1644 ZXLD1601 LCD/OLED 升压偏置2.5 - 5.5 VIN 至28 60 320 SC70-6ZXLD1615 LCD/OLED 升压偏置2.5 - 5.5 VIN 至28 60 320 TSOT23-5 ZXLD1937 LED 升压驱动器2.5 - 5.5 28V(最大) 60 350 TSOT23-5ZXSC300 LED 升压/降压驱动器0.8 -8.0 Vin 至Vm 200 外置开关SOT23-5 ZXSC310 LED 升压/降压驱动器0.8 -8.0 Vin 至Vm 200 外置开关SOT23-5 ZXSC380 内置开关式单室简易升压0.8 - 6.0 Vin 至20V 80 - SOT23ZXSC400 LED 升压驱动器1.8 - 8.0 Vin 至Vm 150 外置开关SOT23-6 ZXSC440 相机闪光灯驱动器1.8 - 8.0 Vin 至Vm 150 外置开关MSOP8待补充Texas Instruments (TI) TI 美国德州仪器公司屏幕驱动部分TLC59048/16 通道LED 驱动器TLC59058/16 通道LED 驱动器TLC591116 通道LED 驱动器TLC5916/TLC59178通道LED驱动器TLC592016 通道LED 驱动器TLC592116 通道LED 驱动器TLC5922带有点校正的16 通道LED 驱动器TLC5923带有点校正的16 通道LED 驱动器TLC5924具有点校正功能和预充电FET 的16 通道LED 驱动器TLC593012 通道LED 驱动器TLC5940带有EEprom 点校正与灰度PWM 控制的16 通道LED 驱动器TLC5941带有点校正与灰度PWM 控制的16 通道LED 驱动器TLC5945带有点校正、灰度PWM 控制和无延迟的16 通道LED 驱动器TI 美国德州仪器公司白光LED驱动器TPS60250具有I2C 接口的用于7 个WLED 的1.2A 高功率高效充电泵TPS60251具有I2C 接口的用于7 个WLED 的1.2A 高功率高效充电泵TPS60252同步推进转换器I2C/可并立的接口白色驱动器TPS6102*可调节、1.5A 开关、96% 高效升压转换器,具有降压模式TPS61040/41用于LCD 和白光LED 的,输入1.8-6V出28V 400mA 开关升压转换器TPS61042输入1.8-6V出30V 500mA 开关升压转换器,用于白光LED 应用领域TPS61043升压PWM灰度可调恒流LED驱动TPS6104528V 85% 效率的升压转换器,用于LCD 应用领域TPS61055具有I2C 兼容接口的 1.2A 高功率白光LED 驱动器TPS61058具有1.1A 开关的高功率单个白光LED 驱动器TPS61059具有1.5A 开关的高功率单个白光LED 驱动器TPS61060/TPS61061/TPS61062具有白光LED 亮度控制电源的15V、400mA 开关,1MHz 升压转换器TPS61080具有集成功率二极管的27V、500mA 开关、1.2MHz 升压转换器TPS61081具有集成功率二极管的27V、500mA 开关、1.2MHz 升压转换器TPS61140具有OLED和LCD背光屏双重驱动的应用ICTPS61141具有OLED和LCD背光屏双重驱动的应用ICTPS61150使用单一控制双输出LED驱动背光源驱动ICTPS61151使用单一控制双输出LED驱动背光源驱动ICTPS61150A使用单一控制双输出背光源驱动多大14颗LED能力的ICTPS61160PWM白光LED 2.7-18V升压500mA,最多6pcs LEDTPS61161PWM白光LED 2.7-18V升压500mA,最多10pcs LEDTPS61165PWM白光LED 3-18V升压1.2A,最多3pcs LEDTPS75103LDO低压差背光源LED驱动ICTPS75105LDO低压差背光源LED驱动ICTPS61180/1/25-24V输入多路25mA,最大10WLED背光驱动ICToshiba (日本东芝) TB627258位移位恒流驱动ICTB62726AN/AF16位全彩LED大屏幕TB62726ANG/AFG16位全彩LED大屏幕TCA62746AFG/AFNG16位全彩LED大屏幕带断、短路侦测及温度保护Siti (台湾点晶科技股份) DD311单信道大功率恒流驱动IC最大1A最高耐压36V线性恒流ICDD312单信道大功率恒流驱动IC最大1A最高耐压18V线性恒流ICDD313三信道大功率恒流驱动IC500mA R/G/B恒流驱动ICDM412三通道装饰照明专用可直接数据级联恒流IC 200mA R/G/B恒流驱动ICDM413三通道装饰照明专用PWM输出驱动IC 100mA R/G/B恒流驱动ICDM114,DM115新版8位驱动IC 主要是用于屏幕及灯饰DM115B通用8位恒流驱动IC 恒流一致性及稳定性高DM11A8位恒流动,用于护栏管,屏幕灯饰使用DM11C8位驱动IC 具有短断点侦测及温度保护功能,屏幕灯饰使用DM13C16位驱动IC 具有短断点侦测及温度保护功能,屏幕灯饰使用DM13A16位恒流驱动,面对低端屏幕客户DM134,DM135, DM13616位驱动IC 主要用于LED屏幕及护栏管DM13216位1024级PWM输出驱动ICDM13716位开,短路,过温智能侦测驱动ICDM13316位开路检测&64级电流调整&过温警示驱动ICDM1638x3信道4096级PWM驱动ICDM6214×3装饰照明专用PWM输出驱动恒流ICDM63112比特内置PWM+实时检测恒流驱动ICDM63216比特内置PWM+实时检测恒流驱动ICDM1638×3通道4096级PWM输出恒流驱动ICDM1648×3通道4096级PWM输出恒流驱动ICDD211二倍升压驱动IC 2-3.3V 最大升压100mA固定式恒流ICDD2313信道驱动IC 5-30mA 可设置小体上电即亮型ICDD2334信道驱动IC 5-30mA 可设置小体、可开关型ICDD2121.5-5.5V二倍升压最大400mA电流输出驱动单颗LED恒流ICPC112,PC1132.8-5V四倍升压驱动20mA小功率多颗LED恒流ICST2225A35输出信道之数字/字母LED驱动芯片Addtek (广鹏科技)A701、A702固定式5-30mA灯饰恒流A703120mA可开式6-50V降压型恒流ICA705220mA、2.7-12V固定降压型单路恒流ICA7065-40mA、5-50V/PWM多路可开关型恒流ICAMC711x固定式小电流灯饰应用AMC711x_E固定式小电流灯饰应用AMC71352-6V低压差固定式恒流驱动IC1颗LEDAMC71405-50V DC&DC 最大500mA电流可调,1颗或多颗LED驱动ICAMC71505-24V DC&DC 最大1.5A固定式,1-3颗LED驱动ICAMC7169LED保护ICMBI (台湾聚积科技) MBI18011路恒流驱动1.2A电流可设定PWM信号灰度调节MBI18022路恒流驱动360mA电流可两路单独设定PWM信号灰度调节MBI18044路恒流驱动240mA电流可设定PWM信号灰度调节MBI181616路恒流驱动电流可设定PWM信号灰度调节MBI5024面对低端客户16位LED屏幕、护栏灯管恒流驱动ICMBI502516位最大45mALED屏幕、护栏灯管恒流驱动ICMBI502616位最大90mA LED屏幕、护栏灯管恒流驱动ICMBI502816位最大90mA LED屏幕、护栏灯管恒流驱动IC,具电流增益功能MBI503016位内置PWM高灰阶LED恒流驱动ICMBI503116位内置PWM高灰阶LED恒流驱动IC,相对5030低端客户MBI5039MBI51688位LED屏幕、护栏灯管恒流驱动ICMBI60103位级联式LED灯饰屏幕,R/G/B单独电流可设置恒流驱动IC StarChips (晶錡科技) SCT202416位移位LED恒流驱动,适合目前LED大屏幕使用3-40mASCT202616位移位LED恒流驱动,适合目前LED大屏幕使用3-90mASCT221016位移位LED恒流驱动,适合LED大屏幕及插件护栏管使用3-120mASCT21108位移位LED恒流驱动IC,主要用于灯饰产品SCT251212位移位护栏管专用IC,3路OE灰度可以单独调节SCT20073路点光源驱动IC,可兼容MIB6010Shamrock (台湾芯瑞)SMD7333-40V电压输入,内置MOS管降压型驱动电流1ASMD7353-40V电压输入,降压型驱动电流700mA(可替代AMC7150)SMD736最高40V电压输入,内置MOS管降压型驱动电流3ASMD802市电直驱1A LED驱动IC(可替代HV9910)SMD911市电直驱IC,外置MOS LED隔离方案驱动ICSMD912市电隔离型直驱IC,外置MOS LED驱动ICOB (台湾昂宝) OB656380W PFC Module 400V 0.2ATM PFCOB6573300W PFC Module 400V 0.75A CCM PFCOB6561P36W LED Driver 24V 1.5ATM PFCTAC (台湾台创) TAC7135TAC7136TAC9920TAC5240TAC5241深圳市泉芯电子QX2706 背光恒流驱动2.7V~5.5V <=30V <=200mA <=85% SOT23-6QX2705 背光恒流驱动2.7V~5.5V <=30V <=200mA <=87% SOT23-5QX2703 背光恒流驱动2.7V~5.5V <=30V <=200mA <=87% SOT23-5QX7136 矿灯/手电筒驱动2.7V~6V- <=3A - SOT89-5QX7135 矿灯/手电筒驱动2.7V~6V- <=400mA - SOT-89-3 TO-252-2QX5234 三通道恒流驱动5.5V~17V <=17V <=200mA - SOP16 SSOP16 TSSOP16QX5238/9 背光恒流驱动2.7V~6V 2.7V~6V 15mA/20mA <=90% SOT23-6 MSOP-8QX2305 LED日光灯恒流驱动2V~400V - - <=90% SOP-8QX9910 LED日光灯恒流驱动2.5V~400V 2.5V~400V <=1A <=90% SOP-8QX5232B 太阳能草坪灯驱动1.2V~4V 1.2V~4V <=120mA <=90% DIP-8QX5251 太阳能草坪灯驱动0.9V~1.5V - <=300mA <=92% TO-94QX62726 LED显示屏恒流驱动4V~5.5V <=10V <=90mA - SSOP24-300-1.00 SSOP24-150-0.635QX5241 大功率低压恒流驱动5.5V~36V 5.5V~36V <=2A <=95% SOT23-6杭州士兰微电子SB1672616位恒流驱动全彩屏幕ICSC16722可级连、大电流输出的专用LED驱动电路SB42351350mA低压差白光固定式LED驱动芯片SB42510PWM控制、1A白光LED恒流芯片SA7525PFC功率因素控制技领半导体上海有限公司ACT34US-T SOT23-6 65kHz 7W 0.3WProduction ACT351HQ-T SIP-4 Adjustable 2W < 0.3WSampling ACT353HQ-T SIP-4 Adjustable 3W < 0.3WSampling ACT355HQ-T SIP-4 Adjustable 3.5W < 0.3WSampling ACT50UC-T SOT23-5 65kHz 18W 0.3WProduction ACT50DH DIP-8 65kHz 30W 0.3WProduction华润矽威科技(上海) PT4107通用18V~450V市电输入,高亮度LED驱动器.PT411530V/1.2A,高调光比LED恒流驱动器深圳市明微电子有限公司SM16130 LED驱动控制电路SM16128 LED驱动控制电路SM16126C 16位恒流LED驱动器SM16126B 16位恒流LED驱动器SM74HC595 LED显示驱动专用集成电路SM8061 高效节能功率因子校正芯片。
led 驱动电源常用芯片1. led驱动电源的常用芯片LED(light emitting diode)在现代的照明系统中被广泛应用,因为它们具有高效节能、长寿命、低电压、高可靠性和易于调节亮度等优点。
LED驱动电源是将低电压、高电流(通常是几百mAh)转化为高电压和低电流(数十mH)来驱动LED的电源。
不同的LED驱动器需要不同的控制策略和电路设计,以匹配每个LED应用的特定需要。
本文将介绍LED驱动电源的常用芯片。
2. 交流-直流转换器芯片交流-直流转换器芯片(AC-DC Converter)通常用于LED灯泡或LED应用中,将交流电源转换为稳定的直流电源。
此类芯片的特点是相对便宜,有多种模式(如锁相环模式、控制输入模式)和保护功能(如过温、过流、过压保护等)。
常见的交流-直流转换器芯片有:LM2574、LM2675、LM3445、LM3914、LTC3129和LTC3830等。
3. 单片机芯片单片机芯片可用于驱动LED显示器、LED照明和LED背光等LED应用。
它们具有速度快、灵活性高、功耗低等优点。
单片机芯片通常可以通过程序来精确控制LED亮度、开/关时间、PWM宽度等参数,而无需传统电路中的RC电路或电阻等元件。
常用的单片机芯片有:AVR、PIC、STC、STM32和Arduino等。
4. 隔离控制芯片隔离控制芯片与交流-直流转换器芯片相似,但具有更高的安全性和稳定性,可用于可以承受一定电压的LED应用。
隔离转换器通过高频变压器来隔离输入和输出,可以在引入DC-DC转换器之前隔离载荷,从而实现保护驱动器和LED的目的。
常见的隔离型控制芯片有:UC3843、FAN7380、FAN7529、LM5035和LT8315等。
5. 电压调节器芯片电压调节器(Voltage Regulator)芯片是用于调节电压输出的电路。
LED驱动电源通常需要一个稳定的、可调节的输出电压,以提供所需的高电压来驱动LED。
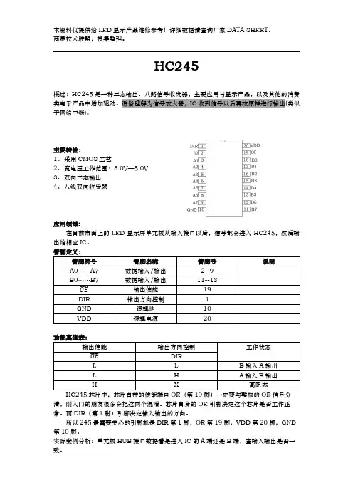
本资料仅提供给LED显示产品维修参考!详细数据请查询厂家DATA SHEET。
商显技术联盟,搜集整理。
HC245
概述:HC245是一种三态输出、八路信号收发器,主要应用与显示产品,以及其他的消费类电子产品中增加驱动。
通俗理解为信号放大器,IC收到信号以后再按原样进行输出(类似于网络中继)。
主要特性:
1、采用CMOS工艺
2、宽电压工作范围:3.0V—5.0V
3、双向三态输出
4、八线双向收发器
应用领域:
在目前市面上的LED显示屏单元板从输入接口以后,信号都会进入HC245,然后输出给相应IC。
管脚符号管脚名称管脚号说明
A0……A7 数据输入/输出2--9
B0……B7 数据输入/输出11--18
̅̅̅̅输出使能19
OE
DIR 输出方向控制 1
GND 逻辑地10
VDD 逻辑电源20
输出使能输出方向控制工作状态
̅̅̅̅DIR
OE
L L B输入A输出
L H A输入B输出
H X 高阻态
HC245芯片中,芯片自带的使能端口OE(第19脚)一定要与整板的OE信号分清,刚入门的朋友很多会把这两个混淆。
芯片自身的OE引脚决定这个芯片是否工作正常。
而DIR(第1脚)引脚决定输入输出的方向。
所以245最需要关心的引脚就是DIR第1脚,OE第19脚,VDD第20脚,GND 第10脚。
实际案例分析:单元板HUB接口数据看是进入IC的A端还是B端,查输入输出是否一致。
LED单元板上常见IC型号与作用:74HC245的作用:信号功率放大。
74HC138的作用:八位二进制译十进制译码器。
74HC595的作用:LED驱动芯片,8位移位锁存器。
4953的作用:行驱动管,功率管。
TB62726的作用:LED驱动芯片,16位移位锁存器。
LED显示屏常见故障与维修方法:1、整板不亮检查供电电源与信号线是否连接。
检查测试卡是否已识别接口,测试卡红灯闪动则没有识别,检查灯板是否与测试卡通电源地,或灯板接口有无信号与短路导致无法识别接口。
(智能测试卡)检测74HC245有无虚焊短路,245上对应的使能(EN)信号输入输出脚是否虚焊或短路到其它线路。
注:主要检查电源与使能(EN)信号。
2、在点斜扫描时,规律性的隔行不亮显示画面重叠检查A、B、C、D信号输入口到245之间是否有断线或虚焊、短路。
检测245对应的A、B、C、D输出端与138之间是否断路或虚焊、短路。
检测A、B、C、D各信号之间是否短路或某信号与地短路。
注:主要检测ABCD行信号。
3、全亮时有一行或几行不亮检测138到4953之间的线路是否断路或虚焊、短路。
4、在行扫描时,两行或几行(一般是2的倍数,有规律性的)同时点亮检测A、B、C、D各信号之间是否短路。
检测4953输出端是否与其它输出端短路。
5、全亮时有单点或多点(无规律的)不亮找到该模块对应的控制脚测量是否与本行短路。
更换模块或单灯。
6、全亮时有一列或几列不亮在模块上找到控制该列的引脚,测是否与驱动IC(74HC595/TB62726、、、)输出端连接。
7、有单点或单列高亮,或整行高亮,并且不受控检查该列是否与电源地短路。
检测该行是否与电源正极短路。
更换其驱动IC。
8、显示混乱,但输出到下一块板的信号正常检测245对应的STB锁存输出端与驱动IC的锁存端是否连接或信号被短路到其它线路。
9、显示混乱,输出不正常检测时钟CLK锁存STB信号是否短路。
检测245的时钟CLK是否有输入输出。
LED显示驱动芯片功能解析(一)2009-12-24 11:09LED显示屏驱动IC:台湾点晶科技DD311 单信道大功率恒流驱动IC最大1A最高耐压36V线DD312 单信道大功率恒流驱动IC最大1A最高耐压18V线DD313 三信道大功率恒流驱动IC 500mA R/G/B恒流驱动DM114A,DM115A 新版8位驱动IC 主要是用于屏幕及灯饰DM115B 通用8位恒流驱动IC 恒流一致性及稳定性高DM11C 8位驱动IC 具有短断点侦测及温度保护功能,屏DM13C 16位驱动IC 具有短断点侦测及温度保护功能,屏DM134,DM135, DM136 16位驱动IC 主要用于LED屏幕及护栏管聚积科技公司:MBI5024 面对低端客户16位LED屏幕、护栏灯管恒流驱动IC I5025 16位最大45mALED屏幕、护栏灯管恒流驱动ICMBI5026 16位最大90mA LED屏幕、护栏灯管恒流驱动IC广鹏科技公司:AMC7140 5-50V DC&DC 最大500mA电流可调,1颗或多颗LED驱AMC7150 5-24V DC&DC 最大1.5A固定式, 1-3颗LED驱动台晶科技:T6317A MR16-1W 7-24V 350mA 1W多颗驱动ICT6325A MR16-3/5W 7-24V 700mA 多颗LED驱动IC东芝公司:TB62726AN/AF 16位全彩LED大屏幕TB62726ANG/AFG 16位全彩LED大屏幕彩LED大屏幕带断、短路侦测及温度保护IR 国际整流器公司:IRS2540 200V市电直驱1W多颗LED驱动IC,500mA IRS2541美国超科公司 (Supertex):HV9910 高压大功率直驱LED恒流器件HV9931 高压双向检测大功率直驱LED恒流IC,可PWM灰度调节杭州士兰微电子有限公司:SB16726 16位恒流驱动全彩屏幕ICSC16722 可级连、大电流输出的专用LED驱动电路SB42351 350mA低压差白光固定式LED驱动芯片SB42510 PWM控制、1A白光LED恒流芯片QX9910 大功率20MA-2A,2.5V-220V直驱恒流ICQX9920 2.5V-220V可编程LED 驱动电流,编程范围为10mA到1A QX62726 LED大屏幕16位移位恒流驱动SM16126B 16位恒流移位寄存器,应用于LED屏幕及灯饰产品LED屏幕配套部分逻辑IC,飞利浦些列:74HC595D 逻辑8位移位寄存器74HC245D 3态8总线收发器74HC138D 3-8线译码器、多路转换74HC164D 8位移位寄存器(串进并出)74HC04D 逻辑6非门74HC08D 逻辑6非门驱动器74HC244D 8缓冲/线驱动/线接收(3态)LED屏幕配套部分 MOS管:MT4953 台湾茂钿APM4953 台湾茂达GE4953 深圳捷托74HC5951 、描述 74HC595是硅结构的CMOS器件,兼容低电压TTL电路,遵守JEDEC标准。
上海元国光电科技常用器件的介绍随着LED显示屏工程商越来越多,生意越做越火爆,显示屏的问题也水涨船高,通常最头疼的问题就是显示屏的主要组成部分:单元板,新手一般不知道LED单元板维修时从哪里下手,围绕这个问题,我们总结了一下常见的问题及排除,提起74HC595,我想大家都不陌生,595也就是单元板的模块或者灯珠的垂直驱动芯片,一般单元板出现垂直一组灯不亮或者常亮,基本上都是这个芯片出现了问题或者虚焊,我们再来介绍下4953,它的作用是模块或者灯珠的行驱动,当LED单元板出现水平一条或者两条灯不亮的现象,也就是4953这个芯片的问题,至于其它芯片的作用及介绍,如下所述:1.IC的管脚功能IC芯片分别:74HC245、74HC595、74HC138、74HC04、4953。
各IC管脚功能如下:A: 74HC245功能是放大及缓冲。
各引脚如图120 和1接电源(+5V)19脚和10脚接电源地(GND)当电源是以上接时:输入脚分别为2、3、4、5、6、7、8、9。
输出脚分别为11、12、13、14、15、16、17、18注:2脚输入时,18脚输出。
其它脚以此类推。
B:74HC138功能是8选1译码器,输出为8行。
控制行数据。
各引脚如图2第8脚GND,电源地。
第16脚VCC,电源正极第1-3脚A、B、C输入脚。
第4-6脚选通输入端,(一般第5脚为EN )9-15脚和第7脚输出端。
C:74HC595功能是8位串入、并出移位寄存器。
控制列数据。
各引脚如图316脚和10脚接电源(+5V),13脚和8脚接电源地(GND)。
列信号输出脚:1、2、3、4、5、6、7、15。
第一列输出脚为7脚,以此类推。
另第八列输出脚为15脚。
数据信号输入脚(Din)为14,数据信号输出脚(Din)为9。
锁存信号脚(L)为12脚,移位信号脚为11脚。
D:74HC04功能是六带缓冲反相器,控制使零信号(EN)。
各引脚如下图15脚接电源(+5V),7脚电源地(GND)。
LED显示屏驱动芯片的各类及应用1 引言LED显示屏主要是由发光二极管(LED)及其驱动芯片组成的显示单元拼接而成的大尺寸平面显示器。
驱动芯片性能的好坏对LED显示屏的显示质量起着至关重要的作用。
近年来,随着LED市场的蓬勃发展,许多有实力的IC厂商,包括***的东芝(TOSHIBA)、索尼(SONY),美国的德州仪器(T1),台湾的聚积(M Bl)和点晶科技(SITl)等,开始生产LED专用驱动芯片。
2 驱动芯片种类LED驱动芯片可分为通用芯片和专用芯片两种。
所谓的通用芯片,其芯片本身并非专门为LED而设计,而是一些具有LED显示屏部分逻辑功能的逻辑芯片(如串-并移位寄存器)。
而专用芯片是指按照LED发光特性而设计专门用于L ED显示屏的驱动芯片。
LED是电流特性器件,即在饱和导通的前提下,其亮度随着电流的变化而变化,而不是靠调节其两端的电压而变化。
因此专用芯片一个最大的特点就是提供恒流源。
恒流源可以保证LED的稳定驱动,消除LED的闪烁现象,是LED显示屏显示高品质画面的前提。
有些专用芯片还针对不同行业的要求增加了一些特殊的功能,如亮度调节、错误检测等。
本文将重点介绍专用驱动芯片。
2.1通用芯片通用芯片一般用于LED显示屏的低档产品,如户内的单色屏,双色屏等。
最常用的通用芯片是74HC595。
74HC595具有8位锁存、串—并移位寄存器和三态输出。
每路最大可输出35mA的电流(非恒流)。
一般的IC厂家都可生产此类芯片。
显示屏行业中常用Motorola(Onsemi),Philips及ST等厂家的产品,其中Motorola的产品性能较好。
2.2专用芯片专用芯片具有输出电流大、恒流等特点,比较适用于电流大,画质要求高的场合,如户外全彩屏、室内全彩屏等。
专用芯片的关键性能参数有最大输出电流、恒流源输出路数、电流输出误差(bit-bit,chip-chip)和数据移位时钟等。
●最大输出电流目前主流恒流源芯片的最大输出电流多定义为单路最大输出电流,一般在9 0mA左右。
LED显示屏驱动芯片的各类及应用1 引言LED显示屏主要是由发光二极管(LED)及其驱动芯片组成的显示单元拼接而成的大尺寸平面显示器。
驱动芯片性能的好坏对LED显示屏的显示质量起着至关重要的作用。
近年来,随着LED市场的蓬勃发展,许多有实力的IC厂商,包括日本的东芝(TOSHIBA)、索尼(SONY),美国的德州仪器(T1),台湾的聚积(MBl)和点晶科技(SITl)等,开始生产LED专用驱动芯片。
2 驱动芯片种类LED驱动芯片可分为通用芯片和专用芯片两种。
所谓的通用芯片,其芯片本身并非专门为LED而设计,而是一些具有LED显示屏部分逻辑功能的逻辑芯片(如串-并移位寄存器)。
而专用芯片是指按照LED发光特性而设计专门用于LED显示屏的驱动芯片。
LED是电流特性器件,即在饱和导通的前提下,其亮度随着电流的变化而变化,而不是靠调节其两端的电压而变化。
因此专用芯片一个最大的特点就是提供恒流源。
恒流源可以保证LED的稳定驱动,消除LED的闪烁现象,是LED显示屏显示高品质画面的前提。
有些专用芯片还针对不同行业的要求增加了一些特殊的功能,如亮度调节、错误检测等。
本文将重点介绍专用驱动芯片。
2.1通用芯片通用芯片一般用于LED显示屏的低档产品,如户内的单色屏,双色屏等。
最常用的通用芯片是74HC595。
74HC595具有8位锁存、串—并移位寄存器和三态输出。
每路最大可输出35mA的电流(非恒流)。
一般的IC厂家都可生产此类芯片。
显示屏行业中常用Motorola(Onsemi),Philips及ST等厂家的产品,其中Motorola的产品性能较好。
2.2专用芯片专用芯片具有输出电流大、恒流等特点,比较适用于电流大,画质要求高的场合,如户外全彩屏、室内全彩屏等。
专用芯片的关键性能参数有最大输出电流、恒流源输出路数、电流输出误差(bit-bit,chip-chip)和数据移位时钟等。
●最大输出电流目前主流恒流源芯片的最大输出电流多定义为单路最大输出电流,一般在90mA左右。