公路桥梁中钻孔灌注桩的造价分析
- 格式:docx
- 大小:27.87 KB
- 文档页数:2
钻孔灌注桩价格算法钻孔灌注桩是一种常用的地基处理方法,它主要用于增加建筑物的承载力和稳定性。
在施工过程中,一个重要的问题是确定钻孔灌注桩的价格。
本文将介绍一种常用的钻孔灌注桩价格算法。
首先,钻孔灌注桩的价格计算主要包括以下几个方面:1. 材料成本:钻孔灌注桩的主要材料包括钢筋、混凝土和灌浆材料。
材料成本的计算要考虑到材料的数量和价格,可以通过询价或者与供应商直接沟通来获得准确的材料价格。
2. 劳动力成本:钻孔灌注桩的施工需要一定的劳动力,劳动力成本是根据工程师、技术工人和助理的工资来计算的。
此外,还需要考虑到人员的工作时间和工期等因素。
3. 设备租赁费用:钻孔灌注桩的施工需要使用各种设备,例如钻机、混凝土泵车等。
设备租赁费用的计算要考虑到设备的租赁时间和单价。
4. 管理费用:钻孔灌注桩施工过程中需要进行管理和监督,管理费用通常是按照工程总造价的一定比例来计算的。
除了上述几个方面,还有一些其他因素也会影响钻孔灌注桩的价格,例如地质情况、施工难度、地段等。
对于这些因素的考虑,可以根据过往的经验和相关的工程数据来估算。
此外,还可以考虑一些综合因素,例如供需关系、竞争情况等。
钻孔灌注桩价格算法一般可以通过以下几个步骤来进行:1. 确定材料成本:根据钻孔灌注桩的设计要求,计算需要的钢筋、混凝土和灌浆材料的数量,再根据材料的价格计算材料成本。
2. 计算劳动力成本:根据施工计划和工作量,计算需要的工程师、技术工人和助理的工作时间和工资,然后计算劳动力成本。
3. 计算设备租赁费用:根据施工计划和设备的租赁时间,计算设备租赁费用。
4. 计算管理费用:根据工程总造价的一定比例来计算管理费用。
5. 考虑其他因素:根据地质情况、施工难度、地段等因素,进行适当的调整。
最后,将以上几个方面的成本加总,即可得到钻孔灌注桩的总价格。
需要注意的是,钻孔灌注桩的价格计算是一个复杂的过程,需要基于实际情况进行综合考虑和估算。
不同地区和不同工程的价格可能存在差异,因此在计算价格时建议详细了解相关的市场行情和工程要求。
钻孔灌注桩单价分析钻孔灌注桩作为一种常用的地基处理方法,在建筑工程中扮演着重要的角色。
钻孔灌注桩的设计和施工过程需要考虑多个因素,其中之一便是单价分析。
本文将从不同角度对钻孔灌注桩的单价进行分析,为工程项目的预算和决策提供参考。
首先,钻孔灌注桩的单价受到多个因素的影响,包括但不限于地质条件、工程规模、技术要求、材料选择等。
不同地质条件下的钻孔灌注桩单价相差较大。
地质条件好的地区,施工难度低,材料消耗少,单价较低;而地质条件复杂的地区,施工难度大,材料消耗多,单价较高。
此外,工程规模的大小也会直接影响单价。
通常情况下,工程规模越大,单价会相对较低,因为可以实现规模经济效应。
而技术要求和材料选择也会对单价产生影响。
高难度的技术要求会增加施工难度和成本,而特殊材料的选择也会导致单价上升。
其次,钻孔灌注桩的单价还与施工单位的经验和技术水平有关。
经验丰富、技术水平较高的施工单位通常能够有效控制施工成本,并提供较低的单价。
相反,初次进入市场或技术水平较低的施工单位可能无法高效施工,成本较高,从而导致单价偏高。
因此,在选择施工单位时,需要综合考虑其经验和技术水平,以确保施工质量和单价的合理性。
此外,钻孔灌注桩单价分析还需考虑当地市场竞争情况。
在一个竞争激烈的市场环境下,施工单位之间为争夺工程项目可能会降低单价,以获得竞争优势。
因此,工程项目所在地的市场竞争程度也会对钻孔灌注桩的单价产生影响。
最后,进行钻孔灌注桩单价分析时,还应结合不同阶段的工程成本。
钻孔灌注桩的施工过程通常包括前期勘察、设计、施工准备和实际施工等多个阶段。
每个阶段的成本都应该纳入考虑范围,以便全面评估钻孔灌注桩的单价。
总结来说,钻孔灌注桩的单价分析是一个综合考量多个因素的过程。
地质条件、工程规模、技术要求、材料选择、施工单位的经验和技术水平、市场竞争情况以及不同阶段的工程成本都会对单价产生影响。
合理的单价分析能够为工程项目的预算和决策提供重要参考,以确保工程质量和经济效益的平衡。
钢筋混凝土灌注桩(旋挖钻成孔)成本测算一、人工费(288.81元/m)1. 旋挖钻成孔(土质:砂砾)旋挖钻成孔(针对土质砂砾情况)的人工费用为146元/m。
操作人员精准控制设备,以确保孔的垂直度、深度等符合工程要求。
2. 钢筋制作、绑扎0.8元/Kg*47Kg/m=37.6元/m0.8元/Kg是钢筋制作和绑扎的人工单价,47Kg/m是每米桩孔所需的钢筋量。
工人需要按照设计要求将钢筋裁剪、弯曲并准确绑扎,以保证灌注桩的结构强度。
3.桩孔灌注混凝土32元/m³*0.79m³/m*1.15=29.07元/m其中,32元/m³是混凝土灌注的基本人工单价,0.79m³/m是每米桩孔(直径1m)所需的混凝土量,1.15是考虑到施工过程中的损耗等因素的系数。
工人需要精心操作灌注设备,确保混凝土均匀、密实灌注到桩孔内。
4. 凿桩头145元/个÷23m=6.30元/m145元/个是每个凿桩头的人工单价,23m是桩的平均长度,此处把凿桩头折算到单米里面。
凿桩头工作是在灌注桩施工完成后,为了保证桩顶的质量和符合设计标高要求而进行的。
每个桩头的凿除都需要工人使用专门的工具,并且要小心操作,避免对桩体造成不必要的破坏。
5. 泥渣外运(暂定15Km)52元/m³*0.79m³/m*1.7=69.84元/m泥渣外运涉及到将桩孔施工过程中产生的泥渣运输到指定地点,距离暂定15Km,需要人工进行装载、运输过程中的监管等工作,而且运输距离的远近也会影响到人工成本的高低。
二、材料费(504.69元/m)1. 钢筋(综合)3.8元/Kg*47Kg/m*1.02=182.17元/m3.8元/Kg是钢筋的单价,47Kg/m是每米桩孔的钢筋用量,1.02是考虑到可能的材料余量等因素的系数。
2. C30混凝土355元/m³*0.79m³/m*1.15=322.52元/m 355元/m³是C30混凝土市场采购价格,0.79m³/m是每米桩孔的用量,1.15是考虑了材料损耗等因素的系数。
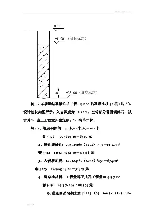
例二:某桥涵钻孔灌注桩工程,φ1200钻孔灌注桩50根(陆上),设计桩长如图所示,入岩深度为D=,空转部分需回填碎石,试计算:1、施工工程量并套定额;2、清单计价。
解:1、埋设钢护筒:50只×2米/只=100米套3-108 100×834÷10=8340元2、钻孔桩成孔:25××(÷2)2×50=套3-122 ×1232÷10=174168元3、入岩增加费:××(÷2)2×50=套3-125 ×4505÷10=30589元4、泥浆池搭拆:工程量等于成孔工程量= m3套3-136 ×24÷10=3393元5、灌注商品混凝土水下C25:(25-1+×)××(÷2)2×50=套3-140 ×3004÷10=417886元6、桩孔回填:(1-×)××(÷2)2×50=套3-193h ×739×÷10=1169元7、泥浆外运:工程量等于成孔工程量= m3套土2-78 ×=88074元表1—2 分部分项工程量清单及计价表(号清单)建设单位和工程名称:专业工程名称:第页共页表2—1 分部分项工程量清单综合单价分析表建设单位和工程名称:第页共页表2—3 分部分项工程量清单综合单价计算表建设单位和工程名称:计量单位:m项目编码:0001 工程数量:1200项目名称:机械成孔灌注桩(φ1200,25m )综合单价:682元/m。
例二:某桥涵钻孔灌注桩工程,φ1200钻孔灌注桩50根(陆上),设计桩长如图所示,入岩深度为D=1.2m,空转部分需回填碎石,试计算:1、施工工程量并套定额;2、清单计价。
解:1、埋设钢护筒:50只×2米/只=100米套3-108 100×834÷10=8340元2、钻孔桩成孔:25×3.1416×(1.2÷2)2×50=1413.7m3套3-122 1413.7×1232÷10=174168元3、入岩增加费:1.2×3.1416×(1.2÷2)2×50=67.9m3套3-125 67.9×4505÷10=30589元4、泥浆池搭拆:工程量等于成孔工程量=1413.7 m3套3-136 1413.7×24÷10=3393元5、灌注商品混凝土水下C25:(25-1+0.5×1.2)×3.1416×(1.2÷2)2×50=1391.1m3套3-140 1391.1×3004÷10=417886元6、桩孔回填:(1-0.5×1.2)×3.1416×(1.2÷2)2×50=22.6m3套3-193h 22.6×739×0.7÷10=1169元7、泥浆外运:工程量等于成孔工程量=1413.7 m3套土2-78 1413.7×62.3=88074元表1—2 分部分项工程量清单及计价表(号清单)建设单位和工程名称:专业工程名称:第页共页表2—1 分部分项工程量清单综合单价分析表建设单位和工程名称:第页共页表2—3 分部分项工程量清单综合单价计算表建设单位和工程名称:计量单位:m 项目编码:040301007001 工程数量:1200项目名称:机械成孔灌注桩(φ1200,25m )综合单价:682元/m。
桩基础成本分析随着社会经济的发展进步,机械替换人工是一种必然产物,机械替代人工的必要条件是用机械所投入的费用比人工所投入的费用要少,而机械所做的工作要比人工多而且快。
目前基础桩基本不采用人工挖孔桩,都是采用机械挖孔代替人工挖孔桩。
下面针对人工挖孔与机械挖孔费用进行分析比较。
一、人工挖孔桩成本分析桥墩桩径为1.5米的灌注桩,桩长为10米,由人工挖孔所产生的费用计算如下:1、目前人工挖孔工费市场价格为每立方180元,人工灌注砼按20元每立方(必须是商品砼并天泵送砼),C25砼按360兀每立方,钢筋按5500元每吨,电费按1元每度。
2、人工挖桩径1.5米的桩,按本桥人工挖孔桩基护壁设计图要求实际桩径应挖1.96米(两侧各加宽23cm做护壁,详见设计图)。
3、人工挖桩径1.5米的桩每米所产生的费用二人工费+C20砼材料费+ 护壁砼内钢筋材料费+地下排水电费+灌注砼人工费4、计算工式如下:(1)、人工挖土方费用(包人工挖土方及人工护壁)3.14x0.982x1x180 元/m3=542.8 元(2)、C25砼材料费(由设计图给出的每延米量):1.02x1x360 元/m3=367.2 元(3)、钢筋费用每米按66.7kg计算(由设计图给出的每延米量)66.7 x1x5.5 元/kg=366.85 元(4) 、人工灌砼费用:3.14X0.752X1X20元/m3=35.3 元(5) 、地下水排出电费,按10天一根桩计算,每天电费算48度48x10x1 元/度/10 米=48 元人工挖孔桩费用每米是:542.8+367.2+366.85+35.3+48=1360元5、一根10米的桩人工挖孔总费用是:1360 x10=13600元。
本桥桥墩人工挖孔桩费用共计42米x1360=57120元6、人工挖孔工期长、费用高、操作人员多、危险性大,且本桥桥墩全部位于河床内,地质软弱、渗水大,人孔挖孔可行性极小。
二、旋挖钻机成本分析桩径为150的灌注桩,桩长为10米,用旋挖钻孔(中联250B 型旋挖机)所产生的费用计算如下:1、桩径为150的灌注桩目前旋挖钻孔工费市场价格为每米1100元,包成孔、灌注砼,一次成形。
钻孔灌注桩价格算法钻孔灌注桩是一种常见的基础施工方式,广泛应用于建筑工程中。
在进行施工前,需要准确计算钻孔灌注桩的价格,以保证工程的经济效益和质量。
钻孔灌注桩价格的算法与多个因素有关,以下是一些主要因素:1. 桩的尺寸和数量:钻孔灌注桩的尺寸和数量是计算价格的关键因素。
通常,桩的直径和长短会直接影响材料和施工成本。
较大直径的桩一般需要更多的材料和施工时间,因此价格会相应增加。
2. 施工难度:施工难度也会影响钻孔灌注桩的价格。
例如,如果施工现场地势复杂、地质条件差或存在其他施工难题,那么施工团队需要投入更多的人力和资源来完成工作,从而导致价格的增加。
3. 施工材料:钻孔灌注桩的价格还受到所使用的施工材料的影响。
一般来说,桩的制作材料主要有混凝土和钢筋。
这些材料的质量和价格都会对总体价格产生影响。
4. 工期要求:如果项目对工期有较严格的要求,那么施工团队需要投入更多的时间和资源来保证按时完成工作,这也可能会增加钻孔灌注桩的价格。
在实际计算钻孔灌注桩的价格时,可以采用以下算法:1. 首先,确定需要建设的桩的数量和尺寸。
根据设计图纸和施工要求,计算出每个桩的直径、长度以及总的数量。
2. 然后,根据所在地区的市场行情,查询相关的材料和劳务的价格。
这些价格可在市场上进行调查或咨询相关供应商以获得。
3. 将每个桩的材料成本与劳务成本相加,得出单个桩的总成本。
4. 将每个桩的总成本相加,得出所有桩的总成本。
5. 最后,根据项目的工期要求和施工难度,进行必要的调整。
需要注意的是,以上算法只是一个基本的参考。
实际的价格计算可能会因工程的具体要求和地区的市场情况而有所不同。
因此,在进行价格计算时,与专业的施工团队和供应商进行进一步的沟通和商议,以获得更准确的价格估算。
总结起来,钻孔灌注桩价格的算法主要涉及桩的尺寸和数量、施工难度、施工材料和工期要求等因素。
在实际计算时,需结合工程实际情况和市场行情,与专业团队和供应商进行充分的沟通和商讨,以确保价格的准确性和合理性。
钻孔灌注桩工艺与成本分析摘要:近年来,我国的经济增长迅速,钻孔灌注桩因为良好的性能被广泛的应用在了高层建筑,桥梁等重要工程建设中。
因为钻孔灌注桩是工程建设的基础,所以如何保障钻孔灌注桩的质量成为保障工程建设质量的重要方面。
但是,在目前的工程建设中对于桩基的质量控制还是存在一定的问题,控制手段还有待提高。
由此引发的钻孔灌注桩的质量问题会给国家和人民的财产带来巨大的损失。
如何改进施工工艺,提高管理能力手段,保障桩基的质量成为一个亟待解决的问题。
为此,详细的介绍了如何在工程中管理施工工艺,提升工程质量,保障钻孔灌注桩的建设质量。
关键词:钻孔灌注桩;施工工艺;质量控制钻孔灌注桩技术作为新兴的技术,在公路工程建设中被广泛的应用。
主要的技术施工方式是:用钻孔机械钻出桩孔,随后将泥浆灌注到钻孔内,其灌注泥浆的作用就在于稳定和保护孔壁。
孔壁上悬浮的泥石渣碎屑会随着泥浆的循环被排出孔外,最后在钻孔中放入钢筋骨架,浇筑上混凝土,待凝固之后,桩体就会有较好的稳定性,从而达到公路工程的质量要求。
这一技术因具有抗震性强、承载力强、对环境影响小的特点,在使用中效果显著,减少了施工面积,在施工设备和材料上的投资也减少,大大节省了施工成本,也缩短了工期。
1钻孔灌注桩技术的划分与特征对于钻孔灌注桩技术的划分可以从护臂形式的不同进行划分,分为:①全套管钻孔灌注桩,这种方式比较新颖,并且方式较为简单,与其他方式相比,少了钻孔清理和制备泥浆的过程,可以直接安装钻机进行套筒内的工作,这种方式的特点包括简便和快捷,能有效地保障工程的质量,在对质量要求严格的今天,泥浆壁钻孔灌装柱的技术应用更为广泛。
②泥浆壁钻孔灌装柱,这一技术方式相比较为传统,首先要对泥浆按照一定的比例进行配料,主要作用是要达到冷却钻头、悬浮砖渣的作用。
在实际施工操作中,这一技术的使用也有利于保护钻具和润滑器械,并对各个环节进行紧密衔接和及时监控,避免公路塌陷。
就以上两种方式进行分析,总结了钻孔灌注桩技术的特征,表现在几个方面:①在施工场地,产生的噪音小、震动小,对周边环境的污染也较低,有较强的抗震性。
0.00-1.00 (桩顶标高)例二:某桥涵钻孔灌注桩工程, 机200钻孔灌注桩50根(陆上),设计桩长如图所示,入岩深度为 D=1.2m ,空转部分需回填碎石, 试计算:1、施工工程量并套定额;2、清单计价。
解:1、埋设钢护筒:50只怎米/只=100米套 3-108100 >834 勻0 = 8340 元2、 钻孔桩成孔:25 >3.1416 X (1.2 吃)2 >50 = 1413.7m 3套 3-122 1413.7 X1232 勻0 = 174168 元3、 入岩增加费:1.2 X 3.1416 X (1.2 吃)2X50 = 67.9m 3套 3-12567.9 >4505 勻0 = 30589 元D-25.00 (桩底标高) V 74、泥浆池搭拆:工程量等于成孔工程量=1413.7 m 3套 3-136 1413.7 X24 勻0 = 3393 元5、灌注商品混凝土水下C25 : (25 — 1+0.5 X.2 )X3.1416 X(1.2 炮)2 X50 = 1391.1m 3套 3-140 1391.1 X3004 W O = 417886 元6、桩孔回填:(1 — 0.5 X.2 ) X3.1416 X( 1.2 吃)2 X50 = 22.6m 3套 3-193h 22.6 X739 X).7 W O = 1169 元7、泥浆外运:工程量等于成孔工程量=1413.7 m 3套土 2-78 1413.7 X62.3=88074 元表1 — 2分部分项工程量清单及计价表(号清单)建设单位和工程名称:表2—1分部分项工程量清单综合单价分析表建设单位和工程名称: 第页共页表2 — 3分部分项工程量清单综合单价计算表建设单位和工程名称: 计量单位:m 项目编码:040301007001 工程数量:1200 项目名称:机械成孔灌注桩($1200 , 25m ) 综合单价:682 元/m。
钻孔灌注桩工程成本分析1. 引言本文对钻孔灌注桩工程的成本进行分析,旨在为工程管理人员提供一个全面的了解和决策依据。
钻孔灌注桩是一种常用的地基处理方法,能够增加地基的承载能力和稳定性。
然而,钻孔灌注桩工程的成本也是需要考虑的重要因素。
本文将从主要成本项和影响因素两个方面进行分析。
2. 主要成本项钻孔灌注桩工程的成本主要包括以下几个方面:2.1 材料费用在钻孔灌注桩工程中,需要大量使用钢筋、混凝土等材料。
这些材料的质量和价格将直接影响工程的成本。
在选择材料供应商时,需要考虑价格、交货时间和质量保证等因素,以确保材料的可靠性和经济性。
2.2 劳动力费用钻孔灌注桩工程需要大量的劳动力投入,包括钻孔师傅、灌注工人、监工等。
劳动力的数量和工作时间将直接影响工程的成本。
此外,必须确保工人的安全和培训,以避免事故发生,增加工程成本。
2.3 设备费用钻孔灌注桩工程需要使用各种设备,如钻机、搅拌机、起重机等。
设备的质量和租赁价格将成为工程成本的重要因素。
选择合适的设备,并保持设备的良好状态,将能够降低工程成本和减少故障率。
2.4 监理费用钻孔灌注桩工程的监理工作是确保工程质量和进度的关键。
监理工作涉及到人员培训、现场检查和监测等。
监理费用的合理安排将为工程的顺利进行提供保障。
3. 影响因素除了主要成本项之外,还有一些重要的影响因素会对钻孔灌注桩工程的成本产生影响。
3.1 工程规模工程规模是衡量钻孔灌注桩工程成本的重要指标。
较大规模的工程会有更高的材料和劳动力投入,从而导致成本的增加。
3.2 施工环境施工环境对钻孔灌注桩工程的成本具有显著影响。
复杂的地质条件、水文地质条件、交通条件等都会增加施工的难度和工程的成本。
3.3 工期要求工期要求是衡量钻孔灌注桩工程成本的重要因素之一。
较短的工期要求可能需要增加劳动力和设备的投入,从而增加成本。
3.4 技术要求钻孔灌注桩工程的技术要求会直接影响工程成本。
更高的技术要求可能需要使用更先进的设备和施工工艺,从而增加成本。
例二:某桥涵钻孔灌注桩工程,φ1200钻孔灌注桩50根(陆上),设计桩长如图所示,入岩深度为D=1.2m,空转部分需回填碎石,试计算:1、施工工程量并套定额;2、清单计价。
解:1、埋设钢护筒:50只×2米/只=100米套3-108 100×834÷10=8340元2、钻孔桩成孔:25×3.1416×(1.2÷2)2×50=1413.7m3套3-122 1413.7×1232÷10=174168元3、入岩增加费:1.2×3.1416×(1.2÷2)2×50=67.9m3套3-125 67.9×4505÷10=30589元4、泥浆池搭拆:工程量等于成孔工程量=1413.7 m3套3-136 1413.7×24÷10=3393元5、灌注商品混凝土水下C25:(25-1+0.5×1.2)×3.1416×(1.2÷2)2×50=1391.1m3套3-140 1391.1×3004÷10=417886元6、桩孔回填:(1-0.5×1.2)×3.1416×(1.2÷2)2×50=22.6m3套3-193h 22.6×739×0.7÷10=1169元7、泥浆外运:工程量等于成孔工程量=1413.7 m3套土2-78 1413.7×62.3=88074元表1—2 分部分项工程量清单及计价表(号清单)建设单位和工程名称:专业工程名称:第页共页表2—1 分部分项工程量清单综合单价分析表建设单位和工程名称:第页共页表2—3 分部分项工程量清单综合单价计算表建设单位和工程名称:计量单位:m项目编码:040301007001 工程数量:1200项目名称:机械成孔灌注桩(φ1200,25m )综合单价:682元/m。
钻孔灌注桩直径一米的单价是多少钻孔灌注桩1米直径的一般钢筋含量每米在40---65KG之间,一般应该在55KG的比较多些,现在钢筋出场价格在4000元每吨左右,需要加200元左右的运费和其他费用,制作加工费用500元。
所以钢筋笼成型需要260元左右,成孔含泥浆制作运输混凝土灌注等等我不说那么详细了,成本价格含钢筋笼子制作已经入孔应该在800元左右,如果需要处理地方关系需要900元就足够了。
这是包工队所需要价格。
你如果是总承包商,给外包队900足够了。
但是对于一个国营一级资质企业的话需要1150-1400元都是正常的。
少于1100对于大型企业就没必要去接了。
对于一个小企业或者是自己有钻机的小老板。
800都可以凑合干。
我之所以不好回答你,因为不知道你是什么企业,另外对于打桩所在地情况不了解,还有具体有多少根桩,如果只有几根1500也不干。
如果有几千根1000也可以商量。
如果想了解详细可以补充你哪里的详细情况直径1.6米钻孔灌注桩成孔单价多少?不含钢筋制作钻孔灌注桩的成孔单位与地质条件、施工环境、所选用的施工方法、施工地域等均有密切的关系,一般不入岩的情况下,直径1.6m的钻孔桩每米成孔单价大概在350至500元,如入岩则需要根据岩石性质、强度、深度等综合考虑。
机械钻孔灌注桩大小直径施工承包价格?这个价格是要根据实际地层来决定的,孔深,直径,入岩深度,很多实际情况才能决定这个价格的,不是一句话两句话就可以定下来的事情。
桥梁圆形双柱墩施工,钻孔桩直径1.8米,钻孔灌注桩一般采用什么机械,型号多少?目前一般采用回旋钻、冲击钻、旋挖钻三种方式,型号无所谓。
主要看是什么地质情况。
1、回旋钻钻机按照泥浆的循环方式:分正循环钻机和反循环钻机。
正循环钻机适用于黏土、粉土、砂性土等各类土层的桥墩的桩基施工。
反循环钻机适用于粘性土、砂性土、卵石土和风化岩层,但卵石粒径少于钻杆内径的2/3,且含量不大于20%。
2、冲击钻:冲击式钻机是灌注桩基础施工的一种重要钻孔机械,它能适应各种不同地质情况,特别是卵石层中钻孔,冲击式钻机较之其它型式钻机适应性强。
钻孔灌注桩底加固综合单价1. 引言钻孔灌注桩底加固是一种常用的地基处理方法,用于增加地基承载力,提高建筑物的稳定性。
本文将介绍钻孔灌注桩底加固综合单价的计算方法和相关要素。
2. 计算方法钻孔灌注桩底加固综合单价的计算主要包括以下几个方面的考虑:2.1 钻孔灌注桩数量首先,需要确定钻孔灌注桩的数量。
这取决于地基的特性、建筑物的荷载要求以及设计要求等。
2.2 钻孔灌注桩的直径和深度钻孔灌注桩的直径和深度是计算综合单价的重要参数。
直径越大、深度越深,通常意味着成本越高。
2.3 灌注材料钻孔灌注桩底加固的灌注材料可以是水泥浆、砂浆等。
选择合适的灌注材料需要考虑其强度、耐久性和成本等因素。
2.4 施工工艺施工工艺包括钻孔、灌注和固结等步骤。
不同的施工工艺和施工条件会对综合单价产生影响,例如施工难度、人工成本和设备使用等。
3. 相关要素3.1 土质测试在进行钻孔灌注桩底加固前,通常需要进行土质测试,以了解地基的物理性质和工程性质。
土质测试包括土壤取样、承载力试验和地基水文勘测等。
3.2 设计要求钻孔灌注桩底加固的设计要求是指建筑物的荷载要求和地基的承载力要求。
根据设计要求确定合适的桩径和桩深,以及灌注材料的强度等。
3.3 施工条件施工条件包括场地情况、施工时间和施工环境等因素。
施工条件的不同会对施工工艺和综合单价产生影响。
4. 综合单价计算示例以下是钻孔灌注桩底加固综合单价的示例计算步骤:1. 假设需要灌注10根钻孔灌注桩,直径为1米,深度为10米。
2. 选择水泥浆作为灌注材料,以确保强度和耐久性。
3. 根据设计要求和土质测试结果确定桩径和桩深。
4. 根据施工条件确定施工工艺,并考虑施工难度和设备使用情况。
5. 根据以上要素计算每根钻孔灌注桩底加固的综合单价。
5. 结论钻孔灌注桩底加固综合单价的计算涉及多个要素,包括钻孔灌注桩的数量、直径和深度,灌注材料的选择以及施工工艺和施工条件等。
综合考虑这些要素,可以得出合理的综合单价,为工程项目的实施提供参考。
公路桥梁中钻孔灌注桩的造价分析摘要:钻孔灌注桩,是公路桥梁建设中一项隐蔽性极强的工程,它的质量要求高,但工程较为复杂。
所以,在整个工程施工期间,为了严格把控工程投资费用,应结合工程建设中技术要求、灌注材料、人员素质等多种因素,对工程造价的影响,严格把控公路桥梁施工中的钻孔灌注桩直接费用、间接费用、利润、税金等等。
同时,在具体的造价分析期间,结合钻孔灌注桩造价计算应注意的问题,科学部署造价分析工作,以期降低整个工程造价。
关键词:公路桥梁;钻孔灌注桩;造价前言:近年来,钻孔灌注桩在公路桥梁建设中得到了广泛应用,它作为一种新型施工技术手段,可应用于不同土质施工环境下,而桩的截面形状也可分为梅花形、圆形等不同类型。
即钻孔灌注桩的施工行为较为复杂,所以,在钻孔灌注桩造价控制作业中,为了缓解造价与成本间的矛盾,应提高经济性施工意识。
同时,不断优化桥梁建设中的造价分析方法,且遵从《公路工程预算定额》(JTG/TB06-02-2007)相关规定,严格把控其造价信息。
一、公路桥梁造价计算应注意的一些问题在公路桥梁造价计算中应注意以下几点问题:第一,在工程造价方案编制过程中,应先明确编制原则。
同时,组成一个工程造价管理协会,专门负责工程的工艺方法、施工条件、地质情况等调研工作。
然后,结合调研数据,完善工程造价所需编制的内容,且确定工程造价使用范围;第二,基于公路桥梁造价计算工作开展的基础上,应注重明确钻孔灌注桩分项工程的工程量计算原则、计算方法等等。
同时,参照施工图纸,核对施工现场工程量施工标准性,提取准确的工程量施工数据,依据数据,计算各种价格、费用,达到最佳的公路桥梁造价计算效果;第三,因为,钻孔灌注桩耗时长,消耗财力多。
如下图所示。
所以,在整个公路桥梁建设中,应把钻孔灌注桩造价组成分为埋设钢护筒定额、钻孔定额、灌注桩混凝土定额、钢筋定额等四个部分。
然后,总结钻孔灌注桩工程的分析结果。
二、公路桥梁钻孔灌注桩造价组成《公路工程概算定额》中,明确界定了钻孔灌注桩定额费用。
钻孔灌注桩单价分析关键信息项:1、工程名称:____________________2、灌注桩规格:________________3、施工地点:____________________4、单价构成:________________5、计价单位:________________6、工作内容:________________7、质量标准:________________8、付款方式:________________11 工程概述111 本协议旨在对钻孔灌注桩工程的单价进行详细分析和明确规定。
112 工程的具体范围和要求应符合相关设计文件和技术规范。
12 灌注桩规格121 明确灌注桩的直径、长度、桩身材料等具体规格参数。
122 对桩的承载力要求和其他技术指标进行详细说明。
13 施工地点131 准确描述施工地点的地理位置和现场条件。
132 说明施工地点可能对施工造成影响的特殊因素,如地质情况、地下水位等。
14 单价构成141 钻孔费用,包括设备租赁、钻进操作、人工费用等。
142 钢筋笼制作与安装费用,涵盖材料采购、加工、运输及安装等环节的成本。
143 混凝土灌注费用,包含混凝土材料采购、运输、灌注作业等费用。
144 其他辅助工作费用,如泥浆制备与处理、桩头处理等。
15 计价单位151 确定单价的计价单位,例如按每米灌注桩长度计价或按每根灌注桩计价。
16 工作内容161 详细列出施工方在钻孔灌注桩施工过程中应完成的各项工作。
162 包括场地准备、测量放线、钻孔施工、清孔、钢筋笼安装、混凝土灌注等全过程。
17 质量标准171 明确灌注桩施工应达到的质量标准,符合国家和行业相关规范要求。
172 对桩身完整性、混凝土强度、桩位偏差等质量指标作出具体规定。
18 付款方式181 约定工程款的支付节点和支付比例。
182 说明支付方式,如银行转账、支票等。
183 如有预付款,明确预付款的金额和扣回方式。
19 双方责任与义务191 施工方应按照合同要求,保证施工质量和进度,遵守施工现场的管理规定。
钻孔灌注桩单价分析钻孔灌注桩是一种常见的土木工程施工技术,广泛应用于建筑、桥梁、港口、堤坝等工程领域。
每个项目的施工单价都是根据工程的具体情况进行评估的,而钻孔灌注桩的单价分析是确定工程成本的重要环节之一。
在进行钻孔灌注桩单价分析时,需要考虑以下几个方面。
一、土地条件:土地条件是影响钻孔灌注桩单价的重要因素之一。
不同地区的土壤类型、含水量、承载力等都会对施工难度和成本产生影响。
例如,软弱土地需要更长的钻孔深度和更多的灌注材料,从而增加了施工的成本。
二、工程规模:工程规模是影响钻孔灌注桩单价的另一个重要因素。
规模较大的工程通常可以获得更好的经济效益。
因为在大型工程中,可以采用更高效的设备和工艺,降低单位工程的成本。
三、工程难度:工程难度是影响钻孔灌注桩单价的关键因素之一。
施工难度高的工程通常需要更多的人力和时间,从而增加了施工的成本。
例如,在施工现场存在地下水位较高、地下管线繁多、土层复杂等特殊情况下,需要采取更复杂的施工工艺和更严格的安全措施,因此,成本会相应增加。
四、施工设备:施工设备也是影响钻孔灌注桩单价的重要因素之一。
不同的设备具有不同的性能和效率,也会对施工成本产生影响。
选择适合工程要求的设备可以提高施工效率,降低成本。
五、材料成本:灌注材料是钻孔灌注桩施工中不可或缺的一部分,其中材料成本占据很大的比重。
材料成本的高低将直接影响到钻孔灌注桩的单价。
因此,合理选择材料供应商和材料类型,进行成本分析和比较,是降低单价的有效措施之一。
六、人工成本:人工成本是钻孔灌注桩施工中的另一个重要方面。
不同地区和不同施工队伍的人工成本差异较大。
在进行单价分析时,需要合理评估并控制人工成本,并精确把握施工工序中不同工种的用工量。
综上所述,钻孔灌注桩单价分析涉及多个因素的综合考虑。
在进行单价分析时,我们应充分了解工程的土地条件、工程规模、工程难度、施工设备、材料成本和人工成本等因素,并进行全面、准。
钻孔灌注桩单价分析钻孔灌注桩单价分析一、引言钻孔灌注桩作为一种常见的地基处理方式,被广泛应用于建筑工程中。
本文旨在提供钻孔灌注桩的单价分析,以便项目决策者了解其成本构成和合理定价。
二、钻孔灌注桩的定义与分类2.1 定义钻孔灌注桩是一种以土桩或钢筋混凝土桩为主体,通过将桩孔内灌注混凝土而形成的桩基。
2.2 分类2.2.1 按桩身材料分:土桩、钢筋混凝土桩、预应力混凝土桩等。
2.2.2 按施工方式分:搅拌桩、螺旋灌注桩、静压灌注桩等。
2.2.3 按桩身结构分:宽口径连续钻孔灌注桩、灌注桩、护壁灌注桩等。
三、钻孔灌注桩单价的计算方法3.1 基础单价基础单价是指每单位长度或单位体积的钻孔灌注桩的成本。
通常包括人工费、材料费、设备使用费等。
3.2 边坡和水系的影响钻孔灌注桩施工需要考虑周边土体的条件,特别是边坡和水系。
在计算单价时,边坡和水系的影响需要考虑在内,可通过专业软件进行模拟分析。
3.3 现场经验法根据以往类似项目的施工经验,结合当地市场行情,可以采用现场经验法估计钻孔灌注桩的单价。
四、影响钻孔灌注桩单价的因素4.1 土层性质不同土层的工程性质和处理难度不同,会直接影响钻孔灌注桩的单价。
4.2 地下水位地下水位的高低会直接影响桩基施工的难度和成本,从而间接影响钻孔灌注桩的单价。
4.3 施工条件施工条件的好坏也会对钻孔灌注桩的单价产生影响,如施工空间狭小、交通条件不便等。
五、案例分析本节以几个具体的案例进行钻孔灌注桩单价分析,通过对不同项目的比较,了解其单价的差异原因。
六、附件本涉及的附件如下:附件1:钻孔灌注桩技术规范书附件2:钻孔灌注桩施工方案附件3:钻孔灌注桩相关成本表七、法律名词及注释本所涉及的法律名词及注释如下:1. 基础单价:指每单位长度或单位体积的基础成本。
2. 土层性质:指地下各种土的特性和性质,如稠度、韧性等。
3. 现场经验法:根据以往类似项目的施工经验,结合当地市场行情进行预测和估算的方法。
公路桥梁中钻孔灌注桩的造价分析
摘要:钻孔灌注桩,是公路桥梁建设中一项隐蔽性极强的工程,它的质量要求高,但工程较为复杂。
所以,在整个工程施工期间,为了严格把控工程投资费用,应结合工程建设中技术要求、灌注材料、人员素质等多种因素,对工程造价的影响,严格把控公路桥梁施工中的钻孔灌注桩直接费用、间接费用、利润、税金等等。
同时,在具体的造价分析期间,结合钻孔灌注桩造价计算应注意的问题,科
学部署造价分析工作,以期降低整个工程造价。
关键词:公路桥梁;钻孔灌注桩;造价
前言:近年来,钻孔灌注桩在公路桥梁建设中得到了广泛应用,它作为一种
新型施工技术手段,可应用于不同土质施工环境下,而桩的截面形状也可分为梅
花形、圆形等不同类型。
即钻孔灌注桩的施工行为较为复杂,所以,在钻孔灌注
桩造价控制作业中,为了缓解造价与成本间的矛盾,应提高经济性施工意识。
同时,不断优化桥梁建设中的造价分析方法,且遵从《公路工程预算定额》
(JTG/TB06-02-2007)相关规定,严格把控其造价信息。
一、公路桥梁造价计算应注意的一些问题
在公路桥梁造价计算中应注意以下几点问题:
第一,在工程造价方案编制过程中,应先明确编制原则。
同时,组成一个工
程造价管理协会,专门负责工程的工艺方法、施工条件、地质情况等调研工作。
然后,结合调研数据,完善工程造价所需编制的内容,且确定工程造价使用范围;
第二,基于公路桥梁造价计算工作开展的基础上,应注重明确钻孔灌注桩分
项工程的工程量计算原则、计算方法等等。
同时,参照施工图纸,核对施工现场
工程量施工标准性,提取准确的工程量施工数据,依据数据,计算各种价格、费用,达到最佳的公路桥梁造价计算效果;
第三,因为,钻孔灌注桩耗时长,消耗财力多。
如下图所示。
所以,在整个公路桥梁建设中,应把钻孔灌注桩造价组成分为埋设钢护筒定额、钻孔定额、灌注桩混凝土定额、钢筋定额等四个部分。
然后,总结钻孔灌注桩工程的分析结果。
二、公路桥梁钻孔灌注桩造价组成
《公路工程概算定额》中,明确界定了钻孔灌注桩定额费用。
所以,在钻孔灌注桩造价
分析工作中,应结合其造价组成,展开一系列的造价分析工作。
(一)埋设钢护筒定额
在公路桥梁钻孔灌注桩造价分析工作中,为了实现对埋设钢护筒部分的精准计算,应严
格遵从《公路工程概算定额》要求,确定这部分的单价计算。
同时,在埋设钢护筒单价部分
具体计算过程中,应把它分为几个方面的内容。
即干处、5m水中、10m水中、20m水中,
且设定其定额单位是1t。
然后,展开一系列的单价计算工作。
但埋设钢护筒定额计算过程中,需充分考虑桩径护筒重量差异问题。
例如,在干处护筒单价计算中,应把2m作为每根桩的
单价计算标准值,而“水深+2.5m”标准值,用来计算水中的施工情况,且保证护筒质量被全部
计入到其中,就此达到最佳的护筒造价分析效果[1]。
例如,某公路桥梁在建设过程中,本打
算依照3.51m水中设置标准,布置4m高围堰。
但由于其实际水位是6.51m,所以,将施工
方案调整为“水中平台”施工。
在此次施工程序中,注重埋设整个钢护筒,最终经造价计算得知。
因为工程中钢护筒设计的变更,增加了53万元造价费用。
从以上分析中即可看出,水
越深,造价费用越高。
因而,在公路桥梁钻孔灌注桩造价控制中,应提高对此问题的重视程度。
(二)钻孔定额
钻孔定额也是公路桥梁钻孔灌注桩造价的主要组成部分,在这一部分造价计算中,应从
以下几个层面入手:
第一,因为钻孔定额造价计算表现出桩基桩径存在着差异性的特点。
所以,在造价计算时,应先分析桩径和孔深分别是150cm、40m情景下的陆地上回旋机桩径造价。
然后,保持
其他条件不变,分别计算不同桩径下的造价,获得不同桩径条件下的造价计算结果。
从计算
结果可知,当桩径达到100cm时,它的单方造价最高。
当桩径达到250cm时,它的单方造
价最小。
但随着桩径的不断扩大,单方造价会逐渐超过183元/m3单方最小值;
第二,在面对不同钻孔土质的造价分析问题时,应先计算桩径是150cm,孔深是40m,
土质是黏土的造价费用。
然后,经过这一部分造价费用的计算,开始调整土质,获取不同土
质下的造价费用计算结果,为日后公路桥梁建设中钻孔灌注桩造价控制工作的展开做好铺垫[2];
第三,因为公路桥梁钻孔施工期间的孔深也有所不同。
所以,在钻孔灌注桩中钻孔定额
计算时,需保持其他条件一致的情况下,分别计算孔深是40m、60m、80m造价信息,从造
价计算结果中可知,孔深对钻孔定额影响较大。
(三)灌注桩混凝土定额
在公路桥梁钻孔灌注桩造价分析工作中,需做好灌注桩混凝土定额部分的分析工作。
同时,在灌注桩混凝土定额具体计算过程中,为了保证定额计算结果精准性,应注重依据工程
实际情况,确定混凝土单价。
例如,在C25混凝土单价计算时,为了遵从《公路工程概算定额》计算标准,需分析C25混凝土的不同钻孔方法、不同桩径定额数据。
从计算结果可知,
灌注桩混凝土定额易受钻孔方法的影响[3]。
所以,在公路桥梁造价费用控制中,应科学控制
这一部分费用的投入。
(四)钢筋定额
在钻孔灌注桩造价分析中,做好钢筋定额的分析工作也是非常重要的。
在现浇混凝土灌
注桩钢筋定额计算过程中,应先假设钢筋类型。
即分别计算光圆钢筋、带肋钢筋条件下的单价。
从计算结果可知,前者单价是6792元/t,后者是6427元/t,差异较小。
所以,在钢筋
定额分析工作实际开展过程中,应综合考虑混凝土钢筋含量等,对钢筋单价的影响,做好钻
孔灌注桩工程造价控制工作。
三、造价分析
在钻孔灌注桩造价分析工作开展过程中,如若采取工程量清单计价方法,那么应把米作
为计量单位。
同时,编制钻孔灌注桩预算表。
如下表:
即通过工程量清单计价信息的编制,全方位了解到埋设钢护筒、钻孔、灌注混凝土、钢
筋这四个方面的定额,通过定额信息,预测整个钻孔灌注桩施工的造价,达到最佳的施工造
价控制效果[4]。
同时,经过造价的分析,选择经济最合理的公路桥梁钻孔灌注桩施工方案,
降低工程成本费用。
结论:综上可知,公路桥梁钻孔灌注桩造价分析,关乎着工程建设经济合理性。
所以,
在面对实际工程建设问题时,应采取科学的造价分析方法,编制钻孔灌注桩工程预算表。
同时,在工程预算表编制过程中,认真核实每一项工程成本,最终通过工程成本中埋设钢护筒、钻孔定额、灌注混凝土定额、钢筋定额等的造价分析,控制各种费用,且在成本费用具体控
制过程中充分考虑施工条件、工艺方法、地质情况等的影响,规划消耗定额。
参考文献:
[1]翟峻烽.钻孔灌注桩施工技术在公路桥梁施工中的应用分析[J].科技与企业,2016,
12(06):131+133.
[2]程志武,徐浩.公路桥梁施工中钻孔灌注桩的质量控制措施分析[J].科技展望,2015,
30(24):43.
[3]田文才,裘继荣.钻孔灌注桩施工技术在公路桥梁施工中的应用分析[J].江西建材,2014,25(20):135.
[4]艾跃宗.公路桥梁施工中钻孔灌注桩质量控制分析[J].中华民居(下旬刊),2014,13(02):293+297.。