建筑物裂缝监测登记1
- 格式:doc
- 大小:37.00 KB
- 文档页数:2
工程裂缝观测方案一、引言工程裂缝是指在建筑物、道路、桥梁等工程结构中出现的裂缝,可能给工程结构安全稳定性带来影响。
因此,对工程裂缝进行观测和监测是非常重要的,可以及早发现裂缝情况,为工程结构的健康运行提供数据支持,做好维护和修复工作。
本观测方案旨在制定一套科学、合理、可行的工程裂缝观测方案,为工程裂缝的监测提供指导。
二、裂缝观测目的1. 及时了解工程裂缝的发展情况,为工程结构的安全稳定提供数据支持。
2. 发现裂缝并及时采取维护和修复措施,避免裂缝扩大引发更大的安全隐患。
3. 通过对裂缝的观测,为工程结构设计提供数据支持,为类似工程结构的设计和施工提供经验参考。
三、裂缝观测方法与工具(一)裂缝观测方法1. 长期定点观测法:对裂缝进行长期、定点的观测,记录裂缝的变化情况。
2. 图像记录法:通过摄像机、无人机等设备对裂缝进行拍照、录像等,记录裂缝的变化情况。
3. 精密测量法:通过使用测距仪、测量仪等精密仪器对裂缝进行测量,获取裂缝的尺寸、变化情况。
(二)裂缝观测工具1. 工程裂缝观测记录表:记录裂缝的位置、长度、宽度、变化情况等。
2. 摄像机、无人机等拍摄设备:用于记录裂缝的图像资料。
3. 测距仪、测量仪等精密仪器:用于对裂缝进行精密测量。
四、裂缝观测内容与频次(一)观测内容1. 裂缝位置:记录裂缝的具体位置,包括建筑物、道路、桥梁等工程结构的位置信息。
2. 裂缝尺寸:测量裂缝的长度、宽度、深度、倾斜角度等尺寸参数。
3. 裂缝变化情况:记录裂缝的变化情况,包括裂缝的扩张、收缩、倾斜等情况。
(二)观测频次1. 长期定点观测法:每月进行一次定点观测,记录裂缝的变化情况。
2. 图像记录法:每季度对裂缝进行一次拍照、录像等,记录裂缝的变化情况。
3. 精密测量法:每半年进行一次精密测量,获取裂缝的尺寸、变化情况。
五、裂缝观测数据处理与分析1. 观测数据处理:对观测所得数据进行整理、分类、存档、备份等工作,确保数据的准确性和完整性。
裂缝监测实施细则一、背景介绍裂缝是指岩石、土壤、混凝土等材料表面或内部出现的线状或面状的破坏性断裂。
裂缝的产生与地质构造活动、地下水位变化、地震等因素密切相关。
裂缝的发展可能会导致建筑物的结构损坏,对人员和财产安全造成威胁。
因此,裂缝监测的实施非常重要。
二、监测目的裂缝监测的目的是及时了解裂缝的变化情况,为采取相应的维护和修复措施提供科学依据。
具体目的包括:1. 监测裂缝的长度、宽度和扩展趋势,了解裂缝的变化情况;2. 分析裂缝的形态特征,判断裂缝的发展趋势,预测可能出现的风险;3. 监测裂缝周围的地表沉降情况,评估地基的稳定性。
三、监测方法裂缝监测可以采用多种方法,包括:1. 视觉监测:通过肉眼观察裂缝的形态特征,记录裂缝的长度、宽度等参数;2. 测量监测:使用测量仪器(如裂缝计、测距仪等)对裂缝进行精确测量,获取更准确的数据;3. 影像监测:利用遥感技术、摄影测量等方法获取裂缝的影像数据,进行分析和比对。
四、监测频率裂缝监测的频率应根据具体情况而定,一般可分为常规监测和特殊监测。
1. 常规监测:对于裂缝变化缓慢、风险较低的情况,可采用每月或每季度进行一次监测;2. 特殊监测:对于裂缝变化较快、风险较高的情况,应采用每周或每日进行监测,以便及时发现异常情况。
五、监测数据处理与分析监测数据的处理与分析是裂缝监测的重要环节,可以采用以下方法:1. 数据录入:将监测数据按照时间顺序录入监测数据库,确保数据的准确性和完整性;2. 数据分析:对监测数据进行统计和分析,计算裂缝的变化速率、趋势等参数,判断裂缝的发展情况;3. 风险评估:根据监测数据和分析结果,评估裂缝对建筑物和周围环境的风险程度,制定相应的维护措施。
六、监测报告编制监测报告是裂缝监测的重要成果,应包括以下内容:1. 监测概况:对监测区域的背景、监测目的和方法进行介绍;2. 监测数据:将监测数据按照时间顺序进行展示,包括裂缝的长度、宽度、变化趋势等参数;3. 数据分析:对监测数据进行统计和分析,给出裂缝的发展趋势和风险评估结果;4. 建议措施:根据监测结果,提出相应的维护和修复措施,保障建筑物和人员的安全;5. 结论与展望:总结监测结果,展望下一阶段的监测工作。
裂缝监测实施细则一、背景介绍裂缝监测是一项重要的工程技术,用于监测建筑物、桥梁、地下管道等结构中可能出现的裂缝情况。
通过及时监测和评估裂缝的变化,可以有效预防和解决潜在的安全隐患,保障结构的稳定性和安全性。
二、监测对象裂缝监测的对象包括但不限于以下几类:1. 建筑物:包括住宅、商业建筑、工业厂房等;2. 桥梁:包括公路桥、铁路桥、步行桥等;3. 地下管道:包括给水管道、排水管道、天然气管道等;4. 地下隧道:包括地铁隧道、交通隧道等。
三、监测方法裂缝监测可以采用多种方法,根据具体情况选择合适的监测方法,常见的监测方法包括:1. 视觉检测:通过人工观察裂缝的形态、长度、宽度等参数,进行定期巡视和记录;2. 激光扫描:利用激光测距仪等设备进行裂缝的三维扫描,获取裂缝的几何形状和变化情况;3. 高精度测量:利用全站仪、测距仪等设备进行裂缝的精确测量,获取裂缝的长度、宽度等参数;4. 无损检测:利用超声波、红外线等无损检测技术,对裂缝进行检测和评估。
四、监测频率裂缝监测的频率应根据具体情况确定,一般分为以下几种情况:1. 日常监测:对于结构稳定、裂缝变化缓慢的情况,可以选择每天或每周进行一次监测;2. 定期监测:对于结构存在一定风险、裂缝变化较快的情况,可以选择每月或每季度进行一次监测;3. 事件监测:对于发生地震、暴雨等特殊事件后,应及时进行监测,以评估结构的安全性。
五、监测数据处理与分析监测数据的处理和分析是裂缝监测工作的重要环节,主要包括以下几个方面:1. 数据收集:将监测得到的裂缝数据进行整理和汇总,建立数据库;2. 数据处理:对裂缝数据进行去噪、平滑等处理,提取有效信息;3. 数据分析:通过对裂缝数据的统计和分析,评估裂缝的变化趋势和危险程度;4. 报告撰写:根据监测结果,编写监测报告,提出相应的建议和措施。
六、监测报告内容监测报告是裂缝监测工作的重要成果之一,报告内容应包括以下几个方面:1. 监测目的和范围:明确监测的目的和监测对象;2. 监测方法和仪器:介绍所采用的监测方法和仪器设备;3. 监测结果:详细列出裂缝的位置、长度、宽度等监测数据;4. 数据分析:对监测数据进行分析,评估裂缝的变化趋势和危险程度;5. 结果解读:根据监测结果,对结构的安全性进行评估和解读;6. 建议和措施:根据监测结果,提出相应的建议和措施,以确保结构的安全性。
裂缝监测实施细则一、背景介绍裂缝是地表或建筑物上的一种常见的结构缺陷,其产生可能是由于地壳运动、地震、地基沉降、结构变形等原因引起的。
裂缝的出现可能会导致建筑物的结构不稳定,甚至危及人员生命安全。
因此,裂缝监测的实施对于及时发现和处理裂缝问题具有重要意义。
二、监测目的裂缝监测的目的是通过对裂缝的定期观测和记录,获取裂缝的变化情况,以便及时采取相应的措施,确保建筑物的结构安全和人员的安全。
三、监测方法1. 观测点的选择:根据建筑物的结构特点和裂缝的分布情况,选择代表性的观测点进行监测。
观测点应包括建筑物的主要结构部位和易发裂缝区域。
2. 监测设备的安装:在每个观测点上安装裂缝计量仪器,如裂缝计量尺、裂缝计量仪等。
安装过程中应确保设备的稳定性和准确性。
3. 监测频率:根据裂缝的情况和建筑物的使用状况,确定监测的频率。
一般情况下,建议每季度进行一次监测,并在重大地震或其他自然灾害发生后进行特殊监测。
4. 数据记录和分析:每次监测完成后,将监测数据记录下来,并进行数据分析。
可以使用电子表格或专门的监测软件进行数据管理和分析。
四、监测内容1. 裂缝的形态:记录裂缝的长度、宽度、深度等参数,并绘制裂缝的示意图。
可以使用测量仪器进行测量,也可以通过人工观测进行记录。
2. 裂缝的变化:比较不同时间点的裂缝数据,分析裂缝的变化趋势。
特别关注裂缝的扩展、变形、闭合等情况。
3. 环境因素的影响:记录监测期间的环境因素,如温度、湿度、地震等,以便分析这些因素对裂缝变化的影响。
五、监测结果的处理1. 正常情况下,如果裂缝的变化在合理范围内,可以继续进行定期监测,并保持监测记录的完整性。
2. 如果裂缝的变化超出了正常范围,应立即采取措施进行修复或加固。
修复或加固的具体措施应根据裂缝的性质和严重程度进行决策。
3. 在重大地震或其他自然灾害发生后,应立即进行特殊监测,并根据监测结果及时采取应急处理措施。
六、监测报告每次监测完成后,应编制监测报告,包括以下内容:1. 监测目的和方法的介绍。
裂缝监测报告模板1. 项目基本情况1.1 建设单位信息•建设单位名称:xxx公司•地址:xxx市xxx区xxx路xxx号•联系人:xxx•联系电话:158xxxxxxxx1.2 监测单位信息•监测单位名称:xxx公司•地址:xxx市xxx区xxx路xxx号•联系人:xxx•联系电话:158xxxxxxxx1.3 工程名称及位置•工程名称:xxx项目•位置:xxx市xxx区xxx路xxx号2. 监测目的本次裂缝监测的目的在于:对建设工程所在地基及结构存在裂缝的情况进行动态监测,了解裂缝发展情况,及时发现和处理潜在的风险隐患,保证建设工程的安全和稳定。
3. 裂缝监测方案3.1 监测场地及设备监测场地:xxx项目工地;监测设备:xxx(型号),xxx(型号)等设备。
3.2 测点设置本次监测设置了xxx个裂缝监测点,具体分布如下: - xx号设备监测点:位于xxx位置,监测范围为x米; - xx号设备监测点:位于xxx位置,监测范围为x米;- …3.3 监测时间本次裂缝监测开始时间为xxxx年xx月xx日,结束时间为xxxx年xx月xx日,共计x天。
3.4 监测方法使用xxx等设备进行自动化监测,定期进行手动巡视,并记录巡视数据。
4. 监测结果4.1 监测数据监测期间,共记录到xxx条监测数据。
通过对数据的分析,可以得到如下的统计结果:数据类型最大值最小值平均值标准差X xx xx xx xxY xx xx xx xx……………4.2 监测图表下图为xxx测点的裂缝监测数据示意图:// 插入图表Markdown代码4.3 监测分析根据监测数据和监测图表,我们可以得到如下的监测分析结论:- 在监测期间,共检测到xx个裂缝,绝大部分裂缝没有明显的扩展趋势; - 在x号位置,发现xx月xx日与xx月xx日之间,裂缝出现明显扩展的情况,建议进行加固处理。
5. 监测建议结合本次监测结果和监测分析,我们提出如下建议: - 继续对监测点进行动态监测,细化监测数据范围,及时发现和处理潜在的风险隐患; - 在出现明显扩展的情况下,及时采取加固处理措施,提高建设工程的安全性和稳定性。
裂缝监测报表监测报表第1页共2 页第 1 次工程名称:茅台会议中心监测报表编号:0001 天气:阴观测者:陈永宁计算者:陈永宁监测日期:2013 年8月2 日项目负责人:陈静监测单位:贵州省建筑工程勘察院裂缝监测报表监测报表第2页共2 页第 1 次工程名称:茅台会议中心监测报表编号:0001 天气:阴观测者:陈永宁计算者:陈永宁监测日期:2013 年8月2 日项目负责人:陈静监测单位:贵州省建筑工程勘察院裂缝监测报表监测报表第1页共2 页第 2 次工程名称:茅台会议中心监测报表编号:0002 天气:晴观测者:陈永宁计算者:陈永宁监测日期:2013 年8月5 日项目负责人:陈静监测单位:贵州省建筑工程勘察院裂缝监测报表监测报表第2页共2 页第 2 次工程名称:茅台会议中心监测报表编号:0002 天气:晴观测者:陈永宁计算者:陈永宁监测日期:2013 年8月5 日项目负责人:陈静监测单位:贵州省建筑工程勘察院裂缝监测报表监测报表第1页共2 页第 3 次工程名称:茅台会议中心监测报表编号:0003 天气:晴观测者:陈永宁计算者:陈永宁监测日期:2013 年8月11 日项目负责人:陈静监测单位:贵州省建筑工程勘察院裂缝监测报表监测报表第2页共2 页第 3 次工程名称:茅台会议中心监测报表编号:0003 天气:晴观测者:陈永宁计算者:陈永宁监测日期:2013 年8月11 日项目负责人:陈静监测单位:贵州省建筑工程勘察院裂缝监测报表监测报表第1页共2 页第 4 次工程名称:茅台会议中心监测报表编号:0004 天气:晴观测者:陈永宁计算者:陈永宁监测日期:2013 年8月13 日项目负责人:陈静监测单位:贵州省建筑工程勘察院裂缝监测报表监测报表第2页共2 页第 4 次工程名称:茅台会议中心监测报表编号:0004 天气:晴观测者:陈永宁计算者:陈永宁监测日期:2013 年8月13 日项目负责人:陈静监测单位:贵州省建筑工程勘察院裂缝监测报表监测报表第1页共2 页第 5 次工程名称:茅台会议中心监测报表编号:0005 天气:晴观测者:陈永宁计算者:陈永宁监测日期:2013 年8月16 日项目负责人:陈静监测单位:贵州省建筑工程勘察院裂缝监测报表监测报表第2页共2 页第 5 次工程名称:茅台会议中心监测报表编号:0005 天气:晴观测者:陈永宁计算者:陈永宁监测日期:2013 年8月16 日项目负责人:陈静监测单位:贵州省建筑工程勘察院裂缝监测报表监测报表第1页共2 页第 6 次工程名称:茅台会议中心监测报表编号:0006 天气:阴观测者:陈永宁计算者:陈永宁监测日期:2013 年8月18 日项目负责人:陈静监测单位:贵州省建筑工程勘察院裂缝监测报表监测报表第2页共2 页第 6 次工程名称:茅台会议中心监测报表编号:0006 天气:阴观测者:陈永宁计算者:陈永宁监测日期:2013 年8月18 日项目负责人:陈静监测单位:贵州省建筑工程勘察院裂缝监测报表监测报表第1页共2 页第7 次工程名称:茅台会议中心监测报表编号:0007 天气:阴观测者:陈永宁计算者:陈永宁监测日期:2013 年8月20 日项目负责人:陈静监测单位:贵州省建筑工程勘察院裂缝监测报表监测报表第2页共2 页第7 次工程名称:茅台会议中心监测报表编号:0007 天气:阴观测者:陈永宁计算者:陈永宁监测日期:2013 年8月20 日项目负责人:陈静监测单位:贵州省建筑工程勘察院裂缝监测报表监测报表第1页共2 页第8 次工程名称:茅台会议中心监测报表编号:0008 天气:阴观测者:陈永宁计算者:陈永宁监测日期:2013 年8月22 日项目负责人:陈静监测单位:贵州省建筑工程勘察院裂缝监测报表监测报表第2页共2 页第8 次工程名称:茅台会议中心监测报表编号:0008 天气:阴观测者:陈永宁计算者:陈永宁监测日期:2013 年8月22 日项目负责人:陈静监测单位:贵州省建筑工程勘察院裂缝监测报表监测报表第1页共5 页第9次工程名称:茅台会议中心监测报表编号:0009 天气:阴观测者:陈永宁计算者:陈永宁监测日期:2013 年8月24 日项目负责人:陈静监测单位:贵州省建筑工程勘察院裂缝监测报表监测报表第2页共5 页第9 次工程名称:茅台会议中心监测报表编号:0009 天气:阴观测者:陈永宁计算者:陈永宁监测日期:2013 年8月24 日项目负责人:陈静监测单位:贵州省建筑工程勘察院裂缝监测报表监测报表第3页共5 页第9次工程名称:茅台会议中心监测报表编号:0009 天气:阴观测者:陈永宁计算者:陈永宁监测日期:2013 年8月24 日项目负责人:陈静监测单位:贵州省建筑工程勘察院裂缝监测报表监测报表第4页共5 页第9 次工程名称:茅台会议中心监测报表编号:0009 天气:阴观测者:陈永宁计算者:陈永宁监测日期:2013 年8月24 日项目负责人:陈静监测单位:贵州省建筑工程勘察院裂缝监测报表监测报表第5页共5 页第9 次工程名称:茅台会议中心监测报表编号:0009天气:阴观测者:陈永宁计算者:陈永宁监测日期:2013 年8月24 日项目负责人:陈静监测单位:贵州省建筑工程勘察院。
裂缝监测实施细则一、背景介绍裂缝监测是指对建筑物、土壤、岩石等结构或地质体中出现的裂缝进行定期观测和记录,以了解其变化情况,为工程安全和地质灾害预警提供依据。
裂缝监测实施细则旨在规范裂缝监测的方法、步骤和数据处理,确保监测结果准确可靠。
二、监测方法1. 监测设备的选择根据监测对象的不同,选择合适的监测设备,如裂缝计、测斜仪、全站仪等。
设备应具备稳定性好、精度高、易于操作和维护等特点。
2. 监测点的设置根据监测对象的特点和要求,在裂缝周围设置监测点,点与点之间的距离应均匀分布。
监测点的设置要考虑到裂缝的位置、长度、宽度等因素,并确保监测设备的有效安装。
3. 监测周期的确定根据监测对象的不同,确定合适的监测周期。
一般情况下,对于稳定的裂缝,可以选择较长的监测周期,而对于变化较快的裂缝,应缩短监测周期。
三、监测步骤1. 前期准备在进行裂缝监测前,应对监测设备进行校准和检查,确保其正常工作。
同时,对监测点进行清理和标记,以便后续的监测工作。
2. 数据采集按照监测周期,定期对监测点进行数据采集。
采集数据时,应注意保持设备的稳定和准确,避免人为误差的产生。
同时,要记录监测点的具体位置、日期、时间等信息。
3. 数据处理采集到的监测数据需要进行处理和分析,以得出准确的监测结果。
数据处理的方法可以采用统计学方法、数学模型等,根据实际情况选择合适的方法。
四、数据分析和报告编写1. 数据分析通过对监测数据的分析,可以了解裂缝的变化趋势和规律。
可以采用图表、曲线等形式,直观地展示监测结果,并进行定量的分析和比较。
2. 报告编写根据监测结果,编写监测报告。
报告应包括监测目的、方法、步骤、结果分析等内容,并提出针对性的建议和措施。
报告要清晰、准确、具有可读性,并附上监测数据的原始记录。
五、质量控制1. 校验和验证定期对监测设备进行校验和验证,确保其准确性和稳定性。
校验和验证的方法可以采用标准样品、比对测量等。
2. 数据比对对同一监测点的多次测量数据进行比对,检查数据的一致性和可靠性。
裂缝监测实施细则引言概述:裂缝监测是一项重要的工程实践,旨在及时发现和评估结构中的裂缝,以确保建筑物和基础设施的安全性。
本文将介绍裂缝监测的实施细则,包括监测方法、监测设备的选择、数据分析和解读等方面。
一、监测方法1.1 视觉监测:通过裸眼观察或使用显微镜等工具,对建筑物或结构中的裂缝进行直接观察和记录。
这种方法适用于裂缝较为明显的情况,但对于细微的裂缝可能不够敏感。
1.2 激光扫描:利用激光扫描仪对建筑物或结构进行全面扫描,获取裂缝的三维坐标和形态信息。
这种方法具有高精度和高效率的特点,适用于大范围的裂缝监测。
1.3 高频振动监测:通过在建筑物或结构上安装振动传感器,监测振动信号的变化,从而间接推断裂缝的存在和扩展情况。
这种方法对于裂缝的监测比较灵敏,但需要专业的数据处理和分析。
二、监测设备的选择2.1 摄像设备:选择高清晰度的摄像设备,以确保能够清晰记录裂缝的形态和变化情况。
同时,考虑到监测环境的特殊性,可以选择具有防水、防尘等特殊功能的摄像设备。
2.2 激光扫描仪:选择具有高精度、高测量速度和大测量范围的激光扫描仪,以满足裂缝监测的需求。
同时,考虑到监测的实际情况,可以选择便携式的激光扫描仪,方便在不同位置进行监测。
2.3 振动传感器:选择灵敏度高、频率范围广的振动传感器,以确保能够准确监测裂缝区域的振动信号。
同时,考虑到监测的实时性,可以选择具有高采样率和快速响应的振动传感器。
三、数据分析和解读3.1 数据处理:对监测得到的数据进行预处理,包括去噪、滤波和校正等步骤,以提高数据的质量和准确性。
3.2 数据分析:利用统计学和数学模型等方法,对监测数据进行分析,提取裂缝的特征参数和趋势变化,判断裂缝的发展情况和危险程度。
3.3 结果解读:根据数据分析的结果,对裂缝的发展趋势和危险程度进行解读,并提出相应的建议和措施,以保障建筑物和基础设施的安全性。
四、监测报告编制4.1 报告内容:监测报告应包括裂缝的位置、形态和变化情况的描述,监测方法和设备的介绍,数据分析和解读的结果,以及相应的建议和措施等内容。
建筑物裂缝检测与处理方法建筑物裂缝的检测与处理方法建筑物作为人类生活和工作的场所,承载着巨大的责任和压力。
然而,在长时间的使用和自然的侵蚀下,建筑物也会出现一些问题,其中比较常见的就是裂缝。
裂缝的存在不仅影响建筑物的美观,更重要的是可能会导致建筑结构的安全隐患。
因此,及时发现和处理裂缝至关重要。
一、裂缝的检测方法1. 目视检测法:这是最简单和最常见的方法,通过肉眼观察建筑物表面是否出现明显的裂缝来判断。
这种方法适用于一些比较大和明显的裂缝,但对于一些微小的裂缝很容易被忽略掉。
2. 探测仪器法:使用专门的探测仪器来探测建筑物内部的裂缝情况。
常见的仪器有裂缝测量仪、水平仪等。
这种方法可以更准确地检测到不易发现的裂缝,并可以测量其大小和深度。
3. 动态监测法:通过安装震动传感器、位移传感器等设备,对建筑物进行24小时不间断的监测。
当建筑物发生位移或振动时,设备会及时报警,便于发现裂缝情况。
这种方法相对较为复杂,需要专业人员进行操作和分析,但可以全方位地监测裂缝的情况。
二、裂缝的处理方法1. 补充建筑材料:对于比较小且不深的表面裂缝,可以使用适合的填缝剂或胶水来进行补充,使其变得平整。
但这种方法的效果可能不是很持久,需要定期检查并进行维护。
2. 加固处理:对于较为严重的裂缝,可能需要进行加固处理。
常见的方法有添加钢筋、混凝土添补等。
这种方法可以增加建筑结构的稳定性,提高其抗震性能。
3. 外墙修补:对于裂缝出现在建筑物外墙的情况,可以进行外墙修补。
修补的方法多种多样,包括重新刷漆、贴瓷砖、更换外墙材料等。
修补后不仅可以修复裂缝,还可以提升建筑物的美观度。
4. 裂缝治理:当裂缝较为严重且涉及到建筑物的结构安全时,需要进行裂缝治理。
这种方法通常需要借助专业的建筑工程技术,在裂缝处进行混凝土加固、钢筋补强等处理,以恢复建筑物的结构完整性。
总结起来,建筑物裂缝的检测和处理方法多种多样,具体的处理方法需要根据裂缝的程度和严重程度来确定。
建筑裂缝监测方案建筑裂缝监测方案一、绪论建筑裂缝是指建筑物在使用过程中由于各种原因引起的裂缝现象。
裂缝的形成不仅影响建筑物的外观美观,还可能导致结构的稳定性问题,危害人们的生命财产安全。
因此,对于建筑裂缝的监测十分重要。
本方案旨在提出一种有效的建筑裂缝监测方案,以实时监测建筑物裂缝的变化情况,及时采取相应的措施,确保建筑物的安全运行。
二、监测设备的选择1. 传感器选择选用合适的传感器是建筑裂缝监测的关键。
常见的传感器有位移传感器、温湿度传感器、压力传感器等。
针对建筑裂缝监测,我们可以选择位移传感器作为主要监测设备,通过实时监测建筑物裂缝的位移变化情况来判断裂缝的演化趋势。
2. 数据采集系统为了实现对建筑裂缝的实时监测,需要采用先进的数据采集系统来存储和分析监测数据。
数据采集系统应具备高精度、高灵敏度的数据采集功能,并能够对监测数据进行实时处理和存储。
三、监测方案的设计1. 监测点的设置针对不同的建筑结构和裂缝类型,需要合理设置监测点。
监测点的位置应选在裂缝的两侧,并且距离裂缝边缘一定的距离,以便准确记录裂缝的位移变化情况。
2. 监测频率的确定建筑裂缝的演化是一个渐进过程,没有明确的演化时间。
因此,需要根据建筑材料的特性和预期使用寿命,确定监测的频率。
对于重要建筑物,应以日或周为单位进行监测,以保证数据的及时性和准确性。
3. 数据分析与处理监测数据的分析与处理是裂缝监测的重要环节。
监测系统应具备数据存储和分析功能,能够将监测数据与历史数据进行比较,分析裂缝的位移趋势,预测裂缝的演化趋势,并提供预警提示。
四、监测方案的实施1. 方案培训与操作监测方案的实施需要建筑监测人员具备相关的知识和技能。
在系统安装和调试完成后,对监测人员进行培训,使其了解系统的操作流程和数据处理方法。
2. 监测数据的定期出具监测方案实施后,应定期出具监测报告,记录建筑裂缝的监测数据和分析结果,以供后续参考和决策。
五、方案的优势与应用价值1. 提高建筑物安全性能通过实时监测建筑裂缝的变化情况,及时采取相应的措施,可以有效提高建筑物的安全性能,降低事故风险。
裂缝监测报表监测报表第1页共2 页第 1 次工程名称:茅台会议中心监测报表编号:0001 天气:阴项目负责人:陈静监测单位:贵州省建筑工程勘察院裂缝监测报表监测报表第2页共2 页第 1 次工程名称:茅台会议中心监测报表编号:0001 天气:阴项目负责人:陈静监测单位:贵州省建筑工程勘察院裂缝监测报表监测报表第1页共2 页第 2 次工程名称:茅台会议中心监测报表编号:0002 天气:晴项目负责人:陈静监测单位:贵州省建筑工程勘察院裂缝监测报表监测报表第2页共2 页第 2 次工程名称:茅台会议中心监测报表编号:0002 天气:晴项目负责人:陈静监测单位:贵州省建筑工程勘察院裂缝监测报表监测报表第1页共2 页第 3 次工程名称:茅台会议中心监测报表编号:0003 天气:晴项目负责人:陈静监测单位:贵州省建筑工程勘察院裂缝监测报表监测报表第2页共2 页第 3 次工程名称:茅台会议中心监测报表编号:0003 天气:晴项目负责人:陈静监测单位:贵州省建筑工程勘察院裂缝监测报表监测报表第1页共2 页第 4 次工程名称:茅台会议中心监测报表编号:0004 天气:晴项目负责人:陈静监测单位:贵州省建筑工程勘察院裂缝监测报表监测报表第2页共2 页第 4 次工程名称:茅台会议中心监测报表编号:0004 天气:晴项目负责人:陈静监测单位:贵州省建筑工程勘察院裂缝监测报表监测报表第1页共2 页第 5 次工程名称:茅台会议中心监测报表编号:0005 天气:晴项目负责人:陈静监测单位:贵州省建筑工程勘察院裂缝监测报表监测报表第2页共2 页第 5 次工程名称:茅台会议中心监测报表编号:0005 天气:晴项目负责人:陈静监测单位:贵州省建筑工程勘察院裂缝监测报表监测报表第1页共2 页第 6 次工程名称:茅台会议中心监测报表编号:0006 天气:阴项目负责人:陈静监测单位:贵州省建筑工程勘察院裂缝监测报表监测报表第2页共2 页第 6 次工程名称:茅台会议中心监测报表编号:0006 天气:阴项目负责人:陈静监测单位:贵州省建筑工程勘察院裂缝监测报表监测报表第1页共2 页第7 次工程名称:茅台会议中心监测报表编号:0007 天气:阴项目负责人:陈静监测单位:贵州省建筑工程勘察院裂缝监测报表监测报表第2页共2 页第7 次工程名称:茅台会议中心监测报表编号:0007 天气:阴项目负责人:陈静监测单位:贵州省建筑工程勘察院裂缝监测报表监测报表第1页共2 页第8 次工程名称:茅台会议中心监测报表编号:0008 天气:阴项目负责人:陈静监测单位:贵州省建筑工程勘察院裂缝监测报表监测报表第2页共2 页第8 次工程名称:茅台会议中心监测报表编号:0008 天气:阴项目负责人:陈静监测单位:贵州省建筑工程勘察院裂缝监测报表监测报表第1页共5 页第9次工程名称:茅台会议中心监测报表编号:0009 天气:阴项目负责人:陈静监测单位:贵州省建筑工程勘察院裂缝监测报表监测报表第2页共5 页第9 次工程名称:茅台会议中心监测报表编号:0009 天气:阴项目负责人:陈静监测单位:贵州省建筑工程勘察院裂缝监测报表监测报表第3页共5 页第9次工程名称:茅台会议中心监测报表编号:0009 天气:阴项目负责人:陈静监测单位:贵州省建筑工程勘察院裂缝监测报表监测报表第4页共5 页第9 次工程名称:茅台会议中心监测报表编号:0009 天气:阴项目负责人:陈静监测单位:贵州省建筑工程勘察院裂缝监测报表监测报表第5页共5 页第9 次工程名称:茅台会议中心监测报表编号:0009 天气:阴项目负责人:陈静监测单位:贵州省建筑工程勘察院。
裂缝监测报表监测报表第1页共2 页第 1 次工程名称:茅台会议中心监测报表编号:0001 天气:阴观测者:陈永宁计算者:陈永宁监测日期:2013 年8月2 日监测点L1(cm)L2(cm)L3(cm)L4(cm)L5(cm)L6(cm)L7(cm)L8(cm)L9(cm)L10(cm)初始值0.98 2.11 2.25 1.01 1.00 1.65 1.49 1.45 2.79 2.08累计变化量0.00 0.00 0.00 0.00 0.00 0.00 0.00 0.00 0.00 0.00 08.01-08.02变化量0.00 0.00 0.00 0.00 0.00 0.00 0.00 0.00 0.00 0.00项目负责人:陈静监测单位:贵州省建筑工程勘察院裂缝监测报表监测报表第2页共2 页第 1 次工程名称:茅台会议中心监测报表编号:0001 天气:阴观测者:陈永宁计算者:陈永宁监测日期:2013 年8月2 日监测点L11(cm)L12(cm)L13(cm)L14(cm)L15(cm)L16(cm)L17(cm)L18(cm)L19(cm)L20(cm)初始值 1.58 1.28 1.01 1.82 9.84 6.88 1.91 2.65 3.11 5.06累计变化量0.04 0.0008.01-08.02变化量0.04 0.00项目负责人:陈静监测单位:贵州省建筑工程勘察院裂缝监测报表监测报表第1页共2 页第 2 次工程名称:茅台会议中心监测报表编号:0002 天气:晴观测者:陈永宁计算者:陈永宁监测日期:2013 年8月5 日监测点L1(cm)L2(cm)L3(cm)L4(cm)L5(cm)L6(cm)L7(cm)L8(cm)L9(cm)L10(cm)初始值0.98 2.11 2.25 1.01 1.00 1.65 1.49 1.45 2.79 2.08累计变化量0.00 0.00 0.00 0.00 0.00 0.00 0.00 0.00 0.00 0.00 08.01-08.02变化量0.00 0.00 0.00 0.00 0.00 0.00 0.00 0.00 0.00 0.00 08.02-08.05变化量0.00 0.00 0.00 0.00 0.00 0.00 0.00 0.00 0.00 0.00项目负责人:陈静监测单位:贵州省建筑工程勘察院裂缝监测报表监测报表第2页共2 页第 2 次工程名称:茅台会议中心监测报表编号:0002 天气:晴观测者:陈永宁计算者:陈永宁监测日期:2013 年8月5 日监测点L11(cm)L12(cm)L13(cm)L14(cm)L15(cm)L16(cm)L17(cm)L18(cm)L19(cm)L20(cm)初始值 1.58 1.28 1.01 1.82 9.84 6.88 1.91 2.65 3.11 5.06累计变化量0.04 0.00 0.00 0.00 0.00 0.00 0.00 0.00 0.00 0.00 08.01-08.02变化量0.04 0.0008.02-08.05变化量0.00 0.00 0.00 0.00 0.00 0.00 0.00 0.00 0.00 0.00项目负责人:陈静监测单位:贵州省建筑工程勘察院裂缝监测报表监测报表第1页共2 页第 3 次工程名称:茅台会议中心监测报表编号:0003 天气:晴观测者:陈永宁计算者:陈永宁监测日期:2013 年8月11 日监测点L1(cm)L2(cm)L3(cm)L4(cm)L5(cm)L6(cm)L7(cm)L8(cm)L9(cm)L10(cm)初始值0.98 2.11 2.25 1.01 1.00 1.65 1.49 1.45 2.79 2.08累计变化量0.05 0.00 0.00 0.00 0.00 0.00 0.00 0.00 0.00 0.07 08.01-08.02变化量0.00 0.00 0.00 0.00 0.00 0.00 0.00 0.00 0.00 0.00 08.02-08.05变化量0.00 0.00 0.00 0.00 0.00 0.00 0.00 0.00 0.00 0.00 08.05-08.11变化量0.05 0.00 0.00 0.00 0.00 0.00 0.00 0.00 0.00 0.07项目负责人:陈静监测单位:贵州省建筑工程勘察院裂缝监测报表监测报表第2页共2 页第 3 次工程名称:茅台会议中心监测报表编号:0003 天气:晴观测者:陈永宁计算者:陈永宁监测日期:2013 年8月11 日监测点L11(cm)L12(cm)L13(cm)L14(cm)L15(cm)L16(cm)L17(cm)L18(cm)L19(cm)L20(cm)初始值 1.58 1.28 1.01 1.82 9.84 6.50 1.91 2.65 3.11 5.06累计变化量0.32 0.04 0.00 0.00 0.00 0.00 0.00 0.15 0.24 0.00 08.01-08.02变化量0.04 0.0008.02-08.05变化量0.00 0.00 0.00 0.00 0.00 0.00 0.00 0.00 0.00 0.00 08.05-08.11变化量0.28 0.04 0.00 0.00 0.00 0.00 0.00 0.15 0.24 0.00项目负责人:陈静监测单位:贵州省建筑工程勘察院裂缝监测报表监测报表第1页共2 页第 4 次工程名称:茅台会议中心监测报表编号:0004 天气:晴观测者:陈永宁计算者:陈永宁监测日期:2013 年8月13 日监测点L1(cm)L2(cm)L3(cm)L4(cm)L5(cm)L6(cm)L7(cm)L8(cm)L9(cm)L10(cm)初始值0.98 2.11 2.25 1.01 1.00 1.65 1.49 1.45 2.79 2.08累计变化量0.05 0.00 0.00 0.00 0.00 0.00 0.00 0.00 0.00 0.07 08.01-08.02变化量0.00 0.00 0.00 0.00 0.00 0.00 0.00 0.00 0.00 0.00 08.02-08.05变化量0.00 0.00 0.00 0.00 0.00 0.00 0.00 0.00 0.00 0.00 08.05-08.11变化量0.05 0.00 0.00 0.00 0.00 0.00 0.00 0.00 0.00 0.07 08.11-08.13变化量0.00 0.00 0.00 0.00 0.00 0.00 0.00 0.00 0.00 0.00项目负责人:陈静监测单位:贵州省建筑工程勘察院裂缝监测报表监测报表第2页共2 页第 4 次工程名称:茅台会议中心监测报表编号:0004 天气:晴观测者:陈永宁计算者:陈永宁监测日期:2013 年8月13 日监测点L11(cm)L12(cm)L13(cm)L14(cm)L15(cm)L16(cm)L17(cm)L18(cm)L19(cm)L20(cm)初始值 1.58 1.28 1.01 1.82 9.84 6.50 1.91 2.65 3.11 5.06累计变化量0.32 0.04 0.00 0.00 0.00 0.00 0.00 0.15 0.24 0.00 08.01-08.02变化量0.04 0.0008.02-08.05变化量0.00 0.00 0.00 0.00 0.00 0.00 0.00 0.00 0.00 0.00 08.05-08.11变化量0.28 0.04 0.00 0.00 0.00 0.00 0.00 0.15 0.24 0.00 08.11-08.13变化量0.00 0.00 0.00 0.00 0.00 0.00 0.00 0.00 0.00 0.00项目负责人:陈静监测单位:贵州省建筑工程勘察院裂缝监测报表监测报表第1页共2 页第 5 次工程名称:茅台会议中心监测报表编号:0005 天气:晴观测者:陈永宁计算者:陈永宁监测日期:2013 年8月16 日监测点L1(cm)L2(cm)L3(cm)L4(cm)L5(cm)L6(cm)L7(cm)L8(cm)L9(cm)L10(cm)初始值0.98 2.11 2.25 1.01 1.00 1.65 1.49 1.45 2.79 2.08累计变化量0.05 0.00 0.00 0.00 0.00 0.00 0.00 0.00 0.00 0.07 08.01-08.02变化量0.00 0.00 0.00 0.00 0.00 0.00 0.00 0.00 0.00 0.00 08.02-08.05变化量0.00 0.00 0.00 0.00 0.00 0.00 0.00 0.00 0.00 0.00 08.05-08.11变化量0.05 0.00 0.00 0.00 0.00 0.00 0.00 0.00 0.00 0.07 08.11-08.13变化量0.00 0.00 0.00 0.00 0.00 0.00 0.00 0.00 0.00 0.00 08.13-08.16变化量0.00 0.00 0.00 0.00 0.00 0.00 0.00 0.00 0.00 0.00项目负责人:陈静监测单位:贵州省建筑工程勘察院裂缝监测报表监测报表第2页共2 页第 5 次工程名称:茅台会议中心监测报表编号:0005 天气:晴观测者:陈永宁计算者:陈永宁监测日期:2013 年8月16 日监测点L11(cm)L12(cm)L13(cm)L14(cm)L15(cm)L16(cm)L17(cm)L18(cm)L19(cm)L20(cm)初始值 1.58 1.28 1.01 1.82 9.84 6.50 1.91 2.65 3.11 5.06累计变化量0.35 0.04 0.24 0.03 0.11 0.00 0.00 0.18 0.29 0.02 08.01-08.02变化量0.04 0.0008.02-08.05变化量0.00 0.00 0.00 0.00 0.00 0.00 0.00 0.00 0.00 0.00 08.05-08.11变化量0.28 0.04 0.00 0.00 0.00 0.00 0.00 0.15 0.24 0.00 08.11-08.13变化量0.00 0.00 0.00 0.00 0.00 0.00 0.00 0.00 0.00 0.00 08.13-08.16变化量0.03 0.00 0.24 0.03 0.11 0.00 0.00 0.03 0.05 0.02项目负责人:陈静监测单位:贵州省建筑工程勘察院裂缝监测报表监测报表第1页共2 页第 6 次工程名称:茅台会议中心监测报表编号:0006 天气:阴观测者:陈永宁计算者:陈永宁监测日期:2013 年8月18 日监测点L1(cm)L2(cm)L3(cm)L4(cm)L5(cm)L6(cm)L7(cm)L8(cm)L9(cm)L10(cm)初始值0.98 2.11 2.25 1.01 1.00 1.65 1.49 1.45 2.79 2.08累计变化量0.05 0.00 0.00 0.00 0.00 0.00 0.00 0.00 0.00 0.07 08.01-08.02变化量0.00 0.00 0.00 0.00 0.00 0.00 0.00 0.00 0.00 0.00 08.02-08.05变化量0.00 0.00 0.00 0.00 0.00 0.00 0.00 0.00 0.00 0.00 08.05-08.11变化量0.05 0.00 0.00 0.00 0.00 0.00 0.00 0.00 0.00 0.07 08.11-08.13变化量0.00 0.00 0.00 0.00 0.00 0.00 0.00 0.00 0.00 0.00 08.13-08.16变化量0.00 0.00 0.00 0.00 0.00 0.00 0.00 0.00 0.00 0.00 08.16-08.18变化量0.00 0.00 0.00 0.00 0.00 0.00 0.00 0.00 0.00 0.00项目负责人:陈静监测单位:贵州省建筑工程勘察院裂缝监测报表监测报表第2页共2 页第 6 次工程名称:茅台会议中心监测报表编号:0006 天气:阴观测者:陈永宁计算者:陈永宁监测日期:2013 年8月18 日监测点L11(cm)L12(cm)L13(cm)L14(cm)L15(cm)L16(cm)L17(cm)L18(cm)L19(cm)L20(cm)初始值 1.58 1.28 1.01 1.82 9.84 6.50 1.91 2.65 3.11 5.06累计变化量0.35 0.04 0.24 0.03 0.11 0.00 0.00 0.18 0.29 0.02 08.01-08.02变化量0.04 0.0008.02-08.05变化量0.00 0.00 0.00 0.00 0.00 0.00 0.00 0.00 0.00 0.00 08.05-08.11变化量0.28 0.04 0.00 0.00 0.00 0.00 0.00 0.15 0.24 0.00 08.11-08.13变化量0.00 0.00 0.00 0.00 0.00 0.00 0.00 0.00 0.00 0.00 08.13-08.16变化量0.03 0.00 0.24 0.03 0.11 0.00 0.00 0.03 0.05 0.02 08.16-08.18变化量0.00 0.00 0.00 0.00 0.00 0.00 0.00 0.00 0.00 0.00项目负责人:陈静监测单位:贵州省建筑工程勘察院裂缝监测报表监测报表第1页共2 页第7 次工程名称:茅台会议中心监测报表编号:0007 天气:阴观测者:陈永宁计算者:陈永宁监测日期:2013 年8月20 日监测点L1(cm)L2(cm)L3(cm)L4(cm)L5(cm)L6(cm)L7(cm)L8(cm)L9(cm)L10(cm)初始值0.98 2.11 2.25 1.01 1.00 1.65 1.49 1.45 2.79 2.08累计变化量0.05 0.00 0.00 0.00 0.00 0.00 0.00 0.00 0.00 0.07 08.01-08.02变化量0.00 0.00 0.00 0.00 0.00 0.00 0.00 0.00 0.00 0.00 08.02-08.05变化量0.00 0.00 0.00 0.00 0.00 0.00 0.00 0.00 0.00 0.00 08.05-08.11变化量0.05 0.00 0.00 0.00 0.00 0.00 0.00 0.00 0.00 0.07 08.11-08.13变化量0.00 0.00 0.00 0.00 0.00 0.00 0.00 0.00 0.00 0.00 08.13-08.16变化量0.00 0.00 0.00 0.00 0.00 0.00 0.00 0.00 0.00 0.00 08.16-08.18变化量0.00 0.00 0.00 0.00 0.00 0.00 0.00 0.00 0.00 0.00 08.18-08.20变化量0.00 0.00 0.00 0.00 0.00 0.00 0.00 0.00 0.00 0.00项目负责人:陈静监测单位:贵州省建筑工程勘察院裂缝监测报表监测报表第2页共2 页第7 次工程名称:茅台会议中心监测报表编号:0007 天气:阴观测者:陈永宁计算者:陈永宁监测日期:2013 年8月20 日监测点L11(cm)L12(cm)L13(cm)L14(cm)L15(cm)L16(cm)L17(cm)L18(cm)L19(cm)L20(cm)初始值 1.58 1.28 1.01 1.82 9.84 6.50 1.91 2.65 3.11 5.06累计变化量0.35 0.04 0.24 0.03 0.11 0.00 0.00 0.18 0.29 0.02 08.01-08.02变化量0.04 0.0008.02-08.05变化量0.00 0.00 0.00 0.00 0.00 0.00 0.00 0.00 0.00 0.00 08.05-08.11变化量0.28 0.04 0.00 0.00 0.00 0.00 0.00 0.15 0.24 0.00 08.11-08.13变化量0.00 0.00 0.00 0.00 0.00 0.00 0.00 0.00 0.00 0.00 08.13-08.16变化量0.03 0.00 0.24 0.03 0.11 0.00 0.00 0.03 0.05 0.02 08.16-08.18变化量0.00 0.00 0.00 0.00 0.00 0.00 0.00 0.00 0.00 0.00 08.18-08.20变化量0.00 0.00 0.00 0.00 0.00 0.00 0.00 0.00 0.00 0.00项目负责人:陈静监测单位:贵州省建筑工程勘察院裂缝监测报表监测报表第1页共2 页第8 次工程名称:茅台会议中心监测报表编号:0008 天气:阴观测者:陈永宁计算者:陈永宁监测日期:2013 年8月22 日监测点L1(cm)L2(cm)L3(cm)L4(cm)L5(cm)L6(cm)L7(cm)L8(cm)L9(cm)L10(cm)初始值0.98 2.11 2.25 1.01 1.00 1.65 1.49 1.45 2.79 2.08累计变化量0.05 0.00 0.00 0.00 0.00 0.00 0.00 0.00 0.00 0.07 08.01-08.02变化量0.00 0.00 0.00 0.00 0.00 0.00 0.00 0.00 0.00 0.00 08.02-08.05变化量0.00 0.00 0.00 0.00 0.00 0.00 0.00 0.00 0.00 0.00 08.05-08.11变化量0.05 0.00 0.00 0.00 0.00 0.00 0.00 0.00 0.00 0.07 08.11-08.13变化量0.00 0.00 0.00 0.00 0.00 0.00 0.00 0.00 0.00 0.00 08.13-08.16变化量0.00 0.00 0.00 0.00 0.00 0.00 0.00 0.00 0.00 0.00 08.16-08.18变化量0.00 0.00 0.00 0.00 0.00 0.00 0.00 0.00 0.00 0.00 08.18-08.20变化量0.00 0.00 0.00 0.00 0.00 0.00 0.00 0.00 0.00 0.00 08.20-08.22变化量0.00 0.00 0.00 0.00 0.00 0.00 0.00 0.00 0.00 0.00项目负责人:陈静监测单位:贵州省建筑工程勘察院裂缝监测报表监测报表第2页共2 页第8 次工程名称:茅台会议中心监测报表编号:0008 天气:阴观测者:陈永宁计算者:陈永宁监测日期:2013 年8月22 日监测点L11(cm)L12(cm)L13(cm)L14(cm)L15(cm)L16(cm)L17(cm)L18(cm)L19(cm)L20(cm)初始值 1.58 1.28 1.01 1.82 9.84 6.50 1.91 2.65 3.11 5.06累计变化量0.35 0.04 0.24 0.03 0.16 0.00 0.00 0.18 0.29 0.02 08.01-08.02变化量0.04 0.0008.02-08.05变化量0.00 0.00 0.00 0.00 0.00 0.00 0.00 0.00 0.00 0.00 08.05-08.11变化量0.28 0.04 0.00 0.00 0.00 0.00 0.00 0.15 0.24 0.00 08.11-08.13变化量0.00 0.00 0.00 0.00 0.00 0.00 0.00 0.00 0.00 0.00 08.13-08.16变化量0.03 0.00 0.24 0.03 0.11 0.00 0.00 0.03 0.05 0.02 08.16-08.18变化量0.00 0.00 0.00 0.00 0.00 0.00 0.00 0.00 0.00 0.00 08.18-08.20变化量0.00 0.00 0.00 0.00 0.05 0.00 0.00 0.00 0.00 0.00项目负责人:陈静监测单位:贵州省建筑工程勘察院裂缝监测报表监测报表第1页共5 页第9次工程名称:茅台会议中心监测报表编号:0009 天气:阴观测者:陈永宁计算者:陈永宁监测日期:2013 年8月24 日监测点L1(cm)L2(cm)L3(cm)L4(cm)L5(cm)L6(cm)L7(cm)L8(cm)L9(cm)L10(cm)初始值0.98 2.11 2.25 1.01 1.00 1.65 1.49 1.45 2.79 2.08累计变化量0.05 0.00 0.00 0.00 0.00 0.00 0.00 0.00 0.00 0.07 08.01-08.02变化量0.00 0.00 0.00 0.00 0.00 0.00 0.00 0.00 0.00 0.00 08.02-08.05变化量0.00 0.00 0.00 0.00 0.00 0.00 0.00 0.00 0.00 0.00 08.05-08.11变化量0.05 0.00 0.00 0.00 0.00 0.00 0.00 0.00 0.00 0.07 08.11-08.13变化量0.00 0.00 0.00 0.00 0.00 0.00 0.00 0.00 0.00 0.00 08.13-08.16变化量0.00 0.00 0.00 0.00 0.00 0.00 0.00 0.00 0.00 0.00 08.16-08.18变化量0.00 0.00 0.00 0.00 0.00 0.00 0.00 0.00 0.00 0.00 08.18-08.20变化量0.00 0.00 0.00 0.00 0.00 0.00 0.00 0.00 0.00 0.00 08.20-08.22变化量0.00 0.00 0.00 0.00 0.00 0.00 0.00 0.00 0.00 0.00 08.22-08.24变化量0.00 0.00 0.00 0.00 0.00 0.00 0.00 0.00 0.00 0.00项目负责人:陈静监测单位:贵州省建筑工程勘察院裂缝监测报表监测报表第2页共5 页第9 次工程名称:茅台会议中心监测报表编号:0009 天气:阴观测者:陈永宁计算者:陈永宁监测日期:2013 年8月24 日监测点L11(cm)L12(cm)L13(cm)L14(cm)L15(cm)L16(cm)L17(cm)L18(cm)L19(cm)L20(cm)初始值 1.58 1.28 1.01 1.82 9.84 6.50 1.91 2.65 3.11 5.06累计变化量0.35 0.04 0.24 0.03 0.16 0.00 0.00 0.18 0.29 0.02 08.01-08.02变化量0.04 0.0008.02-08.05变化量0.00 0.00 0.00 0.00 0.00 0.00 0.00 0.00 0.00 0.00 08.05-08.11变化量0.28 0.04 0.00 0.00 0.00 0.00 0.00 0.15 0.24 0.00 08.11-08.13变化量0.00 0.00 0.00 0.00 0.00 0.00 0.00 0.00 0.00 0.00 08.13-08.16变化量0.03 0.00 0.24 0.03 0.11 0.00 0.00 0.03 0.05 0.02 08.16-08.18变化量0.00 0.00 0.00 0.00 0.00 0.00 0.00 0.00 0.00 0.00 08.18-08.20变化量0.00 0.00 0.00 0.00 0.05 0.00 0.00 0.00 0.00 0.00 08.22-08.24变化量0.00 0.00 0.00 0.00 0.05 0.00 0.00 0.00 0.00 0.00项目负责人:陈静监测单位:贵州省建筑工程勘察院裂缝监测报表监测报表第3页共5 页第9次工程名称:茅台会议中心监测报表编号:0009 天气:阴观测者:陈永宁计算者:陈永宁监测日期:2013 年8月24 日监测点L21(cm)L22(cm)L23(cm)L24(cm)L25(cm)L26(cm)L27(cm)L28(cm)L29(cm)L30(cm)初始值 3.72 3.55 2.59 1.68 2.48 1.83 1.80 2.15 1.98 1.81累计变化量0.00 0.00 0.00 0.00 0.00 0.00 0.00 0.00 0.00 0.00 08.22-08.24变化量0.00 0.00 0.00 0.00 0.00 0.00 0.00 0.00 0.00 0.00项目负责人:陈静监测单位:贵州省建筑工程勘察院裂缝监测报表监测报表第4页共5 页第9 次工程名称:茅台会议中心监测报表编号:0009 天气:阴观测者:陈永宁计算者:陈永宁监测日期:2013 年8月24 日监测点L31(cm)L32(cm)L33(cm)L34(cm)L35(cm)L36(cm)L37(cm)L38(cm)L39(cm)L40(cm)初始值 1.65 2.22 1.98 1.84 1.40 1.57 1.58 1.28 1.25 1.19累计变化量0.00 0.00 0.00 0.00 0.00 0.00 0.00 0.00 0.00 0.00 08.22-08.24变化量0.00 0.00 0.00 0.00 0.00 0.00 0.00 0.00 0.00 0.00项目负责人:陈静监测单位:贵州省建筑工程勘察院裂缝监测报表监测报表第5页共5 页第9 次工程名称:茅台会议中心监测报表编号:0009 天气:阴观测者:陈永宁计算者:陈永宁监测日期:2013 年8月24 日监测点L41(cm)L42(cm)L43(cm)L44(cm)L45(cm)L46(cm)L47(cm)L48(cm)L49(cm)初始值 2.88 0.91 1.22 2.05 1.27 3.10 2.48 4.15 2.28累计变化量0.00 0.00 0.00 0.00 0.00 0.00 0.00 0.00 0.0008.22-08.24变化量0.00 0.00 0.00 0.00 0.00 0.00 0.00 0.00 0.00项目负责人:陈静监测单位:贵州省建筑工程勘察院。
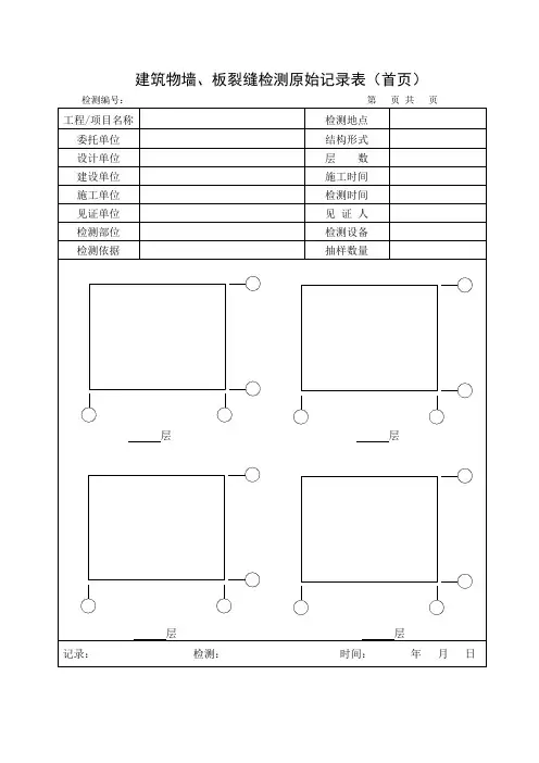
建筑物裂缝观测监测方案一、裂缝观测的内容建筑物发现裂缝,为了了解其现状和掌握其发展情况,应立即进行裂缝变化的观测。
裂缝观测应测定建筑物上的裂缝分布位置,裂缝的走向、长度、宽度及其变化程度。
观测的裂缝数量视需要而定,主要的或变化大的裂缝应进行观测。
以便根据这些资料分析其产生裂缝的原因和它对建筑物安全的影响;及时地采取有效措施加以处理。
二、技术要求1、裂缝观测应测定建筑上的裂缝分布位置和裂缝的走向、长度、宽度及其变化情况。
2、对需要观测的裂缝应统一进行编号。
每条裂缝应至少布设两组观测标志,其中一组应在裂缝的最宽处,另一组应在裂缝的末端。
每组应使用两个对应的标志,分别设在裂缝的两侧。
3、裂缝观测标志应具有可供量测的明晰端面或中心。
长期观测时,可采用镶嵌或埋入墙面的金属标志、金属杆标志或楔形板标志;短期观测时,可采用油漆平行线标志或用建筑胶粘贴的金属片标志。
当需要测出裂缝纵横向变化值时,可采用坐标方格网板标志。
使用专用仪器设备观测的标志,可按具体要求另行设计。
4、对于数量少、量测方便的裂缝,可根据标志形式的不同分别采用比例尺、小钢尺或游标卡尺等工具定期量出标志间距离求得裂缝变化值,或用方格网板定期读取“坐标差”计算裂缝变化值;对于大面积且不便于人工量测的众多裂缝宜采用交会测量或近景摄影测量方法;需要连续监测裂缝变化时,可采用测缝计或传感器自动测记方法观测。
5、裂缝观测的周期应根据其裂缝变化速度而定。
开始时可半月测一次,以后一月测一次。
当发现裂缝加大时,应及时增加观测次数。
6、裂缝观测中,裂缝宽度数据应量至0.1mm,每次观测应绘出裂缝的位置、形态和尺寸,注明日期,并拍摄裂缝照片。
7、裂缝观测应提交下列图表:(1)裂缝位置分布图;(2)裂缝观测成果表;(3)裂缝变化曲线图。
三、观测标志为了观测裂缝的发展情况,要在裂缝处设置观测标志。
对设置标志的基本要求是:当裂缝开展时标志就能相应地开裂或变化,并能正确地反映建筑物裂缝发展情况,其标志形式一般采用如下三种:1.石膏板标志用厚10mm,宽约50~80mm的石膏板(长度视裂缝大小而定),在裂缝两边固定牢固。