逸动纯电动减速器总成维修手册
- 格式:pdf
- 大小:1.90 MB
- 文档页数:18
减速器检修方案范文
减速器是机械传动中的重要组成部分,用于减少输入轴的转速并增加输出轴的扭矩。
随着减速器在使用过程中的磨损和老化,其性能可能会下降,因此定期的检修和维护对于确保减速器的正常运转至关重要。
以下是一个减速器检修方案的建议,共计1200字。
第一部分:减速器检修前准备(建议100-200字)
1.了解减速器的重要性和功能:在检修减速器之前,需要了解减速器在机械传动中的重要性和功能。
这将有助于确定检修计划和检查项目。
2.准备必要的工具和设备:在检修减速器之前,需要准备所需的工具和设备,如扳手、锤子、测量工具等。
确保这些工具和设备是适合于检修减速器的。
第二部分:减速器检修过程(建议700-900字)
1.外观检查:首先进行减速器的外观检查,包括观察是否有明显的损坏或泄漏现象。
还需要检查减速器的安装是否正确,滑动联轴器的连接是否牢固等。
2.清洁减速器:使用适当的清洁剂和刷子清洁减速器的外表面,将沉积物和污垢彻底清除。
3.拆解减速器:根据减速器的结构和维修手册,按照正确的顺序拆下减速器的各个部件。
在拆解过程中需要注意有序拆卸,记录拆解的过程,以便于后续的组装。
减速器检修维护规程1 设备性能及作用1.1 用途JS型减速器用于球磨机的传动装置,主导作用降低转速,提高传动力矩,使磨机的运转达到设计能力所要求的转速和力矩要求。
1.2 结构简述JS型减速机采用中心传动,功率双分流,扭力轴均载,两极减速对称布置的结构形式,配用集中润滑站润滑方式。
1.3技术性能型号:JS130——C型驱动功率:2500kw输出转速:16.6pm齿面精度:6极式6级以上齿面硬度:HRC60±22、完好标准2.1 零部件完好标准减速器零部件的主要齿轮及其支撑的轴承。
2.1.1齿轮接触斑点:额定载荷时长度和宽度不少于85%。
2.1.2齿面无严重锈蚀,剥落等,影响齿轮传动的明显缺陷。
2.1.3滑动轴承的接触斑点达到45o C轴向×周向×100%要求经向间隙达到0.25~0.50mm的要求,瓦口间隙达到用0.15塞尺塞涤要求≥15~20;上下瓦口间隙要求一样。
2.1.4齿轮到接触斑点达到80%的齿长×70%齿高要求。
2.2 运行性能2.2.1减速机运行平稳,无振动,冲击等异常现象。
2.2.2 轴承各温升缓慢,同时检查各管路有否渗漏,特别是各法兰联接处,通过箱体的观察孔,察看各润滑点是否有油润滑。
2.2.3 供油压力达到0.15~0.3Mpa的供油压力。
2.3 技术资料使用说明书2.4 使用环境室内安装,通同良好3 设备维护规程3.1 日常维护日常点检内容及标准润滑五定3.2 定期检查内容3.3常见故障处理4 设备检修规程4.1 检修周期及定额4.2小修内容及标准A、现场润滑站检查⑴、检修前,使油泵正常停机,切断油泵电源,使高位油回流到油⑵、油泵电源挂牌,并将相关如仪表电源,加热装置切断。
⑶、做好集油装置,保证不漏油。
⑷、检查清理滤油器,清理。
⑸、更换检查油泵后,要手动盘车,要轻松自如,保证同心度。
⑹、检修结束后,让电工接线,检查旋向和有无漏油情况。
B、电气检查⑴电气公司根据生产指令,在停机后,通知现场人员挂牌。
电动车构造及维修手册目录第一章电动车的结构及其工作原理-------------------------------------------------1 第一节电动车的机械结构--------------------------------------------------------------------21.车架和避震--------------------------------------------------------------------------------32.前后车轮-----------------------------------------------------------------------------------43.车把与制动系统---------------------------------------------------------------------------54.避震前叉-----------------------------------------------------------------------------------65.中轴和链条传动机构---------------------------------------------------------------------76.其他-----------------------------------------------------------------------------------------8第二节电动车的电气结构--------------------------------------------------------------------91.动力电池----------------------------------------------------------------------------------102.直流电动机-------------------------------------------------------------------------------113.控制器与连接电缆-----------------------------------------------------------------------124.充电器-------------------------------------------------------------------------------------135.仪表与照明、指示系统-----------------------------------------------------------------146.智能助力传感器-------------------------------------------------------------------------15第三节电动车重要件的工作原理----------------------------------------------------------161.有刷电机的工作原理-------------------------------------------------------------------172.无刷电机的工作原理-------------------------------------------------------------------183.调速系统的工作原理-------------------------------------------------------------------194.传感器的工作原理----------------------------------------------------------------------205.蓄电池的工作原理----------------------------------------------------------------------216.充电器的工作原理----------------------------------------------------------------------22 第二章电动车的检查与保养---------------------------------------------------------23 第一节电动车机械系统的检查-------------------------------------------------------------24 第二节电动车电气系统的检查-------------------------------------------------------------25 第三节电动车各部位的调节和调整-------------------------------------------------------261.鞍座的调节-----------------------------------------------------------------------------272.链条的调节-----------------------------------------------------------------------------283.车把的调节-----------------------------------------------------------------------------294.制动系统的调节-----------------------------------------------------------------------305.辐条轮轮圈的调整--------------------------------------------------------------------316.车轮轮胎的调整-----------------------------------------------------------------------32第四节电动车定期检查、保养表--------------------------------------------------------33 第五节电动车的清洗与保养---------------------------------------------------------------341.电动车的清洁和清洗-----------------------------------------------------------------352.电动车电机的保养--------------------------------------------------------------------363.电动车蓄电池的保养-----------------------------------------------------------------374.充电器的保养------------------------------------------------------------------------38- 1 -第三章电动车的故障分析及修理方法--------------------------------------------39 第一节整车系统的常见故障及修理方法-----------------------------------------------40 第二节电机的常见故障及修理方法------------------------------------------------------411.电机的拆卸与装配技巧--------------------------------------------------------------422.电机端盖的更换---------------------------------------------------------------------433.电刷(碳刷)的更换-----------------------------------------------------------------444.正、负极引出线的更换--------------------------------------------------------------455.各种故障的分析及修理方法--------------------------------------------------------46(包括机械杂音、缺相、发热、电流大、转矩弱等故障)第三节铅酸蓄电池的常见故障及修理方法----------------------------------------------471.电池漏液-------------------------------------------------------------------------------482.电池充不进电-------------------------------------------------------------------------493.电池充电时发热严重-----------------------------------------------------------------504.电池变形-------------------------------------------------------------------------------515.电池单只落后-------------------------------------------------------------------------526.电池使用时压降过快-----------------------------------------------------------------537.电池一充就满一用就完--------------------------------------------------------------548.铅酸蓄电池补液技巧-----------------------------------------------------------------559.铅酸蓄电池的几种检查方法--------------------------------------------------------56第四节控制器的常见故障及修理方法---------------------------------------------------571.控制器没有输出----------------------------------------------------------------------582.控制器输出不正常-------------------------------------------------------------------593.控制器造成飞车现象----------------------------------------------------------------604.无刷控制器没有输出----------------------------------------------------------------615.无刷控制器缺相----------------------------------------------------------------------626.电气元件的更换方法与注意事项--------------------------------------------------63第五节充电器的常见故障及修理方法---------------------------------------------------641.充电器插上电源后没有输出--------------------------------------------------------652.充电时电源指示灯亮,充电指示灯为橙色---------------------------------------663.充电时充电指示灯不跳绿灯--------------------------------------------------------674.充电时充电器严重发热,使外壳变----------------------------------------------685.充电器输出电压过高---------------------------------------------------------------696.充电器输出电流太小---------------------------------------------------------------707.充电器工作时有异声,充不进电,指示灯暗且闪烁----------------------------71 第四章电动车的基本知识问答----------------------------------------------------72 第一节关于整车系统-----------------------------------------------------------------------73 第二节关于电机----------------------------------------------------------------------------74 第三节关于蓄电池-------------------------------------------------------------------------75 第四节关于充电器-------------------------------------------------------------------------76 第五节关于控制器-------------------------------------------------------------------------77- 2 -第一章电动车的结构及其工作原理第一节电动车的机械结构1. 车架和避震车架是电动车的骨架,它是安装电动车零部件的基体,还要能承载重量、经受冲击和振动。
车身各节标题 页码车身与附件 5.1.1全车固定玻璃...................................................................................................................................5.1.2车门系统...........................................................................................................................................5.1.3座椅...................................................................................................................................................5.1.4安全带系统.......................................................................................................................................5.1.5后视镜...............................................................................................................................................5.1.6仪表板与控制台...............................................................................................................................5.1.7保险杠...............................................................................................................................................5.1.8把手、锁、锁闩...................................................................................................................................5.1.9内饰板与饰件...................................................................................................................................5.1.10外饰件...........................................................................................................................................车身维修 5.2.1车身维修........................................................................................................................................... 车身与附件适合车型:逸动目录 页码5.1.1 全车固定玻璃 规格 ..................................................................................................................................................................5.1.1-1一般规车身与附件逸动格 ........................................................................................ ..........................................................5.1.1-1说明与操作 ........................................................................................ ..............................................................5.1.1-1系统概述 ........................................................................................ ..........................................................5.1.1-1部件说明 ........................................................................................ ..........................................................5.1.1-1拆卸与安装 ........................................................................................ ..............................................................5.1.1-1前挡风玻璃 ........................................................................................ ......................................................5.1.1-1后挡风玻璃 ........................................................................................ ......................................................5.1.1-3后三角窗玻璃 ........................................................................................ ..................................................5.1.1-55.1.2 车门系统规格 ........................................................................................ ..........................................................................5.1.2-1扭矩规格 ........................................................................................ ..........................................................5.1.2-1说明与操作 ........................................................................................ ..............................................................5.1.2-1系统概述 ........................................................................................ ..........................................................5.1.2-1部件说明 ..................................................................................................................................................5.1.2-1门窗玻璃......................................................................................... ...........................................................5.1.2-1拆卸与安装 ........................................................................................ ..............................................................5.1.2-1车门玻璃......................................................................................... ...........................................................5.1.2-1前门电动玻璃升降器......................................................................................... .......................................5.1.2-2后门电动玻璃升降器......................................................................................... .......................................5.1.2-2前车窗玻璃呢槽 ........................................................................................ ..............................................5.1.2-3后车窗玻璃呢槽......................................................................................... ...............................................5.1.2-3前门限位器 ........................................................................................ ......................................................5.1.2-4后门限位器......................................................................................... .......................................................5.1.2-4前门玻璃滑槽......................................................................................... ...................................................5.1.2-4后门玻璃滑槽......................................................................................... ...................................................5.1.2-5前、后门内饰板......................................................................................... .................................................5.1.2-65.1.3 座椅规格 ..................................................................................................................................................................5.1.3-1扭矩规格 ..................................................................................................................................................5.1.3-1 说明与操作........................................................................................................................................................5.1.3-1系统概述 ..................................................................................................................................................5.1.3-1 拆卸与安装 ......................................................................................................................................................5.1.3-1前排座椅 ..................................................................................................................................................5.1.3-1后排座椅 ..................................................................................................................................................5.1.3-2 5.1.4 安全带系统 规格 ..................................................................................................................................................................5.1.4-1扭矩规格 ..................................................................................................................................................5.1.4-1 说明与操作 ......................................................................................................................................................5.1.4-1系统概述 ..................................................................................................................................................5.1.4-1部件分解图 ..............................................................................................................................................5.1.4-2 拆卸与安车身与附件逸动装 ........................................................................................ ..............................................................5.1.4-3前排安全带 ........................................................................................ ......................................................5.1.4-3后排安全带 ........................................................................................ ......................................................5.1.4-55.1.5 后视镜说明与操作 ........................................................................................ ..............................................................5.1.5-1系统概述 ........................................................................................ ..........................................................5.1.5-1拆卸与安装 ........................................................................................ ..............................................................5.1.5-1后视镜 ........................................................................................ ..............................................................5.1.5-15.1.6 仪表板与控制台拆卸方式 ........................................................................................ ..................................................................5.1.6-15.1.7保险杠拆卸与安装 ........................................................................................ ..............................................................5.1.7-1前保险杠 ........................................................................................ ..........................................................5.1.7-1后保险杠 ........................................................................................ ..........................................................5.1.7-25.1.8把手、锁、锁闩行李箱机械锁扣................................................................................................................................................5.1.8-1发动机舱盖锁扣......................................................................................... .......................................................5.1.8-2前门锁体总成......................................................................................... ...........................................................5.1.8-2后门锁体总成......................................................................................... ...........................................................5.1.8-3门锁锁芯......................................................................................... ...................................................................5.1.8-3车门外把手......................................................................................... ...............................................................5.1.8-45.1.9内饰板与饰件内饰板与饰件......................................................................................... ...........................................................5.1.9-15.1.10外饰件拆卸与安装 ........................................................................................ ............................................................5.1.10-1前翼子板内衬 ........................................................................................ ................................................5.1.10-1后翼子板内衬 ........................................................................................ ................................................5.1.10-1后门窗装饰件 ........................................................................................ ................................................5.1.10-2洗涤器 ....................................................................................................................................................5.1.10-2 5.1.1 全车固定玻璃规格逸动全车固定玻璃5.1.1- 5.1.1-逸动说明与操作系统概述全车固定玻璃包括前、后挡风玻璃,后三角窗玻璃。
12长安逸动发动机维修手册长安逸动发动机维修手册本手册为长安逸动车型发动机维修手册,旨在帮助车主解决日常发动机故障和维护问题。
一、发动机故障排查流程当车辆出现发动机异常时,首先需要按照以下步骤进行排查:1.检查发动机故障灯是否亮起,如亮起,应查看故障码并进行修理。
2.检查发动机的燃油供应是否充足,燃油泵是否正常工作。
3.检查点火系统是否正常,如点火线圈、火花塞等是否工作正常。
4.检查气门系统是否正常,如气门是否打开并且正常运动。
5.检查机油液位是否正常,机油是否需要更换。
6.检查冷却液液位是否正常,冷却液是否需要更换。
7.检查排气系统是否正常,如排气管是否堵塞等。
8.如以上排查均正常,可进行进一步检查或到维修站进行维修。
二、发动机维护长安逸动发动机需要定期进行保养,以下为保养周期及事项:1.机油更换周期:每10000公里或每12个月更换一次机油,机油滤清器同时更换。
2.空气滤清器清洗周期:每10000公里或每12个月进行清洗。
3.燃油滤清器更换周期:每40000公里更换一次。
4.火花塞更换周期:每60000公里更换一次。
5.冷却液更换周期:每40000公里更换一次。
6.轮胎气压检测:建议每月进行一次气压检测。
7.行驶数据检测:每3000公里进行一次行驶数据检测,以保证车辆的正常行驶。
以上保养事项在维护车辆时应进行,以确保车辆正常运行和延长车辆使用寿命。
三、注意事项1.在行驶中应注意减少熄火和急加速等操作,以延长发动机寿命。
2.发动机启动后,不要立刻进行高速行驶,应让发动机预热数分钟后再行驶。
3.在行驶中,应该注意车速、负荷、路况等因素,避免长时间高速行驶或过大负荷。
4.车辆在长时间停车后,发动机应在启动后静置一段时间(约10秒钟),以使发动机油润滑部件。
本手册中的维护和注意事项是为了确保车辆正常运行和提高车辆使用寿命,驾驶者应严格遵守并加以实践。
发现发动机异常时,应尽快进行排查和维修,以避免损害发动机和车辆损失。
三、力矩表
四、常见故障表及维修
更换主齿油封
主齿油封片漏油
漏油主减速器总成5在联接螺栓头部15~20mm 范围内涂厌氧胶后,用24~29N.m 的拧紧力拧紧联接螺栓联接螺栓处出现漏油
漏油
主减速器总成4在桥壳结合面重新涂胶后,用24~29N.m 的拧紧力拧紧联接螺栓主减速器与桥壳结合面出现漏油或渗油
漏油
主减速器总成3更换桥壳
后桥桥壳半轴套管处弯曲变形弯曲变形
后桥桥壳
更换桥壳后桥桥壳焊缝处渗油
裂纹后桥桥壳2
更换桥壳环焊缝出现明显裂纹
断裂后桥桥壳1维修方法故障表现情况说明故障分类零部件名称序号。
最全面的电动车维修手册很多消费者在骑车的时候,总是分不清楚各种故障,今天南鹰小编就统一普及一下电动车基本故障的判断以及分析其原因和排除方法供您学习。
电动车分四大部分及一个随车附件。
这四大部分即车体、车用电动机、车载电池及智能控制器,一个随车附件是电池充电器,另外还有一些辅助功能设施。
一、充电器:是给电池补充电能的装置。
提示:绝大多数的蓄电池不是用坏的,而是“冲坏”的。
常见故障:1:电源不启动:插电源,大电容有300V电压、拔掉电源再次测量大电容2端还是300V 电压不下降。
给电容放电后,将启动电阻换掉即可。
启动电阻在电源输入部分,阻值150K,功率2W。
2: 电源不启动:插电,大电容2端有300V电压,拔掉电源,大电容电压慢慢下降,将电路板全部检查是否有脱焊的现象,补焊完成后,将3842换成新的,通电试机即可。
3:闪灯:先将电路板补焊一遍,再次试机,如果还是闪灯,请检查输出端取样电阻。
0.1欧。
3W功率。
接在输出线的负极端,将此电阻换新即可。
4:输出电压高,通电,电压高于70多V,充电不转灯,先将电路板补焊一遍,再次试机,如果还是电压高,请更换光电耦合器、再次试机、还是输出高,更换431基准稳压器,再次试机。
5:吱吱叫,发热,充电不足:通电测量大电容电压,只要低于300V,一般电容失效,更换即可。
6:严重发热,请将风扇换新即可。
7:输出电压不稳定,先将电路板补焊一遍,后试机,然后将输出端电容63V470UF电容换新试机即可。
8:充电不转灯,用检测仪测试各项数据,然后将358或者324换新试机。
9:充电不稳定,有时候能充,有时候不能冲,用测试仪检测各项数据,然后将输入输出电源线,全部换新,补焊线路板试机。
10:通电烧保险:先检测功率管击穿没有,没有的话将4个整流二极管全部换新,试机。
11:通电无输出,通电试机,大电容2端有300V电压,且慢慢下降,首先检测输出端大二极管击穿没有,补焊,再次试机。
标准系列减速机安装维护手册1.概述2.技术信息3.供货状况4.装箱、掉装、接收、存放5.安装说明5.1请严格按以下程序安装减速器--安装前请检查减速器注油口、透气塞、水平油塞和放油塞的位置,因为它们的装配位置决定了减速器的安装位置。
(参考2.2节外形图)--如果减速器上带有多盘制动器,同样请检查制动器上注油口、透气塞、水平油塞和放油塞的位置,因为它们的装配位置也决定了减速器的安装位置。
(参考2.2节外形图) --制动器必须与其控制线路正确连接,对于液压回路请保持回路通畅。
--安装RPR和MDU系列减速器时,请千万小心保护好减速器的放油管(位于减速器支座的侧面),油管安装在最易与油箱连接的部位。
(安装时请保护好油管和油箱)--减速器通常自带连接法兰,以供与电机、液压马达或空气马达连接。
--用户可在减速器输入端安装联轴器、皮带轮等件,同时必须根据当地现行安全条例,负责地安装一些适当的保护装置。
--减速器安装在户外时,请使用防锈漆、护油器,以及用防水油脂的防滑装置,并加装防雨罩等保护以减小恶劣的天气条件对减速器的影响。
5.2法兰连接减速器的安装说明--减速器必须被安装在一个垂直于驱动轴的具有定位面的稳固的结构上。
--减速器的轴表面和联轴器的内表面必须清除污物保持清洁,并保证装配面没有任何碰伤或别的原因引起的缺陷,因为这将影响减速器安装时同轴度的校准,特别对于不能承受径向和轴向载荷的内花键轴输出的减速器,其影响程度更加显著。
--给减速器所有的轴和安装面上油。
--减速器安装到位后,先敲上销钉,然后紧定螺栓(要求最小8.8级),紧定螺栓所需力矩列于8.1节“紧定力矩”表中,这个表格同样适用于其它紧固结构(如螺母等)。
注意:1.当应用中存在严重冲击、频繁启动、停止、正反转或超过最大容许力矩70%时,我们要求使用10.9或12.9级的螺栓。
2.在安装垂直传动减速器时,有时输入轴的位置不太理想,为解决这类问题,建议如下:--用可补偿误差的联轴器,首先测量安装造成的误差,然后对照联轴器允许的补偿误差范围是否满足,如果仍不能满足,请给马达加装适当垫片以得到最佳安装。
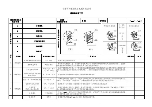
减速机检修作业指导书1 目的1.1 保证减速机检修符合检修工艺质量要求、安全、文明生产管理要求。
1.2 为所有参加本项目的工作人员,质检人员确定必须遵循的质量保证程序。
2 适用范围适用于污水厂的减速机检修工作.3 作业条件3.1 与减速机相关联的设备停电,办理检修工作票。
3.2 拉断电机电源,并挂上“有人工作,严禁合闸”的警示牌。
3.3 作业组成员了解检修前减速机的缺陷。
3.4 作业组成员了解减速机的运行状态及运行时间。
3.5 清点所有专用工具齐全,检查合适,试验可靠。
3.6 起重用电动葫芦、手动葫芦在起重前应检查是否良好。
3.7 参加检修的人员必须熟悉本作业指导书,并能熟记本次检修的检修项目,工艺质量标准等。
3.8 参加本检修项目的人员必需持证上岗,并熟记本作业指导书的安全技术措施。
3.9 准备好检修用的各易损件的备件及材料。
3.10 开工前召开专题会,对参加人员进行组内分工,并且进行安全、技术交底。
4 风险分析/危害辨识4.1 减速机检修总体危害辨识4.1.1 参加检修的人员进行安全教育和技术培训,达到上岗条件。
4.1.2 作业组成员的着装要符合工作要求。
4.1.3 减速机解体、检修时严禁损伤齿轮及其他部件。
4.1.4 所带的常用工具、量具应认真清点备案,做好使用记录,绝不许遗落在减速机内。
4.1.5 各作业过程工作负责人要进行安全交底,做好危险预想。
4.2 减速机解体阶段的风险分析4.2.1 解体过程中要注意起重工具的正确使用。
4.2.2 起吊重物前检查起重工具是否符合载荷要求。
4.2.3 起吊物件要绑扎牢固、起吊平稳。
4.2.4 防止起吊物件的坠落。
4.2.5 拆卸的部件排放整齐,在高处时防止滑落。
4.2.6 使用大锤时,严禁单手操作、严禁戴手套操作,使用前检查锤头的固定情况,防止飞出伤人。
5 组织及人员分工:5.1 组织措施5.1.1 所有的组织措施、安全措施、技术措施准备就绪后方可进行工作。