基础轴线、基槽、定位记录表
- 格式:doc
- 大小:257.50 KB
- 文档页数:10
地基验槽记录表通用版
地基验槽记录表
工程名称:××县xxxxxxxxxx工程
工程编号:2020-001
工程部位:基坑
验槽日期:2020年01月26日
项次 | 项目 | 地基形式(人工或天然) | 持力层土质和地耐力 | 地基土的均匀、密致程度 | 基底标高 | 基槽轴线位移 | 基槽尺寸 | 地下水位标高及处理 | 开挖时间 | 完成时间 | 验收情况|
1 | 轴~9轴 | 天然地基 | 砂砾土、210KPa/m
2 | 符合要求 | -3.500m | 符合施工规范规定 | 满堂开挖(总长45.2m、总宽18.6m) | -3.300m,采用集水坑抽排附图 | 2020年01月20日 | 2020年01月25日 | 符合设计要求。
|
基坑剖面图:
0.300m龙门板
3.300水位
3.500m
45.2m×18.6m
施工单位意见:符合设计要求。
项目经理:XXX
项目技术负责人:xxx
施工单位(公章):2020年01月26日
监理单位意见:符合设计要求。
XXX:XXX
监理单位(公章):2020年01月26日
设计单位意见:该地基土质符合要求,同意封底。
结构专业负责人:
设计单位(公章):2020年01月26日
建设单位意见:同意进入下道工序的施工。
项目负责人:
建设单位(公章):2020年01月26日。
基础轴线标高检查记录
C01-5-03-001
内质检软件登记号:64190163
基槽验线记录
C01-5-02-001
内质检软件登记号:64190163
C01-5-01-001
监理工程师:技术负责人:抄测人:
(建设单位项目负责人)
施工员:质检员:复测人:
内质检软件登记号:64190163
C01-5-01-001
监理工程师:技术负责人:抄测人:
(建设单位项目负责人)
施工员:质检员:复测人:
内质检软件登记号:64190163
基础轴线标高检查记录
C01-5-03-001
内质检软件登记号:64190163
基槽验线记录
C01-5-02-001
内质检软件登记号:64190163
C01-5-01-001
监理工程师:技术负责人:抄测人:
(建设单位项目负责人)
施工员:质检员:复测人:
内质检软件登记号:64190163
C01-5-01-001
监理工程师:技术负责人:抄测人:
(建设单位项目负责人)
施工员:质检员:复测人:
内质检软件登记号:64190163
现场土包分布图。
监理平行检查记录表格模板XXX开挖、回填工程监理平行检验记录表单位(子单位):XXX工程名称:XXX项目监理平行检验部位:桩基、基坑、基槽、管沟、地面基层施工单位自检及报验情况:施工单位于年月日完成了“自检、交接检、专检”,并自检合格。
项目监理部于年月日时收到其报验资料,经审查合格,于月日到现场进行平行检验。
现行施工质量验收规范的规定:允许偏差或允许值(mm):桩基:人工±30,机械±50基坑:±50基槽:-50管沟:-50地面基层:+200/-50监理平行检验记录:监理单位:XXX主控项目:标高、XXX开挖、回填实测值(mm):1.标高:合格2.XXX开挖:挖方场:±30地平整:±503.回填:基底土性:-50分层压实系数:设计要求土料目:设计要求分层厚度及含水量:设计要求表面平整度:-50监理平行检验结论:监理员/专业监理工程师:签字日期:年月日注:“允许偏差”栏中有数据规定的填写实测值,其余可用“√”表示合格;“×”表示不合格。
地下、屋面卷材防水层监理平行检验记录表单位(子单位):XXX工程名称:宝应县海棠苑小区(高铁安置区)#楼监理平行检验部位:卷材防水层及其转角处、变形缝、穿墙管道、屋面的天沟、檐沟、檐口、水落口、泛水和伸出屋面管道的防水构造施工单位自检及报验情况:施工单位于年月日完成了“自检、交接检、专检”,并自检合格。
项目监理部于年月日时收到其报验资料,经审查合格,于月日到现场进行平行检验。
现行施工质量验收规范的规定:1.卷材防水层所用卷材及配套材料质量必须符合设计要求。
2.卷材防水层不得有渗漏或积水现象。
3.卷材防水层及其转角处、变形缝、穿墙管道、屋面的天沟、檐沟、檐口、水落口、泛水和伸出屋面管道的防水构造,必须符合设计要求。
4.卷材防水层的基层应牢固,基面应洁净、平整,不得有空鼓、松动、起砂和脱破现象;基层阴阳角处应做圆弧形。
隐蔽工程验收记录(地基验槽)项目名称:河北建投丰宁关道梁风电场48MW工程编号:本表一式6 份,建设管理单位、监理公司、勘察单位、设计单位各存 1 份、承包单位存 2 份。
隐蔽工程验收记录(地基验槽)项目名称:河北建投丰宁关道梁风电场48MW工程编号:本表一式6 份,建设管理单位、监理公司、勘察单位、设计单位各存 1 份、承包单位存 2 份。
隐蔽工程验收记录(地基验槽)项目名称:河北建投丰宁关道梁风电场48MW工程编号:本表一式6 份,建设管理单位、监理公司、勘察单位、设计单位各存 1 份、承包单位存 2 份。
隐蔽工程验收记录(地基验槽)项目名称:河北建投丰宁关道梁风电场48MW工程编号:本表一式6 份,建设管理单位、监理公司、勘察单位、设计单位各存 1 份、承包单位存 2 份。
隐蔽工程验收记录(地基验槽)项目名称:河北建投丰宁关道梁风电场48MW工程编号:本表一式6 份,建设管理单位、监理公司、勘察单位、设计单位各存 1 份、承包单位存 2 份。
隐蔽工程验收记录(地基验槽)项目名称:河北建投丰宁关道梁风电场48MW工程编号:本表一式6 份,建设管理单位、监理公司、勘察单位、设计单位各存 1 份、承包单位存 2 份。
隐蔽工程验收记录(地基验槽)项目名称:河北建投丰宁关道梁风电场48MW工程编号:本表一式6 份,建设管理单位、监理公司、勘察单位、设计单位各存 1 份、承包单位存 2 份。
隐蔽工程验收记录(地基验槽)项目名称:河北建投丰宁关道梁风电场48MW工程编号:本表一式6 份,建设管理单位、监理公司、勘察单位、设计单位各存 1 份、承包单位存 2 份。
隐蔽工程验收记录(地基验槽)项目名称:河北建投丰宁关道梁风电场48MW工程编号:本表一式6 份,建设管理单位、监理公司、勘察单位、设计单位各存 1 份、承包单位存 2 份。
隐蔽工程验收记录(地基验槽)项目名称:河北建投丰宁关道梁风电场48MW工程编号:本表一式6 份,建设管理单位、监理公司、勘察单位、设计单位各存 1 份、承包单位存 2 份。
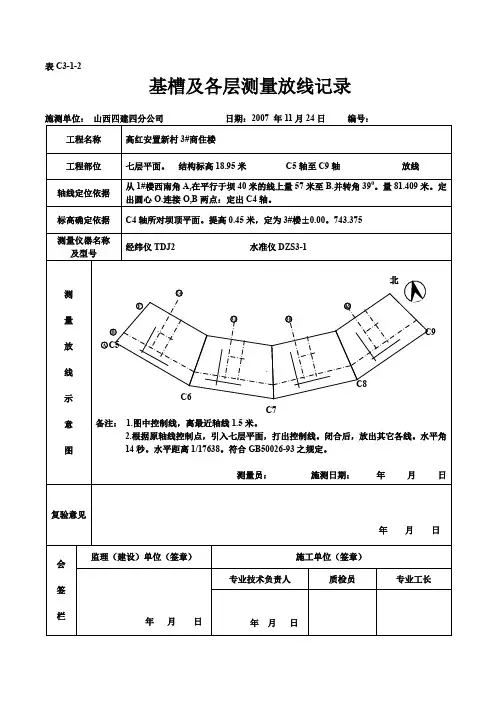
基槽及各层测量放线记录
施测单位:山西四建四分公司日期:2007 年11月24日编号:
基槽及各层测量放线记录
施测单位:山西四建四分公司日期:2007 年11月22日编号:
基槽及各层测量放线记录
施测单位:山西四建四分公司日期:2007 年12月2日编号:
基槽及各层测量放线记录
施测单位:山西四建四分公司日期:2007 年11月30日编号:
基槽及各层测量放线记录
施测单位:山西四建四分公司日期:2007 年12月2日编号:
基槽及各层测量放线记录
施测单位:山西四建四分公司日期:2007 年11月15日编号:
基槽及各层测量放线记录
施测单位:山西四建四分公司日期:2007 年9 月23日编号:
基槽及各层测量放线记录
施测单位:山西四建四分公司日期:2007 年12月26日编号:
基槽及各层测量放线记录
施测单位:山西四建四分公司日期:2007 年12月29日编号:
基槽及各层测量放线记录
施测单位:山西四建四分公司日期:2007 年12月19日编号:
基槽及各层测量放线记录
施测单位:山西四建四分公司日期:2007 年12月22日编号:
基槽及各层测量放线记录
施测单位:山西四建四分公司日期:2007 年12月11日编号:
基槽及各层测量放线记录
施测单位:山西四建四分公司日期:2007 年12月15日编号:
基槽及各层测量放线记录
施测单位:山西四建四分公司日期:2007 年12月7日编号:。
地基验槽(复验)记录(建)表 4. 1.5. 1 (DBJ3-56-) 共页第页附图及阐明:1、经建设、监理、勘察、设计、施工等有关单位对地基基槽进行验收。
地基土质、基槽尺寸、标高、轴线、持力层等均符合地质勘察报告及设汁规范规定。
地基验槽(复验)记录(建)表 4. 1.5. 1 (DBJ3-56-) 共页第页附图及阐明:1、经建设、监理、勘察、设计、施工等有关单位对地基基槽进行验收。
地基土质、基槽尺寸、标高、轴线、持力层等均符合地质勘察报告及设计规范规定。
2、基槽开挖长119米,基底开挖宽0.8米,开挖深度为1・85米,放坡1:0・55・地表勘察单位 设计单位 施工单位 监理单位项目负责人: 项目专业负责人: 项目技术负责人: 专业监理工程师:地基验槽(复验)记录附图及阐明:1、 经建设、监理、勘察、设计、施工等有关单位对地基基槽进行验收。
地基土质、 基槽尺寸、标高、轴线、持力层等均符合地质勘察报告及设计•规范规定。
2、基槽开挖长90米,基底开挖宽0.8米,开挖深度为1.88米,放坡1:0・55・经检查基底持力层为粘性土层、地基匀质、尺寸、标高、基土等符合图纸设计及施工规范规定。
工程名称 丹江唯牒番解决工施工单位湖北省工业建筑集团有限公司验槽部位 WD8-WA34段管沟验槽日期 10月25日地基土质状况 土质与地质勘察报告相符 基槽尺寸标高 基槽尺寸标高与施工图相符。
持力层设计规定持力层满足设计规定。
(建)表 4. 1. 5. 1 (DBJ3-56-) 共 页第 页施工单位初验结论 地表地基验槽(复验)记录(建)表4・ 1.5. 1 (DBJ3-56-) 共页第页附图及阐明:1、经建设、监理、勘察、设计、施工等有关单位对地基基槽进行验收。
地基土质、基槽尺寸、标高、轴线、持力层等均符合地质勘察报告及设计规范规定。
地基验槽(复验)记录(建)表 4. 1.5. 1 (DBJ3-56-) 共页第页附图及阐明:1、经建设、监理、勘察、设计、施工等有关单位对地基基槽进行验收。
基槽验线记录编号×××
工程名称××小区工程日期××××年××月××日
验线依据及内容如下。
依据:①施工图(图号××),设计变更、洽商(编号×××);②该工程施工测量方案;③定位轴线控制网。
内容:根据主控轴线和基底平面图,检验建筑物基底外轮廓线、集水坑(电梯井坑)、垫层标高、基槽断面尺寸及边坡坡度(1∶0.5)等。
基槽平面、剖面简图:
检查意见:
经检查,①~○11/○A~○B轴为基底控制轴线、垫层标高(误差:-1mm),基槽开挖的断面尺寸(误差:+2mm),坡底边线、坡度等各项指标符合设计要求及该工程施工测量方案规定,可进行下道工序施工。
签字栏
建设(监理)单位
施工测量单位××建筑工程公司
专业技术负责人专业质检员施测人
××××××××××××。
基槽验线记录工程名称日期2010年月日放线部位基槽放线内容土方开挖放线验线依据及内容:依据规划局委托的放线单位测设的定位点1'~A'、1'~L'、29'~A'、29'~L'及结施基础结构总平面图。
基槽平面、剖面简图:检查意见:符合要求签字栏建设(监理)单位施工单位江苏南通二建集团有限公司江苏南通二建集团有限公司专业技术负责人专业质检员施测人工程名称彭州市三界镇三界场统规统建安置点日期抄测部位11#楼基础超深部位抄测依据及内容:依据:(1)建筑施工图建施(2)施工测量规范(3)11#楼±0.000标高523.95内容:根据主控轴线和基底平面图,检验建筑物基底外轮廓线、换填部位标高、基槽断面尺寸等。
抄测简图:三界场11#楼E—B/21—17轴交点部位原标高为520.85,E—B/21-17轴超挖部分底标高为520.55,E—D/21-19轴底标高为520.30.检查意见:经检查:A—E/21—1轴为基底控制轴线,垫层标高(误差:-1㎜),基槽开挖的断面尺寸(误差:+2㎜),坡度边线、坡度等各项指标符合设计要求及施工测量规范规定,可进行下道工序施工签字栏建设(监理)单位施工测量单位建筑公司专业技术负责人专业质检员施测人工程名称彭州市三界镇三界场统规统建安置点日期抄测部位9#楼基础超深部位抄测依据及内容:依据:(1)建筑施工图建施(2)施工测量规范(3)11#楼±0.000标高524.35内容:根据主控轴线和基底平面图,检验建筑物基底外轮廓线、换填部位标高、基槽断面尺寸等。
抄测简图:三界场9#楼A—E/1—17轴交点部位原标高为521.25,超挖部位底标高分别为521.01,520.91检查意见:经检查:A—E/1—21轴为基底控制轴线,垫层标高(误差:-1㎜),基槽开挖的断面尺寸(误差:+2㎜),坡度边线、坡度等各项指标符合设计要求及施工测量规范规定,可进行下道工序施工签字栏建设(监理)单位施工测量单位建筑公司专业技术负责人专业质检员施测人工程名称彭州市三界镇三界场统规统建安置点日期抄测部位14#楼基础超深部位抄测依据及内容:依据:(1)建筑施工图建施(2)施工测量规范(3)14#楼±0.000标高524.25内容:根据主控轴线和基底平面图,检验建筑物基底外轮廓线、换填部位标高、基槽断面尺寸等。
塔吊基础制作工艺(与大家共勉)
地基验槽记录
注:基槽完成后,建设或监理单位应组织有关单位进行质量验收,并按规定的内容填写和签署意见,工程建设参与各方按规定承担相应质量责任。
塔吊基础制作工艺(与大家共勉)
广西工程质量安全监督总站统一印制地基验槽记录
塔吊基础制作工艺(与大家共勉)
注:基槽完成后,建设或监理单位应组织有关单位进行质量验收,并按规定的内容填写和签署意见,工程建设参与各方按规定承担相应质量责任。
广西工程质量安全监督总站统一印制。
谢谢!再请教你个问题:是不是按这个顺序报验:工程定位—土方开挖—基
槽验线—基础轴线标高检查记录—地基验槽
DB15/427—2005
基础轴线标高检查记录
C01-5-03-001
内质检软件登记号:64190163
DB15/427—2005 基槽验线记录
C01—5-02-001
内质检软件登记号:64190163
DB15/427—2005
工程定位测量记录
C01-5-01—001
监理工程师:技术负责人:抄测人:
(建设单位项目负责人)
施工员: 质检员: 复测人:
内质检软件登记号:64190163
DB15/427-2005
工程定位测量记录
C01-5—01—001
监理工程师:技术负责人:抄测人:
(建设单位项目负责人)
施工员:质检员:复测人:
内质检软件登记号:64190163
DB15/427—2005
基础轴线标高检查记录
C01-5—03—001
内质检软件登记号:64190163
DB15/427—2005 基槽验线记录
C01—5—02-001
内质检软件登记号:64190163
DB15/427—2005
工程定位测量记录
C01-5-01-001
监理工程师:技术负责人:抄测人:
(建设单位项目负责人)
施工员:质检员:复测人:
内质检软件登记号:64190163
DB15/427—2005
工程定位测量记录
C01—5—01-001
监理工程师:技术负责人:抄测人:
(建设单位项目负责人)
施工员:质检员: 复测人:
内质检软件登记号:64190163
现场土包分布图
项目名称
开工时间
工程规模
投资金额
工程项目内容。