北京避雷检测收费标准
- 格式:docx
- 大小:37.47 KB
- 文档页数:3
避雷检测收费标准避雷检测是指对建筑物、设施等进行雷电防护装置的安装和维护检测,以确保其在雷电天气下的安全性。
在进行避雷检测时,需要了解一些收费标准,以便进行合理的预算和选择合适的服务商。
下面将介绍一些常见的避雷检测收费标准,供大家参考。
首先,避雷检测的收费标准通常是根据检测的项目和范围来确定的。
比如,对于住宅小区的避雷检测,通常会按照建筑物的面积和数量来计费,而对于大型工业设施的避雷检测,则可能会按照设施的规模和复杂程度来确定收费标准。
因此,在选择避雷检测服务商时,需要提供清晰的项目范围和需求,以便获得准确的报价。
其次,避雷检测的收费标准还与检测的方法和技术有关。
目前,常见的避雷检测方法包括现场勘察、雷电防护装置的测试和评估、雷电防护装置的设计和施工等。
不同的检测方法和技术可能会对收费产生影响,因此在选择避雷检测服务商时,需要了解其所采用的具体方法和技术,并对比不同服务商的收费标准,以便选择最合适的方案。
此外,避雷检测的收费标准还与服务商的资质和经验有关。
一般来说,具有丰富经验和专业资质的避雷检测服务商可能会收取相对较高的费用,但其提供的服务质量和可靠性也会更有保障。
因此,在选择避雷检测服务商时,除了考虑价格因素,还需要对比不同服务商的资质和口碑,以确保选择到具有良好信誉和专业能力的服务商。
最后,需要注意的是,避雷检测的收费标准可能会受到市场行情和地区因素的影响。
不同地区的避雷检测市场竞争程度和行情价格可能存在差异,因此在进行预算和选择服务商时,需要考虑当地的实际情况,并进行充分的调研和比较。
综上所述,避雷检测的收费标准是一个复杂而多方面的问题,需要考虑项目范围、检测方法、服务商资质和地区因素等多个方面的因素。
在选择避雷检测服务商时,需要全面考虑这些因素,以便获得高质量的服务和合理的收费标准。
希望本文的介绍能够对大家有所帮助,谢谢阅读。
最新防雷检测收费项目和收费标准表介绍随着社会的不断发展,各种电子设备和高科技仪器的广泛应用,雷电对人类生产和生活的威胁越来越大。
为了保障社会安全和人民生命财产安全,防雷检测工作日益受到重视。
本文介绍最新防雷检测的收费项目和收费标准,帮助相关单位和个人了解防雷检测的价格和项目。
收费项目防雷检测的收费项目根据不同的防雷设施、不同的建筑面积以及不同的检测内容而有所不同。
一般来说,防雷检测的收费项目包括以下几个方面:建筑物防雷检测建筑物防雷检测主要应用于各类建筑物及其设施,包括住宅、商业建筑、办公楼、公共设施等。
检测项目一般包括防雷接地系统、避雷针、防雷线缆等。
检测收费按建筑面积计算,一般按每平方米 5 元至 15 元不等。
电力系统防雷检测电力系统防雷检测主要应用于各类电力设施,包括输电线路、变电站、电缆降压器等。
检测项目一般包括接地系统、防雷装置、绝缘等级等。
检测收费按检测规模和检测内容的复杂程度而定,一般从数万元到数十万元不等。
通信系统防雷检测通信系统防雷检测主要应用于各类通信设施,包括微波站、移动通信基站、卫星通信站等。
检测项目一般包括接地系统、防雷装置、绝缘等级等。
检测收费按检测规模和检测内容的复杂程度而定,一般从几千元到数万元不等。
桥梁及交通设施防雷检测桥梁及交通设施防雷检测主要应用于各类桥梁、隧道、地铁、高速公路、机场等交通设施。
检测项目一般包括接地系统、防雷装置、绝缘等级等。
检测收费按检测规模和检测内容的复杂程度而定,一般从几千元到数万元不等。
收费标准表检测项目检测范围收费标准(元/平方米或元/次)建筑物防雷检测土建工程面积 5 - 15 元/平方米电力系统防雷检测检测规模和内容的复杂程度数万元至数十万元不等通信系统防雷检测检测规模和内容的复杂程度几千元至数万元不等桥梁及交通设施防雷检测检测规模和内容的复杂程度几千元至数万元不等防雷检测工作的开展对于社会的安全和人民的生命财产安全具有重要的意义。
避雷检测收费标准避雷检测是指对建筑物、设施、设备等进行雷电防护设施的检测和评估,以确保其在雷电天气下的安全可靠性。
避雷检测的收费标准是根据检测的项目、范围、难易程度等因素而定的。
下面我们就来详细了解一下避雷检测的收费标准。
首先,避雷检测的收费标准与检测的项目有着密切的关系。
一般来说,避雷检测的项目包括建筑物、通讯设备、电力设备等,不同的项目涉及到的检测内容和难度是不同的,因此收费标准也会有所不同。
比如,对于建筑物的避雷检测,需要对建筑物的结构、材料、接地装置等进行全面检测,因此收费会相对较高;而对于通讯设备的避雷检测,则可能相对简单一些,收费也会相应减少。
其次,避雷检测的收费标准还与检测的范围有关。
范围越大、涉及的设施越多,所需的人力物力成本也就越高,因此收费标准也会相应增加。
例如,对一个大型工业园区进行避雷检测,涉及到的建筑物、设备、管道等都需要进行检测,这就需要投入大量的人力和时间,因此收费会比对单个建筑物进行检测要高一些。
最后,避雷检测的收费标准还与检测的难易程度有关。
有些建筑物、设备可能由于其特殊的结构或功能,导致避雷检测的难度较大,需要采用更为复杂的检测方法和工具,这也会影响到收费标准。
因此,在制定收费标准时,需要充分考虑到检测的难易程度因素,以保证收费的合理性和公平性。
综上所述,避雷检测的收费标准是由项目、范围、难易程度等因素共同决定的。
在选择避雷检测服务时,需要根据实际情况进行全面评估,并与专业机构进行充分沟通,以确定合理的收费标准。
同时,作为避雷检测的服务提供方,也需要根据实际情况制定合理的收费标准,以确保服务质量和客户满意度。
希望以上信息能够对大家了解避雷检测的收费标准有所帮助,如果还有其他疑问,欢迎随时咨询。
建筑防雷检测收费标准建筑防雷检测是保障建筑物和人员安全的重要环节,也是建筑工程的必要程序之一。
为了规范建筑防雷检测行业的收费标准,保障用户的合法权益,制定本收费标准。
一、收费项目。
1. 建筑物基本信息调查费,根据建筑物的结构类型、面积、高度等因素进行收费,费用为每平方米/每米高度不等。
2. 防雷设施检测费,包括对建筑物内外的防雷设施进行全面检测,费用根据建筑物规模和设施数量进行计费。
3. 检测报告费,对检测结果进行整理和报告,费用根据建筑物规模和检测难度进行计费。
二、收费标准。
1. 基本信息调查费标准:(1)钢筋混凝土结构建筑,每平方米0.5元/每米高度。
(2)钢结构建筑,每平方米1元/每米高度。
(3)其他结构建筑,根据具体情况进行商议确定。
2. 防雷设施检测费标准:(1)建筑物内部防雷设施,每个设施100元。
(2)建筑物外部防雷设施,每个设施200元。
3. 检测报告费标准:(1)普通建筑,500元/份。
(2)特殊建筑(如高层建筑、地下建筑等),1000元/份。
三、收费说明。
1. 收费标准仅供参考,具体收费以签订的合同为准。
2. 对于特殊建筑或特殊情况,收费标准可根据实际情况进行适当调整。
3. 收费标准可能会根据市场行情和政策法规的变化进行调整,建筑防雷检测机构有权对收费标准进行调整并及时通知用户。
四、收费方式。
1. 支付方式,用户可选择线上或线下支付,线上支付可通过银行转账、支付宝、微信等方式进行,线下支付可通过现金、支票等方式进行。
2. 发票开具,建筑防雷检测机构将按照国家税务部门的相关规定,为用户提供合法的增值税发票。
五、结语。
建筑防雷检测是建筑工程中不可或缺的一环,保障建筑物和人员的安全。
本收费标准的制定,旨在规范建筑防雷检测行业的收费行为,保障用户的合法权益。
建筑防雷检测机构将严格按照本标准执行,为用户提供专业、高效的服务。
以上就是建筑防雷检测收费标准的相关内容,希望对您有所帮助。
如有任何疑问或需要进一步了解,请随时与我们联系。
避雷检测收费标准避雷检测是指对建筑物、设备及其他设施进行雷电防护检测,以确保其在雷电天气下的安全运行。
针对不同类型的建筑物和设备,避雷检测的收费标准也会有所不同。
下面将详细介绍避雷检测的收费标准。
首先,针对住宅建筑物的避雷检测收费标准通常是按照建筑物的面积来计算的。
一般来说,小于100平方米的住宅建筑物的避雷检测费用在1000元至2000元之间,100-200平方米的住宅建筑物的避雷检测费用在2000元至3000元之间,200-300平方米的住宅建筑物的避雷检测费用在3000元至4000元之间,300-500平方米的住宅建筑物的避雷检测费用在4000元至6000元之间。
当然,具体的收费标准还会受到当地市场行情和检测机构的影响。
其次,对于工业厂房和商业建筑物的避雷检测,收费标准会更加复杂。
因为工业厂房和商业建筑物通常存在更多的设备和设施,需要进行更加细致和全面的检测。
因此,避雷检测的收费标准通常是根据建筑物的具体情况、设备数量、设备类型等因素来确定的。
一般来说,工业厂房和商业建筑物的避雷检测费用会比住宅建筑物的要高一些。
另外,对于特殊设备和设施的避雷检测,收费标准也会有所不同。
例如,对于高压输电线路、通信基站、雷达设备等特殊设备和设施的避雷检测,通常需要更加专业的技术和设备,因此收费标准会相对较高。
需要注意的是,避雷检测的收费标准并不仅仅是检测费用,还包括了检测报告的编制和提交、后续的维护服务等。
因此,在选择避雷检测机构时,除了要关注收费标准外,还需要考虑其专业水平、信誉度、售后服务等方面。
综上所述,避雷检测的收费标准是根据建筑物类型、面积、设备设施等因素来确定的。
在选择避雷检测机构时,需要综合考虑其收费标准、专业水平和售后服务等方面,以确保获得高质量的避雷检测服务。
希望本文能够帮助您更好地了解避雷检测的收费标准,谢谢阅读!。
北京:关于核定避雷装置安全检测收费(试行)的函京价(收)字〔2002〕352号发布日期:2012年05月10日来源:中国防雷信息网北京市气象局:你局《关于报请批准调整〈避雷装置安全检测收费试行标准〉的函》(京气发〔2002〕64号)收悉。
根据国家计委等六部门发布的《中介服务收费管理办法》和《北京市防御雷电灾害若干规定》(市政府令2002年第102号),按照国家标准、部颁标准和总体不提高收费水平的原则,同意核定单位、个人委托气象部门或经你局认定的监测单位对避雷装置检测的收费标准(具体见附件)。
凡在本市行政区域内从事避雷装置检测的,都应当执行本收费规定,不得擅自设立收费项目,不得擅自提高收费标准。
避雷装置检测收费标准为经营服务性收费,要按照有关规定明码标价,依法纳税。
本函自9月20日起试行,一年后另行审定。
特此复函。
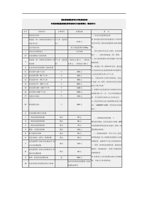
附件:1 •建筑物避雷装置检测收费标准2•新(扩、改)建建筑物避雷装置检测收费标准3 •计算机信息网络、通信等系统场地避雷装置检测收费标准北京市物价局二OO二年九月十三日附件1:建筑物避雷装置检测收费标准说明:1 •类别划分执行国家标准《建筑物防雷设计规范》(GB5005乙1994);2•检测点是指防雷装置应设的连接点,包括建筑物每根引下线(明、暗装)接地电阻的检测,各种设备、设施接地电阻的检测;3 •每个建筑物检测收费不足300元按300收费;4.避雷装置高度超过20米的,每增加5米每检测点加收5元。
附件2:新(扩、改)建建筑物避雷装置检测收费标准说明:类别划分执行国家标准《建筑物防雷设计规范》(GB5005乙1994);附件3:计算机信息网络、通信等系统场地避雷装置检测收费标准说明:1.类别划分执行公安部《计算机信息系统雷电电磁冲安全防护规范》(GA267-2000);2.检测点是指防雷装置应设的连接点,包括建筑物每根引下线(明、暗装)接地电阻的检测,屏蔽接地点的检测,室内设备等电位连接点的检测,电源零-地电压的检测,机房电磁环境的检测,避雷器件SPD的启动电压、限制电压、漏电流的检测;3.每个系统检测收费不足500 元按500 收费。
防雷检测收费标准防雷检测收费标准。
防雷检测是指对建筑物、设备、通信线路等进行雷电防护装置的安全检测,以保障人身和财产安全。
为了规范防雷检测服务收费,提高服务质量,制定了以下收费标准:一、防雷检测基本收费标准。
1. 建筑物类。
(1)单体建筑物,每栋建筑物收费500-1000元不等,具体收费根据建筑物结构、面积、高度等因素确定。
(2)集中式建筑群,按照建筑物数量和规模综合确定收费,一般为5000-10000元/套。
2. 设备类。
(1)电力设备,按设备种类和规模综合确定收费,一般为2000-5000元/套。
(2)通信线路设备,按线路长度和规模综合确定收费,一般为1000-3000元/条。
3. 其他类。
(1)雷电防护装置材料检测,按照材料种类、规格和数量综合确定收费,一般为500-1000元/次。
(2)雷电防护装置运行状态检测,按照设备种类和规模综合确定收费,一般为1000-3000元/次。
二、防雷检测附加收费项目。
1. 特殊地区加收,对于偏远地区、高海拔地区等特殊地区进行防雷检测时,可酌情加收50-100%的费用。
2. 加急服务加收,对于需要加急服务的客户,可酌情加收30-50%的费用。
3. 报告复印费用,每份报告复印费用为10-20元不等,具体费用根据报告页数和复印数量确定。
三、防雷检测服务收费说明。
1. 收费标准仅供参考,具体收费以实际情况为准。
2. 以上收费标准均为服务费用,不包括材料费、差旅费等其他费用。
3. 客户如需进行防雷检测服务,请提前与防雷检测机构联系,了解具体收费标准并签订服务合同。
4. 防雷检测机构应当按照国家相关规定执行收费标准,不得随意提高或降低收费标准。
四、防雷检测收费标准的调整。
1. 防雷检测收费标准的调整应当遵循国家相关规定,经过合理论证和程序审批后方可实施。
2. 防雷检测收费标准的调整应当及时向社会公布,并在机构内明示,确保客户知情权。
以上就是防雷检测收费标准的相关内容,希望对您有所帮助。
避雷装置安全检测收费标准Company Document number:WUUT-WUUY-WBBGB-BWYTT-1982GT说明: 1.类别划分执行国家标准《建筑物防雷设计规范》(GB50057-1994);2.检测点是指防雷装置应设的连接点,包括建筑物每根引下线(明、暗装)接地电阻的检测,各种设备、设施接地电阻的检测;3.每个建筑物检测收费不足300元按300元收费;4.避雷装置高度超过20米的,每增加5米每检测点加收5元。
新(扩、改)建建筑物避雷装置检测收费标准说明:类别划分执行国家标准《建筑物防雷设计规范》( GB50057-1994)计算机信息网络、通信等系统场地避雷装置检测收费标准说明: 1.类别划分执行公安部行业标准《计算机信息系统雷电电磁冲安全防护规范》(GA267-2000);2.检测点是指防雷装置应设的连接点,包括建筑物每根引下线(明、暗装)接地电阻的检测,室内设备等电位连接点的检测,屏蔽接地点的检测,防静电地板散流电阻的检测,电源零地-电压的检测,机房电磁环境的检测,避雷器件SPD的启动电压、限制电压、漏电流的检测;3.每个系统检测收费不足500元的按500元收费。
附件1:浙江省专业气象服务基准收费标准注:1.专业气象服务机构按照上浮幅度为0,下浮不低于成本的原则确定具体收费标准。
2.每个项目收费不足300元的按300元计收。
3、对防雷装置检测不合格项目,经整改后,一次复检合格的,不另行收费;一次复检后仍不合格的,需整改后再次复检的,其收费按复检内容对应的定期检测项目计点收费标准的50%收取。
气象技术服务收费标准中已包含出具的技术报告、证照工本费、制作费等费用。
附件2:建(构)筑物、易燃易爆危化品场所防雷装置检测项目表附件3:信息系统机房雷击电磁脉冲防护装置检测项目表。
避雷检测收费标准避雷检测是一项非常重要的安全检测工作,它可以有效地保护建筑物和设备免受雷击的危害。
在进行避雷检测时,往往需要了解相关的收费标准,以便进行预算和安排。
下面将介绍一般的避雷检测收费标准,希望能够对大家有所帮助。
首先,避雷检测的收费标准会受到多种因素的影响,比如检测的范围、检测的难易程度、检测所需的设备和人力资源等。
一般来说,避雷检测的范围越大、难度越大,费用也会相应增加。
同时,如果需要使用更先进的设备和技术,也会对费用产生影响。
其次,避雷检测的收费标准还会因地域而异。
不同地区的人力资源、设备资源、市场竞争等因素都会对避雷检测的价格产生影响。
一般来说,一线城市的避雷检测费用会相对较高,而二三线城市的费用则会相对较低。
因此,在进行避雷检测前,需要对当地的市场行情有所了解,以便做出合理的预算。
另外,避雷检测的收费标准还会受到检测机构的影响。
一些知名的、具有较高技术水平和口碑的检测机构,往往会对避雷检测收取较高的费用。
而一些小型的、技术水平较低的检测机构,则可能会提供更为便宜的价格。
因此,在选择避雷检测机构时,除了要考虑价格因素外,还需要对其技术实力和信誉进行综合考量。
最后,需要注意的是,避雷检测的收费标准一般会根据实际情况进行调整。
在实际检测过程中,可能会出现一些特殊情况,比如需要加急检测、需要进行多次检测等,这些都会对费用产生影响。
因此,在与检测机构进行合作前,需要与其充分沟通,明确价格和服务内容,以避免后续出现纠纷。
综上所述,避雷检测的收费标准是一个受多种因素影响的复杂问题,需要在实际情况中进行综合考量。
希望以上内容能够对大家有所帮助,谢谢阅读!。
防雷检测收费标准是多少防雷检测是指对建筑物、设备、通信线路等进行雷电防护装置的安装和使用情况进行检测,以确保其符合国家相关标准,提高防雷装置的可靠性和稳定性。
那么,防雷检测的收费标准是多少呢?下面将为大家详细介绍。
首先,防雷检测的收费标准是根据检测的具体内容和范围来确定的。
一般来说,防雷检测包括对建筑物、设备、通信线路等进行雷电防护装置的安装和使用情况进行检测,以及对相关资料和文件进行审核。
根据不同的项目和要求,检测的内容和范围会有所不同,因此收费标准也会有所差异。
其次,防雷检测的收费标准还与检测机构的资质和实力有关。
一般来说,具有较高资质和实力的检测机构会有更高的收费标准,因为他们能够提供更专业、更全面的检测服务,保证检测结果的准确性和可靠性。
而一些小型的检测机构由于实力有限,收费标准可能会相对较低,但在选择时也需要注意其专业性和信誉度。
另外,防雷检测的收费标准还会受到市场供求关系的影响。
一般来说,在需求较大的地区,由于竞争激烈,检测机构可能会采取一定的优惠政策,降低收费标准以吸引客户。
而在需求较小的地区,由于竞争相对较弱,检测机构可能会采取较高的收费标准以维持自身的经营。
最后,防雷检测的收费标准还会受到政策法规的影响。
随着国家对建筑物、设备、通信线路等雷电防护的要求越来越高,相关的政策法规也在不断完善,这也会对防雷检测的收费标准产生一定的影响。
一些地方可能会出台一些补贴政策,降低防雷检测的成本,从而影响收费标准。
综上所述,防雷检测的收费标准是一个受多方面因素影响的复杂问题。
在选择检测机构时,除了要考虑收费标准外,还需要综合考虑其资质、实力、专业性和信誉度等因素,以确保能够获得高质量的检测服务。
希望本文对大家了解防雷检测的收费标准有所帮助。
防雷检测收费标准一、背景介绍。
随着科技的不断发展,雷电对建筑物、设备和人员的危害也越来越严重。
因此,防雷检测成为了建筑工程中必不可少的一环。
防雷检测的目的是为了保障建筑物和设备的安全,减少雷电带来的损失。
而针对防雷检测的收费标准也成为了业内关注的焦点。
二、防雷检测收费标准的制定原则。
1. 公平合理原则,收费标准应当公平合理,既能够保障防雷检测机构的合法权益,又能够满足客户的需求,避免因收费不合理而导致的纠纷。
2. 经济合理原则,收费标准应当经济合理,既能够满足防雷检测机构的正常运营需求,又能够为客户提供合理的价格,确保防雷检测服务的可持续发展。
3. 透明公开原则,收费标准应当透明公开,客户应当清楚了解防雷检测的收费标准,避免因信息不对称而导致的纠纷。
三、防雷检测收费标准的具体内容。
1. 防雷检测收费标准主要包括以下几个方面:(1)基本收费,包括防雷检测的基本费用,如人工费、设备费、材料费等。
(2)附加收费,包括防雷检测中可能产生的附加费用,如差旅费、住宿费、通讯费等。
(3)特殊收费,包括防雷检测中可能出现的特殊情况所产生的特殊费用,如加急费、加班费等。
2. 针对不同类型的建筑物和设备,防雷检测收费标准也会有所不同。
一般来说,建筑物的防雷检测收费标准会根据建筑物的高度、面积、结构等因素进行综合考虑,设备的防雷检测收费标准则会根据设备的规模、复杂程度等因素进行综合考虑。
3. 防雷检测收费标准还需要考虑到地区因素。
不同地区的经济发展水平、市场竞争情况等因素都会对防雷检测的收费标准产生影响,因此需要根据具体地区的情况进行合理调整。
四、防雷检测收费标准的执行和监督。
1. 防雷检测收费标准的执行应当严格按照规定进行,不得擅自调整收费标准,确保客户的合法权益。
2. 监督部门应当加强对防雷检测收费标准的监督,及时发现并处理收费标准执行中可能存在的问题,保障防雷检测市场的正常秩序。
3. 客户也应当积极维护自身权益,如发现防雷检测收费标准存在问题,应当及时向有关部门反映,维护自身合法权益。
防雷检测费收费标准一、引言。
防雷检测是建筑工程中非常重要的一环,其质量直接关系到建筑物和人员的安全。
为了规范防雷检测费用的收费标准,保障建筑工程的质量和安全,特制定本收费标准。
二、收费标准。
1. 防雷检测费用应根据建筑物的规模、结构、用途等因素进行合理确定,一般以元/平方米为单位计算。
2. 针对不同类型的建筑物,防雷检测费用应有所区分,例如住宅、商业建筑、工业厂房等。
3. 针对特殊结构的建筑物,如高层建筑、地下建筑等,防雷检测费用应适度上浮,以反映出检测的复杂性和工作量。
4. 防雷检测费用还应考虑到地区差异因素,如城市和农村地区的收费标准可以有所不同,但应在合理范围内。
5. 对于需要进行多次检测的建筑物,如大型综合体项目、重要公共建筑等,可以根据实际情况对防雷检测费用进行优惠或折扣。
三、收费依据。
1. 防雷检测费用的收取应当有明确的依据,包括但不限于建筑物的平面图、结构图、设计方案等相关资料。
2. 防雷检测费用的计算应当公开透明,建立合理的计费依据和计费公式,并向业主或相关单位进行说明和解释。
3. 在收费过程中,应当遵循公平公正的原则,不得存在变相收费、乱收费等行为。
四、收费程序。
1. 防雷检测费用的收取应当在签订检测合同后进行,不得提前收取费用或者变相收取费用。
2. 在收费过程中,应当向业主或相关单位提供正规的发票和收据,确保收费程序合法合规。
3. 对于检测费用的支付方式,可以根据实际情况采取预付款、阶段付款或者一次性付款等方式,但应当在合同中明确约定。
五、收费监督。
1. 防雷检测费用的收取应当受到相关部门的监督,确保收费标准合理合法。
2. 对于违规收费行为,相关部门应当及时进行查处,并对违规单位进行相应的处罚。
3. 同时,建立健全的投诉举报机制,对于收费过程中出现的问题和纠纷,及时进行调解和处理。
六、结语。
防雷检测是建筑工程中不可或缺的一环,其收费标准的合理与否直接关系到建筑质量和人员安全。
避雷检测收费标准避雷检测是指对建筑物、设施或者其他工程进行雷电防护设施的安全性能检测。
在建筑物或设施中安装避雷装置是为了保护建筑物或设施内的人员和设备不受雷击危害。
而避雷检测则是为了确保避雷装置的有效性和安全性。
在进行避雷检测时,收费标准是一个重要的问题,下面将介绍避雷检测的收费标准。
首先,避雷检测的收费标准是根据检测的范围和难度来确定的。
一般来说,避雷检测的范围包括建筑物或设施的外部和内部,以及相关的设备和线路。
如果建筑物或设施比较复杂,需要进行更多的检测工作,那么收费标准就会相对较高。
而如果建筑物或设施比较简单,需要进行的检测工作较少,那么收费标准就会相对较低。
其次,避雷检测的收费标准还与检测的方法和设备有关。
目前,常用的避雷检测方法包括雷电场测试、接地电阻测试、避雷装置的绝缘电阻测试等。
而这些检测方法需要使用不同的设备和技术,因此对于不同的检测方法和设备,收费标准也会有所不同。
除此之外,避雷检测的收费标准还受到检测机构的资质和信誉影响。
一般来说,具有较高资质和信誉的检测机构,其收费标准会相对较高,因为他们通常拥有更专业的技术和更严格的标准。
而一些资质较低或信誉较差的检测机构,其收费标准可能会相对较低,但相应的检测质量和可靠性也会打折扣。
在选择避雷检测机构时,除了要考虑收费标准外,还应该综合考虑其资质、信誉、技术水平等因素。
因为避雷检测是一项关乎安全的工作,质量和可靠性是最重要的。
因此,建筑物或设施的业主在选择避雷检测机构时,不应该只看重价格,而忽视了质量和可靠性。
总的来说,避雷检测的收费标准是一个综合考量的结果,需要考虑到检测的范围和难度、检测的方法和设备、以及检测机构的资质和信誉等多个因素。
在选择避雷检测机构时,业主应该综合考虑这些因素,选择一个既价格合理,又具有较高质量和可靠性的检测机构。
这样才能保证避雷检测的效果和安全性。
北京避雷检测收费标准北京市是我国的政治、文化中心,也是一个经济发达的城市。
在这样一个现代化都市中,建筑物的安全问题备受关注,其中避雷系统的安装和检测更是至关重要。
为了规范避雷检测市场,保障建筑物和人员的安全,北京市制定了避雷检测收费标准。
首先,针对不同类型建筑物的避雷检测收费标准有所不同。
对于普通住宅建筑,避雷检测收费为每平方米10元至20元不等,具体收费标准根据建筑物的高度、结构等因素确定。
而对于商业综合体、写字楼等大型建筑,避雷检测收费则在每平方米20元至30元之间。
对于特殊结构的建筑,如地下车库、地铁站等,避雷检测收费标准将根据具体情况进行商议确定。
其次,避雷检测收费还与避雷系统的类型和规模有关。
一般来说,避雷系统分为直接雷击保护和间接雷击保护两种类型,不同类型的避雷系统需要进行不同的检测和维护。
对于规模较小的避雷系统,收费标准在500元至1000元不等;而对于大型的避雷系统,收费标准则在2000元至5000元之间。
需要特别说明的是,以上收费标准仅为避雷系统的检测费用,若需要进行维护和修复,则收费标准将根据具体情况进行商议确定。
最后,需要强调的是,避雷检测收费标准的制定是为了保障建筑物和人员的安全,确保避雷系统的有效运行。
避雷检测单位在进行检测时,应当严格按照国家标准和相关规定进行操作,确保检测结果的准确性和可靠性。
同时,建筑物业主或管理单位在选择避雷检测单位时,应当注重单位的资质和信誉,避免因为低价而选择质量无法保障的服务。
总之,北京市避雷检测收费标准的制定是为了规范市场,保障建筑物和人员的安全。
各方应当共同遵守相关规定,确保避雷系统的有效运行,为城市的安全发展贡献力量。
防雷装置检测收费标准
一、检测项目及收费标准。
1. 防雷装置外观检测,300元/次。
2. 防雷装置接地电阻测试,500元/次。
3. 防雷装置放电电流测量,800元/次。
4. 防雷装置工作状态检测,1000元/次。
5. 防雷装置综合检测,1500元/次。
二、收费说明。
1. 收费标准为每次检测的费用,不包括出差费、住宿费和餐饮费。
2. 如需对同一防雷装置进行多次检测,每次检测均按照标准收费。
3. 如需对多个防雷装置进行检测,每个防雷装置均按照标准收费。
三、支付方式。
1. 现场支付,检测完成后,可直接在现场支付费用。
2. 银行转账,可根据收费单上的账户信息进行转账支付。
四、其他注意事项。
1. 如因客户原因导致的检测无法进行,仍按照标准收取出差费用。
2. 如因检测人员原因导致的检测无法进行,出差费用由检测机构承担。
3. 如需变更检测时间或取消检测,请提前至少3个工作日通知检测机构,否则将按照标准收取违约金。
以上为防雷装置检测收费标准,如有疑问或需要了解更多信息,请联系我们的客服人员。
感谢您的合作与支持。
北京避雷检测收费标准
近年来,由于气候变化和城市建设规模的不断扩大,雷击事故频发,对人民生命财产安全造成了威胁。
为保障公众安全,北京市规定了避
雷检测收费标准,以确保建筑物及周边环境的安全。
一、避雷检测的重要性
避雷检测是对建筑物及其设备进行安全评估和风险控制的重要手段。
一旦建筑物遭遇雷击,不仅会对建筑本身造成损坏,还可能引发火灾、爆炸等严重后果,危及人民生命财产安全。
因此,避雷检测的重要性
不言而喻。
二、避雷检测项目及收费标准
1. 建筑物避雷装置检测费用:
①室内避雷装置检测费用:根据建筑物规模和结构复杂性,收费
标准范围在1000元至3000元不等。
②室外避雷装置检测费用:根据建筑物规模和避雷装置种类,收
费标准范围在2000元至8000元不等。
2. 区域避雷网检测费用:避雷网作为建筑物的重要防雷设施,检测
费用根据区域面积和材料选择等因素而定,收费标准范围在5000元至20000元不等。
3. 地下结构避雷检测费用:地下结构避雷设施对于地铁、地下车库等场所至关重要,检测费用根据设施规模和难易程度确定,收费标准范围在10000元至50000元不等。
三、避雷检测的程序及要求
1. 避雷检测程序:
①制定避雷检测方案:由避雷检测机构根据建筑物的特点及相关规范,制定避雷检测方案。
②检测前准备工作:对建筑物的避雷装置、避雷网等设施进行清理、测量等准备工作。
③进行避雷检测:避雷检测机构对建筑物进行全面检测,包括外观、内部结构、接地电阻等指标。
④检测结果报告:避雷检测机构提交详细的检测结果报告,包括问题及隐患的描述和改进建议等。
2. 避雷检测要求:
①避雷检测机构必须具备相关资质,并由北京市管理部门认可。
②避雷检测机构的工程技术人员应具备相应的资格和经验。
③避雷检测机构必须使用合格的设备和仪器,并按照规范操作。
④检测结果报告必须真实、准确、完整,并及时提交相关部门及业主。
四、避雷检测的目的与意义
1. 保障公众安全:避雷检测是对建筑物及其设备的安全评估,通过
排查隐患和问题,及时采取措施,预防雷击事件的发生,保障公众安全。
2. 维护建筑质量:避雷检测不仅能够发现建筑物存在的缺陷和隐患,还能够提供改进建议,以提高建筑质量和耐久性。
3. 降低经济损失:一旦建筑遭受雷击,损失不仅仅是建筑本身的修
复费用,还包括因停工带来的经济损失。
避雷检测可以减少由于雷击
引发的经济损失。
总结:
北京避雷检测收费标准的出台,有效保障了建筑物及周边环境的安全。
市民和建筑业主可以依据收费标准选择合适的避雷检测机构进行
综合评估和检测,以预防雷击事故的发生。
同时,避雷检测机构也应
秉承专业和诚信原则,确保检测工作的准确性和可信度,为社会提供
更为安全可靠的服务。