常用化工管子、管件及法兰的选用
- 格式:doc
- 大小:74.50 KB
- 文档页数:3
210 05.01.25 用于工程设计修改REV.日期DATE说明DESCRIPTION编制PREPATED BY校核CHECKED BY审核APPROVED BY批准ISSUED FORAPPROVAL海南实华炼油化工有限公司海南炼化续建项目管子、管件、法兰和管道组成件规格书01-PD-M-R-901目录1总则 (3)1.1请购范围 (3)1.2规范和标准 (3)1.3标书 (5)1.4资料 (5)1.5记录 (5)2材料 (6)2.1一般规定 (6)2.2管子 (7)2.3管件和组成件 (7)3标记及色标 (8)4包装和运输 (12)5附表 (13)1总则1.1请购范围本规格书是关于管子、管件、法兰和管道组成件的最低要求。
1.2规范和标准使用本标准时,应使用下列标准最新版本。
1.2.1国内标准GB 3087-1999 《低中压锅炉用无缝钢管》GB/T 3091-2001 《低压流体输送用镀锌焊接钢管》GB 5310-1995 《高压锅炉用无缝钢管》GB 6479-2000 《高压化肥设备用无缝钢管》GB/T 8163-1999 《输送流体用无缝钢管》GB/T 9711.1-1999 《石油天然气工业输送钢管交货技术条件第1部分:A级钢管》GB 9948-88 《石油裂化用无缝钢管》GB/T 7306.2-2000 《55 密封锥管螺纹(第2部分)》GB/T 12771-2000 《流体输送用不锈钢焊接钢管》GB/T 14626-1993 《锻钢制螺纹管件》GB/T 14976-2002 《流体输送用不锈钢无缝钢管》SH/T 3405-1996 《石油化工企业钢管尺寸系列》SH/T 3406-1996 《石油化工钢制管法兰》SH/T 3408-1996 《钢制对焊无缝管件》SH/T 3409-1996 《钢板制对焊管件》SH/T 3410-1996 《锻钢制承插焊管件》1.2.2国外标准ANSI B31.3 Process piping工艺管道ANSI B36.10M Welded and seamless wrought steel pipes焊接和无缝锻钢钢管ANSI B36.19M Stainless steel pipe不锈钢钢管API 590 American Petroleum Institute Steel Line Blanks美国石油学会钢制管线盲板ASME B16.5 Pipe Flanges and Flanged Fitting管法兰与法兰配件ASME B16.9 Factory-Made Wrought Steel Buttwelding , Fittings.工厂制造的对焊管件ASME B16.11 Forged Steel Fittings, Socket-Welding and Treaded.锻钢制承插焊和螺纹管件ASME B16.28 Wrought Steel Butt-welding Short Radius Elbows and Returns.锻钢制对焊短半径90°弯头和180°回弯头ASME B16.47 Large Diameter Steel Flanges.大直径钢法兰MSS SP-83 Steel Pipe Unions, Socket-Welding and Threaded承插焊和螺纹活接头MSS SP-95 Swage(d) Nipples and Bull Plugs异径短节和管塞MSS SP-97 Integrally Reinforced Forged Branch Outlet Fittings - Socket Welding, Threaded and Buttwelding Ends承插焊、螺纹和对焊加强管接头(支管台)ASTM A106 Seamless Carbon Steel Pipe for High-Temperature Service1高温用无缝碳钢管 (P)ASTM A335 Seamless ferritic alloy-steel pipe for high-temperatureservice高温用无缝铁素体合金钢管 (P)ASTM A312 Seamless and welded austenitic stainless steel pipes无缝和焊接奥氏体不锈钢管 (P)ASTM A530 General requirements for specialized carbon and alloy-steel pipe专门用途碳钢和合金钢公称管通用要求ASTM A691 Carbon and Alloy Steel Pipe, Electric-Fusion-Welded forHigh-Pressure Service at High Temperature高温、高压用碳素钢和合金钢电熔化焊钢管 (P)ASTM A358 Electric-Fusion-Welded Austenitic Chromium-Nickel Alloy SteelPipe for High-Temperature Service高温用电熔化焊奥氏体铬-镍合金钢管 (P)ASTM A105 Carbon Steel Forgings for Piping Applications管道元件用碳钢锻件ASTM A182 Forged or Rolled Alloy-Steel Pipe Flanges, Forged Fittings, andValves and Parts for High-Temperature Service 如果订单对所购物品的要求与本规格书和标准的要求有冲突时,应在该物品加工制造或征购前找买方澄清;如果本规格书和标准有未涵盖材料数据表中所涉及的内容时,请参照执行制造厂或相应标准规范,并提供甲方确认。
法兰标准及选用石油和化工行业使用的法兰标准分为两类:压力法兰标准和管道法兰标准。
首先是压力法兰标准,其中平焊法兰有两种类型:甲型和乙型。
这两种类型的比较情况如下表所示(参见示意图):压力等级 | 名称 | PN直径范围DN(mm) | 温度范围(℃)| 备注 |0.25 | 甲型平焊法兰 | 300~3000 | -20℃~300℃ | 焊缝开V型坡口 |0.6 | 甲型平焊法兰 | 300~2000 | -20℃~300℃ | 焊缝开V型坡口 |1.0 | 甲型平焊法兰 | 300~2000 | -20℃~300℃ | 焊缝开V型坡口 |1.6 | 甲型平焊法兰 | 300~2000 | -20℃~300℃ | 焊缝开V型坡口 |0.25 | 乙型平焊法兰 | 350~3000 | -20℃~350℃ | 焊缝开U型坡口 |0.6 | 乙型平焊法兰 | 350~2000 | -20℃~300℃ | 焊缝开U 型坡口 |1.0 | 乙型平焊法兰 | 350~2000 | -20℃~300℃ | 焊缝开U 型坡口 |1.6 | 乙型平焊法兰 | 350~2000 | -20℃~300℃ | 焊缝开U 型坡口 |2.5 | 乙型平焊法兰 | 350~1500 | -20℃~300℃ | 焊缝开U 型坡口 |4.0 | 乙型平焊法兰 | 350~1200 | -20℃~300℃ | 焊缝开U 型坡口 |表4-16中给出了甲型、乙型平焊法兰及对焊法兰适用的公称压力和公称直径的对应关系和范围。
其次是对焊法兰,长颈对焊法兰具有较大的颈壁厚度(示意图c),因此法兰盘的刚性更高。
长颈对焊法兰适用于更高的压力范围(PN0.6MPa~6.4MPa)和直径范围(DN300mm~2000mm),适用温度范围为-20℃~450℃。
表4-16中显示,乙型平焊法兰中DN2000mm以下的规格均已包括在长颈对焊法兰的规定范围之内。
法兰及紧固件的正确选用法兰、垫片及螺栓三者组成管道中可拆卸的连接结构,压力管道中应用很普遍也是一种很重要的连接形式。
通常,法兰、螺栓与垫片三者共同构成一个密封副,三者共同作用,相辅相承,才能保证接头的良好密封。
盲板、8字盲板、限流孔板、混合孔板等与法兰、垫片及螺栓关系比较密切,常与它们配合使用,一起进行介绍。
1、法兰法兰是确定管道公称压力等级的基准件。
由前面的介绍可知,法兰的种类很多,不同型式的法兰,其密封性能不同,适用场合也不同。
在这里仅讨论不同型式的法兰应如何选用,仅供参考。
a. 法兰种类◆结构型式管道法兰按与管子的连接方式分为以下六种基本类型:平焊、对焊法、承插焊、松套、螺纹法兰和整体法兰。
◆密封面型式法兰密封面有全平面、凸台面、凹凸面、榫槽面、环槽面等五种。
◆法兰代号不同的标准其法兰的密封面及型式的名称、代号略有区别。
见表1-1、表1-2。
表1-1 密封面名称及代号对照表平焊法兰:多用于介质条件比较缓和的情况下,如低压非净化压缩空气、低压循环水,它的优点是价格比较便宜;对焊法兰:最常用的一种,它与管子为对焊连接,焊接接头质量比较好,而且法兰的颈部利用锥度过渡,可以承受较苛刻的条件;承插焊法兰:常用于PN≤10.0MPa,DN≤40的管道中;松套法兰:常用于介质温度和压力都不高而介质腐蚀性较强的情况。
当介质腐蚀性较强时,法兰接触介质的部分(翻边短节)为耐腐蚀的高等级材料如不锈钢等材料,而外部则利用低等级材料如碳钢材料的法兰环夹紧它以实现密封;整体法兰:常常是将法兰与设备、管子、管件、阀门等做成一体,这种型式在设备和阀门上常用。
b.密封面型式的选用:全平面密封面:常与平焊型式配合以适用于操作条件比较缓和的(PNg1.0)工况下;常用于铸铁法兰或与铸铁连接的钢法兰;凸台面密封面:是应用最广的一种型式,它常与对焊和承插焊型式配合使用,在"美式法兰"中,常用在PN2.0、PN5.0和部分PN10.0MPa压力等级中;在"欧式法兰"中则常用在PN1.6、PN2.5MPa压力等级;凹凸面密封面:常与对焊和承插型式配合使用,在"美式法兰中不常采用,在"欧式法兰"中常用在PN4.0、PN6.4MPa等级中。
国内常用的管道标准体系国内常用的管道标准体系1石化行业应用标准体系2化工行业应用标准体系3机械行业应用标准体系4国家应用标准体系5 压力管道应用标准体系配伍国内常用的管道标准体系目前,国内的压力管道及其元件的应用标准很多,又均不完整。
以管法兰标准为例,常用的标准就有国家标准(GB)、机械行业标准(JB)、石化行业标准(SH)和化工行业标准(HG)等。
这些标准各有各自的温度-压力表、密封面尺寸和接管尺寸,相互之间互换性差,有些甚至不能配套使用。
为了能很好地应用这些标准,介绍一下目前国内常用的压力管道应用标准体系。
1石化行业应用标准体系◆管子尺寸系列标准(SH3405) 基本属于“大外径系列”SH3405等效采用了ISO4200标准,故当DN≤1100mm时,它能与ANSI B36.l/36.19标准配套使用。
SH3405直径范围和壁厚分级:序号钢管类别公称直径范围壁厚分级1 奥氏体不锈钢无缝钢管10~400 Sch5s、Sch10s、Sch20s、Sch40s、Sch80s2 碳素钢、合金钢无缝钢管10~600 Sch20、Sch30、Sch40、Sch60、Sch80、Sch100、Sch120、Sch140、Sch160、XXS3 奥氏体不锈钢焊接钢管80~1000 2.0~12mm4 碳素钢、合金钢焊接钢管150~2000 4.0~18mm◆法兰标准(SH3406):属于"美式法兰"公称压力:PN1.0、PN2.0(CL150)、PN5.0(CL300)、PN6.8(CL400)、PN10.0(CL600),PN15.0(CL900)、PN25.0(CL1500)、PN42.0(CL2500) 8个等级公称直径:DN15~DN1500mm法兰密封面:当DN≤600时,凸台面、凹凸面、全平面、榫槽面、环槽面5种DN≥650时,凸台面 1种法兰型式:当DN≤600时,平焊、对焊、承插焊、螺纹连接、松套 5种DN≥650时对焊 1种※SH3406等效采用了ANSI B16.5和API605标准,。
化工管路用管及管件阀门知识应知应会一、11种材质的化工用管材化工用管的种类按材质分:金属用管和非金属用管金属用管铸铁管、有缝钢管、无缝钢管、铜管、铝管、铅管。
①铸铁管:铸铁管是化工管路中常用的管道之一。
由于性脆及连接紧密性较差,只适用于输送低压介质,不宜输送高温高压蒸汽及有毒、易爆性物质。
常用于地下给水管、煤气总管和下水管道。
铸铁管的规格以Ф内径×壁厚(mm)表示。
②有缝钢管:有缝钢管按使用压力分普通水煤气管(耐压0.1~1.0MPa)和加厚管(耐压1.0~0.5MPa)。
一般用于输送水、煤气、取暖蒸汽、压缩空气、油等压力流体。
镀锌的叫白铁管或镀锌管。
不镀锌的叫黑铁管。
其规格以公称直径表示。
最小公称直径6mm,最大公称直径150mm。
③无缝钢管:无缝钢管的优点是质量均匀强度较高。
其材质有碳钢、优质钢、低合金钢、不锈钢、耐热钢。
因制造方法不同,分为热轧无缝钢管和冷拔无缝钢管两种。
管道工程中管径超过57mm时,常用热轧管,57mm以下时常用冷拔管。
无缝钢管常用于输送各种受压气体、蒸气和液体,能耐较高温度(约435℃)。
合金钢管用于输送腐蚀性介质,其中耐热合金管耐温可达900-950℃。
无缝钢管的规格以Ф内径×壁厚(mm)表示。
冷拔管最大外径为200mm,热轧管最大外径630mm。
无缝钢管按用途分为一般无缝管和专用无缝管,如石油裂化无缝管、锅炉无缝管、化肥无缝管等。
④铜管:铜管传热效果好。
主要应用于换热设备和深冷装置的管路,仪表测压管或传送有压力的流体,但温度高于250℃时,不宜在压力下使用。
因价格较贵,一般使用在重要场所。
⑤铝管:铝具有很好的耐蚀性。
铝管常用于输送浓硫酸、醋酸、硫化氢及二氧化碳等介质,也常用于换热器。
铝管不耐碱,不能用于输送碱性溶液及含氯离子的溶液。
由于铝管的机械强度随着温度的升高而显著降低,故铝管的使用温度不能超过200℃,对于受压管路,使用温度将更低。
铝在低温下具有较好的机械性能,故在空气分离装置中大都采用铝及铝合金管。
化工设计中法兰的设计选用2. 新疆寰球工程公司,新疆独山子,833699摘要:化工法兰是化工装置最常用的管件之一,不少事故是由法兰泄漏引起,合理选用法兰关系到化工装置能否长期安全稳定运行。
本文从法兰标准体系、法兰类型、法兰公称压力及法兰泄漏等,梳理法兰选用的基本方法,以提供法兰合理选用的参考。
关键词:法兰;类型;公称压力;泄漏校核引言化工装置设计过程中不可避免会用到法兰,法兰的合理选择及校核非常重要,尤其是高温、易燃、有毒介质,如果法兰选用不当导致介质泄漏,很可能引发安全事故,下面就化工法兰在设计中的选用及校核做一基本梳理。
1法兰标准体系的选用化工装置设计过程中常用的法兰标准体系有欧洲体系和美洲体系。
欧洲体系法兰标准:主要有HG/T 20592《钢制管法兰(PN系列)》;另外,GB/T 9124.1《钢制管法兰第1部分:PN 系列》也是欧洲体系法兰标准,但在化工装置使用较少。
美洲体系法兰标准:主要有HG/T 20615《钢制管法兰(Class系列)》和SH/T 3406《石油化工钢制管法兰》;另外,GB/T 9124.2《钢制管法兰第2部分:Class系列》也是美洲体系法兰标准,但在化工装置使用较少。
同公称尺寸、同公称压力的同类法兰,相同标准体系的法兰能够匹配连接,不同标准体系的法兰不能够匹配连接;通常同一项目选用统一的法兰标准体系及法兰标准。
2法兰类型型式法兰类型型式主要包含三方面信息:(1)接管端公称尺寸和钢管外径欧洲体系法兰公称尺寸和外径如下表1,由表1可见欧洲体系法兰外径根据设计需要可选英制管或公制管;美洲体系法兰公称尺寸和外径如下表2,由表2可见美洲体系法兰外径只可选英制管。
表1.欧洲体系法兰公称尺寸和钢管外径(mm)【1】表2.美洲体系法兰公称尺寸和钢管外径(mm)【2】(2)法兰类型欧洲体系法兰类型:板式平焊法兰(PL)、带颈平焊法兰(SO)、带颈对焊法兰(WN)、整体法兰(IF)、承插焊法兰(SW)、螺纹法兰(Th)、对焊环松套法兰(PJ/SE)、平焊环松套法兰(PJ/RJ)、法兰盖(BL)、衬里法兰盖(BL (S))。
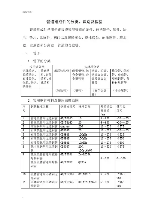
管道组成件的分类、识别及检验管道组成件是用于连接或装配管道的元件,包括管子、管件、法兰、垫片、紧固件、阀门以及膨胀接头、挠性接头、耐压软管、疏水器、过滤器和分离器、管道混合器等。
一、管子1.管子的分类2.常用钢管材料及使用温度范围3.钢管的外径尺寸系列及壁厚等级公称直径是表征管子、管件、阀门等口径的名义直径,通常它既不是内径也不是外径,有公制(SI)和英制两种。
公制和英制的换算关系是:lin=25mm。
例如DN100的钢管在英制里表述为4″。
钢管是按照外径及壁厚系列生产的,各国都有各自的钢管尺寸系列标准,目前没有统一,但DN<14in(即DN350)以下外径尺寸差别很小,不影响互换性。
我国现行标准中,中石化标准SH3405规定的外径系列与国际标准化组织的ISO标准基本一致,即俗称的大口径钢管。
GB/T8163标准的钢管有A、B两个系列,即大口径、小口径之分,对照见下表一:钢管壁厚以管子表号(SCH)表示,常用管子壁厚如下表:4.管子的检验:a)输送有毒可燃介质的管子使用前应按设计文件要求核对管子的规格数量和标记b)管子的质量证明书应包括以下内容●产品标准号●钢的牌号●炉罐号批号(同钢好同炉号同规格同热处理)交货状态重量(实际重量、理论重量)和件数●品种名称规格及质量等级●产品标准中规定的各项检验结果(化学成分、力学性能、无损检验等)●技术监督部门的印记c)若到货管子的钢号炉罐号与质量证明书不符或对特性数据有异议,供货方应按相应的标准作校验性检验或追溯到产品制造单位,异议未解决前该批管子不得使用d)有耐晶间腐蚀要求的材料产品质量证明书应注明晶间腐蚀试验结果,否则应按不锈耐酸钢晶间腐蚀倾向试验方法GB 433419中的有关规定,进行补项试验e)SHA级管道(SH3501中对剧毒、可燃介质管道有SHA、SHB的分级)中设计压力等于或大于10MPa的管子外表面应按下列方法,逐根进行无损检测,不得有线性缺陷●外径大于12mm的导磁性钢管应采用磁粉检测●非导磁性钢管应采用渗透检测f)管子经磁粉或渗透检测发现的表面缺陷允许修磨,修磨后的实际壁厚不应小于管子公称壁厚的90% ,且不得小于设计文件规定的最小壁厚g)SHA级管道中设计压力小于10MPa的输送极度危害介质的管子,每批(指同批号同炉罐号同材质同规格)应抽5%且不少于一根进行外表面磁粉或渗透检测,不得有线性缺陷,抽样检验不合格时应按规定处理h)输送毒性程度为极度危害和高度危害介质管子的质量证明书中,应有超声检测结果,否则应按现行无缝钢管超声波探伤方法GB 5777或不锈钢管超声波探伤方法GB4163的规定,逐根进行补项试验(剧毒、可燃介质的划分可以查SH3501)二、管件在管道中改变走向、标高或改变管径以及由主管上引出支管等均需用管件,管件的定义:管道系统中用于直接连接、转弯、分支、变径以及用作端部的零部件,包括弯头、三通、四通、异径管接头、管箍、内外螺纹接头、活接头、快速接头、螺纹短节、加强管接头、管堵、管帽、盲板等。
化工管道材料的设计与选用化工安装工程作为石油化工业中的一项重要工作,做好化工管道材料的设计和选用工作,对于石油化工业的可持续发展具有重要的意义。
基于此,笔者结合实际工作经验,分析了化工管道材料的设计与选用过程中存在问题的原因,进而提出了相应的解决措施,以期在实际工程操作中可以提供相应的理论借鉴与指导,为推进行业进步贡献自己的一份力量。
标签:化工管道;材料设计及选用;应对措施引言管道材料的设计,必须参照标准执行,ASME标准以及国标和化工部标准等。
现在国内的采购主要涉及ASTM,GB标准,有时候,也有一些制造商自己的标准要求。
常用的管道材料有碳钢,以及不锈钢,主要是用316L以及304L,还有塑料管道,常用的有pp管,pvc管道,玻璃钢等,采购时成套的比采购量少的会便宜。
一、管道材料的选取1、盐酸管道选材30%与15%的盐酸取用pp材料的管道,外包裹玻璃钢,在选取时我们首先要考虑聚丙烯的材料特性。
1.1聚丙烯材料特性短期液压强度(环应力16Mpa,1h,20)不破裂,不渗漏。
长期液压强度(环应力4.8Mpa,48h,80)不破裂,不滲漏。
长期液压强度(环应力4.2Mpa,170h,80)不破裂,不渗漏。
此管材不仅具有长久的使用寿命,而且在某些额定温度、压力状况下,此管材卓越的耐腐蚀性能,能耐大多数化学物品的腐蚀,可在很大的范围内承受PH 值范围在1-14的高浓度酸和碱的腐蚀。
常见的酸、碱有机溶剂对它几乎不起作用。
耐热保温节能,管材最高使用温度95℃左右,该产品的导热系数仅为钢管的1/200,故有较好的保温性能。
可靠的连接性能,PP管材热熔接口的强度高于管材本体,接缝不会由于土壤移动或载荷的作用而断开。
良好的施工性能,PP 管材质轻,焊接工艺简单,施工方便,工程综合造价低。
1.2聚丙烯/玻璃纤维增强塑料(PP/FRP)复合管道PP/FRP复合管道是由聚丙烯管作内衬,玻璃钢作外增强层,经机械缠绕工艺复合制成。
浅谈管道材料的选用合理选择管道材料是材控专业的主要任务。
本文共分两大部分:材料和管道元件。
在第一部分中,重点介绍了黑色金属;在第二部分中,主要针对国内现状,讨论了管子、管件、法兰、垫片、紧固件、阀门等管道元件的选用问题。
一概述管道是装置重要组成部分,它犹如人体内的血管,起着非常重要的作用。
装置能否正常生产与管道是否正常工作关系密切。
有资料表明,石化行业中发生的事故造成停车、人身伤亡、财产损失等,有近一半是由于管道出现问题造成的。
另外,管道费用约占装置投资的10~30%,对总投资起着举足轻重的影响。
而管道是由管道元件组成的,由此可见,合理选择管道元件,就显得尤为重要。
但由于涉及的因素较多,比较复杂,所以一直是材料设计人员的重要研究问题。
本文就这一问题谈一点个人的体会和看法。
由于本人的理论水平和实际经验等方面的原因,文中的错误和不妥之处一定不少,敬请领导批评指正。
二材料鉴于篇幅有限,一下主要讨论黑色金属,对非金属及补里也作一简单介绍,不讨论有色金属。
(一)黑色金属1 铸铁铸铁由于铸造性能与切削性能好,而且成本低,虽然它的机械强度比钢差,但在低压管道上一直广泛应用。
例如,在渭河化肥厂合成氨装置中,日本宇部公司在冷却水、饮用水、低压(≤0.34Mpa)蒸汽、仪表空气等介质的管系中,全部闸阀、截止阀、止回阀、碟阀、球阀等采用铸铁。
国内公用工程管道所用阀门与弯头、三通等管件也一直采用铸铁。
但由于国内铸铁阀门大多数是由中小企业生产,质量低劣,目前,除少数介质(如浓硫酸、浓硝酸、仪表空气等)外,大多数工艺介质管道元件都不采用铸铁。
本人认为,如果我们与阀门厂加强合作,在设计上提出详细的合理的技术要求,对D类流体[非易燃和无毒流体,设计压力≤10.5Kgf/cm2,设计温度:-29~186℃。
(注1)]管道元件可以采用铸铁,以降低工程投资,增加经济效益。
2 碳钢碳钢是现代工业中使用最广泛的金属材料之一,在石化工业上也不例外。
1 范围1.1 本标准规定了石油化工管道及其元件的设计及其选用要求,包括应用标准、管道材料、管路等级、管道及其元件的型式、管道防腐、管道隔热等方面的设计选用要求。
1.2 本标准适用于石油化工厂的工艺管道和公用工程管道的设计。
1.3 本标准不适用于管道支架、隔热结构及非金属管道的设计。
2 引用标准下列标准所包含的条文,通过在本标准中引用而构成本标准的条文。
本标准出版时,所示版本均为有效。
所有标准都会被修订,使用本标准的各方应探讨使用下列标准最新版本的可能性。
SH3059 《石油化工企业管道设计器材选用通则》SH3401 《管法兰用石棉橡胶板垫片》SH3402 《管法兰用聚四氟乙烯包复垫片》SH3403 《管法兰用金属环垫》SH3404 《管法兰用紧固件》SH3405 《石油化工企业钢管尺寸系列选用规定》SH3406 《钢制管法兰》SH3407 《管法兰用缠绕式垫片》SH3408 《钢制对焊无缝管件》SH3409 《钢板制对焊管件》SH3410 《锻钢制承插焊管件》JB/T74 《管路法兰技术条件》JB/T81 《凸面板式钢制管法兰》JB/T82.1 《凸面对焊钢制管法兰》第页共32 页40B223-1999 JB/T82.2 《凹凸面对焊钢制管法兰》JB/T82.4 《环连接面对焊钢制管法兰》JB/T86.1 《凸面钢制管法兰盖》JB/T86.2 《凹凸面钢制管法兰盖》JB/T87 《管路法兰用石棉橡胶垫片》JB/T89 《管路法兰用金属环垫垫片》JB/T90 《管路法兰用缠绕式垫片》GB9119.8 《PN1.6MPa凸面板式平焊钢制管法兰》GB9123.9 《PN1.6MPa凸面钢制管法兰盖》GB/T14626 《锻钢制螺纹管件》40B118 《钢板卷制焊接钢管》40B112 《石油化工企业小外径钢管尺寸系列》40B113 《钢制对焊小外径无缝管件》40B114 《钢板制小外径对焊管件》40B115 《锻钢制小外径承插焊管件》40B116.1 《钢制大外径管件》40B116.2 《钢制小外径管件》40B117.1 《石油化工企业大外径管道用过滤器》40B117.2 《石油化工企业小外径管道用过滤器》GB699 《优质碳素结构钢技术条件》GB1220 《不锈钢棒》GB1221 《耐热钢棒》GB1591 《低合金结构钢》GB/T14976 《输送流体用不锈钢无缝钢管》GB/T3091 《低压流体输送用镀锌焊接钢管》GB/T3092 《低压流体输送用焊接钢管》40B223-1999 第页共32 页GB3077 《合金结构钢技术条件》GB3274 《碳素结构钢和低合金结构钢热轧厚钢板和钢带》GB4237 《不锈钢热轧钢板》GB5310 《高压锅炉用无缝钢管》GB3087 《低中压锅炉用无缝钢管》GB6479 《高压化肥设备用无缝钢管》GB6654 《压力容器用碳素钢和低合金钢厚钢板》GB8163 《输送流体用无缝钢管》GB9948 《石油裂化用无缝钢管》GB12771 《流体输送用不锈钢焊接钢管》GB150 《钢制压力容器》SY/T5037 《一般低压液体输送用螺旋缝埋弧焊钢管》SH3010 《石油化工设备和管道隔热技术规范》SH3022 《石油化工设备和管道涂料防腐蚀技术规范》3 管道元件应用标准3.1 管道及其元件在选用时应尽可能系列化和标准化。
目前管道工程常用的连接方式有螺纹连接、焊接连接、法兰连接、承插连接、沟槽连接等形式。
低压管道PN≤2.5MPa中压管道PN=4—6.4MPa高压管道PN=10—100MPa超高压管道PN>100MPa是按照公称压力分。
公称压力:管子、管件等在基准温度下的耐压强度成为公称压力。
法兰连接法兰连接是将垫片放入一对固定在两个管口上的法兰的中间,用螺栓拉紧使其紧密结合起来的一种可拆卸的接头。
法兰种类:按法兰与管子的固定方式分为螺纹法兰、焊接法兰、松套法兰;按密封面形法兰种类式可分为光滑式、凹凸式、榫槽式、透镜式和梯形槽式。
螺纹法兰:主要用于镀锌水、煤气钢管的连接,其密封面为光滑式。
其公称压力常用的有0.6MPa、1.0 MPa、1.6MPa 三种。
焊接法兰:是管道连接中最常用的法兰,分为平焊法兰和对焊法兰两种。
1、平焊法兰:又叫搭焊法兰与管子焊接时将管子插入法兰孔内,在法兰内外部与管子进行搭接角焊。
其公称压力常用的有0.6MPa、1.0 MPa、1.6MPa 和 2.5MPa 四种。
平焊法兰的密封面有光滑式和凹凸式。
2、对焊法兰:又叫高颈法兰,与平焊法兰的区别是带有一段锥形短管。
法兰与管子的结合实质上是短管与管子的对口焊接。
故称对焊法兰。
一般用于公称压力≥4.0 MPa 或温度大于300℃的管道上。
对焊法兰有光滑式、凹凸式、榫槽式和梯形槽式四种密封面形式。
其中光滑式和凹凸式最为普遍。
松套法兰:松套法兰:也叫活套法兰或活动法兰。
分为平焊松套法兰、对焊松套法兰、卷边松套法兰。
这种法兰接口,就是利用钢环或管口卷边把法兰套在管端上,因此法兰可以在管端上活动,故称松套法兰。
1、平焊松套法兰:密封面一般有光滑式和榫槽式。
其公称压力常用的有0.6MPa、1.0 MPa、1.6 MPa 和2.5MPa 四种。
主要用于不锈钢管道、铜及铜合金管道、铝及铝合金管道以及塑料管道等。
2、对焊松套法兰:其密封面一般为凹凸式,用于公称压力较高的场合。
常用化工管子、管件及法兰的选用
1、管子、管件和法兰以及阀门在化工装置中是非常重要,不可缺少的,可以说没有管子、管件和法兰以及阀门
就没有化工装置。
一般来说,在各类化工装置所用的工程材料中,配管的材料费约占10%。
在这块配管的材料费用中的比率大约为:
管子费占22%,
管件费(弯头、三通、大小头、管帽等)占7.5%
法兰费占12.0%
阀门费占53.%
螺栓费、垫片费占4.5%
其他费占1%
由此可见,管子、管件、法兰和阀门的费用约占90%多,是配管材料费的主要组成部分,如何正确选用是很重要的。
今天我们就先讲一讲常用化工管子、管件及法兰的选用,以后有机会再讲阀门的选用。
首先我们就先来了解一下管子的情况。
目前化工行业用的管子的尺寸主要是按照HG 20553标准,在HG 20553标准中有三种系列的管子,它们分别是Ia系列, Ib系列和II系列管子
2、法兰系列
我们今天是讲管子、管件及法兰的选用,前面我们了解了管子的情况,接下来我们再看看法兰的情况。
3、法兰压力关系
4、管子、管件及法兰的选用
4.1 管子管件法兰压力
Ia系列 GB/T 14383(I) 系列 HG/T 20592 (A) 系列 PN6,PN10,PN16,PN25,PN40,PN63,PN100,PN160 GB/T 12459(I) 系列 HG/T 20615 (A) 系列 (only) Class 150Lb, 300Lb, 600Lb,900Lb,1500Lb,2500
4.2 管子管件法兰压力
II系列 GB/T 14383(II) 系列 HG/T 20592 (B) 系列 PN6,PN10,PN16,PN25,PN40,PN63,PN100,PN160
GB/T 12459(II) 系列
4.3 管子管件法兰压力
Ib系列 SH 3405 石化管件标准(SH3408~3410) SH 3406 MPa: 1.0 , 2.0, 5.0, 6.8, 10.0, 15.0, 25.0, 42.0。