推荐-220kv区域性降压变电所初步设计 2 精品
- 格式:doc
- 大小:3.44 MB
- 文档页数:118
目录课程设计任务书 (3)1 电气主接线设计 (6)1.1 主接线设计要求 (6)1.2 主接线基本接线方式 (7)1.3 主接线的接线方案确定 (12)2 主变压器选择 (16)2.1 主变压器的选择原则 (16)2.2 主变压器台数的选择 (16)2.3 主变压器容量的选择 (17)3 短路电流计算 (20)3.1 概述 (20)3.2 短路电流计算目的 (20)3.3 短路电流计算基本假设 (20)3.4 各元件电抗标么值计算 (21)3.4.1 各电气元件标幺值的计算 (21)3.4.2 线路标幺电抗总图及化简图 (21)3.5 系统最大运行方式下短路电流计算 (23)3.5.1最大最小运行方式的含义 (23)3.5.2 220KV侧短路计算 (23)3.5.3 110KV侧短路计算 (25)3.5.4 10KV侧短路计算 (27)4 主要电气设备选择 (30)4.1 概述 (30)4.1.1 按正常工作条件选电气设备 (30)4.1.2 按短路状态进行校验 (31)4.2 高压断路器的选择 (32)4.2.1 220KV侧断路器的选择 (33)4.2.1 110KV侧断路器的选择 (34)4.2.2 10KV侧断路器的选择 (35)4.3 隔离开关的选择 (36)4.3.1 220KV侧隔离开关的选择 (37)4.3.1 110KV侧隔离开关的选择 (38)4.3.2 10KV侧隔离开关的选择 (39)4.4 母线的选择 (40)4.4.1 220KV侧母线的选择 (41)4.4.1 110KV侧母线的选择 (42)4.4.2 10KV侧母线的选择 (43)4.5 互感器的选择 (49)4.5.1 电流互感器选择依据 (50)4.5.2 电流互感器的选择 (51)4.5.3电压互感器的选择依据 (54)4.5.4电压互感器选择 (55)5 防雷及接地体设计 (57)5.1 概述 (57)5.2防雷保护的设计 (57)5.3 接地装置的设计 (58)5.4 主变压器中性点间隙保护 (58)5.5 变电所防雷设计 (59)6. 设计总结 (60)参考文献 (61)附录1 主要设备选择汇总表 (62)成绩评定表 (63)课程设计任务书表二 10KV 用户负荷统计资料序号 用户名称 最大负荷 (kW) cos φ 回路数重要负荷百分数 (%) 1矿机厂 1800 0.95 2 622机械厂 1900 0.95 2 3汽车厂 1700 0.95 2 4电机厂 2000 0.95 2 5炼油厂 2200 0.95 2 6 饲料厂 800 0.95 2 3、待设计变电所与电力系统的连接情况待设计变电所与电力系统的连接情况如图所示。
220KV区域变电所的设计方案220KV区域变电所是电力系统中的一个重要组成部分,主要负责将输电线路上输送的高压电能通过变压器进行升降压转换,然后分配到各个用户终端。
设计一个合理高效的220KV区域变电所,对于提高电网运行的可靠性、稳定性和安全性至关重要。
首先,在进行220KV区域变电所的设计时,需要根据实际情况对变电所所在地的用电负荷进行详细的调查和预测,确定变电所的容量和布局。
同时还需要考虑变电所周边地理环境、气候条件等因素,确保变电所建设和运行的安全性和可靠性。
其次,在变电所的设计中,应该充分考虑变电所的扩建和升级需求,留有足够的空间和资源进行未来的扩展。
在变电所的主要设备选型和布置上,应选用性能可靠、稳定运行的高品质设备,确保变电所长期稳定运行。
在变电所的外部环境设计方面,应该合理规划变电所周边道路、围墙、排水系统等设施,保证变电所外部环境整洁、安全。
同时还应在变电所周边设置安全防护设施,避免外部人员进入变电所区域,确保变电所的安全运行。
在变电所的内部布局设计中,应根据变电所的具体需求和设备布置情况,科学合理地进行电力设备的布置,确保设备之间的连接合理、通风通道畅通,保证变电所内部设备的正常运行和维护。
在变电所的接地系统设计中,应该按照国家标准和规范要求进行设计,确保接地系统的可靠性。
接地系统是变电所的重要组成部分,可以有效地消除设备运行过程中的地电压,保证变电所的安全运行。
在变电所的维护管理方面,需要建立完善的管理制度和规范,确保变电所设备的定期检查和维护。
定期对设备进行检修、清洁、润滑,确保设备的正常运行,延长设备的使用寿命。
总的来说,设计一个合理高效的220KV区域变电所需要考虑多方面的因素,如用电负荷、设备选型、外部环境、内部布局等,只有充分考虑这些因素,才能设计出一个满足需求、安全可靠的变电所。
变电所的设计不仅仅是简单的设备布置,更是对整个电力系统运行的保障和支撑,需要综合考虑多方面的因素进行设计。
目录前言 (2)内容摘要 (3)第一章概述 (4)第二章电气主接线 (5)第2.1节主接线的设计原则和要求 (5)第2.2节主接线设计方案 (6)第2.3节主变压器选择 (12)第2.4节所用电设计 (13)第三章短路电流计算 (16)第3.1节短路电流计算的目的、规定 (17)第3.2节短路电流计算表 (20)第四章主要电气设备选型 (21)第4.1节电气设备选择的基础知识 (21)第4.2节高压电气设备选择及校验 (23)第4.3节设备选择表 (32)结论 (46)参考文献 (46)符号说明 (47)前言此次设计的特点是:对专业知识进行更好的巩固与吸收,我们进行了为期九周的毕业设计。
在这次设计中是对学习电力专业综合性很好的一次训练,通过三年的学习和两次简单的课程设计,为毕业设计打下了坚实的理论基础。
设计题目“220KV/10KV变电所电气设计”,它主要包括电气主接线设计、短路电流计算、电气设备选型、变压器各项整定计算等几个部分。
通过这次设计巩固了“发电厂变电站电气部分”课程的理论知识并掌握了电气设计基本方法,培养了独立分析和解决问题的能力,提高了工作能力和工程设计的基本技能。
在设计过程中我们不但遇到了不少的难题,同时也发现了自己知识结构的薄弱环节,但在郭力萍老师精心指导和严格要求下圆满的完成此次设计,在这次设计中我们参考了《电力工程电气设计手册1,2》、《发电厂电气设备教科书》、《变电运行技能培训教材》、《发电厂电气部分课程设计参考资料》等书籍来完成这次设计,受益匪浅。
使我得到了很大的进步,掌握了更多的专业知识。
但是由于基础较差,设计中存在一些错误。
望各位老师予以指正。
内容摘要本次设计是220KV/10KV变电所设计。
着重培养学生对电力系统的基本设计能力,也特别注重培养对三年来所学的综合应用。
全部内容共分七章,第一章概述,第二章电气主接线设计,第三章短路计算,第四章主要电气设备选择,第五章电力变压器保护,第六章中央信号设计,第七章配电装置设计以及计算书和电气设备主接线图的绘制。
南京工程学院继续教育学院(本科)220kV 降压变电所电气部分初步设计函授站班级学生姓名朱海峰指导老师毕老师日期2012.06目录第一篇降压变电所设计任务书第二篇降压变电所设计说明书第三篇降压变电所计算书第一篇毕业设计任务书一、设计题目:220kV降压变电所电气部分初步设计二、待建变电所基本资料1.设计变电所在城市近郊,向开发区的炼钢厂供电,在变电所附近还有地区负荷。
2.本变电所的电压等级为220 kV/110 kV /10kV,220kV是本变电所的电源电压,110kV和10kV是二次电压。
3.待设计变电所的电源,由对侧220kV变电所双回线路及另一系统双回线路送到本变电所;在中压侧110kV母线,送出2回线路至炼钢厂;在低压侧10kV母线,送出11回线路至地区负荷。
4.该变电所的所址,地势平坦,交通方便。
三、用户负荷统计资料如下:表1 110kV用户负荷统计资料表2 10kV用户负荷统计资料最大负荷利用小时数max T = 5600 h (见P137b ),同时率取 0.9 ,线路损耗取 6 %。
四.待设计变电所与电力系统的连接情况:系统2× ___ kmMVA图1 待设计变电所与电力系统的连接电路图第二篇降压变电所设计说明书一、该变电所在系统中的地位以及所供用户分析该变电所为220kV降压变电所,地处城市近郊,地势平坦、交通方便,向开发区炼钢厂供电负荷约42MW,在变电所附近还有地区负荷.电压等级为220kV/110kV/10kV,220kV是本变电所电源电压,有4回线路,110kV送出两回线路,10kV送出11回线路,由此可见该变电所为枢纽变电所,用户中重要负荷约占65%,均采用双回路供电方式。
二、主变压器的选择1、主变台数:根据《电力工程电气设计手册》的要求,根据本变电所的具体情况及保证供电可靠性,避免一台主变压器故障或检修时影响对重要用户的供电,故选用两台同样型号的主变。
2、主变容量:根据选择原则和已确定选用两台主变压器,主变压器总容量可取最大负荷P MAX的1.6倍,且计及每台变压器有40%的过负荷能力,当一台变压器单独运行时能满足70%以上的负荷的电力需要。
220KV降压变电所电气部分初步设计目录引言........................................................ - 4 -毕业设计任务书 (5)第一部分说明书 (8)第一章变电所主变压器的选择 (8)1.1主变压器容量选择的有关规定 (8)1.1.1主变选择的一般原则 (8)第二章变电所电气主接线的选择 ................................ - 10 -2.1电气主接线的设计原则和要求 (10)2.1.1电气主接线的设计原则 (10)2.1.2电气主接线的基本要求 (11)2.1.3电气主接线的设计程序 (12)2.1.4主接线的拟定方案及选择 (13)第三章短路电流计算 (15)3.1短路电流计算的方法 (15)3.1.1短路电流计算的目的、规定和步骤 (15)3.1.2三相短路电流的计算 (16)第四章变电所电气设备选择 (18)4.1电气设备的选择原则 (18)4.2电气设备的选择 (20)4.2.1高压断路器的选择 (20)4.2.2隔离开关的选择 (21)4.2.3电压互感器的选择 (22)4.2.4电流互感器的选择 (23)4.2.5互感器的配置要求 (25)4.3母线的选择 (25)4.4避雷器的选择 (26)第五章配电装置设计 (29)5.1屋内外配电装置的安全净距 (29)5.1.1、概述 (29)5.1.2、屋内外配电装置的安全净距 (30)5.2屋外配电装置 (31)5.2.1、屋外高压配电装置的若干问题 (31)第六章继电保护及其自动装置的规划 (33)6.1继电保护及其设计 (33)6.1.1、220K V及中性点直接接地电网线路保护配置 (33)6.1.2、短线路纵差保护的整定计算 (34)6.1.3、变压器保护的配置 (34)6.1.4、母线保护及断路器失灵保护 (36)6.2自动装置规划设计 (37)6.2.1、自动重合闸的作用和要求 (37)6.2.2、对ZCH的基本要求 (37)第七章防雷保护及其配置 (39)第二部分计算书 (41)第八章主变压器选择的容量计算 (41)8.1变电所60KV的用户总容量 (41)8.2折算到变压器的容量: (41)8.3据主变压器容量选择规则 (41)第九章短路电流计算 (42)9.1三相对称短路计算 (42)9.2元件阻抗归算到系统的标幺值计算 (42)9.3短路电流计算 (45)第十章设备的选择计算 (49)10.1断路器的选择 (49)10.1.2220K V侧选择 (49)10.1.260K V侧选择 (50)10.2隔离开关选择 (52)10.2.1220K V侧隔离开关选择 (52)10.2.260K V侧隔离开关选择 (54)10.3电压互感器选择 (55)10.4电流互感器的选择 (56)10.4.1220 K V侧电流互感器选择 (56)10.4.260K V侧电流互感器选择 (57)10.5母线的选择: (59)10.6避雷器的选择 (61)第十一章避雷针的保护范围计算 (63)11.1避雷针的定位及针距 (63)11.2单根避雷针的保护半径计算 (64)11.2.1220K V侧针高30米时 (64)11.2.260K V侧针高30米时 (64)11.3多根等高避雷针的保护范围计算 (64)11.3.1220K V侧针高30米时 (64)11.3.260K V侧针高30米时 (65)总结 (67)致谢 (68)参考文献 (69)附录 (70)A1.1变电所电气主接线图 (70)A1.2变电所配电装置平面图 (70)A1.3变电所配电装置断面图 (70)引言本毕业设计论文题目为220KV一次降压变电所电气部分初步设计,要求所设计的变电所能够保证供电的可靠性和一次性满足远期负荷的要求,本设计将按照远期负荷规划进行设计。
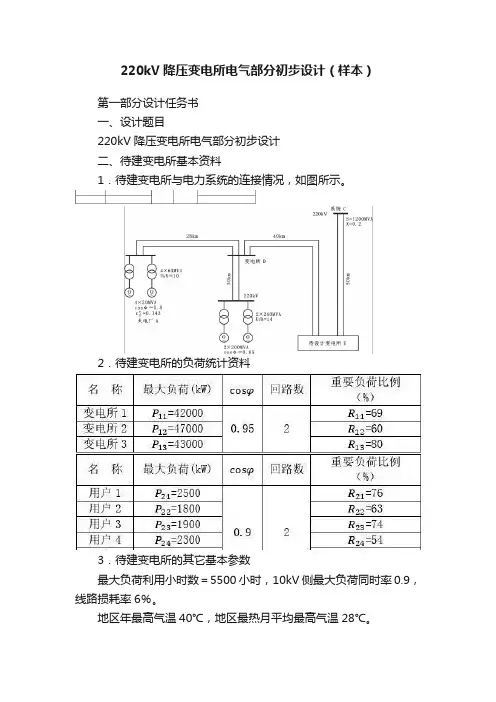
220kV降压变电所电气部分初步设计(样本)第一部分设计任务书一、设计题目220kV降压变电所电气部分初步设计二、待建变电所基本资料1.待建变电所与电力系统的连接情况,如图所示。
2.待建变电所的负荷统计资料3.待建变电所的其它基本参数最大负荷利用小时数=5500小时,10kV侧最大负荷同时率0.9,线路损耗率6%。
地区年最高气温40℃,地区最热月平均最高气温28℃。
4.待建变电所的地理位置情况该变电所建在城市近郊,地势平坦,交通方便。
三、设计任务1.对本变电所在电力系统中的地位、作用和电力用户情况作出分析;2.确定本变电所主变的台数、容量和型号;3.确定本变电所的电气主接线;4.确定所用电方案;5.确定配电装置的型式;6.进行必要的短路电流计算;7.选择和校验所需的电气设备;8.选择和校验10kV硬母线;9.进行继电保护的规划设计;10.进行防雷保护规划设计。
四、设计成品要求1.设计说明书、设计计算书各一份;2.变电所电气主接线图一份。
第二部分设计说明书一、变电所在电力系统中的地位、作用和电力用户的分析变电所地处城市近郊,地势平坦,交通方便,向开发区的炼钢厂供电,在变电所附近还有一些地区负荷,开发区的负荷增长每年都在20%以上,为了适应地区经济发展,变电所的设计应考虑一定的发展观。
本变电所的电压等级为220/110/10kV,由双回220kV线路送到本变电所,并通过双回线路与220kV系统相连接;在110kV侧有8回出线向四个110kV变电所供电,重要负荷均在60%以上;在10kV侧有12回出线向6个用户双回路供电,每个用户的重要负荷均在54%以上。
可知本变电所为枢纽变,在系统中的地位举足轻重,全所停电将引起局部系统解列。
二、主变台数、容量及型号的选择2.1主变台数的选择本变电所各侧负荷均含有不同比例的重要负荷,考虑到主变压器因维护、检修等因素退出运行时需要保证对重要负荷的供电,需要装设两台主变压器。
()任务书附录一1.拟建变电所与电力系统连接情况如下图,图1:图1 变电所与电力系统连接图2、待建变电所电压等级:电源电压为220kV,以110 kV对开发区的炼钢厂供电,并以10 kV对附近还有地区负荷。
3、待建变电所的连接情况220 kV侧:对侧变电所D双回线路,系统C双回线路,共计4回;110 kV侧:双回路送至炼钢厂,共计2回;10 kV侧:分别以双回路送至6个地区负荷,共计12回;4、待建变电所的负荷统计资料110kV负荷统计表10kV用户负荷统计表5、待建变电所的其它基本参数最大负荷利用小时数Tmax=5256h,同时率0.9,线路损耗率6% 设计年最高气温40℃,最热月平均最高气温32℃6、待建变电所的地理位置情况该变电所建在城市近郊,地势平坦,交通方便220kV降压变电所设计摘要变电站是电力系统中不可缺少的一个重要环节,它担负着电能转换和电能重新分配的繁重任务,对电网的安全和经济运行起着举足轻重的作用。
本对220kV降压变电所中电气一次部分的设计原理及计算方法进行了较为全面的论述,其内容包括有变电所主变压器的选择,电气主接线设计,短路电流计算,电气设备及配电装置选择,变电所电气总平面布置和对一些特殊问题的解决方法。
本文所遇到的问题在220kV变电所中也是较为普遍的。
关键词:220kV降压变电所;主接线;电气设备选择目录前言本是南京工程学院20XX届毕业生,课题为220kV降压变电所设计电气部分初步设计。
变电所是电力系统的重要组成部分,它直接影响整个电力系统的安全与经济运行,是联系发电厂和用户的中间环节,起着变换和分配电能的作用。
电气主接线是发电厂变电所的主要环节,电气主接线的拟定直接关系着变电所电气设备的选择、配电装置的布置,是变电所电气部分投资大小的决定性因素。
这次的,时间长、内容多,涵盖了大学中所学的很多专业知识。
在指导老师的指导下,我经过了分析资料、设计、绘图、审核的过程,设计内容有:主变压器的选择,主接线方案的确定,短路电流的计算,电气设备的选择,电气接线图的绘制等。
220kV降压变电所电气部分初步设计梁胄【摘要】Substation is a key part of electrical power system.The rational design of substation can ensure the reliability of power supplying and meet the demand of long term load.A regional stepdown substation of 220 kV is designed to supply power to local load.This article presents the original data of the designed substation,the selection of its main transformer and the preliminary design of its main electrical connection so as to provide reference for the design of similar substations.%变电所是电力系统极其重要的组成部分,其合理设计与建设可以保证供电的可靠性和满足远期负荷的要求。
设计一个220kV地区性降压变电所,主要向地方负荷供电。
介绍该变电所的原始资料,阐述其电气部分主变压器的选择和电气主接线的拟定设计,为此类变电所的设计提供理论参考。
【期刊名称】《农业科技与装备》【年(卷),期】2012(000)003【总页数】3页(P42-43,46)【关键词】变电所;设计;电气;可靠;主变压器;电气主接线【作者】梁胄【作者单位】辽宁省机电工程学校,辽宁辽阳111004【正文语种】中文【中图分类】TM631.2变电所是电力系统中对电能的电压和电流进行变换、集中与分配的场所,是电力网中的线路连接点。
220KV降压变电所的设计前言近十年来,随着我国国民经济的快速增长,用电也成为制约我国经济发展的重要因素,各地都在兴建一系列的用配电装置。
变电所的规划、设计与运行的根本任务,是在国家发展计划的统筹规划下,合理的开发和利用动力资源,用最少的支出(含投资和运行成本)为国民经济各部门与人民生活提供充足、可靠和质量合格的电能。
这里所指的“充足”,从国民经济的总体来说,是要求变电所的供电能力必须能够满足国民经济发展和与其相适应的人民物质和文化生活增长的需要,并留有适当的备用。
变电所由发、送、变、配等不同环节以及相应的通信、安全自动、继电保护和调度自动化等系统组成,它的形成和发展,又经历了规划、设计、建设和生产运行等不同阶段。
各个环节和各个阶段都有各自不同的特点和要求,按照专业划分和任务分工,在有关的专业系统和各个有关阶段,都要制订相应的专业技术规程和一些技术规定。
但现代变电所是一个十分庞大而又高度自动化的系统,在各个专业系统之间和各个环节之间,既相互制约又能在一定条件下相互支持和互为补充。
为了适应我国国民经济的快速增长,需要密切结合我国的实际条件,从电力系统的全局着眼,瞻前顾后,需要设计出一系列的符合我国各个地区的用以供电的变电所,用以协调各专业系统和各阶段有关的各项工作,以求取得最佳技术经济的综合效益。
本次所设计的课题是阜康地区220kV降压变电所的设计,该变电所是一个地区性重要的降压变电所,它主要承担220kV及110kV两个电压等级功率的交换,把接受功率全部送往110 kV侧线路。
因此此次220 kV降压变电所的设计具有220 kV、110 kV及10kV三个电压等级。
220kV侧为主功率输出,110kV 侧以接受功率为主,10kV主要用于本所用电以及无功补偿。
本次所设计的变电所是枢纽变电所,全所停电后,将影响整个地区以及下一级变电所的供电。
1 变电所的原始资料1.1变电所的规模本次变电所设计为一区域性变电所,以供给附近地区的工业,农业,民用电。
摘要本设计是对220kV 降压变电所电气部分初步设计。
包括对电气主接线的确定,主要电气设备的选择,包括断路器,隔离开关,电流互感器,电压互感器,母线,站用变压器等。
全设计详细的说明了各种设备选择的最基本的要求和原则依据。
变压器的选择包括:主变压器的台数、容量、型号等主要技术数据的确定;电气主接线主要介绍了电气主接线的重要性、设计依据、基本要求、各种接线形式的优缺点以及主接线的比较选择,并制定了适合要求的主接线;短路电流计算是最重要的环节,本设计详细的介绍了短路电流的计算;高压电气设备的选择包括母线、高压断路器、隔离开关、电流互感器、电压互感器的选择原则和要求,并对这些设备进行校验和产品相关介绍。
关键词: 220KV变电站电气主系统设计AbstractThe topic that I design is that a topic designed this time is that " electric a part of transformer substation is designed ", its main task is a preliminary design ofa part to the transformer substation of He Dong.Including to the electric sureness that mainly wire, the choice of the main electric equipment, including circuit breaker, isolate the switch, the mutual inductor of electric current, voltage mutual inductor, bus bar, stand with the voltage transformer and wait.Whole thesis besides summary graduate to design the book outside, returned the expatiation every kind of most basic request that equipments choose with principle according to. The choice of the transformer includes: Main transformeruse the main technique in number, capacity, model number...etc. in set data of the transformer to really settle; The electricity lord connected the line to introduce primarily the electricity lord connects the linear importance, design according to, the basic request, every kind of merit and shortcoming and lords that connect the line form connects the linear choosing more, the lord that combine to establish the in keeping with my plant the request connects the line; The short-circuit galvanometer is regarded as the most important link, this thesis introduced the calculating purpose in short-circuit electric current, assumption term, general provision, the calculation, network transformation of a parameter detailed, and each calculation etc.Keywords : Transformer substation; Power system; Mainly wire; power transmissionsystems目录1绪论 (1)1.1原始资料 (1)1.2设计原则 (1)2变电所电力负荷计算 (3)2.1负荷计算的目的 (3)2.2负荷计算 (3)2.3无功补偿方案 (4)3变压器台数和容量的选择 (9)3.1主变压器的选择 (9)3.2主变压器的确定 (9)4电气主接线方案的确定 (12)4.1电气主接线的概况 (12)4.2电气主接线基本要求 (12)4.3变电所主接线的选择 (13)5短路电流计算 (18)5.1短路电流计算的目的 (18)5.2短路计算点的选择 (18)5.3三相短路电流冲击值的计算 (19)6高压电气设备及载流导体选择 (29)6.1电气设备的选择原则 (29)6.2断路器的选择 (30)6.3隔离开关的选择 (36)6.4电流互感器的选择 (40)6.5电压互感器的选择 (45)6.6母线的选择 (48)7避雷器的选择 (53)7.1避雷器的参数 (53)7.2避雷器的配置 (54)7.3 220kV 侧避雷器选择 (55)7.4 35kv 侧避雷器选择 (55)7.5 变压器避雷器选择 (56)总结 (57)致谢 (58)参考文献 (59)附录 I电气主接线图 (60)1 绪论1.1 原始资料在21 世纪中叶基本实现社会主义现代化是我国社会主义建设的战略目标,也是全国人民在新时期的总任务。
220KV变电所电气部分的初步设计摘要变电站是电力系统的重要组成部分,它直接影响整个电力系统的安全与经济运行,是联系发电厂和用户的中间环节,起着变换和分配电能的作用,拟在某区域新建一座220KV变电站。
本设计主要介绍了220kv区域变电站电气一次部分的设计内容和设计方法。
设计的内容有220kv区域变电站的电气主接线选择,主变压器,站用变压器的选择,母线,断路器和隔离刀闸的选择,互感器的配置,220kv,110kv,10kv线路的选择和短路电流的计算,设计中还对主要高压电气设备进行了选择与计算,如断路器,隔离开关,电压互感器,电流互感器等,此外还进行了防雷保护的设计,电气总平面布置及配电装置的选择,继电保护的设备等,提高了整个变电站的安全性。
关键词:变电站;主接线;变压器;继电保护目录1绪论 (1)1.1选题的目的和意义 (1)1.2国内外研究现状及发展趋势 (1)1.3 变电站的设计任务 (1)2主变压器的选择 (3)2.1概述 (3)2.2主变压器台数的确定 (3)2.3主变压器型式的选择 (3)2.4主变压器容量的选择 (4)2.5主变型号选择 (5)2.6无功补偿 (5)2.6.1无功补偿的必要性 (5)2.6.2无功补偿的方式 (6)3 电气主接线的方案设计 (7)3.1电气主接线概述 (7)3.2电气主接线的方案选择 (7)3.2.1主接线方式介绍 (7)3.2.2主接线的方案选择 (8)4 所用电系统设计 (10)4.1 所用电系统设计的原则和要求 (10)3.2所用变压器容量、台数选择 (10)3.3 新建变电所所用电接线 (11)5 短路电流的计算 (12)5.1 概述 (12)5.2短路电流计算的目的和内容 (12)5.3短路电流的计算 (13)5.3.1变压器参数的计算 (13)5.3.2短路电流的计算 (14)5.3.3回路最大持续工作电流的计算 (16)6电气设备的选择 (18)6.1概述 (18)6.2断路器的选择 (19)6.3隔离开关的选择 (21)6.4电流互感器的选择 (23)6.5电压互感器的选择 (25)6.6母线的选择 (27)6.7电力电缆的选择 (29)6.8限流电抗器的选择 (31)7继电保护配置 (32)7.1概述 (32)7.2主变压器保护 (32)7.3线路及母线保护 (33)8防雷保护的配置 (34)8.1概述 (34)8.2避雷器的选择 (35)8.3避雷针的选择 (36)9电气设备布置 (39)9.1电气设备总平面布置要求 (39)9.2新建变电所总平面布置 (39)总结 (40)致谢 (41)参考文献 (42)附录1:电气设备清单 (43)附录2:变电所主接线图 (46)附录3:电气设备布置平面图 (47)1绪论1.1选题的目的和意义变电站是电力系统中变换电压、接受和分配电能、控制电力的流向和调整电压的电力设施,它通过其变压器将各级电压的电网联系起来。
中文摘要 (I)ABSTRACT (II)第一部分原始资料分析 (1)第一章引论 (1)1.1 电力系统的一般概念 (1)1.2 变电所的作用和工作原理及分类 (1)第二章概论 (3)2.1 设计的基本要求说明 (3)2.2 设计的主要内容及要求 (4)第二部分说明书 (6)第一章主变压器的选择 (6)1.1 主变容量选择的有关规定及原则 (6)1.2 本设计主变压器的选择 (7)第二章电气主接线选择 (8)2.1 概述 (8)2.2 主接线的设计原则及基本要求 (8)2.3 电气主接线的选择 (9)第三章短路电流计算 (14)3.1 短路电流计算的目的: (14)3.2 电力系统短路电流计算条件: (14)3.3 设计中应注意的问题 (17)第四章高压电气设备的选择 (18)4.1 电气设备选择的一般要求: (18)4.2 电气设备的选择 (19)4.3 母线的选择 (20)4.4 隔离开关的选择 (23)4.5 电流互感器的选择 (23)4.6 电压互感器的选择 (24)4.7 避雷器的选择 (25)第五章配电装置 (27)5.1 高压配电装置和设计原则及要求: (27)5.2 设备的配置 (28)5.3 配电装置的选择: (29)第六章防雷保护的规划设计 (30)6.1 概述 (30)6.2 防雷保护的有关规定 (30)6.3 防雷保护设计所需资料: (30)6.4 直击雷过电压保护装置设计 (31)第七章继电保护及自动装置规划设计 (32)7.1 继电保护配置的作用和要求: (32)7.2 变压器保护的配置 (32)7.3 母线保护和断路器失灵保护 (33)7.4 线路的保护装置 (34)7.5 自动装置的规划设计 (36)第三部分计算书 (39)第一章短路计算 (39)1.1 网络化简 (39)2.1 断路器的选择计算 (46)第三章避雷针的保护范围计算 (57)3.1 避雷针的定位及针距 (58)3.2 单根避雷针的保护半径计算 (59)3.3 多根等高避雷针的保护范围计算 (59)参考文献 (62)致谢 (63)中文摘要电是能量的一种表现形式,电力已成为工农业生产不可缺少的动力,并广泛应用到一切生产部门和日常生活方面。
资料内容仅供您学习参考,如有不当之处,请联系改正或者删除设计任务书某220KV区域性变电所一次系统初步设计本设计变电所以110KV向地区负荷供电,除220KV电压与系统联络之外,110KV电压的部分出线也与系统有联系。
一、变电所的规模近期设主变为2×120MVA,电压比为220/121/10.5KV,容量比为100/100/50,本期工程一次建成,设计中留有扩建的余地:调相机为2×60MVAR,本期先建成一台。
220KV出线本期5回,最终8回;110KV出线共10回,一次建成所用电按调相机的拖动设备为主来考虑。
二、系统负荷功率因数为0。
9,最大负荷利用小时数为5300小时,同时率为0。
9,每回最大负荷为:第一回(九江I)输送200MW第二回(九江II)输送200MW第三回(柘林)输送180MW第四回(昌东)输送150MW第五回(南昌电厂)输送100MW第六回(西效I)第七回(西效II)第八回(备用)1、110KV的最大地区负荷,近期为200MW,远期300MW,负荷功率因数为0.85,最大负荷利用小时数为5300小时,同时率为0.9,每回最大负荷为:第一回(每岭)输送80MW第二回(乐化)输送80MW第三回(新期周)输送40MW第四回(象山)输送45MW第五回(水泥厂)输送60MW第六回(双港澳)输送60MW第七回(南电)输送60MW第八回(化工区备用I)输送40MW第八回(化工区备用II)输送40MW第八回(化工区备用III)输送40MW三、系统计算粢资料系统阻抗,当取基准容量SJ =100MVA,基准电压UJ为各级电压平均值(230,115,37,10.5……)时,两级电系统的远景阻抗标值如下图所示四、所址情况变电所所在地为平原地区,无高产农作物,土壤电阻率为0。
8×104五、Ω.cm,年雷暴日为65天,历年最高气温为38。
5。
C.变电所在系统中的地理位置如下,220KV用虚线所示,110KV用实线表示:六、两系统联络阻抗按远北化七、八、系统和保护要求220KV各线在B、C相有载波通道,在A、B相有保护通道。
第一部分设计说明书第一章电气主接线设计1.1 变压器的选择变电站变压器的选择应考虑如下几个方面:(1)容量和台数的确定由任务书知本所变电站采用两台型号完全相同的变压器,变压器容量为120MV A。
(2)型式选择:330kV及以下的电力系统,在不受运输条件限制时,应选用三相变压器;具有三种电压的变电所,如通过主变压器各侧绕组的功率均达到该变压器容量的15%以上,或低压侧无负荷,但在变电所内需装设无功补偿设备时,主变压器宜采用三绕组变压器。
(3)调压方式的选择:对于大型枢纽变电所,为保证系统的电压质量,一般都选择有载调压方式。
(4)容量比:由任务书可知容量比为50100:100:(5)变压器的某个电压级若作为电源,为保证向线路末端供电的电压质量,该侧的电压按照110%额定电压选择;若某电压等级是电网的末端,该侧的额定电压按照电网额定电压选择;变压器低压侧按照105%额定电压选择。
因此,本设计可选用两台SFPSZ7-120000/220变压器,具体参数如下:表 1.1 主变压器参数1.2 电气主接线方案设计1.2.1 电气主接线设计的基本要求与选择原则电气主接线是发电厂和变电所电气部分的主体,它反映各设备的作用、连接方式和回路间的相互关系。
变电所的主接线应满足变电所在电力系统中的地位、回路数、设备和节约投资等要求,且便于扩建。
概括地说即可靠性、灵活性和经济性三方面。
(1)可靠性安全可靠是电力生产和分配的首要任务,电气主接线的可靠性是指能够长期、连续、正常地向用户供电的能力。
电气主接线的可靠性不是绝对的。
同样形式的主接线对某些发电厂或变电站来说是可靠的,而对另一些发电厂或变电站则不一定能满足可靠性的要求。
所以,在分析电气主接线的可靠性时,要考虑发电厂和变电站在电力系统中的地位和作用、用户的负荷性质和类别、设备制造水平及运行经验等诸多因素。
此外,在保证可靠性的同时不可片面地追求更高的可靠性而忽视对灵活性和经济性的要求。
(2)灵活性①操作的方便性。
电气主接线应该在满足可靠性的条件下,接线简单,操作方便,尽可能的使操作的步骤少,以便运行人员掌握,不致在操作过程中出错。
②调度时的方便性。
电气主接线在正常运行时,能根据调度的要求,方便的改变运行状态,并且在发生事故时,能尽快的切除故障,使停电时间最短,影响范围最小,不致过多地影响对用户的供电和破坏系统的稳定运行。
(3)经济性方案的经济性体现在以下三个方面:①投资省。
主接线力求简单,以节省一次设备的使用数量,继电保护和二次回路在满足技术要求的前提下,简化配置,优化控制电缆的走向,以节省二次设备和控制电缆的长度;采取措施,限制短路电流,得以采用价廉的轻型设备,节省投资。
②占地面积小。
主接线的选型和布置方式,直接影响到整个配电装置的占地面积。
③电能损耗小,在变电所中,电能损耗主要来自变压器,因此要经济合理的选择变压器的类型,容量,数量和电压等级。
此外,在选择主接线时还要考虑到具有扩建的可能性。
设计时不仅要考虑最终接线的实现,还要考虑从初期接线过渡到最终接线的可能和分阶段施工的可行方案,使其尽可能的不影响连续供电或在停电时间最短的情况下,将来可顺利完成过渡方案的实现,使改造的工作量最少。
1.2.2 电气主接线设计方案(1)220kV母线220kV侧进出线回路总6回,可以采用双母线接线或双母线带旁路母线接线。
且该侧承担对一级负荷的供电,最大负荷利用小时数Tmax=5000h,从经济性比较双母线接线比双母线带旁路母线接线要省钱,且双母线接线方式操作方便,虽然没有双母线带旁路母线接线可靠性高,但是由于选择的断路器的性能比较好所以在此选用双母线接线比较合适。
方案比较如下:表1-2 220kV母线方案比较接线图如下:双母线接线双母线带旁路母线接线(2)110kV母线110kV侧出线回路总8回,可以采用双母线接线或单母线分段带旁路。
由于电压等级较高,且回路出线较多,还带有一级负荷,所以首先考虑可靠性和灵活性,双母线接线方式可靠性和灵活性比单母线分段带旁路高,则应选双母线接线方式。
表1-3 110kV母线方案比较接线方式比较项目双母线接线单母线分段带旁路技术性任一组母线检修,不造成任何停电;线路断路器检修,仅造成本回路短时停电;母线隔离开关检修,不造成任何停电;任一组母线短路,可很快恢复供电简单清晰、易于发展、可靠性灵活性差、旁路断路器可代替出线断路器、进行不停地检修出线断路器、保证重要用户供电经济性第二种所用设备少,更经济接线图如下:双母线接线单母线带旁路母线接线(3)10kV 母线10kV侧进出线回路总4回,可以采用单母线接线或单母线分段接线。
由于该侧承担对II类用户的供电,最大一回负荷为2000kV A,且最大负荷利用小时数Tmax=3500h。
故从可靠性角度考虑,采用单母线分段接线。
表1-4 10kV母线方案比较接线方式比较项目单母线接线单母线分段接线技术性线路断路器检修会造成长时间停电;母线检修或短路会造成整个装置全部停电;母线隔离开关检修也会造成整个装置全部停电任一段母线检修仅造成该段母线上的电源与负荷停电;任一段母线短路,仅造成该段母线上的电源与负荷停电经济性后者比前者多用了一台断路器、两台隔离开关,增加投资不很多接线图如下:单母线接线单母线分段接线由以上比较结果可做出如下电气主接线:第二章 短路电流的计算2.1 短路的类型短路故障分为对称短路和不对称短路。
三相短路是对称短路,造成的危害最为严重,但发生的机会较少。
单相短路、两相短路、两相短路接地都是不对称短路,其中单相短路发生的机会最多,约占短路总数中的70%以上。
2.2 短路计算的目的为了保证电力系统安全运行,在设计选择电气设备时,都要用可能流经该设备的最大短路电流进行热稳定校验和动稳定校验,以保证该设备在运行中能够经受住突发短路引起的发热和电动力的冲击。
同时,为了尽快切断电源对短路点的供电,继电保护装置将自动地使相关断路器跳闸。
2.3 短路计算的步骤(1)计算三相短路电流的主要步骤如下: 1、根据本电站主接线图画出电力系统电气接线图; 2、根据规定的电气设备选择任务,确定所用的短路计算点; 3、计算各电气元件的电抗标幺值,画出等值电路图。
4、对各短路计算点进行网络化简,求出X *∑。
5、求出计算电抗X *js ,当S b 不等于S e∑时,be jsS S X X ∑∑=**,由X *js 查运算曲线表,求出各短路计算点不同时刻的三相短路电流。
(2)计算不对称短路电流主要步骤如下:①计算电气设备元件的正序,负序,零序阻抗,绘出正,负,零序等值网络,②用正序增广网络计算单相接地短路电流,两相短路电流,两相短路接地电流。
计算短路点电流,根据如下公式:∆∑+=Z Z I f )1()1(1)1(f f MI I =单相短路 ∑∑+)0()2(Z Z3 两相短路∑)2(Z3两相短路接地∑∑∑∑+⨯)0()2()0()2(Z Z Z Z2)0()2()0()2()(13∑∑∑∑+⨯-Z Z Z Z2.4 短路计算结果系统的等值电路图如下:(1000,B B av S MVA U U ==)图2.1 系统的等值电路图 短路电流计算结果:表2-1 短路电流计算结果短路类型 各电压等级220k 侧母线 110k 侧母线 10k 侧母线第三章 导体与电气设备的选择3.1 电气设备选择的一般条件3.1.1 按正常工作条件选择电气设备(1)额定电压选择电气设备时,一般可按照电气设备的额定电压N U 不低于装置地点电网额定电压NS U 的条件选择,即:N NS U U ≥。
(2)额定电流电气设备的额定电流N I 是指在额定环境温度0θ下,电气设备的长期允许电流。
N I 应不小于该回路最大持续工作电流max g I ,即:max N g I I ≥。
(3)类型和形式的选择根据设备的安装地点,使用条件等因素,确定是选户内型还是户外型;选用普通型还是防污型;选用配置型还是成套型等。
3.1.2 按短路状态校验设备(1)热稳定校验通常制造厂直接给出设备的热稳定电流(有效值)t I 及允许持续时间t 。
热稳定条件为 2k t Q I t ≤其中:k Q ——短路电流热效应,2kA s ⋅。
当()1k pr in a t t t t s =++>时,)10(122222"k k t t p p k I I I t Q Q ++==;反之,2"2222")10(12TI I I I t Q Q Q k k t t p np p k +++=+=式中:pr t --继电保护动作时间,验算裸导体时,取主保护动作时间,验算电气设备时,取后备保护动作时间;in t --断路器固有分阐时间; a t --断路器全分阐时间。
(2)动稳定校验制造厂一般直接给出设备的动稳定峰值电流es i (kA),动稳定条件为sh es i i ≤其中:sh i ——所在回路的冲击短路电流,kA 。
3.2 电气设备的选择与校验本设计需要选择的设备有断路器、隔离开关、母线、绝缘子、穿墙套管、互感器、熔断器、避雷器等。
根据电气设备选择的一般原则,按照正常运行情况选择设备,按短路情况校验设备。
3.2.1 断路器断路器的型式选择要根据电压等级、安装地点、该断路器对系统稳定运行的影响等因素决定。
断路器要按工作电压和工作电流选择,需要校验开断能力、关合能力、热稳定校验、动稳定校验(1)型号初选:①额定电压选择:N NS U U ≥ ②额定电流选择:al I ≥max g I(2)额定开断电流校验Nbr k I I ≥,满足热稳定要求。
其中:Nbr I ——断路器的额定开断电流,kAk I ——断路器触头刚刚分开时的短路电流有效值,kA 。
当开断计算时间0.1br t s ≥时,简化用Nbr I I ''≥进行选择。
(3)动稳定校验短路冲击电流 sh i ≤es i ,满足动稳定要求。
(4)热稳定校验 t I Q t k ⋅≤2,满足热稳定要求。
断路器选择结果如下所示:表3-1 220kV 侧断路器参数表3-2 110kV 侧断路器参数表 3-3 10kV 断路器参数3.2.2 隔离开关隔离开关与断路器相比,额定电压、额定电流的选择及短路短路动、热稳定校验的项目相同。
但由于隔离开关不用接通和切断短路电流,故无需进行开断电流的校验。
(1)型号初选:①额定电压选择:N NS U U ≥ ②额定电流选择:al I ≥max g I (3)动稳定校验短路冲击电流 sh i ≤es i ,满足动稳定要求。
(4)热稳定校验 t I Q t k ⋅≤2,满足热稳定要求。
隔离开关选择结果如下所示:表3-4 220kV 侧隔离开关参数表3-5 110kV 侧隔离开关参数表 3-610kV 侧隔离开关参数表3-7 变压器220kV 侧中性点接地隔离开关表3-8 变压器110kV 侧中性点接地隔离开关3.2.3 母线(1)选型不强调防污性能时,导体一般都采用铝质材料。