车辆技术档案格式
- 格式:doc
- 大小:316.00 KB
- 文档页数:8
车辆技术档案范本根据《中华人民共和国道路运输条例》及XXX《道路货物运输及站场管理规定》(2005年第6号令)和《道路旅客运输及客运站管理规定》(2005年第10号令)等相关规章的要求,道路运输经营者应当建立车辆技术档案。
这个档案应当及时、完整和准确地记载相关内容,不得随意更改,并妥善保管。
这个档案将作为车辆定期审验和监督检查的依据之一。
车辆基本情况登记表(表一)中的部分项目填制说明:(1)运力来源是指新增、转籍或过户。
(2)经营组织方式是指公车公营、自营、承包、租赁或挂靠。
(3)经营范围分为国内客运、国内货运和国际运输。
其中,国内客运又分为县内班车客运、县际班车客运、市际班车客运、省际班车客运、县内包车客运、县际包车客运、市际包车客运、省际包车客运、县内旅游客运、县际旅游客运、市际旅游客运、省际旅游客运或出租客运;国内货运又分为普通货运、集装箱货运、冷藏保鲜货运、罐式货运、大型物件运输、危险货物运输或非经营性危险货物运输;国际运输分为国际定期班车客运、国际不定期班车客运、国际货物运输或国际危险货物运输。
(4)经济类型是指国有、集体、私营、个体、联营、股份制、外商独资、中外合资、中外合作、港资、澳资、台资或其它经济。
(5)变速器型式是指手动、自动或手自动一体化。
(6)前照灯制式是指两灯制或四灯制。
(7)防抱制动装置是指有或无ABS。
(8)驱动形式是指车辆车轮总数×驱动车轮总数(同一轮毂上安装两个轮胎(即双胎并装)的,按一个车轮计)。
车辆二级维护监管实行报备登记制度,道路运输经营者应在规定的报备时间内,及时向核发《道路运输证》的道路运输管理机构报备车辆二级维护结果。
班线经营客运车辆应至少每三个月1次,一年不少于4次;农村客运车辆、包车客运车辆、危险货物运输车辆应至少每四个月1次,一年不少于3次;普通货物运输车辆应至少每六个月1次,一年不少于2次。
上述各类车辆每年报备登记中1次应与车辆技术等级评定报备结合进行。
技术和车辆维修档案管理制度
是指一个组织或企业建立和实施的用于管理和维护车辆维修记录和相关技术文档的制度。
这个制度的目的是确保车辆维修过程的合规性、质量和效率,并提供有效的档案管理和记录保留。
下面是一个常见的技术和车辆维修档案管理制度的组成部分:
1. 基本框架和规定:规定该制度的目的、范围、适用对象、责任和义务等基本要素。
2. 维修记录管理:确定车辆维修记录的管理流程和要求,包括记录的内容、格式、签名和审批要求。
3. 技术文档管理:制定相关技术文档的管理要求,如维修手册、维修流程图、技术规范和维修备忘录等。
4. 档案存储和保管:规定档案的存储方式、保管期限和机构,并制定相应的档案管理流程。
5. 档案检索和使用:确保档案的检索和使用要符合相关法规和政策,并制定相应的管理和控制措施。
6. 数据安全和保护:制定数据备份、加密和安全控制措施,确保档案的机密性和完整性。
7. 监督和审查:建立监督和审查机制,对该制度的执行情况进行定期审查和纠正。
通过建立和实施技术和车辆维修档案管理制度,可以有效提高车辆维修的质量和效率,减少维修风险,保证维修记录的可靠性和准确性,为车辆的长期使用和维护提供依据和参考。
技术和车辆维修档案管理制度模版1. 引言本制度旨在规范企业技术和车辆维修档案管理工作,确保技术和车辆维修档案的完整性和可靠性,并提高维修工作的效率和质量。
本制度适用于所有涉及技术和车辆维修档案的部门。
2. 责任与义务2.1 技术部门2.1.1 负责技术和车辆维修档案的管理和维护工作。
2.1.2 确保技术和车辆维修档案的准确性和及时性。
2.1.3 开展培训,提高员工档案管理水平。
2.2 车辆维修部门2.2.1 提供车辆维修记录和相关信息。
2.2.2 配合技术部门进行档案的整理和归档工作。
2.2.3 负责车辆维修档案的保密工作。
3. 档案管理流程3.1 技术和车辆维修档案的登记3.1.1 对每个维修项目进行档案登记,包括车辆信息、维修内容、维修人员等。
3.1.2 登记信息应准确、完整,并及时更新。
3.1.3 登记过程中应注意保护维修档案的机密性。
3.2 档案的整理和归档3.2.1 技术和车辆维修档案应按照一定的分类方式进行整理,方便存储和检索。
3.2.2 档案整理应包括编号、整理人员、分卷、盒号等信息。
3.2.3 档案归档前应进行检查,确保档案的完整性和准确性。
3.3 档案的存储和保管3.3.1 技术和车辆维修档案应存放在专用的档案室中。
3.3.2 档案室应保持干燥、通风,并具备防火和防盗设施。
3.3.3 档案应按照一定的分类和编码方式存放,确保档案的易查性和安全性。
3.4 档案的查询和借阅3.4.1 部门负责人和经授权的人员可以向技术部门提出档案查询或借阅申请。
3.4.2 技术部门应及时响应并提供需要的档案信息。
3.4.3 借阅档案的人员应按规定时间归还档案,并保证档案的完好无损。
4. 档案保密与销毁4.1 技术和车辆维修档案应严格保密,不得将档案外借或提供给非相关人员。
4.2 档案销毁应按照一定的程序和要求进行,确保档案信息的安全性。
4.3 已归档的技术和车辆维修档案应符合档案保管时间要求,过期的档案应及时销毁。
公共汽车有限公司客运车辆技术档案管理制度第一章总则第一条为了规范本公司客运车辆技术档案的管理,确保客运车辆技术档案的真实、完整、准确和安全,保证车辆技术档案管理工作的科学性和高效性,特制定本制度。
第二条客运车辆技术档案是指客运车附带管理的各种档案,包括车辆基本信息档案、车辆维护保养档案、安全事故档案等。
第三条本制度适用于本公司所有的客运车辆技术档案管理活动。
第二章车辆基本信息档案管理第四条车辆基本信息档案由车辆管理部门负责管理和维护。
第五条企业每辆客运车辆都应建立相应的车辆基本信息档案,包括以下内容:车辆基本情况(包括车辆型号、车牌号码、车辆颜色等);车辆行驶证、营运证等证件的复印件;车辆购置发票、合同等相关文件的复印件;车辆购置时的技术参数、检测报告等。
第六条车辆基本信息档案应按照车辆的购置顺序进行编码,并标明车辆所有人和使用单位等相关信息。
第七条车辆基本信息档案必须被妥善保管,不得随意拿出档案室外,并定期对档案进行检查和盘点。
第三章车辆维护保养档案管理第八条车辆维护保养档案由车辆维修部门负责管理和维护。
第九条企业每辆客运车辆都应建立相应的车辆维护保养档案,包括以下内容:维修保养记录、维修保养费用清单、零部件更换记录等。
第十条维修保养记录应包括维修时间、地点、内容和费用等,同时应由相关人员签字确认。
第十一条维修保养费用清单应详细列明维修保养的费用项目和金额,便于核算和审查。
第十二条零部件更换记录应详细记录更换的零部件名称、型号、数量和更换的原因等。
第十三条车辆维护保养档案必须被妥善保管,不得私自篡改和丢失,并定期对档案进行备份和检查。
第四章安全事故档案管理第十四条安全事故档案由安全管理部门负责管理和维护。
第十五条安全事故档案应包括车辆安全事故的基本情况、相关证据和调查报告等。
第十六条安全事故档案应按照事故的发生顺序进行编码,并标明事故发生的时间、地点、车辆相关信息和事故责任人等。
第十七条安全事故档案应按照相关法律法规和公司规章制度的要求进行保密,并定期对档案进行备份和检查。
第一章总则第一条为加强运营车辆技术管理,确保车辆安全、可靠、高效运行,根据国家相关法律法规和行业标准,结合公司实际情况,特制定本制度。
第二条本制度适用于公司所有运营车辆,包括营运客车、货车、特种车辆等。
第三条运营车辆技术档案管理应遵循以下原则:1. 完整性原则:档案内容应全面、真实、准确,涵盖车辆从购置、使用、维护、修理、报废等全过程。
2. 安全性原则:确保档案资料的安全,防止丢失、损坏或泄露。
3. 可追溯性原则:档案资料应便于查询,便于追溯车辆历史信息。
第二章管理机构与职责第四条公司设立车辆技术档案管理办公室,负责运营车辆技术档案的收集、整理、归档、保管和利用等工作。
第五条车辆技术档案管理办公室主要职责:1. 制定车辆技术档案管理制度,并组织实施。
2. 负责车辆技术档案的收集、整理、归档和保管工作。
3. 组织开展车辆技术档案的培训和指导工作。
4. 对车辆技术档案的利用进行审核和监督。
第六条车辆使用部门应积极配合车辆技术档案管理办公室的工作,具体职责如下:1. 负责车辆购置、使用、维护、修理等过程中的技术档案资料收集和报送。
2. 对车辆技术档案的利用提出申请,并按规定使用。
3. 对车辆技术档案的保管和使用进行监督。
第三章档案内容与要求第七条运营车辆技术档案应包括以下内容:1. 车辆基本情况:包括车辆型号、编号、购置日期、购置价格、使用年限等。
2. 车辆购置、使用、维护、修理等记录:包括购置合同、使用记录、维修记录、保养记录等。
3. 车辆安全技术状况检测和年度审验、检验记录:包括检测报告、审验报告、检验报告等。
4. 车辆事故处理记录:包括事故报告、处理意见、赔偿协议等。
5. 车辆报废和回收记录:包括报废申请、审批意见、回收证明等。
第八条运营车辆技术档案应符合以下要求:1. 档案资料应完整、准确、真实,不得篡改、伪造。
2. 档案资料应按照时间顺序排列,便于查阅。
3. 档案资料应使用规范的书写格式,字迹清晰。
第一章总则第一条为加强车辆技术管理,确保车辆安全运行,提高车辆使用效率,根据《中华人民共和国道路交通安全法》、《机动车登记规定》等相关法律法规,结合公司实际情况,特制定本制度。
第二条本制度适用于公司所有车辆及其技术档案的管理。
第二章车辆技术档案的建立与管理第三条车辆技术档案是指记录车辆技术状况、维修保养、事故处理、报废等相关信息的文件资料。
第四条车辆技术档案的建立应遵循以下原则:(一)完整性:档案内容应全面、真实、准确,确保车辆技术状况的完整记录。
(二)连续性:档案记录应连续不断,确保车辆技术状况的动态跟踪。
(三)规范性:档案格式应符合国家有关规定,便于查阅和管理。
第五条车辆技术档案的建立内容包括:(一)车辆基本信息:车辆型号、车牌号码、发动机号、行驶证号码、购置日期等。
(二)车辆技术参数:车辆尺寸、载重、油耗、排放标准等。
(三)维修保养记录:保养日期、保养内容、更换零部件、维修费用等。
(四)事故处理记录:事故时间、地点、原因、处理措施、损失赔偿等。
(五)报废记录:报废时间、报废原因、报废鉴定意见等。
第六条车辆技术档案的管理应遵循以下要求:(一)档案存放:档案应存放在通风、干燥、防火、防盗、防潮的专用档案柜中。
(二)档案查阅:查阅档案应办理相关手续,确保档案安全。
(三)档案保管:档案保管人员应定期对档案进行整理、归档,确保档案的完好。
(四)档案借阅:档案借阅需经主管领导批准,借阅者需承担保管责任。
第三章车辆技术状况的检查与维护第七条车辆技术状况的检查与维护应遵循以下原则:(一)定期检查:根据车辆使用情况,定期对车辆进行技术检查。
(二)全面检查:检查内容应包括车辆外观、发动机、底盘、电气系统、制动系统等。
(三)专业维护:由具备相应资质的维修人员进行车辆维护。
第八条车辆技术状况检查与维护的具体要求如下:(一)车辆外观:检查车身漆面、玻璃、灯具、轮胎等,确保完好。
(二)发动机:检查发动机冷却系统、润滑系统、供油系统等,确保正常工作。
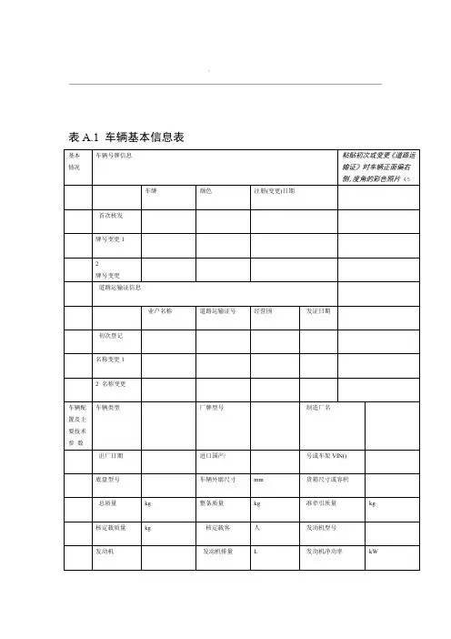
车辆技术档案格式————————————————————————————————作者:————————————————————————————————日期:车辆技术档案目录表一:车辆基本信息表表二:车辆检测和评定登记表表三:车辆维护和修理登记表表四:车辆主要部件更换登记表表五:车辆变更登记表表六:车辆行驶里程登记表表七:车辆机损事故登记表表一车辆基本信息表基本情况车辆号牌信息粘贴初次办理或变更《道路运输证》时,车辆正面偏右侧45°的3寸彩色照片车牌号码颜色注册(变更)日期首次核发牌号变更1牌号变更2牌号变更3牌号变更4道路运输证信息业户名称道路运输证号经营范围发证日期初次登记名称变更1名称变更2名称变更3名称变更4车辆配置及主要技术参数车辆类型厂牌型号制造厂名出厂日期国产/进口VIN(或车架)号底盘型号车辆外廓尺寸mm货箱内尺寸或容积总质量kg 整备质量kg 准牵引质量kg核定载质量kg 核定载客人发动机型号发动机号码发动机排量L 发动机净功率kW排放标准电池类型驱动电机型号电机功率动力类型车轴数量轴距Mm 轮胎数/规格/ 行车制动方式气/液/气—液制动器形式前轮:盘/鼓式后轮:盘/鼓式制动防抱死系统(ABS)有/无变速器形式手动/自动/手自一体缓速器有/无空调系统有/无卫星定位装置有/无备注注1:货箱内尺寸或容积。
普通栏板车、厢式车、仓栅车、自卸车等填写货箱内尺寸,罐式车填写容积。
注2:电池类型、驱动电机型号和电动功率。
纯电动汽车填写,其他车辆不用填写。
注3:排放标准。
指国Ⅲ、国Ⅳ、国Ⅴ或其他排放阶段,纯电动车不用填写。
注4:动力类型。
指汽油、柴油、纯电动、液化天然气(LNG),压缩天然气(CNG),液化石油气(LPG)或其他。
注5:请填写或选择有关信息,符合的请在选择项上打“∨”表示。
表二车辆检测和评定登记表序号检测/评定类别检测/评定单位检测/评定日期检测有效期报告编号备注登记人员12345…注1:检测/评定类别指车辆安全技术检验、环保检验和综合性能检验(含技术等级评定和客车类型等级评定)。
关于印发辽宁省道路运输业车辆技术档案管理规定的通知来源: 时间:2010-01-14辽交运技字[2005]34号各市运输(维修)管理处:为加强营运车辆技术管理,强化行业监管,保障运输安全生产,根据《中华人民共和国道路运输条例》、《辽宁省道路运输管理条例》、《汽车运输业车辆技术管理规定》等相关规定,结合我省实际,省局重新制定了《辽宁省道路运输业车辆技术档案管理规定》和新版辽宁省道路运输业车辆技术档案。
请各市按照文件要求,未建立车辆技术档案的车辆一律使用新版车辆技术档案;已建立车辆技术档案的车辆可继续使用原版车辆技术档案;认真做好推广工作,督促、指导运输企业和个体车主认真填写,并降落实情况及时反馈省局技术科。
二○○五年四月五日辽宁省道路运输业车辆技术档案管理规定第一章总则第一条为加强车辆技术档案管理,根据《中华人民共和国道路运输条例》、《辽宁省道路运输管理条例》、《汽车运输业车辆技术管理规定》,结合我省的实际情况,制订本规定。
第二条在我省行政区域内从事营业性道路运输的经营者及道路运输管理机构都应遵守本规定。
第三条车辆技术档案是指记载运输车辆购置到报废全过程中车辆基本情况、技术等级、营运客车类型划分及等级、主要性能、运行消耗情况、检测、维修、事故记录以及车属单位和车辆变更等内容的车辆技术使用记录。
它是为了解车辆性能和技术状况,反映车辆使用维修规律的真实记录,是正确使用、维修车辆,制定技术规范、技术经济定额和配件储存计划的科学依据。
第四条车辆技术档案的内容、格式,由省交通厅运输管理局统一制定,由辖区内道路运输管理机构统一领取、发放并登记造册。
第五条各级道路运输管理机构应督促道路运输经营者建立、健全车辆技术档案,定期检查道路运输经营者的车辆技术档案,重点加强对危险货物运输、高速公路客运、旅游客运、800公里以上的超长线路客运车辆技术档案的检查。
第六条道路运输经营者应当按照规定逐车建立车辆技术档案,并认真填写、妥善保管,确保记载及时、完善和准确。
JTT1045-2016附件表格车辆技术档案格式2016概述自编档案号:管理档案号:车辆技术管理档案单位:车号:电话:车辆基本信息表车辆号牌信息车牌号码颜色注册(变更)日期首次核发牌号变更1 粘贴初次办理或牌号变更2 基本变更《道路运输证》情况时,车辆正面偏右侧道路运输证信息 45?的3寸彩色照片业户名称道路运输证号经营范围发证日期初次登记名称变更1名称变更2车辆类型厂牌型号制造厂名出厂日期国产/进口 VIN(或车架)号货箱内尺寸底盘型号车辆外廓尺寸 mm 或容积总质量整备质量准牵引质量 kg kg kg 车辆核定载质量核定载客人发动机型号 kg 配置及主发动机号码发动机排量发动机净功率 L kW 要技术参排放标准电池类型驱动电机型号数电机功率动力类型车轴数量轴距轮胎数/规格行车制动方式气/液/气—液 Mm /前轮:盘/鼓式制动防抱死手动/自动/ 制动器形式有/无变速器形式后轮:盘/鼓式系统(ABS) 手自一体缓速器有/无空调系统有/无卫星定位装置有/无备注注1:货箱内尺寸或容积。
普通栏板车、厢式车、仓栅车、自卸车等填写货箱内尺寸,罐式车填写容积。
注2:电池类型、驱动电机型号和电动功率。
纯电动汽车填写,其他车辆不用填写。
注3:排放标准。
指国?、国?、国?或其他排放阶段,纯电动车不用填写。
注4:动力类型。
指汽油、柴油、纯电动、液化天然气(LNG)、压缩天然气(CNG)、液化石油气(LPG)或其他。
注5:请填写或选择有关信息,符合的请在选择项上以“?”表示。
车辆检测和评定登记表序号检测/评定类别检测/评定单位检测/评定日期检测有效期报告编号备注登记人员 1 2 3 4 5 6 7 8 9 10 11 12 13 14 15 16 17 18 19 20 注1:检测/评定类别指车辆安全技术检验、环保检验和综合性能检验(含技术等级评定和客车类型等级评定)。
注2:车辆技术等级评定,客车类型等级评定(复核)应在备注栏中予以注明技术等级,类型等级。
技术和车辆维修档案管理制度范本一、总则1. 为了加强技术和车辆维修工作的管理,确保维修工作的高效进行,制定本制度。
2. 本制度适用于本单位的技术和车辆维修工作,包括车辆保养、维修、故障处理等方面。
3. 技术和车辆维修档案是维护车辆质量和延长使用寿命的重要依据,必须按照本制度的要求进行管理。
二、档案管理责任1. 技术部门负责技术和车辆维修档案的建立、管理和归档工作。
2. 技术部门应指定专人负责档案管理工作,并做好相关培训,确保档案管理工作的顺利进行。
三、档案的建立1. 每辆车辆应建立专属的技术和维修档案,档案包括车辆基本信息、维修记录、保养记录等。
2. 档案建立时应将车辆的各项证件、说明书、技术资料等整理归档,并进行编号,以便日后查阅。
四、档案的管理1. 技术部门负责对技术和车辆维修档案进行管理,并制定相应的管理制度。
2. 档案管理应分为实物管理和电子管理两个方面,确保档案的安全可靠。
3. 实物管理包括档案的编目、整理、存放和借阅等工作,应按照一定的分类和归档方式进行。
4. 电子管理包括档案的电子化存储和备份,确保档案的可追溯性和长期保存。
5. 档案管理应建立相关的登记和报废制度,严格规定档案的借阅和报废程序,避免档案的丢失和损坏。
五、档案的使用1. 技术部门负责对技术和车辆维修档案的使用进行管理,确保使用者的合法需求。
2. 档案的使用应按照规定的程序进行,并做好相应的登记,记录使用者的相关信息。
3. 使用者应按照规定的用途使用档案,不得私自更改或篡改档案内容,如有发现应及时报告技术部门。
六、档案的保密1. 技术和车辆维修档案属于保密信息,使用者应严格遵守保密制度,不得泄露档案内容。
2. 对于需要外借或复制档案的情况,应经过相应的审批程序,确保档案的安全性。
3. 档案的保密要求应在使用者进行培训时详细说明,保证每个人员的知悉程度。
七、档案的归档和销毁1. 档案的归档应按照一定的时间周期进行,以避免档案的沉积和浪费。
汽车技术状况怎么写汽车技术状况是评估一辆汽车的关键方面之一。
它涵盖了车辆的整体性能、安全性以及各种技术设备和系统的运行状况。
对于购买二手车或评估现有车辆的汽车买家和所有者来说,了解如何正确地记录和描述汽车技术状况是非常重要的。
本文将介绍一些基本的指导原则,帮助你写出准确、有用的汽车技术状况报告。
1. 车辆基本信息在开始描述汽车技术状况之前,首先提供车辆的基本信息是必要的。
这包括车辆品牌、车型、生产年份、行驶里程等。
提供这些细节可以帮助读者更好地了解车辆的背景信息。
2. 动力系统动力系统是一个汽车技术状况报告中非常重要的一个方面。
描述车辆的发动机状况,包括发动机类型(汽油、柴油、混合动力等)、排量、运行状况等。
重点关注发动机的磨损和任何潜在的问题,例如漏油、异响或动力不足。
3. 转向和悬挂系统车辆的转向和悬挂系统对行驶安全至关重要。
描述转向系统的灵敏度和顺畅性,检查车辆的转向是否平稳,有无异常的震动或摇晃。
检查悬挂系统是否稳定,是否出现过度行驶、漏油等问题。
4. 制动系统制动系统也是汽车技术状况报告中需要注意的一个重要方面。
描述车辆刹车的灵敏度、刹车距离和制动力度。
检查制动系统是否正常工作,刹车片磨损情况,是否有异常噪音或抖动。
5. 车身状况汽车的车身状况是另一个需要关注的方面。
描述车辆的外观状况,包括车漆是否平整、是否有划痕、凹痕或喷漆迹象。
检查车辆的底部是否有锈蚀或其他损坏。
6. 内部设备和电气系统描述车辆内部设备和电气系统的状况也是重要的一部分。
检查车辆的仪表盘、音响系统、导航系统、空调系统等是否正常工作。
检查车辆的电气系统是否存在故障,例如电瓶问题或线路短路。
7. 安全设备安全设备对于车辆的安全性至关重要。
描述车辆的安全设备,例如安全气囊、防抱死制动系统(ABS)、车身稳定控制系统等。
确保这些设备正常工作,并没有损坏或故障。
8. 维修历史和事故记录提供车辆的维修历史和事故记录是非常有用的。
76号文件车辆档案规范一、目的:为实现公司车辆档案规范管理,加强车辆监管力度,特制定本制度。
二、范围。
本单位所有营运车辆(含租赁车辆)。
三、具体内容:1、车辆档案内容包括。
车型、车号、、保险单、购置等重要证件的复印件,并按要求建立车辆台账表。
2、公司所有车辆都必须建立档案(包括电子档案),电子档案中应包含车型、车号、电池容量、停放地(租赁单位)、自编号等,并做到一车一档,实现车辆从购置到退出市场的全过程管理,由安全运营部专人保管、填写、记录,不得遗漏。
3、车辆档案非经许可,不得随意转借,根据年检、年审随时更新。
4、建立车辆档案时应按要求做到清晰、准确、真实、全面,能反映车辆的实际状况。
5、车辆档案分类保管,方便查询。
6、车辆在使用中因保养、维修使车辆状况发生变化时,应及时更新档案内容。
7、根据公司形式发展及领导要求,不断完善。
本制度自月日起执行。
篇二:车辆档案管理办法为贯彻落实《道路运输条例》精神,加强营运车辆技术管理,强化行业监管,保障运输安全生产,根据部《道路旅客运输及客运站管理规定》(部年第)、《道路货物运输及站场管理规定》(部年第)、《机动车维修管理规定》(部年第)《道路危险货物运输管理规定》(部年第)等相关规定,结合我省实际,省局制定了《省道路运输业车辆档案管理办法》(试行),现印发给你们,请各市遵照执行。
执行中有何问题请及时向省局车辆管理科反馈。
在用车辆的建档工作应结合换发新版《道路运输证》一并进行。
换发新版《道路运输证》时,在用车辆所属的道路运输经营者应持《机动车》、《机动车登记证书》原件和复印件及《车辆使用说明书》等相关证件和资料,到配发《道路运输证》的道路运输管理机构办理建档和登记手续,并自行建立《车辆技术档案》,同时建立《车辆管理档案》。
新进入道路运输市场的车辆,应按照《省道路运输业车辆档案管理办法》中第九条的规定建立档案。
附:省道路运输业车辆档案管理办法(试行)二00六年月日省道路运输业车辆档案管理办法(试行)第一条为加强车辆档案管理,根据《道路运输条例》、《道路旅客运输及客运站管理规定》、《货物运输及站场管理规定》、《机动车维修管理规定》、《汽车运输业车辆技术管理规定》,结合我省实际,制订本办法。
车辆技术及档案管理制度模版车辆技术及档案管理制度是企业管理车辆和保障车辆安全运营的重要手段,有效管理车辆技术和档案可以提高车辆使用效率,降低运营成本,保障道路交通安全。
为了确保车辆技术及档案管理的规范性与有效性,制定本制度,以供参考。
一、目的与适用范围本制度旨在规范车辆技术及档案管理工作,确保车辆技术状况良好、安全可靠、合法合规,并且确保车辆档案完整准确,适用于本企业所有公司车辆。
二、术语定义1. 车辆技术:指车辆的技术状况,包括车辆的机械、电气、传动系统等技术指标。
2. 车辆档案:指车辆的所有文档和记录,包括车辆登记证、行驶证、保险单、维修记录等各类相关文件。
三、车辆技术管理1. 购车标准:根据企业需求和运营规模,确定车辆购置的品牌、类型、配置等标准,并建立相关采购程序。
2. 车辆使用与保养:规定车辆的使用和保养计划,包括保养周期、保养内容、保养费用预算等,并要求制定保养记录。
3. 安全检查:要求进行定期的车辆安全检查,包括车辆外观、内部设施、电气系统、制动系统等方面的检查,确保车辆安全可靠。
4. 维修管理:建立维修管理制度,明确维修流程和责任,保证维修质量,控制维修成本。
四、车辆档案管理1. 档案整理:要求对所有车辆进行档案整理,包括车辆登记证、行驶证、保险单、维修记录等资料的整理和归档。
2. 档案存储:规定车辆档案的存储方式和位置,确保档案的安全可靠性,并定期备份档案。
3. 档案查阅:明确档案查阅的程序和权限,只有经授权的人员才可以查阅车辆档案,并保证查阅记录的完整性。
4. 档案更新:对车辆档案进行及时更新,包括车辆信息更新和维修记录的更新等。
五、责任和考核1. 车辆技术管理责任:明确车辆技术管理的责任部门和责任人,建立相应的考核机制,确保责任人履行职责。
2. 车辆档案管理责任:明确车辆档案管理的责任部门和责任人,建立相应的考核机制,确保责任人履行职责。
3. 绩效评估:建立车辆技术管理的绩效评估制度,根据车辆的技术状况和事故情况等指标进行评估,作为考核的依据。
JTT1045-2016附件表格车辆技术档案格式2016 自编档案号:管理档案号:车辆技术管理档案单位:车号:电话:车辆基本信息表车辆号牌信息车牌号码颜色注册(变更)日期首次核发牌号变更1 粘贴初次办理或牌号变更2 基本变更《道路运输证》情况时,车辆正面偏右侧道路运输证信息 45?的3寸彩色照片业户名称道路运输证号经营范围发证日期初次登记名称变更1名称变更2车辆类型厂牌型号制造厂名出厂日期国产/进口 VIN(或车架)号货箱内尺寸底盘型号车辆外廓尺寸 mm 或容积总质量整备质量准牵引质量 kg kg kg 车辆核定载质量核定载客人发动机型号 kg 配置及主发动机号码发动机排量发动机净功率 L kW 要技术参排放标准电池类型驱动电机型号数电机功率动力类型车轴数量轴距轮胎数/规格行车制动方式气/液/气—液 Mm /前轮:盘/鼓式制动防抱死手动/自动/ 制动器形式有/无变速器形式后轮:盘/鼓式系统(ABS) 手自一体缓速器有/无空调系统有/无卫星定位装置有/无备注注1:货箱内尺寸或容积。
普通栏板车、厢式车、仓栅车、自卸车等填写货箱内尺寸,罐式车填写容积。
注2:电池类型、驱动电机型号和电动功率。
纯电动汽车填写,其他车辆不用填写。
注3:排放标准。
指国?、国?、国?或其他排放阶段,纯电动车不用填写。
注4:动力类型。
指汽油、柴油、纯电动、液化天然气(LNG)、压缩天然气(CNG)、液化石油气(LPG)或其他。
注5:请填写或选择有关信息,符合的请在选择项上以“?”表示。
车辆检测和评定登记表序号检测/评定类别检测/评定单位检测/评定日期检测有效期报告编号备注登记人员 1 2 3 4 5 6 7 8 9 10 11 12 13 14 15 16 17 18 19 20 注1:检测/评定类别指车辆安全技术检验、环保检验和综合性能检验(含技术等级评定和客车类型等级评定)。
注2:车辆技术等级评定,客车类型等级评定(复核)应在备注栏中予以注明技术等级,类型等级。
汽车运输业车辆技术管理规定【发文字号】中华人民共和国交通部令第13号【发布部门】交通部(已撤销)【公布日期】1990.03.07【实施日期】1990.10.01【时效性】失效【效力级别】部门规章汽车运输业车辆技术管理规定(1990年3月7日交通部令第13号发布自1990年10月1日起施行)第一章总则第一条为加强汽车运输业运输车辆(汽车和挂车)的技术管理,保持运输车辆技术状况良好,保证安全生产,充分发挥运输车辆的效能和降低运行消耗,制定本规定。
第二条本规定适用于所有从事汽车运输的单位和个人。
第三条车辆技术管理应坚持预防为主和技术与经济相结合的原则;对运输车辆实行择优选配、正确使用、定期检测、强制维护、视情修理、合理改造、适时更新和报废的全过程综合性管理。
第四条车辆技术管理应依靠科技进步,采用现代化管理方法,建立车辆质量监控体系,推广检测诊断和计算机应用等先进技术,开展多种形式的职工教育和专业培训,提高车辆管理水平和技术水平。
第五条各级交通运输管理部门应把管好、用好、维修好车辆,提高装备素质,确保运输车辆在使用中的良性循环,作为必须履行的重要职责。
运输单位各自的主管部门应把加强车辆技术管理列为运输单位经理(厂长)任期责任考核的一项重要内容。
第六条交通部归口管理全国汽车运输业车辆技术管理工作;各省、自治区、直辖市交通厅(局)或其授权的所属公路运输管理部门归口管理本地区汽车运输业车辆技术管理工作;各汽车运输单位负责本单位车辆的技术管理工作。
第二章管理职责第七条交通部车辆技术管理的主要职责是:(一)贯彻执行国家有关车辆技术管理的方针、政策、法规和制度;(二)依法制定全国运输车辆技术管理的方针、政策、规章和制度;(三)负责全国运输车辆技术管理工作的组织领导、监督检查和协调服务;(四)组织交流和推广车辆技术管理的先进经验和现代化管理方法。
第八条各省、自治区、直辖市交通厅(局)车辆技术管理的主要职责是:(一)贯彻执行国家和上级有关车辆技术管理工作的方针、政策、规章和制度,并组织实施;(二)依法制定本地区有关运输车辆技术管理的规章、制度、定额和措施;(三)对本地区运输车辆技术管理工作进行组织领导、监督检查和协调服务;(四)组织安全、法制教育和专业技术培训,提高车辆技术管理人员、技工、驾驶员的素质;(五)推广现代化管理方法和先进经验,开展爱车、节油、节胎等竞赛活动和各种咨询服务。