硅钢片模具设计及其线切割加工
- 格式:pdf
- 大小:222.54 KB
- 文档页数:3
变压器硅钢片的冲裁工艺分析及模具设计摘要:山字形铁心片在小型变压器中有着十分广泛的应用。
本文介绍了变压器硅钢片的冲裁工艺分析及模具设计,根据给定的具体零件图的尺寸和公差要求,并结合模具生产实际中的使用条件,设计了生产变压器硅钢片的级进冲裁模具。
包括冲压工艺设计、排样图与定位设计、冲裁力的计算、压力中心的计算和级进模主要零部件的设计要点等。
关键词:硅钢片冲裁模多工位级进冲压凸模凹模;Transformer silicon steel sheet of the blanking processanalysis and mold designAbstract:Hill shaped laminations in the transformer has a very small range of applications. This article describes the process of transformer silicon steel sheet of punching and die design, according to the specific parts diagram given the size and tolerance requirements, combined with the use of mold in terms of the actual design of the production of transformer steel sheet of grade enter dies .Including the stamping process design, layout and location plan design, calculation of blanking force center of pressure calculation and progressive die design of the main components of the main points.Keywords:Silicon steel; Die; Multi-Position; Progressive; stamping; punch; die;目录1 绪论 (1)1.1 冲压工艺的特点 (1)1.1.1 冲压加工的三要素 (1)1.1.2 冲压生产的特点 (1)1.2 冲压工艺的分类 (2)1.3 课题的内容安排 (3)2 零件的冲裁工艺及结构形式 (4)2.1 毕业论文设计题目 (4)2.2 冲裁工艺分析 (5)2.2.1 冲裁的工艺分析 (5)2.3 冲裁工艺方案的确定 (5)2.4 模具的结构设计 (6)2.4.1 复合模的特点: (7)2.4.2 选择复合模的原则: (7)3 结构设计及尺寸计算 (8)3.1 排样图设计 (8)3.1.1 排样 (8)3.1.2 排样图 (9)3.1.3 搭边 (10)3.2 冲裁力的计算 (10)3.3 推件力和卸料力的计算 (11)3.4 压力机公称压力的确定 (12)3.5 冲模压力中心的确定 (13)3.6 冲模闭合高度的计算 (14)3.7 工作零件的设计与计算 (15)3.7.1 凹模及凸凹模刃口尺寸计算 (15)3.7.2 冲孔凸模刃口尺寸计算 (17)3.8 凹模结构设计 (18)3.8.1 确定凹模孔口的结构形式 (18)3.8.2 凹模厚度的确定 (18)3.8.3 凹模壁厚 (18)3.8.4 凹模周边尺寸的确定 (19)3.9 凸模结构设计 (19)3.9.1 凸模的结构设计、长度计算及固定方法 (19)3.9.2 凸模强度校核 (20)3.10 凸凹模设计 (21)3.11 其它零件的设计 (22)3.11.1垫板的采用与厚度 (22)3.11.2 弹性卸料板 (22)3.11.3 橡胶的选用与计算 (22)3.11.4 推料件(顶料件或打料杆) (23)3.11.5 固定零件设计 (23)3.12 模架及其零件设计 (25)5 总结与展望 (26)5.1 论文的主要收获 (26)5.2 对未来的展望 (26)[参考文献] (28)附录........................................... 错误!未定义书签。
硅钢片冷冲裁模零件加工工艺流程下载提示:该文档是本店铺精心编制而成的,希望大家下载后,能够帮助大家解决实际问题。
文档下载后可定制修改,请根据实际需要进行调整和使用,谢谢!本店铺为大家提供各种类型的实用资料,如教育随笔、日记赏析、句子摘抄、古诗大全、经典美文、话题作文、工作总结、词语解析、文案摘录、其他资料等等,想了解不同资料格式和写法,敬请关注!Download tips: This document is carefully compiled by this editor. I hope that after you download it, it can help you solve practical problems. The document can be customized and modified after downloading, please adjust and use it according to actual needs, thank you! In addition, this shop provides you with various types of practical materials, such as educational essays, diary appreciation, sentence excerpts, ancient poems, classic articles, topic composition, work summary, word parsing, copy excerpts, other materials and so on, want to know different data formats and writing methods, please pay attention!硅钢片冷冲裁模零件加工工艺流程是指将硅钢片进行冷冲裁制造成所需要的零件的加工流程。
2.2设计任务书图示冲裁件,材料为硅钢板,厚度为0. 5mm.生产批虽为80万/年。
试制定工件冲压工艺规程、设计其模具、编制模具零件的加工工艺编制。
图1产品零件图零件名称:铁心片生产批虽:80万/年材料:硅钢板材料厚度:t=0. 5mm3・冲压工艺与模具设计3.1冲压件工艺分析①材料:该冲裁件的材料硅钢板,具有较好的可冲压性能。
②零件结构:该冲裁件结构简取,只有两个直径为7的孔,比较适合冲裁。
③尺寸精度:零件图上所有未注公差的尺寸,属自由尺寸,可按IT11级确定工件尺寸的公差。
査公差表可得各尺寸公差为:零件外形:75红:」mm 52. 5:”mm 22. d= 12器mm 11. 25二,mm结论:适合冲裁。
3.2工艺方案及模具结构类型该零件包括落料、冲孔两个基木工序,可以采用以下三种工艺方案:①落料一冲孔,采用单工序榄生产。
②冲孔一落料复合冲压,采用复合榄生产。
③冲孔一落料连续冲压,采用连续榄生产。
方案①模具结构简取,但需耍两道工序、两套模具才能完成零件的加工,生产效率较低,难以满足零件大批虽生产的需求。
由于零件结构简单,为提高生产效率,主契应采用复合冲裁或级进冲裁方式。
方案②只需要一副模具,冲压件的形位精度和尺寸稱度容易保证,生产效率也高尽管模具结构较方案一复杂,但由于零件的几何状态简取对称模具制造并不困难。
方案③也只需要一副模具,生产效率也很高但零件的冲压稱度较差。
欲保证冲圧件的形位精度,需耍在模具上设置导正销导正,故榄具制造、安装较复合模复杂。
最后确定用复合冲裁方式。
工件尺寸可知,材料为硅钢板,材料厚度为0.5mm.厚度比较溥,平直度要求高,几边距较小,但工件结构简贰.为便于操作.所以复合模结构采用正装复合榄及弹性卸料和定位钉进行定位方式。
3.3排样设计及计算1 •材料利用率力求在相同的材料面枳上得到最多的工件•以提高材料的利用率。
一个进距的材料利用率k的计算式:k= nA/bhX100%式中:k ------ 材料利用率n一一个进距内冲裁件数目b一一条料宽度(mm)h ------ 进距(mm)2.生产批址排样时必须考虑生产批址的大小采用直排。
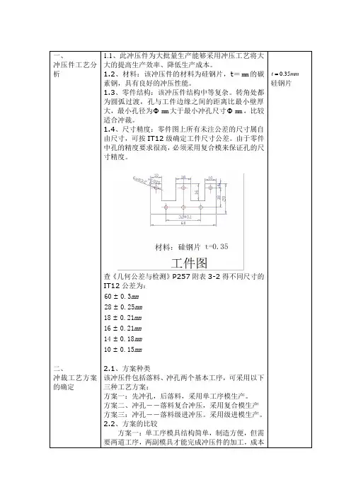
一、冲压件工艺分析二、冲裁工艺方案的确定1.1、此冲压件为大批量生产能够采用冲压工艺将大大的提高生产效率、降低生产成本。
1.2、材料:该冲压件的材料为硅钢片,t=mm的碳素钢,具有良好的冲压性能。
1.3、零件结构:该冲压件结构中等复杂。
转角处都为圆弧过渡,孔与工件边缘之间的距离比最小壁厚大,最小孔径为Φmm大于最小冲孔尺寸Φmm,比较适合冲裁。
1.4、尺寸精度:零件图上所有未注公差的尺寸属自由尺寸,可按IT12级确定工件尺寸公差。
由于零件中孔的精度要求很高,必须采用复合模来保证孔的尺寸精度。
查《几何公差与检测》P257附表3-2得不同尺寸的IT12公差为:600.3280.25180.21160.21140.18100.15mmmmmmmmmmmm±±±±±±2.1、方案种类该冲压件包括落料、冲孔两个基本工序,可采用以下三种工艺方案:方案一:先冲孔,后落料,采用单工序模生产。
方案二、冲孔--落料复合冲压,采用复合模生产方案三:冲孔--落料级进冲压。
采用级进模生产。
2.2、方案的比较方案一:单工序模具结构简单,制造方便,但需要两道工序,两副模具才能完成冲压件的加工,成本mmt35.0=硅钢片三、模具总体结构设计相对较高,生产效率低,难以满足冲压件大批量生产的需要,且两道工序中的定位误差将导致孔心距尺寸精度难以保证。
故不选此方案。
方案二:只需要一套模具就可以完成两道工序,大大减小了模具规模,降低了模具成本,提高生产效率,也能提高压力机等设备的使用效率;操作简单、方便,适合大批量生产。
能可靠的保证工件两孔间距有相互位置精度要求。
方案三:级进模是一种多工位、效率高的一种加工方法。
同一副模具不同工位完成两道工序,生产效率高,但相较方案二轮廓尺寸较大,结构复杂,制造困难,成本较高,一般适用于大批量、精度要求较高,需要多工序冲裁的小型冲压件。
由于本工件两孔间距有相互位置精度要求。
收稿日期:2008 03 27作者简介:陈 展(1977 ),女,讲师。
文章编号:1001 4934(2008)05 0018 03电机定子铁心硅钢片的模具设计与制造陈 展(广州市高级技工学校,广东 广州 510410)摘 要:针对电机定子铁心硅钢片的工艺特点,在分析级进模具与落料模具优缺点的基础上,设计了一套有弹性卸料装置的精密落料模;并介绍了该模具的结构特点、设计思路以及制造中应注意的问题。
关键词:定子铁心;硅钢片;落料模;模具结构中图分类号:T G386.2 文献标识码:BAbstract:Accordin g to the technical char acter istics of motor stator core made of silicon-steel plate,a set of pr ecise blanking die with a flexible stripper was designed thr ough analy zing the advantages and disadvantages of both progr essive die and blanking die.T he char ac teristics of th e die structure,the design ideas and matter s need attention in the manufactur ing process wer e all introduced.Keywords:stator cor e;silicon-steel plate;blanking die;die structur e0 引言电动机定子的作用是用来产生磁场和作电动机的机械支撑。
电动机的定子由定子铁心、定子绕组和机座三部分组成。
定子铁心硅钢片在冲压成形后如有毛刺,会影响电磁场,引起涡流,而且会使电线绝缘层破损;定子铁心片的尺寸如有偏差,会使电动机定子和转子间隙不均造成发热故障。
硅钢片冲裁模具设计及线切割加工(陕理工机械工程学院学院机机械设计制造及其自动化专业072班级,陕西汉中 723003)指导老师:【摘要】本次设计了一套冲孔、落料的模具。
经查阅资料,首先要对零件进行工艺分析,经过工艺分析和对比,通过冲裁力、顶件力、卸料力等的计算,确定压力及的型号,再分析对冲裁件加工的模具,适用类型选择所设计的模具,得出将设计的模具的类型后,将模具的可工作零部件设计过程表达出来。
在第一部分,主要叙述了冲压模具的发展情况,说明了模具的重要性与本次设计的意义,接着是对冲压件的工艺分析,完成工艺方案的确定。
第二部分是对零件排样图的设计,完成材料利用率的计算,在进行冲裁工艺力的计算及冲裁模具工作部分的设计计算,对选择冲压设备提供依据,最后对主要零部件的设计和标准的选择,为本次模具的绘制和模具的成形提供依据,以及装备图各尺寸提供要求。
通过前面的设计方案,画出模具的零件图和装配图。
在后面又对模具进行了三维建模,选择采用电火花线切割对模具中的凸凹模进行了仿真加工,分别介绍了电火花线切割的加工原理,电火花线切割的加工特点,电火花线切割的加工机床,并且在选择采用3B代码程序的进行数控编程,确定了间隙补偿量,走丝速度,以及工作液的选择,最后编程出走到路线的3B代码。
在最后一部分,采用UGNX6.0,对凸凹模的外形轮廓进行了线切割仿真。
【关键词】硅钢片;模具设计;三维建模;线切割;仿真;寿命Die design and silicon steel sheet cutting line(Grade07,Class2,MajorMechanical Design, Manufacturing and Automation,Mechanical Design, Manufacturing and Automation Dept.,Shaanxi University of Technology,Hanzhong 723003,Shaanxi)Abstract:This design carries on blanking, the piercing progressive dies design. The article has briefly outlined the press die at present development condition and the tendency.It has carries on the detailed craft analysis and the craft plan determination to the product.According to general step which the press die designs, calculated and has designed on this set of mold main spare part, for example: The punch, the matrix, the punch plate, the backing strip, the matrix plate, stripper plate, stop pin, pilot pin and soon.The die sets uses the standard mould bases, has selected the appropriate press equipment.In the design has carries on the essential examination computation to the working elements and the press specification.In addition, this die employs the finger stop pin and the hook shape stop pin.The mold piercing and blanking punch are fixed with the different plates separately in order to coordinate the gap cenveniently; The piercing matrix and blanking matrix are fixed by the overall plate.Fell in the blanking punch is loaded by pilot pin, guarante the relative position of the hole and the contour , increase the processing precision.Thisstructure may guarantee the die move reliably and the request of mass production.In the back and three-dimensional modeling of mold, choose WEDM mold punch and die in the simulation process, introduced the principle of EDM wire cutting process, the processing characteristics of WEDM, EDM wire Cutting machine tools, and 3B in the choice of using numerical control programming code for the program to determine the clearance compensation, and take the wire speed, and the choice of working fluid, and finally walked out of line 3B programming code. In the final part, the use of UGNX6.0, and contour of the punch and die cutting simulation carried out.Keywords:Silicon steel; mold design; three-dimensional modeling; line cutting;simulation; work life.序言模具是工业产品生产用的重要工艺装备,它是以其自身的特殊形状通过一定的方式使原材料成形。
冲压课程设计说明书机械工程系07级模具设计与制造专业一班题目:硅钢片的模具设计姓名:李卫民学号:200703220119指导老师:叶东老师2009年7月14日目录课程设计任务书 (3)前言 (4)第一部分设计题目 (5)第二部分冲裁工艺分析及方案确定 (5)一、零件的工艺分析 (5)二、确定工艺方案 (6)三、冲裁件的排样设计 (6)第三部分主要工艺参数计算 (7)一、冲裁力的计算 (7)二、模具压力中心的确定 (9)第四部分冲裁模主要零部件的结构设计与选择 (10)一、凸、凹模间隙值的确定 (10)二、计算各主要零件的尺寸 (10)第五部分设计体会和参考文献 (15)一、设计体会 (15)二、参考文献 (16)课程设计任务书一、本课程设计的目的1.学会具体运用《冲压工艺及模具设计》课程内容;2.了解并掌握冲压模具设计的一般程序;3.能够熟练的运用有关技术资料,掌握冲压工艺计算方法;4.能根据工件特点选择合适的冲压模具结构;5.训练设计冷冲压模具的能力,为以后的工作打下初步的基础。
二、本课程设计的任务及要求根据所设计工件的尺寸、形状、批量等原始数据和要求,每个人独立设计,电脑绘制完成一套冲压模具。
具体包括:1.模具装配图一张;2.非标准模具零件图各一张;3.设计说明书1份。
三、设计说明书内容要求设计说明书中应文图并茂,应包括:必要的分析,设计、计算及其依据出处、结构设计示意图等。
具体要求如下:1.设计依据、原始数据;2.冲压加工工艺性分析;3.冲压工艺计算;4.冲压工艺方案比较;5.模具结构设计计算;6.工艺力、零件强度较核等设计计算;7.设备选择计算。
前言冷冲压模具设计是在我们模具设计专业与制造专业学生在学完基础理论课、技术基础课以及大部分专业课的基础上,所设置的一个重要的实践性教学环节,这是我们在进行毕业设计之前对所学各课程的一次深入的综合性的总复习,也是一次理论联系实际的训练。
其目的是:1、综合运用本专业所学课程的理论和生产实际知识,进行一次冷冲压模具设计工作的实际训练,从而培养和提高学生独立工作的能力。
电机定子铁心硅钢片的模具设计与制造电机的设计方式有很多种,但最主要的定子设计只有一种,电机定子当中三部分,第一部分为定子铁心,第二部分为绕组,第三部分为机座,这三部分链接在一起进行组装才能拼接成为最后的电机定子。
而定子铁心的硅钢片在使用冲压后会形成细微的毛刺,这种毛刺会间接地影响到电磁场,降低电机的功率,更严重的是还会对设备产生破坏,最终导致设备故障,如何能够更好地生产设备这就需要我们在模具的设计和制造当中来着手进行考虑。
1 定子铁心技术要点(1)首先,对于定子铁心的冲片尺寸要把握精确,长度、通风槽等设备的尺寸要符合设计规定。
(2)其次,定子铁心的冲片表面应毫无瑕疵,最好选择无毛刺的冲片进行组成,而铁心的重量及各指标都要符合电机安装要求。
(3)最后,定子铁心的通同心轴距应当为0.025 mm左右,同时对设备进行压装后冲片不应该出现波浪形。
定子铁心的边缘以及齿部不能有明显的翘起,整体设计不能有明显的歪斜,进而保证其中心能够很好地对称。
2 明确设计方案初步进行研究根据上面的分析而得出结论,由于本部件自身的特点和需求量的原因,我们考虑应该采用级进模,这样能够提高生产效率。
级进模具就是将工件分别冲出若干个槽口以及销口,待冲出若干个槽口与销口后将剩余的条料进行冲外形,但级进模具看似便利,但还是有缺点存在的。
它的缺点:一是在进行出料与进料的过程当中由于级进模没有弹顶装置,非常容易造成在冲料后槽口的齿部回弹。
二是由于材料的硬度高,非常容易对凹凸模具产生破坏,减少使用寿命。
三是工件的本身对于同心度要求非常高,在采用了级进模设计和冲床后的安装与制造方面都有很大的困难,同时也不利于保证设计出的工件尺寸符合标准。
四是由于工件的自身尺寸比较大,在使用过后有可能超出压力机的安装尺寸,对后期的组装造成不便。
所以采用具有弹性的顶料和落料模才能更好地解决其带来的这些缺点。
3 模具各部位零件的设计在对模具设计的时候,一般因为工件的尺寸比一般规格的大,所以采用对角推送和弹性顶料的原理去进行设计,这样能最大程度上避免冲片回弹过程中对设备造成的损害。
硅钢片冲压模具设计硅钢片冲压模具设计Silicon steel sheet stamping die design班级:学生姓名:学号:8指导教师:职称:导师单位:论文提交日期:课题名称:硅钢片冲压模具设计课题性质:设计,来源于生产实践系名称:机械工程系专业:班级:指导教师:学生姓名:毕业设计任务书一、课题名称:硅钢片冲压模具设计二、毕业论文(设计)主要内容:1、冲压工艺方案确定(冲压工艺性分析、工艺方案的确定)2、模具设计有关计算(冲裁力、压力中心、刃口尺寸);3、模具结构设计(凸凹模结构、标准模架、固定零部件、卸料零部件等);4、绘制模具装配图和非标准件的零件图(逐步完善和确定各零件的结构和尺寸、尽量选用标准组合结构和标准件);5、编写设计说明书;三、计划进度:第8周查阅资料,做好准备工作,冲压工艺方案确定第9周模具设计有关计算第10周模具结构设计;第11周选择标准模架,确定各个模板的尺寸;第12周绘制装配图、零件图,编写设计说明书;第13周论文答辩。
四、毕业论文(设计)结束应提交的材料:1、设计说明书(毕业论文)1份(5000字以上);2、装配图一份,非标准件的零件图2-3张。
指导教师教研室主任年月日年月日题目:冲压模具设计如下图所示,大批量生产,材料为DR510 ,t=1mm ,工件精度为IT9。
摘要在本次毕业设计中我的任务是硅钢片冲压模具设计,通过对零件的分析可知,该零件所用的材料是DR510,且为大批量生产,经过方案比较分析,选择复合冲压模具进行生产加工,既提高生产效率又经济实惠,而且模具设计和制造也相对于简单。
首先根据工件图算工件的展开尺寸,再根据展开尺寸算该零件的压力中心,材料利用率,画排样图,当所有的参数计算完后,对模具的装配方案,对主要零件的设计和装配要求都要进行分析。
在设计过程中除了设计说明书外,还包括模具的装配图,非标准件的零件图等等。
关键词:硅钢片;复合模;AbstractIn the graduation design in my choice of silicon steel, stamping mould design is based on the analysis of the components, it is known that the parts used materials is DR510, and for mass production, after scheme comparison and analysis choose compound stamping mould to process, which can improve the production efficiency and economic benefit, and mold design and manufacturing also relative to the simple. First of all, according to the workpiece figure calculate the workpiece expanded dimensions, and then based on the part of development size calculate pressure center, material utilization and painted strip layout diagram, when all the parameters are calculated to die after assembly scheme, the main parts of the design and assembly requirements are analyzed. In the design process in addition to the design specification outside, still include mold assembly drawings, non-standard parts graph, etc.Keywords:Silicon steel; Composite modulus;目录摘要 (6)Abstract (7)第一章绪论 (9)第二章冲压件工艺设计 (10)2..1冲裁工艺方案的确定 (11)2.2模具结构形式的确定 (12)第三章冲压工艺计算 (13)3.1排样设计 (13)排样方法的确定 (13)确定搭边值 (14)确定条料步距 (15)条料利用率 (15)3.2冲裁力的计算 (15)3.3冲压设备的初步选择 (17)3.4冲裁压力中心的确定 (17)3.5计算凸、凹模的刃口尺寸 (17)第四章主要零部件的设计 (20)4.1工作零部件的机构设计 (20)落料凹模 (20)冲孔凸模 (20)橡胶的设计与计算 (20)凸凹模 (21)4.2定位零件的设计 (21)卸料板的设计 (21)螺钉、销钉的选用 (21)模架及其他零部件的设计 (21)第五章校核模具闭合高度及压力机 (22)第六章绘制模具装配图及零件图 (23)附录 (26)致谢......................................... 错误!未定义书签。
硅钢片冷冲裁模工艺分析与改进措施-课程设计论文(2008-05-06 16:05:45)转载标签:课程设计硅钢片冷作撓具钢crl2mov杂谈摘要:介绍了Crl2HoV钢冷冲裁模的热处理工艺及失效分析以及锻造、热处理匸艺的改进措施。
Crl2MoV钢是一种高碳高洛的冷作模具钢,退火组织中含有数量较多的、粗大的碳化物,虽然经过反复锻造,但碳化物的分布仍不均匀:同时, 山于热处理丄艺的影响,使奥氏体中存在部分未溶的碳化物,在金相显微组织中形成了脆性的碳化物带状分布区。
经改进锻造和热处理匸艺后畀吏显微组织均匀化获得了满意的力学性能,达到了设计寿命的要求。
关键词:冷冲裁模。
失效分析。
锻造及热处理匸艺。
碳化物。
力学性能Abstract:This paper introduces the failure analysis of Crl2MoV steel cold-blanking die・ Forging and improvement measure of heat treatment process・ Crl2MoV steel is a cold work die steel with high carbon and high chromium・ After being forged repeatedly annealing structure contains a large number of coarse carbide with distributed imhomegeneity・ At the same time, carbide can* t be dissolved in austenite formed brittleness・ Carbide stingers distribute exists in microstructure as the result of the effect of heat treatment process・However, we can achieve satisfactory properties through the improved forging and heat treatment process which can make the micro-issuewell-distributed and meet the demand of design.Key words: cold - blankingo failure analysis。
中文摘要本设计是落料、冲槽复合模的设计。
设计说明书中简要概述了冲压模具目前的发展状况和发展趋势。
然后对工件进行了详细工艺性分析以及冲压方案的确定。
按照冲压模具设计的一般步骤,计算并设计了本套模具上的主要零部件,如:凸模、凹模、凸凹模、凸模固定板、垫板、凹模固定板、卸料板、挡料销、推件板、顶件块等。
模架采用标准模架,选用了合适的冲压设备。
关键词:落料, 冲槽, 复合模, 冲压模具, 凸凹模AbstractThis is a design of dropping and Notching composite die. The design overview the current development status and development trends of stamping die briefly. Then I conduct a detailed analysis of the work piece and determine the Stamping program. After finishing the Stamping die design in accordance with the general steps,I also design and calculations the main parts of this mold .For example, Punch, Die, Die punch, punch plate, plate, Die plate and dump plates, block information, marketing pieces of boards, blocks and other top pieces . At last I use standard mold and choice the suitable Stamping equipment.Keywords : dropping; Notching ; compound die; stamping die; Die punch.目录中文摘要 (Ⅰ)英文摘要 (Ⅱ)第1章绪论 (1)1.1 模具发展的现状和趋势 (1)1.2 模具设计的意义 (4)第2章工艺分析和方案的确定 (5)2.1 工件工艺性分析 (5)2.1.1 工件尺寸和精度 (5)2.1.2 工件的粗糙度和毛刺 (6)2.2 确定工艺方案 (6)第3章模具结构形式的选择 (8)第4章工艺计算 (9)4.1 毛坯尺寸计算 (9)4.2 排样、搭边和料宽以及材料的利用率 (10)4.2.1 排样 (10)4.2.2 搭边和料宽 (11)4.2.3 材料利用率 (14)4.3 冲裁力、卸料力及推件力的计算 (16)4.3.1 冲裁力的计算 (16)4.3.2 卸料力及推件力的计算 (17)4.4 压力中心的计算 (18)4.5 冲裁间隙 (19)4.6 凸、凹模刃口尺寸计算 (20)第5章冲模主要零件的设计 (30)5.1 凸模、凹模的设计以及模架的选择 (30)5.1.1 凸模的设计 (30)5.1.2 凹模的设计 (33)5.1.3 模架的选择 (35)5.2 定位零件的设计 (36)5.3 卸料和推件、顶件零件的设计 (39)5.4 固定与紧固零件 (41)5.5 导向零件 (43)第6章冲压设备的选择 (44)6.1 设备类型的选择 (44)6.2 设备型号的选择 (45)第7章绘制模具装配图和部分零件图 (47)第8章设计总结 (49)参考文献 (51)致谢 (52)四川理工学院毕业设计(论文)第一章绪论1.1 模具发展的现状和发展1.1.1 冲压在工业生产中的作用近年来,随着飞机、汽车、电子、仪表、日用工业品等工业的发展及少无切屑加工技术的应用,冲压加工技术得到了高速的发展。
硅钢片线切割工艺嘿,朋友!今儿咱来聊聊硅钢片线切割工艺这神奇的玩意儿。
你想想啊,硅钢片就像是建筑中的一块块坚固基石,而线切割工艺呢,那就是雕琢这些基石的神奇工具。
这工艺可不是随随便便就能掌握的,得有点真功夫!先说这线切割的工具,那线就像是一把无比锋利的剑,能在硅钢片上“舞出”漂亮的线条。
可这线可不是普通的线,它得足够坚韧,足够耐磨,不然在切割过程中要是断了,那可就麻烦大了!这就好比你正跑步呢,鞋带突然断了,是不是得摔个大跟头?再说说这切割的速度。
太快了不行,太慢了也不行。
快了容易把硅钢片弄出瑕疵,就像心急吃不了热豆腐;慢了呢,效率低下,成本又上去了,谁能乐意啊?这就跟你开车似的,速度得拿捏得恰到好处,才能又稳又快地到达目的地。
还有啊,切割时的电流、电压也得控制好。
这电流电压就像是给切割线提供的“动力食粮”,给多了,容易“撑着”,给少了,又“饿得没力气干活”。
你说是不是这个理?另外,冷却液也很关键。
它就像是给切割过程中的硅钢片和切割线“消暑解渴”的宝贝。
要是没有它,温度一高,硅钢片变形了,切割线也磨损得厉害,那可真是得不偿失。
这就好像大热天里你干活,要是没水喝,能撑得住吗?在操作过程中,精度的把控更是重中之重。
差之毫厘,谬以千里啊!稍微有点偏差,那这硅钢片可能就达不到要求,成了废品。
这就像你做衣服,尺寸错一点,穿在身上能合适吗?总之,硅钢片线切割工艺是个精细活,每一个环节都得精心对待,就像呵护自己的宝贝一样。
只有这样,才能切割出完美的硅钢片,让它们在各种电器设备中发挥出最大的作用。
朋友,你说是不是这个理儿?。
文章编号:1001-4934(2002)06-0046-03硅钢片模具设计及其线切割加工蔡乐安(温州大学 工业工程学院,浙江 温州 325027)摘 要:论述了电磁铁铁芯(硅钢片)模具的设计要点及其线切割加工的技巧,提出了提高模具加工精度和使用寿命的有效措施。
关键词:电磁铁;硅钢片;模具设计;线切割;寿命中图分类号:TG 662 文献标识码:B Abstract :The design key points on electromagnetic iron core (silicon -steel steet )mould and the skills on Electric Discharge Wire -cutting technology are discussed.Meanwhile ,the effect mea 2sures to improve machining precision and work life are put forward.K ey w ords :electromagnet ;silicon -steel sheet ;mould design ;WED (Electric Discharge Wire -cutting );work life0 引言电磁铁铁芯由许多铁芯片和夹板等组成。
铁芯片叠好后(注意毛刺方向应一致),加上夹板,压结实后铆接起来就成为铁芯。
电磁铁铁芯片零件图如图1所示,材料为热轧硅钢板DR315-50-G B5212-85,厚度为0.5mm 。
图中片的外形尺寸要求并不高,但冲裁件的质量要求较高,如冲裁的毛刺、片的平整、各孔的位置度图1 铁芯片零件收稿日期:2002-08-08作者简介:蔡乐安(1962~),男,讲师。
等。
由于厚度较薄,冲裁间隙只有0.02~0.03mm ,对模具的制造有较高的要求。
它要求凹模和凸凹模的冲裁间隙能很好地相配,表面粗糙度要小,以控制毛刺的长度。
1 模具设计111 模具结构的确定由于各孔及与外形的尺寸精度、片的平整等要求较高,模具采用复合模,其具体结构型式为正装复合模,以保证冲裁质量。
112 模具材料的确定凹模和凸凹模的材料采用Cr12,热处理后的硬度为HRC58~62,固定板、卸料板、送子等的材料采用Q235,冲孔芯子的材料采用白钢,即合金工具钢。
113 冲裁力的计算和压力机的确定凹模刃口周长L =414mm ,板料厚度t =0.5mm ,热轧硅钢板DR 315的抗剪强度τb =441MPa (已退火)。
冲裁力F c =KL t τb =11864 Die and Mould Technolo gy No.62002673.1N,卸料力F x=K x F c=0.055×F c,顶件力F d=K d F c=0.08F c,冲裁工序力F=F c+F x+ F d=1.135F c=134694N。
压力机名义压力≥112F≈162kN。
确定压力机为J23—25开式双柱可倾式压力机,其名义压力为250kN。
114 凹模厚度计算和外形尺寸的确定用经验公式近似计算凹模厚度。
H a= 30.1F c=22.81mm。
由于凹模刃口周长较长,L =414mm,需修正凹模厚度;同时,考虑凹模的修磨量,取凹模厚度为30mm。
凹模冲裁型腔尺寸为68mm×63mm,确定凹模外形尺寸为140mm×140mm。
115 凸凹模高度的计算由资料得到,凸凹模最小壁厚α=1.6mm,本模具凸凹模最小壁厚约为2.6mm,强度足够。
凸凹模高度h=凸凹模固定板厚度h1+卸料板厚度h2+导料板厚度h3+(25~35),由于条料由两个挡料销导向,不需要导料板,所以h3=0,取h 为56mm。
116 冲裁间隙的确定硅钢片厚0.5mm,根据手册,其冲裁间隙为0.02~0.03mm。
考虑线切割的加工精度和表面的粗糙度以及冲裁时的摩擦磨损,取线切割时的初始间隙为0.01mm。
117 模具总体设计选取模架为后侧导柱模架:模架160mm×160mm×180mm~220I G B2851.3-83・HT20-40,选取模柄为凸缘模柄:模柄B50mm×100mm G B2862.3-81・A3。
采用横向送料方式,凹模内的冲裁件由送子送出,凸凹模内的冲孔废料由打杆打下,模具内不藏料,以减少内涨力,提高模具使用寿命。
模具总装图如图2所示。
2 模具线切割加工本模具的关键在于加工和装配,特别是线切割加工的精度和表面粗糙度。
需线切割复合模的凹模、凸凹模、凸凹模固定板、卸料板、送子、冲孔芯子固定板等。
图2 铁芯片复合模装配图1.打杆2.推杆3.凸凹模 41凸凹模固定板5.卸料板6.凹模7.冲孔芯子固定板8.冲孔芯子 9.送子 10.挡料销211 凹模刃口尺寸的确定为提高模具寿命和配合精度,在冲裁件尖角处取0.2mm的圆角。
为能快速分辨冲裁件毛刺方向,提高叠片速度,在冲裁件不要紧处设置缺口作为标记。
同时,根据磨损后尺寸变大、变小、不变三种情况,考虑模具的使用寿命,确定凹模刃口的尺寸如图3所示。
尺寸确定的原则是这样的:磨损后不变的尺寸取平均值,磨损后变大的尺寸取较小值,磨损后变小的尺寸取较大值。
孔距磨损后保持不变,取为32mm、50mm、55mm。
当然,由于线切割的加工精度较高,为简化尺寸的计算,各种尺寸均可取平均值。
这样模具的使用寿命会受影响,此处不予推荐。
如果把图样给定的基本尺寸作为刃口尺寸,而不考虑尺寸公差,则是错误的。
212 线切割加工路线的确定为防止线切割加工时的变形,选择正确的加工路线和起割点非常重要,本铁芯片的凹模有一内部悬块,它不能最后切割,否则容易变形。
所以,切割凹模、卸料板、凸凹模固定板等刃口形状时,选择起割点为A点,穿丝点为O点(废料上)。
切割路线为逆时针方向,为OA B CD E2 FGHIJ KL M A O,钼丝最后回到穿丝点O点(见图3)。
废料在加工完时会落下,容易卡断钼丝,应事74模具技术2002.N0.6 图3 凹模刃口编程尺寸及加工路线先用吸铁石吸住。
切割送子、凸凹模时,先加工内孔,然后加工外形。
加工外形时的起割点选在A 点,穿丝点选在外形外的P 点,要注意O 点、P 点和A 点的相对位置和钼丝的偏移量。
切不能从模铁外引丝进来,那样会引起变形。
213 线切割配合间隙的确定线切割程序按凹模刃口尺寸编程,采用不同的补偿量来偏移钼丝达到不同加工尺寸的目的。
凹模加工到刃口尺寸,其加工精度由机床保证(线±0.015mm )。
冲孔芯子由无芯磨床磨制而成,刃口尺寸确定为<4.26mm 和<4.6mm ,芯子固定板内孔取<6mm ,与芯子固定处有0.02mm 过盈量。
凸凹模(图4)外形比凹模小0.01mm (配间隙),内孔刃口尺寸比芯子刃口尺寸大0.02mm ,不割锥度。
凸凹模固定板比凸凹模小0.01mm ,卸料板比凸凹模大0.06mm 。
送子即要送出冲裁件,又要保证芯子的位置精度,保护冲孔芯子不偏移,其外形比凹模型腔小0.03mm ,内孔比冲孔芯子大0.02mm。
图4 凸凹模零件图214 加工注意事项所有要线切割的零件,加工表面不能有氧化层,一定要在平面磨床上磨平其上下平面并退磁。
为防止变形等,凹模和凸凹模应先钻好穿丝孔等,热处理、磨削消磁后再进行线切割加工。
为防止意外,线切割加工时,应先加工卸料板,检测合格后再加工其它零件。
送子和凸凹模即要割内孔,又要割外形,应注意各内孔割完后接着割外形时的钼丝偏移量,保证内孔和外形的相对位置精度。
冲裁件的要求很高,凹模和凸凹模的配合间隙很小,只有约0.01mm ,加工时应注意电规准参数的选择,使线切割表面的粗糙度要好,加工精度好,这样才能使模具相配,才能冲裁出高质量的铁芯片。
另外,要注意凸凹模的切割正面和凹模的切割正面的方向,它们刚好相反,切割凸凹模时要设置对称功能(—X )。
3 提高模具使用寿命的一些措施除以上提到的模具设计和加工时要注意的事项以外,为提高模具使用寿命,凹模和凸凹模在使用前应进行研磨,去除白层,以消除内应力和热变形,微裂纹等线切割缺陷。
如果这样,在线切割凹模和凸凹模时,就要预留研磨余量。
这样虽然会增加模具的装配难度,但对模具的寿命是有好处的。
另外,由于本铁芯片结构的关系,凹模内部有一悬臂块,冲裁时容易晃动,会影响模具的寿命。
在悬臂块上作出螺纹孔,用螺钉把它和垫板、冲孔芯子固定板等连接起来,可增加凹模内部悬臂块的刚性,保证冲裁的稳定性。
模具投入使用后,其冲裁件的质量和模具的寿命有较大的提高,用户非常满意。
参考文献:[1] 阎其凤.模具设计与制造[M ].北京:机械工业出版社,1995.[2] 丁松聚.冷冲模设计[M ].北京:机械工业出版社,1997.[3] 冯炳尧.模具设计与制造简明手册(第二版)[M ].上海:上海科学技术出版社,1998.[4] 中国机械工程学会电加工学会.电火花线切割加工技术工人培训、自学教材[M ].哈尔滨:哈尔滨工业大学出版社,1989.[5] 国家标准总局批准.中华人民共和国国家标准《冷冲模》.北京:中国标准出版社,1984.84 Die and Mould Technolo gy No.62002。