基于NE555信号发生器的设计
- 格式:pdf
- 大小:2.09 MB
- 文档页数:18
555构成的模拟声响发生器实验总结以下是基于555构成的模拟声响发生器实验的总结:1. 实验设计在本次实验中,我们设计了一个基于555构成的模拟声响发生器实验,旨在通过控制555的信号输出,生成不同类型的声响。
具体实验设计如下:- 输入信号源:一个由555组成的自组振荡器,产生连续的模拟信号。
- 输出信号源:一个扬声器,用于输出模拟声音。
- 控制电路:由555构成的控制电路,用于控制振荡器的振荡频率、振幅和时间等参数,生成不同类型的声响。
2. 实验结果在本次实验中,我们使用555构成的控制电路控制了振荡器的振荡频率和振幅,并通过改变振荡器的时间参数,生成了不同类型的模拟声响。
下面是实验结果的截图:| 声音类型 | 振荡器参数 | 声音特点 || ---- | -------- | ---- || 低频声音 | 1000 Hz | 低音质、柔和 || 高频声音 | 2000 Hz | 高音质、清晰 || 中频声音 | 3000 Hz | 中音质、均衡 || 高频声音 | 4000 Hz | 高音质、尖锐 || 低频声音 | 5000 Hz | 低音质、响亮 |通过实验结果可以看出,555构成的模拟声响发生器具有较好的音质和音色控制能力,可以生成各种不同类型的声音。
3. 实验体会本次实验让我深刻认识到了555构成的模拟声响发生器的基本原理和特点。
555是一个可编程的数字信号处理器,可以通过控制振荡器的频率和振幅等参数,生成不同的声音。
控制电路的设计非常关键,可以影响声音的音色、音质和音量等特性。
4. 实验建议在实验中,我发现555构成的模拟声响发生器的音色和音质控制能力有限,需要根据实际应用要求进行优化。
例如,可以增加控制电路的滤波器,来提高声音的清晰度和音质。
另外,还可以尝试生成更复杂的声音效果,例如混响、回声等,以获得更加丰富的声音体验。
第1章引言1.1本课题的研究现状信号源作为一种基本电子设备无论是在教学、科研还是在军事技术中,都有着广泛的使用。
因此,从理论到工程对信号的发生进行深入研究,不论是从教学科研角度,还是从社会实际应用角度出发都有着积极的意义。
随着科学技术的发展和测量技术的进步,对信号源的要求越来越高,普通的信号发生器已无法满足目前日益发展的数字技术领域科研和教学的需要信号发生器既可以构成独立的信号源,也可以是高性能网络分析仪、频谱仪及其它自动测试设备的组成部分。
信号发生器的关键技术是多种高性能仪器的支撑技术,因为它能够提供高质量的精密信号源及扫频源,可使相应系统的检测过程大大简化,降低检测费用并极大地提高检测精度。
美国安捷伦生产的33250A 型函数/任意波形发生器可以产生稳定、精确和低失真的任意波形,其输出频率范围为1μHz~80MHz,而输出幅度为10mVpp~10Vpp;该公司生产的8648D射频信号发生器的频率覆盖范围更可高达9kHz~4GHz。
国产SG1060数字合成信号发生器能双通道同时输出高分辨率、高精度、高可靠性的各种波形,频率覆盖范围为1μHz~60MHz;国产S1000型数字合成扫频信号发生器通过采用新技术、新器件实现高精度、宽频带的扫频源,同时应用DDS和锁相技术,使频率范围从1MHz~1024MHz能精确地分辨到100Hz,它既是一台高精度的扫频源,同时也是一台高精度的标准信号发生器。
还有很多其它类型的信号发生器,他们各有各的优点,但是信号发生器总的趋势将向着宽频率覆盖、高频率精度、多功能、多用途、自动化和智能化方向发展。
1.2选题目的及意义信号发生器是一种经常使用的设备,由纯粹物理器件构成的传统的设计方法存在许多弊端,如:体积较大、重量较沉、移动不够方便、信号失真较大、波形种类过于单一、波形形状调节过于死板,无法满足用户对精度、便携性、稳定性等的要求,研究设计出一种具有频率稳定、准确、波形质量好、输出频率范围宽、便携性好等特点的波形发生器具有较好的市场前景,以满足军事和民用领域对信号源的要求。
ne555多路波形发生器实训报告实训报告:ne555多路波形发生器一、实训目的:通过实际操作,了解ne555多路波形发生器的工作原理、特点和应用,学习电路设计、调试和测量的方法和技能,提高电路设计和调试能力。
二、实验原理:ne555是一种经典的集成电路,其内部组成与应用广泛,常用于脉冲发生器、多谐振荡器、定时器等电路中。
ne555多路波形发生器是基于ne555组成的一个数字波形发生器,其主要特点是低成本、低功耗、方便搭建、锁相能力强等。
ne555多路波形发生器的电路图如下图所示:图1 ne555多路波形发生器电路图根据电路图,可由以下步骤得到四种不同的波形信号:1. 正弦波信号(SINE):在C1、R1和R2组成的RC电路中产生正弦波信号,经过Amp1(AD623)的放大后输出一定幅度的正弦波信号。
2. 三角波信号(TRIANGLE):在三角波发生电路中,通过IC1C (ne555)和C2、R3先产生一个同频率、占空比为50%的方波,在通过C4、R5、R6组成的RC电路呈现出一个升降沿均匀的三角波信号,通过Amp2(OP07)的放大电路获得一定幅度的三角波信号。
3. 方波信号(SQUARE):在IC1A中用R4、R7调整占空比并产生一个同频率的方波信号,通过Amp3 (LM358N)的放大电路获得一定幅度的方波信号。
4. 脉冲信号(PULSE):在IC1B中用R8、C5调整脉冲宽度并产生一个脉冲信号,通过Amp4 (LM358N)的放大电路获得一定幅度的脉冲信号。
三、实验步骤:1. 准备实验器材:ne555多路波形发生器电路板、示波器、万用表、电源等。
2. 将电源线插入电源插座,开启电源。
3. 连接示波器的正负极到电路板上的相应接线柱,将示波器调整至适合的工作状态。
4. 将万用表接到电路板上,测量各个元器件的电压、电流等参数,检查电路工作状态是否正常。
5. 分别连接SINE、TRIANGLE、SQUARE、PULSE信号输出接口到测试终端或其他数字电路输入接口(如计数器、定时器等),测试各种波形信号的频率、幅度、占空比等性能指标,并与理论值进行比较。
2018校电子设计与制作竞赛C题
题目:基于NE555的多波形发生器
组员姓名:
组员学号:
院(系):
指导教师:
完成时间:
主要内容、基本要求、主要参考资料等:
主要内容
1.阅读相关科技文献。
2.学习电子制图软件的使用。
3.学会整理和总结设计文档报告。
4.学习如何查找器件手册及相关参数。
技术要求
1.使用555时基电路,产生频率连续可调,输出电压幅度为1V的方波Ⅱ;
2.使用555时基电路,产生频率连续可调,输出电压幅度峰峰值为3V的三角波;
4.使用555时基电路,产生频率连续可调,输出电压幅度峰峰值为3V的正弦波Ⅰ;
5.根据设计的电路,计算输出频率为______kHz,输出电压幅度峰峰值为5V的方波、三角波和正弦波的波形应无明显失真(使用示波器测量时)。
6. 熟悉每个器件的作用,并撰写技术报告,予以描述电路功能。
(技术报告尽量详细,带有参数计算)
参考电路:
提供材
料清单:。
基于555定时器的信号发生器目录一、设计要求 (2)二、设计方案与论证 (2)三、设计原理及电路图 (3)五、元器件识别与检测 (6)六、软件编程与调试 (10)七、设计心得 (11)八、参考文献 (12)一、设计要求1、在给定的±6V直流电源电压条件下,使用555芯片和运算放大器设计并制作一个多波形发生器2、输出电压:方波:3≤Vp-p≤5V三角波:138mv≤Vp-p≤280mv3、方波:上升和下降时间:≤10ms二、设计方案与论证方案一:主要是应用集成运放LM324,其芯片的内部结构是由4个集成运放所组成的,通过RC电桥可产生正弦波,通过滞回比较器能调出方波,并再次通过积分电路就可以调试出三角波,此电路方案能实现基本要求和扩展总分的功能,电路较简单,调试方便,是一个优秀的可实现的方案。
方案二:利用ICL8038芯片构成8038集成函数发生器。
8038集成函数发生器是一种多用途的波形发生器,可以用来产生正弦波、方波、三角波和锯齿波,其振荡频率可通过外加的直流电压进行调节,所以是压控集成信号产生器。
由于外接电容C的充、放电电流由两个电流源控制,所以电容C两端电压uc 的变化与时间成线形关系,从而可以获得理想的三角波输出。
8038电路中含有正弦波变换器,故可以直接将三角波变成正弦波输出。
另外还可以将三角波通过触发器变成方波输出。
该方案的特点是十分明显的:、⑴线性良好、稳定性好;⑵频率易调,在几个数量级的频带范围内,可以方便地连续地改变频率,而且频率改变时,幅度恒定不变;⑶不存在如文氏电桥那样的过渡过程,接通电源后会立即产生稳定的波形;⑷三角波和方波在半周期内是时间的线性函数,易于变换其他波形。
方案三:可以按照方波——三角波——正弦波的顺序来设计电路,其中,方波可以通过模电中的方波发生电路来产生,也可以通过数电中的555多谐振荡电路来产生,方波到三角波为积分的过程,三角波到正弦波可以通过低通滤波来实现,也可以利用差分放大器的传输非线性来实现或者通过折现法来实现。
555构成的占空比可调的方波产生器电路
如图所示,电路只要一加上电压VDD,振荡器便起振。
刚通电时,由于C上的电压不能突变,即2脚电位的起始电平为地电位,使555置位,3脚呈高电平。
C通过RA、D1对其充电,充电时间,当C上电压充到阈值电平2/3VDD时,555复位,3脚转呈低电平,此时C通过Dl、RB、555内部的放电管放电,放电时间。
如图所示,电路只要一加上电压VDD,振荡器便起振。
刚通电时,由于C上的电压不能突变,即2脚电位的起始电平为地电位,使555置位,3脚呈高电平。
C通过RA、D1对其充电,充电时间,当C上电压充到阈值电平2/3 VDD时,555复位,3脚转呈低电平,此时C通过Dl、RB、555内部的放电管放电,放电时间。
设占空比为D,则:
调节RP1,当其中心头滑向最上端时:
当RP1中心头滑向最下端时:
NE555内部示意图。
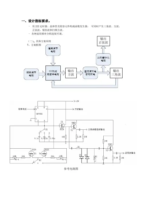
一、设计指标要求。
– 用555定时器、晶体管及阻容元件构成函数发生器, 可同时产生三角波、方波、正弦波、锯齿波和扫频方波。
– 各种波形频率分档连续可调。
(二)、具体方案举例1、方案框图参考电路图555构成施密特电路幅度调节电路恒流源对电容充放电输出方波输出三角波二极管折线电路输出正弦波频率调节电路该电路由一片CH7555定时器和一些定时器及阻容元件组成,可同时产生三角波、方波、正弦波、锯齿波和扫频方波。
锯齿波可以使正或负的。
各种波形的频率从0.1Hz—100KHz 分档连续可调,方波幅度为5—15V,可直接驱动TTL(5V电源时),斜波的非线性在1%以下,正弦波失真率小于3%。
定时器CH7555的正负触发输入端(2脚和6脚)连在一起构成施密特触发器。
输出端(3脚)通过恒流源使接在输入端的电容充放电,从而产生方波输出。
电容的数值通过开关K1选择,以改变振荡频率。
恒流源包括场效应对管、电位器及两个330Ω电阻。
如果开关K2处于中间位置(悬空),电容充电时,电流就从右向左,右管T4呈现低阻,左管是恒流源;电容放电时,电流就从左向右,左管T3呈现低阻,右管是恒流源;因为电路结构的对称性,恒流源两个方向的电流相等,所以在开关K2的公共端得到对称的三角波,并经T5、T1隔离输出。
当开关K2处于左边时,左侧恒流源被短路;当开关K2处于右边时,右侧恒流源被短路。
这样,电容的充放电不对称,分别产生上升逆程和下降逆程锯齿波,同时定时器输出占空比不是50%的方波。
电路中二极管D1和D2级电位器W2为正弦波转换电路,晶体管T2为电压跟随器,起缓冲作用。
定时器5脚加以可变直流电压,可以调节输出信号频率而不影响方波的对称性。
若控制电压为锯齿波,则可得到扫频方波。
ne555实验报告NE555实验报告引言:NE555是一款经典的集成电路,被广泛应用于定时器、脉冲发生器、频率分频器等电子电路中。
本实验旨在通过实际操作NE555电路,深入了解其工作原理和特性。
一、实验目的本实验的主要目的有以下几点:1. 掌握NE555的引脚功能及工作原理;2. 理解NE555作为定时器的基本应用;3. 学会使用NE555构建简单的脉冲发生器。
二、实验原理NE555是一款8脚的集成电路,主要由比较器、RS触发器、RS锁存器和输出级组成。
通过对电路的引脚连接和外部元件的选择,可以实现不同的功能。
三、实验器材1. NE555芯片;2. 电阻、电容、二极管等元件;3. 电源、示波器、万用表等实验设备。
四、实验步骤1. 搭建基本的NE555定时器电路。
将NE555芯片插入实验板上,根据原理图连接电阻、电容和电源等元件。
2. 调节电源电压。
根据NE555的工作电压范围,选择适当的电源电压,并通过万用表测量电压值。
3. 测试NE555的工作频率。
将示波器连接到NE555的输出引脚上,调节电阻和电容的值,观察示波器上的波形变化,并记录下不同参数下的频率值。
4. 构建脉冲发生器。
在基本的NE555定时器电路的基础上,添加电阻、电容和二极管等元件,实现脉冲发生器的功能。
通过示波器观察输出的脉冲波形,并记录下不同参数下的频率、占空比等数值。
五、实验结果与分析通过实验,我们得到了NE555在不同参数下的工作频率和脉冲波形。
根据实验数据,我们可以分析NE555的特性和性能。
首先,NE555的工作频率与电阻和电容的值有关。
当电阻值较大或电容值较小时,工作频率较低;反之,工作频率较高。
这是因为NE555的内部电路通过电阻和电容的充放电过程来实现定时功能。
其次,NE555作为脉冲发生器时,其输出波形的频率和占空比也与电阻和电容的值密切相关。
通过调节电阻和电容的数值,可以实现不同频率和占空比的脉冲波形。
六、实验总结本实验通过实际操作NE555电路,深入了解了其工作原理和特性。
基于NE555方波脉冲发生器的设计及应用作者:文华兵陈常婷刘频来源:《现代电子技术》2014年第11期摘要:为了进行铝合金脉冲MIG焊实验,将NB⁃500晶闸管直流弧焊电源改造成脉冲电源,采用NE555时基集成电路,设计了频率、占空比、峰值和基值均可独立调节方波脉冲发生器。
该方波脉冲发生器与NB⁃500焊机原有控制电路相结合,系统工作稳定,实现了铝合金脉冲MIG焊接。
关键词:时基集成电路;脉冲发生器;弧焊电源; MIG焊接中图分类号: TN782⁃34 文献标识码: A 文章编号: 1004⁃373X(2014)11⁃0138⁃02Abstract: The NB⁃500 Thyristor DC arc welding power supply was transformed into a pulsed welding power supply for experiments of aluminum alloy pulsed MIG weld. The square⁃wave pulse generator whose frequency, duty cycle, peak and base value could be adjusted independently was designed by using NE555 time⁃base integrated circuit. The generator is combined with original control circuit of NB⁃500 welding machine. The system works stable and can realize the pulsed MIG weld of aluminum alloy.Keywords: time⁃base integrated circuit; pulse generator; arc welding power supply; MIG weld0 引言NB⁃500气体保护焊机为晶闸管整流电源,其输出外特性为平特性即直流稳压电源,可用于MIG焊和CO2焊,但该电源没有脉冲输出功能。
××大学××学院××课程设计基于NE555 函数信号发生器学生姓名学号所在系专业名称班级指导教师成绩××大学××学院二○一一年六月摘要:各种电器设备要正常工作,常常需要各种波形信号的支持。
电器设备中常用的信号有正弦波、矩形波、三角波等。
在电器设备中,这些信号是由波形产生和变换电路来提供的。
这种能够产生多种波形,如三角波、矩形波(含方波)、正弦波的电路被称为函数信号发生器。
函数信号发生器产生的各种波形能满足现代测量、通信、自动控制和热加工、音视频设备及数字系统等对各种信号源的需求。
例如设计和测试、汽车制造、生物医药、传感器仿真、制造模型等。
在生产实践和科技领域中有着广泛的应用。
关键字:正弦波,矩形波,三角波,函数信号发生器Abstract:A variety of electrical equipment to work properly, which often need the support from a variety of wave form signals. Electrical equipment commonly used in signal sine wave, square wave, triangle wave. In electrical equipment, these signals are generated by the waveform and the conversion circuit to provide. This can produce a variety of waveforms such as triangular wave, rectangular wave (including square), the sine wave signal generator circuit is called a function. Function generator for a variety of waveforms to meet the modern measurement, communications, automatic control and thermal processing, audio and video equipment and digital systems, the demand for a variety of sources,such as design and testing, automotive, biomedical, sensor simulation, manufacturing model.Production practices and technology in the field has a wide range of applications.Key words: Sine wave, Square wave, Triangle wave, The function signal generator目录前言……………………………………………………………………………1. 总体设计方案 (1)2. 电路的基本组成及工作原理 (1)2.1 系统组成框图 (1)2.2 方波的产生 (2)2.3 由方波输出为三角波 (4)2.4 由三角波输出正弦波 (4)3. 单元模块设计 (6)3.1 电源方框图 (6)3.2 单元电路 (6)3.2.1 整流电路 (6)3.2.2 滤波电路 (8)3.2.3 稳压电路 (8)3.2.4 电源电路原理及电路图 (9)3.3 555定时器的介绍 (10)3.3.1 电路组成 (10)3.3.2 引脚的作用 (10)3.3.3 基本功能 (11)4. 电路工作原理分析 (12)5. 设计总结 (13)6. 参考文献 (14)7. 附录 (15)前言函数信号发生器是信号源的一种,主要给被测电路提供所需要的己知信号(各种波形),然后用其它仪表测量感兴趣的参数。
一、介绍NE555芯片NE555芯片是一种集成电路,常被用于脉冲信号发生电路中。
它由双稳态触发器、比较器、电压控制的脉冲发生器和输出级组成,拥有广泛的应用范围。
二、NE555芯片脉冲信号发生电路原理NE555芯片以外部电容和电阻为控制元件,通过调整电容和电阻的数值,可以实现不同频率和占空比的脉冲信号发生。
NE555芯片内部的比较器不断检测电容的电压变化,直至电压达到一定值,输出一个脉冲信号。
三、NE555芯片在实际应用中的作用NE555芯片脉冲信号发生电路可用于计时器、频率测量仪、波形发生器、脉冲调制和解调、电压变换等各种领域。
其产生的脉冲信号具有稳定性高、频率范围宽、占空比可调、输出电流大等特点。
四、NE555芯片脉冲信号发生电路的应用实例1.计时器NE555芯片与外部电容和电阻组成的脉冲信号发生电路,可用于制作简易的计时器。
通过调整电容和电阻的数值,可以实现从几毫秒到几分钟不等的计时功能。
2.脉冲调制解调NE555芯片产生的脉冲信号可被应用于通信领域的脉冲调制和解调。
利用NE555芯片的稳定性和频率可调的特点,可以实现各种调制方式的信号产生。
3.波形发生器NE555芯片也可用作简易的波形发生器,产生矩形波、三角波等不同类型的波形信号。
通过外部电路的调整,可以实现不同频率和幅度的波形输出。
五、NE555芯片脉冲信号发生电路的未来发展随着科技的不断进步,NE555芯片脉冲信号发生电路在电子领域仍有广阔的应用前景。
未来,随着芯片制造工艺的不断改进和集成度的提高,NE555芯片脉冲信号发生电路将更加小巧、稳定、功耗更低,能够应用到更多的领域中。
六、结论NE555芯片脉冲信号发生电路作用着电子技术领域的发展。
它在各个领域的广泛应用,使得我们的生活和工作变得更加便利和高效。
随着技术的不断进步,我们相信NE555芯片脉冲信号发生电路将会有更广阔的应用前景。
七、NE555芯片脉冲信号发生电路的优缺点1. 优点NE555芯片作为脉冲信号发生电路有着诸多优点。
<<高频电子线路 >>课程设计报告题目:____基于555的信号发生器_专业:_____通信工程_______年级:_______ 学号:____ _________学生姓名:_____________联系电话:____________指导老师:_____________完成日期:2012 年 12 月 7 日基于555的信号发生器设计摘要本设计利用NE555定时器芯片、点解电容、瓷片电容和电阻,制作基于555信号发生器的电子作品,实现了三角波和方波两种信号发生的功能。
经测试,系统达到了能输出两种波形、波形好、失真小频率在500Hz到5KHz可调等的要求,具有实用性强、频率稳定并可调、操作简单等优点。
关键词:555信号发生;频率稳定;可调ABSTRACTThis design using NE555 timer chip point of capacitance ceramics capacitor and resistor, making 555 signal generator based on the electronic works, realize the triangle wave and square wave two signals by testing the function of happened, the system to achieve the two waveforms can output waveform distortion in 500 good frequency Hz to 5 KHz adjustable of requirements with practical frequency stability and adjustable simple operation etcKeywords:555 signal occurred; Frequency stability; adjustable摘要 (II)ABSTRACT (II)1 设计要求及方案选择 (1)1.1设计要求 (1)1.2方案选择 (1)2 理论分析和设计 (4)2.1 方波的电路理论分析和设计 (4)2.2 三角波电路的理论分析和设计 (4)3 电路设计 (5)3.1 NE555硬件电路的设计 (5)3.2 基于NE555的多谐振荡器 (7)4 系统测试 (7)4.1 测试结果 (7)4.2测试结果分析 (8)5 总结 (8)6参考文献 (9)附录电子元件清单 (10)1 设计要求及方案选择1.1设计要求(1)能产生三角波、方波或者方波等波形;(2)波形好;(3)失真小;(4)频率在500Hz到5KHz可调;(5)产生的波形占空比为50%;1.2方案选择方案一:采用LM358运算放大器芯片LM358是由恩智浦半导体公司生产的一款非常常用的运算放大器,它适用于很多要求不是很高的电路设计,而且价格便宜,其结构框图如图1-1所示。
引言锯齿波发生器是一种常用的信号发生电路,广泛地应用于各种电路中,如示波器,开关电源等。
它已有相当成熟的电路:根据对锯齿波形不同的要求,用不同的方法求设计不同的锯齿波发生器。
既有数字的,也有模拟的。
模拟的锯齿波发生器的线路很多,当线性度要求很高时,一般都很复杂。
本文介绍的锯齿波发生器是基于价廉物美的555定时器时基电路,用性能稳定的恒流源对电容的充放电而得到的高精度锯齿波发生器。
第一章设计任务及要求1.设计任务及要求1.1 设计任务利用555定时器和结型场效应管构成的恒流源设计一高线性度的锯齿波发生器。
1.2 设计要求用555定时器和结型场效应管构成的恒流源设计出一个高线性度的锯齿波发生器。
第二章设计思路及各原理1.555定时器555定时器是一种数字电路与模拟电路相结合的中规模集成电路。
该电路使用灵活、方便,只需外接少量的阻容元件就可以构成单稳态触发器和多谐振荡器等,因而广泛用于信号的产生、变换、控制与检测。
1.1 555定时器的工作原理555定时器产品有TTL型和CMOS型两类。
TTL型产品型号的最后三位都是555,CMOS型产品的最后四位都是7555,它们的逻辑功能和外部引线排列完全相同。
555定时器的电路如图2-1所示。
它由三个阻值为5kΩ的电阻组成的分压器、两个电压比较器C1和C2、基本RS触发器、放电晶体管T、与非门和反相器组成。
图2-1-1分压器为两个电压比较器C1、C2提供参考电压。
如5端悬空,则比较器C1的参考电压为,加在同相端;C2的参考电压为,加在反相端。
是复位输入端。
当=0时,基本RS触发器被置0,晶体管T导通,输出端u0为低电平。
正常工作时,=1。
u11和u12分别为6端和2端的输入电压。
当u11>,u12> 时,C1输出为低电平,C2输出为高电平,即=0,=1,基本RS触发器被置0,晶体管T导通,输出端u0为低电平。
当u11<,u12< 时,C1输出为高电平,C2输出为低电平,=1,=0,基本RS触发器被置1,晶体管T截止,输出端u0为高电平。
目录摘要Abstract第1章前言 (3)第2章信号发生器的发展现状 (4)2.1信号发生器的分类 (4)2.2信号发生器的发展现状及趋势 (4)第3章方案的设计 (5)3.1 设计方案的选择 (5)3.2电路工作原理以及器件选择 (5)第4章电路的完善与改进 (7)4.1电路仿真 (7)4.1.1波形信号失真分析 (7)4.1.2波形信号输出频率的调整 (8)4.1.3波形信号输出幅度的调整 (10)第5章电路的安装调试 (11)5.1 PROTEL制板 (11)5.2电路安装调试 (12)第6章结束语 (13)参考文献摘要信号发生器是一种能够产生多种波形,如锯齿波、三角波、方波、正弦波的电路。
信号发生器在电路实验和设备检测中具有十分广泛的用途。
本设计通过对信号发生器的原理以及构成进行分析,设计了信号发生器,能够输出稳定的正弦波和方波,实现占空比50%,并且能够实现频率和输出幅度可调。
设计中采用常用器件NE555为核心,通过比较获得最佳电路方案,并对电路各部分工作原理进行了分析,确定其能够稳定工作,利用相关仪器多次试验,测试达到了设计要求。
关键词:直流稳压电源电路;振荡器;RC电路;射极输出器。
AbstractSignal generator is a kind of can produce a variety of waveforms, such as sine wave, triangular wave circuit, the Fang Bo. The signal generator has a very wide range of uses in circuit experiment and test equipment in. The design on the principle of signal generator and its structure was analyzed, the design of square wave signal generator, can output stable Fang Bo, and can realize the frequency and adjustable output amplitude, for ease of use, this design also can generate triangle wave and sine wave. Used in the design of common NE555 device as the core, through the comparison of best circuit scheme, and the working principle of every part of the circuit is analyzed, determine its can work steadily, by using relevant instruments, many tests, the test has achieved the design requirements.Keywords: DC stabilized power supply circuit; oscillator; RC circuit; an emitter follower.第1章前言为了能够更加直观的观测到电路中信号变化,在电子学中常用到的仪器是示波器,它能够像医疗设备一样检测到电路中的各种“病变”,与之相配合使用的通常还有信号发生器,它能产生多种波形,如三角波、方波、正弦波,这是信号发生器基本用途。