无筋扩展基础检验批质量验收记录
- 格式:docx
- 大小:20.65 KB
- 文档页数:1
砖砌体检验批质量验收记录010********注:本表内容的填写需依据《现场验收检验批检查原始记录》。
本检验批质量验收的规范依据见本页背面。
填写说明一、填写依据1 《砌体结构工程施工质量验收规范》GB50203-2011。
2 《建筑工程施工质量验收统一标准》GB50300-2013。
二、检验批划分根据《砌体结构工程施工质量验收规范》GB50203-2011中第3.0.20条规定:砌体结构工程检验批的划分应同时符合下列规定:1 所用材料类型及同类型材料的强度等级相同。
2 不超过250砌体。
3 主体结构砌体一个楼层(基础砌体可按一个楼层计);填充墙砌体量少时可多个楼层合并。
三、GB50203-2011规范摘要主控项目5.2.1 砖和砂浆的强度等级必须符合设计要求。
抽检数量:每一生产厂家,烧结普通砖、混凝土实心砖每15万块,烧结多孔砖、混凝土多孔砖、蒸压灰砂砖及蒸压粉煤灰砖每10万块各为一验收批,不足上述数量时按1批计,抽检数量为1组。
砂浆试块的抽检数量执行本规范第4.0.12条的有关规定。
检验方法:查砖和砂浆试块试验报告。
5.2.2 砌体灰缝砂浆应密实饱满,砖墙水平灰缝的砂浆饱满度不得低于80%;砖柱水平灰缝和竖向灰缝饱满度不得低于90%。
抽检数量:每检验批抽查不应少于5处。
检验方法:用百格网检查砖底面与砂浆的粘结痕迹面积。
每处检测3块砖,取其平均值。
5.2.3 砖砌体的转角处和交接处应同时砌筑,严禁无可靠措施的内外墙分砌施工。
在抗震设防烈度为8度及8度以上的地区,对不能同时砌筑而又必须留置的临时间断处应砌成斜槎,普通砖砌体斜槎水平投影长度不应小于高度的2/3,多孔砖砌体的斜槎长高比不应小于1/2。
斜槎高度不得超过一步脚手架的高度。
抽检数量:每检验批抽查不应少于5处。
检验方法:观察检查。
5.2.4 非抗震抗震设防及抗震设防烈度为6度、7度地区的临时间断处,当不能留斜搓时,除转角处外,可留直槎,但直槎必须做成凸槎,且应加设拉结钢筋,拉结钢筋应符合下列规定:1 每120mm墙厚放置1φ6拉结钢筋(120mm厚墙应放置2φ6拉结钢筋)。
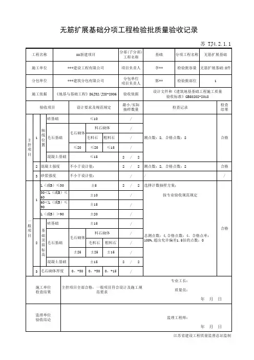
无筋扩展基础检验批质量验收检查用表编号:010201□□□
单位(子单位)
工程名称
分部(子分部)工程名称分项工程名称施工单位
项目负责人检验批容量分包单位
分包单位项目负责人检验批部位施工依据
验收依据验收项目
1设计要求2规范规定最小/实际抽样数量检查记录检查结果主
控
项
目l 轴
线位置砖基
础
≤10mm 毛石基础毛石砌体料石砌体毛料石粗料石≤20mm ≤15m m 混凝
土基
础≤15mm
2混凝土强度≥设计值(
)3砂浆强度≥设计值(
)一般项目1L(或B)≤30±5mm
30<L(或B)≤60±10mm
60<L(或B)≤90±15mm
L(或B)>90±20mm
2基础顶面标高砖基础±15
毛石基础毛石
砌体
料石砌体毛料石粗料石±25m m
±25m m ±15m m 混凝
土基
础
±15mm 3毛石砌体厚
度+300
mm +300m m +150mm
施工单位
检查结果专业工长或施工员:
项目专业质量检查员:
年月日
监理单位
(建设单位)
验收结论
专业监理工程师或建设单位专业工程师:年月日注:L 为长度(m);B 为宽度(m)。
建筑工程检验批质量验收记录编号:2021-001检验批名称:建筑工程主体结构施工项目名称:XXX工程施工单位:XXX建筑工程有限公司监理单位:XXX监理有限公司质量检验员:XXX日期:2021年1月1日1. 检验批概况本次检验批涉及建筑工程主体结构施工的质量验收,包括地基基础、桩基、构造柱、楼板等工程要点。
该检验批是项目周期中的重要阶段,质量验收记录将有助于评估工程质量,确保施工过程符合相关标准和规范要求。
2. 施工过程2.1 地基基础施工根据工程设计要求,施工单位按照合理的施工工艺、施工方案和施工要求进行地基基础施工。
在本次验收过程中,我们重点关注了地基基础的土方开挖、回填、压实情况,以及地基基础的水平度、垂直度等指标。
2.2 桩基施工针对本次验收的桩基施工,施工单位采用了合适的桩工设备和工艺。
我们对桩基的钻孔质量、钢筋配置、混凝土灌注情况等进行了检查,以确保每个桩基的质量符合要求。
2.3 构造柱施工施工单位按照工程图纸要求和规范要求进行构造柱的施工。
我们检查了构造柱的尺寸、形状、钢筋间距、混凝土浇筑质量等关键点,以确保构造柱的强度和稳定性达到设计标准。
2.4 楼板施工楼板施工过程中,施工单位严格按照工程图纸和相关规范进行了楼板的安装、钢筋绑扎和混凝土浇筑等工序。
我们对楼板的平整度、强度、钢筋连接情况等进行了仔细检验,以保证楼板的使用安全和质量。
3. 检验结果经过检查,本次建筑工程检验批质量验收结果如下:3.1 地基基础:土方开挖、回填、压实符合要求,地基基础水平度、垂直度达到设计标准。
3.2 桩基:桩基钻孔质量良好,钢筋配置符合设计要求,混凝土灌注质量优秀。
3.3 构造柱:构造柱尺寸、形状准确,钢筋配置合理,混凝土浇筑质量良好。
3.4 楼板:楼板平整度达到设计要求,强度满足结构需求,钢筋连接牢固,混凝土浇筑质量良好。
4. 建议与改进根据本次验收过程中的检查结果,我们认为施工单位在建筑工程主体结构施工中表现出色,并遵循了相关标准和规范。
地基工程施工检验批质量验收记录地基工程是建筑物的重要基础工程,直接关系到建筑物的安全稳定。
地基工程施工检验批质量验收是对工程施工过程中的质量管理进行检查和验收,以确保施工工艺符合标准规范,保证施工质量达到预期目标。
以下是一份地基工程施工检验批质量验收记录的模板,供参考:项目名称:地基工程施工工程地点:(填写具体地址)工程编号:(填写具体编号)施工单位:(填写具体单位名称)监理单位:(填写具体单位名称)施工日期:(填写具体日期)监理人员:(填写具体姓名)一、检验批情况序号检验批名称检验批编号检验批数量合格数量不合格数量...二、检验结果1.施工材料质量检验结果(根据具体工程需求进行列举,如土方开挖材料、填充土、混凝土等)序号材料名称规格型号检验项目检验标准检验结果...2.施工工艺质量检验结果(根据具体工程需求进行列举,如土方开挖、填充工艺、浇筑工艺等)序号工艺名称检验项目检验标准检验结果...三、质量验收结论1.材料质量验收结论(根据检验结果判定材料质量是否符合标准要求,如合格、不合格等)2.施工工艺质量验收结论(根据检验结果判定施工工艺是否符合标准要求,如合格、不合格等)四、存在问题及处理措施1.存在的主要问题(根据检验结果列举存在的主要问题,如施工质量不符合标准要求、工艺操作不规范等)2.处理措施(针对存在的问题提出相应的处理措施,如整改、返工等)五、质量验收意见(填写监理单位对质量验收的意见和建议)六、质量验收人员(填写参与质量验收的人员姓名、职务)施工单位负责人签字:________________________日期:____________监理单位负责人签字:________________________日期:____________以上为地基工程施工检验批质量验收记录,记录了检验批名称、检验批编号、检验批数量、合格数量、不合格数量,以及施工材料质量和工艺质量的检验结果。
根据检验结果做出了质量验收结论,并针对存在的问题提出了处理措施。
钢筋混凝土扩展基础分项工程验收记录1. 引言在工程建设的世界里,钢筋混凝土基础就像是大楼的“脚”,稳稳地支撑着整个结构。
想象一下,咱们要建一座气派的高楼,第一步肯定是要给这“脚”打好基础。
今天,就让我带你走进钢筋混凝土扩展基础的验收过程,看看这一切是如何进行的。
就像老话说的,“打铁还需自身硬”,基础工作可绝对马虎不得啊!2. 基础知识2.1 什么是钢筋混凝土扩展基础?说到钢筋混凝土扩展基础,乍一听可能觉得挺复杂,其实没那么神秘。
简单来说,它就是在基础底部加宽,增强承载力的一种基础形式。
就好比穿鞋子的时候,要选个合脚的,不然你走路时肯定会不舒服。
这个基础可不仅仅是为了让建筑物立得更稳,也是为了确保上面的一切能够安然无恙。
2.2 施工过程施工过程中,咱们可得先做好准备工作。
首先,测量和放线可是一门大学问,得确保位置精准。
然后,挖土、浇筑混凝土、铺设钢筋,每一步都得细心对待,就像做一道拿手好菜,材料新鲜才能味道佳。
混凝土浇筑时,得确保没有气泡、裂缝,想象一下,如果你买的豆腐脑里全是气泡,那还真是让人哭笑不得呢。
3. 验收标准3.1 验收前的准备验收可不是随便走个过场,得提前做好功课,准备齐全的资料,像是施工记录、检测报告等等,缺一不可。
要知道,“兵马未动,粮草先行”,没有准备可就等着遭殃了。
3.2 现场验收现场验收时,得仔细观察每个细节。
咱们的验收团队就像是专业的侦探,目光如炬,任何小问题都逃不过他们的眼睛。
比如说,混凝土的强度得符合标准,钢筋的数量和位置也不能出错。
这时候,你得对着那些钢筋和混凝土,心里默默念:“你们可一定要给力啊!”4. 常见问题及解决办法4.1 常见问题验收过程中,常常会碰到一些问题,比如说混凝土强度不足、钢筋位置偏移等。
这些问题就像是生活中的小麻烦,时不时就冒出来,让人烦不胜烦。
不过别急,这可不是世界末日,咱们总有办法解决。
4.2 解决方案遇到这些情况,首先得保持冷静。
可以通过重新浇筑、加固措施等方式来解决,就像换个角度看问题,有时候问题看似大,其实解决起来并不难。