粗集料洛杉矶磨耗试验记录表
- 格式:xls
- 大小:34.50 KB
- 文档页数:9
粗集料筛分试验记录表
样品名称:样品编号:
工程名称:** 机场跑道及滑行道大修工程一标段检测日期:
样品描述:试验室温度/湿度:试验规程:JTG E42-2005(T0302-2005)
试验:复核:
样品名称:样品编号:
工程名称:** 机场跑道及滑行道大修工程一标段检测日期:
样品描述:试验室温度/湿度:试验规程:JTG E42-2005(T0310-2005)
试验:复核:
样品名称:样品编号:
工程名称:** 机场跑道及滑行道大修工程一标段检测日期:
样品描述:试验室温度/湿度:试验规程:JTG E42-2005(T0305-1994)
试验:复核:
样品名称:样品编号:
工程名称:** 机场跑道及滑行道大修工程一标段检测日期:
样品描述:试验室温度/湿度:试验规程:JTG E42-2005(T0312-2005)
试验:复核:
粗集料磨耗试验记录表
样品名称:样品编号:
工程名称:** 机场跑道及滑行道大修工程一标段检测日期:
样品描述:试验室温度/湿度:试验规程:JTG E42-2005(T0317-2005)
试验:复核:
粗集料密度及吸水率试验(网篮法)记录表样品名称:样品编号:
工程名称:** 机场跑道及滑行道大修工程一标段检测日期:
样品描述:试验室温度/湿度:试验规程:JTG E42-2005(T0304-2005)
试验:复核:。
粗集料的磨耗试验洛杉矶法THUA system office room 【HUA16H-TTMS2A-HUAS8Q8-HUAH1688】?粗集料的磨耗试验(洛杉矶法)(T0317—2005)公路工程集料试验规程JTGE42—2005(沥青混凝土用)一、试验目的?测定标准条件下粗集料抵抗摩擦﹑撞击的能力,以磨耗损失(%)表示。
二、仪器设备?1、洛杉矶磨耗试验机:圆筒内径710mm±5mm﹑内侧长510mm±5mm,两端封闭,投料口的钢盖对过坚固螺栓和橡胶垫与钢筒密封。
钢筒的回转率为30r/min~33r/min。
2、钢球:直径约46.8mm,质量为390g~445g,大小稍有不同,以便按要求组合成符合要求的总质量。
3、电子秤称量:10kg,感量不大于1g?4、标准筛(方孔筛):符合要求的标准筛系列﹑1.7mm方孔筛一只。
5、烘箱及容器(搪瓷盘)三、试验步骤?1、将不同规格的集料用水冲洗干净,置烘箱中烘干至恒重。
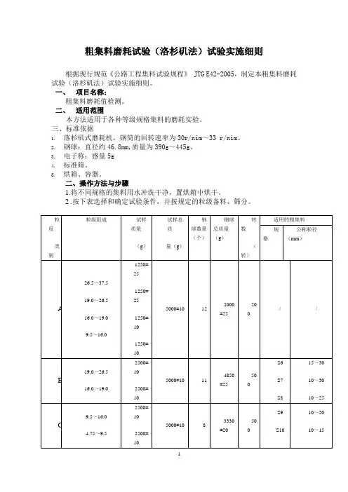
2、对所使用的集料,根据实际情况按表T0317-1选择最接近的粒级类别,确定相应的试验条件,按规定的粒级组成备料筛分。
其中水泥混凝土用集料宜采用A级粒度:沥青路面及各种基层、底基层的粗集料,表中16mm筛孔也可用13.2mm筛孔代替。
对非规格材料,应根据材料的实际粒度,从表中T3017-1中选择最接近的粒级类别及试验条件。
表T0317-1粗集料洛杉矶试验条件注意事项a、C级中S12可全部采用4.75-9.5mm颗粒5000g,S10可全部采用9.5-16mm颗粒5000g。
3、将试样装入试验机中,并使钢球总质量和数量满足要求;4、将计数器调整到零位,设定要求的回转次数(本试验用500转),开动磨耗机以30r/min~33r/min转速转动至要求的回转次数为止。
5、取出钢球,将经过磨耗后试样从投料口倒入接受容器(搪瓷盘)中。
6、将试样用1.7mm方孔筛过筛,筛去试样中被撞击磨碎的细屑。
洛杉矶磨耗试验机(自校)检定规程(依据JTGE42-2005 T0317-2005编制)本规程适用于新制造和使用中的洛杉矶磨耗试验机的检定。
㈠概述洛杉矶磨耗试验机是粗集料磨耗试验方法中测定洛杉矶磨耗损失的专用设备,其结构尺寸应符合规定技术的要求。
㈡技术要求1.洛杉矶磨耗试验机应有铭牌,其中包括型号规格、生产厂名、出厂编号与日期。
2.洛杉矶磨耗试验机计数器:能按照设定的转数有效执行。
3.洛杉矶磨耗试验机钢质试验筒内径:4.洛杉矶磨耗试验机钢质试验筒内侧长度:510mm±5mm。
5.洛杉矶磨耗试验机钢质试验筒转动速率:30r/min-33r/min。
6.洛杉矶磨耗试验机钢球直径:46.8mm。
7.洛杉矶磨耗试验机钢球质量:390g-445g。
㈢检验用器具1.钢直尺:量程500mm,分度值1mm;量程300mm,分度值1mm。
2.游标卡尺:量程200mm,分度值0.02mm。
3.秒表:量程15min,分度值0.1s。
5.电子秤:分度值0.5g。
㈣检验项目和检定方法1.外观检定目测检查。
2.洛杉矶磨耗试验机计数器的检定按设置的次数,人工计数核对。
3.洛杉矶磨耗试验机钢质试验筒内径的检定用钢直尺检查。
4.洛杉矶磨耗试验机钢质试验筒内侧长度的检定用钢直尺检查。
5.洛杉矶磨耗试验机钢质试验筒转动速率的检定转动500转,用秒表计时,计算每min的转数。
6.洛杉矶磨耗试验机钢直径的检定用游标卡尺检查。
7.洛杉矶磨耗试验机钢球质量的检定用电子秤检查。
㈤检定结果处理1.洛杉矶磨耗试验机全部符合技术要求方为合格。
2.检定周期为一年。
附录一洛杉矶磨耗试验机(自校)检定记录格式检定员:核验员:。
粗集料磨耗试验记录表(洛杉矶法)
实验目的
通过洛杉矶法测定粗集料的耐磨性能,评估其在路面使用中的耐久性能。
实验设备
•洛杉矶磨损试验机
•加标准铁球
实验方法
1.取适量的粗集料样品,并进行筛分;
2.用洛杉矶磨损试验机进行试验,将样品置于洛杉矶磨损试
验机的长桶中;
3.开启洛杉矶磨损试验机,将长桶水平放置,并使其旋转
500次;
4.取出样品,进行筛分,记录数量,并计算其磨损量。
实验数据
样品编号原始质量/g经500次磨损后质量/g磨损量/g 110009955
2100099010
310009937
实验结果
根据实验数据可得,经过500次磨损后,粗集料的磨损量分别为
5g、10g、7g。
实验结论
通过洛杉矶法测定,可得粗集料样品的磨损量,从而评估其在路面
使用中的耐久性能。
本实验结果表明,样品2的磨损量最大,因此其
在路面使用过程中的耐久性能较差,需要注意其使用范围和使用寿命。
实验注意事项
•洛杉矶磨损试验机的加标准铁球的数量应该与规范要求一致;
•粗集料样品在试验过程中应该被均匀地磨损,试验前应当进行筛分处理;
•重复多次试验可以提高实验数据的可靠性;
•实验结果应当进行统计分析,才可以得出有价值的结论。
参考文献
1.《公路养护工程技术规范》(JTJ F30-01-2004);
2.《洛杉矶磨损试验机使用说明书》。
实验四:石料(粗集料)的强度和磨耗试验一、实验目的单轴抗压强度试验是测定规则形状岩石式样单轴抗压强度的方法。
只要用于岩石的强度分级和岩性描述。
本法采用饱水状态下的岩石立方体(或圆柱体)试件的抗压强度来评定岩石强度(包括碎石或卵石的原始岩石强度)。
注:在某些情况下,对于某些材料可以要求试件具有其它的含水量,如天然含水量(此时要求试样保管期不超过3od )或在105 ±5℃下烘至绝对干操的含水量。
这种含水量要在试验报告中注明。
集料压碎值用于衡量石料在逐渐增加的荷载下抵抗压碎的能力,是衡量石料力学性质的指标,以评定其在公路工程中的适用性。
磨耗试验用于测定标准条件下粗集料抵抗摩擦、撞击的能力,以磨耗损失(%)表示。
本方法适用于各种等级规格集料的磨耗试验。
二、试验原理详见实验目的、实验内容。
三、预习要求1、理解单轴抗压强度、压碎值、磨耗值的概念及应用,了解试验原理。
2、了解试验仪器及设备的用法,掌握石料(粗集料)的强度和磨耗试验方法。
四、实验仪器(1) 单轴抗压强度试验仪器1、检验合格且能很好地按所要求的速率加载的300 -2000kN 的压力试验机。
2、试件两端的承压板为洛氏硬度不低于HRC58 的圆盘钢板,压板直径应大于试件直径D +2mm 或试件承压面对角线,压板厚度至少为15mm ,圆盘表面应磨光,其平面度公差应小于0 . 005mm 。
3、两压板之一应是球面座。
球面座应放在试件的上端面,并用矿物油稍加润滑.以使在滑块自重作用下仍能闭锁。
试件、压板和球面座要精确的彼此对中,并与加载机器设备对中,球面座的曲率中心应与试件端面的中心相重合。
4、切石机或钻石机、磨平机。
5、游标卡尺(精度0.lmm )、角尺及水池等。
注:压力机吨位的选择视试件的破坏荷载大小而定。
一般试件的破坏荷载宜大于压力机(度盘)最大吨位的30%、小于其80% ,所测结果较为准确。
(2)压碎值试验仪器1、石料压碎值试验仪:由内径150㎜、两端开口的钢制圆形试筒、压柱和底板组成,其形状和尺寸见图4-1和表4-1。
粗集料筛分试验记录表样品名称:样品编号: 工程名称:** 机场跑道及滑行道大修工程一标段检测日期: 样品描述:试验室温度/湿度:试验规程:JTG E42-2005(T0302-2005)筛孔尺寸(mm )试样总质量(g )备注:分计筛余百分率(P i )计算公式:0.075100100iim P P m m 0—干燥集料总质量m i —各号筛上的分计筛余Pi —各筛上的分计筛余百分率1226.5 19 16 13.2 9.5 4.75 2.36 1.18 0.6 0.3 0.15 0.075 筛底m 底试验:复核:粗集料含泥量试验记录表样品名称:样品编号: 工程名称:** 机场跑道及滑行道大修工程一标段检测日期: 样品描述:试验室温度/湿度:试验规程:JTG E42-2005(T0310-2005)试验次数试验前的烘干试样质量0m ()g 试验后的烘干试样质量1m ()g 含泥量n Q (%)平均含量(%)12 备注:1100nQ m m mn Q —集料的含泥量(%);0m —试验前的烘干试样质量()g ;1m —试验后的烘干试样质量()g 。
试验:复核:粗集料含水率试验记录表样品名称:样品编号:工程名称:** 机场跑道及滑行道大修工程一标段检测日期:样品描述:试验室温度/湿度:试验规程:JTG E42-2005(T0305-1994)试验次数烘干前试样与容器总重m1(g)烘干后试样与容器总重m2(g)容器质量m3(g)含水率(%)平均值(%)12备注:试验:复核:粗集料针片状试验记录表样品名称:样品编号:工程名称:** 机场跑道及滑行道大修工程一标段检测日期:样品描述:试验室温度/湿度:试验规程:JTG E42-2005(T0312-2005)≥4.75mm1 2总质量m0(g)针片状m1(g)总质量m0(g)针片状m1(g)针片状含量(%)平均针片状含量(%)备注:针片状颗粒含量(Qe)计算公式:10100e mQm Qe—针片状颗粒含量(%)m0—试验用集料总质量(g)m1—针片状颗粒的质量(g)试验:复核:粗集料磨耗试验记录表样品名称:样品编号:工程名称:** 机场跑道及滑行道大修工程一标段检测日期:样品描述:试验室温度/湿度:试验规程:JTG E42-2005(T0317-2005)试验次数粒级组成(mm)钢球数量(个)转动次数(转)试样总质量1m g试验后烘干质量2m g磨耗值Q%平均值%12备注:121100m mQmQ—洛杉矶磨耗损失%;1m—装入圆筒中试样质量g;2m—试验后在 1.7mm筛上洗净烘干的试样质量g。