水表检定站项目进度计划报告
- 格式:pdf
- 大小:149.79 KB
- 文档页数:3
水表检定中心年度工作计划一、前言水表检定中心是负责对水表进行检定和核准的机构,其主要工作是确保水表测量准确性和公平性,保障用户和供水企业的权益。
为了提高工作效率、确保检定质量、推动水表行业的健康发展,制定一份年度工作计划是必要的。
本计划旨在明确工作目标、任务分工和时间安排,为检定中心的工作提供有力保障。
二、工作目标1. 提高检定质量:确保水表检定的准确性和可靠性,提高检定的精确度和效率,避免因检定不准造成的浪费和争议。
2. 完善工作机制:建立健全水表检定的工作机制,加强与相关部门的合作与沟通,提高工作效率和协同作战能力。
3. 健康发展水表行业:加强水表检定人员的培训和技术交流,提高行业整体素质和技术水平,推动水表行业的合规发展。
三、工作任务1. 完善检定标准和方法:结合国内外水表检定技术的最新发展,修订并完善检定标准和方法,提高检定结果的准确性和公正性。
2. 建立检定记录和档案:规范检定过程中的记录和档案管理工作,建立档案数据库,便于检索和追溯,为质量监管和资料查询提供依据。
3. 定期检定计划:根据水表使用情况和检定需求,制定定期检定计划,确保水表的检定覆盖率和检定周期符合要求,减少违法使用现象。
4. 培训与交流:组织水表检定人员参加培训和技术交流活动,提高专业知识和技能水平,推动行业技术进步。
5. 质量监管:建立水表检定质量监管系统,加强对检定结果的抽查和复核工作,确保检定结果的准确性和一致性。
6. 制定检定费用标准:根据成本和市场需求,制定水表检定的费用标准,合理确定检定收费,确保检定中心的经营可持续性。
四、工作计划1. 修订检定标准和方法1.1 建立专家小组,收集相关文献和资料,分析和评估国内外水表检定的最新发展和经验。
1.2 召开专家讨论会,制定修订方案,明确修订的重点和内容。
1.3 根据修订方案逐项修订、制定规范,确保修订的科学性和实用性。
1.4 开展评估和试用,收集修订后标准和方法的效果反馈,改进和完善修订成果。
2024年水利基建工程质量监督站总结及下一年计划打算2024年是水利基建工程质量监督站发展进程中的关键一年。
经过全体员工的共同努力,我们在过去的一年里取得了一定的成绩,同时也面临了一些挑战。
在这里,我们将对2024年的工作进行总结,并制定下一年的计划。
一、2024年总结1.完成工作目标:根据年初制定的工作计划,我们圆满完成了各项工作任务。
包括对水利基建工程开展质量监督,发现和整改问题,提升了工程建设质量;开展培训措施,提高了员工的技能和专业素质;与相关部门密切配合,保障了工作的顺利开展。
2.加强监督检查:我们加强了对水利基建工程的监督检查力度,发现并纠正了一批重大质量问题,有效提升了水利基建工程的整体质量水平。
通过专业技术监督、现场抽查等方式,加大了对工程质量的监督,减少了工程质量问题的发生。
3.推进信息化建设:我们积极推进了信息化建设,建立了全面的工程质量监督信息系统,实现了对工程质量数据的及时收集、统计和分析。
这为我们提供了更加准确全面的数据支持,有助于提高工程质量监督工作的效能。
4.强化团队建设:我们注重团队建设,加强了员工培训和业务技能的提升。
通过技术交流、学习培训等活动,提高了员工的专业素质和工作能力。
同时,我们注重激励机制和团队文化建设,营造了和谐、稳定的工作环境。
二、2024年计划1.提升监督能力:继续加强对水利基建工程的监督检查力度,提升监督能力。
加强对工程质量监督人员的培训和专业素养的提升,提高工作的准确性和效率。
同时,加强与相关部门和企业的沟通和协作,建立良好的合作关系,共同推进工程质量的提升。
2.深化信息化建设:进一步完善工程质量监督信息系统,实现对工程质量数据的集中管理和分析。
通过大数据分析和人工智能等技术手段,提高工作的智能化水平,为监督工作提供更好的支持和决策参考。
3.加强质量宣传:加强对水利基建工程质量的宣传教育工作,提高公众对工程质量的认知和重视程度。
通过开展质量知识讲座、技术交流会等活动,提高公众对工程质量监督工作的了解和信任,共同营造尊重工程质量的良好氛围。
水表检定半年总结汇报表尊敬的领导:水表检定工作是我单位的一项重要任务,经过半年的努力,我向您汇报一下这段时间的工作情况和成果。
一、工作概况半年来,我单位共检定了1000余台水表。
按照检定要求,我们按时对各类水表进行了计量性能和实用性能的检验,发现和排除了一些隐患问题,确保了水表的计量准确性和正常工作。
同时,我们对水表的防护装置、密封件和防尘防水措施进行了全面检测,提高了水表的稳定性和使用寿命。
二、工作亮点在水表检定工作中,我们注重技术创新和管理创新,取得了一些亮点成绩。
1. 引进先进设备与技术:我们增加了一台先进的电子水表检定系统,实现了水表的自动化检测和精准度判定,提高了检定效率和准确性。
2. 建立完善的档案管理制度:我们建立了水表检定档案,对每一台检定过的水表进行详细记录,包括检定时间、检定结果、使用情况等。
这为今后对水表使用情况的监控和评估提供了有力的依据。
3. 提高效能:我们优化了工作流程,简化了检定程序和文件报表的编制,节约了大量时间和人力资源,并提高了检定的准确性和规范性。
三、存在的问题与改进措施在这半年的工作中,我们意识到还存在一些问题,需要及时纠正和改进。
1. 检定流程中的疏漏:由于工作量较大,有时会存在一些遗漏或疏忽,导致一些水表未能及时检定或检定不完全。
针对该问题,我们将进一步规范和完善检定流程,加强工作安排和时间管理,确保每个环节的严谨性和规范性。
2. 设备和技术更新需求:虽然我们已经引进了先进的电子水表检定系统,但仍有一些老旧设备和技术存在使用效果的限制。
我们计划在下半年进行设备和技术的更新,提高检定的准确性和效率。
3. 团队协作与沟通交流:由于工作量大、任务重,团队成员之间的协作和沟通有时存在不畅,导致工作效率低下和工作质量下降。
我们将加强团队培训和团队建设,提高团队合作能力和沟通效果。
四、工作展望我们将继续努力,加强水表检定工作。
下半年我们的主要工作重点将是:1. 提高检定效率和准确性:通过加强工作流程、设备更新和技术培训,提高水表检定的效率和准确性。
水表检定年度工作计划一、背景概述水表是衡量水量的重要工具,准确性和可靠性对于水务行业至关重要。
为了保证水表的准确性和可靠性,需要定期对水表进行检定。
水表检定是指根据国家标准和相关规定对水表进行检验,以验证其准确性和可靠性的过程。
本年度工作计划旨在制定水表检定工作的具体目标和计划,以确保水表检定工作的顺利进行。
二、工作目标1. 准确检定水表的准确性和可靠性,确保用户缴费的准确性和合理性。
2. 提高水表检定的效率和质量,减少检定过程中的错误和漏检。
3. 完善检定记录的管理和归档,为水表的维护和更新提供参考。
4. 加强与相关部门和水务公司的合作,共同推动水表检定工作的顺利进行。
三、工作内容1. 制定水表检定的具体标准和流程,明确检定的时间、地点和人员。
2. 定期组织水表的站点检定,确保检定的覆盖范围和深度。
3. 对异常水表进行抽样检验,并针对性地进行调查和处理。
4. 加强对检定人员的培训和管理,提高他们的技能和专业素质。
5. 完善检定记录的管理和归档,确保数据的完整性和安全性。
6. 加强与水务公司的合作,及时沟通和解决问题。
7. 定期对检定结果进行分析和评估,及时提出改进措施。
四、工作计划1. 每月制定水表检定工作的具体计划,并及时通知相关部门和水务公司。
2. 每季度组织水表的站点检定,确保按时完成检定任务。
3. 每季度对异常水表进行抽样检验,并及时调查和处理。
4. 每年向水务公司提交水表检定报告,总结检定情况和存在的问题,并提出改进建议。
5. 每年对检定结果进行分析和评估,及时提出改进措施,并组织相关培训。
五、工作措施1. 加强对水表检定标准和流程的培训,提高检定人员的技术水平。
2. 引进先进的水表检定设备和技术,提高检定的效率和质量。
3. 建立完善的检定记录和数据库,方便数据的管理和分析。
4. 加强与相关部门和水务公司的合作,及时解决检定过程中的问题和困难。
5. 定期组织检定结果的分析会议,总结经验和教训,提出改进建议。
提高水表准确性与智能化改造计划本次工作计划介绍:本次工作计划旨在提高水表准确性与智能化改造。
工作环境为水表维护部门,主要工作内容包括:1.数据分析:收集并分析现有的水表数据,找出存在问题的原因,以及确定改造的优先级。
2.实施策略:根据数据分析的结果,制定智能化的改造策略,包括选择合适的智能水表、建立数据管理系统、确定通信协议等。
3.改造计划:根据实施策略,制定详细的改造计划,包括时间表、预算、人员配置等。
4.人员培训:为保证改造计划的顺利实施,需要对相关人员进行培训,包括操作人员和管理人员。
5.效果评估:在改造计划实施完成后,需要对智能水表的准确性和稳定性进行评估,以确保改造达到了预期的效果。
本次工作计划注重数据分析和实施策略,以确保改造计划的科学性和实用性。
同时,工作计划中还考虑了人员培训和效果评估,以确保改造计划的顺利实施和长期稳定性。
以下是详细内容:一、工作背景随着城市化进程的加速和人口的增长,水资源的利用和管理越来越受到重视。
然而,现有的水表设备普遍存在准确性问题,不仅给水费的收取带来了困难,也对水资源的合理利用和管理带来了挑战。
因此,本次工作计划旨在提高水表准确性与智能化改造,以实现更高效、更准确的水资源管理和利用。
二、工作内容本次工作主要包括以下内容:1.数据收集与分析:收集现有的水表数据,对数据进行分析和处理,找出存在的问题和不足,确定改造的优先级和方向。
2.设备选型与技术方案:根据数据分析的结果,选择合适的智能水表和通信协议,制定详细的设备选型和技术方案。
3.系统设计与开发:根据设备选型和技术方案,设计并开发数据管理系统和通信系统,确保数据的准确性和可靠性。
4.人员培训与管理:为保证改造计划的顺利实施,需要对相关人员进行培训和管理,包括操作人员和管理人员。
5.效果评估与优化:在改造计划实施完成后,需要对智能水表的准确性和稳定性进行评估,并根据评估结果进行优化和改进。
三、工作目标与任务本次工作的目标是通过提高水表准确性与智能化改造,实现更高效、更准确的水资源管理和利用。
厦门水表检定站水表检测报告范本按集团公司要求,新水表检定站的建设标准将瞄准国内行业中领先技术水平,为保证新水表检定站建设的顺利实施和项目的精细化管理,使工程安全、质量、进度得到有效控制,确保新水表检定站如期上线,为20xx年度计量标准授权考核的全面完成提供有力保障,现就新水表检定站的项目进度计划汇报如下:一、项目概述新水表检定站位于蜀山区供水所,呈矩形,东西宽49m,南北深21m,层高9.2m分两层建筑,约占地面积968㎡,总建筑面积1717㎡,提供12-16个小口径水表检定台位,1个大口径水表检定台位,3个远传水表电子信号误差检定台位,2个耐压试验台位,除检定区、泵压区外,水表检定站还设有表库、维修间、废料间、用户接待室、办公区等功能分区,用水采用循环水系统,暖通系统采用中央空调系统,工程于20xx年4月开始筹备,计划20xx年底完成土建施工及设备安装。
二、项目概算新水表检定站按国内行业内领先标准建设,预估概算如下:1、住房建设土建:260万元;2、水电暖通设备:50万元;3、水表检定装置:486万元;4、检定站内部装修:150万元;总计:946万元。
三、项目进度计划说明新水表检定站建设分为七个阶段进行,分别为设计阶段、项目准备阶段、采购阶段、施工安装阶段、培训阶段、考核验收阶段、收尾阶段。
项目各个阶段内容说明如下:1、设计阶段:该阶段主要任务是对水表检定站的土建、设备提出初步设计,并通过外出考察、专家论证会的方式对初步设计提出更改和完善,最终确定新水表检定站的土建及设备方案。
阶段期限:20xx 年9月30日。
2、项目准备阶段:该阶段主要任务是新水表检定站的场地选址及该项目的报批报备手续,场地选址现已完成,定在蜀山区供水所,但项目的报批报备由于涉及到上级部门的流程操作,耽误时间较长,是该项目不可控环节,易延误工期。
阶段期限:20xx年8月31日。
3、采购阶段:该阶段主要任务是土建、设备的同步招标及设备的备货,该阶段的难点之一是由于土建及设备采购金额较大,因此若采用招投标的形式,则该阶段在市采购中心操作,流程占用时间较长(约2个月),成为项目中又一个不可控环节,难点之二是供货厂家的备货时间较长(2个月左右),因工期较紧,因此不可能给厂家太多时间备货(最多1个月),易延误工期。
计量标准技术报告计量标准名称水表校验台计量标准负责人建标单位名称(公章)填写日期目录一、建立计量标准的目的、计量标准的工作原理及其组成---------------------------------- ( 2 )二、选用的计量标准器及主要配套设备------------------------------------------------------- ( 3 )三、计量标准的主要技术指标------------------------------------------------------------------- ( 4 )四、环境条件---------------------------------------------------------------------------------------- ( 5 )五、计量标准的量值传递框图------------------------------------------------------------------- ( 6 )六、计量标准的测量重复性考核---------------------------------------------------------------- ( 7 )七、计量标准的稳定性考核---------------------------------------------------------------------- ( 8 )八、测量不确定度评定---------------------------------------------------------------------------- ( 9 )九、计量标准的测量不确定度验证------------------------------------------------------------- ( 12)十、结论---------------------------------------------------------------------------------------------- (13) 十一、附加说明------------------------------------------------------------------------------------- (13)一、建立计量标准的目的、计量标准的工作原理及其组成一、目的水表是强制检定计量器具,直接影响到供水单计量结算的准确性和消费者的利益,为完成计量器具的强制检定工作,保证供水行业计量准确可靠,特建立水表检定装置。
水表校准测试报告1. 引言水表校准测试报告旨在对水表的准确性进行评估。
本报告将介绍测试方法、测试结果和结论,并提出一些建议以改善水表的准确性。
2. 测试方法测试采用以下步骤进行:1.准备水表和流量源。
2.将流量源连接到水表的进水口,并确保连接牢固。
3.通过流量源控制流经水表的水流。
4.使用一个已校准的标准水表来确定流经测试水表的流量。
5.测试不同流量下的水表读数。
6.重复步骤2-5,直到得到足够的数据点。
7.分析数据并计算水表的误差。
3. 测试结果我们进行了多个测试运行来验证水表的准确性。
下表显示了不同流量下的测试结果。
流量 (L/min) 水表读数 (L/min) 标准流量 (L/min) 误差 (L/min)5 4.8 5 -0.210 9.6 10 -0.415 14.7 15 -0.320 19.8 20 -0.225 24.9 25 -0.1从上表中可以看出,在不同流量下,水表的读数均存在一定的误差。
在最高流量下,误差最大为-0.4 L/min。
根据这些测试结果,我们可以得出结论:该水表在高流量情况下会产生较大的误差。
4. 结论根据测试结果,我们得出以下结论:1.该水表对于低流量下的计量较准确,但在高流量下存在一定的误差。
2.这种误差可能是由于水表内部机械结构或材料的问题导致的。
3.建议对该水表进行更详细的内部检查,以确定可能的问题原因。
4.建议定期对该水表进行校准,以确保准确度。
5. 建议基于测试结果和结论,我们提出以下改进建议:1.对该水表内部机械部件进行检查,并修复或更换可能存在问题的部件。
2.定期对该水表进行校准,以确保准确度,并进行记录。
3.在高流量使用场景中,可以考虑使用更精确的水表,以提高计量准确性。
6. 总结通过水表校准测试,我们发现该水表在高流量下存在一定的误差。
建议对其进行检查和校准,并在高流量使用场景中考虑使用更精确的水表。
这将有助于确保水表的准确性和可靠性。
以上是水表校准测试报告的内容。
水表项目计划书项目概述该项目旨在开发一套智能水表系统,以提供准确、高效的水表计量和管理功能。
系统将通过安装在用户家庭或企业水表上的智能装置,实现远程抄表、数据监测、异常预警等功能。
同时,系统还将提供数据分析和报表生成功能,以帮助用户合理用水和监测水表数据。
此计划书将详细描述项目的目标、范围、时间表和资源分配,确保项目按时、按需完成。
项目目标•开发一套智能水表系统,确保准确的水表计量。
•实现远程抄表和数据监测功能,提高效率和便捷性。
•提供异常预警功能,及时发现和处理水表故障。
•提供数据分析和报表生成功能,帮助用户更好地管理用水和监测水表数据。
项目范围主要功能1.智能水表装置:设计、制造和安装在用户水表上的智能装置,用于实现计量功能。
2.远程抄表系统:开发一个平台,用于远程抄表和实时数据监测。
3.异常预警系统:通过实时数据监测功能,及时发现并预警水表故障和异常。
4.数据分析和报表生成系统:根据用户需求,提供数据分析和报表生成功能。
非主要功能1.支持手机APP:为用户提供手机应用程序,方便远程抄表和数据监测。
2.支持Web端访问:用户可以通过网页登录系统,实现远程抄表和数据监测功能。
3.支持多种水表类型:系统将支持各种不同型号和类型的水表。
项目时间表以下是项目的大致时间表:•需求分析和规划阶段:2周•设计和开发阶段:2个月•测试和优化阶段:1个月•部署和上线阶段:2周•维护和运营阶段:持续进行项目资源分配项目将需要以下资源:1.项目经理:负责项目的整体规划和执行,协调各个团队成员的工作。
预计需1人全职工作。
2.开发团队:包括软件开发人员、硬件工程师、测试人员等,共计需10人,其中包括3名全职软件开发人员和2名全职硬件工程师。
3.设备和材料:包括开发和测试所需的计算机、服务器、开发工具等设备,以及制造智能水表装置所需的材料和零件。
4.项目预算:根据项目需求和范围,进行预算编制和资源调配。
项目风险和挑战1.技术挑战:开发智能水表系统需要掌握嵌入式软件开发和硬件制造技术。
水表检定专项实施方案水表检定是保证水表计量准确性,有效监督水资源利用和计费的重要环节。
为了确保水表检定工作的科学性、规范性和高效性,制定水表检定专项实施方案十分必要。
本文将针对水表检定的具体内容和实施步骤,提出一份水表检定专项实施方案。
一、检定范围和目标1. 检定范围:本方案适用于城市供水系统内的全部水表。
2. 检定目标:确保水表计量准确性,保证用户计费公平合理,监督水资源合理利用。
二、组织机构和职责分工1. 检定机构:建立专门的水表检定机构,负责具体的检定工作。
2. 检定人员:从具备水表检定相关知识和经验的人员中选拔,经过专门培训合格后才能进行检定工作。
3. 职责分工:- 检定机构负责制定检定方案、指导和监督检定工作的实施;- 检定人员负责具体的水表检定工作,保证检定的准确性和科学性。
三、检定方法和周期1. 检定方法:采用标准检定设备对水表进行定量和定期的检定。
2. 检定周期:一般建议每两年对水表进行一次检定。
- 对于高精度要求的水表,检定周期可缩短至一年;- 对于低精度要求的水表,检定周期可延长至三年。
四、检定流程和步骤1. 检定准备:- 确定检定时间和地点;- 准备检定设备和工具;- 运输和存储检定设备;- 按照检定要求,组织人员进行培训;- 制定检定方案。
2. 检定操作:- 根据方案,选择合适的检定设备;- 将待检水表与设备相连接;- 正确设置检定参数;- 进行标定检定或样点检定;- 记录检定结果;- 移除检定设备。
3. 检定结果处理:- 对检定结果进行统计和分析;- 制定处理措施:- 对计量误差超过规定标准的水表,应进行修理或更换;- 对计量误差在可接受范围内的水表,应予以标记;4. 检定报告编制:- 撰写检定报告,明确检定结果;- 按照规定流程上报报告,并进行备案。
五、质量控制和监督管理1. 质量控制:- 确保检定设备的准确性和精度;- 对检定操作人员进行培训和考核;- 建立质量管理制度,确保检定工作的科学性和规范性。
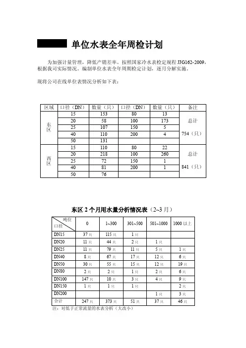
单位水表全年周检计划
为加强计量管理,降低产销差率。
按照国家冷水表检定规程JJG162-2009,根据我司实际情况。
编制单位水表全年周期检定计划,逐月分解实施。
现将公司在线单位表情况分析如下表:
东区2个月用水量分析情况表(2~3月)
西区2个月用水量分析情况表(2~3月)
检定周期:
对于标称口径小于或等于50毫米、且常用流量Q3不超过16立方米/小时,用于贸易结算的水表只作首次强制检定,限期使用,到期轮换(标称口径25毫米及以下的水表使用期限一般不超过6年;标称口径大于25至50毫米的水表使用期限一般不超过4年);对于标称口径大于50毫米或常用流量Q3超过16立方米/小时的水表检定周期一般为2年。
注:根据用水量偏大的水表检定周期为一年。
对DN40及以上口径的计费水表由以前的一般周检管理模式调整为动态周检管理模式,即综合考虑水表口径、水表实际用水量大小等多方面因素,并根据国家计量管理有关规定,分别规定水表的检定周期,实行非固定周检管理模式。
水表校修中心。
水利基建工程质量监督站2023总结及2024年计划打算一、引言水利基建工程质量监督站作为水利项目建设的监管机构,负责监督和保障水利工程的建设质量。
2023年是我们站的成立之初,我们在这一年里努力工作,取得了一定的成绩。
同时,我们也要对2024年的工作做出计划和打算,以进一步提升水利工程的质量水平。
二、2023年总结1. 工作内容在2023年,我们站主要开展了以下几个方面的工作: 1. 水利工程项目的质量监督和检查:我们对各类水利工程项目进行了全方位的质量监督,包括工程设计、施工过程以及竣工验收等各个环节。
2. 质量问题的处理和整改:对于发现的质量问题,我们及时进行处理和整改,确保水利工程建设的质量安全。
3. 人员培训和技术支持:我们组织了一系列的培训活动,提升了工作人员的专业水平,并为项目施工方提供了技术支持和指导。
2. 工作成绩通过我们2023年的工作努力,我们取得了以下几个方面的成绩: 1. 完成了计划内的水利工程项目监督和检查任务,并对其中的问题进行了及时处理和整改。
2. 成立了专业的技术团队,提升了工作人员的专业素质和水平。
3. 在与相关单位的合作中建立了良好的工作关系,增强了合作共赢的信任和互动。
三、2024年计划1. 工作目标2024年,我们将继续努力,进一步提升水利工程的质量,实现以下几个目标:1. 提高工作效率:通过优化工作流程和技术手段,提高工作效率,确保项目的质量监督和检查工作能够更加高效地进行。
2. 加强技术支持:建立更加稳定和全面的技术支持体系,为水利工程项目的施工方提供更加专业和贴心的服务。
3. 深化合作共赢:继续加强与相关单位的合作,拓宽合作领域,实现互利共赢,共同推动水利工程质量的提升。
2. 工作计划为了实现上述目标,我们将在2024年做出以下几方面的计划和打算: 1. 加强人员培训:通过组织培训班、开展技术交流等方式,不断提升工作人员的专业素质和能力。
自来水供水工程施工进度报告尊敬的各位领导、各位同事:我在此向您们汇报自来水供水工程的施工进度。
经过我们工程团队的协同努力,目前项目已经完成了总体进度的70%。
以下是具体的施工进度报告:一、前期准备工作在项目启动阶段,我们进行了详细而全面的前期准备工作,包括场地勘测、方案制定、施工图纸设计等。
同时,我们与相关部门进行了沟通协调,以确保施工顺利进行。
二、基础设施建设在基础设施建设方面,我们已完成了工程的地基处理、基础设施的建设等工作。
通过对地基进行处理,确保了工程的地基稳定性。
同时,我们按照规划设计图纸,完成了供水管道、供水设备等基础设施的建设工作。
三、管道敷设目前,我们已顺利完成了供水管道的敷设工作。
根据工程设计要求,我们采用了先进的材料和技术,确保了管道敷设过程的质量和规范性。
同时,我们还进行了必要的测试与检验,以验证管道的稳定性和安全性。
四、设备安装除了管道敷设,我们还完成了供水设备的安装工作。
通过与供应商的密切合作,我们按照要求、按时完成了设备的安装、调试和功能测试。
目前,所有设备均正常运行,满足了供水工程的运行需求。
五、质量把控在施工过程中,我们高度重视质量把控。
所有施工人员均经过专业培训,并持有相应的资质证书。
我们执行严格的施工方案,每个环节都有专门的质检人员进行把控和记录,确保施工质量符合相关标准和要求。
六、安全管理安全是我们工程施工的首要原则。
我们制定了详细的安全管理方案,并进行了全员培训,确保每位参与施工的人员都具备安全意识。
同时,我们配备了必要的安全设备,并定期进行安全巡检,及时处理施工过程中的隐患。
七、工程进度计划根据工程进度计划,我们已完成工程总体进度的70%,预计按照计划完成工程的时间节点。
我们将继续加强施工现场管理,确保施工进度的顺利推进,争取提前完成工程。
八、存在的问题及解决方案在项目施工过程中,我们也遇到了一些问题。
例如,施工现场周边交通不畅,影响了物资运输和设备安装等工作。
自来水工程项目进展汇报尊敬的领导:自来水工程项目自开始以来,经过各方的共同努力和精心的筹备,取得了可喜的进展。
本次汇报在以下几个方面向您做详细说明。
一、项目背景自来水工程项目旨在改善本地区居民的饮水条件,提高生活质量。
我们深知水资源问题是现代社会面临的重要挑战,因此,我们决定投资并推进该项目,确保本地区居民能够享受到清洁、安全的自来水。
二、勘探与规划阶段在项目启动之初,我们与专业机构进行了充分的勘探工作。
通过专业设备和技术手段,我们调查了本地区的水源情况、水质情况以及供水网络的现状。
根据调查结果,我们制定了详细的规划方案,确定了供水网络的建设路线和关键节点。
三、施工与设备采购在规划方案确定后,我们开始了施工工作。
我们严格按照施工计划进行,确保项目工期的顺利进行。
同时,为了保证工程质量,我们采购了先进的施工设备和高质量的材料。
通过严格的招标程序和供应商评审,我们最终选择了优质的设备供应商,并与其建立了稳定的合作关系。
四、管网建设自来水工程的核心是管网的建设。
我们根据实际情况,制定了管网敷设的具体方案。
在施工过程中,我们严把质量关,确保每一根水管的连接牢固、无渗漏。
同时,我们完善了管道标识和阀门安装,以方便后期维护和管理工作。
五、水质监测与净化处理为了确保供水质量,我们在项目中增设了水质监测系统,对供水管网进行定期的水质检测。
同时,我们也建设了水质净化处理设施,对于水源中的杂质和有害物质进行有效去除。
通过严格的水质监测和净化处理,我们能够为居民提供高品质的自来水。
六、进度与计划目前,自来水工程项目已经完成了前期工作的80%以上,主要包括管网建设和设备采购。
按照原定计划,项目预计将在今年年底前全部完工。
届时,将有更多居民受益于本项目的启动,享受到优质的自来水。
七、项目影响及展望自来水工程项目的顺利推进,将大大改善本地区居民的饮水条件,提高生活水平和健康指数。
同时,该项目还将为本地区的经济发展和社会稳定做出积极贡献。
水表施工组织方案一、项目概述水表施工是城市供水系统中的一个重要环节,是确保水量计量准确的关键步骤。
本项目旨在对城市供水系统中的水表进行更换和维修,以确保水表读数的准确性和供水系统的正常运行。
二、工程内容1.水表更换:对老旧水表进行更换,包括用户端和供水系统端的水表。
2.水表维修:对损坏或故障的水表进行维修和更换零部件。
三、项目进程安排1.前期准备工作(1)编制施工组织设计和实施细则。
(2)组织开展工程量调查,确定水表更换和维修的范围和数量。
(3)购买所需的水表和维修所需的零部件。
(4)与相关部门和业主进行沟通和协调,制定施工计划。
2.现场施工准备(1)搭建施工与作业区域的安全防护设施,确保施工现场安全。
(2)组织施工人员进行技术培训和安全教育,确保施工人员具备相关知识和技能,并熟悉施工流程和安全操作规范。
(3)准备施工所需的工具和设备,确保施工顺利进行。
(4)编制详细的施工进度计划和质量验收标准,保证施工质量和进度。
3.水表更换施工(1)按照施工计划,组织施工人员进行水表更换工作,首先对用户端的水表进行更换,然后对供水系统端的水表进行更换。
(2)在更换水表时,必须停水处理,需要提前通知用户,并做好临时供水措施。
(3)施工人员必须按照操作规范进行施工,防止损坏水表和供水系统设施,确保施工质量。
(4)更换完成后,对新安装的水表进行测试和校准,确保读数准确。
4.水表维修施工(1)对损坏或故障的水表进行维修和更换零部件,确保水表恢复正常使用。
(2)维修过程中,施工人员必须按照操作规范进行操作,确保维修质量。
(3)维修完成后,对水表进行测试和校准,确保恢复正常使用。
四、安全保障措施1.施工现场设置明显的安全警示标志,保持施工区域的通风良好,防止中毒事故的发生。
2.施工人员必须佩戴好安全帽、工作服、安全鞋等个人防护装备,确保施工人员的人身安全。
3.施工人员必须熟悉水表施工操作规范,严禁违章操作和乱扔工具等行为,确保施工过程中不产生人员伤害和设备损坏事故。
水表检定中心年度工作计划一、前言水表检定中心是负责对水表进行检定、定量、精确度和稳定性等相关性能的检测工作,以确保水表的计量准确性和稳定性,保障水资源使用的合理性和公平性。
水表检定中心年度工作计划是为了规范和指导水表检定工作,提高水表检定中心的工作效率和质量,以及保障水表计量的准确性和公正性。
二、总体目标1. 完成年度水表检定任务量;2. 提高水表检定中心的检定效率和质量;3. 不断改进和完善检定工作流程和技术标准;4. 加强水表检定中心的人员培训和管理;5. 提高水表检定中心的服务水平和社会信誉。
三、年度工作计划1. 完成年度水表检定任务量根据市场需求和行业发展情况,水表检定中心要提前制定年度检定计划,并根据实际情况进行调整和补充。
保证按时按量完成年度水表检定任务,确保检定工作的顺利进行和及时完成。
2. 提高水表检定中心的检定效率和质量加强对水表检定设备和仪器的维护和保养,确保设备的正常运转和工作效率。
同时,要加强对水表检定技术的研发和创新,提高检定方法和标准的科学性和精准性,提高检定的准确度和可靠性。
3. 不断改进和完善检定工作流程和技术标准水表检定中心要结合国家标准和行业要求,不断改进和完善检定工作流程和技术标准,提高检定工作的规范化和标准化水平。
要推广和应用先进的检定方法和技术,并确保检定结果的真实可靠。
4. 加强水表检定中心的人员培训和管理水表检定中心要加强对员工的培训和管理,提高员工的综合素质和专业技能。
同时,要建立健全的工作流程和质量管理体系,确保检定工作的规范和专业。
5. 提高水表检定中心的服务水平和社会信誉水表检定中心要树立良好的企业形象和社会信誉,提高服务水平和满意度。
要积极参与行业交流和合作,及时解决用户的问题和疑虑,增强用户对水表检定中心的信任和支持。
四、实施方案1. 制定年度水表检定计划水表检定中心要根据市场需求和行业发展情况,制定年度水表检定计划,并根据实际情况进行调整和补充。
新建水表检定站项目进度计划报告
按集团公司要求,新水表检定站的建设标准将瞄准国内行业中领先技术水平,为保证新水表检定站建设的顺利实施和项目的精细化管理,使工程安全、质量、进度得到有效控制,确保新水表检定站如期上线,为2013年度计量标准授权考核的全面完成提供有力保障,现就新水表检定站的项目进度计划汇报如下:
一、项目概述
新水表检定站位于蜀山区供水所,呈矩形,东西宽49m,南北深21m,层高9.2m分两层建筑,约占地面积968㎡,总建筑面积1717㎡,提供12-16个小口径水表检定台位,1个大口径水表检定台位,3个远传水表电子信号误差检定台位,2个耐压试验台位,除检定区、泵压区外,水表检定站还设有表库、维修间、废料间、用户接待室、办公区等功能分区,用水采用循环水系统,暖通系统采用中央空调系统,工程于2012年4月开始筹备,计划2012年底完成土建施工及设备安装。
二、项目概算
新水表检定站按国内行业内领先标准建设,预估概算如下:
1、住房建设土建:260万元;
2、水电暖通设备:50万元;
3、水表检定装置:486万元;
4、检定站内部装修:150万元;
总计:946万元。
三、项目进度计划说明
新水表检定站建设分为七个阶段进行,分别为设计阶段、项目准备阶段、采购阶段、施工安装阶段、培训阶段、考核验收阶段、收尾阶段。
项目各个阶段内容说明如下:
1、设计阶段:该阶段主要任务是对水表检定站的土建、设备提出初步设计,并通过外出考察、专家论证会的方式对初步设计提出更改和完善,最终确定新水表检定站的土建及设备方案。
阶段期限:2012年9月30日。
2、项目准备阶段:该阶段主要任务是新水表检定站的场地选址及该项目的报批报备手续,场地选址现已完成,定在蜀山区供水所,但项目的报批报备由于涉及到上级部门的流程操作,耽误时间较长,是该项目不可控环节,易延误工期。
阶段期限:2012年8月31日。
3、采购阶段:该阶段主要任务是土建、设备的同步招标及设备的备货,该阶段的难点之一是由于土建及设备采购金额较大,因此若采用招投标的形式,则该阶段在市采购中心操作,流程占用时间较长(约2个月),成为项目中又一个不可控环节,难点之二是供货厂家的备货时间较长(2个月左右),因工期较紧,因此不可能给厂家太多时间备货(最多1个月),易延误工期。
阶段期限:2012年10月31日。
4、施工安装阶段:该阶段主要任务是水表检定站的土建、内外装潢及检定设备的安装,建议土建施工、内外装潢及设备安装同步进行,由于工期较紧,不可能让这三项施工内容单独占用施工时间,在土建完成80%的同时就开始家具、电器、办公设备、内部装潢,保证同时完成土建与装潢。
阶段期限:2012年12月15日。
5、培训阶段:该阶段主要任务是人员设备操作培训、计量考核规范JJF1069-2012的建立、计量标准授权考核的准备等,为后期的考核验收阶段打下坚实的基础,阶段期限:2012年11月30日。
6、考核验收阶段:该阶段主要是邀请省、市质量技术监督局、省计量院对我水表检定站新设备的验收、复检、考核,该阶段的顺利完成是项目验收、设备验收的前提条件。
另外,该阶段的完成后,检定设备进入试运行期,暂定为一年。
阶段期限:2012年12月15日。
7、收尾阶段:该阶段主要是项目的收尾工作,包括设备的运行监控、计量体系的运行维护、计量标准的正式授权考核、检定生产线的正式上线等工作,内容繁杂。
阶段期限:2012年2月1日。
四、完成进度的保证措施
1、责任到部门:根据工期紧迫的现状,水表检定站建设项目结合整体工程进度计划及当前实际进度情况,制定工程目标进行编制,安排部门负责人对关键工程进行蹲点落实,实行周报制度。
2、加大投入:加大施工密度,采取“三班倒”、“人停机不停”的做法,采取多开工作面的办法保证项目进度;增加施工队伍和施工人员,改变事等人做的局面,做到人等事做。
3、做好保障:做好机械设备、人员、物资、材料的保障,保证施工进度计划的完成。
4、交叉施工:为保证新水表检定站的施工进度,计划土建施工完成80%后立即安排队伍对其进行内部装修,并采取并联流水作业形式,能同步的工作并联同步开展,充分利用每一天时间,抓质量抢工期。
5、标准分明:明确施工标准、验收标准,将计量体系、计量标准等管理基础工作融入到项目建设中来,将设备熟练操作、检定线正常运
转、标准考核顺利授权及计量考核规范体系正常运行作为最终考核指标。
营业中心
二〇一二年八月十六日。